EP0808084A3 - Safety shutdown in case of asymmetrical power consumption - Google Patents
Safety shutdown in case of asymmetrical power consumption Download PDFInfo
- Publication number
- EP0808084A3 EP0808084A3 EP97107206A EP97107206A EP0808084A3 EP 0808084 A3 EP0808084 A3 EP 0808084A3 EP 97107206 A EP97107206 A EP 97107206A EP 97107206 A EP97107206 A EP 97107206A EP 0808084 A3 EP0808084 A3 EP 0808084A3
- Authority
- EP
- European Patent Office
- Prior art keywords
- safety shutdown
- case
- power consumption
- asymmetrical power
- lamp
- Prior art date
- Legal status (The legal status is an assumption and is not a legal conclusion. Google has not performed a legal analysis and makes no representation as to the accuracy of the status listed.)
- Granted
Links
- 239000003990 capacitor Substances 0.000 abstract 2
- 230000008878 coupling Effects 0.000 abstract 2
- 238000010168 coupling process Methods 0.000 abstract 2
- 238000005859 coupling reaction Methods 0.000 abstract 2
- 238000000926 separation method Methods 0.000 abstract 1
Classifications
-
- H—ELECTRICITY
- H05—ELECTRIC TECHNIQUES NOT OTHERWISE PROVIDED FOR
- H05B—ELECTRIC HEATING; ELECTRIC LIGHT SOURCES NOT OTHERWISE PROVIDED FOR; CIRCUIT ARRANGEMENTS FOR ELECTRIC LIGHT SOURCES, IN GENERAL
- H05B41/00—Circuit arrangements or apparatus for igniting or operating discharge lamps
- H05B41/14—Circuit arrangements
- H05B41/26—Circuit arrangements in which the lamp is fed by power derived from DC by means of a converter, e.g. by high-voltage DC
- H05B41/28—Circuit arrangements in which the lamp is fed by power derived from DC by means of a converter, e.g. by high-voltage DC using static converters
- H05B41/295—Circuit arrangements in which the lamp is fed by power derived from DC by means of a converter, e.g. by high-voltage DC using static converters with semiconductor devices and specially adapted for lamps with preheating electrodes, e.g. for fluorescent lamps
- H05B41/298—Arrangements for protecting lamps or circuits against abnormal operating conditions
- H05B41/2981—Arrangements for protecting lamps or circuits against abnormal operating conditions for protecting the circuit against abnormal operating conditions
- H05B41/2985—Arrangements for protecting lamps or circuits against abnormal operating conditions for protecting the circuit against abnormal operating conditions against abnormal lamp operating conditions
Landscapes
- Circuit Arrangements For Discharge Lamps (AREA)
- Circuit Arrangement For Electric Light Sources In General (AREA)
Abstract
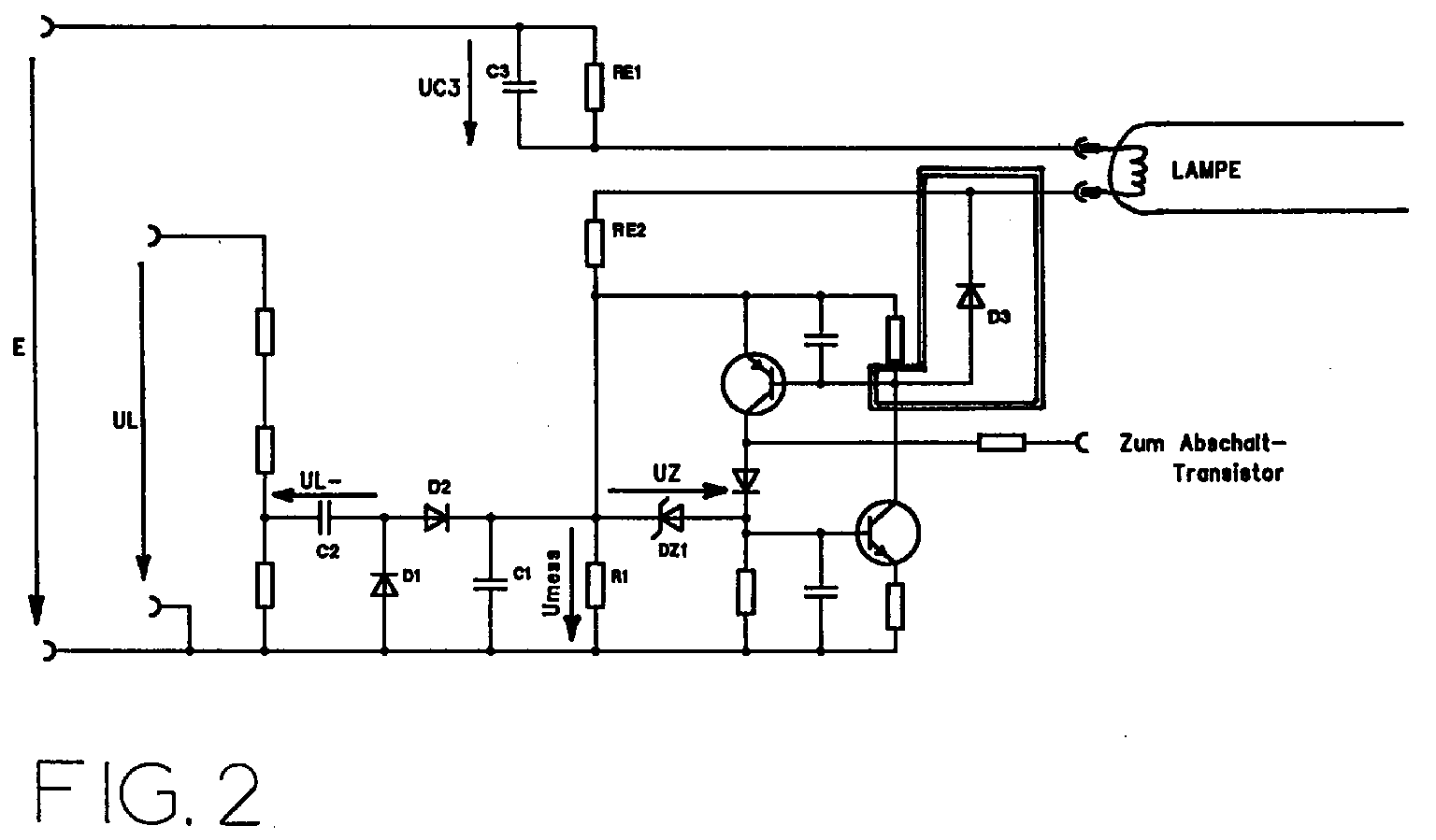
Vorgeschlagen wird eine Schaltung zum Wechselspannungsbetrieb einer Entladungslampe über einen mit der Lampe zur Gleichstromtrennung in Reihe geschalteten Kopplungskondensator (C3) mit einer Sicherheitsabschalteinrichtung, die dadurch gekennzeichnet ist, daß die Sicherheitsabschalteinrichtung auf eine Gleichspannung (UC3) an dem Kopplungskondensator (C3) durch eine Gleichstromkomponente durch die Lampe anspricht. A circuit is proposed for AC operation of a discharge lamp via a coupling capacitor (C3) connected in series with the lamp for direct current separation with a safety shutdown device, which is characterized in that the safety shutdown device switches to a direct voltage (UC3) on the coupling capacitor (C3) by a direct current component the lamp responds.
Applications Claiming Priority (2)
| Application Number | Priority Date | Filing Date | Title |
|---|---|---|---|
| DE19619580A DE19619580A1 (en) | 1996-05-15 | 1996-05-15 | Safety shutdown with asymmetrical lamp power |
| DE19619580 | 1996-05-15 |
Publications (3)
| Publication Number | Publication Date |
|---|---|
| EP0808084A2 EP0808084A2 (en) | 1997-11-19 |
| EP0808084A3 true EP0808084A3 (en) | 1998-04-22 |
| EP0808084B1 EP0808084B1 (en) | 2001-06-27 |
Family
ID=7794387
Family Applications (1)
| Application Number | Title | Priority Date | Filing Date |
|---|---|---|---|
| EP97107206A Expired - Lifetime EP0808084B1 (en) | 1996-05-15 | 1997-04-30 | Safety shutdown in case of asymmetrical power consumption |
Country Status (4)
| Country | Link |
|---|---|
| US (1) | US5939832A (en) |
| EP (1) | EP0808084B1 (en) |
| CA (1) | CA2205323C (en) |
| DE (2) | DE19619580A1 (en) |
Families Citing this family (9)
| Publication number | Priority date | Publication date | Assignee | Title |
|---|---|---|---|---|
| DE19941437A1 (en) | 1999-08-30 | 2001-03-01 | Patent Treuhand Ges Fuer Elektrische Gluehlampen Mbh | Circuit arrangement for operating at least one discharge lamp |
| DE10046443A1 (en) * | 2000-09-18 | 2002-03-28 | Patent Treuhand Ges Fuer Elektrische Gluehlampen Mbh | Electronic circuit for the detection of the change in gas discharge lamps |
| EP1444871A1 (en) * | 2001-11-07 | 2004-08-11 | Koninklijke Philips Electronics N.V. | Ballast circuit arrangement for operating a discharge lamp with end of lamp life detection |
| DE10163033A1 (en) * | 2001-12-20 | 2003-07-03 | Tridonicatco Gmbh & Co Kg | Electronic ballast with monitoring circuit for detecting the rectification effect occurring in a gas discharge lamp |
| DE102005028419A1 (en) * | 2005-06-20 | 2006-12-28 | Patent-Treuhand-Gesellschaft für elektrische Glühlampen mbH | Electronic ballast for e.g. coldstarting discharge lamp, has varistor, shutdown device, diode, resistors and integration capacitor connected in parallel for limiting voltage across intermediate circuit capacitor |
| CN101060737A (en) * | 2006-04-19 | 2007-10-24 | 皇家飞利浦电子股份有限公司 | A circuit of displaying the functional status of detecting lamp and ballast |
| US8482213B1 (en) | 2009-06-29 | 2013-07-09 | Panasonic Corporation | Electronic ballast with pulse detection circuit for lamp end of life and output short protection |
| US8947020B1 (en) | 2011-11-17 | 2015-02-03 | Universal Lighting Technologies, Inc. | End of life control for parallel lamp ballast |
| CN202455166U (en) * | 2011-12-31 | 2012-09-26 | 东莞市洁德电子科技有限公司 | Inductor, inductive charger and inductive emergency lamp |
Citations (6)
| Publication number | Priority date | Publication date | Assignee | Title |
|---|---|---|---|---|
| EP0056481A2 (en) * | 1980-12-26 | 1982-07-28 | Toshiba Electric Equipment Corporation | Transistor inverter device |
| EP0411618A2 (en) * | 1989-08-04 | 1991-02-06 | Zumtobel Aktiengesellschaft | Electronic ballast for gas discharge lamps |
| US5023516A (en) * | 1988-05-10 | 1991-06-11 | Matsushita Electric Industrial Co., Ltd. | Discharge lamp operation apparatus |
| DE4100349A1 (en) * | 1990-01-31 | 1991-08-01 | Siemens Ag | ELECTRONIC BALLAST |
| EP0681414A2 (en) * | 1994-05-03 | 1995-11-08 | Osram Sylvania Inc. | Protection circuit for arc discharge lamps |
| EP0696157A1 (en) * | 1994-08-02 | 1996-02-07 | Osram Sylvania Inc. | Ballast containing protection circuit for detecting rectification of arc discharge lamp |
Family Cites Families (2)
| Publication number | Priority date | Publication date | Assignee | Title |
|---|---|---|---|---|
| US5387846A (en) * | 1991-11-27 | 1995-02-07 | Selwyn Yuen | Combination ballast for driving a fluorescent lamp or tube and ballast protection circuit |
| US5528147A (en) * | 1994-06-30 | 1996-06-18 | Motorola Lighting, Inc. | Apparatus for detecting gas discharge lamp faults |
-
1996
- 1996-05-15 DE DE19619580A patent/DE19619580A1/en not_active Withdrawn
-
1997
- 1997-04-30 EP EP97107206A patent/EP0808084B1/en not_active Expired - Lifetime
- 1997-04-30 DE DE59703889T patent/DE59703889D1/en not_active Expired - Lifetime
- 1997-05-09 US US08/853,996 patent/US5939832A/en not_active Expired - Lifetime
- 1997-05-14 CA CA002205323A patent/CA2205323C/en not_active Expired - Fee Related
Patent Citations (6)
| Publication number | Priority date | Publication date | Assignee | Title |
|---|---|---|---|---|
| EP0056481A2 (en) * | 1980-12-26 | 1982-07-28 | Toshiba Electric Equipment Corporation | Transistor inverter device |
| US5023516A (en) * | 1988-05-10 | 1991-06-11 | Matsushita Electric Industrial Co., Ltd. | Discharge lamp operation apparatus |
| EP0411618A2 (en) * | 1989-08-04 | 1991-02-06 | Zumtobel Aktiengesellschaft | Electronic ballast for gas discharge lamps |
| DE4100349A1 (en) * | 1990-01-31 | 1991-08-01 | Siemens Ag | ELECTRONIC BALLAST |
| EP0681414A2 (en) * | 1994-05-03 | 1995-11-08 | Osram Sylvania Inc. | Protection circuit for arc discharge lamps |
| EP0696157A1 (en) * | 1994-08-02 | 1996-02-07 | Osram Sylvania Inc. | Ballast containing protection circuit for detecting rectification of arc discharge lamp |
Also Published As
| Publication number | Publication date |
|---|---|
| CA2205323C (en) | 2005-03-22 |
| EP0808084A2 (en) | 1997-11-19 |
| DE19619580A1 (en) | 1997-11-20 |
| CA2205323A1 (en) | 1997-11-15 |
| DE59703889D1 (en) | 2001-08-02 |
| US5939832A (en) | 1999-08-17 |
| EP0808084B1 (en) | 2001-06-27 |
Similar Documents
| Publication | Publication Date | Title |
|---|---|---|
| TW331067B (en) | High efficient power supply for a cold cathode fluorescence lamp | |
| EP0784374A3 (en) | Power supply | |
| EP0878982A3 (en) | High voltage discharge lamp device | |
| EP0947904A3 (en) | AC power supply using sunlight | |
| EP1376836A3 (en) | Quick-start DC-DC converter circuit and method | |
| EP0808084A3 (en) | Safety shutdown in case of asymmetrical power consumption | |
| EP1361653A3 (en) | Power supplying apparatus, design method of the same, and power generation apparatus | |
| EP1120918A3 (en) | Power saving circuit in mobile terminal with control of the display dependent on the state of operation | |
| EP0917411A3 (en) | Multi-voltage ballast and dimming circuits for a lamp driven voltage transformation and ballasting system | |
| ATE72376T1 (en) | DC VOLTAGE SUPPLY CIRCUIT FOR FLUORESCENT LAMPS. | |
| EP1496604A3 (en) | DC-DC converter and device for operation of a high pressure discharge lamp using said converter | |
| EP0352828A3 (en) | Control circuit for the clamping voltage of an inductive load drive by a power device in a high side driver configuration | |
| ATE233447T1 (en) | METHOD AND DEVICE FOR CONTROLLING THE DC OFFSET OF A CONVERTER | |
| TW259922B (en) | Circuit arrangement | |
| JPS54140531A (en) | Strobo voltage confirming device | |
| DE69322866D1 (en) | Circuit for limiting the maximum current delivered to a load via a power MOS | |
| EP0275960A3 (en) | Circuit arrangement for an inductive load | |
| SE9603409L (en) | Snubber circuit, voltage converter circuit and method in such a snubber circuit | |
| TW368773B (en) | Current limiting circuit | |
| EP1220437A3 (en) | Shutdown circuit for a half-bridge converter | |
| WO2003032476A3 (en) | Method and device for transforming a direct current voltage, and use of said device | |
| WO2003005544A3 (en) | A control circuit for an inductive device | |
| ATE664T1 (en) | CIRCUIT ARRANGEMENT FOR REVERSING THE ROTATION OF A DIRECT CURRENT MOTOR. | |
| CN2288470Y (en) | Computer switch power controller | |
| WO1998058301A3 (en) | A circuit for controlling an ac/dc buzzer load |
Legal Events
| Date | Code | Title | Description |
|---|---|---|---|
| PUAI | Public reference made under article 153(3) epc to a published international application that has entered the european phase |
Free format text: ORIGINAL CODE: 0009012 |
|
| AK | Designated contracting states |
Kind code of ref document: A2 Designated state(s): BE DE FR GB IT NL |
|
| PUAL | Search report despatched |
Free format text: ORIGINAL CODE: 0009013 |
|
| AK | Designated contracting states |
Kind code of ref document: A3 Designated state(s): BE DE FR GB IT NL |
|
| 17P | Request for examination filed |
Effective date: 19980519 |
|
| 17Q | First examination report despatched |
Effective date: 19980611 |
|
| RIC1 | Information provided on ipc code assigned before grant |
Free format text: 7H 05B 41/295 A |
|
| GRAG | Despatch of communication of intention to grant |
Free format text: ORIGINAL CODE: EPIDOS AGRA |
|
| GRAG | Despatch of communication of intention to grant |
Free format text: ORIGINAL CODE: EPIDOS AGRA |
|
| GRAH | Despatch of communication of intention to grant a patent |
Free format text: ORIGINAL CODE: EPIDOS IGRA |
|
| GRAH | Despatch of communication of intention to grant a patent |
Free format text: ORIGINAL CODE: EPIDOS IGRA |
|
| GRAA | (expected) grant |
Free format text: ORIGINAL CODE: 0009210 |
|
| AK | Designated contracting states |
Kind code of ref document: B1 Designated state(s): BE DE FR GB IT NL |
|
| REF | Corresponds to: |
Ref document number: 59703889 Country of ref document: DE Date of ref document: 20010802 |
|
| ITF | It: translation for a ep patent filed | ||
| GBT | Gb: translation of ep patent filed (gb section 77(6)(a)/1977) |
Effective date: 20010910 |
|
| ET | Fr: translation filed | ||
| REG | Reference to a national code |
Ref country code: GB Ref legal event code: IF02 |
|
| PLBE | No opposition filed within time limit |
Free format text: ORIGINAL CODE: 0009261 |
|
| STAA | Information on the status of an ep patent application or granted ep patent |
Free format text: STATUS: NO OPPOSITION FILED WITHIN TIME LIMIT |
|
| 26N | No opposition filed | ||
| PGFP | Annual fee paid to national office [announced via postgrant information from national office to epo] |
Ref country code: NL Payment date: 20060404 Year of fee payment: 10 |
|
| PGFP | Annual fee paid to national office [announced via postgrant information from national office to epo] |
Ref country code: GB Payment date: 20060411 Year of fee payment: 10 |
|
| PGFP | Annual fee paid to national office [announced via postgrant information from national office to epo] |
Ref country code: BE Payment date: 20060419 Year of fee payment: 10 |
|
| PGFP | Annual fee paid to national office [announced via postgrant information from national office to epo] |
Ref country code: FR Payment date: 20060425 Year of fee payment: 10 |
|
| PGFP | Annual fee paid to national office [announced via postgrant information from national office to epo] |
Ref country code: IT Payment date: 20060430 Year of fee payment: 10 |
|
| GBPC | Gb: european patent ceased through non-payment of renewal fee |
Effective date: 20070430 |
|
| BERE | Be: lapsed |
Owner name: *PATENT-TREUHAND-G.- FUR ELEKTRISCHE GLUHLAMPEN M. Effective date: 20070430 |
|
| NLV4 | Nl: lapsed or anulled due to non-payment of the annual fee |
Effective date: 20071101 |
|
| PG25 | Lapsed in a contracting state [announced via postgrant information from national office to epo] |
Ref country code: NL Free format text: LAPSE BECAUSE OF NON-PAYMENT OF DUE FEES Effective date: 20071101 |
|
| PG25 | Lapsed in a contracting state [announced via postgrant information from national office to epo] |
Ref country code: BE Free format text: LAPSE BECAUSE OF NON-PAYMENT OF DUE FEES Effective date: 20070430 |
|
| PG25 | Lapsed in a contracting state [announced via postgrant information from national office to epo] |
Ref country code: GB Free format text: LAPSE BECAUSE OF NON-PAYMENT OF DUE FEES Effective date: 20070430 |
|
| PG25 | Lapsed in a contracting state [announced via postgrant information from national office to epo] |
Ref country code: FR Free format text: LAPSE BECAUSE OF NON-PAYMENT OF DUE FEES Effective date: 20070430 |
|
| PG25 | Lapsed in a contracting state [announced via postgrant information from national office to epo] |
Ref country code: IT Free format text: LAPSE BECAUSE OF NON-PAYMENT OF DUE FEES Effective date: 20070430 |
|
| PGFP | Annual fee paid to national office [announced via postgrant information from national office to epo] |
Ref country code: DE Payment date: 20110620 Year of fee payment: 15 |
|
| REG | Reference to a national code |
Ref country code: DE Ref legal event code: R119 Ref document number: 59703889 Country of ref document: DE Effective date: 20121101 |
|
| PG25 | Lapsed in a contracting state [announced via postgrant information from national office to epo] |
Ref country code: DE Free format text: LAPSE BECAUSE OF NON-PAYMENT OF DUE FEES Effective date: 20121101 |
