EP0366940B1 - Stromversorgungssystem mit Leistungsaufteilung - Google Patents
Stromversorgungssystem mit Leistungsaufteilung Download PDFInfo
- Publication number
- EP0366940B1 EP0366940B1 EP89118102A EP89118102A EP0366940B1 EP 0366940 B1 EP0366940 B1 EP 0366940B1 EP 89118102 A EP89118102 A EP 89118102A EP 89118102 A EP89118102 A EP 89118102A EP 0366940 B1 EP0366940 B1 EP 0366940B1
- Authority
- EP
- European Patent Office
- Prior art keywords
- power supply
- temperature
- power
- output
- supply unit
- Prior art date
- Legal status (The legal status is an assumption and is not a legal conclusion. Google has not performed a legal analysis and makes no representation as to the accuracy of the status listed.)
- Expired - Lifetime
Links
- 230000001105 regulatory effect Effects 0.000 claims abstract description 21
- 239000004065 semiconductor Substances 0.000 claims description 12
- 230000001419 dependent effect Effects 0.000 claims description 8
- 238000001514 detection method Methods 0.000 claims description 4
- 238000000034 method Methods 0.000 description 11
- 230000008569 process Effects 0.000 description 11
- 239000003990 capacitor Substances 0.000 description 3
- 238000011161 development Methods 0.000 description 3
- 230000008901 benefit Effects 0.000 description 2
- 230000008859 change Effects 0.000 description 2
- 238000001816 cooling Methods 0.000 description 2
- 230000000694 effects Effects 0.000 description 2
- 238000005516 engineering process Methods 0.000 description 2
- 230000007613 environmental effect Effects 0.000 description 2
- 238000009434 installation Methods 0.000 description 2
- 238000012935 Averaging Methods 0.000 description 1
- 238000010521 absorption reaction Methods 0.000 description 1
- 230000000712 assembly Effects 0.000 description 1
- 238000000429 assembly Methods 0.000 description 1
- 230000033228 biological regulation Effects 0.000 description 1
- 230000015572 biosynthetic process Effects 0.000 description 1
- 230000007547 defect Effects 0.000 description 1
- 230000002950 deficient Effects 0.000 description 1
- 238000013461 design Methods 0.000 description 1
- 238000010586 diagram Methods 0.000 description 1
- 230000002349 favourable effect Effects 0.000 description 1
- 230000017525 heat dissipation Effects 0.000 description 1
- 238000004519 manufacturing process Methods 0.000 description 1
- 230000007246 mechanism Effects 0.000 description 1
- 238000013021 overheating Methods 0.000 description 1
- 238000012545 processing Methods 0.000 description 1
- 230000009467 reduction Effects 0.000 description 1
- 238000012546 transfer Methods 0.000 description 1
Images
Classifications
-
- G—PHYSICS
- G05—CONTROLLING; REGULATING
- G05F—SYSTEMS FOR REGULATING ELECTRIC OR MAGNETIC VARIABLES
- G05F1/00—Automatic systems in which deviations of an electric quantity from one or more predetermined values are detected at the output of the system and fed back to a device within the system to restore the detected quantity to its predetermined value or values, i.e. retroactive systems
- G05F1/10—Regulating voltage or current
- G05F1/46—Regulating voltage or current wherein the variable actually regulated by the final control device is DC
- G05F1/56—Regulating voltage or current wherein the variable actually regulated by the final control device is DC using semiconductor devices in series with the load as final control devices
- G05F1/59—Regulating voltage or current wherein the variable actually regulated by the final control device is DC using semiconductor devices in series with the load as final control devices including plural semiconductor devices as final control devices for a single load
-
- Y—GENERAL TAGGING OF NEW TECHNOLOGICAL DEVELOPMENTS; GENERAL TAGGING OF CROSS-SECTIONAL TECHNOLOGIES SPANNING OVER SEVERAL SECTIONS OF THE IPC; TECHNICAL SUBJECTS COVERED BY FORMER USPC CROSS-REFERENCE ART COLLECTIONS [XRACs] AND DIGESTS
- Y10—TECHNICAL SUBJECTS COVERED BY FORMER USPC
- Y10S—TECHNICAL SUBJECTS COVERED BY FORMER USPC CROSS-REFERENCE ART COLLECTIONS [XRACs] AND DIGESTS
- Y10S323/00—Electricity: power supply or regulation systems
- Y10S323/907—Temperature compensation of semiconductor
Definitions
- the invention relates to a power supply system with at least two power supplies, the outputs of which are connected in parallel and which together feed a load, the output power of the respective power supply being set as a function of the total power to be delivered to the load and of a respectively predetermined proportion of the total power.
- Power supply units are to be understood here as both current and voltage supply modules, the primary energy of which is taken either from an AC network from a DC voltage or from a DC source.
- the first is to activate only one power supply unit in normal operation that delivers the full power to the load, while the other power supply units are intended as a power reserve and remain passive and are only switched on in the event of a fault.
- the active power supply is put under high stress, which increases the risk of failure.
- the second operating option is the total power to be delivered to the load is simultaneously distributed over several power supplies, with the power being distributed according to a predetermined key.
- the aim is to load the power supplies evenly. If one of these power supplies fails due to a defect, the power distribution will be changed accordingly.
- This operating option has the advantage that the power supplies are only loaded with a fraction of their nominal power during normal operation, which means that load-dependent factors that can impair the functionality of a power supply have a minor influence on the service life of the power supplies.
- a power supply system is equipped with several power supplies for safety reasons, its reliability can only be fully assured if all modules work properly. This means that even if one of the power supplies fails, the functionality of the power supply system is restricted and the defective power supply must be repaired or replaced with a new one. According to statistical considerations, the mean time between two failures of a power supply system is directly dependent on the failure probability of its individual assemblies, i.e. on the probability of failure and reliability of the power supplies.
- the total load is distributed over several power supplies by current distribution based on these considerations.
- the total current delivered to the load which can be subject to strong fluctuations over time, is determined and divided between the power supplies according to a predetermined ratio. It is usually divided into equal parts. If the power supply units generate only one output voltage, then dividing the current also divides the total power in the same ratio. However, if the power supply units each generate several output voltages, the power supplies must be divided separately for each voltage by means of current distribution, which means that the control effort is very great.
- the distribution of the total current between the power supplies connected in parallel does not yet ensure that the power supply system has a low probability of failure, because the factors that influence the thermal load, such as the heat dissipated in the power supply, the fluctuations in the primary voltage and the structural installation conditions of the Power supplies are disregarded.
- unfavorable operating conditions of the power supply units e.g. caused by insufficient cooling, high ambient temperatures or different heat transfer resistances between heat sources and heat sinks, it can happen that the power supply units are subjected to different thermal loads even with an even power distribution and consequently have an increased risk of failure. Overall, this can lead to a reduction in the average useful life of the power supply system.
- a power supply system with several power supplies, the outputs of which are connected in parallel and which feed a common load, is known from the magazine Electronic Design, November 14, 1985, pp. 125 to 132.
- the output power of the respective power supply depends on the one hand on the total power to be given to the load, which is specified by a reference voltage, and on the other hand on signals from current sensors with which the proportion of the total power to be supplied by the respective power supply is determined .
- This power supply system shows the disadvantages already mentioned during operation.
- the invention makes use of the knowledge that the failure probability of building elements increases exponentially with increasing temperature.
- Particularly critical components in a power supply system and in the associated power supplies are e.g. Power semiconductors and charging capacitors. If their temperature load is minimized, their lifespan is also increased accordingly, which has a favorable effect on the average useful life of the power supplies and thus on that of the entire power supply system.
- the temperature as a criterion for the power distribution among the individual power supplies, an undesirable one-sided temperature load is avoided. It is taken into account that the temperature that arises in a power supply unit is less dependent on the output power, but rather on the current power loss of the power supply unit, which can fluctuate as a result of manufacturing variation, even under devices of the same type, and on the current environmental conditions.
- the regulation of the power distribution according to the temperature can be carried out continuously or intermittently. In the latter case, the deviation of the actual temperature of the power supply from a target temperature is determined at predetermined time intervals, and the output power of the respective power supply is adjusted accordingly. This is advantageous if digital control principles are used.
- a particular advantage of the invention lies in the low circuit complexity for realizing the power distribution depending on the temperature. Even when using power supplies with multiple output voltages or output currents, this does not have to be increased, since it is not necessary, as in the prior art, to determine the power output at the respective output, because a parameter is used with the temperature as a controlled variable, in which the power loss arising in the power pack is evaluated integrally simultaneously via several power controllers. A separate determination of power components in relation to one output of a power supply unit can thus be omitted.
- a preferred embodiment of the invention is characterized in that the output power of the respective power supply is regulated depending on the difference in its temperature and the average temperature of all power supplies.
- the average temperature of all power supplies is used as the control variable for the control, ie the power output of power supplies is controlled in such a way that the power supplies with a lower temperature than the average temperature have a higher output and conversely the power supplies with a higher temperature have a correspondingly smaller amount Deliver power to their output.
- the power supply units strive for an average temperature value, which is a minimum value for a total output delivered to the load over a certain period of time.
- the temperature of at least one heat sink is recorded in the respective power supply unit.
- the heat loss generated in a power supply unit is normally dissipated to the environment via heat sinks.
- An average temperature level is thus set on the heat sink, which on the one hand depends on the heat source, e.g. can be a power semiconductor and on the other hand from the environmental conditions, e.g. the installation conditions, the power supply is determined.
- a heat sink is therefore particularly well suited to easily indicate the characteristic temperature conditions of a power supply.
- a common heat sink is preferably used for the power semiconductors. It is then sufficient to record its temperature only in order to be able to regulate the performance of the entire power supply.
- At least one temperature-dependent resistor through which a current flows is preferably provided, the voltage or current of which is used as a measure of the temperature.
- This simple type of temperature detection can be sufficient to distribute power depending on the temperature, since it is not necessary to specify the temperature of the power supplies in absolute values. A linear relationship between temperature and resistance does not necessarily have to exist, since only temperature differences are evaluated.
- Such temperature sensors are already available in many power supplies to enable shutdown in the event of overheating due to fan failure or lack of cooling and can be used for these measures.
- a further development of the invention is characterized in that a signal corresponding to the temperature of the respective power supply unit is generated, which signal is output on a bus line to which each power supply unit is connected, and in that the bus line in each power supply unit is connected to ground via a reference resistor.
- This voltage drop corresponds to the average temperature of all power supplies, which, as already mentioned, can be used as a reference variable for regulating the output power of the power supplies.
- An advantageous development of the invention is that a control device is provided that controls a power controller that adjusts the output power of the respective power supply unit, and that the control device is supplied with a signal corresponding to the setpoint temperature as the setpoint value and a signal corresponding to the actual temperature of the respective power supply unit as the actual value becomes.
- Conventional power supplies contain a power controller that keeps the desired size, eg voltage or current, constant at their output, regardless of load changes.
- the output variable of which is regulated to a constant voltage such a power regulator can consist of a series regulator which compares the output voltage with a fixed, predetermined nominal voltage and adjusts the output voltage in the event of deviations. If two such power supplies are connected in parallel to feed a common load at their voltage output, then very small voltage differences between the output voltages are sufficient due to the small internal resistances of the power supplies to cause a different current output and thus a different power distribution.
- the controller which determines a setpoint-actual value deviation of the temperature, controls the power controller in such a way that it changes its output voltage and thus its power output. For example, if the actual temperature is lower than the target temperature of the power supply, the power controller is caused to output a higher voltage. The consequence of this is that the output current of the power supply unit rises and the power dissipation thus increases. This heats the power supply unit until the actual temperature is equal to the target temperature and the control process is complete. If the actual temperature is higher than the target temperature, a control process is started in the opposite direction.
- This type of scheme can be applied to any number of power supplies connected in parallel. This principle is also not only limited to voltage-controlled power supplies, but can also be used for current-controlled power supplies with the correspondingly adapted power controllers.
- the voltage of the reference resistor is supplied as the setpoint and a voltage corresponding to the temperature of the respective power supply unit is supplied as the actual value.
- the signal level of the bus line corresponds to the average temperature of all power supplies.
- control principle explained above can be implemented particularly advantageously if the control device contains a PI controller whose time constant is greater than the thermal time constant of the heat sink. These measures ensure that the closed control loop does not tend to vibrate even in critical operating phases.
- a further embodiment of the invention can be constructed in such a way that a controllable reference voltage source is provided for regulating the output voltage or the output current of the respective power supply unit, which generates a desired value and whose voltage can be adjusted within predetermined limits by the control device.
- a controllable reference voltage source is provided for regulating the output voltage or the output current of the respective power supply unit, which generates a desired value and whose voltage can be adjusted within predetermined limits by the control device.
- reference voltage sources are used to specify a precisely defined setpoint, to which the output variable of the power supply is to be regulated.
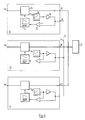
- a power supply system which consists of three identically constructed power supplies 10, 12, 14, the outputs 16, 18, 20 are connected together and feed a load 22 together.
- the load 22 can be implemented by one or more arbitrary electrical devices, but such a power supply system is provided in particular for applications of the highest reliability, for example in the field of data processing technology or telecommunications technology.
- the power supply units 10, 12, 14 are supplied with an unregulated DC voltage Ue at correspondingly designated inputs; but it is also possible to use power supplies that can be connected directly to an AC network.
- the power supplies 10, 12, 14 are designed so that if one of the three power supplies fails, the remaining power supplies can supply the total power required for the load 22.
- a power regulator 24 is arranged in the power supply unit 10 and can be designed as a switching regulator or as a series regulator. It generates a regulated output voltage from the unregulated DC voltage Ue, which is output at the output 16.
- the power regulator 24 can consist of several power semiconductors connected in parallel, such as bipolar transistors, free-wheeling diodes, decoupling diodes or rectifier diodes, which are mounted together on a heat sink, which is heated by the power dissipation of the power semiconductors and dissipates the heat to the environment.
- a temperature is established on the heat sink that lies between the temperature of the power semiconductors and the ambient temperature.
- a temperature sensor 26 detects the temperature of the heat sink and emits a signal corresponding to this temperature at the input of the amplifier 28. This is output at the outlet 30 on a manifold 31.
- a signal Us is set on the collecting line 31, the level of which corresponds to the average temperature of all power supply units 10, 12, 14 connected to the collecting line 31.
- the signal Us is applied to one input of the control device 32, which compares the current temperature at the output of the temperature sensor 26 with the signal Us.
- the signal Us corresponds to the setpoint in the control engineering sense, the signal from the temperature sensor 26 to the actual value. If the target value and the actual value differ from one another, the control device 32 outputs an output signal to a controllable reference voltage source 34, the output signal of which in turn acts on the power controller 24 in the sense of a target value specification.
- the power regulator 24 adjusts the output voltage at the terminal 16 in accordance with this setpoint.
- the level of the signal Us is greater than the level of the signal of the temperature sensor 26, i.e. the temperature of the heat sink of the power regulator 24 is lower than the average temperature of all power supplies.
- the control device 32 generates an output signal in accordance with the determined setpoint / actual value deviation, which causes the controllable reference voltage source 34 to output a higher setpoint voltage. This triggers a control process in the power controller 24, which increases the output voltage at the terminal 16.
- the control range of the reference voltage source 34 is restricted to a range that is predetermined by limit values of the power supply unit 10, such as, for example, the maximum power and current and voltage limit values.
- the control processes therefore do not result in the maximum permissible limit values being exceeded.
- the exemplary embodiment of a power supply system shown in FIG. 2 can also be expanded for power supply units which generate multiple voltages.
- a corresponding number of power regulators of the type of the power regulator 24 must be provided in the power supply.
- the power semiconductors of these power controllers are usually mounted on a common heat sink, and the power controllers are supplied with setpoints from a single reference voltage source. In this case, as already described, it is sufficient to record the temperature of this heat sink and to control the reference voltage source as a function of the target / actual value deviation of the temperature. This enables the power distribution for power supplies with multiple voltage outputs without increasing the control effort.
- FIG. 2 shows a circuit arrangement for regulating the power of the power supply 10 as a function of its temperature in a more precise representation. Relevant parts of the power supply units 12, 14 are also shown, on which the formation of the mean temperature is explained. For a better overview, the power regulator 24 belonging to the power supply unit 10 has not been reproduced.
- a temperature-dependent resistor 40 is arranged in a bridge circuit with resistors 42, 44, 46. It detects the temperature of a heat sink, not shown, on which power semiconductors of the power regulator 24 (see FIG. 1) are mounted.
- the resistor 40 can also be arranged at other locations on the power supply unit 10 in order to generate a signal which characterizes the temperature of the power supply unit 10. It is also possible to arrange several temperature sensors, which do not necessarily have to be temperature-dependent resistors of the type of resistor 40, at different locations on the power supply unit 10 and to evaluate their signals in such a way that an average temperature characteristic of the power supply unit is determined.
- the bridge circuit is supplied from a regulated voltage Ub of the power supply. Its diagonal voltage is fed via resistors 48, 50 to an operational amplifier 52, which operates as a differential amplifier and has a resistor 54 in its feedback branch for setting the gain factor.
- the output voltage of the operational amplifier 52 generates a current I1 which flows through a decoupling diode 56 and a resistor 58 and is divided at the node 59. Part of the current is conducted through a reference resistor 60 of the power supply unit 10, the other part flows to ground via the bus 31 and via reference resistors 64, 66 of the power supply units 12 and 14 connected in parallel.
- the reference resistors 60, 64, 66 have the same resistance values.
- the temperature detection in the power supply units 12, 14, in which the currents I2 and I3 are generated, is carried out in the same way as in the power supply unit 10.
- the following shows that in this type of interconnection of the power supply units 10, 12, 14 via the Collective line 31 sets a voltage Us thereon, the level of which corresponds to the average temperature of all power supply units connected to the common line 31.
- R / n represents averaging over n currents, where the number n can be of any size. This means that the voltage Us on the bus 31 corresponds to the temperature values averaged over all power supplies, regardless of the number of connected power supplies.
- each power supply unit receives information about the average temperature of all power supply units, which is used as a reference variable or a variable setpoint for regulating the output power of the respective power supply unit.
- the voltage Us is fed via a resistor 70 to an operational amplifier 72 at its non-inverting input.
- This input is through a resistor 74 is also connected to the voltage Ub, as a result of which a voltage drop occurring at the decoupling diode 56 is compensated for and the operating point is set at the operational amplifier 72.
- the signal corresponding to the actual temperature of the power supply 10 at the output of the operational amplifier 52 is applied to the inverting input of the operational amplifier 72 via a resistor 76.
- control amplifier 72 This is connected as a control amplifier with PI behavior, the gain factor of which is set by resistors 78 and 80.
- the time behavior of the control amplifier 72 is determined by the time constant in the feedback branch, which results from the capacitor 82 and the resistor 78.
- the time constant is set so that it is greater than the thermal time constant of the heat sink of the power controller. This measure prevents the closed control loop from oscillating.
- a controllable reference voltage source 84 is connected downstream of the operational amplifier 72 and is connected to the supply voltage Ue via a resistor 86.
- the reference voltage source 84 generates a target voltage 88, which is supplied to the voltage regulator (not shown in FIG. 2), which compares the output voltage of the power supply 10 with this target voltage 88 and adjusts the output voltage accordingly in the event of deviations.
- the reference voltage source 84 has a control input 90, via which the target voltage 88 can be changed in a voltage-controlled manner within narrow, predetermined limits.
- the resistors 92, 94 forming a voltage divider between the nominal voltage 88 and the reference potential serve for the basic setting of the reference voltage source 84.
- the tap of this voltage divider is connected to the control input 90 and via a resistor 96 to the operational amplifier 72.
- operating phase 1 the actual temperature is equal to the mean one Temperature, ie the levels of the output voltage of the operational amplifier 52 and the voltage Us match. Then a voltage determined by the charge of the capacitor 82 is present at the output of the operational amplifier 72, by means of which the reference voltage source 84 is set to a specific value.
- the power regulator connected downstream regulates the output voltage of the power supply 10 to a value predetermined by the target voltage 88, at which just enough power is generated in the power supply 10 that its temperature corresponds exactly to the average temperature of all power supplies.
- the operational amplifier 72 is controlled in accordance with its time behavior in such a way that a more positive voltage is output at its output, which increases the target voltage 88 of the reference voltage source 84 slightly.
- the voltage regulator controlled by the reference voltage source 84 is thereby caused to increase its output voltage by this value, a small voltage increase already significantly increasing the output current because of the low internal resistance of the power supply unit 10.
- the power output by the power supply unit 10 which is the product of voltage and current, also increases, as does the power dissipation of the power supply unit 10.
- the heat sink of the power regulator is heated by the latter. When its temperature reaches the average temperature of all power supplies, the control process is complete.
- control process proceeds in the opposite direction to that described for operating phase 2.
- FIGS. 1 and 2 The embodiment of a power supply system shown in FIGS. 1 and 2 is only designed for an output voltage. However, as already mentioned, the principle described here can also be applied to power supply systems with a plurality of regulated output voltages or output currents, a number of power regulators corresponding to the number of output voltages or output currents having to be provided.
- the setpoints can be derived from a single reference voltage source. If the power semiconductors of the various power regulators are mounted on a single heat sink, it is sufficient to provide the power control described with reference to FIGS. 1 and 2 only once for each power supply, depending on the temperature.
Landscapes
- Engineering & Computer Science (AREA)
- Physics & Mathematics (AREA)
- Electromagnetism (AREA)
- General Physics & Mathematics (AREA)
- Radar, Positioning & Navigation (AREA)
- Automation & Control Theory (AREA)
- Direct Current Feeding And Distribution (AREA)
- Dc-Dc Converters (AREA)
- Remote Monitoring And Control Of Power-Distribution Networks (AREA)
- Supply And Distribution Of Alternating Current (AREA)
- Cable Transmission Systems, Equalization Of Radio And Reduction Of Echo (AREA)
- Control Of Voltage And Current In General (AREA)
- Control Of Electrical Variables (AREA)
Priority Applications (1)
| Application Number | Priority Date | Filing Date | Title |
|---|---|---|---|
| AT89118102T ATE100607T1 (de) | 1988-10-31 | 1989-09-29 | Stromversorgungssystem mit leistungsaufteilung. |
Applications Claiming Priority (2)
| Application Number | Priority Date | Filing Date | Title |
|---|---|---|---|
| DE3837071A DE3837071C1 (enExample) | 1988-10-31 | 1988-10-31 | |
| DE3837071 | 1988-10-31 |
Publications (3)
| Publication Number | Publication Date |
|---|---|
| EP0366940A2 EP0366940A2 (de) | 1990-05-09 |
| EP0366940A3 EP0366940A3 (de) | 1991-06-12 |
| EP0366940B1 true EP0366940B1 (de) | 1994-01-19 |
Family
ID=6366261
Family Applications (1)
| Application Number | Title | Priority Date | Filing Date |
|---|---|---|---|
| EP89118102A Expired - Lifetime EP0366940B1 (de) | 1988-10-31 | 1989-09-29 | Stromversorgungssystem mit Leistungsaufteilung |
Country Status (6)
| Country | Link |
|---|---|
| US (1) | US5122727A (enExample) |
| EP (1) | EP0366940B1 (enExample) |
| JP (1) | JPH02171811A (enExample) |
| AT (1) | ATE100607T1 (enExample) |
| DE (2) | DE3837071C1 (enExample) |
| ES (1) | ES2047638T3 (enExample) |
Families Citing this family (19)
| Publication number | Priority date | Publication date | Assignee | Title |
|---|---|---|---|---|
| DE4025718A1 (de) * | 1990-08-14 | 1992-02-27 | Kloeckner Moeller Gmbh | Verfahren zur symmetrischen lastverteilung bei ausgangsseitig parallelgeschalteten stromversorgungsgeraeten |
| DE19546495A1 (de) * | 1995-12-13 | 1997-06-19 | Aeg Stromversorgungs Syst Gmbh | Schaltungsanordnung und Verfahren für eine gleichmäßige Aufteilung der elektrischen Leistung |
| US5905645A (en) * | 1996-12-02 | 1999-05-18 | Astec International Limited | Thermally aided power sharing of power supplies with or without an external current share line |
| US7153366B1 (en) | 1998-03-24 | 2006-12-26 | Quantum Corporation | Systems and method for forming a servo pattern on a magnetic tape |
| US7029726B1 (en) | 1999-07-27 | 2006-04-18 | Quantum Corporation | Method for forming a servo pattern on a magnetic tape |
| US6853930B2 (en) * | 2001-02-27 | 2005-02-08 | Hitachi, Ltd. | System for aiding the preparation of operation and maintenance plans for a power generation installation |
| US6940681B2 (en) * | 2001-08-20 | 2005-09-06 | Quantum Corporation | Optical to magnetic alignment in magnetic tape system |
| RU2235353C2 (ru) * | 2002-10-21 | 2004-08-27 | Российский Федеральный Ядерный Центр - Всероссийский Научно-Исследовательский Институт Экспериментальной Физики | Стабилизированный преобразователь постоянного напряжения |
| DE10254821A1 (de) * | 2002-11-25 | 2004-06-03 | Robert Bosch Gmbh | Spannungsreglerschaltung |
| US7187515B2 (en) * | 2003-02-05 | 2007-03-06 | Quantum Corporation | Method and system for tracking magnetic media with embedded optical servo tracks |
| US6980390B2 (en) * | 2003-02-05 | 2005-12-27 | Quantum Corporation | Magnetic media with embedded optical servo tracks |
| US7522434B2 (en) * | 2005-10-27 | 2009-04-21 | Wisconsin Alumni Research Foundation | Temperature estimation based on a signal oscillation |
| US8670876B2 (en) * | 2006-04-04 | 2014-03-11 | Utilidata, Inc. | Electric power control system and process |
| JP4991405B2 (ja) * | 2007-06-13 | 2012-08-01 | シャープ株式会社 | 電子機器 |
| CN101989808B (zh) * | 2009-07-29 | 2013-03-20 | 台达电子工业股份有限公司 | 用于提供具有并联功能的电源转换的方法及装置 |
| US9134783B2 (en) | 2010-03-24 | 2015-09-15 | Hewlett-Packard Development Company, L.P. | Power capping feedback normalization |
| CN112764448B (zh) * | 2019-11-05 | 2022-05-24 | 台达电子工业股份有限公司 | 过温度补偿控制电路 |
| DE102020121093A1 (de) | 2020-08-11 | 2022-02-17 | Block Transformatoren-Elektronik Gmbh | Vorrichtung und Verfahren zur asymmetrischen Leistungsabfallregelung |
| WO2024018927A1 (ja) * | 2022-07-21 | 2024-01-25 | ローム株式会社 | リニア電源装置、および電源システム |
Family Cites Families (11)
| Publication number | Priority date | Publication date | Assignee | Title |
|---|---|---|---|---|
| US3667064A (en) * | 1969-05-19 | 1972-05-30 | Massachusetts Inst Technology | Power semiconductor device with negative thermal feedback |
| JPS4978860A (enExample) * | 1972-12-11 | 1974-07-30 | ||
| CH659156A5 (en) * | 1982-11-30 | 1986-12-31 | Hasler Ag | Method for the protected supply of a load with a rectified DC voltage |
| US4675770A (en) * | 1985-01-30 | 1987-06-23 | Telefonaktiebolaget L. M. Ericsson | Multiple voltage regulator integrated circuit having control circuits for selectively disabling a voltage regulator in an over-current condition |
| US4672226A (en) * | 1985-03-08 | 1987-06-09 | Westinghouse Electric Corp. | Redundant resistance temperature detector power supply system |
| FR2581807B1 (fr) * | 1985-05-13 | 1988-06-03 | Crouzet Sa | Dispositif de protection thermique |
| US4720758A (en) * | 1985-07-26 | 1988-01-19 | Tektronix, Inc. | Load dependent current limiter for the power supply of a multi-module electronic system |
| GB2203868B (en) * | 1987-04-16 | 1991-06-26 | Case Group P L C | Power supply control systems |
| US4877972A (en) * | 1988-06-21 | 1989-10-31 | The Boeing Company | Fault tolerant modular power supply system |
| US4935864A (en) * | 1989-06-20 | 1990-06-19 | Digital Equipment Corporation | Localized cooling apparatus for cooling integrated circuit devices |
| DE3932437C1 (enExample) * | 1989-09-28 | 1990-10-04 | Bicc-Vero Elektronics Gmbh, 2800 Bremen, De |
-
1988
- 1988-10-31 DE DE3837071A patent/DE3837071C1/de not_active Expired - Lifetime
-
1989
- 1989-09-29 EP EP89118102A patent/EP0366940B1/de not_active Expired - Lifetime
- 1989-09-29 AT AT89118102T patent/ATE100607T1/de not_active IP Right Cessation
- 1989-09-29 DE DE89118102T patent/DE58906764D1/de not_active Expired - Lifetime
- 1989-09-29 ES ES89118102T patent/ES2047638T3/es not_active Expired - Lifetime
- 1989-10-27 JP JP1278743A patent/JPH02171811A/ja active Pending
- 1989-10-30 US US07/429,197 patent/US5122727A/en not_active Expired - Lifetime
Also Published As
| Publication number | Publication date |
|---|---|
| DE58906764D1 (de) | 1994-03-03 |
| US5122727A (en) | 1992-06-16 |
| ATE100607T1 (de) | 1994-02-15 |
| EP0366940A3 (de) | 1991-06-12 |
| DE3837071C1 (enExample) | 1990-02-08 |
| ES2047638T3 (es) | 1994-03-01 |
| EP0366940A2 (de) | 1990-05-09 |
| JPH02171811A (ja) | 1990-07-03 |
Similar Documents
| Publication | Publication Date | Title |
|---|---|---|
| EP0366940B1 (de) | Stromversorgungssystem mit Leistungsaufteilung | |
| DE102011086264B4 (de) | Elektronische Fahrzeugsteuervorrichtung | |
| DE102016200390B4 (de) | Spannungsregler mit Bypass-Modus und entsprechendes Verfahren | |
| DE3015610A1 (de) | Schaltung zur regelung eines gleichstroms | |
| EP2524419A2 (de) | Redundanzmodul mit symmetrischen strompfaden | |
| DE10349663A1 (de) | Elektrische Energiequellevorrichtung mit mehreren Ausgängen und elektronische Fahrzeugsteuervorrichtung | |
| DE3816944C2 (enExample) | ||
| EP0917759A1 (de) | Vorrichtung und verfahren zum überspannungsschutz | |
| EP0444269B1 (de) | Verfahren zur Regelung der Leistung einer Pumpe | |
| DE69824751T2 (de) | Regler | |
| DE3932437C1 (enExample) | ||
| DE69115666T2 (de) | Zweiweg shuntstromregler | |
| DE102019207849A1 (de) | Schutz von Ladungspumpenschaltungen vor hohen Eingangsspannungen | |
| DE112020004328T5 (de) | Überstromschutzschaltung | |
| WO1995002914A1 (de) | Gepuffertes gleichspannungsversorgungssystem | |
| DE1513420A1 (de) | Spannungsreglerschaltung | |
| DE102010028149A1 (de) | Bereitstellung einer Ausgangsspannung aus einer in weitem Bereich variablen und auch niedrigen Eingangsspannung | |
| EP2133996B1 (de) | Schaltung zur Ansteuerung eines elektrischen Verbrauchers | |
| EP3696977A1 (de) | Elektronischer schalter als strombegrenzer und dämpfungselement | |
| DE2439459C3 (de) | Stromversorgungseinrichtung | |
| DE3920279C2 (enExample) | ||
| DE3941052C1 (enExample) | ||
| DE3015213A1 (de) | Schaltung und verfahren fuer einen elektromotorantrieb mit einem wechselstrommotor | |
| EP0881736A2 (de) | Schaltunganordnung einer Stromversorgungseinheit | |
| DE19734410A1 (de) | Schaltungsanordnung mit einem Schalttransistor |
Legal Events
| Date | Code | Title | Description |
|---|---|---|---|
| PUAI | Public reference made under article 153(3) epc to a published international application that has entered the european phase |
Free format text: ORIGINAL CODE: 0009012 |
|
| AK | Designated contracting states |
Kind code of ref document: A2 Designated state(s): AT BE CH DE ES FR GB GR IT LI LU NL SE |
|
| RAP3 | Party data changed (applicant data changed or rights of an application transferred) |
Owner name: SIEMENS NIXDORF INFORMATIONSSYSTEME AKTIENGESELLSC |
|
| PUAL | Search report despatched |
Free format text: ORIGINAL CODE: 0009013 |
|
| AK | Designated contracting states |
Kind code of ref document: A3 Designated state(s): AT BE CH DE ES FR GB GR IT LI LU NL SE |
|
| 17P | Request for examination filed |
Effective date: 19910513 |
|
| 17Q | First examination report despatched |
Effective date: 19930630 |
|
| GRAA | (expected) grant |
Free format text: ORIGINAL CODE: 0009210 |
|
| AK | Designated contracting states |
Kind code of ref document: B1 Designated state(s): AT BE CH DE ES FR GB GR IT LI LU NL SE |
|
| REF | Corresponds to: |
Ref document number: 100607 Country of ref document: AT Date of ref document: 19940215 Kind code of ref document: T |
|
| REG | Reference to a national code |
Ref country code: ES Ref legal event code: FG2A Ref document number: 2047638 Country of ref document: ES Kind code of ref document: T3 |
|
| REF | Corresponds to: |
Ref document number: 58906764 Country of ref document: DE Date of ref document: 19940303 |
|
| ITF | It: translation for a ep patent filed | ||
| GBT | Gb: translation of ep patent filed (gb section 77(6)(a)/1977) |
Effective date: 19940325 |
|
| ET | Fr: translation filed | ||
| REG | Reference to a national code |
Ref country code: GR Ref legal event code: FG4A Free format text: 3011453 |
|
| PLBE | No opposition filed within time limit |
Free format text: ORIGINAL CODE: 0009261 |
|
| STAA | Information on the status of an ep patent application or granted ep patent |
Free format text: STATUS: NO OPPOSITION FILED WITHIN TIME LIMIT |
|
| 26N | No opposition filed | ||
| EAL | Se: european patent in force in sweden |
Ref document number: 89118102.6 |
|
| PGFP | Annual fee paid to national office [announced via postgrant information from national office to epo] |
Ref country code: LU Payment date: 19980910 Year of fee payment: 10 |
|
| PGFP | Annual fee paid to national office [announced via postgrant information from national office to epo] |
Ref country code: GR Payment date: 19980916 Year of fee payment: 10 |
|
| PG25 | Lapsed in a contracting state [announced via postgrant information from national office to epo] |
Ref country code: LU Free format text: LAPSE BECAUSE OF NON-PAYMENT OF DUE FEES Effective date: 19990929 |
|
| PG25 | Lapsed in a contracting state [announced via postgrant information from national office to epo] |
Ref country code: GR Free format text: LAPSE BECAUSE OF NON-PAYMENT OF DUE FEES Effective date: 19990930 |
|
| REG | Reference to a national code |
Ref country code: GB Ref legal event code: 732E |
|
| REG | Reference to a national code |
Ref country code: FR Ref legal event code: TP |
|
| REG | Reference to a national code |
Ref country code: CH Ref legal event code: PUE Owner name: SIEMENS NIXDORF INFORMATIONSSYSTEME AKTIENGESELLSC |
|
| REG | Reference to a national code |
Ref country code: ES Ref legal event code: PC2A |
|
| PGFP | Annual fee paid to national office [announced via postgrant information from national office to epo] |
Ref country code: SE Payment date: 20010913 Year of fee payment: 13 |
|
| PGFP | Annual fee paid to national office [announced via postgrant information from national office to epo] |
Ref country code: CH Payment date: 20011207 Year of fee payment: 13 |
|
| BECA | Be: change of holder's address |
Free format text: 20010131 *SIEMENS A.G.:WITTELSBACHERPLATZ 2, 80333 MUENCHEN |
|
| REG | Reference to a national code |
Ref country code: GB Ref legal event code: IF02 |
|
| NLS | Nl: assignments of ep-patents |
Owner name: SIEMENS AKTIENGESELLSCHAFT |
|
| PG25 | Lapsed in a contracting state [announced via postgrant information from national office to epo] |
Ref country code: LI Free format text: LAPSE BECAUSE OF NON-PAYMENT OF DUE FEES Effective date: 20020930 Ref country code: CH Free format text: LAPSE BECAUSE OF NON-PAYMENT OF DUE FEES Effective date: 20020930 Ref country code: SE Free format text: LAPSE BECAUSE OF NON-PAYMENT OF DUE FEES Effective date: 20020930 |
|
| EUG | Se: european patent has lapsed | ||
| REG | Reference to a national code |
Ref country code: CH Ref legal event code: PL |
|
| PGFP | Annual fee paid to national office [announced via postgrant information from national office to epo] |
Ref country code: FR Payment date: 20080918 Year of fee payment: 20 Ref country code: NL Payment date: 20080910 Year of fee payment: 20 Ref country code: IT Payment date: 20080924 Year of fee payment: 20 Ref country code: AT Payment date: 20080808 Year of fee payment: 20 |
|
| PGFP | Annual fee paid to national office [announced via postgrant information from national office to epo] |
Ref country code: GB Payment date: 20080911 Year of fee payment: 20 |
|
| PGFP | Annual fee paid to national office [announced via postgrant information from national office to epo] |
Ref country code: DE Payment date: 20081121 Year of fee payment: 20 |
|
| PGFP | Annual fee paid to national office [announced via postgrant information from national office to epo] |
Ref country code: BE Payment date: 20080915 Year of fee payment: 20 Ref country code: ES Payment date: 20081020 Year of fee payment: 20 |
|
| BE20 | Be: patent expired |
Owner name: *SIEMENS A.G. Effective date: 20090929 |
|
| REG | Reference to a national code |
Ref country code: GB Ref legal event code: PE20 Expiry date: 20090928 |
|
| REG | Reference to a national code |
Ref country code: ES Ref legal event code: FD2A Effective date: 20090930 |
|
| PG25 | Lapsed in a contracting state [announced via postgrant information from national office to epo] |
Ref country code: GB Free format text: LAPSE BECAUSE OF EXPIRATION OF PROTECTION Effective date: 20090928 Ref country code: NL Free format text: LAPSE BECAUSE OF EXPIRATION OF PROTECTION Effective date: 20090929 |
|
| NLV7 | Nl: ceased due to reaching the maximum lifetime of a patent | ||
| PG25 | Lapsed in a contracting state [announced via postgrant information from national office to epo] |
Ref country code: ES Free format text: LAPSE BECAUSE OF EXPIRATION OF PROTECTION Effective date: 20090930 |