DE102012209552B4 - Pumpe und Verfahren zu ihrem Betrieb - Google Patents

Pumpe und Verfahren zu ihrem Betrieb Download PDF

Info

Publication number
DE102012209552B4
DE102012209552B4 DE102012209552.7A DE102012209552A DE102012209552B4 DE 102012209552 B4 DE102012209552 B4 DE 102012209552B4 DE 102012209552 A DE102012209552 A DE 102012209552A DE 102012209552 B4 DE102012209552 B4 DE 102012209552B4
Authority
DE
Germany
Prior art keywords
pump
impeller
rotation
motor
operated
Prior art date
Legal status (The legal status is an assumption and is not a legal conclusion. Google has not performed a legal analysis and makes no representation as to the accuracy of the status listed.)
Expired - Fee Related
Application number
DE102012209552.7A
Other languages
English (en)
Other versions
DE102012209552A1 (de
Inventor
Armin Jerger
Christoph Heier
Claudius Muschelknautz
Thomas Lojowski
Current Assignee (The listed assignees may be inaccurate. Google has not performed a legal analysis and makes no representation or warranty as to the accuracy of the list.)
Robert Bosch GmbH
Original Assignee
Robert Bosch GmbH
Priority date (The priority date is an assumption and is not a legal conclusion. Google has not performed a legal analysis and makes no representation as to the accuracy of the date listed.)
Filing date
Publication date
Application filed by Robert Bosch GmbH filed Critical Robert Bosch GmbH
Priority to DE102012209552.7A priority Critical patent/DE102012209552B4/de
Publication of DE102012209552A1 publication Critical patent/DE102012209552A1/de
Application granted granted Critical
Publication of DE102012209552B4 publication Critical patent/DE102012209552B4/de
Expired - Fee Related legal-status Critical Current
Anticipated expiration legal-status Critical

Links

Images

Classifications

    • FMECHANICAL ENGINEERING; LIGHTING; HEATING; WEAPONS; BLASTING
    • F04POSITIVE - DISPLACEMENT MACHINES FOR LIQUIDS; PUMPS FOR LIQUIDS OR ELASTIC FLUIDS
    • F04DNON-POSITIVE-DISPLACEMENT PUMPS
    • F04D15/00Control, e.g. regulation, of pumps, pumping installations or systems
    • F04D15/0077Safety measures
    • FMECHANICAL ENGINEERING; LIGHTING; HEATING; WEAPONS; BLASTING
    • F04POSITIVE - DISPLACEMENT MACHINES FOR LIQUIDS; PUMPS FOR LIQUIDS OR ELASTIC FLUIDS
    • F04DNON-POSITIVE-DISPLACEMENT PUMPS
    • F04D15/00Control, e.g. regulation, of pumps, pumping installations or systems
    • F04D15/0066Control, e.g. regulation, of pumps, pumping installations or systems by changing the speed, e.g. of the driving engine

Landscapes

  • Engineering & Computer Science (AREA)
  • Mechanical Engineering (AREA)
  • General Engineering & Computer Science (AREA)
  • Control Of Non-Positive-Displacement Pumps (AREA)
  • Structures Of Non-Positive Displacement Pumps (AREA)

Abstract

Verfahren (300) zum Betreiben einer Pumpe (100),wobei ein Laufrad (130) der Pumpe (100) in einer ersten Drehrichtung betrieben wird, falls eine Soll-Förderleistung (155) oberhalb eines festgelegten Schwellenwerts liegt,wobei das Laufrad (130) der Pumpe (100) in einer zweiten Drehrichtung betrieben wird, falls die Soll-Förderleistung (155) unterhalb des festgelegten Schwellenwerts liegt.

Description

  • Die Erfindung betrifft ein Verfahren zum Betreiben einer Pumpe gemäß Patentanspruch 1, sowie eine Pumpe gemäß Patentanspruch 4.
  • Stand der Technik
  • Pumpen mit bürstenlosen elektronisch kommutierten Elektromotoren sind aus dem Stand der Technik bekannt. Solche Pumpen werden beispielsweise in Kraftfahrzeugen als Wasserpumpen oder Zusatzwasserpumpen zur Heizungsunterstützung, Ladeluftkühlung, Batteriekühlung, Steuergerätekühlung und für andere Aufgaben eingesetzt. Es ist bekannt, die Elektromotoren derartiger Pumpen sensorlos auszubilden.
  • Es ist ferner bekannt, dass bei bestimmten Applikationen von Pumpen, insbesondere von Wasserpumpen, unter bestimmten Betriebsbedingungen eine festgelegte Förderleistung nicht überschritten werden darf. Beispielsweise kann die Anforderung existieren, dass unterhalb einer bestimmten Temperatur eine bestimmte Förderleistung nicht überschritten werden darf.
  • Ferner ist bekannt, dass elektronisch kommutierte Motoren, insbesondere sensorlose Motoren, unterhalb einer bauformabhängigen Mindestdrehzahl nicht stabil betrieben werden können. Beispielsweise existieren Pumpen mit Motoren, die erst ab einer Drehzahl von etwa 1200 Umdrehungen pro Minute stabil betrieben werden können. Hierdurch werden bei Pumpen mit solchen Motoren einer Reduzierung der Förderleistung der Pumpe durch eine Reduzierung der Drehzahl des Motors und der Pumpe Grenzen gesetzt.
  • DE 100 52 584 A1 offenbart eine Fördereinrichtung zur Förderung von Waschflüssigkeit. DE 101 54 091 A1 offenbart ein Verfahren und eine Vorrichtung zur Regelung eines Kühlsystems einer Verbrennungskraftmaschine. DE 102 42 014 B4 offenbart ein Förderaggregat zur Umwälzung einer Flüssigkeit in einem Kreislauf. DE 10 2008 016 811 A1 offenbart ein Verfahren zur Ansteuerung einer schaltbaren Kühlmittelpumpe für ein Kraftfahrzeug. Ferner offenbart DE 699 17 125 T2 ein Steuersystem für ein Kühlsystem und DE 10 2006 039 714 B3 eine Mehrwege-Waschpumpe für Kraftfahrzeuge.
  • Offenbarung der Erfindung
  • Die Aufgabe der vorliegenden Erfindung besteht darin, ein verbessertes Verfahren zum Betreiben einer Pumpe anzugeben, das eine Reduzierung einer Förderleistung der Pumpe ermöglicht. Diese Aufgabe wird durch ein Verfahren mit den Merkmalen des Anspruchs 1 gelöst. Eine weitere Aufgabe der vorliegenden Erfindung besteht darin, eine verbesserte Pumpe bereitzustellen, deren Förderleistung weit abgesenkt werden kann. Diese Aufgabe wird durch eine Pumpe mit den Merkmalen des Anspruchs 4 gelöst. Bevorzugte Weiterbildungen sind in den abhängigen Ansprüchen angegeben.
  • Bei einem erfindungsgemäßen Verfahren zum Betreiben einer Pumpe wird ein Laufrad der Pumpe in einer ersten Drehrichtung betrieben, falls eine Soll-Förderleistung oberhalb eines festgelegten Schwellenwerts liegt. Falls die Soll-Förderleistung unterhalb des festgelegten Schwellenwerts liegt, wird das Laufrad der Pumpe in einer zweiten Drehrichtung betrieben. Vorteilhafterweise kann sich die Förderleistung der Pumpe beim Betreiben des Laufrads der Pumpe in der ersten Drehrichtung von der Förderleistung der Pumpe beim Betreiben des Laufrads der Pumpe in der zweiten Drehrichtung unterscheiden. Dies ermöglicht es, die Förderleistung der Pumpe stark abzusenken, ohne eine Drehzahl des Laufrads der Pumpe unter einen Mindestwert abzusenken. Dadurch braucht auch eine Drehzahl eines das Laufrad der Pumpe antreibenden Motors nicht unter den Mindestwert abgesenkt werden.
  • In einer bevorzugten Ausführungsform des Verfahrens wird die Soll-Förderleistung durch ein Pulsweitenmodulationssignal (PWM-Signal) vorgegeben. Vorteilhafterweise kann das Verfahren dann mit herkömmlichen Verfahren zum Betreiben von Pumpen kombiniert werden.
  • In einer bevorzugten Ausführungsform des Verfahrens wird eine festgelegte Mindestdrehzahl des Laufrads in der ersten Drehrichtung und in der zweiten Drehrichtung jeweils nicht unterschritten. Vorteilhafterweise wird dadurch ein stabiler Betrieb der Pumpe in beiden Drehrichtungen des Laufrads der Pumpe gewährleistet.
  • Eine erfindungsgemäße Pumpe umfasst einen Spiralkanal und ein Laufrad. Dabei ist die Pumpe ausgebildet, nach einem Verfahren der vorgenannten Art betrieben zu werden. Vorteilhafterweise erlaubt diese Pumpe eine starke Reduzierung der Förderleistung der Pumpe, ohne dass ein Betrieb der Pumpe dabei instabil wird.
  • In einer bevorzugten Ausführungsform der Pumpe sind Schaufeln des Laufrads der Pumpe so ausgebildet, dass die Pumpe einen niedrigeren Wirkungsgrad aufweist, wenn das Laufrad in der zweiten Drehrichtung betrieben wird, als wenn das Laufrad in der ersten Drehrichtung betrieben wird. Vorteilhafterweise kann das Laufrad der Pumpe dann zum Absenken der Förderleistung der Pumpe in der zweiten Drehrichtung betrieben werden.
  • In einer bevorzugten Ausführungsform der Pumpe weist diese einen Elektromotor zum Antreiben des Laufrads auf. Vorteilhafterweise kann die Pumpe dann kostengünstig und kompakt ausgebildet sein.
  • In einer besonders bevorzugten Ausführungsform ist der Motor ein elektronisch kommutierter Motor. Insbesondere ist der Motor bevorzugt als sensorloser Motor ausgebildet. Vorteilhafterweise erlaubt es die Pumpe dann, eine Förderleistung der Pumpe stark abzusenken, ohne eine Mindestdrehzahl des Motors zu unterschreiten.
  • In einer zweckmäßigen Ausführungsform der Pumpe ist diese als Wasserpumpe ausgebildet. Insbesondere ist die Pumpe bevorzugt als Zusatzwasserpumpe für ein Kraftfahrzeug ausgebildet. Vorteilhafterweise kann die Pumpe dann für eine Heizungsunterstützung, zur Ladeluftkühlung, Batteriekühlung oder zur Steuergerätekühlung in dem Kraftfahrzeug dienen.
  • Die Erfindung wird nun anhand der beigefügten Figuren näher erläutert. Dabei zeigen:
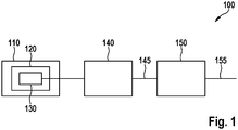
    • 1 eine schematische Blockdarstellung einer Pumpe;
    • 2 ein Kennliniendiagramm; und
    • 3 ein schematisches Ablaufdiagramm eines Verfahrens zum Betreiben einer Pumpe.
  • 1 zeigt eine schematische Blockdarstellung einer Pumpe 100. Die Pumpe 100 dient zum Pumpen eines Mediums. Das Medium kann beispielsweise Wasser sein. In diesem Fall ist die Pumpe 100 als Wasserpumpe ausgebildet. Die Pumpe 100 kann beispielsweise dazu vorgesehen sein, als Zusatzwasserpumpe in einem Kraftfahrzeug verwendet zu werden. Eine solche Zusatzwasserpumpe kann in einem Kraftfahrzeug beispielsweise zur Heizungsunterstützung, zur Ladeluftkühlung, zur Batteriekühlung, zur Steuergerätekühlung oder für andere Zwecke eingesetzt werden.
  • Die Pumpe 100 umfasst einen in 1 nur schematisch dargestellten Strömungsteil 110 mit einem Kanal 120 und einem in dem Kanal 120 angeordneten Laufrad 130. Der Kanal 120 kann beispielsweise als Spiralkanal ausgebildet sein. Das Laufrad 130 ist drehbar in dem Kanal 120 angeordnet. Der Strömungsteil 110 der Pumpe 100 ist dazu vorgesehen, von dem durch die Pumpe 100 gepumpten Medium durchströmt zu werden. Die Strömung des Mediums im Strömungsteil 110 wird dabei durch die Drehung des Laufrads 130 im Kanal 120 des Strömungsteils 110 getrieben.
  • Das Laufrad 130 weist bevorzugt eine oder eine Mehrzahl unter einem Winkel angeordneter Schaufeln auf. Eine Drehung des Laufrads 130 im Kanal 120 des Strömungsteils 110 der Pumpe 100 bewirkt, dass das von der Pumpe 100 gepumpte Medium, beispielsweise von der Pumpe 100 gepumptes Wasser, im Kanal 120 nach außen gedrückt wird. Der Kanal 120 ist dabei so ausgebildet, dass eine Bewegung des Mediums nach außen im Kanal 120 gleichzeitig eine Vorwärtsbewegung des Mediums im Kanal 120 in eine festgelegte Förderrichtung der Pumpe 100 bewirkt.
  • Die Schaufeln des Laufrads 130 des Strömungsteils 110 der Pumpe 100 sind so ausgebildet, dass eine Drehung des Laufrads 130 in eine festgelegte erste Drehrichtung das durch die Pumpe 100 gepumpte Medium besonders wirksam im Kanal 120 des Strömungsteils 110 nach außen und damit auch in Förderrichtung der Pumpe 100 drängt. Diese erste Drehrichtung ist die gewöhnliche Drehrichtung des Laufrads 130 der Pumpe 100.
  • Wird das Laufrad 130 des Strömungsteils 110 der Pumpe 100 hingegen in eine zweite Drehrichtung gedreht, die der ersten Drehrichtung des Laufrads 130 entgegengesetzt ist, so drängt das Laufrad 130 das durch die Pumpe 100 gepumpte Medium noch immer im Kanal 120 nach außen und damit in Förderrichtung der Pumpe 100. Die durch das Laufrad 130 bewirkte Förderung des Mediums ist in diesem Fall jedoch weniger wirksam als bei einer Drehung des Laufrads 130 in die erste Drehrichtung. Hierdurch ergibt sich bei einem Betrieb des Laufrads 130 der Pumpe 100 in die zweite Drehrichtung ein gegenüber einem Betrieb des Laufrads 130 der Pumpe 100 in die erste Drehrichtung reduzierter Wirkungsgrad der Pumpe 100 und somit eine reduzierte Förderleistung der Pumpe 100.
  • 2 zeigt ein schematisches Kennliniendiagramm 200 zur Erläuterung dieses Zusammenhangs. Auf einer horizontalen Achse des Kennliniendiagramms 200 ist eine Förderleistung 210 aufgetragen. Die Förderleistung 210 kann beispielsweise in Liter pro Stunde als Volumen des durch die Pumpe 100 pro Zeiteinheit geförderten Mediums angegeben werden. Auf einer vertikalen Achse des Kennliniendiagramms 200 ist ein sich in einem Pumpkreislauf einstellender Druck 220 dargestellt. Der Druck 220 ist ein Druck in einem Pumpkreislauf, in dem die Pumpe 100 angeordnet ist. Der Druck kann beispielsweise in bar angegeben sein.
  • Eine Anlagekennlinie 230 gibt einen für die Anlage, in der der Pumpkreislauf ausgebildet ist, charakteristischen Zusammenhang zwischen der Förderleistung und dem sich im Pumpkreislauf ergebenden Druck wieder. Die Anlagekennlinie 230 kann beispielsweise einen in etwa quadratischen Verlauf aufweisen.
  • Eine erste Pumpenkennlinie 240 gibt eine erste durch die Pumpe 100 erzielbare Förderleistung bei unterschiedlichen Drücken im Pumpenkreislauf an. Bei höherem Druck 220 ist eine höhere Förderleistung 210 erzielbar. Die erste Pumpenkennlinie 240 stellt sich ein, wenn das Laufrad 130 im Strömungsteil 110 der Pumpe 100 mit einer festgelegten Drehzahl in die erste Drehrichtung gedreht wird. Eine Variation der Drehzahl dieser Drehung des Laufrads 130 in die erste Drehrichtung würde eine Parallelverschiebung der ersten Pumpenkennlinie 240 in vertikaler Richtung des Kennliniendiagramms 200 bewirken.
  • Je nach der gewählten Drehzahl stellt sich ein erster Betriebspunkt 245 als Schnittpunkt der ersten Pumpenkennlinie 240 mit der Anlagekennlinie 230 ein. Der erste Betriebspunkt 245 gibt somit die sich bei einer Drehung des Laufrads 130 der Pumpe 100 in die erste Drehrichtung mit einer festgelegten Drehzahl ergebenden Werte der Förderleistung 210 und des Drucks 220 im Pumpenkreislauf der Anlage an.
  • Eine zweite Pumpenkennlinie 250 gibt eine zweite erzielbare Förderleistung 210 bei unterschiedlichen Drücken 220 an. Bei höherem Druck 220 ist wiederum eine höhere Förderleistung 210 erzielbar. Die zweite Pumpenkennlinie 250 gilt für einen Betrieb des Laufrads 130 im Strömungsteil 110 der Pumpe 100 in die zweite Drehrichtung. Eine Variation der Drehzahl der Drehung des Laufrads 130 in die zweite Drehrichtung bewirkt wiederum eine Verschiebung der zweiten Pumpenkennlinie 250 in vertikale Richtung des Kennliniendiagramms 200. Ein zweiter Betriebspunkt 255 gibt als Schnittpunkt der zweiten Pumpenkennlinie 250 mit der Anlagekennlinie 230 sich ergebende Werte der Förderleistung 210 und des Drucks 220 im Pumpenkreislauf der Anlage an, wenn das Laufrad 130 der Pumpe 100 mit einer festgelegten Drehzahl in die zweite Drehrichtung gedreht wird.
  • Die im Kennliniendiagramm 200 der 2 dargestellten Pumpenkennlinien 240, 250 gelten für Drehungen des Laufrads 130 mit betragsmäßig gleicher Drehzahl, jedoch entgegengesetzten Drehrichtungen. Aus einem Vergleich der zweiten Pumpenkennlinie 250 mit der ersten Pumpenkennlinie 240 ist erkennbar, dass eine Drehung des Laufrads 130 der Pumpe 100 in die zweite Drehrichtung zu einer gegenüber einer Drehung des Laufrads 130 der Pumpe 100 in die erste Drehrichtung deutlich reduzierten Förderleistung 210 führt. Die Förderleistung kann dabei bei konstanter Anlagekennlinie 230 und bei betragsmäßig gleicher Drehzahl des Laufrads 130 bei einer Drehung des Laufrads 130 in die zweite Drehrichtung gegenüber einer Drehung des Laufrads 130 in die erste Drehrichtung auf weniger als 50% abfallen.
  • 1 zeigt weiter, dass die Pumpe 100 einen Motor 140 und eine Ansteuerschaltung 150 aufweist. Der Motor 140 ist in der Regel als bürstenloser elektronisch kommutierter Elektromotor ausgebildet. Insbesondere kann der Motor 140 ein sensorloser Motor sein. Der Motor 140 dient zum Drehen des Laufrads 130 im Strömungsteil 110 der Pumpe 100. Der Motor 140 kann das Laufrad 130 sowohl in die erste Drehrichtung des Laufrads 130 als auch in die zweite Drehrichtung des Laufrads 130 drehen.
  • Die Ansteuerschaltung 150 dient zum Ansteuern des Motors 140. Hierzu erzeugt die Ansteuerschaltung 150 ein Ansteuersignal 145. Die Ansteuerschaltung 150 kann sowohl eine Drehzahl als auch eine Drehrichtung des Motors 140 und somit auch die Drehzahl und Drehrichtung des Laufrads 130 steuern. Die Ansteuerschaltung 150 empfängt ein Signal, das eine Soll-Förderleistung 155 der Pumpe 100 angibt. Die Soll-Förderleistung 155 kann der Ansteuerschaltung 150 beispielsweise als Pulsweitenmodulationssignal (PWM-Signal) vorgegeben werden.
  • In Abhängigkeit von der der Ansteuerschaltung 150 vorgegebenen Soll-Förderleistung 155 der Pumpe 100 variiert die Ansteuerschaltung 150 mittels des Ansteuersignals 145 die Drehzahl des Motors 140 und somit auch die Drehzahl des Laufrads 130 im Strömungsteil 110 der Pumpe 100. Bei einer geringeren Soll-Förderleistung 155 wählt die Ansteuerschaltung 150 eine niedrigere Drehzahl des Motors 140 und des Laufrads 130. Bei einer höheren Soll-Förderleistung 155 wählt die Ansteuerschaltung 150 eine höhere Drehzahl des Motors 140 und des Laufrads 130.
  • Die Drehzahl des Motors 140 kann jedoch nicht beliebig weit abgesenkt werden, ohne dass der Betrieb des Motors 140 instabil wird. Dies gilt insbesondere, wenn der Motor 140 ein sensorloser Motor ist. Beispielsweise kann der Motor 140 so ausgebildet sein, dass seine Drehzahl einen Wert von 1200 Umdrehungen pro Minute nicht unterschreiten darf. Dies hat zur Folge, dass die von der Pumpe 100 erzielte Förderleistung alleine durch Absenken der Drehzahl des Motors 140 und des Laufrads 130 nicht beliebig weit reduziert werden kann.
  • Anhand des Kennliniendiagramms 200 der 2 wurde jedoch erläutert, dass die Förderleistung der Pumpe 100 auch durch eine Umkehr der Drehrichtung des Laufrads 130 stark reduziert werden kann. Dies nutzt die Ansteuerschaltung 150 bei einem durch die Ansteuerschaltung 150 ausgeführten Verfahren 300 zum Betreiben der Pumpe 100. Das Verfahren 300 ist im schematischen Ablaufdiagramm der 3 dargestellt.
  • In einem ersten Verfahrensschritt 310 empfängt die Ansteuerschaltung 150 ein Signal, dass die Soll-Förderleistung 155 angibt. Die Soll-Förderleistung 155 wird bevorzugt als Pulsweitenmodulationssignal (PWM-Signal) vorgegeben.
  • In einem zweiten Verfahrensschritt 320 vergleicht die Ansteuerschaltung 150 die Soll-Förderleistung 155 mit einem festgelegten Schwellenwert. Der Schwellenwert ist dabei abhängig von den Spezifikationen der Pumpe 100 und des Motors 140 gewählt.
  • Liegt die Soll-Förderleistung 155 oberhalb des festgelegten Schwellenwerts, so betreibt die Ansteuerschaltung 150 die Pumpe 100 in einem dritten Verfahrensschritt 330 in der ersten Drehrichtung. Die Ansteuerschaltung 150 steuert den Motor 140 mittels des Ansteuersignals 145 dabei so an, dass das Laufrad 130 in die erste Drehrichtung gedreht wird. Die Drehzahl des Motors 140 und des Laufrads 130 wählt die Ansteuerschaltung 150 dabei in Abhängigkeit von der Soll-Förderleistung 155.
  • Liegt die Soll-Förderleistung 155 jedoch unterhalb des festgelegten Schwellenwerts, so betreibt die Ansteuerschaltung 150 die Pumpe 100 in einem vierten Verfahrensschritt 340 hingegen in der zweiten Drehrichtung. Die Ansteuerschaltung 150 steuert den Motor 140 dabei mittels des Ansteuersignals 145 so an, dass das Laufrad 130 im Strömungsteil 110 der Pumpe 100 in die zweite Drehrichtung gedreht wird. Die Drehzahl wählt die Ansteuerschaltung 150 dabei wieder in Abhängigkeit von der Soll-Förderleistung 155.
  • Das Verfahren 300 wird durch die Ansteuerschaltung 150 bevorzugt kontinuierlich ausgeführt.

Claims (10)

  1. Verfahren (300) zum Betreiben einer Pumpe (100), wobei ein Laufrad (130) der Pumpe (100) in einer ersten Drehrichtung betrieben wird, falls eine Soll-Förderleistung (155) oberhalb eines festgelegten Schwellenwerts liegt, wobei das Laufrad (130) der Pumpe (100) in einer zweiten Drehrichtung betrieben wird, falls die Soll-Förderleistung (155) unterhalb des festgelegten Schwellenwerts liegt.
  2. Verfahren (300) gemäß Anspruch 1, wobei die Soll-Förderleistung (155) durch ein PWM-Signal vorgegeben wird.
  3. Verfahren (300) gemäß einem der vorhergehenden Ansprüche, wobei eine festgelegte Mindestdrehzahl des Laufrads (130) in der ersten Drehrichtung und in der zweiten Drehrichtung nicht unterschritten wird.
  4. Pumpe (100) mit einem Spiralkanal (120) und einem Laufrad (130), wobei die Pumpe (100) ausgebildet ist, nach einem Verfahren (300) gemäß einem der Ansprüche 1 bis 3 betrieben zu werden.
  5. Pumpe (100) gemäß Anspruch 4, wobei Schaufeln des Laufrads (130) der Pumpe (100) so ausgebildet sind, dass die Pumpe (100) einen niedrigeren Wirkungsgrad aufweist, wenn das Laufrad (130) in der zweiten Drehrichtung betrieben wird, als wenn das Laufrad (130) in der ersten Drehrichtung betrieben wird.
  6. Pumpe (100) gemäß einem der Ansprüche 4 oder 5, wobei die Pumpe (100) einen Elektromotor (140) zum Antreiben des Laufrads (130) umfasst.
  7. Pumpe (100) gemäß Anspruch 6, wobei der Motor (140) ein elektronisch kommutierter Motor ist.
  8. Pumpe (100) gemäß einem der Ansprüche 6 oder 7, wobei der Motor (140) als sensorloser Motor ausgebildet ist
  9. Pumpe (100) gemäß einem der Ansprüche 4 bis 8, wobei die Pumpe (100) eine Wasserpumpe ist.
  10. Pumpe (100) gemäß Anspruch 9, wobei die Pumpe (100) eine Zusatzwasserpumpe für ein Kraftfahrzeug ist.
DE102012209552.7A 2012-06-06 2012-06-06 Pumpe und Verfahren zu ihrem Betrieb Expired - Fee Related DE102012209552B4 (de)

Priority Applications (1)

Application Number Priority Date Filing Date Title
DE102012209552.7A DE102012209552B4 (de) 2012-06-06 2012-06-06 Pumpe und Verfahren zu ihrem Betrieb

Applications Claiming Priority (1)

Application Number Priority Date Filing Date Title
DE102012209552.7A DE102012209552B4 (de) 2012-06-06 2012-06-06 Pumpe und Verfahren zu ihrem Betrieb

Publications (2)

Publication Number Publication Date
DE102012209552A1 DE102012209552A1 (de) 2013-12-12
DE102012209552B4 true DE102012209552B4 (de) 2019-07-04

Family

ID=49625873

Family Applications (1)

Application Number Title Priority Date Filing Date
DE102012209552.7A Expired - Fee Related DE102012209552B4 (de) 2012-06-06 2012-06-06 Pumpe und Verfahren zu ihrem Betrieb

Country Status (1)

Country Link
DE (1) DE102012209552B4 (de)

Citations (6)

* Cited by examiner, † Cited by third party
Publication number Priority date Publication date Assignee Title
DE10052584A1 (de) 2000-10-24 2002-05-02 Siemens Ag Förderpumpe
DE10154091A1 (de) 2001-11-02 2003-05-15 Bayerische Motoren Werke Ag Verfahren und Vorrichtung zur Regelung eines Kühlsystems einer Verbrennungskraftmaschine
DE10242014B4 (de) 2002-09-11 2004-07-29 Robert Bosch Gmbh Förderaggregat mit elektrisch ansteuerbarer Betätigungsvorrichtung
DE69917125T2 (de) 1998-04-24 2005-06-02 Gate S.R.L. Steueranlage zur Minimalisierung des Energieverbrauchs in einem Kühlungssystem einer Brennkraftmaschine
DE102006039714B3 (de) 2006-08-24 2008-01-17 Thermotec Gmbh Mehrwegepumpe für Kraftfahrzeuge
DE102008016811A1 (de) 2008-04-02 2009-10-08 Volkswagen Ag Verfahren und Vorrichtung zur Ansteuerung einer schaltbaren Kühlmittelpumpe

Patent Citations (6)

* Cited by examiner, † Cited by third party
Publication number Priority date Publication date Assignee Title
DE69917125T2 (de) 1998-04-24 2005-06-02 Gate S.R.L. Steueranlage zur Minimalisierung des Energieverbrauchs in einem Kühlungssystem einer Brennkraftmaschine
DE10052584A1 (de) 2000-10-24 2002-05-02 Siemens Ag Förderpumpe
DE10154091A1 (de) 2001-11-02 2003-05-15 Bayerische Motoren Werke Ag Verfahren und Vorrichtung zur Regelung eines Kühlsystems einer Verbrennungskraftmaschine
DE10242014B4 (de) 2002-09-11 2004-07-29 Robert Bosch Gmbh Förderaggregat mit elektrisch ansteuerbarer Betätigungsvorrichtung
DE102006039714B3 (de) 2006-08-24 2008-01-17 Thermotec Gmbh Mehrwegepumpe für Kraftfahrzeuge
DE102008016811A1 (de) 2008-04-02 2009-10-08 Volkswagen Ag Verfahren und Vorrichtung zur Ansteuerung einer schaltbaren Kühlmittelpumpe

Also Published As

Publication number Publication date
DE102012209552A1 (de) 2013-12-12

Similar Documents

Publication Publication Date Title
EP2145112B2 (de) Einrichtung und verfahren zur störungsüberwachung
EP3287641A1 (de) Verfahren zur volumenstromregelung eines ventilators
DE112014003931T5 (de) Kraftstoffpumpe und Steuerungsverfahren hierfür
EP2702459A1 (de) Steuermittel zum ansteuern eines frequenzumrichters sowie ansteuerverfahren
DE102007054362B4 (de) Verfahren und Vorrichtung für einen aktiven Frontlenkungsaktuator
DE202014010710U1 (de) Querstromströmungspumpe
DE202016107468U1 (de) Antriebsvorrichtung für eine Fluidpumpe
DE102018107776A1 (de) Hybridangetriebene Doppelpumpe
DE102012209552B4 (de) Pumpe und Verfahren zu ihrem Betrieb
DE102011106824A1 (de) Verfahren zum Betrieb einer elektronisch kommutierten Kraftstoffpumpe
EP2593679B1 (de) Hydroaggregat
DE102022204008B3 (de) Verfahren zum Betrieb einer Fluidfördervorrichtung, Fluidfördervorrichtung, Computerprogramm und computerlesbares Medium
DE2313095B1 (de)
EP1614903B1 (de) Antriebsbaueinheit für eine Kreiselpumpe
DE102014222338A1 (de) Vorrichtung und Verfahren zum Steuern einer Fluidpumpe für ein Kraftfahrzeug
WO2021160334A1 (de) Lüfter, fahrzeug mit lüfter
EP3343032B1 (de) Antriebsvorrichtung für eine fluidpumpe
EP1873898A2 (de) Verfahren zur Regelung einer Pumpe zum Fördern eines flüssigen Mediums
DE102021211175A1 (de) Verfahren zum Betreiben eines Elektromotors, Förderpumpe, Kraftfahrzeug mit einer derartigen Förderpumpe, Computerprogramm und computerlesbares Medium
EP2330304B1 (de) Hydraulikaggregat
WO2016016304A1 (de) Verfahren zur motorsteuerung eines synchron-reluktanzmotors für eine pumpe und pumpe mit synchron-reluktanzmotor
EP3322899B1 (de) Kompressor und verfahren zu dessen drehzahlsteuerung
DE3032058C2 (de) Mehrstufige Pumpen-Turbine
DE102014221866A1 (de) Kraftstoffpumpe mit Synchronmotor
DE102017000201B4 (de) Hydraulischer Lüfterantrieb, Arbeitsmaschine sowie Verfahren zum Betreiben eines Lüfterantriebs

Legal Events

Date Code Title Description
R012 Request for examination validly filed
R016 Response to examination communication
R018 Grant decision by examination section/examining division
R020 Patent grant now final
R119 Application deemed withdrawn, or ip right lapsed, due to non-payment of renewal fee