CN217164641U - 一种破碎分离机用分级粉碎装置 - Google Patents
一种破碎分离机用分级粉碎装置 Download PDFInfo
- Publication number
- CN217164641U CN217164641U CN202123353945.6U CN202123353945U CN217164641U CN 217164641 U CN217164641 U CN 217164641U CN 202123353945 U CN202123353945 U CN 202123353945U CN 217164641 U CN217164641 U CN 217164641U
- Authority
- CN
- China
- Prior art keywords
- hopper
- filter screen
- bull stick
- fixedly connected
- crushing
- Prior art date
- Legal status (The legal status is an assumption and is not a legal conclusion. Google has not performed a legal analysis and makes no representation as to the accuracy of the status listed.)
- Expired - Fee Related
Links
- 244000309464 bull Species 0.000 claims description 30
- 230000007246 mechanism Effects 0.000 claims description 4
- 239000000463 material Substances 0.000 abstract description 38
- 238000012216 screening Methods 0.000 abstract description 9
- 239000002245 particle Substances 0.000 abstract description 8
- 238000007599 discharging Methods 0.000 abstract description 7
- 238000001914 filtration Methods 0.000 abstract description 7
- 230000009471 action Effects 0.000 description 4
- 239000008187 granular material Substances 0.000 description 3
- 239000000956 alloy Substances 0.000 description 2
- 229910045601 alloy Inorganic materials 0.000 description 2
- 230000000694 effects Effects 0.000 description 2
- 230000008859 change Effects 0.000 description 1
- 238000010586 diagram Methods 0.000 description 1
- 230000006872 improvement Effects 0.000 description 1
Images
Classifications
-
- Y—GENERAL TAGGING OF NEW TECHNOLOGICAL DEVELOPMENTS; GENERAL TAGGING OF CROSS-SECTIONAL TECHNOLOGIES SPANNING OVER SEVERAL SECTIONS OF THE IPC; TECHNICAL SUBJECTS COVERED BY FORMER USPC CROSS-REFERENCE ART COLLECTIONS [XRACs] AND DIGESTS
- Y02—TECHNOLOGIES OR APPLICATIONS FOR MITIGATION OR ADAPTATION AGAINST CLIMATE CHANGE
- Y02W—CLIMATE CHANGE MITIGATION TECHNOLOGIES RELATED TO WASTEWATER TREATMENT OR WASTE MANAGEMENT
- Y02W30/00—Technologies for solid waste management
- Y02W30/50—Reuse, recycling or recovery technologies
- Y02W30/52—Mechanical processing of waste for the recovery of materials, e.g. crushing, shredding, separation or disassembly
-
- Y—GENERAL TAGGING OF NEW TECHNOLOGICAL DEVELOPMENTS; GENERAL TAGGING OF CROSS-SECTIONAL TECHNOLOGIES SPANNING OVER SEVERAL SECTIONS OF THE IPC; TECHNICAL SUBJECTS COVERED BY FORMER USPC CROSS-REFERENCE ART COLLECTIONS [XRACs] AND DIGESTS
- Y02—TECHNOLOGIES OR APPLICATIONS FOR MITIGATION OR ADAPTATION AGAINST CLIMATE CHANGE
- Y02W—CLIMATE CHANGE MITIGATION TECHNOLOGIES RELATED TO WASTEWATER TREATMENT OR WASTE MANAGEMENT
- Y02W30/00—Technologies for solid waste management
- Y02W30/50—Reuse, recycling or recovery technologies
- Y02W30/62—Plastics recycling; Rubber recycling
Landscapes
- Disintegrating Or Milling (AREA)
Abstract
本实用新型涉及破碎分离机技术领域,具体公开了一种破碎分离机用分级粉碎装置,包括收集箱和进料斗,进料斗的出口端固定连接有第一过滤网,支撑架的表面安装有第一电机,第一电机的输出端固定连接有第一转杆,第一转杆贯穿进料斗,第一转杆与进料斗转动连接,第一转杆的外壁上设置有若干碰撞杆,进料斗的底部连通有出料斗,出料斗的出口端设置有分料斗,分料斗的表面固定连接有第二过滤网,将物料放进进料斗内,启动第一电机驱动碰撞杆进行旋转,将物料粉碎,细料从第一过滤网的过滤,从出料斗落入分料斗内,经过第二过滤网的过滤,较细的颗粒从分料斗的出口落入第一空腔内,从而方便实现分级筛分,方便对不同颗粒大小的物料的应用。
Description
技术领域
本实用新型涉及破碎分离机技术领域,更具体地说,涉及一种破碎分离机用分级粉碎装置。
背景技术
在合金球成品破碎时需要用到相应的破碎机,这些破碎机将大块的物料破碎得更小,以达到想要的合金球成品或者其他物料。
现有的破碎分离机难以根据需要将不同颗粒大小的物料分级区分出,不方便对不同颗粒大小的物料的应用,因此,需要对其进行改进。
实用新型内容
本实用新型的目的在于提供一种破碎分离机用分级粉碎装置,旨在能够有效的解决现有技术中的问题。
为解决上述问题,本实用新型采用如下的技术方案:
一种破碎分离机用分级粉碎装置,包括收集箱,所述收集箱的表面通过支撑架固定连接有进料斗,所述进料斗的出口端固定连接有第一过滤网,所述支撑架的表面安装有第一电机,所述第一电机的输出端固定连接有第一转杆,所述第一转杆贯穿进料斗,所述第一转杆与进料斗转动连接,所述第一转杆的外壁上设置有若干碰撞杆,所述进料斗的底部连通有出料斗,所述出料斗的出口端设置有分料斗,所述分料斗的表面固定连接有第二过滤网。
作为本实用新型的一种优选方案,所述分料斗的表面对称固定连接有第二支撑块,所述收集箱的内壁固定连接有导杆,所述导杆贯穿第二支撑块。
作为本实用新型的一种优选方案,所述收集箱的表面安装有第二电机,所述第二电机的输出端通过第二转杆连接有转盘,所述转盘的表面铰接有衔接杆,所述分料斗的表面固定连接有第一支撑块,所述衔接杆远离转盘的一端与第一支撑块铰接,所述导杆贯穿第一支撑块,所述第一支撑块、第二支撑块均与导杆滑动连接。
作为本实用新型的一种优选方案,所述第二过滤网的表面开有凹槽,所述凹槽内对称设置有第三过滤网,所述凹槽内连通有导向板,所述导向板伸出分料斗,第二过滤网朝向第三过滤网倾斜。
作为本实用新型的一种优选方案,所述收集箱内设置有第一空腔与第二空腔,所述分料斗的出口端对准第一空腔,所述导向板的出口端对准第二空腔。
作为本实用新型的一种优选方案,所述第三过滤网靠近第二过滤网的一侧均固定连接有第三转杆,所述第三转杆贯穿分料斗,所述第三转杆与分料斗转动连接,所述第三转杆的外壁固定连接有齿轮,两个所述齿轮相互啮合,其中一个所述第三转杆远离分料斗的一端固定连接有旋钮,所述收集箱的表面开有滑槽,其中一个所述第三转杆滑动连接在滑槽内。
相比于现有技术,本实用新型的优点在于:
(1)将物料放进进料斗内,启动第一电机驱动第一转杆进行旋转,第一转杆的转动带动碰撞杆进行旋转,碰撞杆与物料的碰撞力将物料粉碎,细料从第一过滤网的过滤,从出料斗落入分料斗内,经过第二过滤网的过滤,较细的颗粒从分料斗的出口落入第一空腔内,旋转旋钮带动对应的第三转杆进行旋转,在齿轮的作用下,第三转杆的转动带动两个第三过滤网进行旋转,从而打开凹槽,方便较大的物料从导向板流入第二空腔,从而方便实现分级筛分,方便对不同颗粒大小的物料的应用。
(2)启动第二电机驱动第二转杆进行旋转,第二转杆的转动带动转盘进行旋转,在衔接杆的作用下,转盘的转动带动分料斗在导杆的轴线方向上移动,从而方便落入到第二过滤网表面的物料进行筛分,提高筛分效率,通过对凹槽的设计,方便安装第三过滤网,两个第三过滤网合起来的尺寸与凹槽一致,通过对导向板的设计,方便落入到第三过滤网表面的较大颗粒的物料从导向板流出。
附图说明
图1为本实用新型的立体结构示意图;
图2为本实用新型的俯视结构示意图;
图3为本实用新型实施例中的部分结构第一视角示意图;
图4为本实用新型实施例中的部分结构第二视角示意图。
图中标号说明:
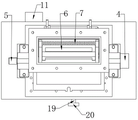
1、收集箱;2、支撑架;3、进料斗;4、第一电机;5、第一转杆;6、碰撞杆;7、第一过滤网;8、出料斗;9、分料斗;10、第二过滤网;11、第二电机;12、第二转杆;13、转盘;14、衔接杆;15、第一支撑块;16、第二支撑块;17、导杆;18、凹槽;19、第三转杆;20、旋钮;21、齿轮;22、第三过滤网;23、导向板;24、滑槽;25、第一空腔;26、第二空腔。
具体实施方式
下面将结合本实用新型实施例中的附图对本实用新型实施例中的技术方案进行清楚、完整地描述。显然,所描述的实施例仅仅是本实用新型一部分实施例,而不是全部的实施例,基于本实用新型中的实施例,本领域普通技术人员在没有做出创造性劳动前提下所获得的所有其他实施例,都属于本实用新型保护的范围。
在本实用新型的描述中,需要说明的是,术语“上”、“下”、“内”、“外”“顶/底端”等指示的方位或位置关系为基于附图所示的方位或位置关系,仅是为了便于描述本实用新型和简化描述,而不是指示或暗示所指的装置或元件必须具有特定的方位、以特定的方位构造和操作,因此不能理解为对本实用新型的限制。此外,术语“第一”、“第二”仅用于描述目的,而不能理解为指示或暗示相对重要性。
在本实用新型的描述中,需要说明的是,除非另有明确的规定和限定,术语“安装”、“设置有”、“套设/接”、“连接”等,应做广义理解,例如“连接”,可以是固定连接,也可以是可拆卸连接,或一体地连接;可以是机械连接,也可以是电连接;可以是直接相连,也可以通过中间媒介间接相连,可以是两个元件内部的连通。对于本领域的普通技术人员而言,可以具体情况理解上述术语在本实用新型中的具体含义。
实施例:
请参阅图1-2,一种破碎分离机用分级粉碎装置,包括收集箱1,收集箱1的表面通过支撑架2固定连接有进料斗3,进料斗3的出口端固定连接有第一过滤网7,支撑架2的表面安装有第一电机4,第一电机4的输出端固定连接有第一转杆5,第一转杆5贯穿进料斗3,第一转杆5与进料斗3转动连接,第一转杆5的外壁上设置有若干碰撞杆6,进料斗3的底部连通有出料斗8,出料斗8的出口端设置有分料斗9,分料斗9的表面固定连接有第二过滤网10。
在进一步的实施例中,使用时,将物料放进进料斗3内,启动第一电机4驱动第一转杆5进行旋转,第一转杆5的转动带动碰撞杆6进行旋转,碰撞杆6与物料的碰撞力将物料粉碎,细料从第一过滤网7的过滤,从出料斗8落入分料斗9内,再经过第二过滤网10的过滤,从而对物料进行进一步过滤,从而方便实现分级筛分,方便对不同颗粒大小的物料的应用。
请参阅图3,分料斗9的表面对称固定连接有第二支撑块16,收集箱1的内壁固定连接有导杆17,导杆17贯穿第二支撑块16。
在进一步的实施例中,通过对导杆17的设计,对分料斗9起到支撑作用,方便将分料斗9安装在收集箱1内腔。
请参阅图3,收集箱1的表面安装有第二电机11,第二电机11的输出端通过第二转杆12连接有转盘13,转盘13的表面铰接有衔接杆14,分料斗9的表面固定连接有第一支撑块15,衔接杆14远离转盘13的一端与第一支撑块15铰接,导杆17贯穿第一支撑块15,第一支撑块15、第二支撑块16均与导杆17滑动连接。
在进一步的实施例中,使用时,启动第二电机11驱动第二转杆12进行旋转,第二转杆12的转动带动转盘13进行旋转,在衔接杆14的作用下,转盘13的转动带动分料斗9在导杆17的轴线方向上移动,从而方便落入到第二过滤网10表面的物料进行筛分,提高筛分效率。
请参阅图3-4,第二过滤网10的表面开有凹槽18,凹槽18内对称设置有第三过滤网22,凹槽18内连通有导向板23,导向板23伸出分料斗9,第二过滤网10朝向第三过滤网22倾斜。
在进一步的实施例中,通过对凹槽18的设计,方便安装第三过滤网22,两个第三过滤网22合起来的尺寸与凹槽18一致,通过对导向板23的设计,方便落入到第三过滤网22表面的较大颗粒的物料从导向板23流出。
请参阅图1,收集箱1内设置有第一空腔25与第二空腔26,分料斗9的出口端对准第一空腔25,导向板23的出口端对准第二空腔26。
在进一步的实施例中,通过对第一空腔25与第二空腔26的设计,方便不同大小颗粒的物料进行筛分。
请参阅图4,第三过滤网22靠近第二过滤网10的一侧均固定连接有第三转杆19,第三转杆19贯穿分料斗9,第三转杆19与分料斗9转动连接,第三转杆19的外壁固定连接有齿轮21,两个齿轮21相互啮合,其中一个第三转杆19远离分料斗9的一端固定连接有旋钮20,收集箱1的表面开有滑槽24,其中一个第三转杆19滑动连接在滑槽24内。
在进一步的实施例中,使用时,旋转旋钮20带动对应的第三转杆19进行旋转,在齿轮21的作用下,第三转杆19的转动带动两个第三过滤网22进行旋转,从而打开凹槽18,方便物料从导向板23流入第二空腔26。
工作原理:
使用时,将物料放进进料斗3内,启动第一电机4驱动第一转杆5进行旋转,从而使碰撞杆6进行旋转,碰撞杆6与物料的碰撞力将物料粉碎,细料从第一过滤网7的过滤,从出料斗8落入分料斗9内,启动第二电机11驱动第二转杆12进行旋转,第二转杆12的转动带动转盘13进行旋转,在衔接杆14的作用下,转盘13的转动带动分料斗9在导杆17的轴线方向上移动,提高筛分效率,经过第二过滤网10的过滤,较细的颗粒从分料斗9的出口落入第一空腔25内,旋转旋钮20带动对应的第三转杆19进行旋转,在齿轮21的作用下,第三转杆19的转动带动两个第三过滤网22进行旋转,从而打开凹槽18,方便较大的物料从导向板23流入第二空腔26,从而方便实现分级筛分,方便对不同颗粒大小的物料的应用。
以上所述,仅为本实用新型较佳的具体实施方式,但本实用新型的保护范围并不局限于此,任何熟悉本技术领域的技术人员在本实用新型揭露的技术范围内,根据本实用新型的技术方案及其改进构思加以等同替换或改变,都应涵盖在本实用新型的保护范围内。
Claims (6)
1.一种破碎分离机用分级粉碎装置,包括收集箱(1),其特征在于:所述收集箱(1)的表面通过支撑架(2)固定连接有进料斗(3),所述进料斗(3)的出口端固定连接有第一过滤网(7),所述支撑架(2)的表面安装有第一电机(4),所述第一电机(4)的输出端固定连接有第一转杆(5),所述第一转杆(5)贯穿进料斗(3),所述第一转杆(5)与进料斗(3)转动连接,所述第一转杆(5)的外壁上设置有若干碰撞杆(6),所述进料斗(3)的底部连通有出料斗(8),所述出料斗(8)的出口端设置有分料斗(9),所述分料斗(9)的表面固定连接有第二过滤网(10)。
2.根据权利要求1所述的一种破碎分离机用分级粉碎装置,其特征在于:所述分料斗(9)的表面对称固定连接有第二支撑块(16),所述收集箱(1)的内壁固定连接有导杆(17),所述导杆(17)贯穿第二支撑块(16)。
3.根据权利要求2所述的一种破碎分离机用分级粉碎装置,其特征在于:所述收集箱(1)的表面安装有第二电机(11),所述第二电机(11)的输出端通过第二转杆(12)连接有转盘(13),所述转盘(13)的表面铰接有衔接杆(14),所述分料斗(9)的表面固定连接有第一支撑块(15),所述衔接杆(14)远离转盘(13)的一端与第一支撑块(15)铰接,所述导杆(17)贯穿第一支撑块(15),所述第一支撑块(15)、第二支撑块(16)均与导杆(17)滑动连接。
4.根据权利要求1所述的一种破碎分离机用分级粉碎装置,其特征在于:所述第二过滤网(10)的表面开有凹槽(18),所述凹槽(18)内对称设置有第三过滤网(22),所述凹槽(18)内连通有导向板(23),所述导向板(23)伸出分料斗(9),第二过滤网(10)朝向第三过滤网(22)倾斜。
5.根据权利要求4所述的一种破碎分离机用分级粉碎装置,其特征在于:所述收集箱(1)内设置有第一空腔(25)与第二空腔(26),所述分料斗(9)的出口端对准第一空腔(25),所述导向板(23)的出口端对准第二空腔(26)。
6.根据权利要求4所述的一种破碎分离机用分级粉碎装置,其特征在于:所述第三过滤网(22)靠近第二过滤网(10)的一侧均固定连接有第三转杆(19),所述第三转杆(19)贯穿分料斗(9),所述第三转杆(19)与分料斗(9)转动连接,所述第三转杆(19)的外壁固定连接有齿轮(21),两个所述齿轮(21)相互啮合,其中一个所述第三转杆(19)远离分料斗(9)的一端固定连接有旋钮(20),所述收集箱(1)的表面开有滑槽(24),其中一个所述第三转杆(19)滑动连接在滑槽(24)内。
Priority Applications (1)
| Application Number | Priority Date | Filing Date | Title |
|---|---|---|---|
| CN202123353945.6U CN217164641U (zh) | 2021-12-29 | 2021-12-29 | 一种破碎分离机用分级粉碎装置 |
Applications Claiming Priority (1)
| Application Number | Priority Date | Filing Date | Title |
|---|---|---|---|
| CN202123353945.6U CN217164641U (zh) | 2021-12-29 | 2021-12-29 | 一种破碎分离机用分级粉碎装置 |
Publications (1)
| Publication Number | Publication Date |
|---|---|
| CN217164641U true CN217164641U (zh) | 2022-08-12 |
Family
ID=82730912
Family Applications (1)
| Application Number | Title | Priority Date | Filing Date |
|---|---|---|---|
| CN202123353945.6U Expired - Fee Related CN217164641U (zh) | 2021-12-29 | 2021-12-29 | 一种破碎分离机用分级粉碎装置 |
Country Status (1)
| Country | Link |
|---|---|
| CN (1) | CN217164641U (zh) |
-
2021
- 2021-12-29 CN CN202123353945.6U patent/CN217164641U/zh not_active Expired - Fee Related
Similar Documents
| Publication | Publication Date | Title |
|---|---|---|
| CN111298916A (zh) | 一种复合肥颗粒筛选装置 | |
| CN116689699A (zh) | 一种覆膜砂铸造型砂加工处理设备及处理工艺 | |
| CN217164641U (zh) | 一种破碎分离机用分级粉碎装置 | |
| CN208914383U (zh) | 一种回收机 | |
| CN118594719B (zh) | 一种粉碎机及用于饲料加工的粉碎方法 | |
| CN118022913B (zh) | 一种便于分级的膨润土循环磨粉机 | |
| CN220836037U (zh) | 一种变性淀粉粉碎机下料组件 | |
| CN209423714U (zh) | 一种土木工程用的粉碎装置 | |
| CN113019581A (zh) | 一种消化内科用固体药物颗粒粉碎装置 | |
| CN216800515U (zh) | 一种金刚石颗粒分级筛选装置 | |
| CN212857764U (zh) | 一种金属铪生产用的高效研磨装置 | |
| CN109201246A (zh) | 一种具有筛选功能的饲料原料打散粉碎设备 | |
| CN110479466B (zh) | 一种花瓣提炼捣碎装置 | |
| CN115318402A (zh) | 一种高分子材料粉碎装置及粉碎方法 | |
| CN221288032U (zh) | 一种聚阴离子纤维素制备用颗粒粉碎设备 | |
| CN218359583U (zh) | 一种固态物料粉碎机 | |
| CN212857766U (zh) | 一种金属铪生产用的连续研磨装置 | |
| CN117299330B (zh) | 一种用于中药的研磨机 | |
| CN223027797U (zh) | 一种矿石用多级选粉机 | |
| CN113333292A (zh) | 一种矿石给料筛选装置 | |
| CN221602175U (zh) | 一种钨钼湿法冶炼加工用矿物粉碎设备 | |
| CN221775023U (zh) | 一种塑料颗粒用粉碎机 | |
| CN219723045U (zh) | 一种浇注料生产用破碎装置 | |
| CN220878997U (zh) | 一种用于肥料生产的筛分设备 | |
| CN213032623U (zh) | 一种洋姜粉碎装置 |
Legal Events
| Date | Code | Title | Description |
|---|---|---|---|
| GR01 | Patent grant | ||
| GR01 | Patent grant | ||
| CF01 | Termination of patent right due to non-payment of annual fee |
Granted publication date: 20220812 |
|
| CF01 | Termination of patent right due to non-payment of annual fee |