CN210429035U - 一种企业管理沙盘教学台 - Google Patents

一种企业管理沙盘教学台 Download PDF

Info

Publication number
CN210429035U
CN210429035U CN201921397870.1U CN201921397870U CN210429035U CN 210429035 U CN210429035 U CN 210429035U CN 201921397870 U CN201921397870 U CN 201921397870U CN 210429035 U CN210429035 U CN 210429035U
Authority
CN
China
Prior art keywords
fixedly connected
groove
motor
sand table
teaching platform
Prior art date
Legal status (The legal status is an assumption and is not a legal conclusion. Google has not performed a legal analysis and makes no representation as to the accuracy of the status listed.)
Expired - Fee Related
Application number
CN201921397870.1U
Other languages
English (en)
Inventor
肖杨
Current Assignee (The listed assignees may be inaccurate. Google has not performed a legal analysis and makes no representation or warranty as to the accuracy of the list.)
Individual
Original Assignee
Individual
Priority date (The priority date is an assumption and is not a legal conclusion. Google has not performed a legal analysis and makes no representation as to the accuracy of the date listed.)
Filing date
Publication date
Application filed by Individual filed Critical Individual
Priority to CN201921397870.1U priority Critical patent/CN210429035U/zh
Application granted granted Critical
Publication of CN210429035U publication Critical patent/CN210429035U/zh
Expired - Fee Related legal-status Critical Current
Anticipated expiration legal-status Critical

Links

Images

Landscapes

  • Accommodation For Nursing Or Treatment Tables (AREA)

Abstract

本实用新型公开了一种企业管理沙盘教学台,包括下底座,所述下底座的顶部中心位置固定连接有第一电机,所述第一电机的输出轴固定连接有上底座,所述上底座的顶部中心位置固定连接有第二电机,所述第二电机的输出端固定连接有螺纹轴,所述上底座的顶端靠近边缘处均固定连接有围板,所述围板的内部设有内槽,所述内槽的内部设有滑动槽,所述滑动槽的内部嵌入有固定装置,所述固定装置转动连接有支杆,所述上底座的顶端靠近围板的位置固定连接有四个支撑柱。本实用新型中,通过启动第一电机带动设备做圆周运动调整位置,通过限位杆与第二电机带动螺纹轴转动使主板升降,通过支起托板使学员便于放置物品,当光线不足时打开照灯提供照明。

Description

一种企业管理沙盘教学台
技术领域
本实用新型涉及沙盘教学台技术领域,尤其涉及一种企业管理沙盘教学台。
背景技术
沙盘模拟教学的诞生使企业管理教学变得更生动,让学员更容易理解教学内容,同样也使得教员更准确轻松地表达自己的意思;
现有的企业管理沙盘教学台在设计上并非注重沙盘本身的机械功能,只有简单的升降功能,机械功能并不全面,一定程度上影响教学进度。
实用新型内容
本实用新型的目的是为了解决现有技术中存在的缺点,而提出的一种企业管理沙盘教学台。
为了实现上述目的,本实用新型采用了如下技术方案:一种企业管理沙盘教学台,包括下底座,所述下底座的顶部中心位置固定连接有第一电机,所述第一电机的输出轴固定连接有上底座,所述上底座的顶部中心位置固定连接有第二电机,所述第二电机的输出端固定连接有螺纹轴,所述上底座的顶端靠近边缘处均固定连接有围板,所述围板的内部设有内槽,所述内槽的内部设有滑动槽,所述滑动槽的内部嵌入有固定装置,所述固定装置转动连接有支杆,所述上底座的顶端靠近围板的位置固定连接有四个支撑柱,四个所述支撑柱的内部设有限位槽,所述限位槽的内部嵌入有限位杆,所述限位杆远离限位槽的一端固定连接有桌台,所述桌台的底端中间位置固定连接有伸缩柱,所述伸缩柱的内部设有螺纹槽,且螺纹轴与螺纹槽之间螺纹连接,所述桌台的侧面均通过合页转动连接有托板。
作为上述技术方案的进一步描述:
所述固定装置包括滑块,所述滑块的外表面两侧固定连接有固定块,且固定块与支杆之间转动连接,所述滑块外表面远离固定块的一侧固定连接有两个复位弹簧,两个所述复位弹簧远离滑块的一端固定连接有销扣,所述滑块的内部设有嵌槽,且销扣嵌入嵌槽内。
作为上述技术方案的进一步描述:
所述内槽的内壁设有卡槽,且销扣远离嵌槽的部分嵌入卡槽内。
作为上述技术方案的进一步描述:
所述托板的底端靠近合页的位置设有固定槽。
作为上述技术方案的进一步描述:
所述桌台的内侧四壁均固定连接有照灯。
作为上述技术方案的进一步描述:
所述下底座的底端连接有万向轮。
本实用新型具有如下有益效果:
1、该一种企业管理沙盘教学台,通过启动第一电机带动设备做圆周运动调整位置,从而便于改变沙盘教学台的方向。
2、该一种企业管理沙盘教学台,通过限位杆与第二电机带动螺纹轴转动,通过限位槽与限位杆的固定使桌台完成升降,使主板升降。
3、该一种企业管理沙盘教学台,通过支起托板使学员便于放置物品。
附图说明
图1为本实用新型提出的整体结构示意图;
图2为本实用新型的正视图;
图3为本实用新型的固定装置的结构示意图。
图例说明:
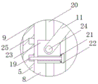
1、下底座;2、第一电机;3、上底座;4、第二电机;5、围板;6、支撑柱;7、限位槽;8、限位杆;9、固定装置;10、内槽;11、支杆;12、固定槽;13、托板;14、伸缩柱;15、螺纹槽;16、螺纹轴;17、桌台;18、照灯;19、嵌槽;20、滑动槽;21、复位弹簧;22、销扣;23、滑块;24、固定块;25、卡槽。
具体实施方式
下面将结合本实用新型实施例中的附图,对本实用新型实施例中的技术方案进行清楚、完整地描述,显然,所描述的实施例仅仅是本实用新型一部分实施例,而不是全部的实施例。基于本实用新型中的实施例,本领域普通技术人员在没有做出创造性劳动前提下所获得的所有其他实施例,都属于本实用新型保护的范围。
在本实用新型的描述中,需要说明的是,术语“中心”、“上”、“下”、“左”、“右”、“竖直”、“水平”、“内”、“外”等指示的方位或位置关系为基于附图所示的方位或位置关系,仅是为了便于描述本实用新型和简化描述,而不是指示或暗示所指的装置或元件必须具有特定的方位、以特定的方位构造和操作,因此不能理解为对本实用新型的限制;术语“第一”、“第二”、“第三”仅用于描述目的,而不能理解为指示或暗示相对重要性,此外,除非另有明确的规定和限定,术语“安装”、“相连”、“连接”应做广义理解,例如,可以是固定连接,也可以是可拆卸连接,或一体地连接;可以是机械连接,也可以是电连接;可以是直接相连,也可以通过中间媒介间接相连,可以是两个元件内部的连通。对于本领域的普通技术人员而言,可以具体情况理解上述术语在本实用新型中的具体含义。
参照图1-3,本实用新型提供的一种实施例:一种企业管理沙盘教学台,包括下底座1,下底座1的顶部中心位置固定连接有第一电机2,第一电机2的输出轴固定连接有上底座3,上底座3的顶部中心位置固定连接有第二电机4,第二电机4的输出端固定连接有螺纹轴16,上底座3的顶端靠近边缘处均固定连接有围板5,围板5的内部设有内槽10,内槽10的内部设有滑动槽20,滑动槽20的内部嵌入有固定装置9,固定装置9转动连接有支杆11,上底座3的顶端靠近围板5的位置固定连接有四个支撑柱6,四个支撑柱6的内部设有限位槽7,限位槽7的内部嵌入有限位杆8,限位杆8远离限位槽7的一端固定连接有桌台17,桌台17的底端中间位置固定连接有伸缩柱14,伸缩柱14的内部设有螺纹槽15,且螺纹轴16与螺纹槽15之间螺纹连接,桌台17的侧面均通过合页转动连接有托板13。
固定装置9包括滑块23,滑块23的外表面两侧固定连接有固定块24,且固定块24与支杆11之间转动连接,滑块23外表面远离固定块24的一侧固定连接有两个复位弹簧21,两个复位弹簧21远离滑块23的一端固定连接有销扣22,滑块23的内部设有嵌槽19,且销扣22嵌入嵌槽19内,方便升降时调整托板13的位置与支杆11的收纳;内槽10的内壁设有卡槽25,且销扣22远离嵌槽19的部分嵌入卡槽25内,便于升降时调整托板13的位置;托板13的底端靠近合页的位置设有固定槽12,便于托板13的支起;桌台17的内侧四壁均固定连接有照灯18,为教学时提供照明;下底座1的底端固定连接有万向轮,便于教学台的移动。
工作原理:在使用一种企业管理沙盘教学台时,需要调整沙盘方向时,通过启动固定在下底座1上第一电机2带动上底座3做圆周运动,从而改变沙盘的方向和角度,需要调整教学台高度时,启动第二电机4使螺纹轴16转动,通过限位槽7与限位杆8的固定使桌台17完成升降,因滑块23表面固定了固定块24使得固定装置9只能在滑动槽20内移动,通过拔动销扣22与调整滑块23位置使销扣22嵌入不同位置的嵌槽19内调整支杆11的位置,从而调整托板13的位置,当光线不足时打开照灯18提供照明,转动有一定的实用性。
最后应说明的是:以上所述仅为本实用新型的优选实施例而已,并不用于限制本实用新型,尽管参照前述实施例对本实用新型进行了详细的说明,对于本领域的技术人员来说,其依然可以对前述各实施例所记载的技术方案进行修改,或者对其中部分技术特征进行等同替换,凡在本实用新型的精神和原则之内,所作的任何修改、等同替换、改进等,均应包含在本实用新型的保护范围之内。

Claims (6)

1.一种企业管理沙盘教学台,包括下底座(1),其特征在于:所述下底座(1)的顶部中心位置固定连接有第一电机(2),所述第一电机(2)的输出轴固定连接有上底座(3),所述上底座(3)的顶部中心位置固定连接有第二电机(4),所述第二电机(4)的输出端固定连接有螺纹轴(16),所述上底座(3)的顶端靠近边缘处均固定连接有围板(5),所述围板(5)的内部设有内槽(10),所述内槽(10)的内部设有滑动槽(20),所述滑动槽(20)的内部嵌入有固定装置(9),所述固定装置(9)外表面转动连接有支杆(11),所述上底座(3)的顶端靠近围板(5)的位置固定连接有四个支撑柱(6),四个所述支撑柱(6)的内部设有限位槽(7),所述限位槽(7)的内部嵌入有限位杆(8),所述限位杆(8)远离限位槽(7)的一端固定连接有桌台(17),所述桌台(17)的底端中间位置固定连接有伸缩柱(14),所述伸缩柱(14)的内部设有螺纹槽(15),且螺纹轴(16)与螺纹槽(15)之间螺纹连接,所述桌台(17)的侧面均通过合页转动连接有托板(13)。
2.根据权利要求1所述的一种企业管理沙盘教学台,其特征在于:所述固定装置(9)包括滑块(23),所述滑块(23)的外表面两侧固定连接有固定块(24),且固定块(24)与支杆(11)之间转动连接,所述滑块(23)外表面远离固定块(24)的一侧固定连接有两个复位弹簧(21),两个所述复位弹簧(21)远离滑块(23)的一端固定连接有销扣(22),所述滑块(23)的内部设有嵌槽(19),且销扣(22)嵌入嵌槽(19)内。
3.根据权利要求1或2所述的一种企业管理沙盘教学台,其特征在于:所述内槽(10)的内壁设有卡槽(25),且销扣(22)远离嵌槽(19)的部分嵌入卡槽(25)内。
4.根据权利要求1所述的一种企业管理沙盘教学台,其特征在于:所述托板(13)的底端靠近合页的位置设有固定槽(12)。
5.根据权利要求1所述的一种企业管理沙盘教学台,其特征在于:所述桌台(17)的内侧四壁均固定连接有照灯(18)。
6.根据权利要求1所述的一种企业管理沙盘教学台,其特征在于:所述下底座(1)的底端连接有万向轮。
CN201921397870.1U 2019-08-27 2019-08-27 一种企业管理沙盘教学台 Expired - Fee Related CN210429035U (zh)

Priority Applications (1)

Application Number Priority Date Filing Date Title
CN201921397870.1U CN210429035U (zh) 2019-08-27 2019-08-27 一种企业管理沙盘教学台

Applications Claiming Priority (1)

Application Number Priority Date Filing Date Title
CN201921397870.1U CN210429035U (zh) 2019-08-27 2019-08-27 一种企业管理沙盘教学台

Publications (1)

Publication Number Publication Date
CN210429035U true CN210429035U (zh) 2020-04-28

Family

ID=70364525

Family Applications (1)

Application Number Title Priority Date Filing Date
CN201921397870.1U Expired - Fee Related CN210429035U (zh) 2019-08-27 2019-08-27 一种企业管理沙盘教学台

Country Status (1)

Country Link
CN (1) CN210429035U (zh)

Cited By (2)

* Cited by examiner, † Cited by third party
Publication number Priority date Publication date Assignee Title
CN111882930A (zh) * 2020-08-03 2020-11-03 深圳无界视觉科技有限责任公司 投影操控台及投影沙盘控制系统
CN112863282A (zh) * 2021-01-14 2021-05-28 魏震 一种用于工商管理专业的教学装置

Cited By (2)

* Cited by examiner, † Cited by third party
Publication number Priority date Publication date Assignee Title
CN111882930A (zh) * 2020-08-03 2020-11-03 深圳无界视觉科技有限责任公司 投影操控台及投影沙盘控制系统
CN112863282A (zh) * 2021-01-14 2021-05-28 魏震 一种用于工商管理专业的教学装置

Similar Documents

Publication Publication Date Title
CN207080772U (zh) 可调式投影仪吊架
CN210429035U (zh) 一种企业管理沙盘教学台
CN211081233U (zh) 一种护栏板升降用辅助结构
CN206975843U (zh) 一种财务专业用多功能示教板
CN210034934U (zh) 一种具有外部保护箱体的警示屏
CN209746844U (zh) 一种思想政治教育专业教学使用的展示装置
CN215126772U (zh) 一种动漫游戏人物展示装置
CN211294465U (zh) 一种机械设计教学用模型展示架
CN216046979U (zh) 一种高中生便携式护眼台灯
CN215271546U (zh) 一种小学语文用填词装置
CN215068658U (zh) 一种智能化教学辅助设备
CN214012367U (zh) 建筑施工现场安全施工警示装置
CN214924221U (zh) 一种计算机系统操作用作业平台
CN210155909U (zh) 一种幼儿教育用绘画作品展示架
CN210757611U (zh) 一种多层复合板切割用高度可调平台
CN211016130U (zh) 一种具有升降调整功能的电力系统演示装置
CN209859460U (zh) 一种铁路交通安全运营模拟沙盘
CN221000732U (zh) 一种建筑工程安全用警示设备
CN213596840U (zh) 一种建设工程施工用警示装置
CN213958517U (zh) 一种环保用旋转移动式宣传栏
CN219696053U (zh) 一种用于广告设计的展示装置
CN213339152U (zh) 一种经济学教学用挂图看板
CN215456258U (zh) 一种图纸设计用展放桌
CN218304292U (zh) 一种职业培训用作品展示架
CN218720093U (zh) 一种升降式量架

Legal Events

Date Code Title Description
GR01 Patent grant
GR01 Patent grant
CF01 Termination of patent right due to non-payment of annual fee
CF01 Termination of patent right due to non-payment of annual fee

Granted publication date: 20200428

Termination date: 20210827