CN210068597U - 液压抽油机液压系统 - Google Patents

液压抽油机液压系统 Download PDF

Info

Publication number
CN210068597U
CN210068597U CN201920387412.3U CN201920387412U CN210068597U CN 210068597 U CN210068597 U CN 210068597U CN 201920387412 U CN201920387412 U CN 201920387412U CN 210068597 U CN210068597 U CN 210068597U
Authority
CN
China
Prior art keywords
ball valve
hydraulic
valve
closed
opening
Prior art date
Legal status (The legal status is an assumption and is not a legal conclusion. Google has not performed a legal analysis and makes no representation as to the accuracy of the status listed.)
Active
Application number
CN201920387412.3U
Other languages
English (en)
Inventor
刘猛
师俊峰
韩岐清
张勇
张建军
李青
郑小雄
陈锐
杜会尧
赵瑞东
熊春明
曹刚
张喜顺
Current Assignee (The listed assignees may be inaccurate. Google has not performed a legal analysis and makes no representation or warranty as to the accuracy of the list.)
Petrochina Co Ltd
Original Assignee
Petrochina Co Ltd
Priority date (The priority date is an assumption and is not a legal conclusion. Google has not performed a legal analysis and makes no representation as to the accuracy of the date listed.)
Filing date
Publication date
Application filed by Petrochina Co Ltd filed Critical Petrochina Co Ltd
Priority to CN201920387412.3U priority Critical patent/CN210068597U/zh
Application granted granted Critical
Publication of CN210068597U publication Critical patent/CN210068597U/zh
Active legal-status Critical Current
Anticipated expiration legal-status Critical

Links

Images

Landscapes

  • Fluid-Pressure Circuits (AREA)

Abstract

本申请公开了一种液压抽油机液压系统,该系统包括:基础元件、第一差异元件、第二差异元件、第一开闭系统转换球阀(21)和第二开闭系统转换球阀(26),基础元件通过第一开闭系统转换球阀(21)与第一差异元件连接,基础元件通过第二开闭系统转换球阀(26)与第二差异元件连接;当第一开闭系统转换球阀(21)打开,且第二开闭系统转换球阀(26)关闭时,液压抽油机液压系统以开式系统运行;当第一开闭系统转换球阀(21)关闭,且第二开闭系统转换球阀(26)打开时,液压抽油机液压系统以闭式系统运行。本申请可以避免油井采油过程中断,提升液压抽油机液压系统的工作效率。

Description

液压抽油机液压系统
技术领域
本申请涉及采油技术领域,尤其涉及一种液压抽油机液压系统。
背景技术
按照油液的循环方式,“一站双井”抽油机液压系统可以分为开式系统和闭式系统两大类。开式系统利用蓄能器、液马达等对油缸下行程能量进行回收利用;闭式系统可以直接对来自下行程油缸的油液进入油泵的吸入口进行加压,实现油缸下行程能量直接进行回收利用。
相较于开式系统,闭式系统能够对油缸的下行程能量直接进行回收利用,能量的利用率高,但要求上下行程油缸的进、排油量相同。这在选井阶段可以实现,但随着油田的开发,油井供液能力产生变化,下行油缸排出的液压油多于或少于上行油缸需要的液压油,导致油井工作参数发生变化,破坏了闭式系统的使用条件。在这种情况下,或者重新选择产液量相近的油井进行重新配对,对油井继续采用闭式系统;或者将闭式系统转换为开式系统。上述两种处理方式,无疑都会中断油井的采油过程,降低液压抽油机液压系统的工作效率。
实用新型内容
本申请实施例提供一种液压抽油机液压系统,用以避免油井采油过程中断,提升液压抽油机液压系统的工作效率,该系统包括:
基础元件、第一差异元件、第二差异元件、第一开闭系统转换球阀21和第二开闭系统转换球阀26,基础元件通过第一开闭系统转换球阀21与第一差异元件连接,基础元件通过第二开闭系统转换球阀26与第二差异元件连接;其中,基础元件为开式系统和闭式系统共同包括的元件,第一差异元件为开式系统包括的元件中除基础元件外的元件,第二差异元件为闭式系统包括的元件中除基础元件外的元件;当第一开闭系统转换球阀21打开,且第二开闭系统转换球阀26关闭时,液压抽油机液压系统以开式系统运行;当第一开闭系统转换球阀21关闭,且第二开闭系统转换球阀26打开时,液压抽油机液压系统以闭式系统运行。
本申请实施例中,液压抽油机液压系统包括开式系统的元件和闭式系统的元件,并通过第一开闭系统转换球阀和第二开闭系统转换球阀实现开式系统和闭式系统的转换。这样,在上下行程油缸的进、排油量相同时,可以将液压抽油机液压系统连接为闭式系统,提高系统的能量利用率;在上下行程油缸的进、排油量不同时,可以在无需中断采油过程的前提下,将液压抽油机液压系统连接为开式系统,提高了液压抽油机液压系统的工作效率,同时也提升了液压抽油机液压系统的通用性。
附图说明
为了更清楚地说明本申请实施例或现有技术中的技术方案,下面将对实施例或现有技术描述中所需要使用的附图作简单地介绍,显而易见地,下面描述中的附图仅仅是本申请的一些实施例,对于本领域普通技术人员来讲,在不付出创造性劳动的前提下,还可以根据这些附图获得其他的附图。在附图中:
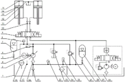
图1为本申请实施例中提供的一种液压抽油机液压系统的结构图;
图2为本申请实施例中提供的一种开式系统的结构图;
图3为本申请实施例中提供的一种闭式系统的结构图。
附图标号
1:油箱 2:液马达
3:变量液压油泵 4:电机
5:高压蓄能器球阀 6:高压压力变送器
7:高压蓄能器 8:高压压力表
9:电磁换向阀 10:主机球阀
11:活塞杆 12:回收油管
13:油缸 14:活塞
15:位移传感器 16:液位变送器
17:温度变送器 18:滤油器
19:单向阀 20:单向离合器
21:第一开闭系统转换球阀 22:低压压力表
23:安全阀 24:冷却器
25:低压压力变送器 26:第二开闭系统转换球阀
27:溢流阀 28:低压蓄能器球阀
29:低压蓄能器 30:闭式系统补液模块
具体实施方式
为使本申请实施例的目的、技术方案和优点更加清楚明白,下面结合附图对本申请实施例做进一步详细说明。在此,本申请的示意性实施例及其说明用于解释本申请,但并不作为对本申请的限定。
本申请实施例提供了一种液压抽油机液压系统,如图1所示,该系统包括基础元件、第一差异元件、第二差异元件、第一开闭系统转换球阀21和第二开闭系统转换球阀26。
其中,基础元件为开式系统和闭式系统共同包括的元件,第一差异元件为开式系统包括的元件中除基础元件外的元件,第二差异元件为闭式系统包括的元件中除基础元件外的元件。第一开闭系统转换球阀21和第二开闭系统转换球阀26是截止阀,具有通、断两种状态。
基础元件通过第一开闭系统转换球阀21与第一差异元件连接,基础元件通过第二开闭系统转换球阀26与第二差异元件连接。参阅图1与图2,当第一开闭系统转换球阀21打开,且第二开闭系统转换球阀26关闭时,液压抽油机液压系统以如图2所示的开式系统运行;参阅图1与图3,当第一开闭系统转换球阀21关闭,且第二开闭系统转换球阀26打开时,液压抽油机液压系统以如图3所示的闭式系统运行。
基础元件包括油箱1、变量液压油泵3、电机4、高压蓄能器球阀5、高压压力变送器6、高压蓄能器7、高压压力表8、电磁换向阀9、主机球阀10、活塞杆11、回收油管12、油缸13、活塞14、位移传感器15、液位变送器16、温度变送器17、滤油器18、单向阀19、低压压力表22、安全阀23、冷却器24、低压压力变送器25和溢流阀27。
其中,参阅图1,位移传感器15、活塞14和活塞杆11设置在油缸13的内部,位移传感器15设置在油缸13的内壁上,并与活塞14的一端连接,活塞14的另一端与活塞杆11连接。两个油缸13之间通过回收油管12连接,并分别通过主机球阀10与电磁换向阀9的一端连接。电磁换向阀9的另一端同时与高压压力表8、高压蓄能器球阀5、高压压力变送器6、变量液压油泵3、安全阀23和溢流阀27连接。高压蓄能器球阀5的另一端与高压蓄能器7连接。变量液压油泵3还同时与电机4和滤油器18连接。滤油器18还与单向阀19、低压压力表22、低压压力变送器25和溢流阀27连接。其中,单向阀19伸入油箱1内部。油箱1中还设置有液位变送器16、温度变送器17和冷却器24。
第一差异元件包括液马达2。第一开闭系统转换球阀21设置于电磁换向阀9和液马达2之间,电磁换向阀9通过第一开闭系统转换球阀21连接液马达2的一端。液马达2的另一端与油箱1连接。
此外,第一差异元件还包括:单向离合器20。
当液压抽油机液压系统以开式系统运行时,下行程油缸13排出的液压油驱动液马达2工作后排回油箱1,将液压能转变为液马达2的机械能。液马达2辅助电机4驱动变量液压油泵3,当液马达2工作时,通过单向离合器20带动变量液压油泵3转动。当液压抽油机液压系统以闭式系统运行时,液马达2不工作,此时电机4带动变量液压油泵3转动,而不能通过单向离合器20带动变量液压油泵3转动。
第二差异元件包括低压蓄能器29和闭式系统补液模块30。第二开闭系统转换球阀26设置于电磁换向阀9和闭式系统补液模块30、低压蓄能器29之间,电磁换向阀9通过第二开闭系统转换球阀26分别连接闭式系统补液模块30的一端和低压蓄能器29。闭式系统补液模块30的另一端与油箱1连接。
此外,第二差异元件还包括低压蓄能器球阀28,第二开闭系统转换球阀26与低压蓄能器29通过低压蓄能器球阀28连接。
在闭式系统运行时,低压蓄能器29用于维持低压系统压力稳定,闭式系统补液模块30补偿系统泄露的液压油。
当液压抽油机液压系统以闭式系统运行时,下行油缸13排出的液压油直接进入变量液压油泵3,经过变量液压油泵3加压后驱动另一油缸13进行上行程。由于变量液压油泵3入口液压油具有一定的压力,因而变量液压油泵3传给液压油的能量就相应减少,提高了能量的回收利用率。
需要补充的是,当一对油井中仅有一口油井工作时,可以采用高压蓄能器7来代替不工作的油井,使得液压抽油机液压系统仍然按照对井工作原理来采用开式系统或闭式系统进行工作。
本申请实施例中,液压抽油机液压系统包括开式系统的元件和闭式系统的元件,并通过第一开闭系统转换球阀和第二开闭系统转换球阀实现开式系统和闭式系统的转换。这样,在上下行程油缸的进、排油量相同时,可以将液压抽油机液压系统连接为闭式系统,提高系统的能量利用率;在上下行程油缸的进、排油量不同时,可以在无需中断采油过程的前提下,将液压抽油机液压系统连接为开式系统,提高了液压抽油机液压系统的工作效率,同时也提升了液压抽油机液压系统的通用性。
以上所述的具体实施例,对本申请的目的、技术方案和有益效果进行了进一步详细说明,所应理解的是,以上所述仅为本申请的具体实施例而已,并不用于限定本申请的保护范围,凡在本申请的精神和原则之内,所做的任何修改、等同替换、改进等,均应包含在本申请的保护范围之内。

Claims (10)

1.一种液压抽油机液压系统,其特征在于,所述系统包括:
基础元件、第一差异元件、第二差异元件、第一开闭系统转换球阀(21)和第二开闭系统转换球阀(26),基础元件通过第一开闭系统转换球阀(21)与第一差异元件连接,基础元件通过第二开闭系统转换球阀(26)与第二差异元件连接;其中,基础元件为开式系统和闭式系统共同包括的元件,第一差异元件为开式系统包括的元件中除基础元件外的元件,第二差异元件为闭式系统包括的元件中除基础元件外的元件;
当第一开闭系统转换球阀(21)打开,且第二开闭系统转换球阀(26)关闭时,液压抽油机液压系统以开式系统运行;当第一开闭系统转换球阀(21)关闭,且第二开闭系统转换球阀(26)打开时,液压抽油机液压系统以闭式系统运行。
2.根据权利要求1所述的系统,其特征在于,所述基础元件包括:
油箱(1)、变量液压油泵(3)、电机(4)、高压蓄能器球阀(5)、高压压力变送器(6)、高压蓄能器(7)、高压压力表(8)、电磁换向阀(9)、主机球阀(10)、活塞杆(11)、回收油管(12)、油缸(13)、活塞(14)、位移传感器(15)、液位变送器(16)、温度变送器(17)、滤油器(18)、单向阀(19)、低压压力表(22)、安全阀(23)、冷却器(24)、低压压力变送器(25)和溢流阀(27)。
3.根据权利要求2所述的系统,其特征在于,所述第一差异元件包括:液马达(2)。
4.根据权利要求3所述的系统,其特征在于,第一开闭系统转换球阀(21)设置于电磁换向阀(9)和液马达(2)之间,电磁换向阀(9)通过第一开闭系统转换球阀(21)连接液马达(2)的一端。
5.根据权利要求4所述的系统,其特征在于,液马达(2)的另一端与油箱(1)连接。
6.根据权利要求3所述的系统,其特征在于,所述第一差异元件还包括:单向离合器(20)。
7.根据权利要求2所述的系统,其特征在于,所述第二差异元件包括:低压蓄能器(29)和闭式系统补液模块(30)。
8.根据权利要求7所述的系统,其特征在于,第二开闭系统转换球阀(26)设置于电磁换向阀(9)和闭式系统补液模块(30)、低压蓄能器(29)之间,电磁换向阀(9)通过第二开闭系统转换球阀(26)分别连接闭式系统补液模块(30)的一端和低压蓄能器(29)。
9.根据权利要求8所述的系统,其特征在于,所述闭式系统补液模块(30)的另一端与油箱(1)连接。
10.根据权利要求8所述的系统,其特征在于,所述第二差异元件还包括低压蓄能器球阀(28),所述第二开闭系统转换球阀(26)与所述低压蓄能器(29)通过低压蓄能器球阀(28)连接。
CN201920387412.3U 2019-03-26 2019-03-26 液压抽油机液压系统 Active CN210068597U (zh)

Priority Applications (1)

Application Number Priority Date Filing Date Title
CN201920387412.3U CN210068597U (zh) 2019-03-26 2019-03-26 液压抽油机液压系统

Applications Claiming Priority (1)

Application Number Priority Date Filing Date Title
CN201920387412.3U CN210068597U (zh) 2019-03-26 2019-03-26 液压抽油机液压系统

Publications (1)

Publication Number Publication Date
CN210068597U true CN210068597U (zh) 2020-02-14

Family

ID=69434525

Family Applications (1)

Application Number Title Priority Date Filing Date
CN201920387412.3U Active CN210068597U (zh) 2019-03-26 2019-03-26 液压抽油机液压系统

Country Status (1)

Country Link
CN (1) CN210068597U (zh)

Cited By (1)

* Cited by examiner, † Cited by third party
Publication number Priority date Publication date Assignee Title
CN116181718A (zh) * 2022-12-29 2023-05-30 庆阳威克瑞计量检测有限公司 一种双井平衡液压抽油机及应用方法

Cited By (1)

* Cited by examiner, † Cited by third party
Publication number Priority date Publication date Assignee Title
CN116181718A (zh) * 2022-12-29 2023-05-30 庆阳威克瑞计量检测有限公司 一种双井平衡液压抽油机及应用方法

Similar Documents

Publication Publication Date Title
CN204552723U (zh) 一种压裂传动和高压排出系统
WO2016037500A1 (zh) 一种往复柱塞式气体压缩机及方法
CN206625947U (zh) 一种双作用液压缸的泥浆泵
CN106870316A (zh) 一种液压式双作用压力泵橇
CN107327432A (zh) 一种泵控缸液压回路及其控制方法
CN108180128B (zh) 主动配流的单柱塞泵
CN110242262A (zh) 一种套管气回收并带动原油抽采的增产节能装置
CN112879364B (zh) 一种液压抽油机用节能液压系统
CN210068597U (zh) 液压抽油机液压系统
WO2007041935A1 (fr) Pompe alternative hydraulique
CN208456939U (zh) 变频式双泵移动式垃圾压缩箱液压系统
CN206830551U (zh) 抽油机液压系统
CN103104433A (zh) 大排量内置自动换向液压柱塞泵
CN205117301U (zh) 一种单液压系统双井式抽油机
CN112145130B (zh) 液压抽油机油井配对方法及装置
CN110701151B (zh) 一种液压式势能回收与利用系统
CN206917952U (zh) 一种掘进机的闭式液压系统
CN108980141B (zh) 液压抽油机油缸、液压抽油机及其工作方法
CN214945333U (zh) 一种保压恒定的液压系统
CN210290030U (zh) 一种天然气井用的辅助排液装置
CN205370884U (zh) 一种柱塞式多液缸组合泥浆泵
CN2433411Y (zh) 一种曲柄连杆式柱塞泥浆泵
CN203879720U (zh) 双循环液压无杆抽油泵
CN108827789A (zh) 一种水压机快速充水系统及其控制方法
CN2287672Y (zh) 海上采油的功率回收型液压抽油机

Legal Events

Date Code Title Description
GR01 Patent grant
GR01 Patent grant