WO2022009706A1 - 物体検知装置 - Google Patents

物体検知装置 Download PDF

Info

Publication number
WO2022009706A1
WO2022009706A1 PCT/JP2021/024162 JP2021024162W WO2022009706A1 WO 2022009706 A1 WO2022009706 A1 WO 2022009706A1 JP 2021024162 W JP2021024162 W JP 2021024162W WO 2022009706 A1 WO2022009706 A1 WO 2022009706A1
Authority
WO
WIPO (PCT)
Prior art keywords
frequency
transmitter
receiver
object detection
detection device
Prior art date
Legal status (The legal status is an assumption and is not a legal conclusion. Google has not performed a legal analysis and makes no representation as to the accuracy of the status listed.)
Ceased
Application number
PCT/JP2021/024162
Other languages
English (en)
French (fr)
Japanese (ja)
Inventor
翔也 石田
優 小山
哲也 青山
Current Assignee (The listed assignees may be inaccurate. Google has not performed a legal analysis and makes no representation or warranty as to the accuracy of the list.)
Denso Corp
Original Assignee
Denso Corp
Priority date (The priority date is an assumption and is not a legal conclusion. Google has not performed a legal analysis and makes no representation as to the accuracy of the date listed.)
Filing date
Publication date
Application filed by Denso Corp filed Critical Denso Corp
Priority to DE112021003712.9T priority Critical patent/DE112021003712T5/de
Priority to US18/004,642 priority patent/US12504525B2/en
Publication of WO2022009706A1 publication Critical patent/WO2022009706A1/ja
Anticipated expiration legal-status Critical
Ceased legal-status Critical Current

Links

Images

Classifications

    • GPHYSICS
    • G01MEASURING; TESTING
    • G01SRADIO DIRECTION-FINDING; RADIO NAVIGATION; DETERMINING DISTANCE OR VELOCITY BY USE OF RADIO WAVES; LOCATING OR PRESENCE-DETECTING BY USE OF THE REFLECTION OR RERADIATION OF RADIO WAVES; ANALOGOUS ARRANGEMENTS USING OTHER WAVES
    • G01S15/00Systems using the reflection or reradiation of acoustic waves, e.g. sonar systems
    • G01S15/88Sonar systems specially adapted for specific applications
    • G01S15/93Sonar systems specially adapted for specific applications for anti-collision purposes
    • G01S15/931Sonar systems specially adapted for specific applications for anti-collision purposes of land vehicles
    • GPHYSICS
    • G01MEASURING; TESTING
    • G01SRADIO DIRECTION-FINDING; RADIO NAVIGATION; DETERMINING DISTANCE OR VELOCITY BY USE OF RADIO WAVES; LOCATING OR PRESENCE-DETECTING BY USE OF THE REFLECTION OR RERADIATION OF RADIO WAVES; ANALOGOUS ARRANGEMENTS USING OTHER WAVES
    • G01S7/00Details of systems according to groups G01S13/00, G01S15/00, G01S17/00
    • G01S7/52Details of systems according to groups G01S13/00, G01S15/00, G01S17/00 of systems according to group G01S15/00
    • G01S7/52004Means for monitoring or calibrating
    • GPHYSICS
    • G01MEASURING; TESTING
    • G01SRADIO DIRECTION-FINDING; RADIO NAVIGATION; DETERMINING DISTANCE OR VELOCITY BY USE OF RADIO WAVES; LOCATING OR PRESENCE-DETECTING BY USE OF THE REFLECTION OR RERADIATION OF RADIO WAVES; ANALOGOUS ARRANGEMENTS USING OTHER WAVES
    • G01S7/00Details of systems according to groups G01S13/00, G01S15/00, G01S17/00
    • G01S7/52Details of systems according to groups G01S13/00, G01S15/00, G01S17/00 of systems according to group G01S15/00
    • G01S7/52004Means for monitoring or calibrating
    • G01S7/52006Means for monitoring or calibrating with provision for compensating the effects of temperature
    • GPHYSICS
    • G01MEASURING; TESTING
    • G01SRADIO DIRECTION-FINDING; RADIO NAVIGATION; DETERMINING DISTANCE OR VELOCITY BY USE OF RADIO WAVES; LOCATING OR PRESENCE-DETECTING BY USE OF THE REFLECTION OR RERADIATION OF RADIO WAVES; ANALOGOUS ARRANGEMENTS USING OTHER WAVES
    • G01S7/00Details of systems according to groups G01S13/00, G01S15/00, G01S17/00
    • G01S7/52Details of systems according to groups G01S13/00, G01S15/00, G01S17/00 of systems according to group G01S15/00
    • G01S7/534Details of non-pulse systems
    • GPHYSICS
    • G01MEASURING; TESTING
    • G01SRADIO DIRECTION-FINDING; RADIO NAVIGATION; DETERMINING DISTANCE OR VELOCITY BY USE OF RADIO WAVES; LOCATING OR PRESENCE-DETECTING BY USE OF THE REFLECTION OR RERADIATION OF RADIO WAVES; ANALOGOUS ARRANGEMENTS USING OTHER WAVES
    • G01S15/00Systems using the reflection or reradiation of acoustic waves, e.g. sonar systems
    • G01S15/88Sonar systems specially adapted for specific applications
    • G01S15/93Sonar systems specially adapted for specific applications for anti-collision purposes
    • GPHYSICS
    • G01MEASURING; TESTING
    • G01SRADIO DIRECTION-FINDING; RADIO NAVIGATION; DETERMINING DISTANCE OR VELOCITY BY USE OF RADIO WAVES; LOCATING OR PRESENCE-DETECTING BY USE OF THE REFLECTION OR RERADIATION OF RADIO WAVES; ANALOGOUS ARRANGEMENTS USING OTHER WAVES
    • G01S7/00Details of systems according to groups G01S13/00, G01S15/00, G01S17/00
    • G01S7/52Details of systems according to groups G01S13/00, G01S15/00, G01S17/00 of systems according to group G01S15/00
    • G01S7/52004Means for monitoring or calibrating
    • G01S2007/52009Means for monitoring or calibrating of sensor obstruction, e.g. dirt- or ice-coating
    • GPHYSICS
    • G01MEASURING; TESTING
    • G01SRADIO DIRECTION-FINDING; RADIO NAVIGATION; DETERMINING DISTANCE OR VELOCITY BY USE OF RADIO WAVES; LOCATING OR PRESENCE-DETECTING BY USE OF THE REFLECTION OR RERADIATION OF RADIO WAVES; ANALOGOUS ARRANGEMENTS USING OTHER WAVES
    • G01S15/00Systems using the reflection or reradiation of acoustic waves, e.g. sonar systems
    • G01S15/88Sonar systems specially adapted for specific applications
    • G01S15/93Sonar systems specially adapted for specific applications for anti-collision purposes
    • G01S15/931Sonar systems specially adapted for specific applications for anti-collision purposes of land vehicles
    • G01S2015/932Sonar systems specially adapted for specific applications for anti-collision purposes of land vehicles for parking operations
    • GPHYSICS
    • G01MEASURING; TESTING
    • G01SRADIO DIRECTION-FINDING; RADIO NAVIGATION; DETERMINING DISTANCE OR VELOCITY BY USE OF RADIO WAVES; LOCATING OR PRESENCE-DETECTING BY USE OF THE REFLECTION OR RERADIATION OF RADIO WAVES; ANALOGOUS ARRANGEMENTS USING OTHER WAVES
    • G01S15/00Systems using the reflection or reradiation of acoustic waves, e.g. sonar systems
    • G01S15/88Sonar systems specially adapted for specific applications
    • G01S15/93Sonar systems specially adapted for specific applications for anti-collision purposes
    • G01S15/931Sonar systems specially adapted for specific applications for anti-collision purposes of land vehicles
    • G01S2015/937Sonar systems specially adapted for specific applications for anti-collision purposes of land vehicles sensor installation details
    • G01S2015/938Sonar systems specially adapted for specific applications for anti-collision purposes of land vehicles sensor installation details in the bumper area

Definitions

  • This disclosure relates to an object detection device.
  • a microphone is used as an ultrasonic transmitter / receiver. If snow or mud adheres to the surface of the microphone, the characteristics of the microphone may change and the detection performance of the ultrasonic sensor may deteriorate. Therefore, it is necessary to self-diagnose the state of the microphone in order to suppress the deterioration of the performance of the parking support system using the ultrasonic sensor.
  • the ultrasonic sonar described in Patent Document 1 transmits ultrasonic waves by shifting the transmission frequency from the reverberation frequency, and utilizes the fact that the reverberation time changes depending on the state of the transmitter / receiver to analyze the reverberation time and frequency. The abnormality of the transmitter / receiver is determined based on the result.
  • the present disclosure aims to provide an object detection device capable of determining the state of a transmitter / receiver.
  • the object detection device includes a transmitter / receiver for transmitting / receiving ultrasonic waves, a drive signal generator for generating a drive signal for driving the transmitter / receiver, and a transmitter / receiver based on the drive signal.
  • the drive signal generation unit is provided with a transmission circuit that causes the transmitter / receiver to transmit an exploration wave that is an ultrasonic wave by driving, and a reception circuit that generates a reception signal corresponding to the reception result of the ultrasonic waves by the transmitter / receiver.
  • An object detection device that generates a drive signal so that the frequency of the exploration wave changes over time, and the voltage generated at the transmitter / receiver while the transmitter / receiver transmits the exploration wave whose frequency changes over time. It includes a voltage measuring unit that measures a signal and a status determining unit that determines the status of the transmitter / receiver based on the voltage signal.
  • the present inventors In an ultrasonic sensor that transmits an exploration wave including a frequency modulation signal from a transmitter / receiver composed of a microphone or the like, the present inventors have a voltage signal generated in the transmitter / receiver during transmission of the exploration wave due to adhesion of snow or the like. Found to change. The state of the transmitter / receiver can be determined based on such a change in the voltage signal.
  • the object detection device 1 of the present embodiment shown in FIG. 1 is mounted on a vehicle (not shown) and is configured to detect an object B around the vehicle.
  • the vehicle equipped with the object detection device 1 is hereinafter referred to as "own vehicle”.
  • the vehicle (not shown) is, for example, an automobile.
  • the object detection device 1 includes an ultrasonic sensor 2 and a control unit 3 that controls the operation of the ultrasonic sensor 2.
  • the ultrasonic sensor 2 is configured to detect an object B by transmitting an exploration wave which is an ultrasonic wave and receiving a reflected wave of the exploration wave by the object B.
  • the ultrasonic sensor 2 includes a transducer 21, a transmission circuit 22, a reception circuit 23, a drive signal generation unit 24, a reception signal processing unit 25, a voltage measurement unit 26, a state determination unit 27, and a temperature detection unit 28. And have.
  • the transducer 21 has a function as a transmitter for transmitting the exploration wave to the outside and a function as a receiver for receiving the reflected wave, and is electrically connected to the transmission circuit 22 and the reception circuit 23. .. That is, the ultrasonic sensor 2 has a so-called transmission / reception integrated configuration.
  • the transducer 21 is configured as an ultrasonic microphone having a built-in electric-mechanical energy conversion element such as a piezoelectric element.
  • the transducer 21 is arranged at a position facing the outer surface of the own vehicle so that the exploration wave can be transmitted to the outside of the own vehicle and the reflected wave can be received from the outside of the own vehicle.
  • the transmission circuit 22 is provided so as to transmit an exploration wave by the transducer 21 by driving the transducer 21 based on the input drive signal.
  • the transmission circuit 22 has a digital / analog conversion circuit and the like. That is, the transmission circuit 22 is configured to generate an element input signal by performing signal processing such as digital / analog conversion on the drive signal output from the drive signal generation unit 24.
  • the element input signal is an AC voltage signal for driving the transducer 21.
  • the transmission circuit 22 is configured to generate an exploration wave by applying the generated element input signal to the transducer 21 to excite the electric-mechanical energy conversion element in the transducer 21.
  • the receiving circuit 23 is provided so as to generate a received signal corresponding to the reception result of the ultrasonic wave by the transducer 21 and output it to the received signal processing unit 25.
  • the receiving circuit 23 includes an amplifier circuit, an analog / digital conversion circuit, and the like. That is, the receiving circuit 23 generates a received signal including information on the amplitude and frequency of the received wave by performing signal processing such as amplification and analog / digital conversion on the element output signal output by the transducer 21. It is configured in.
  • the element output signal is an AC voltage signal generated by the electric-mechanical energy conversion element provided in the transducer 21 by receiving ultrasonic waves.
  • the drive signal generation unit 24 is provided so as to generate a drive signal and output it to the transmission circuit 22.
  • the drive signal is a signal for driving the transducer 21 and transmitting an exploration wave from the transducer 21.
  • the drive signal generation unit 24 generates a drive signal so that the frequency of the exploration wave changes with the passage of time. Specifically, the drive signal generation unit 24 generates a drive signal so that the frequency of the probe wave is swept in the frequency modulation range including the resonance frequency of the transducer 21. This frequency modulation range is changed according to the signal from the state determination unit 27, as will be described later.
  • the drive signal includes, for example, an up chirp or a down chirp.
  • the up chirp is a frequency modulation state in which the frequency monotonously increases with the passage of time.
  • Down chirp is a frequency modulation state in which the frequency monotonously decreases with the passage of time.
  • the received signal processing unit 25 is configured to generate a signal corresponding to the amplitude of the received wave and a signal corresponding to the frequency of the received wave by performing processing such as FFT on the received signal.
  • FFT is an abbreviation for Fast Fourier Transform.
  • the reception signal processing unit 25 is provided so as to output the generated signal to the control unit 3.
  • the voltage measuring unit 26, the state determination unit 27, and the temperature detecting unit 28 are for detecting the state of the transducer 21.
  • the voltage measuring unit 26 measures the voltage signal generated in the transducer 21 while the transducer 21 transmits a frequency modulation signal whose frequency changes with the passage of time.
  • the voltage measuring unit 26 is provided so as to output the measurement result of the voltage signal to the state determination unit 27.
  • the state determination unit 27 determines the state of the transducer 21 based on the measurement result of the voltage signal input from the voltage measurement unit 26.
  • the state determination unit 27 is provided so as to output the determination result to the control unit 3.
  • the temperature detection unit 28 detects the environmental temperature of the ultrasonic sensor 2.
  • the temperature detection unit 28 is provided so as to output a signal corresponding to the detected environmental temperature to the state determination unit 27, and the state determination unit 27 uses the signal input from the temperature detection unit 28 to output the signal of the transducer 21. Make a status judgment.
  • the drive signal generation unit 24, the reception signal processing unit 25, the voltage measurement unit 26, and the state determination unit 27 are programmed with functions such as the above-mentioned drive signal generation, reception signal processing, voltage signal measurement, and state determination. It is composed of DSP. DSP is an abbreviation for Digital Signal Processor.
  • the control unit 3 is connected to the ultrasonic sensor 2 via an in-vehicle communication line so as to be capable of information communication, and is configured to control the transmission / reception operation of the ultrasonic sensor 2.
  • the control unit 3 is provided as a so-called sonar ECU, and includes an in-vehicle microcomputer having a CPU, ROM, RAM, non-volatile rewritable memory, etc. (not shown).
  • ECU is an abbreviation for Electronic Control Unit.
  • the non-volatile rewritable memory is, for example, EEPROM, flash ROM, or the like.
  • EEPROM is an abbreviation for Electronically Erasable and Programmable Read Only Memory.
  • ROM, RAM, etc. are non-transitional substantive storage media.
  • the control unit 3 issues a transmission instruction to the drive signal generation unit 24, makes an object detection determination based on the signal input from the received signal processing unit 25, and performs avoidance control and braking control according to the determination result. Further, the control unit 3 performs processing according to the state determination result of the transducer 21 input from the state determination unit 27.
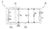
  • FIG. 2 shows the secondary side portion of the transmission circuit 22 and the reception circuit 23, which is the connection portion with the transducer 21, together with the equivalent circuit of the transducer 21.
  • the resistor RT is the DC resistance of the secondary winding in the transformer provided in the transmission circuit 22 and the reception circuit 23.
  • the inductance LT corresponds to the secondary winding in the transformer of the booster circuit that generates an AC voltage signal according to the drive signal input from the drive signal generation unit 24 and supplies it to the transducer 21.
  • the illustration and description of the primary side portion of the transmission circuit 22 and the reception circuit 23 including the primary side winding in such a transformer will be omitted.
  • the capacitance C1, the inductance L1, and the resistor R1 show the mechanical vibration in the transducer 21 as an equivalent circuit.
  • the series resonant circuits RCs are configured by the series connection of the capacitance C1, the inductance L1, and the resistor R1.
  • the capacitance C2 is a capacitive component in the piezoelectric element defined by the distance between the electrodes of the piezoelectric element, the electrode area, the piezoelectric dielectric constant, and the like, and is connected in parallel with the series resonant circuit RCs in the equivalent circuit.
  • the parallel resonance circuit RCp is composed of the secondary winding in the transformer provided in the transmission circuit 22 and the reception circuit 23, the capacitance C2 in the transducer 21, the capacitor C3, and the resistor R2.
  • the capacitor C3 is connected in parallel with the transducer 21 in order to adjust the resonance frequency in the parallel resonance circuit RCp.
  • the resistor R2 is connected in parallel with the transducer 21 and the capacitor C3 in order to adjust the reverberation time and the amplification factor.
  • the amplitude waveform of the voltage between terminals of the transducer 21 usually shows the characteristics of the transducer 21 and the characteristics of other elements constituting the circuit shown in FIG.
  • the influence of the characteristics of other elements is reduced.
  • a waveform correlating with the characteristics of the transducer 21 appears in the voltage signal of the transducer 21.
  • the voltage measuring unit 26 measures the voltage V between the terminals of the transducer 21 as a voltage signal of the transducer 21 in a state where the power is controlled in this way.
  • the voltage measuring unit 26 measures, for example, the voltage across the capacitance C2 as the voltage V between terminals.
  • FIG. 3 is an example of the measurement result of the voltage V between terminals when an ultrasonic signal including an up chirp is transmitted. In this way, the amplitude of the voltage V between the terminals increases or decreases depending on the sweep of the drive frequency.
  • the voltage measuring unit 26 excludes the phase and frequency information from the measured waveform of the voltage V between terminals by envelope detection or the like, extracts only the amplitude, and outputs it to the state determination unit 27.
  • the sampling rate required for the analog / digital converter constituting the voltage measuring unit 26 becomes low.
  • downsampling can be performed after analog / digital conversion. Therefore, it becomes possible to process with an inexpensive ASIC.
  • the alternate long and short dash line in FIG. 3 is an envelope of the voltage V between terminals and shows the extracted amplitude signal. This amplitude signal changes depending on the state of the transducer 21.
  • the amplitude signal of the voltage V between terminals (hereinafter, also simply referred to as an amplitude signal) takes a minimum value at a time when the drive frequency of the transducer 21 matches the resonance frequency.
  • the center frequency of the frequency modulation range is fc
  • the frequency at which the amplitude signal takes the minimum value is fmin
  • the normal resonance frequency of the transducer 21 is f0
  • Fmin fc.
  • the minimum point does not exist in the amplitude signal.
  • the resonance frequency becomes a value different from the design value, and the amplitude signal takes a minimum value at a time different from the time.
  • the minimum value of the amplitude signal changes.
  • the minimum point changes due to a change in the Q value of the transducer 21.
  • the state determination unit 27 determines the state of the transducer 21 based on the information regarding the minimum point of the amplitude signal.
  • the resonance frequency of the transducer 21 and the minimum value of the amplitude signal also change depending on the environmental temperature.
  • the state determination unit 27 corrects the reference value regarding the frequency and the like used for the state determination of the transducer 21 based on the signal input from the temperature detection unit 28. Such temperature compensation improves the accuracy of state determination.
  • a case of determining the state of is described.
  • the object detection device 1 determines the state of the transducer 21 by the process shown in FIG.
  • the object detection device 1 executes an object detection process by transmitting and receiving ultrasonic waves. That is, the object detection device 1 transmits an exploration wave having a predetermined frequency modulation state, receives a reflected wave from the object, and is based on a signal corresponding to the amplitude and frequency of the reflected wave generated from the received signal. The distance from the transducer 21 to the object B is calculated.
  • step S101 the voltage V between the terminals of the transducer 21 is measured by the voltage measuring unit 26 and the ambient temperature is detected by the temperature detecting unit 28 in parallel with the transmission of the exploration wave. Then, in the following step S102, the voltage measuring unit 26 extracts the amplitude signal from the waveform of the voltage V between the terminals and outputs it to the state determination unit 27.
  • step S103 the state determination unit 27 determines whether or not the amplitude signal input from the voltage measurement unit 26 has a minimum value. If it is determined in step S103 that there is no minimum value, the state determination unit 27 turns on the abnormality flag indicating that an abnormality has occurred in the transducer 21 in step S104. This abnormality flag is used to deal with the abnormality of the transducer 21, and the state determination unit 27 outputs the information of the abnormality flag to the control unit 3. If the amplitude signal does not have a minimum value, there is a possibility that the parallel resonant circuit RCp has failed. Therefore, in step S104, an abnormality occurs in any of the transducer 21, the transmitting circuit 22, and the receiving circuit 23. You may turn on the anomaly flag that indicates that it is.
  • the resonance frequency of the transducer 21 may have deviated from the frequency band of the probe wave. Therefore, in this case, the object detection device 1 changes the frequency modulation range of the exploration wave, transmits the exploration wave again, and searches for the resonance frequency, that is, the frequency corresponding to the minimum point of the amplitude signal.
  • step S105 the state determination unit 27 transmits a signal instructing the drive signal generation unit 24 to change the frequency modulation range, and the drive signal generation unit 24 changes the frequency modulation range. Generate a drive signal.
  • step S105 the frequency modulation range of the probe wave is expanded. Alternatively, the frequency modulation range shifts to the high frequency side or the low frequency side. Alternatively, both the frequency modulation range is expanded and shifted.
  • step S101 the exploration wave is transmitted in the changed frequency modulation range.
  • step S106 the state determination unit 27 determines whether or not the difference between the frequency fmin of the exploration wave and the center frequency fc when the amplitude signal takes a minimum value is less than a predetermined threshold value. When it is determined that the frequency difference is less than the threshold value, the object detection device 1 ends the process.
  • the frequency modulation range of the exploration wave is changed based on the frequency of the exploration wave corresponding to the minimum point of the amplitude signal. That is, when the difference between the center frequency fc and the frequency fmin is large, it is determined that an abnormality has occurred in the transducer 21. Then, the frequency modulation range is changed so that the value of the center frequency fc becomes the frequency fmin, that is, the value of the actual resonance frequency different from the design value of the transducer 21.
  • the object detection device 1 determines the state of the transducer 21, and sets the drive frequency according to the state of the transducer 21.
  • steps S201 to S205 as in steps S101 to S105 of the process shown in FIG. 4, transmission / reception of exploration waves and voltage measurement of the transducer 21 are performed, and if there is no minimum value in the amplitude signal, the frequency modulation range is set. Change and send the exploration wave again. Then, when the amplitude signal has a minimum value, the process proceeds to step S206, the frequency difference and the threshold value are compared in the same manner as in step S106, and it is determined that the frequency difference is less than the threshold value.
  • the object detection device 1 ends the process.
  • step S206 If it is determined in step S206 that the frequency difference is equal to or greater than the threshold value, the process proceeds to step S207.
  • step S207 the state determination unit 27 determines whether or not the difference between the frequency fmin and the normal center frequency fc0 is less than a predetermined threshold value, with the center frequency of the normal modulation range as fc0.
  • the center frequency fc0 is, for example, the normal resonance frequency f0 of the transducer 21.
  • the waveform of the inter-terminal voltage V during transmission of the exploration wave including the frequency modulation signal changes depending on the state of the transducer 21, and the transducer is based on the inter-terminal voltage V.
  • the state of 21 is determined. As described above, the influence of the characteristics of the transmission circuit 22 and the reception circuit 23 on the voltage V between terminals can be reduced, whereby the state of the transducer 21 can be determined with high accuracy.
  • the modulation range is expanded or shifted to perform frequency sweeping, and the amplitude signal is minimized. Find a point. Then, by changing the modulation range so that the frequency of the exploration wave when the amplitude signal takes a minimum value becomes the center frequency, it is possible to suppress the deterioration of the object detection performance due to the change in the characteristics of the transducer 21.
  • the voltage V between terminals can be measured in parallel with the transmission of the exploration wave, and the state of the transducer 21 can be determined.
  • the state determination unit 27 of the present embodiment converts the amplitude signal so as to exclude the frequency characteristics of the transmission circuit 22 and the reception circuit 23, and determines the state based on the converted amplitude signal. Specifically, the state determination unit 27 converts the amplitude signal of the voltage V between terminals into the impedance of the transducer 21, and determines the state based on this impedance. Let the impedance of the transducer 21 be Zs.
  • the state determination unit 27 determines the state based on the relationship between the frequency of the probe wave and the amplitude of the voltage V between the terminals. Specifically, a transmission signal indicating the relationship between time and the frequency of the exploration wave is input to the state determination unit 27. Then, the state determination unit 27 generates a signal showing the relationship between the frequency and the amplitude from the amplitude signal showing the relationship between the time and the voltage V between the terminals and the transmission signal, and calculates the impedance Zs from this signal.
  • the object detection device 1 executes the process shown in FIG. First, in step S301, the object detection device 1 executes transmission / reception of ultrasonic waves, measurement of the voltage V between terminals, and detection of the environmental temperature in the same manner as in step S101 of FIG. Then, in the following step S302, the voltage measuring unit 26 extracts the amplitude signal from the waveform of the voltage V between the terminals and outputs it to the state determination unit 27.
  • step S303 the state determination unit 27 calculates the impedance Zs from the amplitude signal.
  • the impedance Zs that is, the impedance of the series resonant circuit RCs is expressed by the following equation.
  • the impedance Zs can be calculated by excluding the influence of the parallel resonant circuit RCp from the combined impedance including the parallel resonant circuit RCp. Then, the impedance Zs can be obtained from the voltage V between the terminals by controlling the current supplied to the primary side of the transformer so that the output power W of the inductance LT on the secondary side of the transformer is constant or substantially constant.
  • the state determination unit 27 converts the amplitude signal into impedance Zs based on the environmental temperature so as to exclude the frequency characteristics of the transmission circuit 22 and the reception circuit 23. That is, when calculating the impedance Zs, the state determination unit 27 corrects the frequency characteristics of the parallel resonant circuit RCp based on the environmental temperature measured in step S301. By using the value corrected in this way, the impedance Zs can be calculated by excluding the influence of the characteristics of the capacitance C2, the capacitor C3, and the inductance LT included in the amplitude signal. Such temperature compensation improves the accuracy of state determination.
  • step S304 the state determination unit 27 determines whether or not the impedance Zs has a minimum value.
  • steps S305 and S306 the abnormality flag of the transducer 21 is turned on and the frequency modulation range of the probe wave is changed, as in steps S104 and S105 of FIG. The process proceeds to step S301.
  • the frequency at which the impedance Zs takes a minimum value is fmin.
  • the frequency modulation range is changed, and the frequency fmin is searched. Further, even when the difference between the frequency fmin and the center frequency fc is large, it is determined that the transducer 21 has an abnormality. Then, the frequency modulation range is changed so that the value of the center frequency fc becomes the frequency fmin, that is, the value of the actual resonance frequency different from the design value of the transducer 21.
  • the impedance Zs has a minimum value, and the difference between the frequency fmin and the center frequency fc becomes small.
  • the object detection device 1 repeats the process of determining the state of the transducer 21 and setting the drive frequency according to the state of the transducer 21, as in the first embodiment.
  • step S203 before the step corresponding to step S203 in FIG. 5, transmission / reception of exploration waves, extraction of amplitude signals, and calculation of impedance Zs are performed in the same manner as in steps S301 to S303. Then, in the step corresponding to step S203, it is determined whether or not the impedance Zs has a minimum value, as in step S304.
  • the same processing as in steps S305 and S306 is performed, and if it is determined that there is a minimum value, the frequency fmin and the center frequency fc are compared in the same manner as in step S307. .. When it is determined that the difference between the frequency fmin and the center frequency fc is less than the threshold value, the object detection device 1 ends the process.
  • the frequency fmin and the normal center frequency fc0 are compared in the same manner as in step S207 of FIG.
  • the frequency characteristic of the impedance Zs changes and the difference between the frequency fmin and the center frequency fc becomes large, so that the state can be determined based on the impedance Zs.
  • the state of the transducer 21 is determined in this way, the same effect as in the first embodiment can be obtained.
  • the state of the transducer 21 is determined based on the comparison between the frequency fmin and the center frequencies fc and fc0 as the reference frequencies, but the minimum value of the amplitude signal and the predetermined reference amplitude are compared.
  • the state may be determined based on. Also in this case, the state determination accuracy is improved by correcting the reference amplitude based on the ambient temperature. Further, the state may be determined based on both the frequency comparison and the amplitude comparison. Further, the state may be determined based on the waveform shape near the minimum point of the amplitude signal.
  • the output power of the inductance LT is set to be constant or substantially constant in the circuit shown in FIG. 2, but by another method, the waveform correlated with the characteristics of the transducer 21 is converted into the voltage signal of the transducer 21. It may appear.
  • the object detection device 1 is not limited to the vehicle-mounted device, that is, the device mounted on the vehicle. That is, for example, the object detection device 1 may be mounted on a ship or an air vehicle.
  • Each of the above functional configurations and methods may be implemented by a dedicated computer provided by configuring a processor and memory programmed to perform one or more functions embodied by a computer program. .. Alternatively, each of the above functional configurations and methods may be implemented by a dedicated computer provided by configuring the processor with one or more dedicated hardware logic circuits. Alternatively, each of the above functional configurations and methods comprises a combination of a processor and memory programmed to perform one or more functions and a processor configured by one or more hardware logic circuits. It may be realized by one or more dedicated computers. Further, the computer program may be stored in a computer-readable non-transitional tangible recording medium as an instruction executed by the computer.

Landscapes

  • Engineering & Computer Science (AREA)
  • Radar, Positioning & Navigation (AREA)
  • Remote Sensing (AREA)
  • Physics & Mathematics (AREA)
  • Computer Networks & Wireless Communication (AREA)
  • General Physics & Mathematics (AREA)
  • Acoustics & Sound (AREA)
  • Measurement Of Velocity Or Position Using Acoustic Or Ultrasonic Waves (AREA)
  • Geophysics And Detection Of Objects (AREA)
PCT/JP2021/024162 2020-07-10 2021-06-25 物体検知装置 Ceased WO2022009706A1 (ja)

Priority Applications (2)

Application Number Priority Date Filing Date Title
DE112021003712.9T DE112021003712T5 (de) 2020-07-10 2021-06-25 Objekterfassungsvorrichtung
US18/004,642 US12504525B2 (en) 2020-07-10 2021-06-25 Object detection device

Applications Claiming Priority (2)

Application Number Priority Date Filing Date Title
JP2020-119424 2020-07-10
JP2020119424A JP7354951B2 (ja) 2020-07-10 2020-07-10 物体検知装置

Publications (1)

Publication Number Publication Date
WO2022009706A1 true WO2022009706A1 (ja) 2022-01-13

Family

ID=79553094

Family Applications (1)

Application Number Title Priority Date Filing Date
PCT/JP2021/024162 Ceased WO2022009706A1 (ja) 2020-07-10 2021-06-25 物体検知装置

Country Status (4)

Country Link
US (1) US12504525B2 (enExample)
JP (1) JP7354951B2 (enExample)
DE (1) DE112021003712T5 (enExample)
WO (1) WO2022009706A1 (enExample)

Families Citing this family (1)

* Cited by examiner, † Cited by third party
Publication number Priority date Publication date Assignee Title
US20250110225A1 (en) * 2023-09-28 2025-04-03 Robert Bosch Gmbh Ice blockage detection and mitigation for ultrasonic sensors

Citations (5)

* Cited by examiner, † Cited by third party
Publication number Priority date Publication date Assignee Title
JPS5675686A (en) * 1979-11-26 1981-06-22 Kureha Chem Ind Co Ltd Ultrasonic video device
JPH04291188A (ja) * 1991-03-20 1992-10-15 Fujitsu Ltd Fm−cwレーダ
WO2018139192A1 (ja) * 2017-01-25 2018-08-02 株式会社村田製作所 超音波装置
US20190079173A1 (en) * 2017-09-12 2019-03-14 Semiconductor Components Industries, Llc Response-based determination of piezoelectric transducer state
JP2020509378A (ja) * 2017-03-09 2020-03-26 ヴァレオ・シャルター・ウント・ゼンゾーレン・ゲーエムベーハー 超音波センサの機能状態を超音波センサの伝達関数により決定する方法、超音波センサ装置、及び自動車両

Family Cites Families (15)

* Cited by examiner, † Cited by third party
Publication number Priority date Publication date Assignee Title
US4169255A (en) * 1974-04-01 1979-09-25 The Boeing Company Automatic noise suppression system for acoustic height sensor
DE2726981C2 (de) * 1977-06-15 1984-11-22 Fried. Krupp Gmbh, 4300 Essen Vorrichtung zur Zeitmessung zwischen Impulsen
US5804008A (en) * 1994-08-31 1998-09-08 E. I. Du Pont De Nemours And Company Method and apparatus for making a tuftstring carpet
JP4267161B2 (ja) 2000-02-04 2009-05-27 株式会社日本自動車部品総合研究所 超音波ソナー
JP2006521536A (ja) * 2002-11-26 2006-09-21 ジェームス エフ. マンロ 高精度の距離測定装置およびその方法
ITMO20040244A1 (it) * 2004-09-24 2004-12-24 Meta System Spa 'sistema e metodo di rilevamento degli ostacoli in particolare per sistemi di agevolazioni del parcheggio di veicoli'.
DE102005013589A1 (de) * 2005-03-24 2006-09-28 Robert Bosch Gmbh Verfahren zur Funktionsüberprüfung eines Ultraschallsensors
JP4934354B2 (ja) * 2006-06-12 2012-05-16 株式会社山武 差圧測定システム及び差圧測定方法
EP2230027B1 (fr) 2009-03-16 2012-08-08 Tip Top Tips Sàrl Générateur pour transducteur piézoélectrique
US8699299B2 (en) * 2010-04-26 2014-04-15 Semiconductor Components Industries, Llc Self-tuning acoustic measurement system
US10967298B2 (en) * 2012-03-15 2021-04-06 Flodesign Sonics, Inc. Driver and control for variable impedence load
US10585178B2 (en) * 2015-10-21 2020-03-10 Semiconductor Componenents Industries, Llc Piezo transducer controller and method having adaptively-tuned linear damping
CN110214453B (zh) * 2017-01-25 2020-12-25 株式会社村田制作所 超声波装置
US11194028B2 (en) * 2017-09-12 2021-12-07 Semiconductor Components Industries, Llc Measuring resonance parameters of piezoelectric transducers
JP2020119424A (ja) 2019-01-28 2020-08-06 シャープ株式会社 情報処理装置、情報処理システム、情報処理方法およびプログラム

Patent Citations (5)

* Cited by examiner, † Cited by third party
Publication number Priority date Publication date Assignee Title
JPS5675686A (en) * 1979-11-26 1981-06-22 Kureha Chem Ind Co Ltd Ultrasonic video device
JPH04291188A (ja) * 1991-03-20 1992-10-15 Fujitsu Ltd Fm−cwレーダ
WO2018139192A1 (ja) * 2017-01-25 2018-08-02 株式会社村田製作所 超音波装置
JP2020509378A (ja) * 2017-03-09 2020-03-26 ヴァレオ・シャルター・ウント・ゼンゾーレン・ゲーエムベーハー 超音波センサの機能状態を超音波センサの伝達関数により決定する方法、超音波センサ装置、及び自動車両
US20190079173A1 (en) * 2017-09-12 2019-03-14 Semiconductor Components Industries, Llc Response-based determination of piezoelectric transducer state

Also Published As

Publication number Publication date
JP2022016127A (ja) 2022-01-21
US20230243945A1 (en) 2023-08-03
DE112021003712T5 (de) 2023-04-27
US12504525B2 (en) 2025-12-23
JP7354951B2 (ja) 2023-10-03

Similar Documents

Publication Publication Date Title
US11555922B2 (en) Object detection device
US8833167B2 (en) Sensor device and method for operating a sensor device
US12248106B2 (en) Method for determining a functional status of an ultrasonic sensor by means of a transfer function of the ultrasonic sensor, ultrasonic sensor device and motor vehicle
US12442905B2 (en) Object detection device
WO2022009706A1 (ja) 物体検知装置
WO2020071105A1 (ja) 物体検知装置
US12386065B2 (en) Object detection device
CN114868035B (zh) 物体检测装置、物体检测方法、以及物体检测程序
US11977151B2 (en) Object detecting device, object detecting method, and object detecting program
JP2021143834A (ja) 超音波センサ
CN115367363A (zh) 智能物流仓储车
JP2023176726A (ja) 物体検知装置
CN114868034B (zh) 物体探测装置、物体探测方法以及物体探测程序产品
JP2024071279A (ja) 物体検知装置
KR20190048137A (ko) 초음파 처리 장치 및 방법
JP2024072368A (ja) 駆動装置、超音波センサ、及び車両

Legal Events

Date Code Title Description
121 Ep: the epo has been informed by wipo that ep was designated in this application

Ref document number: 21838269

Country of ref document: EP

Kind code of ref document: A1

122 Ep: pct application non-entry in european phase

Ref document number: 21838269

Country of ref document: EP

Kind code of ref document: A1