WO2014002152A1 - 現像部材、プロセスカートリッジおよび電子写真装置 - Google Patents

現像部材、プロセスカートリッジおよび電子写真装置 Download PDF

Info

Publication number
WO2014002152A1
WO2014002152A1 PCT/JP2012/006682 JP2012006682W WO2014002152A1 WO 2014002152 A1 WO2014002152 A1 WO 2014002152A1 JP 2012006682 W JP2012006682 W JP 2012006682W WO 2014002152 A1 WO2014002152 A1 WO 2014002152A1
Authority
WO
WIPO (PCT)
Prior art keywords
structural formula
resin
developing member
structure represented
surface layer
Prior art date
Legal status (The legal status is an assumption and is not a legal conclusion. Google has not performed a legal analysis and makes no representation as to the accuracy of the status listed.)
Ceased
Application number
PCT/JP2012/006682
Other languages
English (en)
French (fr)
Japanese (ja)
Inventor
真樹 山田
小柳 崇
河村 邦正
中村 実
櫻井 有治
聖平 漆原
Current Assignee (The listed assignees may be inaccurate. Google has not performed a legal analysis and makes no representation or warranty as to the accuracy of the list.)
Canon Inc
Original Assignee
Canon Inc
Priority date (The priority date is an assumption and is not a legal conclusion. Google has not performed a legal analysis and makes no representation as to the accuracy of the date listed.)
Filing date
Publication date
Application filed by Canon Inc filed Critical Canon Inc
Priority to KR1020157001336A priority Critical patent/KR101626735B1/ko
Priority to CN201280074327.2A priority patent/CN104412170B/zh
Priority to EP12880251.9A priority patent/EP2869129B1/en
Priority to US14/075,393 priority patent/US8798508B2/en
Publication of WO2014002152A1 publication Critical patent/WO2014002152A1/ja
Anticipated expiration legal-status Critical
Ceased legal-status Critical Current

Links

Images

Classifications

    • GPHYSICS
    • G03PHOTOGRAPHY; CINEMATOGRAPHY; ANALOGOUS TECHNIQUES USING WAVES OTHER THAN OPTICAL WAVES; ELECTROGRAPHY; HOLOGRAPHY
    • G03GELECTROGRAPHY; ELECTROPHOTOGRAPHY; MAGNETOGRAPHY
    • G03G15/00Apparatus for electrographic processes using a charge pattern
    • G03G15/06Apparatus for electrographic processes using a charge pattern for developing
    • G03G15/08Apparatus for electrographic processes using a charge pattern for developing using a solid developer, e.g. powder developer
    • G03G15/0806Apparatus for electrographic processes using a charge pattern for developing using a solid developer, e.g. powder developer on a donor element, e.g. belt, roller
    • G03G15/0818Apparatus for electrographic processes using a charge pattern for developing using a solid developer, e.g. powder developer on a donor element, e.g. belt, roller characterised by the structure of the donor member, e.g. surface properties
    • GPHYSICS
    • G03PHOTOGRAPHY; CINEMATOGRAPHY; ANALOGOUS TECHNIQUES USING WAVES OTHER THAN OPTICAL WAVES; ELECTROGRAPHY; HOLOGRAPHY
    • G03GELECTROGRAPHY; ELECTROPHOTOGRAPHY; MAGNETOGRAPHY
    • G03G5/00Recording members for original recording by exposure, e.g. to light, to heat, to electrons; Manufacture thereof; Selection of materials therefor
    • G03G5/14Inert intermediate or cover layers for charge-receiving layers
    • G03G5/147Cover layers
    • G03G5/14708Cover layers comprising organic material
    • CCHEMISTRY; METALLURGY
    • C08ORGANIC MACROMOLECULAR COMPOUNDS; THEIR PREPARATION OR CHEMICAL WORKING-UP; COMPOSITIONS BASED THEREON
    • C08GMACROMOLECULAR COMPOUNDS OBTAINED OTHERWISE THAN BY REACTIONS ONLY INVOLVING UNSATURATED CARBON-TO-CARBON BONDS
    • C08G18/00Polymeric products of isocyanates or isothiocyanates
    • C08G18/06Polymeric products of isocyanates or isothiocyanates with compounds having active hydrogen
    • C08G18/08Processes
    • C08G18/10Prepolymer processes involving reaction of isocyanates or isothiocyanates with compounds having active hydrogen in a first reaction step
    • CCHEMISTRY; METALLURGY
    • C08ORGANIC MACROMOLECULAR COMPOUNDS; THEIR PREPARATION OR CHEMICAL WORKING-UP; COMPOSITIONS BASED THEREON
    • C08GMACROMOLECULAR COMPOUNDS OBTAINED OTHERWISE THAN BY REACTIONS ONLY INVOLVING UNSATURATED CARBON-TO-CARBON BONDS
    • C08G18/00Polymeric products of isocyanates or isothiocyanates
    • C08G18/06Polymeric products of isocyanates or isothiocyanates with compounds having active hydrogen
    • C08G18/28Polymeric products of isocyanates or isothiocyanates with compounds having active hydrogen characterised by the compounds used containing active hydrogen
    • C08G18/40High-molecular-weight compounds
    • C08G18/48Polyethers
    • C08G18/4825Polyethers containing two hydroxy groups
    • CCHEMISTRY; METALLURGY
    • C08ORGANIC MACROMOLECULAR COMPOUNDS; THEIR PREPARATION OR CHEMICAL WORKING-UP; COMPOSITIONS BASED THEREON
    • C08GMACROMOLECULAR COMPOUNDS OBTAINED OTHERWISE THAN BY REACTIONS ONLY INVOLVING UNSATURATED CARBON-TO-CARBON BONDS
    • C08G18/00Polymeric products of isocyanates or isothiocyanates
    • C08G18/06Polymeric products of isocyanates or isothiocyanates with compounds having active hydrogen
    • C08G18/28Polymeric products of isocyanates or isothiocyanates with compounds having active hydrogen characterised by the compounds used containing active hydrogen
    • C08G18/40High-molecular-weight compounds
    • C08G18/48Polyethers
    • C08G18/4854Polyethers containing oxyalkylene groups having four carbon atoms in the alkylene group
    • CCHEMISTRY; METALLURGY
    • C08ORGANIC MACROMOLECULAR COMPOUNDS; THEIR PREPARATION OR CHEMICAL WORKING-UP; COMPOSITIONS BASED THEREON
    • C08GMACROMOLECULAR COMPOUNDS OBTAINED OTHERWISE THAN BY REACTIONS ONLY INVOLVING UNSATURATED CARBON-TO-CARBON BONDS
    • C08G18/00Polymeric products of isocyanates or isothiocyanates
    • C08G18/06Polymeric products of isocyanates or isothiocyanates with compounds having active hydrogen
    • C08G18/70Polymeric products of isocyanates or isothiocyanates with compounds having active hydrogen characterised by the isocyanates or isothiocyanates used
    • C08G18/72Polyisocyanates or polyisothiocyanates
    • C08G18/74Polyisocyanates or polyisothiocyanates cyclic
    • C08G18/76Polyisocyanates or polyisothiocyanates cyclic aromatic
    • C08G18/7614Polyisocyanates or polyisothiocyanates cyclic aromatic containing only one aromatic ring
    • C08G18/7621Polyisocyanates or polyisothiocyanates cyclic aromatic containing only one aromatic ring being toluene diisocyanate including isomer mixtures
    • CCHEMISTRY; METALLURGY
    • C08ORGANIC MACROMOLECULAR COMPOUNDS; THEIR PREPARATION OR CHEMICAL WORKING-UP; COMPOSITIONS BASED THEREON
    • C08GMACROMOLECULAR COMPOUNDS OBTAINED OTHERWISE THAN BY REACTIONS ONLY INVOLVING UNSATURATED CARBON-TO-CARBON BONDS
    • C08G18/00Polymeric products of isocyanates or isothiocyanates
    • C08G18/06Polymeric products of isocyanates or isothiocyanates with compounds having active hydrogen
    • C08G18/70Polymeric products of isocyanates or isothiocyanates with compounds having active hydrogen characterised by the isocyanates or isothiocyanates used
    • C08G18/72Polyisocyanates or polyisothiocyanates
    • C08G18/74Polyisocyanates or polyisothiocyanates cyclic
    • C08G18/76Polyisocyanates or polyisothiocyanates cyclic aromatic
    • C08G18/7657Polyisocyanates or polyisothiocyanates cyclic aromatic containing two or more aromatic rings
    • C08G18/7664Polyisocyanates or polyisothiocyanates cyclic aromatic containing two or more aromatic rings containing alkylene polyphenyl groups
    • CCHEMISTRY; METALLURGY
    • C08ORGANIC MACROMOLECULAR COMPOUNDS; THEIR PREPARATION OR CHEMICAL WORKING-UP; COMPOSITIONS BASED THEREON
    • C08GMACROMOLECULAR COMPOUNDS OBTAINED OTHERWISE THAN BY REACTIONS ONLY INVOLVING UNSATURATED CARBON-TO-CARBON BONDS
    • C08G18/00Polymeric products of isocyanates or isothiocyanates
    • C08G18/06Polymeric products of isocyanates or isothiocyanates with compounds having active hydrogen
    • C08G18/70Polymeric products of isocyanates or isothiocyanates with compounds having active hydrogen characterised by the isocyanates or isothiocyanates used
    • C08G18/72Polyisocyanates or polyisothiocyanates
    • C08G18/74Polyisocyanates or polyisothiocyanates cyclic
    • C08G18/76Polyisocyanates or polyisothiocyanates cyclic aromatic
    • C08G18/7657Polyisocyanates or polyisothiocyanates cyclic aromatic containing two or more aromatic rings
    • C08G18/7664Polyisocyanates or polyisothiocyanates cyclic aromatic containing two or more aromatic rings containing alkylene polyphenyl groups
    • C08G18/7671Polyisocyanates or polyisothiocyanates cyclic aromatic containing two or more aromatic rings containing alkylene polyphenyl groups containing only one alkylene bisphenyl group
    • CCHEMISTRY; METALLURGY
    • C09DYES; PAINTS; POLISHES; NATURAL RESINS; ADHESIVES; COMPOSITIONS NOT OTHERWISE PROVIDED FOR; APPLICATIONS OF MATERIALS NOT OTHERWISE PROVIDED FOR
    • C09DCOATING COMPOSITIONS, e.g. PAINTS, VARNISHES OR LACQUERS; FILLING PASTES; CHEMICAL PAINT OR INK REMOVERS; INKS; CORRECTING FLUIDS; WOODSTAINS; PASTES OR SOLIDS FOR COLOURING OR PRINTING; USE OF MATERIALS THEREFOR
    • C09D175/00Coating compositions based on polyureas or polyurethanes; Coating compositions based on derivatives of such polymers
    • C09D175/04Polyurethanes
    • CCHEMISTRY; METALLURGY
    • C09DYES; PAINTS; POLISHES; NATURAL RESINS; ADHESIVES; COMPOSITIONS NOT OTHERWISE PROVIDED FOR; APPLICATIONS OF MATERIALS NOT OTHERWISE PROVIDED FOR
    • C09DCOATING COMPOSITIONS, e.g. PAINTS, VARNISHES OR LACQUERS; FILLING PASTES; CHEMICAL PAINT OR INK REMOVERS; INKS; CORRECTING FLUIDS; WOODSTAINS; PASTES OR SOLIDS FOR COLOURING OR PRINTING; USE OF MATERIALS THEREFOR
    • C09D175/00Coating compositions based on polyureas or polyurethanes; Coating compositions based on derivatives of such polymers
    • C09D175/04Polyurethanes
    • C09D175/08Polyurethanes from polyethers
    • GPHYSICS
    • G03PHOTOGRAPHY; CINEMATOGRAPHY; ANALOGOUS TECHNIQUES USING WAVES OTHER THAN OPTICAL WAVES; ELECTROGRAPHY; HOLOGRAPHY
    • G03GELECTROGRAPHY; ELECTROPHOTOGRAPHY; MAGNETOGRAPHY
    • G03G15/00Apparatus for electrographic processes using a charge pattern
    • G03G15/75Details relating to xerographic drum, band or plate, e.g. replacing, testing
    • G03G15/751Details relating to xerographic drum, band or plate, e.g. replacing, testing relating to drum
    • YGENERAL TAGGING OF NEW TECHNOLOGICAL DEVELOPMENTS; GENERAL TAGGING OF CROSS-SECTIONAL TECHNOLOGIES SPANNING OVER SEVERAL SECTIONS OF THE IPC; TECHNICAL SUBJECTS COVERED BY FORMER USPC CROSS-REFERENCE ART COLLECTIONS [XRACs] AND DIGESTS
    • Y10TECHNICAL SUBJECTS COVERED BY FORMER USPC
    • Y10TTECHNICAL SUBJECTS COVERED BY FORMER US CLASSIFICATION
    • Y10T428/00Stock material or miscellaneous articles
    • Y10T428/31504Composite [nonstructural laminate]
    • Y10T428/31551Of polyamidoester [polyurethane, polyisocyanate, polycarbamate, etc.]
    • YGENERAL TAGGING OF NEW TECHNOLOGICAL DEVELOPMENTS; GENERAL TAGGING OF CROSS-SECTIONAL TECHNOLOGIES SPANNING OVER SEVERAL SECTIONS OF THE IPC; TECHNICAL SUBJECTS COVERED BY FORMER USPC CROSS-REFERENCE ART COLLECTIONS [XRACs] AND DIGESTS
    • Y10TECHNICAL SUBJECTS COVERED BY FORMER USPC
    • Y10TTECHNICAL SUBJECTS COVERED BY FORMER US CLASSIFICATION
    • Y10T428/00Stock material or miscellaneous articles
    • Y10T428/31504Composite [nonstructural laminate]
    • Y10T428/31855Of addition polymer from unsaturated monomers

Definitions

  • the present invention relates to a developing member used in contact with or in close proximity to a photoreceptor, which is incorporated in an apparatus employing an electrophotographic system such as a copying machine, a printer, or a facsimile receiving apparatus.
  • the present invention also relates to a process cartridge and an electrophotographic apparatus.
  • the photosensitive member is charged by charging means, and an electrostatic latent image is formed by a laser.
  • the toner in the developing container is applied onto the developing member by the toner supply roller and the toner regulating member, and development with the toner is performed at or near the contact portion between the photosensitive member and the developing member.
  • the toner on the photoconductor is transferred onto a recording sheet by a transfer unit and fixed by heat and pressure, and the toner remaining on the photoconductor is removed by a cleaning blade.
  • an elastic member having an electric resistance of 10 3 to 10 10 ⁇ ⁇ cm is used for charging a photoreceptor or developing an electrostatic latent image.
  • toner is moved from the developing members that are in pressure contact with each other to the electrophotographic photosensitive member (drum) to develop the electrostatic latent image, and a toner image is formed.
  • the surface layer contains a urethane resin capable of imparting excellent wear resistance and chargeability to the toner.
  • an improved formulation for the surface layer has been proposed in order to further increase the functionality of the charging member.
  • Patent Document 1 discloses that an acrylic resin is contained in a urethane resin to improve wear resistance and slidability.
  • Patent Document 2 discloses that an acrylic resin having predetermined physical properties is contained in a polyether urethane resin to suppress toner adhesion in a high temperature and high humidity environment.
  • the electrophotographic apparatus since the electrophotographic apparatus has been used all over the world, it is required to stably output high-quality electrophotographic images over a long period of time even in various environments.
  • the developing member be one in which toner adheres to the surface, that is, filming hardly occurs even in a low-temperature and low-humidity environment (for example, an air temperature of 15 ° C. and a relative humidity of 10%).
  • the surface layer has an appropriate conductivity and does not cause a leak even when a high voltage (for example, about DC 500 V) is applied, and has an excellent leak resistance. It is necessary to have.
  • a leak from the surface layer occurs, an energization breakdown trace occurs in the surface layer, and horizontal streak-like density unevenness due to the occurrence of the leak can occur in the electrophotographic image.
  • an electronic conductive filler represented by carbon black is dispersed in the binder resin in the surface layer, the dispersion of the electronic conductive filler into the binder resin is not good. If it is sufficient, an agglomerated portion of the electron conductive filler is generated in the surface layer, and a leak may occur in the agglomerated portion.
  • An object of the present invention is to provide a developing member that hardly causes filming even in a low-temperature and low-humidity environment and has excellent leak resistance.
  • Another object of the present invention is to provide an electrophotographic apparatus capable of stably outputting a high-quality electrophotographic image and a process cartridge used therefor.
  • the inventors of the present invention have made extensive studies to achieve the above object. As a result, the inventors have found that the above object can be achieved well by including two kinds of resins having a specific structure and an electronically conductive filler in the surface layer, and have reached the present invention. That is, according to the present invention, it has a conductive substrate, an elastic layer formed on the substrate, and a surface layer covering the surface of the elastic layer.
  • the second resin has a structure represented by the following structural formula (4), one or both structures selected from the structure represented by the following structural formula (5) and the structure represented by the following structural formula (6).
  • a developing member is provided.
  • R 1 represents a hydrogen atom or a methyl group
  • R 2 represents a linear or branched alkyl group having 1 to 4 carbon atoms.
  • R 3 represents a hydrogen atom or a linear or branched alkyl group having 1 to 4 carbon atoms.
  • R 4 is a hydrogen atom or a methyl group
  • R 5 is an alkylene group having 1 to 4 carbon atoms
  • R 6 is a hydrogen atom or a linear or branched alkyl group having 1 to 4 carbon atoms.
  • a process cartridge having a developing member attached thereto and detachable from an electrophotographic apparatus, wherein the developing member is the above developing member.
  • a developing member that bears toner in a state of being opposed to the photosensitive member that bears the latent image, and the developing member applies the toner to the photosensitive member to visualize the latent image.
  • an electrophotographic apparatus is provided in which the developing member is the above-described developing member.
  • the film is flexible and excellent in filming resistance, and has high conductivity and leak resistance.
  • An excellent high-quality developing member can be obtained.
  • a process cartridge and an electrophotographic apparatus that contribute to stable provision of high-quality electrophotographic images can be obtained.
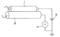
  • a roller-shaped developing member (hereinafter also referred to as “developing roller”) 1 has an elastic layer 3 formed on a columnar or hollow cylindrical conductive substrate 2 as shown in FIG.
  • the surface of the elastic layer 3 is composed of a conductive member covered with the surface layer 4.
  • the conductive substrate 2 functions as an electrode and a support member for the developing roller 1.
  • Specific examples of materials include metals or alloys such as aluminum, copper alloys, and stainless steel; iron plated with chromium or nickel; synthetic resins having conductivity, and the like.
  • the elastic layer 3 has such hardness and elasticity that it is pressed against the photoconductor with an appropriate nip width and nip pressure so that the toner can be supplied to the electrostatic latent image formed on the photoconductor surface without excess or deficiency.
  • the elastic layer 3 is usually formed from a molded body of a rubber material. Examples of the rubber material include the following.
  • Ethylene-propylene-diene copolymer rubber EPDM
  • acrylonitrile-butadiene rubber NBR
  • chloroprene rubber CR
  • natural rubber NR
  • isoprene rubber IR
  • styrene-butadiene rubber SBR
  • fluorine rubber Silicone rubber, epichlorohydrin rubber, hydride of NBR, urethane rubber.
  • silicone rubber that does not easily cause compression set in the elastic layer even when another member (developer regulating blade or the like) abuts over a long period of time is preferable.
  • silicone rubber examples include polydimethylsiloxane, polymethyltrifluoropropylsiloxane, polymethylvinylsiloxane, polyphenylvinylsiloxane, and copolymers of these polysiloxanes.
  • the thickness of the elastic layer 3 it is preferable to be in the range of 1.5 to 5.0 mm, particularly 2.0 to 4.0 mm.
  • various additives such as a conductivity imparting agent, a non-conductive filler, a crosslinking agent, and a catalyst are appropriately blended.
  • a conductivity imparting agent carbon black; conductive metal such as aluminum and copper; fine particles of conductive metal oxide such as zinc oxide, tin oxide and titanium oxide can be used. Of these, carbon black is particularly preferred because it is relatively easy to obtain and provides good conductivity.
  • the content of carbon black in the rubber material is preferably 10 to 80 parts by mass with respect to 100 parts by mass of rubber.
  • Non-conductive fillers include silica, quartz powder, titanium oxide, zinc oxide or calcium carbonate.
  • the crosslinking agent include di-t-butyl peroxide, 2,5-dimethyl-2,5-di (t-butylperoxy) hexane, and dicumyl peroxide.
  • the surface layer according to the present invention contains two kinds of resins having a specific structure and an electronic conductive filler typified by carbon black.
  • the first resin according to the present invention has a structure represented by the following structural formula (1), a structure represented by the following structural formula (2), and a structure represented by the following structural formula (3) between two adjacent urethane bonds.
  • FIGS. 6 and 7 show part of the characteristic structure of the urethane resin according to the present invention.
  • the structure represented by the structural formula (1) and the structure represented by the structural formula (2) are sandwiched between adjacent urethane bonds A1 and A2.
  • the structure represented by the structural formula (1) and the structural formula (1) are defined by the adjacent urethane bonds B1 and B2 and the adjacent urethane bonds C1 and C2.
  • the structure shown in 2) is sandwiched.
  • p, q, m and n each independently represent a positive integer.
  • the urethane resin as the first resin described above is excellent in flexibility because it includes the polyether component represented by the structural formula (1).
  • the developing member having the surface layer containing the urethane resin according to the present invention is less likely to increase in hardness even under a low temperature environment, and stress applied to the toner is small even under a low temperature environment, and filming is unlikely to occur.
  • the structure represented by the structural formula (2) and the structure represented by the structural formula (3) are more hydrophobic than the structure represented by the structural formula (1). Therefore, the urethane resin according to the present invention has a low affinity with water, and the urethane resin can have relatively low water absorption. Furthermore, in the high temperature range, the molecular mobility in the high temperature range is suppressed due to the presence of a methyl group as a side chain in the structure represented by the structural formula (2) or the structural formula (3). Therefore, the surface of the developing roller according to the present invention is less likely to increase the adhesiveness even in a high-temperature and high-humidity environment, and the toner can be effectively prevented from sticking to the developing roller surface in a high-temperature and high-humidity environment.
  • the structure represented by the structural formula (1) and at least one selected from the structures represented by the structural formula (2) and the structural formula (3) are randomly copolymerized. Is preferred.
  • making the urethane resin according to the present invention a random copolymer and making the molar ratio of each structure within the above numerical range is more than the crystallinity of the urethane resin in the low temperature range. This is effective for further reduction and further suppression of molecular mobility at high temperatures.
  • the urethane resin according to the present invention has a characteristic that the hardness hardly increases even under a low temperature environment, one object according to the present invention is achieved, which is suppression of toner filming on the surface. This is an extremely effective material.
  • a urethane resin has a microphase separation structure of a soft segment composed of a polyol chain or the like and a hard segment composed of a urethane bond portion and having a strong cohesive force.
  • the soft segment having the structure represented by the formula (1) and the structure represented by at least one selected from the formula (2) and the formula (3) in the urethane resin according to the present invention has extremely low polarity.
  • the difference in polarity between the hard segment made of urethane bond is large. Therefore, the degree of microphase separation between the soft segment and the hard segment tends to be larger.
  • the dispersion based on the high affinity between the urethane bond portion and the surface functional group of the carbon black greatly contributes to the dispersion of the carbon black in the urethane resin.
  • the urethane resin according to the present invention as described above, it is considered that the hard segment portion is highly aggregated due to a large polarity difference between the hard segment and the soft segment. For this reason, the interaction between the hard segment and the carbon black is inhibited, and as a result, it is considered that the dispersion of the carbon black in the urethane resin is insufficient.
  • the present inventors solved the advanced phase separation state of the hard segment and the soft segment, and promoted the interaction between the urethane bond portion and the carbon black, so that the carbon black in the urethane resin according to the present invention was It was considered effective for good dispersibility. And as a resin having a portion having affinity for both the soft segment and the hard segment, the present inventors use a specific acrylic resin described later as the second resin, and the urethane resin according to the present invention in the surface layer. And coexisting with carbon black, it was found that the dispersibility of carbon black in the urethane resin can be improved.
  • the urethane resin contained in the surface layer is represented by the structure represented by the following structural formula (1), the structure represented by the following structural formula (2), and the following structural formula (3) between two adjacent urethane bonds. Having one or both structures selected from:
  • the urethane resin according to the present invention can be obtained, for example, by reacting a polyether polyol obtained by ring-opening copolymerization of tetrahydrofuran and 3-methyltetrahydrofuran with isocyanate.
  • Both structural formula (2) and structural formula (3) are structures produced when ring-opening copolymerization of 3-methyltetrahydrofuran.
  • the urethane resin according to the present invention comprises a polyether diol having at least one structure selected from the structure of the structural formula (1) and the structural formulas (2) and (3), or the polyether diol and an aromatic diisocyanate. It is preferable to obtain the resulting hydroxyl group-terminated prepolymer and the isocyanate group-terminated prepolymer obtained by reacting the polyether diol and aromatic isocyanate by thermosetting.
  • the following methods are used for the synthesis of polyurethane. That is, a one-shot method in which a polyol component and a polyisocyanate component are mixed and reacted, an isocyanate group-terminated prepolymer obtained by reacting some polyol and isocyanate, and a chain extender such as a low-molecular diol or a low-molecular triol. There is a method of reacting.
  • the polyether diol having the structure of the structural formula (1) and at least one structure selected from the structural formula (2) and the structural formula (3) is a material having low polarity. Therefore, the compatibility with a highly polar isocyanate is low, and in the urethane resin, micro phase separation is likely to occur between a portion having a high polyol ratio and a portion having a high isocyanate ratio. Unreacted components are likely to remain in the portion where the ratio of polyol is high, and the remaining unreacted polyol may ooze out and cause surface toner fixation.
  • the residual unreacted polyol can be reduced by using excessively high-polar isocyanate, but the resulting urethane resin has a high water absorption rate.
  • the reaction between isocyanates often occurs at a high ratio, resulting in a highly polar urea bond or allophanate bond.
  • a structure of the structural formula (1) and a polyether diol having at least one structure selected from the structural formulas (2) and (3) or a hydroxyl group-terminated prepolymer obtained by reacting the polyether diol with an aromatic diisocyanate The polarity difference between the polyol and the isocyanate can be reduced by thermally curing the isocyanate group-terminated prepolymer obtained by reacting the polyether diol with the aromatic isocyanate.
  • the compatibility between the polyol and the isocyanate is improved, and a polyurethane having a lower polarity can be obtained with a smaller isocyanate ratio than the conventional example. Furthermore, since it is possible to keep the unreacted polyol remaining very low, it is possible to suppress surface toner adhesion due to seepage of the unreacted polyol.
  • the number average molecular weight of the prepolymer is: 10,000 or more and 15000 or less are preferable.
  • the isocyanate content of the prepolymer is preferably in the range of 3.0% by mass to 4.0% by mass.
  • the molecular weight of the hydroxyl group-terminated prepolymer and the isocyanate content of the isocyanate group-terminated prepolymer are within this range, the resulting polyurethane has a good balance of water absorption and residual suppression of unreacted components, and the toner can be more firmly fixed. Contribute to restraint.
  • the polyurethane according to the present invention is more preferably one obtained by thermally curing the hydroxyl group-terminated prepolymer (a) below and the isocyanate group-terminated prepolymer (b) below.
  • (B) Isocyanate obtained by reacting an aromatic isocyanate with a polyether diol having a number average molecular weight of 2000 or more and 3000 or less comprising the structure of the structural formula (1) and at least one structure selected from the structural formulas (2) and (3) Base end prepolymer.
  • the polyether diol having a number average molecular weight of 2000 or more and 3000 or less is used as a raw material for the hydroxyl group-terminated prepolymer and the isocyanate group-terminated prepolymer, the water absorption of the finally obtained polyurethane can be reduced, and unreacted Residual components can be suppressed. Furthermore, since the strength and adhesiveness of the surface layer are excellent, the durability can be improved.
  • polypropylene glycol and aliphatic polyester may be contained.
  • Aliphatic polyesters include 1,4-butanediol, 3-methyl-1,5-pentanediol, diol components such as neopentyl glycol, triol components such as trimethylolpropane, adipic acid, glutaric acid, sebacic acid, etc.
  • Aliphatic polyester polyols obtained by condensation reaction with dicarboxylic acids.
  • polyol components may be prepolymers that are chain-extended with an isocyanate such as 2,4-tolylene diisocyanate (TDI), 1,4-diphenylmethane diisocyanate (MDI), or isophorone diisocyanate (IPDI) as required.
  • isocyanate such as 2,4-tolylene diisocyanate (TDI), 1,4-diphenylmethane diisocyanate (MDI), or isophorone diisocyanate (IPDI) as required.
  • TDI 2,4-tolylene diisocyanate
  • MDI 1,4-diphenylmethane diisocyanate
  • IPDI isophorone diisocyanate
  • Components other than the structure of the structural formula (1) and at least one structure selected from the structural formulas (2) and (3) have a content of 20% by mass or less in the polyurethane from the viewpoint of the effect of the present invention. It is preferable to do.
  • Isocyanate compounds to be reacted with these polyol components are not particularly limited, but aliphatic polyisocyanates such as ethylene diisocyanate, 1,6-hexamethylene diisocyanate (HDI), isophorone diisocyanate (IPDI), cyclohexane 1, 3-diisocyanates, cycloaliphatic polyisocyanates such as cyclohexane 1,4-diisocyanate, 2,4-tolylene diisocyanate, 2,6-tolylene diisocyanate (TDI), 4,4-diphenylmethane diisocyanate (MDI), polymeric diphenylmethane diisocyanate , Aromatic isocyanates such as xylylene diisocyanate and naphthalene diisocyanate, copolymers thereof, isocyanurates, and TMP adducts Biuret, it can be used the block body.
  • aliphatic polyisocyanates
  • aromatic isocyanates such as tolylene diisocyanate, diphenylmethane diisocyanate, and polymeric diphenylmethane diisocyanate are more preferably used.
  • a polyurethane obtained by reacting a structural component (1) with a polyether component having at least one structure selected from structural formulas (2) and (3) between an aromatic isocyanate and a urethane bond is flexible. In addition, it is excellent in strength and has low adhesiveness under high temperature and high humidity, which is preferable.
  • the mixing ratio of the isocyanate compound to be reacted with the polyol component is preferably such that the ratio of isocyanate groups to 1.2 to 4.0 with respect to 1.0 hydroxyl groups of the polyol.
  • the urethane resin is microscopically phase-separated into a soft segment in which the polyol component is aggregated and a hard segment in which the isocyanate component is aggregated.
  • the urethane resin according to the present invention tends to have a large polarity difference between the soft segment and the hard segment, and the degree of phase separation between the soft segment and the hard segment is larger than that of a general urethane resin. Tend to be.
  • the isocyanate component has high affinity with the surface of a conductive filler such as carbon black, it is considered that the isocyanate component interacts with the surface of the conductive filler and contributes to dispersion stability.
  • the aggregation degree of this isocyanate component is remarkably high, it is considered that the dispersibility is lowered due to difficulty in uniformly adsorbing and stabilizing the surface of the conductive filler, and the leakage resistance may be lowered.
  • the surface layer containing the first resin is provided in contact with the surface of the elastic layer containing silicone rubber, the surface layer and the elastic layer are left in a high temperature and high humidity environment for a long time. Also exhibits good adhesion.
  • the adhesion between synthetic resins depends mainly on the interaction of polar functional groups such as hydrogen bonds and acid-base interactions in addition to chemical bonds.
  • polar functional groups such as hydrogen bonds and acid-base interactions
  • silicone rubber is very low in polarity and its surface is inert. For this reason, generally, a strong interaction due to polar functional groups cannot be expected with respect to the adhesiveness between the elastic layer containing silicone rubber and the surface layer containing polyurethane resin.
  • the surface layer containing the first resin according to the present invention exhibits good adhesion to the elastic layer containing silicone rubber even in a severe high-temperature and high-humidity environment.
  • the urethane resin having the above has a very low polarity as a polyurethane by introducing a methyl group into the side chain.
  • the cured product of addition-curing dimethyl silicone rubber has a “spiral” molecular structure in which there are six siloxane (Si—O) bonds and one rotation, and the methyl group is oriented outward.
  • the surface of the silicone rubber polymer chain is substantially covered with a hydrophobic methyl group. Therefore, hydrophobicity is present between the methyl group on the surface of the silicone rubber in the elastic layer according to the present invention and the methyl group as a side chain introduced between two adjacent urethane bonds in the urethane resin in the surface layer. The attractive force acting between the molecules is acting. As a result, it is considered that the surface layer and the elastic layer according to the present invention exhibit excellent adhesion.
  • the second resin according to the present invention is: A structure represented by the following structural formula (4); An acrylic resin having a structure represented by the following structural formula (5) and one or both structures selected from the structure represented by the following structural formula (6).
  • the second resin is also simply referred to as “acrylic resin”.
  • R 1 represents a hydrogen atom or a methyl group
  • R 2 represents a linear or branched alkyl group having 1 to 4 carbon atoms
  • R 3 represents a hydrogen atom or a linear or branched alkyl group having 1 to 4 carbon atoms.
  • R 4 is a hydrogen atom or a methyl group
  • R 5 is an alkylene group having 1 to 4 carbon atoms
  • R 6 is a hydrogen atom or a linear or branched alkyl group having 1 to 4 carbon atoms.
  • Structural formula (4) contained in the acrylic resin according to the present invention is a short-chain alkyl ester of (meth) acrylic acid, and constitutes the soft segment of the first resin described above, High affinity with the polyether structures represented by (2) and (3).
  • the structural formulas (5) and (6) included in the acrylic resin according to the present invention have an aromatic ring and have an affinity for the urethane bond constituting the hard segment of the first resin. That is, the second resin has affinity for both the soft segment and the hard segment of the first resin. Therefore, it is considered that when the second resin coexists with the first resin, the tendency of phase separation between the soft segment and the hard segment of the first resin is suppressed.
  • the aggregation of the urethane bonds constituting the hard segment is released, the interaction between the urethane bonds and the electronic conductive filler is likely to occur, and the dispersibility of the electronic conductive filler in the surface layer is improved. It is done.
  • the ratio of “the number of moles of the structural formula (4): the total number of moles of the structural formula (5) and the structural formula (6)” is preferably 20:80 to 80:20. .
  • R 2 is a linear or branched alkyl group having 1 to 4 carbon atoms.
  • R2 is a linear or branched alkyl group having 1 to 4 carbon atoms, good affinity with the soft segment of the first resin is maintained.
  • R 3 in Structural Formula (5) and R 6 in Structural Formula (6) may be a straight or branched alkyl group having 1 to 4 carbon atoms in addition to a hydrogen atom.
  • R 5 in Structural Formula (6) is an alkylene group having 1 to 4 carbon atoms. Thereby, good affinity with the hard segment of the first resin is maintained.
  • the number average molecular weight of the acrylic resin is preferably 20000 or more and 100000 or less from the viewpoints of compatibility and flexibility.
  • the content of the acrylic resin is preferably 1 part by mass or more and 10 parts by mass or less with respect to 100 parts by mass of the urethane resin.
  • the urethane resin constituting the surface layer of the present invention contains an electronic conductive filler.
  • a specific example of the electronic conductive filler is carbon black.
  • Carbon black is suitable because it is inexpensive, excellent in conductivity imparting properties and reinforcing properties, and is less preferred because of less environmental fluctuations in resistance. From the viewpoint of leakage resistance, the carbon black is particularly preferably a gas black having a primary particle diameter of 17 nm or more and 20 nm or less.
  • carbon black having a large primary particle size is usually selected, but there may be a significant decrease in conductivity.
  • Gas black easily imparts a polar functional group to the surface because the source gas is burned in the air. Moreover, since the primary particle size is generally small and the distribution of the primary particle size is small, when combined with the urethane resin of the present invention, both high conductivity and leakage resistance can be achieved at a high level.
  • the DBP oil absorption of the carbon black is preferably 80 ml / 100 g or more and 160 ml / 100 g or less because the balance of conductivity, hardness and dispersibility is good.
  • the content of carbon black is preferably 10 parts by mass or more and 30 parts by mass or less with respect to 100 parts by mass of the total resin components forming the surface layer.
  • Fine particles When surface roughness is required as a developing member, fine particles for controlling the roughness may be added to the surface layer.
  • the fine particles for roughness control preferably have a volume average particle size of 3 to 20 ⁇ m.
  • the amount of particles added to the surface layer is preferably 10 to 100 parts by mass with respect to 100 parts by mass of the resin solid content of the surface layer.
  • fine particles for roughness control fine particles of urethane resin, polyester resin, polyether resin, polyamide resin, acrylic resin and phenol resin can be used.
  • Formation method of surface layer Although it does not specifically limit as a formation method of a surface layer, The spray by a coating material, immersion, or a roll coat is mentioned.
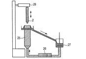
  • the dip coating is a method of overflowing the paint from the upper end of the dip tank as described in JP-A-57-5047, and is a simple and excellent production stability as a method for forming a surface layer.
  • FIG. 4 is a schematic view of a dip coating apparatus.
  • a cylindrical immersion tank 25 has an inner diameter slightly larger than the outer diameter of the developing roller and a depth larger than the axial length of the developing roller.
  • An annular liquid receiving portion is provided on the outer periphery of the upper edge of the immersion tank 25 and is connected to the stirring tank 27.
  • the bottom of the immersion tank 25 is connected to the stirring tank 27.
  • the paint in the stirring tank 27 is fed to the bottom of the immersion tank 25 by the liquid feed pump 26.
  • the paint overflows from the upper end of the immersion tank and returns to the agitation tank 27 via the liquid receiving part on the outer periphery of the upper edge of the immersion tank 25.
  • the core body provided with the elastic layer is fixed vertically to the elevating device 28, immersed in the immersion tank 25, and pulled up to form the surface layer 4.
  • the developing roller of the present invention can be applied to any one of a non-contact developing device and a contact developing device using a magnetic one-component developer or a non-magnetic one-component developer, a developing device using a two-component developer, and the like. Can do.
  • the process cartridge of the present invention is equipped with at least the developing roller of the present invention and is detachable from the main body of the electrophotographic apparatus.
  • the electrophotographic apparatus of the present invention further includes a developing roller that carries toner in a state of being opposed to the photosensitive member carrying the latent image, and the developing roller visualizes the latent image by applying toner to the photosensitive member.
  • the developing roller of the present invention is used as the developing roller.
  • the developing roller of the present invention is preferably disposed in contact with the electrophotographic photosensitive member.
  • the process cartridge and the electrophotographic apparatus of the present invention are not limited to a copying machine, a facsimile machine, or a printer as long as they have the developing roller of the present invention.
  • the developing device 10 includes a developing container that contains a non-magnetic toner 8 as a one-component toner, and a developing roller 1 that is positioned in an opening extending in the longitudinal direction in the developing container and is opposed to the photosensitive member 5.
  • the electrostatic latent image on the photoconductor 5 is developed to form a toner image.
  • the printer is provided with a photoreceptor 5 that is rotated by a rotation mechanism (not shown).
  • a charging member 12 that charges the surface of the photosensitive member 5 to a predetermined polarity and potential, and an electrostatic latent image is formed by performing image exposure on the charged surface of the photosensitive member 5.
  • the illustrated image exposure apparatus is arranged.
  • a developing device 10 having a developing roller 1 of the present invention is disposed around the photosensitive member 5 to develop the toner by attaching toner onto the formed electrostatic latent image.
  • a device 13 for cleaning the surface of the photoconductor 5 after the toner image is transferred to the paper 22 is provided.
  • a fixing device 15 for fixing the transferred toner image on the paper 22 is disposed on the conveyance path of the paper 22.
  • a SUS304 cored bar with a primer (trade name, DY35-051; manufactured by Toray Dow Corning) was prepared and baked.
  • the apparatus and conditions used for the measurement of the number average molecular weight (Mn) in this example are as follows. Measuring instrument: HLC-8120GPC (trade name, manufactured by Tosoh Corporation); Column: TSKgel SuperHZMM (trade name, manufactured by Tosoh Corporation) x 2 pieces; -Solvent: THF; -Temperature: 40 ° C; THF flow rate: 0.6 ml / min. The measurement sample was a 0.1% by mass THF solution. Further, an RI (refractive index) detector was used as a detector for measurement.
  • RI reffractive index
  • TSK standard polystyrene (trade names, A-1000, A-2500, A-5000, F-1, F-2, F-4, F-10, F-20, F- 40, F-80, F-128; manufactured by Tosoh Corporation) were used to prepare a calibration curve.
  • the number average molecular weight was determined from the retention time of the measurement sample obtained based on this.
  • Table 2 shows the isocyanate group-terminated prepolymers.
  • the surface layer 4 As a material of the surface layer 4, 100.0 parts by mass of the isocyanate group-terminated prepolymer B-1 with respect to 100.0 parts by mass of the polyol A-1, 5.3 parts by mass of the acrylic resin C-1 and a gas having a primary particle diameter of 20 nm 32.0 parts by mass of black (trade name, Color Black S-160; manufactured by Evonik Degussa Japan) was mixed with stirring. Next, it was dissolved in methyl ethyl ketone (hereinafter abbreviated as “MEK”) so as to have a total solid content ratio of 30 mass%, mixed and then uniformly dispersed by a sand mill to obtain a coating material 1 for forming a surface layer.
  • MEK methyl ethyl ketone
  • this paint was diluted with MEK so as to have a viscosity of 10 to 13 cps, and then dip-coated on the elastic layer. Then, it was dried and further heat-treated at a temperature of 150 ° C. for 1 hour to provide a surface layer having a thickness of about 20 ⁇ m on the outer periphery of the elastic layer. Thus, the developing roller of Example 1 was obtained.
  • Example 2 to 10 Surface layer forming paints 2 to 10 were obtained in the same manner as the surface layer forming paint 1 of Example 1 except that the types and amounts of the acrylic resins shown in Table 4 were used as the material of the surface layer.
  • the developing rollers of Examples 2 to 10 were obtained in the same manner as in Example 1 except that these surface layer forming paints were used.
  • Example 11 Hydroxyl-terminated urethane prepolymer A-2 10.1 parts by mass of isocyanate group-terminated prepolymer B-1 10.1 parts by mass of acrylic resin C-3, gas black having a primary particle diameter of 17 nm (commercial product) (Name: Color Black S-170; manufactured by Evonik Degussa Japan Co., Ltd.) 12.1 parts by mass was agitated and mixed to obtain surface layer forming coating material 11.
  • a developing roller of Example 11 was obtained in the same manner as Example 1 except that the surface layer forming coating material 11 was used.
  • Example 12 A surface layer forming coating material 12 was obtained in the same manner as the surface layer forming coating material 11 except that the acrylic resin was changed to C-8. A developing roller of Example 12 was obtained in the same manner as Example 1 except that the surface layer forming coating material 12 was used.
  • Example 13 Hydroxyl-terminated urethane prepolymer A-2 100.0 parts by mass, isocyanate group-terminated prepolymer B-2 20.9 parts by mass, acrylic resin C-3 10.3 parts by mass, gas black with a primary particle size of 17 nm (Name: Color Black S-170; manufactured by Evonik Degussa Japan Co., Ltd.) 12.3 parts by mass was mixed with stirring to obtain a coating material 13 for forming a surface layer. A developing roller of Example 13 was obtained in the same manner as Example 1 except that this was used.
  • Example 14 A surface layer forming paint 13 was obtained in the same manner as the surface layer forming paint 13 except that the acrylic resin was C-8. A developing roller of Example 14 was obtained in the same manner as Example 1 except that this was used.
  • Example 15 Surface layer forming coating material 15 was obtained in the same manner as surface layer forming coating material 1, except that furnace black (trade name, SUNBLACK X55; manufactured by Asahi Carbon Co., Ltd.) having a primary particle diameter of 25 nm was used as carbon black. A developing roller of Example 15 was obtained in the same manner as Example 1 except that this was used.
  • furnace black trade name, SUNBLACK X55; manufactured by Asahi Carbon Co., Ltd.
  • Example 16 Surface layer forming coating 16 was obtained in the same manner as surface layer forming coating 1 except that carbon black was used as furnace black (trade name, Printex L; manufactured by Evonik Degussa Japan) having a primary particle size of 23 nm. . A developing roller of Example 16 was obtained in the same manner as Example 1 except that this was used.
  • Example 17 Surface layer forming paint 17 was obtained in the same manner as surface layer forming paint 1 except that furnace black (trade name, # 2650; manufactured by Mitsubishi Chemical Corporation) having a primary particle diameter of 13 nm was used as carbon black. A developing roller of Example 17 was obtained in the same manner as Example 1 except that this was used.
  • the surface layer of the present invention has a structure represented by structural formula (1), one or both structures selected from structural formula (2) and structural formula (3), a structure represented by structural formula (4), and the following structural formula: Having one or both of the structure represented by (5) and the structure represented by the following structural formula (6) is determined by, for example, pyrolysis GC / MS, FT-IR, or 13C nuclear solid NMR. It can be confirmed by analysis.
  • Comparative Examples 1 to 4 Developing rollers of Comparative Examples 1 to 4 were obtained in the same manner as in Example 13 except that the types of acrylic resin and carbon black were changed to the types of acrylic resin and carbon black shown in Table 5.
  • Each of the process cartridges prepared above was loaded in the electronic image forming apparatus black position and left in an environment of a temperature of 15 ° C. and a humidity of 10% RH for 24 hours. Thereafter, one halftone image was output in the same environment. Subsequently, 20000 sheets of images (hereinafter referred to as “E character images”) in which the letter “E” having a size of 4 points has a printing rate of 2% on A4 size paper were continuously output. Subsequently, one halftone image was output. For each halftone image, the presence or absence of horizontal streaks due to current leakage between the developer regulating blade and the charging roller was visually observed.
  • the density difference between the horizontal stripe occurrence site and the normal halftone image portion was measured using a reflection densitometer (trade name: GretagMacbeth RD918, manufactured by Macbeth). did. And the observation result was evaluated based on the following reference
  • Examples 1 to 17 contain the acrylic resin having the structure of the present invention in the urethane resin of the present invention, the surface layers of the urethanes having the structures of the structural formulas (1), (2), and (3) are used. The tendency of phase separation is relaxed, it shows a high current breakdown limit, and the leak-proof image is also good.
  • Examples 1 to 14 using gas black having a primary particle diameter of 17 nm or more and 20 nm or less have high conductivity, and show a higher level of current breakage limit and leak-proof images. Moreover, the filming resistance is high at any level.
  • Comparative Examples 1 to 4 in which the surface layer does not contain the acrylic resin having the structure of the present invention the tendency of the phase separation of urethane is not relaxed, the current breakage limit is low, and the leak resistance is reduced.
  • Developing roller 2 Conductive substrate 3: Elastic layer 4: Surface layer 5: Photoreceptor 6: Cleaning member 7: Toner supply roller 8: Toner 9: Regulator blade 10: Developing device 11: Laser beam 12: Charging member 13 : Cleaning device 14: Cleaning device 15: Fixing device 16: Driving roller 17: Transfer roller 18: Bias power supply 19: Tension roller 20: Transfer conveyor belt 21: Driven roller 22: Paper 23: Paper feed roller 24: Adsorption roller 25: immersion tank 26: liquid feed pump 27: stirring tank 28: lifting device 29: cylindrical electrode 30: DC power supply 31: ammeter

Landscapes

  • Chemical & Material Sciences (AREA)
  • Organic Chemistry (AREA)
  • Chemical Kinetics & Catalysis (AREA)
  • Health & Medical Sciences (AREA)
  • Medicinal Chemistry (AREA)
  • Polymers & Plastics (AREA)
  • General Physics & Mathematics (AREA)
  • Physics & Mathematics (AREA)
  • Life Sciences & Earth Sciences (AREA)
  • Engineering & Computer Science (AREA)
  • Materials Engineering (AREA)
  • Wood Science & Technology (AREA)
  • Dry Development In Electrophotography (AREA)
  • Electrophotography Configuration And Component (AREA)
PCT/JP2012/006682 2012-06-27 2012-10-18 現像部材、プロセスカートリッジおよび電子写真装置 Ceased WO2014002152A1 (ja)

Priority Applications (4)

Application Number Priority Date Filing Date Title
KR1020157001336A KR101626735B1 (ko) 2012-06-27 2012-10-18 현상 부재, 프로세스 카트리지 및 전자 사진 장치
CN201280074327.2A CN104412170B (zh) 2012-06-27 2012-10-18 显影构件、处理盒和电子照相设备
EP12880251.9A EP2869129B1 (en) 2012-06-27 2012-10-18 Development member, process cartridge, and electrophotography device
US14/075,393 US8798508B2 (en) 2012-06-27 2013-11-08 Developing member, process cartridge, and electrophotographic apparatus

Applications Claiming Priority (4)

Application Number Priority Date Filing Date Title
JP2012-144345 2012-06-27
JP2012144345 2012-06-27
JP2012229478A JP5600719B2 (ja) 2012-06-27 2012-10-17 現像部材、プロセスカートリッジおよび電子写真装置
JP2012-229478 2012-10-17

Related Child Applications (1)

Application Number Title Priority Date Filing Date
US14/075,393 Continuation US8798508B2 (en) 2012-06-27 2013-11-08 Developing member, process cartridge, and electrophotographic apparatus

Publications (1)

Publication Number Publication Date
WO2014002152A1 true WO2014002152A1 (ja) 2014-01-03

Family

ID=49782389

Family Applications (1)

Application Number Title Priority Date Filing Date
PCT/JP2012/006682 Ceased WO2014002152A1 (ja) 2012-06-27 2012-10-18 現像部材、プロセスカートリッジおよび電子写真装置

Country Status (6)

Country Link
US (1) US8798508B2 (enExample)
EP (1) EP2869129B1 (enExample)
JP (1) JP5600719B2 (enExample)
KR (1) KR101626735B1 (enExample)
CN (1) CN104412170B (enExample)
WO (1) WO2014002152A1 (enExample)

Families Citing this family (41)

* Cited by examiner, † Cited by third party
Publication number Priority date Publication date Assignee Title
JP6104068B2 (ja) 2012-06-27 2017-03-29 キヤノン株式会社 現像部材、プロセスカートリッジおよび電子写真装置
US9442416B2 (en) * 2013-12-26 2016-09-13 Canon Kabushiki Kaisha Image-forming apparatus, image-forming method, developing apparatus, and developing method
US9625854B2 (en) 2014-06-05 2017-04-18 Canon Kabushiki Kaisha Developer carrying member, electrophotographic process cartridge, and electrophotographic image forming apparatus
US9482986B2 (en) 2015-02-27 2016-11-01 Canon Kabushiki Kaisha Member for electrophotography, process cartridge, and electrophotographic image forming apparatus
US10197930B2 (en) 2015-08-31 2019-02-05 Canon Kabushiki Kaisha Electrophotographic member, process cartridge, and electrophotographic apparatus
US10082741B2 (en) * 2015-10-06 2018-09-25 Canon Kabushiki Kaisha Member for electrophotography, developing apparatus, and electrophotographic apparatus
JP6860319B2 (ja) 2015-10-23 2021-04-14 キヤノン株式会社 現像部材、プロセスカートリッジおよび電子写真画像形成装置
JP6806579B2 (ja) 2016-02-05 2021-01-06 キヤノン株式会社 電子写真用部材、その製造方法、プロセスカートリッジおよび電子写真装置
JP6815889B2 (ja) 2016-02-26 2021-01-20 キヤノン株式会社 現像ローラ、プロセスカートリッジおよび電子写真画像形成装置
US9952531B2 (en) 2016-04-28 2018-04-24 Canon Kabushiki Kaisha Developing member having alumina particles exposed within protrusions
US10331054B2 (en) 2016-05-11 2019-06-25 Canon Kabushiki Kaisha Electrophotographic member, process cartridge and electrophotographic image forming apparatus
JP6862276B2 (ja) 2016-07-08 2021-04-21 キヤノン株式会社 電子写真用部材、プロセスカートリッジおよび電子写真装置
US10384441B2 (en) * 2016-07-28 2019-08-20 Xerox Corporation Fluorosilicone composite and formulation process for imaging plate
JP6891065B2 (ja) 2016-07-29 2021-06-18 キヤノン株式会社 現像装置、電子写真プロセスカートリッジ及び電子写真画像形成装置
JP2018022074A (ja) 2016-08-04 2018-02-08 キヤノン株式会社 電子写真用部材、プロセスカートリッジ及び電子写真装置
US10310447B2 (en) 2017-07-12 2019-06-04 Canon Kabushiki Kaisha Electrophotographic member, process cartridge, and electrophotographic image forming apparatus
JP6463534B1 (ja) 2017-09-11 2019-02-06 キヤノン株式会社 現像剤担持体、プロセスカートリッジおよび電子写真装置
JP7166854B2 (ja) 2017-09-27 2022-11-08 キヤノン株式会社 電子写真用部材、プロセスカートリッジ及び電子写真装置
JP7057154B2 (ja) 2018-02-26 2022-04-19 キヤノン株式会社 現像部材、電子写真プロセスカートリッジおよび電子写真画像形成装置
US10884352B2 (en) 2018-03-30 2021-01-05 Canon Kabushiki Kaisha Electrophotographic member, process cartridge and electrophotographic apparatus
WO2019203238A1 (ja) 2018-04-18 2019-10-24 キヤノン株式会社 導電性部材及びその製造方法、プロセスカートリッジ並びに電子写真画像形成装置
CN111989622B (zh) 2018-04-18 2022-11-11 佳能株式会社 显影构件、处理盒和电子照相设备
US10935903B2 (en) 2018-04-19 2021-03-02 Canon Kabushiki Kaisha Developing roller, process cartridge and image forming apparatus
US10969709B2 (en) 2018-04-20 2021-04-06 Canon Kabushiki Kaisha Member for electrophotography, process cartridge and electrophotographic apparatus
US11169464B2 (en) 2018-07-30 2021-11-09 Canon Kabushiki Kaisha Electrophotographic member, process cartridge, and electrophotographic image-forming apparatus
JP7143137B2 (ja) 2018-07-31 2022-09-28 キヤノン株式会社 電子写真用部材、電子写真プロセスカートリッジおよび電子写真画像形成装置
JP7158943B2 (ja) 2018-07-31 2022-10-24 キヤノン株式会社 電子写真用部材、電子写真プロセスカートリッジおよび電子写真画像形成装置
JP7336289B2 (ja) 2018-07-31 2023-08-31 キヤノン株式会社 電子写真用部材、電子写真プロセスカートリッジ及び電子写真画像形成装置
JP7277301B2 (ja) 2018-07-31 2023-05-18 キヤノン株式会社 電子写真用部材、プロセスカートリッジおよび電子写真画像形成装置
JP7433805B2 (ja) 2018-08-30 2024-02-20 キヤノン株式会社 現像ローラ、プロセスカートリッジおよび電子写真画像形成装置
JP7199881B2 (ja) 2018-08-31 2023-01-06 キヤノン株式会社 現像ローラ、電子写真プロセスカートリッジおよび電子写真用画像形成装置
JP7114409B2 (ja) 2018-08-31 2022-08-08 キヤノン株式会社 現像ローラ、電子写真プロセスカートリッジおよび電子写真画像形成装置
US10831127B2 (en) 2018-09-21 2020-11-10 Canon Kabushiki Kaisha Developing member, electrophotographic process cartridge, and electrophotographic image forming apparatus
US10732538B2 (en) 2018-11-26 2020-08-04 Canon Kabushiki Kaisha Developing member, process cartridge, and electrophotographic image forming apparatus
US10705449B2 (en) 2018-11-30 2020-07-07 Canon Kabushiki Kaisha Developing member, electrophotographic process cartridge, and electrophotographic image forming apparatus
JP7293049B2 (ja) 2019-08-26 2023-06-19 キヤノン株式会社 現像部材、電子写真プロセスカートリッジおよび電子写真画像形成装置
WO2021075532A1 (ja) 2019-10-18 2021-04-22 キヤノン株式会社 導電性部材、プロセスカートリッジ、及び電子写真画像形成装置
CN114585975B (zh) 2019-10-18 2023-12-22 佳能株式会社 电子照相导电性构件、处理盒和电子照相图像形成设备
WO2021075371A1 (ja) 2019-10-18 2021-04-22 キヤノン株式会社 導電性部材、その製造方法、プロセスカートリッジ及び電子写真画像形成装置
WO2021079917A1 (ja) 2019-10-23 2021-04-29 キヤノン株式会社 現像装置、電子写真プロセスカートリッジ、及び電子写真画像形成装置
US11966174B2 (en) 2022-05-24 2024-04-23 Canon Kabushiki Kaisha Electrophotographic member, electrophotographic process cartridge, and electrophotographic image forming apparatus

Citations (6)

* Cited by examiner, † Cited by third party
Publication number Priority date Publication date Assignee Title
JPS575047A (en) 1980-06-13 1982-01-11 Ricoh Co Ltd Coating method by dipping
JP2004339253A (ja) 2003-05-12 2004-12-02 Bando Chem Ind Ltd 弾性材料並びに電子写真装置用ブレード体及びローラ
JP2008139482A (ja) 2006-11-30 2008-06-19 Canon Inc 現像ローラ、現像ローラの製造方法、プロセスカートリッジ及び電子写真装置
JP2009109861A (ja) * 2007-10-31 2009-05-21 Canon Inc 現像ローラ、現像ローラの製造方法、プロセスカートリッジおよび電子写真装置
JP2010107968A (ja) * 2008-09-30 2010-05-13 Canon Inc 現像ローラとその製造方法、プロセスカートリッジ、電子写真装置
JP2011074217A (ja) * 2009-09-30 2011-04-14 Dic Corp 弾性層用ポリウレタン樹脂組成物、及びそれを用いてなる画像形成用ロール

Family Cites Families (2)

* Cited by examiner, † Cited by third party
Publication number Priority date Publication date Assignee Title
EP0590768B1 (en) * 1992-09-28 1999-03-03 Fujitsu Limited Image formation apparatus and conductive rubber roller for use therein
JP5079134B2 (ja) * 2010-12-28 2012-11-21 キヤノン株式会社 現像ローラ、プロセスカートリッジおよび電子写真装置

Patent Citations (6)

* Cited by examiner, † Cited by third party
Publication number Priority date Publication date Assignee Title
JPS575047A (en) 1980-06-13 1982-01-11 Ricoh Co Ltd Coating method by dipping
JP2004339253A (ja) 2003-05-12 2004-12-02 Bando Chem Ind Ltd 弾性材料並びに電子写真装置用ブレード体及びローラ
JP2008139482A (ja) 2006-11-30 2008-06-19 Canon Inc 現像ローラ、現像ローラの製造方法、プロセスカートリッジ及び電子写真装置
JP2009109861A (ja) * 2007-10-31 2009-05-21 Canon Inc 現像ローラ、現像ローラの製造方法、プロセスカートリッジおよび電子写真装置
JP2010107968A (ja) * 2008-09-30 2010-05-13 Canon Inc 現像ローラとその製造方法、プロセスカートリッジ、電子写真装置
JP2011074217A (ja) * 2009-09-30 2011-04-14 Dic Corp 弾性層用ポリウレタン樹脂組成物、及びそれを用いてなる画像形成用ロール

Also Published As

Publication number Publication date
JP2014029453A (ja) 2014-02-13
CN104412170B (zh) 2018-06-05
CN104412170A (zh) 2015-03-11
US20140064797A1 (en) 2014-03-06
KR20150023801A (ko) 2015-03-05
JP5600719B2 (ja) 2014-10-01
EP2869129A1 (en) 2015-05-06
EP2869129B1 (en) 2017-03-29
KR101626735B1 (ko) 2016-06-01
US8798508B2 (en) 2014-08-05
EP2869129A4 (en) 2016-01-06

Similar Documents

Publication Publication Date Title
JP5600719B2 (ja) 現像部材、プロセスカートリッジおよび電子写真装置
JP6104068B2 (ja) 現像部材、プロセスカートリッジおよび電子写真装置
JP5631447B2 (ja) 電子写真用部材、プロセスカートリッジおよび電子写真装置
JP5079134B2 (ja) 現像ローラ、プロセスカートリッジおよび電子写真装置
JP6023604B2 (ja) 現像部材、プロセスカートリッジおよび電子写真装置
US8655238B2 (en) Developing member
JP6516571B2 (ja) 現像剤担持体、電子写真プロセスカートリッジ及び電子写真画像形成装置
JP5656601B2 (ja) 現像剤担持体、プロセスカートリッジ及び電子写真装置
JP5022686B2 (ja) 現像ローラの製造方法
JP5754930B2 (ja) トナー担持体、プロセスカ−トリッジ及び電子写真装置
JP5734084B2 (ja) 現像ローラ、電子写真プロセスカートリッジ、及び電子写真画像形成装置

Legal Events

Date Code Title Description
121 Ep: the epo has been informed by wipo that ep was designated in this application

Ref document number: 12880251

Country of ref document: EP

Kind code of ref document: A1

REEP Request for entry into the european phase

Ref document number: 2012880251

Country of ref document: EP

WWE Wipo information: entry into national phase

Ref document number: 2012880251

Country of ref document: EP

NENP Non-entry into the national phase

Ref country code: DE

ENP Entry into the national phase

Ref document number: 20157001336

Country of ref document: KR

Kind code of ref document: A