RU2401503C1 - Электропривод колебательного движения - Google Patents

Электропривод колебательного движения Download PDF

Info

Publication number
RU2401503C1
RU2401503C1 RU2009112967/09A RU2009112967A RU2401503C1 RU 2401503 C1 RU2401503 C1 RU 2401503C1 RU 2009112967/09 A RU2009112967/09 A RU 2009112967/09A RU 2009112967 A RU2009112967 A RU 2009112967A RU 2401503 C1 RU2401503 C1 RU 2401503C1
Authority
RU
Russia
Prior art keywords
rotor
phase
power source
stator
electric drive
Prior art date
Application number
RU2009112967/09A
Other languages
English (en)
Inventor
Юрий Александрович Гаврилов (RU)
Юрий Александрович Гаврилов
Эдуард Анатольевич Загривный (RU)
Эдуард Анатольевич Загривный
Сергей Сергеевич Стародед (RU)
Сергей Сергеевич Стародед
Original Assignee
Государственное образовательное учреждение высшего профессионального образования "Санкт-Петербургский государственный горный институт имени Г.В. Плеханова (технический университет)"
Priority date (The priority date is an assumption and is not a legal conclusion. Google has not performed a legal analysis and makes no representation as to the accuracy of the date listed.)
Filing date
Publication date
Application filed by Государственное образовательное учреждение высшего профессионального образования "Санкт-Петербургский государственный горный институт имени Г.В. Плеханова (технический университет)" filed Critical Государственное образовательное учреждение высшего профессионального образования "Санкт-Петербургский государственный горный институт имени Г.В. Плеханова (технический университет)"
Priority to RU2009112967/09A priority Critical patent/RU2401503C1/ru
Application granted granted Critical
Publication of RU2401503C1 publication Critical patent/RU2401503C1/ru

Links

Images

Landscapes

  • General Electrical Machinery Utilizing Piezoelectricity, Electrostriction Or Magnetostriction (AREA)

Abstract

Изобретение относится к электротехнике, в частности к колебательным электроприводам, и может быть использовано в автоматизированных электроприводах механизмов с колебательным движением рабочего органа, вибрационных установках в горной промышленности, строительстве, машиностроении, сельском хозяйстве для создания колебательного движения маятниковых вибровозбудителей вибрационных щековых дробилок. Электропривод содержит источник питания, установленный на опору статора трехфазного электродвигателя, укомплектованный ротором с одной парой явно выраженных полюсов. Упругий элемент жестко связан с опорой с одной стороны и ротором электродвигателя с другой стороны и фиксирует ротор со статором в начальном положении, при котором продольная ось симметрии ротора совпадает с продольной осью симметрии электромагнитного поля возбуждения. Одна фазная статорная обмотка, задающая начальное положение ротора и упругого элемента, последовательно включена началом с положительным полюсом источника питания с трехфазным мостовым выпрямителем, а концом подключена к соединенным началами двум другим фазным статорным обмоткам. Концы каждой из них через последовательно включенные диоды подключены к анодам тиристоров, соединенные катоды которых подключены к отрицательному полюсу источника питания и общему выходу генератора импульсов. Управляющие электроды тиристоров подключены к сигнальным выходам генератора импульсов, а аноды тиристоров соединены конденсатором. Технический результат состоит в повышении эффективности путем повышения амплитуды колебания ротора относительно начального положения до 60° в завис�

Description

Изобретение относится к электротехнике, в частности к колебательным электроприводам, предназначено для использования в автоматизированных электроприводах механизмов с колебательным движением рабочего органа, вибрационных установок в горной промышленности, строительстве, машиностроении, сельском хозяйстве и других отраслях промышленности. Изобретение может быть использовано для создания колебательного движения маятниковых вибровозбудителей вибрационных щековых дробилок, например по патенту РФ №2344878 от 27.01.09. Вибрационная щековая дробилка. Авторы: Загривный Э.А., Гаврилов Ю.А., Стародед С.С.), а также привода буровой коронки колонкового электромеханического бурового снаряда.
Известен электропривод колебательного движения, приведенный в литературном источнике - Луковников В.И. Электропривод колебательного движения. - М.: Энергоатомиздат, 1984, с.12-13, рис, 1.2е, з, который содержит источник питания постоянного или переменного тока, асинхронный трехфазный электродвигатель, вентили, включенные в фазные обмотки по одному или по два, соединенные встречно-параллельно. Колебательное движение в таком электроприводе осуществляется вследствие периодического изменения положения оси магнитного поля путем переключения вентилей. Недостатками представленного электропривода являются низкая частота колебаний ротора (единицы Гц), жесткий реверс на основе шагового режима работы асинхронного трехфазного электродвигателя, жесткая фиксация шагов из-за эффекта динамического торможения в конце шага вследствие протекания по фазным обмоткам пульсирующего тока при питании от источника переменного тока, низкая надежность электродвигателя из-за возникновения в момент переключения вентилей больших ударных токов и усилий (моментов).
Известен электропривод колебательного и медленного вращательного движений, а.с. 1334348 СССР, МКИ4 Н02Р 7/62. Электропривод. П.Э.Токатлян, Р.Р.Агасарян (СССР). - №4047951/24-07; заявл. 03.04.86; опубл. 30.08.87, Бюл. №32.), содержащий трехфазный асинхронный двигатель с обмоткой, соединенной в звезду, два основных тиристора, соединенных анодами с первой и второй фазами обмотки, дополнительный тиристор и блок управления. Для обеспечения одновременно колебательного и медленного вращательного движений, дополнительно введены источник постоянного тока и резистор, блок управления включает в себя мультивибратор и элемент задержки, катоды тиристоров соединены с отрицательным полюсом источника постоянного тока, анод дополнительного тиристора через резистор соединен с третьей фазой и положительным полюсом источника постоянного тока, между анодами основных и одного основного и вспомогательного тиристоров включены конденсаторы, управляющие электроды одного основного и вспомогательного тиристоров соединены с плечами мультивибратора, а управляющий электрод другого основного тиристора соединен с выходом элемента задержки. Недостатками данного электропривода являются зависимость вибрационного момента от угловой скорости ротора, а как следствие, уменьшение вибрационного момента при уменьшении частоты колебаний, кроме того, электропривод работает в диапазоне низких частот, следовательно, имеет низкий КПД, также для большинства вибрационных установок необходимо только колебательное движение.
Известен электропривод колебательного движения (электропривод для создания возвратно-вращательного движения буровой коронки), который по совокупности признаков наиболее близок к предлагаемому, патент РФ №2337225, МПК Е21В 4/04, опубл. 27.10.2008, Бюл. №30, принятый за прототип. Электропривод электромеханического колонкового бурового снаряда содержит источник питания с системой управления, погружной асинхронный трехфазный электродвигатель, ротор которого соединен с колонковой трубой с коронкой, статор, соединенный с верхней трубой (опорой), и упругий элемент, жестко связанный с кабельным замком с одной стороны и ротором электродвигателя с другой, а источник питания обмоток снабжен однофазным мостовым выпрямителем, ротор погружного асинхронного трехфазного электродвигателя выполнен с одной парой явновыраженных полюсов, а одна фазная статорная обмотка последовательно соединена с мостовым однофазным выпрямителем, на выход которого по постоянному току подключены последовательно соединенными между собой концами две другие фазные обмотки, образующие одну пару полюсов, с возможностью фиксации ротора со статором упругим элементом в начальном положении, при котором продольная ось симметрии ротора совпадает с продольной осью симметрии электромагнитного поля, образованного двумя последовательно включенными обмотками статора.
Основным недостатком этого электропривода колебательного движения является невозможность получения колебаний ротора с амплитудой свыше 30 геометрических градусов.
Техническим результатом изобретения является устранение указанного недостатка, т.е. получение колебаний ротора с амплитудой свыше 30 геометрических градусов и повышение эффективности электропривода колебательного движения.
Технический результат достигается тем, что электропривод колебательного движения, содержащий источник питания, установленный на опору статор трехфазного электродвигателя, укомплектованный ротором с одной парой явновыраженных полюсов, упругий элемент, жестко связанный с опорой с одной стороны и ротором электродвигателя с другой стороны, фиксирующий ротор со статором в начальном положении, при котором продольная ось симметрии ротора совпадает с продольной осью симметрии электромагнитного поля, согласно изобретению одна фазная статорная обмотка электродвигателя, задающая начальное положение ротора и упругого элемента, последовательно включена началом обмотки с положительным полюсом источника питания, снабженного трехфазным мостовым выпрямителем, а концом подключена к соединенным началами двум другим фазным статорным обмоткам, концы каждой из которых через последовательно включенные диоды подключены к анодам тиристоров, соединенные катоды которых подключены к отрицательному полюсу источника питания и общему выходу генератора импульсов, при этом управляющие электроды тиристоров подключены к сигнальным выходам генератора импульсов, а аноды тиристоров соединены конденсатором.
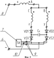
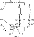
Изобретение поясняется чертежами, где на фиг.1 приведен общий вид электропривода колебательного движения, на фиг.2 - начальное положение ротора электродвигателя при подаче напряжения на фазную статорную обмотку "А-х", на фиг.3, 6 и 9 - принципиальные схемы электропривода при различных вариантах схем включения фазных статорных обмоток, на фиг.4, 5, 7 и 8 - сечения электродвигателя электропривода колебательного движения в режиме установившихся колебаний.
Электропривод колебательного движения (фиг.1) содержит опору 1, в которой защемлен один конец упругого элемента 2 (например, торсион), другой конец упругого элемента 2 соединен муфтой 3 с валом ротора электродвигателя 4 с одной стороны, а с другой стороны вал ротора электродвигателя 4 может соединяться муфтой 5 с механизмом, статор электродвигателя 4 установлен на опору 1. Конструкция электропривода колебательного движения представляет собой электромеханический колебательный контур, образованный упругим элементом 2, муфтами 3 и 5, электродвигателем 4 и опорой 1. Суммарный момент инерции подвижных частей электропривода JΣ и коэффициент жесткости С упругого элемента 2 обеспечивают собственную частоту колебаний в электроприводе
Figure 00000001
Явнополюсный ротор электродвигателя после подачи постоянного напряжения на обмотку "А-х", выполняющую функцию обмотки возбуждения, устанавливается относительно статора в начальное положение (фиг.2), при котором продольная ось симметрии ротора совпадает с продольной осью симметрии электромагнитного поля, образованного обмоткой возбуждения "А-х". После установки в начальное положение ротор жестко фиксируется муфтой с упругим элементом.
На принципиальной схеме электропривода колебательного движения (фиг.3) представлены фазные статорные обмотки трехфазного электродвигателя ("А-х", "В-у" и "C-z"), включенные следующим образом. Обмотка "А-х" подключается началом обмотки "А" к положительному полюсу 8 источника питания постоянного тока (источник питания с трехфазным мостовым выпрямителем не показан) и концом обмотки "х" соединяется с началом обмоток "С" и "В" фазных статорных обмоток "C-z" и "В-у", выполняющих функцию рабочих обмоток соответственно. Токи через рабочие обмотки "C-z" и "В-у" должны протекать только в одном направлении, а также с целью обеспечения надежной искусственной коммутации в оба плеча схемы управления устанавливаются отсекающие диоды VD1 и VD2, анод диода VD1 соединен с концом обмотки "z", а анод диода VD2 с концом обмотки "у". Катод диода VD1 первого плеча схемы соединен с коммутирующим конденсатором Ск и анодом тиристора VS1. Анод тиристора VS2 второго плеча схемы соединяется с коммутирующим конденсатором Ск и катодом диода VD2. Соединенные катоды тиристоров VS1 и VS2 подключены к отрицательному полюсу 6 источника питания и общему выходу 10 генератора импульсов 7, сигнальные выходы 9 которого соединены с управляющими электродам тиристоров VS1 и VS2.
В режиме установившихся колебаний при подаче короткого импульса от генератора импульсов 7 на управляющий электрод тиристора VS1 (фиг.3) тиристор открывается. Через обмотку возбуждения "А-х", рабочую обмотку "C-z", диод VD1 и тиристор VS1 начинает протекать ток. Одновременно ток также протекает через обмотку "В-у" и коммутирующий конденсатор Ск, заряжая его. Время заряда коммутирующего конденсатора Ск на порядок меньше времени полупериода колебаний. Под действием электромагнитного момента ротор начинает движение против часовой стрелки из положения (фиг.4), при котором ось симметрии ротора d-d совпадает с осью потокосцепления статора O2-O2 предыдущего шага колебаний, в положение, при котором ось симметрии ротора d-d совпадет с осью потокосцепления статора O1-O1. При подаче следующего короткого импульса от генератора импульсов 7 на управляющий электрод тиристора VS2, последний открывается. Коммутирующий конденсатор Ск начинает разряжаться через контур Cк-VS2-VS1-CK, закрывая тиристор VS1. Ток начинает протекать через обмотку возбуждения "А-х", рабочую обмотку "В-у", диод VD2 и тиристор VS2. Также ток протекает через обмотку "C-z", перезаряжая коммутирующий конденсатор Ск. Под действием электромагнитного момента ротор поворачивается по часовой стрелке в положение (фиг.5), при котором ось симметрии ротора d-d совпадет с осью потокосцепления статора O2-O2. Последующий короткий импульс от генератора импульсов 7 на управляющий электрод тиристора VS1, открывает его, одновременно конденсатор Ск через контур Ск-VS1-VS2-Ск разряжается, запирая тиристор VS2. Ротор из положения O2-O2 переходит в O1-O1. Далее циклы повторяются. При описанной выше схеме включения обмоток в электроприводе колебательного движения ротор электродвигателя будет совершать колебания с размахом 120 градусов.
Изобретение позволяет получить колебания ротора с размахом 60 (амплитудой 30) геометрических градусов (фиг.7 и 8). В электрической части электропривода колебательного движения для этой цели необходимо переподключить начало и конец рабочей фазной статорной обмотки "C-z", а также начало и конец рабочей фазной статорной обмотки "В-у" (фиг.6) или переподключить начало и конец обмотки возбуждения "А-х" (фиг.9).
Использование изобретения позволит получить колебательное движение ротора электродвигателя относительно начального положения с амплитудой от 0 до 30 или от 0 до 60 и размахом, соответственно, от 0 до 60 или от 0 до 120 геометрических градусов в зависимости от схемы включения обмоток, регулировать амплитуду колебаний и величину электромагнитного момента изменением величины напряжения постоянного тока источника питания, реализовать в разомкнутой системе управления электроприводом колебательного движения резонансный (энергетически выгодный) режим работы при задании частоты следования импульсов от генератора импульсов, совпадающей с собственной частотой колебаний электропривода, повысить эффективность электропривода.

Claims (1)

  1. Электропривод колебательного движения, содержащий источник питания, установленный на опору статор трехфазного электродвигателя, укомплектованный ротором с одной парой явно выраженных полюсов, упругий элемент, жестко связанный с опорой с одной стороны и ротором электродвигателя с другой стороны, фиксирующий ротор со статором в начальном положении, при котором продольная ось симметрии ротора совпадает с продольной осью симметрии электромагнитного поля, отличающийся тем, что одна фазная статорная обмотка электродвигателя, задающая начальное положение ротора и упругого элемента, последовательно включена началом обмотки с положительным полюсом источника питания, снабженного трехфазным мостовым выпрямителем, а концом подключена к соединенным началами двум другим фазным статорным обмоткам, концы каждой из которых через последовательно включенные диоды подключены к анодам тиристоров, соединенные катоды которых подключены к отрицательному полюсу источника питания и общему выходу генератора импульсов, при этом управляющие электроды тиристоров подключены к сигнальным выходам генератора импульсов, а аноды тиристоров соединены конденсатором.
RU2009112967/09A 2009-04-06 2009-04-06 Электропривод колебательного движения RU2401503C1 (ru)

Priority Applications (1)

Application Number Priority Date Filing Date Title
RU2009112967/09A RU2401503C1 (ru) 2009-04-06 2009-04-06 Электропривод колебательного движения

Applications Claiming Priority (1)

Application Number Priority Date Filing Date Title
RU2009112967/09A RU2401503C1 (ru) 2009-04-06 2009-04-06 Электропривод колебательного движения

Publications (1)

Publication Number Publication Date
RU2401503C1 true RU2401503C1 (ru) 2010-10-10

Family

ID=44024934

Family Applications (1)

Application Number Title Priority Date Filing Date
RU2009112967/09A RU2401503C1 (ru) 2009-04-06 2009-04-06 Электропривод колебательного движения

Country Status (1)

Country Link
RU (1) RU2401503C1 (ru)

Cited By (1)

* Cited by examiner, † Cited by third party
Publication number Priority date Publication date Assignee Title
RU2629946C1 (ru) * 2016-03-11 2017-09-05 Федеральное государственное автономное образовательное учреждение высшего образования "Национальный исследовательский Томский политехнический университет" Вентильный электропривод колебательного движения

Citations (5)

* Cited by examiner, † Cited by third party
Publication number Priority date Publication date Assignee Title
SU1631689A1 (ru) * 1989-02-13 1991-02-28 Гомельский политехнический институт Способ управлени колебательным электроприводом с асинхронным двигателем
SU1741249A2 (ru) * 1990-04-09 1992-06-15 Томский политехнический институт им.С.М.Кирова Электропривод колебательного движени
RU2006173C1 (ru) * 1992-08-08 1994-01-15 Анатолий Иванович Копейкин Колебательный электропривод
RU2028026C1 (ru) * 1991-01-18 1995-01-27 Томский политехнический университет Электропривод колебательного движения
EP1298788A1 (fr) * 2001-09-28 2003-04-02 Valeo Equipements Electriques Moteur Machine électrique tournante à deux sources d'alimentation et procédé de commutation

Patent Citations (5)

* Cited by examiner, † Cited by third party
Publication number Priority date Publication date Assignee Title
SU1631689A1 (ru) * 1989-02-13 1991-02-28 Гомельский политехнический институт Способ управлени колебательным электроприводом с асинхронным двигателем
SU1741249A2 (ru) * 1990-04-09 1992-06-15 Томский политехнический институт им.С.М.Кирова Электропривод колебательного движени
RU2028026C1 (ru) * 1991-01-18 1995-01-27 Томский политехнический университет Электропривод колебательного движения
RU2006173C1 (ru) * 1992-08-08 1994-01-15 Анатолий Иванович Копейкин Колебательный электропривод
EP1298788A1 (fr) * 2001-09-28 2003-04-02 Valeo Equipements Electriques Moteur Machine électrique tournante à deux sources d'alimentation et procédé de commutation

Cited By (1)

* Cited by examiner, † Cited by third party
Publication number Priority date Publication date Assignee Title
RU2629946C1 (ru) * 2016-03-11 2017-09-05 Федеральное государственное автономное образовательное учреждение высшего образования "Национальный исследовательский Томский политехнический университет" Вентильный электропривод колебательного движения

Similar Documents

Publication Publication Date Title
Mitcheson et al. Tuning the resonant frequency and damping of an electromagnetic energy harvester using power electronics
EP1997210B1 (en) An electromechanical generator for, and method of, converting mechanical vibrational energy into electrical energy
EP3204635B1 (en) An electrical power generator and an electrical power generation method
EP2441158B1 (en) Electric motor for a small electric device
AU2012101648A4 (en) Method and Apparatus for Converting Between Electrical and Mechanical Energy
RU2303849C1 (ru) Бесколлекторный синхронный генератор с постоянными магнитами
EP2023468A1 (en) Electric power generator, method for generating electric power, and motor
RU2401503C1 (ru) Электропривод колебательного движения
JP2006288186A (ja) 低速での発電効率が改善されたエスアール発電機
RU2638319C2 (ru) Система с первым и вторым электродвигателями для привода ее звена
KR101047759B1 (ko) 직류 무정류자모터
KR20200014600A (ko) 양방향 출력형 브러시리스 직류발전기 및 이를 이용하는 양방향 자속 제어가 가능한 하이브리드형 발전기
RU2366072C1 (ru) Устройство для стабилизации напряжения бесконтактных генераторов переменного тока
KR200242142Y1 (ko) 직류 모터-발전기
RU2629946C1 (ru) Вентильный электропривод колебательного движения
Kovalchuk et al. Simulation Model of a Dynamically Counterbalanced Drilling String with a Sensorless Control System for Controlling an Autoresonant AC Electric Drive
KR101684024B1 (ko) 역위상 진자 움직임 기반 에너지 하베스터
RU144223U1 (ru) Магнитоэлектрическая машина
RU2414790C1 (ru) Синхронная электрическая машина с модулированной мдс якоря
WO2010036149A1 (ru) Электромеханический виброгенератор и способ управления им в режиме вынужденных колебаний
RU2440660C2 (ru) Возбудитель механических колебаний
RU124082U1 (ru) Бесколлекторный двигатель постоянного тока
AU2013100795B4 (en) Method and Apparatus for Converting Between Electrical and Mechanical Energy
CN108448754A (zh) 双结构开关磁阻直流电机
KR101739873B1 (ko) 할박 배열을 이용한 에너지 발생 장치

Legal Events

Date Code Title Description
MM4A The patent is invalid due to non-payment of fees

Effective date: 20110407