RU2012142C1 - Система приема и передачи информации - Google Patents

Система приема и передачи информации Download PDF

Info

Publication number
RU2012142C1
RU2012142C1 SU5042188A RU2012142C1 RU 2012142 C1 RU2012142 C1 RU 2012142C1 SU 5042188 A SU5042188 A SU 5042188A RU 2012142 C1 RU2012142 C1 RU 2012142C1
Authority
RU
Russia
Prior art keywords
information
unit
outputs
inputs
control
Prior art date
Application number
Other languages
English (en)
Inventor
В.М. Богачев
Н.П. Зыбарев
Н.Н. Новиков
С.В. Сосновый
Original Assignee
Центр научных исследований, изобретений, инноваций в области связи
Priority date (The priority date is an assumption and is not a legal conclusion. Google has not performed a legal analysis and makes no representation as to the accuracy of the date listed.)
Filing date
Publication date
Application filed by Центр научных исследований, изобретений, инноваций в области связи filed Critical Центр научных исследований, изобретений, инноваций в области связи
Priority to SU5042188 priority Critical patent/RU2012142C1/ru
Application granted granted Critical
Publication of RU2012142C1 publication Critical patent/RU2012142C1/ru

Links

Images

Landscapes

  • Radio Relay Systems (AREA)

Abstract

Использование: в радиосвязи для передачи, приема и обработки различных видов информации. Сущность изобретения: система приема и передачи информации содержит антенно-фидерную систему, систему наведения антенн, систему выделения и хранения информационных потоков, индивидуальные приемники и систему управления и контроля. Система обработки информационных потоков содержит блоки телевизионных передатчиков местного телевещания радиолокационных специальных сетей и линий связи приема спутникового телевидения, радиоприемники радиовещательной и телеграфной информации в ДВ, СВ, КВ и УКВ диапазонах, радиовещательные передатчики, блоки формирования телевизионной (ТВ), телеграфной (цифровой (ТЛГ) (Ц) и радиовещательной информации, а также блоки хранения телевизионной, телеграфной (цифровой) и радиовещательной информации (PB). Система управления и контроля состоит из трех пультов управления блоками хранения ТВ, ТЛГ (Ц) и РВ информации, трех пультов управления блоками ТВ, ТЛГ (Ц) и РВ информации, пульта управления антенным коммутатором, пульта управления поворотом спутниковых антенн, пульта управления ТВ антенн, трех блоков контроля ТВ, ТЛГ (Ц) и РВ информации. 13 з. п. ф-лы, 17 ил.

Description

Изобретение относится к радиосвязи и может использоваться для передачи, приема и обработки различных видов информации.
Изобретение позволит принимать различные виды информации от удаленных источников по спутниковым и наземным каналам связи в различных диапазонах путем использования высококачественной многоканальной приемной аппаратуры, смешивания, записи, хранения ретрансляции, перекодирования, демодуляции сигналов и передачи их в том или ином виде потребителям по радио или проводным каналам.
Управление режимами работ, процессами образования информации осуществляется с использованием системы управления. Использование данной системы значительно повышает качество передачи информации, снижает ее стоимость, расширяет перечень услуг, представляемых потребителям.
Это достигается использованием одного комплекта дорогостоящей высококачественной аппаратуры, используемой для приема теле-, аудио- и цифровой информации, сравнительно простой и дешевой аппаратуры местного теле- и радиовещания, кабельного телевидения, проводной системы вещания.
Допускаются смешивание теле-, аудио- и текстовой информации, синхронный перевод, оперативная смена режимов работы и видов выдаваемой информации. Реализация изобретения достигается тем, что в известную систему введены система обработки информационных потоков и система управления и контроля. Причем входы-выходы антенно-фидерной системы соединены с входами-выходами системы обработки информационных потоков, выходы которой соединены с входами индивидуальных приемников, при этом входы управления системы обработки информационных потоков, системы наведения антенн и антенно-фидерной системы соединены с выходами системы управления и контроля, входы которой соединены с выходами системы наведения антенн и системы обработки информационных потоков, которая имеет дополнительные входы для подключения внешних источников информации (телевизионной, телеграфной и радиовещательной.
Сущность изобретения заключается в централизованном получении информации, поступающей от удаленных источников, преобразований этой информации и выдачи ее в местные телевизионные, телеграфные и радиовещательные сети связи.
На фиг. 1 приведена структурная схема системы приема и передачи информации; на фиг. 2 - структурная схема блока распределения информационных сигналов; на фиг. 3 - структурная схема блока управления и контроля; на фиг. 4 - структурная схема блока коммутации телевизионной информации; на фиг. 5 - структурная схема блока коммутации телеграфной (цифровой) информации; на фиг. 6 - структурная схема блока коммутации радиовещательной информации; на фиг. 7 - структурная схема антенно-фидерного блока; на фиг. 8 - структурная схема блока наведения антенн; на фиг. 9 - структурная схема индивидуальных приемников; на фиг. 10 - структурная схема блока приема местного телевещания; на фиг. 11 - структурная схема приема спутникового телевидения и радиовещания; на фиг. 12 - структурная схема формирователя кабельного телевидения; на фиг. 13 - структурная схема блока хранения телевизионной информации; на фиг. 14 - структурная схема блока хранения телеграфной (цифровой) информации; на фиг. 15 - структурная схема хранения радиовещательной информации; на фиг. 16 - структурная схема блока транскодеров; на фиг. 17 - структурная схема телевизионного микшера.
Система приема и передачи информации (см. фиг. 1) содержит антенно-фидерный блок 1, блок 2 наведения антенн, индивидуальные приемники 3, блок 4 распределения информационных сигналов, блок 5 управления и контроля.
Блок распределения информационных сигналов (см. фиг. 2) содержит блок 6 телевизионных (ТВ) передатчиков, блок 7 приема местного телевещания (ТВ), блок 8 радиостанций специальных сетей и линий связи (СС и ЛС), блок 9 приема спутникового телевидения и радиовещания (ТВ и РВ), блок 10 радиоприемников радиовещательной и телеграфной (РВ и ТЛГ) информации в ДС, СВ, КВ и УКВ диапазонах, блок 11 радиовещательных (РВ) передатчиков, блок 12 коммутации телевизионной (ТВ) информации, блок 13 коммутации телеграфной (цифровой) ТЛГ (Ц) информации, блок 14 коммутации радиовещательной (РВ) информации, блок 15 хранения телевизионной (ТВ) информации, блок 16 хранения телеграфной (цифровой) ТЛГ (Ц) информации, блок 17 хранения радиовещательной (РВ) информации.
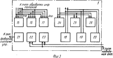
Система 5 управления и контроля (см. фиг. 3) содержит пульты управления блоками хранения 15 ТВ, 16 ТЛГ (Ц) и 17 РВ информации, пульты управления блоками 18 ТВ, 19 ТЛГ (Ц) и 20 РВ информации, пульт 21 управления антенным коммутатором, пульт 22 управления поворотом космических антенн, пульт 23 управления поворотом ТВ антенн, устройства контроля 24 ТВ, 25 ТЛГ (Ц) и 26 РВ информации.
Формирователь 12 телевизионной (ТВ) информации (см. фиг. 4) содержит ТВ коммутатор 27, блок транскодеров 28, формирователь кабельного ТВ 29, ТВ микшер 30.
Блок коммутации 13 телеграфной (цифровой) ТЛГ (Ц) информации (см. фиг. 5) содержит блок 31 модуляторов-демодуляторов, ТЛГ (Ц) коммутатор 32, блок интерфейсов 33.
Блок 14 коммутации радиовещательной (РВ) информации (см. фиг. 6) содержит коммутатор 34 РВ информации, блок 35 усилителей мощности, звуковой микшер 36.
Антенно-фидерный блок 1 (см. фиг. 7) содержит ТВ передающую антенну 37, ТВ приемную антенну 38, антенну радиостанции 39, спутниковую антенну 40, антенну 41 КВ, ДВ, СВ, МВ диапазонов, передающую КВ, УКВ антенну 42, антенный коммутатор 43, блок 44 фидеров и волноводных трактов.
Система 2 наведения антенн (см. фиг. 8) содержит блок 45 редукторов поворота и блок 46 электродвигателей и датчиков пространственного положения.
Индивидуальные приемники 3 (см. фиг. 9) состоят из трех блоков, в первый блок 47 входят рупорные громкоговорители, абонентские многопрограммные громкоговорители, компьютеры, факсимальные аппараты, магнитофоны; второй блок 48 содержит телеграфные аппараты, телетайпы, перфораторы, компьютеры; третий блок содержит телевизионные приемники, видеомагнитофоны, системы проекционного телевидения.
Блок 7 приема местного телевещания (ТВ) (см. фиг. 10) содержит n блоков 50, каждый из которых состоит из усилителя 51 высокой частоты (УВЧ), селектора 52 каналов, усилителя 53 промежуточной частоты (УПЧ) ведеосигнала (В), амплитудный детектор 54 (АД), усилитель 55 видеосигнала (УВ), усилитель промежуточной частоты звука (УПЧ 3) 56, частотного детектора 57, усилителя 58 звука (УЗ).
Блок 9 приема спутникового телевидения и радиовещания (см. фиг. 11) содержит n блоков 59, каждый из которых состоит из популяризатора 60, двух конверторов 61 и 63, тюнера 62.
Формирователь 29 кабельного телевидения (см. фиг. 12) содержит блоков 64, каждый из которых состоит из модуляторов 65, сумматора 66, усилителя 67 и разветвителя 68.
Блок 15 хранения телевизионной информации (фиг. 13) содержит видеомагнитофонов 69.
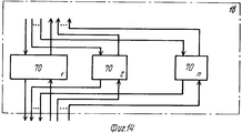
Блок 16 хранения телеграфной (цифровой) информации (фиг. 14) содержит n запоминающих устройств ТЛГ аппарата (компьютеров) 70.
Блок 17 хранения радиовещательной информации (фиг. 15) содержит n магнитофонов 71.
Транскодер 28 (см. фиг. 16) содержит n блоков 72, каждый из которых состоит из выделителя 73 элементов сигнала кодера 74, формирователя 75 сигнала.
Телевизионный микшер 30 содержит два выделителя 76 и 77 синхропоследовательности, два фазовых детектора 78 и 79, две управляемые линии задержки 80 и 81, электронный коммутатор 82, опорный генератор 83, пульт 84 управления, вычислительно-управляющий блок 85.
Система приема и передачи информации (см. фиг. 1) содержит антенно-фидерный блок 1, механически соединенный с блоком 2 наведения антенн, индивидуальные приемники 3, блок 4 распределения обработки информационных сигналов (ИП) и блок 5 управления и контроля. Причем входы-выходы антенно-фидерного блока 1 соединены с входами-выходами блока 4, выходы которого соединены с выходами индивидуальных приемников 3.
Блок 4 распределения информационных (ИП) сигналов (см. фиг. 2) содержит блок 6 ТВ передатчиков, блок 7 приема местного ТВВ, блок 8 радиостанций СС и ЛС, блок 9 приема спутникового ТВ и РВ, блок 10 радиоприемников РВ и ТЛГ информации в ДВ, СВ, КВ и УКВ диапазонах.
Блок 5 управления и контроля (см. фиг. 3) содержит три пульта управления блоками хранения 15 ТВ, 16 ТЛГ (Ц) и 17 РВ информации, у которых входы и выходы соединены между собой и являются соответственно входами управления и выходами контроля системы, три пульта управления блоками 18 ТВ, 19 ТЛГ и 20 РВ информаций соответственно, выходы контроля их объединены и являются выходами контроля системы, а также пульт 21 управления антенным коммутатором, выход которого является выходом управления системы, два пульта управления поворотом 22 космических антенн и 23 ТВ антенн, входы и выходы которых соединены между собой и являются входами и выходами системы, три устройства контроля соответственно 24 ТВ, 25 ТЛГ (П) и 26 РВ информации, выходы которых соединены между собой и являются выходами контроля системы.
Блок 12 коммутации телевизионной информации (см. фиг. 4) содержит ТВ коммутатор 27, блок 28 транскодеров, формирователь 29 кабельного ТВ и ТВ микшер 30, причем ТВ комммутатор 27 входами и выходами соединен с блоком 28 транскодеров и ТВ микшером 30 и группой выходов соединен с группой входов формирователь 29 кабельного ТВ, входы-выходы ТВ коммутатора 27 являются входами и выходами блока 12 ТВ информации.
Блок коммутации 13 телеграфной (цифровой) информации (см. фиг. 5) содержит блок 31 модуляторов-демодуляторов, выходом и выходами соединенный с ТЛГ (Ц) коммутатором 32, выход которого соединен с входом блока 33 интерфейсов, выход которого, а также входы и выходы блока 31 модуляторов и демодуляторов и ТЛГ (Ц) коммутатора 32 являются входами-выходами блока ТЛГ (Ц) информации.
Блок коммутации 14 радиовещательной информации (см. фиг. 6) содержит последовательно соединенные коммутатор 34 РВ информации и блок 35 усилителей мощности, а также звуковой микшер 36 выход и вход которого соединены с соответствующими входом и выходом коммутатора 34 РВ информации, входы и выходы которого, а также выход блока 35 усилителей мощности являются входами и выходами блока 14 РВ информации.
Антенно-фидерный блок 1 (см. фиг. 7) состоит из передающей 37 и приемной 38 телевизионных антенн, антенны 39 радиостанций, спутниковой антенны 40, передающей антенны 42 КВ, УКВ, последовательно соединенных антенны 41 ДВ, СВ, МВ диапазонов, антенного коммутатора 43 и блока 44 фидеров и волновидных трактов, соответствующие входы которого соединены с выходами ТВ антенны 38 и спутниковой антенны 40, а соответствующие входы - с выходами ТВ передающей антенны 37, антенны 39 радиостанций и передающей антенны 42 КВ, УКВ, другие входы-выходы блока 44 фидеров и волноводных трактов являются входами-выходами антенно-фидерной системы 1, а вход управления антенного коммутатора 43 является управляющим входом антенно-фидерной системы.
Блок 7 приема местного телевещания (см. фиг. 10) содержит n блоков 50, каждый из которых состоит из последовательно соединенных усилителя 51 высокой частоты (УВЧ), селектора 52 каналов, усилителя 53 промежуточной частоты (УПЧ) видеосигнала, выход которого является первым выходом блока 50, а также последовательно соединенные усилитель 56 промежуточной частоты (УПЧ) звука, частотный детектор 57 и усилитель 58 звука, выход которого является вторым выходом блока 50, причем вход УПЧ звука соединен с вторым выходом амплитудного детектора 54, входы УВЧ объединены и являются входом блока 7 приема местного ТВ.
Блок 9 приема спутникового телевидения (ТВ) и радиовещания (РВ) (см. фиг. 11) состоит из n блоков 59, каждый из которых содержит последовательно соединенные поляризатор 60, первый конвертер 61, тюнер 62, два выхода которого являются выходами блока 9 спутникового ТВ и РВ, а также второй конвертер, входом соединенный с вторым выходом поляризатора 60, а выходом - с вторым входом тюнера 62, входы поляризаторов 60 являются входами блока 9 приема спутникового ТВ и РВ.
Формирователь 29 кабельного телевидения (ТВ) (см. фиг. 12) состоит из n блоков 64, каждый из которых содержит n модуляторов 65, последовательно соединенные сумматор 66, усилитель 67, разветвитель 68, группа выходов которого является выходами устройства 29 кабельного ТВ, а входы модуляторов 65 - входами устройства кабельного ТВ, выходы модуляторов 65 соединены с m входами сумматора 66.
Блок 15 хранения ТВ информации (см. фиг. 13) выполнен в виде множества видеомагнитофонов 69.
Блок 16 хранения телеграфной (цифровой) информации (см. фиг. 14) выполнен в виде множества запоминающих устройств 70 ТЛГ аппаратов (компьютеров).
Блок 17 хранения радиовещательной (РВ) информации (см. фиг. 15) выполнен в виде множества магнитофонов 71.
Блок 16 транскодеров (см. фиг. 16) состоит из n блоков 72, каждый из которых содержит последовательно соединенные выделитель 73 элементов сигнала, кодер 74 и формирователь 75 сигнала, управляющий вход которого соединен с вторым выходом выделителя 73 элементов сигнала, вход которого и выход формирователя 75 сигнала являются соответственно входом и выходом блока 28 транскодеров.
Телевизионный (ТВ) микшер 30 (см. фиг. 17) содержит две параллельные ветви, каждая из которых состоит из последовательно соединенных выделителя 76 (77) синхропоследовательности, фазового детектора 78 (79), управляемой линии задержки 80 (81), последовательно соединенных пульта 82 управления, вычислительно-управляющего блока 83 и электронного коммутатора 84, выход которого является выходом ТВ микшера 30, а также опорного генератора 85, выход которого соединен с управляющими входами фазовых детекторов 78 (79) и вычислительно-управляющего блока 83, выходы управляемых линий задержки 80 (81) соединены с управляющими входами электронного коммутатора 84. Входы управления выделителей 76 (77) синхропоследовательности и управляемой линии задержки 80 (81) объединены и являются входами телевизионного микшера 30.
Система приема и передачи информации работает следующим образом.
По командам управления, поступающим от блока 5 управления и контроля на антенно-фидерную систему 1 и через блок 2 наведения антенн производится подключение и наведение вещательных, телевизионных и спутниковых антенн, а также антенн радиостанций специальных сетей и линий связи в соответствии с выбранным для приема набором информационных потоков (см. фиг. 1).
Принимаемые информационные потоки на радиочастоте поступают на блок 4 распределения информационных сигналов (см. фиг. 2), осуществляющих прием, распределение, преобразование, хранение и передачу информационных потоков и их фрагментов под управлением блока 5 (см. фиг. 3). Кроме того, на систему поступают информационные потоки от внешних источников телевизионной (ТВ), радиовещательной (РВ) и телеграфной (цифровой (ТЛГ (П)) информации на видео и низких частотах. С выходов блока 4 контрольные сигналы поступают на блок 5 управления и контроля, а выходные информационные потоки - на индивидуальные приемники 3, представляющие информацию в аудио-, видео- и печатных формах (см. фиг. 9), а также на антенно-фидерный блок 1 (см. фиг. 7).
Блок 4 информационных потоков (см. фиг. 2) работает следующим образом.
Информационные потоки, поступающие от антенно-фидерного блока 1 обрабатываются блоками 7 приема местного телевизионного вещания (ТВВ) (см. фиг. 10) и приема спутникового телевидения и радиовещания (ТВ и РВ) 9 (см. фиг. 11), а также приемными устройствами блока 8 радиостанций специальных сетей и линий связи (СС и ЛС) и радиоприемниками РВ и ТЛГ (Ц) информации блока 10, работающими в длинно- средне- коротковолновых и ультракоротковолновых диапазонах.
С выходом перечисленных приемных устройств, а также от индивидуальных приемников 3 поступают на блоки 12 ТВ, 13 ТЛГ (Ц) и 14 РВ информации (см. фиг. 4-6).
В этих блоках информации потоки коммутируются и преобразуются, а в блоках 12 ТВ и 14 РВ информации также микшируются.
К блокам 12 ТВ, 13 ТЛГ (Ц) и 14 РВ информации своими информационными входами и выходами подключены соответственно блоки 15 ТВ, 16 ТЛГ (Ц) и 17 (РВ) хранения информации (см. фиг. 15-17). Выходы блоков 12 ТВ, 13 ТЛГ (Ц) и 14 РВ информации подлключаются к телевизионным передатчикам блока 8 радиостанции СС и ЛС, радиовещательным передатчикам, а также индивидуальным приемникам 3.
В блоках 12 ТВ, 13 ТЛГ (Ц) и 14 РВ информации информационный поток, поступающий на любой из входов, может быть преобразован и (или) смекширован с другим информационным потоком и скоммутирован на любой из выходов этих блоков, в том числе направлен в блоки 15 ТВ, 16 ТЛГ (Ц) и 17 РВ хранения информации для хранения.
Информационные потоки, направленные от блоков 12 ТВ, 13 ТЛГ (Ц) и 14 РВ к индивидуальным приемникам 3, преобразуются к виду, удобному для передачи информации к удаленной, распределенной в пространстве группе пользователей (многопрограммное кабельное (волоконно-оптическое) телевидение, многоканальное телеграфирование, многопрограммное радиовещание по абонентской сети (или озвучивание больших площадей и др. ).
Контроль содержания информационных потоков, проходящих через блоки 12 ТВ, 13 ТЛГ (Ц) и 14 РВ информации, а также поступающих к (от) блоков 15 ТВ, 16 ТЛГ (Ц) и 17 РВ хранения информации, состояния перечисленных выше блоков и управление ими осуществляется блоком 5 управления и контроля.
Блок 7 приема местного телевещания (см. фиг. 10) представляет собой n (по количеству принимаемых местных телевизионных информационных потоков) однотипных блоков 50. Каждый из них может состоять, например, из усилителя 51 высокой частоты (УВЧ), селектора каналов 52, усилителя 53 ПЧ видеосигнала, амплитудного детектора 54 (АД), усилителя 56 ПЧ звука, частотного детектора 57 (ЧД), усилителя 55 видеосигнала и 56 звука.
Поступивший от антенно-фидерного блока 1 сигнал усиливается и частично фильтруется в УВЧ 51, в селекторе каналов 52 происходит перенос принимаемого сигнала на промежуточную частоту. Затем принимаемый сигнал усиливается усилителем 53 ПЧ видеосигнала и детектируется АД 54. С одного выхода 54 видеосигнал поступает на усилитель 55 видеосигнала, а с другого звуковой сигнал - на усилитель 56 ПЧ звука, где усиливается. Затем звуковой сигнал детектируется ЧД 54 и усиливается усилителем 58 звука.
Блок 9 приема спутникового телевидения и радиовещания (см. фиг. 11) представляет собой n (по количеству пар принимаемых спутниковых телевизионных и (или) радиовещательных информационных потоков) однотипных блоков. Каждый блок состоит из поляризатора 60, двух конверторов 61 и 63 и тюнера 62. Поляризатор 60 разделяет поступающие от антенно-фидерной системы 1 информационные потоки по поляризации. Конвертеры 61 и 62 преобразуют (понижают) среднюю частоту телевизионных (радиовещательных) информационных потоков до величины, необходимой для нормальной работы тюнера 62. Тюнер 62 представляет собой специальный телевизионный приемник спутникового телевидения без телевизионного экрана и громкоговорителя. Тюнеры производятся серийно как в странах СНГ, так и других странах. Входы тюнера переключаются органами управления, а выходными сигналами являются полный телевизионный сигнал и сигнал звукового сопровождения.
Блок коммутации 12 телевизионной информации (см. фиг. 4) состоит из телевизионного коммутатора 27, управляемого дистанционно, транскодеров 28 (см. фиг. 16), телевизионного микшера 30 (см. фиг. 17) и формирователя кабельного телевидения (см. фиг. 12) и работает следующим образом.
Входные информационные потоки (видеосигналы и звуковое сопровождение), поступающие от всех источников телевизионной информации с помощью коммутатора распределяются между потребителями. Информационные потоки, поступающие в системах (стандартах) телевизионного сигнала, с помощью транскодеров 28 приводятся к этой системе. С помощью телевизионного микшера 30 объединяются два и более телевизионных видеосигнала.
С помощью телевизионного коммутатора 27, телевизионного микшера 30 и блока 17 ТВ хранения информации могут монтироваться видеофильмы и видеопрограммы из программ, хранящихся в блоке 17.
В качестве потребителей телевизионных информационных потоков могут быть телевизионные передатчики, передатчики радиостанций специальных сетей и линий связи и устройства кабельного телевидения.
Транскодеры широко применяются в системах приема спутникового телевидения и при просмотре видеофильмов на телевизионных приемниках, не имеющих видеовходов. Транскодер 28 работает следующим образом. Входной полный телевизионный сигнал разделяется на видеосигнал и синхропоследовательность и цветовые поднесущие. Цветовые поднесущие и синхропоследовательности перекодируются и складываются с черно-белым видеосигналом. Выходной сигнал формируется в соответствии со стандартом.
Телевизионный микшер 30, использующийся при подготовке и монтаже видеопрограмм. Эффект использования телевизионного микшера 30 заключается в одновременном совмещении двух и более изображений в различных пропорциях на одном телевизионном экране и (или) плавной замене одного изображения на экране на другое. Упрощенная схема телевизионного микшера 30, позволяющего производить плавную замену одного изображения на другое, приведена на фиг. 17. Такой телевизионный микшер работает следующим образом. При помощи управляемых линий задержек 80 и 81 оба входных сигнала синхронизируются. Синхронизация осуществляется подстройкой управляемой линией задержки 80 (81) в соответствии с разностью фаз синхропоследовательности телевизионного сигнала и опорного сигнала. В соответствии с параметрами (скоростью, направлением, формой разделяющей линии) замены одного изображения на другое, задаваемыми на пульте управления, вычислительно-управляющий блок управляет работой электронного коммутатора. На выходе электронного коммутатора формируется сигнал с едиными синхропоследовательностью и видеосигналом, составленным из фрагментов видеосигналов двух микшируемых изображений.
Формирователь кабельного телевидения 29 предназначен для передачи одного или более телевизионных сигналов по кабельной линии на телевизионные приемники потребителей информации. Один из вариантов построения формирователя кабельного телевидения 29 приведен на фиг. 12. В этом варианте формирователь кабельного телевидения состоит из модуляторов 65 (по числу передаваемых телевизионных каналов), сумматора 66, усилителя 67 разветвителя 68.
В модуляторах 65 каждый телевизионный сигнал переносится на свою поднесущую, соответствующую стандартным телевизионным каналам. В сумматоре 66 все телевизионные сигналы на поднесущих объединяются и подаются на вход усилителя 67. Усиленный сигнал с помощью разветвителя 68 распределяется между кабельными линиями, идущими к потребителям.
Блок 13 телеграфной (цифровой) информации (см. фиг. 5) состоит из блока 31 модуляторов-демодуляторов, телеграфного (цифрового) коммутатора 32 и блока 33 интерфейсов. Блок 31 модуляторов-демодуляторов объединяет группу модуляторов, осуществляющих преобразование двухполярных телеграфных посылок в сигналы, пригодные для передачи по линии связи с помощью радиостанций специальных сетей и линий связи и демодуляторов, осуществляющих обратное преобразование принятых сигналов в двухполярные посылки.
Телеграфный (цифровой) коммутатор 32 подключает любой из своих информационных входов к любому из своих информационных выходов и управляется дистанционно. Такой коммутатор может быть реализован, например, на электромеханических реле. Блок интерфейсов 33 преобразует двухполярные телеграфные посылки к виду, необходимому для нормальной работы оконечных устройств - телеграфных аппаратов и компьютеров. Для телеграфных аппаратов двухполярные посылки преобразуются в токовые-бестоковые с уровнем 120 В, а для компьютеров - к уровню, определяемому типом используемого компьютера и установленным в этом компьютере интерфейсом.
Блок 14 радиовещательной информации (см. фиг. 6) состоит из коммутатора 34 радиовещательной информации, звукового микшера 36 и блока 35 усилителей мощности. Коммутатор 34 позволяет любой из своих входов подключить к любому из своих выходов и работает в режиме дистанционного управления. Коммутатор 34 может быть реализован различными способами, в том числе и на электромеханических реле.
Звуковой микшер 36 обеспечивает объединение двух и более звуковых сигналов. Простейший вариант звукового микшера представляет собой группу потенциометров, крайние нижние выводы которых объединены и заземлены, крайние верхние выводы потенциометров являются входами микшера, а средние выводы потенциометров через разделительные резисторы объединены на общей нагрузке, в качестве которой используется резистор, второй вывод которого заземлен. Первый вывод резистора-нагрузки является выходом микшера.
Блок 35 усилителей мощности представляет набор низкочастотных усилителей и модуляторов. Модуляторы осуществляют перенос радиовещательных потоков на частоты, соответствующие, например, частотам радиотрансляционной сети. Выходы модуляторов объединяются подобно тому, как это делается в устройстве кабельного телевидения, и усиливаются до требуемого уровня.
При необходимости суммарный выходной сигнал модуляторов объединяется с низкочастотным с выхода усилителя мощности и направляется в трансляционную сеть. В отдельные трансляционные линии могут направляться один или более информационных потоков. К выходу усилителя мощности могут быть подключены различные акустические системы, в том числе и для озвучивания открытых площадок.
Блок 15 хранения телевизионной информации (см. фиг. 13) представляет собой группу видеомагнитофонов, управляемых дистанционно, и набор видеокассет. Под воздействием дистанционных команд управления видеомагнитофоны осуществляют запись и(или) воспроизведение телевизионных информационных потоков.
Блок 16 хранения телеграфной (цифровой) информации (см. фиг. 14) представляет собой набор запоминающих устройств 70 или компьютеров, а также набор перфорационных лент или магнитных дискет для компьютеров. Запоминаемые телеграфные (цифровые) информационные потоки первоначально фиксируются в энергозависимых устройствах запоминания (электронная память), а при необходимости перфорируются на бумажной ленте или записываются на магнитных дискетах. Управление телеграфными аппаратами и (или) компьютерами осуществляется дистанционно.
Блок 17 хранения радиовещательной информации (см. фиг. 15) представляет собой набор дистанционно управляемых магнитофонов 71 и магнитофонных кассет (катушек с магнитной лентой). Радиовещательные информационные потоки фиксируются или воспроизводятся на магнитных носителях с помощью магнитофонов под воздействием дистанционного управления.
Блок 5 управления и контроля представляет собой объединенные для удобства работы оператора функционально независимые пульты управления блоком 18 телевизионной информации, блоком 19 телеграфной (цифровой) информации, блоком 20 радиовещательной информации, блоком 15 хранения ТВ информации, 16 ТЛГ (Ц) информации, а также устройства контроля 24 ТВ информации, 25 ТЛГ (Ц) и 26 РВ информации, пульта управления 21 антенным коммутатором, поворотом 22 космических антенн и 23 ТВ антенн.
Пульт управления блоком 15 хранения ТВ информации представляет собой набор пультов управления видеомагнитофонами, например, на инфракрасных лучах.
Пульт управления блоком 16 хранения ТЛГ (Ц) информации представляет собой удобно скомпонованные на рабочем месте оператора клавиатуры компьютеров и телеграфных аппаратов.
Пульт управления блоком 17 радиовещательной информации представляет собой удобно расположенные на рабочем месте блоки дистанционного управления магнитофонами, являющиеся элементами комплекта поставки магнитофонов.
Устройство 24 контроля ТВ информации представляет собой телевизионные мониторы и громкоговорители для просмотра и прослушивания телевизионных информационных потоков, обрабатываемых блоком 12 ТВ информации.
Устройство 25 контроля ТЛГ (Ц) информации представляет собой набор телеграфных аппаратов и (или) видеотерминалов и (или) компьютеров для контроля телеграфных (цифровых) информационных потоков, обрабатываемых блоком 13 ТЛГ (Ц) информации.
Пульты управления 18 ТВ, 19 ТЛГ (Ц) и 20 РВ информации представляют собой блоки управления коммутаторами ТВ, ТЛГ (Ц) и РВ контроля.
В случае реализации коммутаторов на электромеханических реле эти пульты управления могут представлять собой наборы тумблеров или кнопок.
Пульт управления 21 антенным коммутатором представляет собой набор переключателей, в соответствии с положениями которых осуществляется коммутация антенн с помощью электромеханических реле.
Пульты управления 22 и 23 поворотом космических и телевизионных антенн могут также содержать элементы, позволяющие автоматически запоминать несколько положений антенн и осуществлять установку антенн в эти положения по введенному условному номеру положения антенны.
Блок 2 наведения антенн (см. фиг. 8) представляет собой электромеханическую конструкцию, содержащую электродвигатели, датчики пространственного положения (ведущие сельсины или потенциометрические датчики) и механические редукторы. Блок 2 наведения антенн работает следующим образом. По командам пультов управления 22 и 23 электродвигатели начинают вращаться в заданном направлении. Вращение роторов электродвигателей через редукторы вызывает поворот антенн. Датчики поворота сигнализируют пультам 22 и 23 об измененном положении поворачиваемых антенн. При установке антенн в требуемое положение электродвигатели отключаются автоматически или по команде оператора.
Антенно-фидерный блок 1 (см. фиг. 7) может быть разделен на передающие телевизионные антенны 37, ТВ приемные антенны 38, антенны 39 радиостанций специальных сетей и линий связи, спутниковые антенны 40, длинноволновые, средневолновые, ультракоротковолновые и антенны метровых волн 41, передающие коротковолновые и ультракоротковолновые антенны 42. Кроме того, система 1 содержит антенный коммутатор 43 и блок 44 фидеров и волноводных трактов.
Антенны используются классические типа волновой канал (одиночный или антенная решетка, одно или многоуровневая), штыревые, наклонный луч, симметричный вибратор, наклонный вибратор, параболическая и др.
Антенный коммутатор 43 выполнен на электромеханических реле.
Блок 44 фидеров и волноводных трактов выполнен по классическим разработкам согласования с антеннами и приемно-передающими устройствами.

Claims (14)

1. СИСТЕМА ПРИЕМА И ПЕРЕДАЧИ ИНФОРМАЦИИ, содержащая антенно-фидерный блок, механически соединенный с блоком наведения антенны, блок распределения информационных сигналов, блок управления и контроля, блок телевизионных (ТВ) передатчиков, блок приема местного телевидения, блок приема радиовещательной и телеграфной информации и блок передачи радиовещательной информации, причем входы - выходы антенно-фидерного блока соединены с соответствующими выходами - входами блока распределения информационных сигналов соответственно через блок приема местного телевидения, блок ТВ передатчиков, блок приема радиовещательной и телеграфной информации и блок передачи радиовещательной информации, канальные выходы блока распределения информационных сигналов являются выходами каналов индивидуального приема, при этом входы управления блока распределения информационных сигналов, блока наведения антенн и антенно-фидерного блока соединены с выходами блока управления и контроля, входы контроля которого соединены с выходами блока наведения антенн , блока распределения информационных сигналов, причем дополнительные входы блока распределения информационных сигналов являются входами подключения внешних источников информации, отличающаяся тем, что введены радиостанции специальных сетей и линий связи, блок приема спутникового телевидения и радиовещания, причем дополнительные входы - выходы антенно-фидерного блока соединены с соответствующими выходами - входами радиостанций специальных сетей и линий связи (ССиЛС) и блока приема спутникового телевидения и радиовещания, выходы которых соединены с соответствующими дополнительными входами - выходами блока распределения информационных сигналов, причем блок распределения информационных сигналов выполнен в виде блока коммутации телевизионной (ТВ) информации, блока коммутации телеграфной и цифровой информации (ТЛГЦ), блока коммутации радиовещательной (РВ) информации, блока хранения телевизионной информации, блока хранения телеграфной цифровой информации и блока хранения радиовещательной информации, причем информационные выходы блока коммутации ТВ информации, блока коммутации ТЛГЦ информации и блока коммутации РВ информации являются выходами каналов индивидуального приема блока распределения информационных сигналов, причем блок ТВ передатчиков группой входов соединен с группой выходов блока коммутации ТВ информации, вход - выход которого соединен соответственно с выходом - входом блока хранения ТВ информации, группа выходов блока приема местного телевидения соединена с соответствующими группами входов блока коммутации ТВ информации и блока коммутации РВ информации, группа входов - выходов которого соединена с соответствующими входами - выходами блока хранения РВ информации, три группы входов радиостанций СС и ЛС соединены соответственно с группами входов блока коммутации ТВ информации, блока коммутации РВ информации и блока коммутации ТЛГЦ информации, соответствующие входы - выходы которого соединены с входами - выходами блока хранения ТЛГЦ информации, группа выходов блока приема спутникового ТВ и РВ соединены с соответствующими соединенными входами блока коммутации ТВ информации и блока коммутации РВ информации, соответствующая группа входов которого соединена с соответствующей группой входов блока коммутации ТВ информации и группой выходов блока приема РВ и ТЛГЦ информации, группа низкочастотных (НЧ) входов блока коммутации ТВ информации, блока коммутации ТЛГЦ информации и блока коммутации РВ информации объединены между собой и являются НЧ входами блока распределения информационных сигналов, входы управления и выходы контроля блоков коммутации ТВ информации, блока коммутации ТЛГЦ информации и блока коммутации РВ информации являются соответственно входами управления и выходами контроля блока распределения информационных сигналов, при этом блок приема РВ и ТЛГЦ информации выполнен в виде приемников длинноволнового (ДВ), средневолнового (СВ), коротковолнового (КВ) и ультракороткого волнового диапазона.
2. Система по п. 1, отличающаяся тем, что блок управления и контроля содержит пульт управления хранением ТВ информации, пульт управления хранением ТЛГЦ информации и пульт управления хранением РВ информации, входы и выходы которых соответственно соединены между собой и являются соответственно входами управления и выходами контроля блока управления и контроля, пульт управления телевизионной информацией, пульт управления ТЛГЦ информацией, пульт управления РВ информацией, выходы контроля которых объединены и являются выходами контроля блока управления и контроля, а также пульт управления антенным коммутатором, выход которого является выходом управления блока управления и контроля, пульт управления поворотом спутниковых антенн и пульт управления поворотом ТВ антенн, входы и выходы которых соединены между собой и являются входами и выходами блока управления и контроля, блок контроля ТВ информации, блок контроля ТЛГЦ информации и блок контроля РВ информации, выходы которых соединены между собой и являются выходами контроля блока управления и контроля.
3. Система по п. 1, отличающаяся тем, что блок коммутации ТВ информации содержит ТВ коммутатор, блок транскодеров, блок формирования кабельного ТВ и ТВ микшер, причем входы и выходы ТВ коммутатора соединены с соответствующими входами и выходами блока транскодеров, ТВ микшера и блока формирования кабельного ТВ, выход которого, а также входы и выходы ТВ коммутатора являются входами и выходами блока коммутации ТВ информации.
4. Система по п. 1, отличающаяся тем, что блок телеграфной цифровой информации содержит блок модуляторов-демодуляторов, входом и выходами соединенный с ТЛГЦ коммутатором, выход которого соединен с входом блока интерфейсов, выход которого, а также входы и выходы блока модуляторов-демодуляторов и ТЛГЦ коммутатора являются входами - выходами блока ТЛГЦ информации.
5. Система по п. 1, отличающаяся тем, что блок коммутации радиовещательной информации содержит последовательно соединенные коммутатор РВ информации и блок усилителей мощности, а также звуковой микшер, выход и вход которого соединен с соответствующими входами и выходом коммутатора РВ информации, входы и выходы которого, а также выход блока усилителей мощности являются входами и выходами блока РВ информации.
6. Система по п. 1, отличающаяся тем, что антенно-фидерный блок состоит из передающей и приемной телевизионных антенн, антенны радиостанции, спутниковой антенны, передающей КВ, УКВ антенны, последовательно соединенных приемных антенн ДВ, СВ, КВ диапазонов, и антенного коммутатора, блока фидеров и волноводных трактов, соответствующие входы которого соединены с выходами ТВ приемной антенны и спутниковой антенны, а соответствующие входы - с выходами ТВ передающей антенны, антенны радиостанции и передающей КВ, УКВ антенны, другие входы - выходы блока фидеров и волноводных трактов являются входами - выходами антенно-фидерной системы, а вход управления антенного коммутатора является управляющим входом антенно-фидерного блока.
7. Система по п. 1, отличающаяся тем, что блок приема местного телевещания содержит N блоков, каждый из которых состоит из последовательно соединенных усилителя высокой частоты (УВЧ), селектора каналов, усилителя промежуточной частоты (УПЧ) видеосигнала, выход которого является первым выходом блока, а также последовательно соединенные усилитель промежуточной частоты (УПЧ) звука, частотный детектор и усилитель звука, выход которого является вторым выходом блока, причем вход УПЧ звука соединен с вторым выходом амплитудного детектора, входы УВЧ объединены и являются входом блока приема местного ТВ.
8. Система по п. 1, отличающаяся тем, что блок приема спутникового телевидения (ТВ) и радиовещания (РВ) состоит из N блоков, каждый из которых содержит последовательно соединенные поляризатор, первый конвертер, тюнер, два выхода которого являются выходами блока спутникового ТВ и РВ, а также второй конвертер, вход которого соединен с вторым выходом поляризатора, а выход соединен с вторым входом тюнера, входы поляризаторов являются входами блока приема спутникового ТВ и РВ.
9. Система по п. 3, отличающаяся тем, что блок формирования кабельного телевидения (ТВ) состоит из N блоков, каждый из которых содержит N модуляторов, последовательно соединенные сумматор, усилитель, разветвитель, группа выходов которого является выходами блока формирования кабельного ТВ, а входы модуляторов являются входами блока формирования кабельного ТВ, выходы модуляторов соединены с m входами сумматора.
10. Система по п. 1, отличающаяся тем, что блок хранения телевизионной информации выполнен в виде N видеомагнитофонов.
11. Система по п. 1, отличающаяся тем, что блок хранения телеграфной и цифровой информации выполнен в виде N запоминающих блоков телеграфных аппаратов и компьютеров.
12. Система по п. 1, отличающаяся тем, что блок хранения радиовещательной информации выполнен в виде N магнитофонов.
13. Система по п. 3, отличающаяся тем, что блок транскодеров состоит из N блоков, каждый из которых содержит последовательно соединенные выделитель элементов сигнала, кодер и формирователь сигнала, управляющий вход которого соединен с вторым выходом выделителя элементов сигнала, вход которого и выход формирователя сигнала являются соответственно входом и выходом блока транскодера.
14. Система по п. 3, отличающаяся тем, что телевизионный (ТВ) микшер содержит две параллельные ветви, каждая из которых состоит из последовательно соединенных выделителя синхропоследовательности, фазового детектора, управляемой линии задержки, последовательно соединенных пульта управления, вычислительно-управляющего блока и электронного коммутатора, выход которого является выходом ТВ микшера, а также опорного генератора, выход которого соединен с управляющими входами фазовых детекторов и вычислительно-управляющего блока, выходы управляемых линий задержки соединены с управляющими входами электронного коммутатора, входы управления выделителей синхропоследовательности и управляемой линии задержки объединены и являются входами телевизионного микшера.
SU5042188 1992-05-14 1992-05-14 Система приема и передачи информации RU2012142C1 (ru)

Priority Applications (1)

Application Number Priority Date Filing Date Title
SU5042188 RU2012142C1 (ru) 1992-05-14 1992-05-14 Система приема и передачи информации

Applications Claiming Priority (1)

Application Number Priority Date Filing Date Title
SU5042188 RU2012142C1 (ru) 1992-05-14 1992-05-14 Система приема и передачи информации

Publications (1)

Publication Number Publication Date
RU2012142C1 true RU2012142C1 (ru) 1994-04-30

Family

ID=21604233

Family Applications (1)

Application Number Title Priority Date Filing Date
SU5042188 RU2012142C1 (ru) 1992-05-14 1992-05-14 Система приема и передачи информации

Country Status (1)

Country Link
RU (1) RU2012142C1 (ru)

Cited By (12)

* Cited by examiner, † Cited by third party
Publication number Priority date Publication date Assignee Title
RU2188508C1 (ru) * 2001-11-06 2002-08-27 Открытое акционерное общество "Ракетно-космическая корпорация "Энергия" им. С.П.Королева" Наземный мобильный измерительный комплекс
RU2212115C2 (ru) * 1998-07-13 2003-09-10 Уни.Ком С.П.А. Оптимизированная система для распределения сигналов телевизионных и телекоммуникационных служб от периферийного узла к абонентским терминалам
RU2225076C2 (ru) * 1997-10-24 2004-02-27 КАНАЛЬ+ Сосьетэ Аноним Многоканальная система цифрового телевидения
RU2234807C2 (ru) * 1998-05-28 2004-08-20 Нортпойнт Текнолоджи, Лтд. Устройство и способ обработки сигналов, выбранных из множества потоков данных
RU2274958C2 (ru) * 2001-11-06 2006-04-20 Геннадий Иванович Юденич Способ передачи и приема аудиовизуальной информации, система для его осуществления и телеприемное устройство
RU2287898C1 (ru) * 2005-04-29 2006-11-20 Федеральное государственное унитарное предприятие Омский научно-исследовательский институт приборостроения Комбинированный подвижный радиоузел связи
RU2309542C2 (ru) * 2005-08-30 2007-10-27 Негосударственное образовательное учреждение Современная Гуманитарная Академия (НОУ СГА) Устройство свч-связи
RU2312460C1 (ru) * 2006-04-14 2007-12-10 16 Центральный научно-исследовательский испытательный институт Министерства обороны Российской Федерации Устройство подвижной связи и управления
RU2490794C1 (ru) * 2012-02-20 2013-08-20 Открытое акционерное общество "Научно-производственное объединение "ЭНЕРГОМОДУЛЬ" Комбинированная радиостанция
RU2546853C1 (ru) * 2013-12-03 2015-04-10 Федеральное государственное бюджетное образовательное учреждение высшего профессионального образования "Нижегородский государственный технический университет им. Р.Е. Алексеева", НГТУ Устройство обнаружения объектов, излучающих акустические сигналы
RU2622902C1 (ru) * 2016-03-31 2017-06-21 Акционерное общество "Научно-производственное предприятие "Полет" Система коротковолновой радиосвязи
RU206786U1 (ru) * 2020-11-27 2021-09-28 Виктор Сергеевич Набилкин Приемно-передающий модуль с управлением параметрами поляризации

Cited By (12)

* Cited by examiner, † Cited by third party
Publication number Priority date Publication date Assignee Title
RU2225076C2 (ru) * 1997-10-24 2004-02-27 КАНАЛЬ+ Сосьетэ Аноним Многоканальная система цифрового телевидения
RU2234807C2 (ru) * 1998-05-28 2004-08-20 Нортпойнт Текнолоджи, Лтд. Устройство и способ обработки сигналов, выбранных из множества потоков данных
RU2212115C2 (ru) * 1998-07-13 2003-09-10 Уни.Ком С.П.А. Оптимизированная система для распределения сигналов телевизионных и телекоммуникационных служб от периферийного узла к абонентским терминалам
RU2188508C1 (ru) * 2001-11-06 2002-08-27 Открытое акционерное общество "Ракетно-космическая корпорация "Энергия" им. С.П.Королева" Наземный мобильный измерительный комплекс
RU2274958C2 (ru) * 2001-11-06 2006-04-20 Геннадий Иванович Юденич Способ передачи и приема аудиовизуальной информации, система для его осуществления и телеприемное устройство
RU2287898C1 (ru) * 2005-04-29 2006-11-20 Федеральное государственное унитарное предприятие Омский научно-исследовательский институт приборостроения Комбинированный подвижный радиоузел связи
RU2309542C2 (ru) * 2005-08-30 2007-10-27 Негосударственное образовательное учреждение Современная Гуманитарная Академия (НОУ СГА) Устройство свч-связи
RU2312460C1 (ru) * 2006-04-14 2007-12-10 16 Центральный научно-исследовательский испытательный институт Министерства обороны Российской Федерации Устройство подвижной связи и управления
RU2490794C1 (ru) * 2012-02-20 2013-08-20 Открытое акционерное общество "Научно-производственное объединение "ЭНЕРГОМОДУЛЬ" Комбинированная радиостанция
RU2546853C1 (ru) * 2013-12-03 2015-04-10 Федеральное государственное бюджетное образовательное учреждение высшего профессионального образования "Нижегородский государственный технический университет им. Р.Е. Алексеева", НГТУ Устройство обнаружения объектов, излучающих акустические сигналы
RU2622902C1 (ru) * 2016-03-31 2017-06-21 Акционерное общество "Научно-производственное предприятие "Полет" Система коротковолновой радиосвязи
RU206786U1 (ru) * 2020-11-27 2021-09-28 Виктор Сергеевич Набилкин Приемно-передающий модуль с управлением параметрами поляризации

Similar Documents

Publication Publication Date Title
US5649318A (en) Apparatus for converting an analog c-band broadcast receiver into a system for simultaneously receiving analog and digital c-band broadcast television signals
EP0594351B1 (en) Interactive television converter
US5666365A (en) Simulcast transmission of digital programs to shared antenna receiving systems
RU2012142C1 (ru) Система приема и передачи информации
HK1007058B (en) Interactive television converter
MXPA04004199A (es) Senal de recepcion de senal de television.
US20050086706A1 (en) Television system
WO2001005097A1 (en) Home network system for two-way multimedia service
USRE31639E (en) Bidirectional unicable switching system
US2697746A (en) Television program signal distribution system
US20030115608A1 (en) Signal distribution method and apparatus
US7489899B2 (en) Information network building method and network connection circuit for communication between terminals of a physical premises
JPH09168104A (ja) 共同受信施設
GB2247375A (en) Domestic audio/visual entertainment system
JP2000236523A (ja) Catvシステム用再送信装置
EP3275096A1 (en) Provision of bi-directional signals via fibre optic data distribution system
US20130219436A1 (en) Equipment for reception systems, particularly a single cable system for multiple users
JP3709026B2 (ja) Csデジタル多チャンネル放送用受信装置
JP3778067B2 (ja) デジタル放送受信システム
GB2510247A (en) Apparatus for distribution of data signals to a plurality of locations
EP2680465B1 (en) Video and/or audio data distribution system
JP2004512777A (ja) デュアルチューナセットトップターミナルのための任意選択機能を備えた外部モジュールおよびその実装方法
US3617624A (en) Television receiving apparatus
KR0143937B1 (ko) 쌍방향 케이블 티.브이. 시스템
JP3876511B2 (ja) 顧客管理システム及び管理方法