JP6686249B2 - 船舶の自動操縦システム、船舶、及び船舶の自動操縦方法 - Google Patents

船舶の自動操縦システム、船舶、及び船舶の自動操縦方法 Download PDF

Info

Publication number
JP6686249B2
JP6686249B2 JP2016255455A JP2016255455A JP6686249B2 JP 6686249 B2 JP6686249 B2 JP 6686249B2 JP 2016255455 A JP2016255455 A JP 2016255455A JP 2016255455 A JP2016255455 A JP 2016255455A JP 6686249 B2 JP6686249 B2 JP 6686249B2
Authority
JP
Japan
Prior art keywords
virtual
ship
course
movement
tracking target
Prior art date
Legal status (The legal status is an assumption and is not a legal conclusion. Google has not performed a legal analysis and makes no representation as to the accuracy of the status listed.)
Active
Application number
JP2016255455A
Other languages
English (en)
Other versions
JP2018103950A (ja
Inventor
航 村田
航 村田
Current Assignee (The listed assignees may be inaccurate. Google has not performed a legal analysis and makes no representation or warranty as to the accuracy of the list.)
Mitsui E&S Shipbuilding Co Ltd
Original Assignee
Mitsui E&S Shipbuilding Co Ltd
Priority date (The priority date is an assumption and is not a legal conclusion. Google has not performed a legal analysis and makes no representation as to the accuracy of the date listed.)
Filing date
Publication date
Application filed by Mitsui E&S Shipbuilding Co Ltd filed Critical Mitsui E&S Shipbuilding Co Ltd
Priority to JP2016255455A priority Critical patent/JP6686249B2/ja
Priority to PCT/JP2017/046384 priority patent/WO2018123948A1/ja
Publication of JP2018103950A publication Critical patent/JP2018103950A/ja
Application granted granted Critical
Publication of JP6686249B2 publication Critical patent/JP6686249B2/ja
Active legal-status Critical Current
Anticipated expiration legal-status Critical

Links

Images

Classifications

    • BPERFORMING OPERATIONS; TRANSPORTING
    • B63SHIPS OR OTHER WATERBORNE VESSELS; RELATED EQUIPMENT
    • B63HMARINE PROPULSION OR STEERING
    • B63H25/00Steering; Slowing-down otherwise than by use of propulsive elements; Dynamic anchoring, i.e. positioning vessels by means of main or auxiliary propulsive elements
    • B63H25/02Initiating means for steering, for slowing down, otherwise than by use of propulsive elements, or for dynamic anchoring
    • B63H25/04Initiating means for steering, for slowing down, otherwise than by use of propulsive elements, or for dynamic anchoring automatic, e.g. reacting to compass
    • GPHYSICS
    • G08SIGNALLING
    • G08GTRAFFIC CONTROL SYSTEMS
    • G08G3/00Traffic control systems for marine craft
    • GPHYSICS
    • G08SIGNALLING
    • G08GTRAFFIC CONTROL SYSTEMS
    • G08G3/00Traffic control systems for marine craft
    • G08G3/02Anti-collision systems

Landscapes

  • Engineering & Computer Science (AREA)
  • Ocean & Marine Engineering (AREA)
  • Radar, Positioning & Navigation (AREA)
  • Remote Sensing (AREA)
  • Physics & Mathematics (AREA)
  • General Physics & Mathematics (AREA)
  • Chemical & Material Sciences (AREA)
  • Combustion & Propulsion (AREA)
  • Mechanical Engineering (AREA)
  • Traffic Control Systems (AREA)

Description

本発明は、海底探査などの面調査をする対象船等の追尾対象体の動向に従って、自船を自動操縦する船舶の自動操縦システム、船舶、及び船舶の自動操縦方法に関する。
測量船などで使用する無人観測艇(USV)及び無人水中観測ロボット(UUV)等(以下、総称して無人航走体とする)の運用においては、その効率的な運用のために、常に測量船は、無人航走体の位置を把握し、無人航走体の管制及び観測データ等の通信等を円滑に行うために適した位置に自船を占位させる必要がある。
これに対して、測量船や海洋調査船等の船舶において搭載される自動操船装置に関しては、自動的に定点保持等を行う位置保持システム(DPS:Dynamic Positioning System)を備えることが予想され、無人航走体の円滑な運用を行うために、無人航走体の運用に合わせて自動的に自船が占位する位置を制御する目標フォロー機能を備えていることが望ましい。この目標フォロー機能においては、無人航走体等の追尾対象体の運用に応じ、自船が占位する位置(フォロー点:以下、移動地点とする)を逐次移動させることが求められる。
これに関係して、例えば、海中を航走する航走体を操縦しつつ、航走体に追従するように、自船の自動操船装置への方位指令値及び船速指令値、並びに、航走体操縦装置への方位指令値及び速度指令値を、それぞれ求めて自動操船する自動操船制御システムが提案されている(例えば、特許文献1参照)。
しかしながら、海底調査用の無人航走体のような場合には、図13に示すように、海底地形を線というよりは折り返して蛇行しながら面として調査することが行われている。そのため、上記のような、追尾対象体の動向に対して、常時自船の針路や速力を変更して、略追尾対象体と同様な自船の軌跡を残すような追従制御では、蛇行している追尾対象体を追跡する場合には、自船も蛇行してしまい、著しく無駄な動きをしてしまうという問題がある。
特許第5566426号公報
本発明は、上記の状況を鑑みてなされたものであり、その目的は、追尾対象体が蛇行するような場合においても、自船の蛇行量を少なくできて、燃費効率が良い状態で、追尾対象体に追従できる船舶の自動操縦システム、船舶、及び船舶の自動操縦方法を提供することにある。
上記のような目的を達成するための船舶の自動操縦システムは、追尾対象体の動きに従って自船を自動操船する船舶の自動操縦システムにおいて、前記追尾対象体を運用するコースに対応する仮想追尾対象体の仮想コースを前記仮想座標平面上に設けるコース設定手段と、予め設定された前記仮想コースに対しての図形的な第1条件を満たす仮想移動地点を設定する移動地点設定手段と、前記追尾対象体の位置を検出して、前記仮想座標平面上に前記仮想追尾対象体の仮想位置を描き、前記仮想位置が予め設定された前記仮想コースに対しての図形的な第2条件を満たすときを移動開始時点とする移動開始時点算出手段と、この移動開始時点となったときに移動許可信号の入力を得て若しくは移動許可信号の入力を得ることなく、前記仮想移動地点に対応する実際の移動地点に向かって自船を移動する自動操船を行う自動操船手段を有する図形追跡自動操船手段を備えて構成されている。
なお、この追尾対象体には、航走形態を限定せず、浮上航走体や水中航走体などの水上や水中を移動する移動体や船舶等でもよく、無人でも有人でもよい。また、追尾対象体の操縦形態も限定せず、自船が操縦する航走体や、自律して航行するために自船が影響を及ぼすことができない航走体や他の船舶も含む。
なお、ここでは、実際の追尾対象体と自船が航行している実際の水域に対して、パネル表示画面上やレーダー画面上や計算用の座標平面等の実際の水域を投影した座標平面を設けており、この座標平面をここでは仮想座標平面と称している。この仮想座標平面上での、追尾対象体、自船に対応するそれぞれのシンボルを仮想追尾対象体、仮想自船とし、実際の水域における位置や移動地点やコース等に対して、仮想座標平面上では「仮想」を付けて、実際の水域と区別している。
また、この仮想コースを描き続ける時間は、例えば、予め設定した時間を経過するまでの間、若しくは仮想コースの長さが予め設定された設定長さになるまでの間等であり、仮想コースの移動開始時点になったら算出された移動地点に自船を移動すると共に、次の移動開始時点になるまで同じことを行い、これを、追尾対象体が運用するコースの終了地点に至るまで、繰り返し行う。
この構成によれば、追尾対象体が蛇行するような場合においても、追尾対象体の位置を検出して、この追尾対象体の仮想位置と仮想コースとの関係を基に、追尾対象体に自船を追従させることで、自船の蛇行量を少なくできて、燃費効率が良い状態で、追尾対象体に追従できる。
上記の船舶の自動操縦システムで、前記移動開始時点算出手段が、前記仮想座標平面上において、前記仮想コースに直交若しくは斜交する仮想クロスラインと、この仮想クロスラインを横切る横切り方向を設定し、前記仮想追尾対象体が前記仮想クロスラインを前記横切り方向に横切った時点を前記移動開始時点とするクロス判定手段を備えて構成されていると、前記仮想コースと交差する仮想クロスラインを横切り方向に横切る時点を基準に移動開始を行うので、前記仮想位置が予め設定された仮想コースに対しての図形的な第2条件を満たす移動開始時点を比較的簡便なアルゴリズムで算出できる。
上記の船舶の自動操縦システムにおいて、前記移動開始時点算出手段が、追尾対象体を運用するコースに対応する仮想追尾対象体の仮想コースを前記仮想座標平面上に設けて、この仮想コース上に予めチェック領域を設けて、仮想追尾対象体が前記チェック領域を通過した時点を前記移動開始時点とするチェック領域判定手段を備えて構成されていると、仮想コース上のチェック領域を通過する時点を基準に移動開始を行うので、仮想軌跡が予め設定された仮想コースに対しての図形的な第2条件を満たす移動開始時点を比較的簡便なアルゴリズムで算出できる。
上記の船舶の自動操縦システムにおいて、前記移動開始時点算出手段が、前記仮想座標平面上において、予め等間隔のラインを設定して、前記ラインで囲まれたマス目を設けると共に、前記仮想コース上を進む前記仮想追尾対象体が通過するマス目の数を積算した積算数が予め設定された設定数に達した時点を前記移動開始時点とするグリッド判定手段を備えて構成されていると、仮想追尾対象体が通過するマス目の数を積算して設定数と比較するということで、仮想軌跡が予め設定された仮想コースに対しての図形的な第2条件を満たす移動開始時点を比較的簡便なアルゴリズムで算出できる。
上記の船舶の自動操縦システムにおいて、前記図形追跡自動操船手段が、前記移動開始時点になったときに、自船の移動を促す移動通報を発生し、移動許可信号の入力を得てから前記仮想移動地点に対応する実際の移動地点に向かって自船を移動し、移動許可信号の入力を得るまでは、自船の移動を開始しない制御をする移動待機手段を備えて構成されていると、移動許可信号の入力が操作員による判断で入れたり、入れなかったりすることができるようになるので、より安全に、自船を移動できるようになる。
上記の船舶の自動操縦システムにおいて、前記図形追跡自動操船手段が、自船を前記仮想移動地点に対応する実際の移動地点に移動してから、次の前記移動開始時点になるまで、自船を予め設定される定位置領域内に位置保持する定位置保持制御を行う定位置保持手段を備えて構成されていると、自船が漂流することなく、追尾対象体のコースに対しての位置関係を保持できる。
上記の船舶の自動操縦システムにおいて、前記図形追跡自動操船手段が、前記仮想コースの終点において、仮想終了判定領域を設けて、この仮想終了判定領域に前記仮想追尾対象体の前記仮想位置が入ったときに、制御を終了する終了判定手段を備えて構成されていると、自動的に追尾対象体への追従を終了することができる。この制御終了に際しては、操作員にその旨を知らせる通知をブザーや音声メッセージや画面表示で行うことが好ましい。
上記の船舶の自動操縦システムにおいて、前記図形追跡自動操船手段が、前記仮想コースの周囲にコース運用領域を設けて、このコース運用領域から前記仮想追尾対象体の前記仮想位置が逸脱した場合に、コース逸脱警報を発生するコース逸脱警報手段を備えて構成されていると、何らかに原因で追尾対象体が運用コースを外れたことを操作員に通知できるので、追尾対象体回収などの事故対策を早期に行うことができるようになる。
上記の船舶の自動操縦システムにおいて、前記図形追跡自動操船手段が、前記仮想コースの上にチェック領域を設けて、このチェック領域を逸脱して航行した場合に、チェック領域逸脱警報を発生するチェック領域逸脱警報手段を備えて構成されていると、何らかに原因で追尾対象体がチェック領域を逸脱して航行したことを操作員に通知できるので、追尾対象体回収などの事故対策を早期に行うことができるようになる。
前記仮想コースの最初の移動開始時点に対応する仮想追尾対象体の仮想移動開始位置に対して入力された自船の仮想入力位置と、真方位、相対方位若しくは針路を用いて、前記仮想移動開始位置と前記仮想入力位置との間の仮想離間距離を算出し、これらの入力値と算出値を用いて、自船の設定真方位、設定相対方位若しくは針路、設定仮想離間距離と、2番目以降の移動開始時点に対応する自船の仮想入力位置を設定する移動地点設定手段を備えて構成されていると、仮想コースに対しての図形的な第1条件を満たす仮想移動地点の算出及び設定を非常に簡便に行うことができるようになる。
そして、上記のような目的を達成するための船舶は、上記の船舶の自動操縦システムを備えていることを特徴とし、上記の船舶の自動操縦システムの効果を発揮できる。
上記のような目的を達成するための船舶の自動操縦方法は、追尾対象体の動きに従って自船を自動操船する船舶の自動操縦方法において、前記追尾対象体を運用するコースに対応する仮想追尾対象体の仮想コースを前記仮想座標平面上に設けて、予め設定された前記仮想コースに対しての図形的な第1条件を満たす仮想移動地点を算出する設定ステップと、前記追尾対象体の位置を検出して、前記仮想座標平面上に前記仮想追尾対象体の仮想位置を描く仮想位置表示ステップと、前記仮想位置が予め設定された前記仮想コースに対しての図形的な第2条件を満たすか否かを判定する判定ステップと、前記判定ステップで前記図形的な第2条件を満たす場合に、移動許可信号の入力を得て若しくは移動許可信号の入力を得ることなく、前記仮想移動地点に対応する実際の移動地点に向かって自船を移動するステップとを含むことを特徴とする方法である。
この方法によれば、追尾対象体が蛇行するような場合においても、追尾対象体の位置を検出して、この追尾対象体の位置に対応する仮想追尾対象体の仮想位置と仮想コースとの関係を基に、追尾対象体に自船を追従させることで、自船の蛇行量を少なくできて、燃費効率が良い状態で、追尾対象体に追従できる。
本発明の船舶の自動操縦システム、船舶、及び船舶の自動操縦方法によれば、追尾対象体が蛇行するような場合においても、追尾対象体の位置を検出して、この追尾対象体の位置に対応する仮想追尾対象体の仮想位置と仮想コースとの関係を基に、追尾対象体に自船を追従させることで、自船の蛇行量を少なくできて、燃費効率が良い状態で、追尾対象体に追従できる。
本発明の実施の形態の船舶の自動操縦システムの構成を模式的に示す図である。 本発明の実施の形態の船舶の自動操縦方法の制御フローの一例を示す図である。 仮想座標平面上の追尾対象体の仮想コースに対する図形的な条件を説明するための図である。 船舶の操縦装置の構成の一例を示す図である。 クロス判定を説明するための仮想座標平面上の一例を示す説明図である。 クロス判定を説明するための仮想座標平面上の他の例を示す説明図である。 クロス判定及び仮想座標平面上の仮想コースとコース運用領域の一例を示す説明図である。 チェック領域判定を説明するための仮想座標平面上の一例を示す説明図である。 チェック領域判定及び仮想座標平面上の仮想コースとチェック領域(通過判定円)の一例を示す説明図である。 グリッド判定を説明するための仮想座標平面上の一例を示す説明図である。 グリッド判定を説明するための仮想座標平面上の他の例を示す説明図である。 終了判定を説明するための仮想座標平面上の一例を示す説明図である。 水中航走体である追尾対象体の運用コースと自船の位置関係の例を示す説明図である。
以下、本発明に係る実施の形態の船舶の自動操縦システム、船舶、及び船舶の自動操縦方法について、図面を参照しながら説明する。そして、本発明の実施の形態の船舶は、本発明の実施の形態の船舶の自動操縦システムを備えている船舶である。図1に示すように、この船舶の自動操縦システム1は、図形追跡自動操船手段20を備え、図2に示すような制御フローの制御を行う。また、この本発明の船舶は、測量船、海洋調査船、海洋研究船、資源探査船、海底資源探査船、地球深部探査船、海洋地球研究船、ケーブル敷設船等の場合に大きな効果を発揮できるが、これらの船に限定されず、その他の船舶であってもよい。この追尾対象体には、航走形態を限定せず、浮上航走体や水中航走体などの水上や水中を移動する移動体や船舶等でもよく、無人でも有人でもよい。また、追尾対象体の操縦形態も限定せず、自船が操縦する航走体や自律して航行するために自船が影響を及ぼすことができない航走体や他の船舶も含む。
さらに、ここでは、船舶が2軸2舵の船舶で、かつ、ジョイスティック等で構成される移動情報入力部と、ダイヤル等で構成される旋回情報入力部を有する入力装置を有する船舶の操縦システムを備えている船舶を例にして説明しているが、本発明の船舶は2軸2舵に限定されず、また、入力装置も「ジョイスティックとダイヤル」の入力装置に限定されない。
なお、ここでは、実際の追尾対象体と自船が航行している実際の水域に対して、パネル表示画面上やレーダー画面上や計算用の座標平面等の実際の水域を投影した座標平面を設けており、この座標平面をここでは仮想座標平面と称している。この仮想座標平面上での、追尾対象体2、自船1に対応するそれぞれのシンボルを仮想追尾対象体2v、仮想自船1vとし、実際の水域における位置や移動地点やコース等に対して、仮想座標平面上では「仮想」を付けて、実際の水域と区別している。
つまり、実際の水域の実際の値を表示する場合は、図3に例示するように、それぞれ、コースL2、追尾対象体2の位置Pp、追尾対象体2の開始地点Ps、追尾対象体2の終了地点Pe、自船1の移動地点Piと表示し、仮想座標平面上の値を表示する場合は、それぞれ、仮想コースL2v、仮想追尾対象体2vの仮想位置Ppv、仮想開始地点Psv、仮想終了地点Pev、仮想移動地点Pivと表示する。これにより、コースL2と仮想コースL2v、位置Ppと仮想位置Ppv、開始地点Psの位置と仮想開始地点Psvの位置、終了地点Peの位置と仮想終了地点Pevの位置、移動地点Piの位置と仮想移動地点Pivの位置が、互いに相似の関係となる。
また、「真方位、相対方位、針路」に関しては、図3に例示するように、ここで用いる「真方位」αとは地形に対する方位であり、例えば、東西南北(E−W−N−S)等の方位を言う。また、ここで用いる「相対方位」βとは、自船1から他の位置(例えば仮想図心Pcv)を見たときの自船1から見える自船基準の追尾対象体2の位置Ppの方位のことを言い、例えば、自船1の船首方向を基準(0度)とした方位で、船首(0度)、右正横(90度)、船尾(180度)、左正横(270度)などである。また、針路θとは、地形に対する自船1の船首方向の方位であり、例えば、北(N)に対する方位となる
また、仮想座標平面としては、操作パネル面上や数値計算用の面等の実際の地形図と相似関係にある地形図面等の目視できる図形が好ましいが、必ずしも、目視できるものでなくて、計算上で同じ操作や算出ができれば、目視できる図形を伴っていなくてもよい。その意味でここでは「仮想座標平面」という言い方を採用している。
本発明に係る実施の形態の船舶1は、例えば、図4に示すように、船舶の操縦システム100を備えている。この船舶の操縦システム100は、左舷側推進器31aと左舷側舵31bとからなる左舷側推進システム31と、右舷側推進器32aと右舷側舵32bとからなる右舷側推進システム32の2つの推進システム31、32を船尾に備えて構成される。この左舷側推進器31aと右舷側推進器32aの両方を可変プロペラで構成する。このプロペラは固定ピッチプロペラで構成してもよいが、可変ピッチプロペラで構成すると推力の変更が容易となるのでより好ましい。また、特に図示しないが、旋回補助装置として船首スラスターや船尾スラスターを備えていてもよい。
また、入力装置40と操縦制御装置30を備えている。この入力装置40は、ジョイスティック等で構成される移動情報入力部41と、ダイヤル(回頭ダイヤル)等で構成される旋回情報入力部42とを有して構成される。この操縦制御装置30は、移動情報入力部41からの傾倒方向(操船方向:船の移動方向)と、その方向におけるジョイスティックの傾斜角度の大きさの傾斜角度のデータと、旋回情報入力部42からのダイヤルの旋回方向とダイヤル角度を入力する。
この操縦制御装置30は、これらのデータの他にも、GPS装置、ログ等からの船舶1の位置情報や速度情報、ジャイロ装置からの船首方位情報や、風向風速計からの情報、水中測位装置からの情報、レーダーからの情報、距離測定装置や測距通信装置などのからの情報などを入力して、左舷側推進器31aと右舷側推進器32aのそれぞれにおける前進又は後進の選択と、発生する推力の大きさの指令とを、それぞれのプロペラの制御装置31ac、32acに出力し、これにより、水流Wを発生し、推力Ta、Tbを得る。また、左舷側舵31bと右舷側舵32bの面舵(船首が右に回転)と取舵(船首が左に回転)の選択と、その舵角の大きさの指令とをそれぞれの舵取装置31bc、32bcに出力する。
つまり、この船舶の操縦システム100では、操作員が、自船1の操船のために入力装置40で移動情報入力部41と旋回情報入力部42を操作すると、操縦制御装置30は、この移動情報入力部41からの傾倒方向と傾斜角度のデータ、及び、旋回情報入力部42からのダイヤルの旋回方向とダイヤル角度のデータを受けて、推進器31a、32aと舵31b、32bを統合制御して、船舶の前進、後進、並進、斜め前並進、斜め後並進、その場回頭など操船を行う。
そして、本発明においては、この船舶の操縦システム100が本発明に係る実施の形態の船舶の自動操縦システム10を備えて構成される。この船舶の自動操縦システム10は、図1に示すように、図形追跡自動操船手段20を備え、また、この図形追跡自動操船手段20は、コース設定手段21、移動地点設定手段22、移動開始時点算出手段23、自動操船手段24を有している。また、さらに、移動待機手段25、定位置保持手段26、終了判定手段27、コース逸脱警報手段28A、チェック領域逸脱警報手段28B、移動地点設定手段29を備えていることが好ましい。
このコース設定手段21は、追尾対象体2を運用するコースL2に対応する仮想追尾対象体2vの仮想コースL2vを仮想座標平面上に設ける手段である。移動地点設定手段22は、予め設定された仮想コースL2vに対しての図形的な第1条件を満たす仮想移動地点(フォロー点)Pivを設定する手段である。
移動開始時点算出手段23は、追尾対象体2の位置Pvを検出して、この位置Pvに対応する仮想位置Ppvを仮想座標平面上に描き、仮想位置Ppvが予め設定された仮想コースL2vに対しての図形的な第1条件を満たすときを移動開始時点tiとする手段である。この追尾対象体2の位置Ppvを検出する際には、追尾対象体2の位置Ppに関する追尾対象体情報をソナーなどの音響装置の上方や追尾対象体2からの通信による情報などにより得て、この位置Ppを仮想座標平面上に描き、この仮想座標平面上に描かれた仮想追尾対象体2の現時点の位置を仮想追尾対象体2vの仮想位置Ppvとする。
また、自動操船手段24は、移動開始時点tiとなったときに移動許可信号の入力を得て若しくは移動許可信号の入力を得ることなく、仮想移動地点Pivに対応する実際の移動地点Piに向かって自船1を移動する自動操船を行う手段である。
この自動操船における、自船1が移動地点(フォロー点)Pi間を移動する際の船首方位α(またはβ)及び航行速度Vは、予め設定されている方位αs(またはβs)及び速度Vsを維持するように移動するものとし、それら設定方位αs(またはβs)、設定航行速度Vsは移動中においても任意に変更が可能なものとする。なお、各移動地点Pi−1〜Pi間を移動する場合には、通常は、特別な事情が無ければ、自船1は現在の移動地点Pi−1と次の移動地点Piを結ぶ直線上を移動するものとする。しかし、この直線状に障害物がある場合には、迂回するコースに変更できるようにしておくことが好ましい。
より詳細には、移動開始時点tiと移動地点Piを得て、自船1の現在位置Pi−1から移動地点Piに移動するための針路θと航行速度V等を算出する。これらの 針路θ、航行速度V等の自船1の航行用データを入力とし、舵31b、32bの舵角を操作する操舵機の制御データ、船首スラスター、船尾スラスター、プロペラ31a、32a等の推進システム31、32への制御データ等を出力する。
この入力の航行用データと制御データの関係は、予め実験や計算などにより、対応マップを作成したり、対応関数を設定したりして、入力データに対して算出値を出力するフィードフォワード制御や、入力の航行用データに対応する計測値を目標値に近づけるフィードバック制御などの周知の制御方法を用いることができる。なお、船首スラスター、船尾スラスターなどを備えている場合には、これらの制御データも出力される。
また、制御データに従っての推進システム31、32を駆動して、これにより、自船1を自動操船する。この自動操船により、移動開始時点tiから移動地点Piに向かって移動を開始し、自船1を移動地点Piに移動する。
また、移動待機手段25は、移動開始時点tiになったときに、自船1の移動を促す移動通報を発生し、移動許可信号の入力を得てから仮想移動地点Pivに対応する実際の移動地点Piに向かって自船1を移動し、移動許可信号の入力を得るまでは、自船1の移動を開始しない制御をする手段である。これにより、移動許可信号の入力が操作員による判断で入れたり、入れなかったりすることができるようになるので、より安全に、自船1を移動できるようになる。
言い換えれば、移動待機手段25は、仮想追尾対象体2vがクロスポイントPciを通過した場合には、自船1の移動地点Piへの変更を推奨する運用警報を発令し、操作員によって次の移動地点Piへの移動が承認されてから自船1は移動を開始するものとする。この場合は、この移動待機手段25により、操作員が次の移動地点Piへの移動を承認しない場合には、仮想追尾対象体2vがクロスポイントPciを通過したとしても自船1は現時点の位置である移動地点Pi−1から移動を開始しないものとする。
また、定位置保持手段26は、自船1を仮想移動地点Pivに対応する実際の移動地点Piに移動してから、次の移動開始時点ti+1になるまで、自船1を予め設定される定位置領域内に位置保持する定位置保持制御を行う手段である。つまり、自船1が移動地点Piに到達した後は、次の移動開始時点ti+1になるまでは、その地点Piにて占位し続けるように定点保持制御を行う。これにより、自船1が漂流することなく、追尾対象体2のコースL2に対しての位置関係を保持できる。
また、終了判定手段27は、図12に示すように、仮想コースL2vの仮想終了地点Pevにおいて、例えば、仮想終了地点Pevを中心とし半径devの円Cevの仮想終了判定領域Pervを設けて、この仮想終了判定領域Pervに仮想追尾対象体2vが入ったときに、制御を終了する手段である。これにより、自動的に追尾対象体2への追従を終了することができる。この制御終了に際しては、操作員にその旨を知らせる通知をブザーや音声メッセージや画面表示で行うことが好ましい。
言い換えれば、仮想コースL2vの仮想終了地点Pevに仮想追尾対象体2vが到達するのを判定する場合においては、ある一定半径devの仮想終了判定領域Pervを設定し、仮想追尾対象体2vがこの仮想終了判定領域Pervに入った時点で終了点Peに近接したと判定する。また、新たな仮想移動地点群Piv(i=1〜I)に関しては、この終了点近接判定結果に基づいて操作員が改めて設定を行うことになる。
また、コース逸脱警報手段28Aは、仮想コースL2vの周囲にコース運用領域R1を設けて、このコース運用領域R1から仮想追尾対象体2vが逸脱した場合に、コース逸脱警報を発生する手段である。つまり、仮想追尾対象体2vの位置がこの航路幅Bcのコース運用領域R1を逸脱した場合には、コース逸脱の運用警報を発令し、操作員に対する注意喚起を行う。これにより、何らかに原因で追尾対象体2が運用コースL2を外れたことを操作員に通知できるので、追尾対象体2を回収するなどの事故対策を早期に行うことができるようになる。なお、仮想追尾対象体コースに対しては予めコース逸脱警報判定用の航路幅Bcを設定することが出来るものとする。
また、チェック領域逸脱警報手段28Bは、仮想コースL2vの上にチェック領域R2を設けて、このチェック領域R2を逸脱して航行した場合に、チェック領域逸脱警報を発生する手段である。これにより、何らかに原因で追尾対象体がチェック領域を逸脱して航行したことを操作員に通知できるので、追尾対象体2を回収するなどの事故対策を早期に行うことができるようになる。
移動地点設定手段29は、図3に示すように、仮想コースL2vの最初の移動開始時点tiに対応する仮想追尾対象体2vの仮想移動開始位置Pc1に対して入力された自船1の仮想入力位置Pinvと、真方位α、相対方位β若しくは針路θを用いて、仮想移動開始位置Pc1と仮想入力位置Pinvとの間の仮想離間距離Dvを算出し、これらの入力値と算出値を用いて、自船1の設定真方位αs、設定相対方位βs若しくは針路θs、設定仮想離間距離Dvsと、2番目以降の移動開始時点Pc2に対応する自船1の仮想入力位置Pinvを設定する手段である。これにより、仮想コースL2vに対しての図形的な第2条件を満たす仮想移動地点Pivの算出及び設定を非常に簡便に行うことができるようになる。
また、その他にも、仮想移動地点Ptvと仮想コースL2vとの相対位置を、真方位αが予め設定した設定真方位αsになり、かつ、互いの仮想離間距離Dvが、予め設定された設定離間距離Dsに対応する設定仮想離間距離Dsvになるようにしてもよい。
さらには、母船となる自船1と追尾対象体2との通信などの関係で、追尾対象体2と自船1との相対方位βをある程度の範囲内(β1<β<β2)に抑える必要がある場合などでは、追尾対象体2と自船1との相対方位βがその範囲内(β1<β<β2)になるように自船1の針路θを設定したり、自船1の針路θを予め設定された設定針路θsに設定したりすることができるようにすることが好ましい。
あるいは、仮想座標平面上において、移動開始時点ts(計算時点:仮想計算地点Pev)対して予め設定された位置を仮想移動地点Pivとするように構成してもよい。この場合は、操作盤上の選択スイッチやタッチパネル上の選択スイッチなどによって、この予め設定された仮想移動地点Pisを使用することが選択され、さらに、幾つかの図形の第2条件によって予め設定された幾つかの仮想移動地点Pisの中から使用する仮想移動地点Piuを選択する。また、必要に応じて、設定相対変位βsをゼロ又は予め設定された値とするか、若しくは、設定針路θsをゼロ又は予め設定された値とする。その後は、移動開始時点tiにおける仮想追尾対象体2vの位置に対する仮想移動地点Piuの図形的な第1条件を維持した位置をその移動開始時点tiに対応する仮想移動地点Pivとし、この仮想移動地点Pivに対応する実際の移動地点Piを算出する。
また、移動開始時点tiにおける仮想追尾対象体2vの仮想位置Ppvが図示された仮想座標平面上において、入力された仮想入力位置Pinvを基準として、仮想コースL2vから見た仮想入力位置Pinvの真方位α、相対方位β若しくは針路θ、仮想位置Ppvと仮想入力位置Pinvとの間の仮想離間距離Dvを、設定真方位αs、設定相対方位βs若しくは設定針路θs、設定仮想離間距離Dsvとして設定する手段を備えて構成してもよい。
あるいは、設定真方位αs、設定相対方位βs若しくは設定針路θs、設定仮想離間距離Dsvを、入力された値αin、βin若しくはθin、Dinとする手段を備えて構成してもよい。この場合は、操作盤上の選択スイッチやタッチパネル上の選択スイッチなどによって、この手段を使用することが選択されると、その後は、真方位αin、相対方位βin若しくは針路θin、離間距離Dinを入力できるようにして、この入力された値αin、βin若しくはθin、θin、Dinをそれぞれの設定値αs、βs若しくはθs、Dsとして設定する。
そして、移動開始時点算出手段23は、クロス判定手段23aと、チェック領域判定手段23bと、グリッド判定手段23cのいずれか一つ、又は、2つの組み合わせ、又は全部を有して構成される。
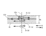
先ず、クロス判定手段23aは、図5に示すように、仮想座標平面上において、仮想コースL2vに直交若しくは斜交する仮想クロスラインL2cと、この仮想クロスラインL2cを横切る横切り方向を設定し、仮想追尾対象体2vの仮想位置Ppvが仮想クロスラインL4vを横切り方向(A方向)に横切った時点を移動開始時点tiとする。そして、このときの情報を基に自船1が占位する移動地点Piに対応する仮想移動地点Pivを設定し、更新する。
つまり、追尾対象体2を運用するコースL2に対応する仮想追尾対象体2vの仮想コース(実線で表示)L2vを仮想座標平面上に作成する。この仮想コースL2vに対して、追尾対象体2が観測任務を遂行するにあたり、コースL2上にてどの程度までその任務が進捗しているかを把握するために、この仮想コースL2vに直交又は交差する仮想クロスラインL2c(点線で表示)L2cを作成する。この仮想クロスラインL2cは、仮想コースL2vと複数個所で交差するように設定される直線や曲線で構成されるが、直線とすることが制御が単純化するのでより好ましく、その始点Pcs及び終点Pceは任意に設定される。
この仮想クロスラインL2cと仮想コースL2vとの交点をクロスポイントPci(i=1〜6)と称する。このクロスポイントPciを仮想追尾対象体2vが通過するごとに1→2→3・・・とカウントする。各クロスポイントPciにおいては、仮想コースL2v上の仮想追尾対象体2vの進行方向に応じて、仮想クロスラインL2cを横切る方向を識別する。より具体的には、例えば、図5に示すように、仮想コースL2vに対し、進行方向を左方向(A方向)とする。
なお、図5及び図6において、Psは運用開始時の初期仮想移動地点(初期フォロー点)を示し、これに対して各点Piは、追尾対象体2の各クロスポイントPciの通過を認識して自船1を移動させるべき仮想移動地点Pivを示す。この仮想移動地点Pivの位置は、追尾対象体2の各クロスポイントPciの通過に応じた位置を、任意に設定できるものとする。例えば、図6では各クロスポイントPciに対する仮想移動地点Piv(i=1〜6)を直線上に設定した例を示しているが、必ずしも全ての仮想移動地点Piv(i=1〜6)を直線上に設定する必要は無い。
また、クロス判定手段23aでは、図7に示すように、仮想コースL2vのラインを中心に一定の幅(コース幅。操作員による手動設定が可能)Bcを持たせ、この幅Bcの中のコース運用領域R1で、予め自動設定された横切り方向Aを仮想追尾対象体2vが通過した場合に、当該クロスポイントPciを通過したと認定するものとする。しかし、図7に示す、追尾対象体2v(a)のようにコース運用領域R1内を通過する場合は通過とするが、追尾対象体2v(b)のようなコース運用領域R1の外の航行は非通過とし、追尾対象体2v(c)のような逆行は非通過とする。これにより、隣接のコースL2の航路との干渉等による誤認識を防ぐ。なお、コース逸脱警報手段28Aにより、仮想コースL2vの周囲に設けたコース運用領域R1から仮想追尾対象体2vが逸脱した場合に、コース逸脱警報を発生することが好ましい。
次に、チェック領域判定手段23bについて説明する。このチェック領域判定手段23bは、図9に示すように、仮想座標平面上に追尾対象体2を運用するコースL2に対応する仮想追尾対象体2vの仮想コースL2vを設けて、この仮想コースL2v上に予めチェック領域Priを設けて、仮想追尾対象体2vがこのチェック領域Priを通過した時点を移動開始時点tiとする。そして、このときの情報を基に自船1が占位する移動地点Piに対応する仮想移動地点Pivを設定し、更新する。
つまり、図9に示すように、追尾対象体2を運用するコースL2に対応する仮想追尾対象体2vの仮想コース(実線で表示)L2vを仮想座標平面上に作成する。この仮想コースL2vに対して、追尾対象体2が観測任務を遂行するにあたり、コースL2上にてどの程度までその任務が進捗しているかを把握するために、この仮想コースL2vにチェック領域(チェックポイント:1点鎖線で表示)Priを作成する。このチェック領域Priは、例えば、図8に示すように、仮想コースL2v上の任意の地点Pcriに複数(図8では12か所に)設定される。その始点Pr1及び終点Pr12は任意に設定される。このチェック領域Priを仮想追尾対象体2vが通過するごとに1→2→3・・・とカウントする。
各チェック領域Pri(i=12)においては、予め設定された半径drとチェックポイントPcriによりチェック領域Priを形成する通過判定円Crを設定する。図9に示すように、追尾対象体2v(a)がこの通過判定円Crの内部を通過する場合を、当該チェック領域Priを通過したと認定する。また、追尾対象体2v(b)のようにこの通過判定円Crの外部を通過した場合には、当該チェック領域Priを通過していないと認定する。
なお、仮想追尾対象体2v(c)がチェック領域Priを通過したと認定されていないにも関わらず、当該チェック領域Pri以降の仮想コースL2vを航走していると判定された場合には、運用警報を発令し、操作員に対する注意喚起を行う。この運用警報を確認した後、操作員の指示入力によって次の移動地点Piへの移動を開始することが出来るものとする。
次に、グリッド判定手段23cについて説明する。図10及び図11に示すように、このグリッド判定手段23cでは、仮想座標平面上に予め等間隔のラインであるグリッド(格子:点線で表示)を設定して、このラインで囲まれたマス目を設けると共に、追尾対象体2を運用するコースL2に対応する仮想追尾対象体2vの仮想コース(実線で表示)L2vを設けて、この仮想コースL2v上を進む仮想追尾対象体2vが通過するマス目の数を積算し、このマス目の積算数Nmが予め設定された設定数Ncに達した時点を移動開始時点tiとする。そして、このときの情報を基に自船1が占位する移動地点Piに対応する仮想移動地点Pivを設定し、更新する。
つまり、追尾対象体2を運用するコースL2に対応する仮想追尾対象体2vの仮想コースL2vを仮想座標平面上に作成する。この仮想コースL2vに対して、追尾対象体2が観測任務を遂行するにあたり、コースL2上にてどの程度までその任務が進捗しているかを把握するために、設定運用コースエリアとしてのグリッドエリア(格子領域)Rgを作成する。このグリッドエリアRgは、東西方向をY軸、南北方向をX軸とし、グリッドの相互距離Dgは航行速度Vや風速や潮流の速度等のパラメータにより設定することが好ましく、操作員が操作することなく、製造・調整段階での設定しておくことが好ましい。そして、仮想追尾対象体2vの仮想コースL2vが設定されると同時に、設定運用コースエリアRgが自動的に認識され、システム上にて設定されるように構成する。
この設定運用コースエリアRgに対し、追尾対象体2が航走したコースL2に該当する仮想座標平面上の仮想コースL2vを航走する仮想追尾対象体2vが通過し他マス目の数を積算し、その積算値Nmを算出する。この積算値Nmが設定値Ncを超えるか否かを判定し、積算値Nmが設定値Ncを超えたときを移動開始時点tiとする。この設定値Ncは、操作員により予め設定されるものとする。
このマス目に関する設定値Ncは、追尾対象体2がカバーする観測エリアの全体に対する割合、言い換えれば、追尾対象体2の運用のコースL2(仮想追尾対象体2vの仮想コースL2v)における航走率に関係する値であり、この割合を常時算出して、設定した割合(航走率)に応じて、移動地点Piを順次変更、設定するものである。つまり、仮想コースL2v全体のます目数Nmaxを航走率100%とし、移動開始時点算出用の判定用航走率(例えば10%等)ηとするときに、設定値Ncを「Nc=(η/100)×Nmax)」とする。
なお、このマス目の数の積算値(航走率)は、追尾対象体2が実際に航走したエリアでカウントするのではなく、あくまで仮想コースL2vにおける仮想追尾対象体2vの仮想位置Ppvに基づいて算出する。つまり、実際の追尾対象体2の位置が運用コースL2からずれている場合には、実際の追尾対象体2の位置Ppを仮想座標平面上に投影した仮想位置Ppvを基にマス目の数の積算値の算出を行う。
この構成によれば、追尾対象体2が蛇行するような場合においても、追尾対象体2の位置Ppを検出して、この追尾対象体2の位置Ppに対応する仮想追尾対象体2vの仮想位置Ppvと仮想コースL2vとの関係を基に、追尾対象体2に自船1を追従させることで、自船1の蛇行量を少なくできて、燃費効率が良い状態で、追尾対象体2に追従できる。
なお、自動操船システムの図形追跡自動操船手段20で自動操船する図形追跡自動操船モードで自動操船中に、旋回情報入力部42のダイヤルが操作員によって操作されるなどの、予め設定された中断用操作がなされたことを検出した場合には、図形追跡自動操船モードを自動的に手動により操船をする手動操船モードに切り替えることが好ましい。この手動操船モードでは、例えば、自船1のプロペラ回転数若しくは可変ピッチプロペラのピッチ角度や舵角を、移動情報入力部41のジョイスティックの傾斜方向と傾斜角度、旋回情報入力部42のダイヤルの回転量などの操作量に従って操作し、これにより、自船1の針路と航行速度などが制御される。
また、再度、図形追跡自動操船モードに戻る場合には、自動的に再び図形追跡自動操船モードに移行させずに、改めて、図形追跡自動操船モードを選択した場合に、戻るように構成される。
次に、本発明に係る実施の形態の船舶の自動操縦方法について、図2の制御フローを参照しながら説明する。この船舶の自動操縦方法は、追尾対象体2の動きに従って自船1を自動操船する船舶の自動操縦方法において、追尾対象体2を運用するコースL2に対応する仮想追尾対象体2vの仮想コースL2vを仮想座標平面上に設けて、予め設定された仮想コースL2vに対しての図形的な第1条件を満たす仮想移動地点Pivを算出する設定ステップと、追尾対象体2の位置Ppを検出して、この位置Ppに対応する仮想位置Ppvを仮想座標平面上に描く仮想位置表示ステップと、仮想位置Ppvが予め設定された仮想コースL2vに対しての図形的な第2条件を満たすか否かを判定する判定ステップと、この判定ステップで前記図形的な第2条件を満たす場合に、移動許可信号の入力を得て若しくは移動許可信号の入力を得ることなく、仮想移動地点Pivに対応する実際の移動地点Piに向かって自船を移動するステップとを含む方法である。
この船舶の自動操縦方法は、図2に例示するような制御フローによって実施できる。この図2の制御フローは、本発明に係る実施の形態の船舶(自船)1の操船の開始と共に、上級の制御フローから呼ばれてスタートし、自船1の操船の終了と共に、上級の制御フローに戻り、上級の制御フローと共に終了するものとして示してある。
自船1の操船が開始されると、図2の制御フローがスタートし、ステップS11で、自動操縦装置による自動操船モードが要求されているか否かを、操船用スイッチや操船用のタッチパネルなどにより判定する。このステップS11で自動操船モードが選択されていなければ(NO)、予め設定された時間を経過した後にステップS11に戻る。また、ステップS11で自動操船モードが選択されていれば(YES)、ステップS12に行き、図形追跡自動操船モードが選択されているかを判定する。
このステップS11とステップS12は同時に行うことが好ましい。つまり、図形追跡自動操船モードの選択のみで自動的に自動操船モードが選択されると判定できるようにすることで、図形追跡自動操船モードへの移行を円滑に行えるようにする。
ステップS12で図形追跡自動操船モードが選択されていなければ(NO)、予め設定された時間を経過した後にステップS11に戻る。また、ステップS12で図形追跡自動操船モードが選択されば(YES)、ステップS13に行く。
次のステップS13では、仮想移動地点Pivを設定するための設定真方位αs、設定相対方位βs若しくは設定針路θsと設定仮想離間距離Dsv若しくは設定離間距離Dsを設定するか否かをチェックし、これらを設定するのであれば(YES)、ステップS14に行く。ステップS14の移動地点設定で、移動地点設定手段22で各種の設定値を設定する。
ステップS13で移動地点設定を行う必要が無い場合は(NO)、ステップS15の移動開始時点の算出を行う。このステップS15では、移動開始時点算出手段23のうちの3つのクロス判定手段23a、チェック領域判定手段23b、グリッド判定手段23cのいずれかを選択して、それぞれの手段によって移動開始時点tiを算出する。
この移動開始時点tiの算出では,追尾対象体2の位置Pvを、レーダーやソナーなどにより得て、これらの追尾対象体2の自船1に対する位置情報から、自船1の針路θの変化分や位置移動分を補正することにより、自船1との相対位置関係だけでなく、絶対座標(地形に固定の座標)での位置関係としての位置Pvを得ることができ、この追尾対象体2の位置Pvを仮想座標平面上に仮想追尾対象体2vの仮想位置Ppvとして表示する。なお、この移動開始時点の算出では、コース逸脱警報手段28A若しくはチェック領域逸脱警報手段28Bにより、追尾対象体2の動きを監視し、必要に応じて警報を発生する。また、終了判定手段27により、仮想追尾対象体2の位置Ppvが仮想終了判定領域に入ったときは、割り込みに行き、この図2の制御フローを終了する。この制御終了に際しては、操作員にその旨を知らせる通知をブザーや音声メッセージや画面表示で行うことが好ましい。
そして、ステップS16で、移動開始時点tiが算出された自船1を移動するか否かを判定する。この判定で、移動開始時点tiとなっていれば、ステップS17の自動操船による移動に行く。また、移動開始時点tiとなっていければ、ステップS18の定点保持制御による定点保持に行く。
ステップS17の自動操船による移動では、移動開始時点tiが自動操船手段24に出力されると、移動開始時点tiと移動地点Piに基づいて、移動地点Piに移動するための、自船1の航行で必要な自船情報を算出する。つまり、自船1の現在地点Pi−1から移動地点Piに移動するための針路θと航行速度Vなどを算出する。特別な事情が無ければ、通常は直線的に移動地点Piに向かうが、回避する場所や追尾対象体がある場合には、その回避を行う航路とこの航路を航行するための情報を算出する。この移動に際しては、移動待機手段25により待機する必要がある場合には移動開始の指示を待ってから、移動を開始する。
そして、航行用の自船情報から、舵や船首スラスターや船尾スラスターや推進装置等の具体的な装置を制御する操船情報を算出する。この航行用の自船情報から操船情報を算出する方法は、周知のフィードフォワード法やフィードバック法などの制御アルゴリズムを用いることができる。そして、ステップS17の自動操船による移動で、自船1が移動地点に到達すると、ステップS13に戻る。
一方、ステップS17では、定点保持制御による定点保持を予め設定された制御時間お間行って、ステップS13に戻る。この定点保持は、移動地点Piを中心とする定点保持制御であり、周知の定点保持制御の技術で行われる。そして、この定点保持制御は、S16のステップで移動開始時点の算出で、移動開始時点ti+1になるまで行われる。言い換えれば、ステップS16の自動操船による移動を行っていないときは定点保持を行う。
なお、終了判定手段27による制御の終了、又は、何らかの都合で、この図形追跡自走操船モードが終了になるときは、割り込みにより、図2の制御フローを中断して、リターンに行き、上級の制御フローに戻る。そして、必要に応じて、上級の制御フローの終了と共に、図2の制御フローも終了する。
そして、本発明の実施の形態の船舶1は、上記の船舶の自動操縦システム10を備えて構成される。従って、この船舶1は、上記の船舶の自動操縦システム10を使用して自動操船できるので、この船舶の自動操縦システム10で可能な船舶の自動操船方法を実施できる。
従って、上記の船舶の自動操縦システム10、船舶1、及び船舶の自動操縦方法によれば、追尾対象体2が蛇行するような場合においても、追尾対象体2の位置Ppを検出して、この追尾対象体2の位置Ppに対応する仮想追尾対象体2vの仮想位置Ppvと仮想コースL2vとの関係を基に、追尾対象体2に自船1を追従させることで、自船1の蛇行量を少なくできて、燃費効率が良い状態で、追尾対象体2に追従できる。
1 自船
2 追尾対象体
2v 仮想追尾対象体
10 船舶の自動操縦システム
20 図形追跡自動操船手段
21 コース設定手段
22 移動地点設定手段
23 移動開始時点算出手段
23a クロス判定手段
23b チェック領域判定手段
23c グリッド判定手段
24 自動操船手段
25 移動待機手段
26 定位置保持手段
27 終了判定手段
28A コース逸脱警報手段
28B チェック領域逸脱警報手段
29 移動地点設定手段
30 操縦制御装置
31a 左舷側推進器
31b 左舷側舵
31 左舷側推進システム(推進システム)
32a 右舷側推進器
32b 右舷側舵
32 右舷側推進システム(推進システム)
40 入力装置
41 移動情報入力部
42 旋回情報入力部
α 真方位
β 相対方位
θ 針路
Dv 仮想離間距離
L2 追尾対象体の運用コース
L2v 仮想コース
Pp 追尾対象体の位置
Ppv 仮想追尾対象体の仮想位置

Claims (12)

  1. 追尾対象体の動きに従って自船を自動操船する船舶の自動操縦システムにおいて、
    前記追尾対象体を運用するコースに対応する仮想追尾対象体の仮想コースを前記仮想座標平面上に設けるコース設定手段と、
    予め設定された前記仮想コースに対しての図形的な第1条件を満たす仮想移動地点を設定する移動地点設定手段と、
    前記追尾対象体の位置を検出して、前記仮想座標平面上に前記仮想追尾対象体の仮想位置を描き、前記仮想位置が予め設定された前記仮想コースに対しての図形的な第2条件を満たすときを移動開始時点とする移動開始時点算出手段と、
    この移動開始時点となったときに移動許可信号の入力を得て若しくは移動許可信号の入力を得ることなく、前記仮想移動地点に対応する実際の移動地点に向かって自船を移動する自動操船を行う自動操船手段を有する図形追跡自動操船手段を備えて構成されていることを特徴とする船舶の自動操縦システム。
  2. 前記移動開始時点算出手段が、前記仮想座標平面上において、前記仮想コースに直交若しくは斜交する仮想クロスラインと、この仮想クロスラインを横切る横切り方向を設定し、
    前記仮想追尾対象体が前記仮想クロスラインを前記横切り方向に横切った時点を前記移動開始時点とするクロス判定手段を備えて構成されていることを特徴とする請求項1に記載の船舶の自動操縦システム。
  3. 前記移動開始時点算出手段が、前記追尾対象体を運用するコースに対応する仮想追尾対象体の仮想コースを前記仮想座標平面上に設けて、この仮想コース上に予めチェック領域を設けて、
    仮想追尾対象体が前記チェック領域を通過した時点を前記移動開始時点とするチェック領域判定手段を備えて構成されていることを特徴とする請求項1または2に記載の船舶の自動操縦システム。
  4. 前記移動開始時点算出手段が、前記仮想座標平面上において、予め等間隔のラインを設定して、前記ラインで囲まれたマス目を設けると共に、前記仮想コース上を進む前記仮想追尾対象体が通過するマス目の数を積算した積算数が予め設定された設定数に達した時点を前記移動開始時点とするグリッド判定手段を備えて構成されていることを特徴とする請求項1〜3のいずれか1項に記載の船舶の自動操縦システム。
  5. 前記図形追跡自動操船手段が、前記移動開始時点になったときに、自船の移動を促す移動通報を発生し、移動許可信号の入力を得てから前記仮想移動地点に対応する実際の移動地点に向かって自船を移動し、移動許可信号の入力を得るまでは、自船の移動を開始しない制御をする移動待機手段を備えて構成されていることを特徴とする請求項1〜4のいずれか1項に記載の船舶の自動操縦システム。
  6. 前記図形追跡自動操船手段が、自船を前記仮想移動地点に対応する実際の移動地点に移動してから、次の前記移動開始時点になるまで、自船を予め設定される定位置領域内に位置保持する定位置保持制御を行う定位置保持手段を備えて構成されていることを特徴とする請求項1〜5のいずれか1項に記載の船舶の自動操縦システム。
  7. 上記の船舶の自動操縦システムにおいて、前記図形追跡自動操船手段が、前記仮想コースの終点において、仮想終了判定領域を設けて、この仮想終了判定領域に前記仮想追尾対象体の前記仮想位置が入ったときに、制御を終了する終了判定手段を備えて構成されていることを特徴とする請求項1〜6のいずれか1項に記載の船舶の自動操縦システム。
  8. 前記図形追跡自動操船手段が、前記仮想コースの周囲にコース運用領域を設けて、このコース運用領域から前記仮想追尾対象体の前記仮想位置が逸脱した場合に、コース逸脱警報を発生するコース逸脱警報手段を備えて構成されていることを特徴とする請求項1〜7のいずれか1項に記載の船舶の自動操縦システム。
  9. 前記図形追跡自動操船手段が、前記仮想コースの上にチェック領域を設けて、このチェック領域を逸脱して航行した場合に、チェック領域逸脱警報を発生するチェック領域逸脱警報手段を備えて構成されていることを特徴とする請求項1〜8のいずれか1項に記載の船舶の自動操縦システム。
  10. 前記仮想コースの最初の移動開始時点に対応する仮想追尾対象体の仮想移動開始位置に対して入力された自船の仮想入力位置と、真方位、相対方位若しくは針路を用いて、前記仮想移動開始位置と前記仮想入力位置との間の仮想離間距離を算出し、これらの入力値と算出値を用いて、自船の設定真方位、設定相対方位若しくは針路、設定仮想離間距離と、2番目以降の移動開始時点に対応する自船の仮想入力位置を設定する移動地点設定手段を備えて構成されていることを特徴とする請求項1〜8のいずれか1項に記載の船舶の自動操縦システム。
  11. 請求項1〜10のいずれか1項に記載の船舶の自動操縦システムを備えていることを特徴とする船舶。
  12. 追尾対象体の動きに従って自船を自動操船する船舶の自動操縦方法において、
    前記追尾対象体を運用するコースに対応する仮想追尾対象体の仮想コースを前記仮想座標平面上に設けて、予め設定された前記仮想コースに対しての図形的な第1条件を満たす仮想移動地点を算出する設定ステップと、
    前記追尾対象体の位置を検出して、前記仮想座標平面上に前記仮想追尾対象体の仮想位置を描く仮想位置表示ステップと、
    前記仮想位置が予め設定された前記仮想コースに対しての図形的な第2条件を満たすか否かを判定する判定ステップと、
    前記判定ステップで前記図形的な第2条件を満たす場合に、移動許可信号の入力を得て若しくは移動許可信号の入力を得ることなく、前記仮想移動地点に対応する実際の移動地点に向かって自船を移動するステップとを含むことを特徴とする船舶の自動操縦方法。
JP2016255455A 2016-12-28 2016-12-28 船舶の自動操縦システム、船舶、及び船舶の自動操縦方法 Active JP6686249B2 (ja)

Priority Applications (2)

Application Number Priority Date Filing Date Title
JP2016255455A JP6686249B2 (ja) 2016-12-28 2016-12-28 船舶の自動操縦システム、船舶、及び船舶の自動操縦方法
PCT/JP2017/046384 WO2018123948A1 (ja) 2016-12-28 2017-12-25 船舶の自動操縦システム、船舶、及び船舶の自動操縦方法

Applications Claiming Priority (1)

Application Number Priority Date Filing Date Title
JP2016255455A JP6686249B2 (ja) 2016-12-28 2016-12-28 船舶の自動操縦システム、船舶、及び船舶の自動操縦方法

Publications (2)

Publication Number Publication Date
JP2018103950A JP2018103950A (ja) 2018-07-05
JP6686249B2 true JP6686249B2 (ja) 2020-04-22

Family

ID=62707552

Family Applications (1)

Application Number Title Priority Date Filing Date
JP2016255455A Active JP6686249B2 (ja) 2016-12-28 2016-12-28 船舶の自動操縦システム、船舶、及び船舶の自動操縦方法

Country Status (2)

Country Link
JP (1) JP6686249B2 (ja)
WO (1) WO2018123948A1 (ja)

Families Citing this family (4)

* Cited by examiner, † Cited by third party
Publication number Priority date Publication date Assignee Title
US11181916B2 (en) 2020-03-20 2021-11-23 Yamaha Hatsudoki Kabushiki Kaisha Watercraft and watercraft control system
US11334079B2 (en) 2020-03-26 2022-05-17 Yamaha Hatsudoki Kabushiki Kaisha Watercraft and watercraft control system
CN115277533B (zh) * 2022-07-20 2023-11-03 内蒙古电力(集团)有限责任公司内蒙古电力科学研究院分公司 变电站静态物理链路拓扑自动绘制方法
CN116245916B (zh) * 2023-05-11 2023-07-28 中国人民解放军国防科技大学 一种面向无人艇的红外舰船目标跟踪方法及装置

Family Cites Families (4)

* Cited by examiner, † Cited by third party
Publication number Priority date Publication date Assignee Title
JPH08249060A (ja) * 1995-03-15 1996-09-27 Yokogawa Denshi Kiki Kk 自律型水中航走装置
JP2009132257A (ja) * 2007-11-30 2009-06-18 Universal Shipbuilding Corp 操船制御方法、プログラム及び装置、並びに自動操船制御システム
JP5442071B2 (ja) * 2012-07-04 2014-03-12 ジャパンマリンユナイテッド株式会社 操船制御装置、自動操船制御システム、操船制御方法、及びプログラム
JP5566426B2 (ja) * 2012-07-04 2014-08-06 ジャパンマリンユナイテッド株式会社 操船制御装置、自動操船制御システム、操船制御方法、及びプログラム

Also Published As

Publication number Publication date
JP2018103950A (ja) 2018-07-05
WO2018123948A1 (ja) 2018-07-05

Similar Documents

Publication Publication Date Title
JP7756895B2 (ja) 船舶の自動誘導方法、船舶の自動誘導プログラム、船舶の自動誘導システム、及び船舶
US12165522B1 (en) Marine propulsion control system and method with collision avoidance override
CN113759939B (zh) 一种受限水域智能航行方法及装置
Campbell et al. A review on improving the autonomy of unmanned surface vehicles through intelligent collision avoidance manoeuvres
EP1365301B1 (en) Method and system for maneuvering a movable object
JP6336162B2 (ja) 改良した船舶操縦方法およびシステム
US11600184B2 (en) Marine propulsion control system and method
CN109960262B (zh) 一种基于几何法的无人艇动态避障方法和系统
CN102999050A (zh) 一种智能水下机器人的自主避障方法
JP5932362B2 (ja) 船体用制御装置、船体用制御プログラムおよび船体の制御方法
WO2018123947A1 (ja) 船舶の自動操縦システム、船舶、及び船舶の自動操縦方法
US20170370724A1 (en) Systems and associated methods for route generation and modification
JP6686249B2 (ja) 船舶の自動操縦システム、船舶、及び船舶の自動操縦方法
JPWO2020111044A1 (ja) 制御目標生成装置及び操船制御装置
CN102945045A (zh) 基于激光传感器和前视声纳的无人艇组合避障装置和方法
KR20170064345A (ko) 운항체의 자율운항시스템 및 그 제어방법
JP2012203682A (ja) 水中航走体用船上管制装置の表示方法
Yan et al. An obstacle avoidance algorithm for unmanned surface vehicle based on a star and velocity-obstacle algorithms
Mahipala et al. Model predictive control for path following and collision-avoidance of autonomous ships in inland waterways
JP2021076537A (ja) 船舶の着桟支援プログラム、船舶の着桟支援システム、及び船舶の着桟支援システムを装備した船舶
Jo et al. Development of autonomous algorithm for boat using robot operating system
Paez et al. Implementation of an unmanned surface vehicle for environmental monitoring applications
Wu et al. Development and field testing of an unmanned surface vehicle system for guidance control and target tracking
JPH0578476B2 (ja)
Gauslaa Navigation, guidance, and control for autonomous docking of ships

Legal Events

Date Code Title Description
A711 Notification of change in applicant

Free format text: JAPANESE INTERMEDIATE CODE: A712

Effective date: 20180604

A625 Written request for application examination (by other person)

Free format text: JAPANESE INTERMEDIATE CODE: A625

Effective date: 20190313

TRDD Decision of grant or rejection written
A01 Written decision to grant a patent or to grant a registration (utility model)

Free format text: JAPANESE INTERMEDIATE CODE: A01

Effective date: 20200303

A61 First payment of annual fees (during grant procedure)

Free format text: JAPANESE INTERMEDIATE CODE: A61

Effective date: 20200305

R150 Certificate of patent or registration of utility model

Ref document number: 6686249

Country of ref document: JP

Free format text: JAPANESE INTERMEDIATE CODE: R150

S111 Request for change of ownership or part of ownership

Free format text: JAPANESE INTERMEDIATE CODE: R313111

R350 Written notification of registration of transfer

Free format text: JAPANESE INTERMEDIATE CODE: R350

R250 Receipt of annual fees

Free format text: JAPANESE INTERMEDIATE CODE: R250

R250 Receipt of annual fees

Free format text: JAPANESE INTERMEDIATE CODE: R250

R250 Receipt of annual fees

Free format text: JAPANESE INTERMEDIATE CODE: R250