JP4033273B2 - インバータの並列運転制御方法 - Google Patents

インバータの並列運転制御方法 Download PDF

Info

Publication number
JP4033273B2
JP4033273B2 JP09984298A JP9984298A JP4033273B2 JP 4033273 B2 JP4033273 B2 JP 4033273B2 JP 09984298 A JP09984298 A JP 09984298A JP 9984298 A JP9984298 A JP 9984298A JP 4033273 B2 JP4033273 B2 JP 4033273B2
Authority
JP
Japan
Prior art keywords
inverter
current
inverters
current value
pulse width
Prior art date
Legal status (The legal status is an assumption and is not a legal conclusion. Google has not performed a legal analysis and makes no representation as to the accuracy of the status listed.)
Expired - Fee Related
Application number
JP09984298A
Other languages
English (en)
Other versions
JPH11285259A (ja
Inventor
康久 榎本
Current Assignee (The listed assignees may be inaccurate. Google has not performed a legal analysis and makes no representation or warranty as to the accuracy of the list.)
Toyo Electric Manufacturing Ltd
Original Assignee
Toyo Electric Manufacturing Ltd
Priority date (The priority date is an assumption and is not a legal conclusion. Google has not performed a legal analysis and makes no representation as to the accuracy of the date listed.)
Filing date
Publication date
Application filed by Toyo Electric Manufacturing Ltd filed Critical Toyo Electric Manufacturing Ltd
Priority to JP09984298A priority Critical patent/JP4033273B2/ja
Publication of JPH11285259A publication Critical patent/JPH11285259A/ja
Application granted granted Critical
Publication of JP4033273B2 publication Critical patent/JP4033273B2/ja
Anticipated expiration legal-status Critical
Expired - Fee Related legal-status Critical Current

Links

Images

Landscapes

  • Inverter Devices (AREA)
  • Control Of Ac Motors In General (AREA)

Description

【0001】
【発明の属する技術分野】
本発明は、電力変換スイッチング素子で構成され直流電源を交流電源に変換するインバータを複数台並列接続し、1台あるいは複数台の誘導電動機(以下単に電動機と云う)を運転する装置に於いて、各インバータ出力電流が平衡するように制御するインバータの並列運転制御方法に関する。
【0002】
【従来の技術】
大容量の電動機をインバータで運転する場合、複数台のインバータを並列接続し大容量化を実現する。この場合、インバータを構成する電力変換スイッチング素子は共通に設けられた駆動信号の点孤パルス(以下単に点孤パルスと云う)を複数台同時に供給し駆動されるのが一般的である。ただしこのような場合、配線やインバータの構成要素のばらつき等の為に、各インバータの出力電流が平衡せず、特定インバータに電流が集中するようなことがあれば破損に至ることが起こりうるので、各インバータはその電流を監視し、送られてくる共通の点孤パルス幅を任意に短くすることで電流平衡を実現している。
【0003】
図2は2台のインバータを並列接続した場合の構成図例であり、本図により従来技術を詳細に説明する。
直流電源1は、並列接続された2台のインバータ10、20により交流電源に変換される。更に電動機2は、並列接続されたインバータ10、20により変換された交流電源で駆動されている。インバータ10、20を構成する電力変換スイッチング素子(図示せず)は共通の駆動装置3から出力される点孤パルスで同時に駆動されるのであるが、先にも述べた様にインバータ10、20の構成要素のばらつき等によりそれぞれの出力電流は同じ値には成らず不平衡となる。例えば、電力変換スイッチング素子の導通/非導通に至る時間や電流が流れた時の電圧降下のばらつきによる電流不平衡である。
この為、電流検出器11、21によりインバータ10、20の出力電流を監視し、平均値算出器4の出力と電流検出器11、21の出力を駆動信号制御量演算装置(以下単に制御演算装置と云う)12、22に入力することにより、駆動信号の電力変換スイッチング素子の点孤パルスの幅を、インバータ電流が全てのインバータ電流の平均値より大きい時は点孤パルス幅を短くし電流を押さえると云う様に任意に短くする点孤パルス幅制御量を演算し、点孤パルス幅制御装置13、23にて駆動信号のパルス幅を任意に制御することで、インバータ10、20の電流を平衡させている。
【0004】
【発明が解決しようとする課題】
この制御演算装置12、22に於いて、各インバータ電流からのパルス幅制御量は平均値算出器4の出力と、各インバータの電流の値を比較、演算し決定するという方法をとっている。そして電流の大きい方のインバータには点孤パルス幅を短くし、電流を減少させようという制御が働くようになっている。しかしこのとき、電流の小さい方のインバータには何も制御が働かずに通常の運転を継続しているだけである。すなわち2台のインバータのうち出力電流の大きい方のインバータの出力電流を減少させ、各インバータの電流の平均値に近づけて、各インバータの電流を平衡させるという制御方法であり、電流値の小さい方のインバータには制御が働かないので、各インバータの電流の平均値と、電流の小さい方のインバータの電流値の差の分の誤差が必ず発生してしまうと云う課題を有していた。
本発明は上述した点に鑑みて創案されたもので、その目的とするところは、これらの欠点を解決し、2台以上のインバータの並列運転の電流平衡補償動作に於いて、より精度の高い補償動作が得られるインバータの並列運転制御方法を提供する事にある。
【0005】
【課題を解決するための手段】
つまり、その目的を達成するための手段は、
1)請求項1において、
共通の駆動信号の点孤パルスで駆動される電力変換スイッチング素子で構成され直流電源を交流電源に変換するインバータを複数台並列に接続し、1台あるいは複数台の誘導電動機を運転する際に、該各インバータ電流値を入力とし該インバータ電流が平衡するように該電力変換スイッチング素子に与えられる該点孤パルス幅を任意に短くする制御量を出力する演算装置を設け、該演算装置の演算結果により、制御された該点孤パルスで該各インバータを駆動することで該各インバータ電流が平衡するように運転されるインバータの並列運転方法に係わり、
該演算装置の演算方法を、電流検出器より検出した該各インバータの電流値から最小値を算出したものを基準とし、これと該各インバータ電流値と比較して、該インバータ電流値が大きいときに、該点孤パルス幅を短くするようにしたことを特徴とするインバータの並列運転制御方法である。
【0006】
2)請求項2において、
前記演算装置の演算方法を、あらかじめ入力しておいた、該各インバータ電流値の最小値に設定した値を基準とする請求項1記載のインバータの並列運転制御方法である。
すななわち、従来の方法では、各インバータ電流からのパルス幅制御量は各インバータの電流の値と、各インバータの電流の値の平均値を比較、演算し決定するという方法をとっていたが、これを各インバータの電流の値と、各インバータの電流の値の最小値とを比較、演算するようにし、そして電流の大きい方のインバータには点孤パルス幅を短くし、電流を減少させようという制御が働くようにする。
【0007】
このような手段を講じる事で次の作用により課題点を解決できる。
従来の方法である、各インバータの電流値と各インバータの電流の値の平均値を比較、演算し決定するという方法では、前述のような理由で、各インバータの電流の平均値と、電流の小さい方のインバータの電流値の差の分の誤差が必ず発生してしまうという問題を有していたが、これを各インバータの電流値と各インバータの電流の最小値を比較することによって、電流の大きな方のインバータの電流値を、電流の小さな方のインバータの電流値に近づけるという制御にすることになり、制御を安定させ且つ電流平衡を実現させることが可能となる。
以下、本発明の一実施例を図面に基づいて詳述する。
【0008】
【発明の実施の形態】
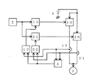
図1は本発明が適用された一実施例を示すブロック図であり、これにより詳細に説明する。なお、この説明では2台並列運転を例にとって説明するが、これはインバータ並列運転台数が複数台でも同じ原理であるためその説明を割愛する。図1において、直流電源1は、並列接続された2台のインバータ10、20により交流電源に変換される。更に電動機2は、並列接続されたインバータ10、20により変換された交流電源で駆動されている。
インバータ10、20を構成する電力変換スイッチング素子(図示せず)は、共通の駆動装置3から出力される点孤パルスで同時に駆動されるのであるが、先にも述べた様にインバータ10、20の構成要素のばらつき等によりそれぞれの出力電流は同じ値には成らず不平衡となる。
【0009】
例えば、電力変換スイッチング素子の導通/非導通に至る時間や電流が流れた時の電圧降下のばらつきによる電流不平衡である。
この為、電流検出器11、21によりインバータ10、20の出力電流を監視し、最小値算出器5により出力された各インバータの電流の最小値と、電流検出器11、21の出力を駆動信号制御量演算装置(以下単に制御演算装置と云う)12、22に入力することにより、駆動信号の電力変換スイッチング素子の点孤パルスの幅を、例えばインバータ電流が他のインバータ電流より大きい時は点孤パルス幅を短くし電流を押さえると云う様に任意に短くする点孤パルス幅制御量を演算し、点孤パルス幅制御装置13、23にて駆動信号のパルス幅を任意に制御することで、インバータ10、20の電流を従来よりも正確に平衡させることが可能となる。
【0010】
【発明の効果】
以上に述べたように本発明によれば、2台以上のインバータを並列に運転して1台または複数台の誘導電動機を運転する場合において、より安定した電流平衡補償動作を提供することが出来、実用上、極めて有用性の高いものである。
【図面の簡単な説明】
【図1】本発明の一実施例を示すブロック図である。
【図2】従来の一例を示すブロック図である。
【符号の説明】
1 直流電源
2 誘導電動機
3 点孤パルスを発生する駆動装置
4 平均値算出器
5 最小値算出器
10、20 インバータ
21 電流検出器
22 駆動信号制御量演算装置
13、23 点孤パルス幅制御装置

Claims (1)

  1. 共通の駆動信号の点孤パルスで駆動される電力変換スイッチング素子で構成され直流電源を交流電源に変換するインバータを複数台並列に接続し、1台あるいは複数台の誘導電動機を運転する際に、該各インバータ電流値を入力とし該インバータ電流が平衡するように該電力変換スイッチング素子に与えられる該点孤パルス幅を任意に短くする制御量を出力する演算装置を設け、該演算装置の演算結果により、制御された該点孤パルスで該各インバータを駆動することで該各インバータ電流が平衡するように運転されるインバータの並列運転方法に於いて、該演算装置の演算方法を、電流検出器より検出した該各インバータの電流値から最小値を算出したものを基準とし、これと該各インバータ電流値と比較して、該インバータ電流値が大きいときに、該点孤パルス幅を短くするようにしたことを特徴とするインバータの並列運転制御方法。
JP09984298A 1998-03-30 1998-03-30 インバータの並列運転制御方法 Expired - Fee Related JP4033273B2 (ja)

Priority Applications (1)

Application Number Priority Date Filing Date Title
JP09984298A JP4033273B2 (ja) 1998-03-30 1998-03-30 インバータの並列運転制御方法

Applications Claiming Priority (1)

Application Number Priority Date Filing Date Title
JP09984298A JP4033273B2 (ja) 1998-03-30 1998-03-30 インバータの並列運転制御方法

Publications (2)

Publication Number Publication Date
JPH11285259A JPH11285259A (ja) 1999-10-15
JP4033273B2 true JP4033273B2 (ja) 2008-01-16

Family

ID=14258067

Family Applications (1)

Application Number Title Priority Date Filing Date
JP09984298A Expired - Fee Related JP4033273B2 (ja) 1998-03-30 1998-03-30 インバータの並列運転制御方法

Country Status (1)

Country Link
JP (1) JP4033273B2 (ja)

Families Citing this family (3)

* Cited by examiner, † Cited by third party
Publication number Priority date Publication date Assignee Title
GB2504361B (en) 2012-07-27 2020-04-01 Nidec Control Techniques Ltd Control system and method
JP6216639B2 (ja) * 2013-12-27 2017-10-18 日立オートモティブシステムズ株式会社 モータ制御装置
US10284094B2 (en) 2017-03-10 2019-05-07 Kabushiki Kaisha Toshiba Current balance adjustment circuit and power conversion system

Also Published As

Publication number Publication date
JPH11285259A (ja) 1999-10-15

Similar Documents

Publication Publication Date Title
KR910010823A (ko) Ac 모터 제어장치
JP4033273B2 (ja) インバータの並列運転制御方法
JP3864834B2 (ja) Pwmサイクロコンバータ
JP4712148B2 (ja) 電力変換装置
JPH05219776A (ja) 誘導子電流感知回路
JP2006288035A (ja) 電力変換システム
JPH09294380A (ja) 偏磁抑制制御装置
JPH06261585A (ja) インバータ装置
JPH0698557A (ja) パルス幅変調制御インバータの制御回路
KR100685444B1 (ko) 단상인버터의 병렬제어시스템
JP2011125099A (ja) インバータの並列運転制御装置
JPH1094260A (ja) インバータ装置の並列接続装置
JP4365132B2 (ja) 直流電動機の制御装置
JPH08223808A (ja) インバータの並列運転装置
JPH11122936A (ja) インバータの並列運転方法
JP2599414B2 (ja) トランジスタインバータ装置
JP4606999B2 (ja) 電力供給装置
JPS6323586A (ja) 誘導電動機の速度制御装置
JPS61295877A (ja) Pwmインバ−タ
SU1750001A1 (ru) Устройство дл управлени преобразователем частоты и числа фаз
JPS586391B2 (ja) インバ−タソウチ
JP2003230293A (ja) 誘導機駆動用インバータ装置
JPS5812560Y2 (ja) インバ−タ装置用制御装置
JP3024708B2 (ja) 電流形インバ―タ
JP2002136186A (ja) モータ制御装置

Legal Events

Date Code Title Description
A621 Written request for application examination

Free format text: JAPANESE INTERMEDIATE CODE: A621

Effective date: 20041124

A977 Report on retrieval

Free format text: JAPANESE INTERMEDIATE CODE: A971007

Effective date: 20070514

A131 Notification of reasons for refusal

Free format text: JAPANESE INTERMEDIATE CODE: A131

Effective date: 20070522

A521 Written amendment

Free format text: JAPANESE INTERMEDIATE CODE: A523

Effective date: 20070723

TRDD Decision of grant or rejection written
A01 Written decision to grant a patent or to grant a registration (utility model)

Free format text: JAPANESE INTERMEDIATE CODE: A01

Effective date: 20071017

A61 First payment of annual fees (during grant procedure)

Free format text: JAPANESE INTERMEDIATE CODE: A61

Effective date: 20071017

FPAY Renewal fee payment (event date is renewal date of database)

Free format text: PAYMENT UNTIL: 20101102

Year of fee payment: 3

R150 Certificate of patent or registration of utility model

Free format text: JAPANESE INTERMEDIATE CODE: R150

FPAY Renewal fee payment (event date is renewal date of database)

Free format text: PAYMENT UNTIL: 20101102

Year of fee payment: 3

FPAY Renewal fee payment (event date is renewal date of database)

Free format text: PAYMENT UNTIL: 20111102

Year of fee payment: 4

FPAY Renewal fee payment (event date is renewal date of database)

Free format text: PAYMENT UNTIL: 20111102

Year of fee payment: 4

FPAY Renewal fee payment (event date is renewal date of database)

Free format text: PAYMENT UNTIL: 20121102

Year of fee payment: 5

FPAY Renewal fee payment (event date is renewal date of database)

Free format text: PAYMENT UNTIL: 20131102

Year of fee payment: 6

LAPS Cancellation because of no payment of annual fees