JP3979367B2 - 光制御デバイス、空間光変調装置及びプロジェクタ - Google Patents

光制御デバイス、空間光変調装置及びプロジェクタ Download PDF

Info

Publication number
JP3979367B2
JP3979367B2 JP2003312753A JP2003312753A JP3979367B2 JP 3979367 B2 JP3979367 B2 JP 3979367B2 JP 2003312753 A JP2003312753 A JP 2003312753A JP 2003312753 A JP2003312753 A JP 2003312753A JP 3979367 B2 JP3979367 B2 JP 3979367B2
Authority
JP
Japan
Prior art keywords
light
movable mirror
resistance value
electrode
unit
Prior art date
Legal status (The legal status is an assumption and is not a legal conclusion. Google has not performed a legal analysis and makes no representation as to the accuracy of the status listed.)
Expired - Fee Related
Application number
JP2003312753A
Other languages
English (en)
Other versions
JP2005084103A (ja
Inventor
哲朗 山▲崎▼
高司 武田
政敏 米窪
Current Assignee (The listed assignees may be inaccurate. Google has not performed a legal analysis and makes no representation or warranty as to the accuracy of the list.)
Seiko Epson Corp
Original Assignee
Seiko Epson Corp
Priority date (The priority date is an assumption and is not a legal conclusion. Google has not performed a legal analysis and makes no representation as to the accuracy of the date listed.)
Filing date
Publication date
Application filed by Seiko Epson Corp filed Critical Seiko Epson Corp
Priority to JP2003312753A priority Critical patent/JP3979367B2/ja
Priority to TW093122128A priority patent/TWI294976B/zh
Priority to US10/918,469 priority patent/US6937378B2/en
Priority to SG200404700A priority patent/SG109576A1/en
Priority to CNB2004100585717A priority patent/CN100410805C/zh
Priority to DE602004002159T priority patent/DE602004002159T2/de
Priority to KR1020040065113A priority patent/KR100637954B1/ko
Priority to EP04254962A priority patent/EP1508830B1/en
Publication of JP2005084103A publication Critical patent/JP2005084103A/ja
Application granted granted Critical
Publication of JP3979367B2 publication Critical patent/JP3979367B2/ja
Anticipated expiration legal-status Critical
Expired - Fee Related legal-status Critical Current

Links

Images

Landscapes

  • Mechanical Light Control Or Optical Switches (AREA)

Description

本発明は、光により制御可能な光制御デバイス、その光制御デバイスを用いた空間光変調装置、及び、その空間光変調装置を用いたプロジェクタの技術に関するものである。
従来、プロジェクタの空間光変調装置として、例えば、ティルトミラーデバイスが用いられている。ティルトミラーデバイスは、マイクロ・エレクトロ・メカニカル・システム(Micro Electro Mechanical Systems;以下、「MEMS」という。)技術により、集積回路基板上に複数の可動ミラーを形成したものである。可動ミラーは、画像信号に応じて反射位置を移動し、照明光を反射する。ティルトミラーデバイスは、可動ミラーを制御することにより、画像信号に応じて照明光を反射し、変調する。ティルトミラーデバイスの技術としては、例えば、特許文献1に提案されているものがある。
米国特許第5867202号明細書
従来のティルトミラーデバイスは、CMOS(相補型金属酸化膜半導体)等を用いる集積回路基板上に可動ミラー等を形成するものである。集積回路とMEMS構造とを一体に形成すると、歩留まりを低下させる原因となる場合がある。そこで、ティルトミラーデバイスに、光を入射させることにより駆動する光制御デバイスを用いることが考えられる。複数の光制御デバイスを用いるティルトミラーデバイスは、各光制御デバイスに画像信号に応じた光(以下、適宜「制御光」という。)を走査することによって駆動を制御することができる(光アドレッシング)。光アドレッシングが可能となると、ティルトミラーデバイスは、各可動ミラーに電気的にアクセスするための配線等が不要となる。このため、集積回路とMEMS構造とを一体に形成することを不要とし、ティルトミラーデバイスの歩留まりを軽減できる。また、可動ミラーを容易に大型にできるため、高解像度を実現することも容易である。集積回路を不要とすることにより、ティルトミラーデバイスを低廉にできるうえ、集積回路の耐電圧に制限されることなくティルトミラーデバイスを駆動することも可能である。さらに、集積回路を不要とすること、基板に硝子部材を用いることができることから、ティルトミラーデバイスの大型化も低コストにできる。
光制御デバイスは、駆動用電極と、可動部である可動ミラーとの間の電位差により生じる静電力を制御して可動ミラーを駆動する。ここで、駆動用電極と可動部との間の電位差が僅かである場合、発生する静電力も微小である。駆動用電極と可動部との間に発生する静電力が微小であると、可動ミラーを駆動することができない場合がある。また、駆動用電極と可動ミラーとの間の電位差の可変範囲が僅かであると、僅かな光量の制御光を入射させただけで、駆動用電極と可動ミラーとの間の電位差が可変範囲内において大きく変化してしまう。このため、制御光の光量を変化させることにより可動ミラーを正確な位置に移動させることが困難となる。このように、光制御デバイスは、駆動用電極と可動ミラーとの間の電位差が僅かであると、画像信号に応じて可動ミラーの正確な制御を行うことが困難となる場合があるため問題である。本発明は、上述の問題に鑑みてなされたものであり、入力信号に応じて正確に可動部の駆動を制御できる光制御デバイス、その光制御デバイスを用いた空間光変調装置、及びプロジェクタを提供することを目的とする。
上述した課題を解決し、目的を達成するために、本発明によれば、制御光を供給する制御光用光学系と、光学的に透明な透明電極と、透明電極の上に設けられ、透明電極を透過した制御光の光量に応じて電気的な抵抗値が可変である導電率可変部と、導電率可変部上に設けられた駆動用電極と、所定の位置に移動可能な可動部と、透明電極と可動部との間に所定の電圧を印加する電源と、駆動用電極と可動部との間に設けられている所定の抵抗値の抵抗部と、を有し、所定の抵抗値は、導電率可変部の最大抵抗値と最小抵抗値との間のいずれかの値であって、制御光を透明電極に入射させることにより、駆動用電極と可動部との間に導電率可変部の抵抗値に対応する所定の力を発生させ、可動部は、所定の力により移動することを特徴とする光制御デバイスを提供することができる。
透明電極と可動部との間には、電源により所定の電圧が印加されている。また、駆動用電極と可動部との間に、抵抗部が設けられている。このため、駆動用電極と可動部とは、抵抗部を介して電気的に接続されている。透明電極と駆動用電極との間に設けられている導電率可変部は、制御光を入射させることにより抵抗値が変化する。駆動用電極と可動部との間の抵抗部は、導電率可変部の最小抵抗値と最大抵抗値との間のいずれかの値である所定の抵抗値を有する。透明電極と可動部との間には、所定の電圧を印加する電源が設けられている。これらから、本発明の光制御デバイスは、制御光の光量により抵抗値が可変の導電率可変部と、所定の抵抗値の抵抗部とが直列に接続された抵抗分圧回路と等価である。
例えば、抵抗部を設けず、駆動用電極と可変部との間が電気的に絶縁されている場合を考える。この場合、駆動用電極と可変部との間は、抵抗値が略無限大の抵抗により接続されているものと同視することができる。駆動用電極と可動部との間の抵抗の抵抗値が略無限大であると、導電率可変部の抵抗値を変化させても、駆動用電極と可動部との間の電位差の変化は僅かである。駆動用電極と可動部との間の電位差が僅かである場合、駆動用電極と可動部との間に発生する静電力も微小である。駆動用電極と可動部との間に発生する静電力が微小であると、可動部を駆動することができない場合がある。また、駆動用電極と可動部との間の電位差の可変範囲が僅かであると、僅かな光量の制御光を入射させることのみによって、駆動用電極と可動部との間の電位差が可変範囲内において大きく変化してしまう。このため、制御光の光量を変化させることにより可動部を正確な位置に移動させることが困難となる。
これに対して、本発明の光制御デバイスは、駆動用電極と可動部との間に抵抗部を設けている。駆動用電極と可動部との間に抵抗部を設けると、駆動用電極と可動部との間の電位差は、抵抗部に印加される電圧に応じて変化する。そして、抵抗部の抵抗値は、導電率可変部の最小抵抗値と最大抵抗値との間の所定の値をとる。抵抗部の抵抗値を導電率可変部の最小抵抗値と最大抵抗値との間の所定の値とすると、導電率可変部の抵抗値を変化させることによって、駆動用電極と可動部との間の電位差をより広い範囲で変化させることができる。駆動用電極と可動部との間の電位差を広い範囲で変化させることが可能であると、駆動用電極と可動部との間に発生させる静電力の大きさの可変範囲も広くなる。静電力の大きさの可変範囲が広くなり静電力を大きくすることができると、可動部を容易に駆動することができる。また、制御光の光量の変化に対して静電力の可変範囲が大きくなると、可動部を所望の位置に移動させることが容易になる。このため、光量の制御を高い精度で行うことが困難な光源を制御光用光源部として用いても、光制御デバイスの制御を十分に行うことができる。さらに、静電力の大きさの可変範囲が広がることにより、制御光の光量の連続的な変化に応じて可動部の位置を正確に制御することも可能となる。これにより、入力信号に応じて正確に可動部の駆動を制御できる光制御デバイスを得られる。この光制御デバイスは、特に、アナログ信号に正確に対応して可動部を駆動することができる。
また、本発明の好ましい態様としては、導電率可変部の最小抵抗値をRL、導電率可変部の最大抵抗値をRD、抵抗部の抵抗値をRC、とそれぞれしたときに、以下の式(1)を満足することが望ましい。
4RL≦RC≦RD/4 (1)
さらに好ましくは、以下の条件式を満足することが望ましい。
C=(RL×RD1/2 (2)
これらの条件式により、駆動用電極と可動部との間の電位差の可変範囲をより大きくすることができる。これにより、入力信号に応じてさらに正確に可動部の駆動を制御できる光制御デバイスを得られる。さらに好ましくは、導電率可変部の最小抵抗値RLと、最大抵抗値RDとは、少なくとも2桁以上の差を有するような値であることが望ましい。これにより、駆動用電極と可動部との間の電位差の可変範囲を十分に確保し、可動部の駆動を正確に制御することができる。
さらに、本発明によれば、所定の位置に移動可能な可動ミラーを備えた複数の光制御可動ミラーデバイスを有し、光制御可動ミラーデバイスは、上記の光制御デバイスであって、可動部は、可動ミラーであることを特徴とする空間光変調装置を提供することができる。光制御可動ミラーデバイスとして上記の光制御デバイスを用いることにより、可動部である可動ミラーの駆動を、画像信号に応じて正確に制御することができる。また、可動ミラーは、特に、アナログ信号に正確に対応して駆動することが可能である。これにより、画像信号に応じて正確に制御することができ、特に、アナログ信号に正確に対応して駆動することが可能な空間光変調装置を得られる。
さらに、本発明によれば、照明光を供給する照明光用光源部と、照明光用光源部からの照明光を画像信号に応じて変調する空間光変調装置と、空間光変調装置で変調された光を投写する投写レンズと、を有し、空間光変調装置は、上記の空間光変調装置であることを特徴とするプロジェクタを提供することができる。上記の空間光変調装置を用いることにより、画像信号に応じて光を正確に投写できる。これにより、高品質な投写像のプロジェクタを得られる。
以下に、本発明に係る光制御デバイス、及びプロジェクタの実施例を図面に基づいて詳細に説明する。なお、この実施例により本発明が限定されるものではない。
図1は、本発明の第1実施形態に係るプロジェクタ100の概略構成を示す。プロジェクタ100は、固体発光素子である発光ダイオード素子(以下、適宜「LED」という。)を複数設けた照明光用光源部101を有する。照明光用光源部101は、第1色光であるR光を供給するR光用LED102Rと、第2色光であるG光を供給するG光用LED102Gと、第3色光であるB光を供給するB光用LED102Bとを有する。照明光用光源部101から供給された照明光は、フィールドレンズ103を透過した後、空間光変調装置120の変調部104に入射する。フィールドレンズ103は、変調部104をテレセントリックに照明する機能、即ち、照明光をできるだけ主光線に平行にして変調部104に入射させる機能を有する。プロジェクタ100は、照明光用光源部101の像を投写レンズ105の入射瞳107の位置に結像する。このため、変調部104は、照明光用光源部101から供給される照明光によりケーラー照明される。
空間光変調装置120は、変調部104と、制御光用光学系130とからなる。変調部104は、投写レンズ105の側の表面に、画像信号に応じて移動可能な複数の可動ミラー108を有する。複数の可動ミラー108は、変調部104の平面上に、略直交する格子状に配列されている。変調部104は、可動ミラー108を画像信号に応じて移動させて照明光用光源部101からの照明光を投写レンズ105の方向、又は投写レンズ105以外の方向に反射させる。そして、変調部104は、各可動ミラー108で反射され、投写レンズ105の入射瞳107に入射させる光の光量を画像信号に応じて変化させることにより、階調を表現する。このようにして、変調部104は、照明光用光源部101からの照明光を、制御部112からの画像信号に応じて変調する。制御部112は、画像信号に応じて照明光用光源部101と、空間光変調装置120とを制御する。投写レンズ105は、変調部104で変調された光をスクリーン106に投写する。
制御光用光学系130は、ガルバノミラー116と、制御光用光源部110とからなる。制御光用光学系130は、変調部104に対して、投写レンズ105とは反対側に設けられている。制御光用光源部110は、ビーム状の光、例えば、レーザ光である制御光Lを供給する。制御光用光源部110は、例えば、半導体レーザ素子や面発光レーザ素子を用いることができる。そして、制御光用光源部110に変調器を設けることにより、制御部112からの画像信号に応じて制御光Lの強度を変調することができる。制御光Lは、ガルバノミラー116により変調部104の方向に反射され、変調部104上に入射する。ガルバノミラー116は、略直交する所定の2軸を中心として回動することにより、制御光Lを二方向に走査させる。ガルバノミラー116の回動は、制御部112によって、画像信号に応じて制御されている。このようにして、制御光用光学系130は、制御光Lを変調部104に走査させる。
次に、図2−1を用いて、光制御可動ミラーデバイス200の構成について説明する。光制御可動ミラーデバイス200は、一つの可動ミラー108を駆動するための構成である。光制御可動ミラーデバイス200は、MEMS(Micro Electro Mechanical Systems)技術により作成することができる。光学的に透明な平行平板である硝子基板201の上には、光学的に透明な透明電極202が形成されている。透明電極202は、ITO膜で構成できる。透明電極202の上には、導電率可変部203が形成されている。導電率可変部203は、透明電極202を透過した制御光Lにより、電気的な導電率を変化させる。
導電率可変部203は、例えばアモルフォス・シリコン(以下、「a−Si」という。)又は感光性有機膜等を用いることができる。例えば、a−Siは、水素を含んでいることが望ましい。また、a−Siは、気相成長法(CVD法)により、例えば、10μmの厚さで成膜することができる。a−Siは、制御光Lを全く照射させていない状態では、電気的な導電率が最小となり、最大抵抗値となる。最大抵抗値のとき、導電率可変部203は、絶縁性部材と略同一の機能を有する。これに対して、a−Siに制御光Lを照射させると、その光量に応じて導電率が大きくなる(即ち抵抗値が小さくなる)。導電率可変部203において導電率が変化する領域は、制御光Lを照射させた透明電極202の領域である。例えば、硝子基板201に平行な面内において25μm角の正方形形状を有し、厚さが10μmのa−Siを、導電率可変部203として用いるとする。この場合、制御光Lを全く入射させないときのa−Siの抵抗値は、約100MΩである。また、制御光Lを入射させているときのa−Siの抵抗値は、約0.01MΩである。従って、このa−Siは、約0.01MΩから約100MΩまでの間において抵抗値を変化させることができる。
絶縁層204は、導電率可変部203上の略中央領域を除いた位置に、スパッタ技術により形成される。絶縁層204には、例えばSiO2を用いることができる。絶縁層204の上には、電極205が設けられている。また、駆動用電極210は、導電率可変部203の上に直接設けられている。電極205と駆動用電極210とは、導電性物質、例えばアルミニュウム(Al)で構成できる。電極205と駆動用電極210とを可動ミラー108の側から見ると、電極205は、図3に示すように、駆動用電極210の周囲を取り囲むように配置されている。絶縁層204も、電極205と同様に、駆動用電極210の周囲を取り囲むように配置されている。
電源209は、一方の電極を透明電極202に、他方の電極を電極205に接続している。これにより、電源209は、透明電極202と電極205との間に所定電圧を印加する。電極205の上には、可動ミラー108と、可動ミラー108を移動可能に支持する支持部206とが形成されている。可動ミラー108は、導電性物質、例えば、アルミニュウム(Al)で構成することができる。支持部206は、導電性を有する可撓性部材、又は導電性を有する弾性部材(金属ばね等)である。支持部206が導電性を有するため、支持部206を介して可動ミラー108と電極205とは同電位である。
駆動用電極210と、電極205との間に、抵抗部220が設けられている。抵抗部220としては、一部又は全体が、例えばチタン酸バリウム系セラミックスや、SiO2、ZnO等の高抵抗材料で構成された部材を用いることができる。抵抗部220の抵抗値は、導電率可変部203の最小抵抗値と最大抵抗値との間のいずれかの値である。抵抗部220が設けられている位置は、図3に示すように、駆動用電極210の正方形形状の一辺と、電極205との間の位置である。抵抗部220は、駆動用電極210と、電極205とに接着させて設けられている。上述のように、電極205は、支持部206を介して可動ミラー108と同電位である。このことから、駆動用電極210と可動ミラー108とは、抵抗部220を介して電気的に接続されている。なお、絶縁層204と、抵抗部220とは、いずれもSiO2により構成することができる。絶縁層204と抵抗部220とにいずれもSiO2を用いると、絶縁層204と、抵抗部220とを一体にすることができ、部品点数を減少できる。
抵抗部220を設ける位置は、駆動用電極210と、電極205とに接着させることができる位置であれば、駆動用電極210の正方形形状の一辺と、電極205との間の位置に限られない。例えば、図4−1、図4−2に示すように、抵抗部420は、駆動用電極210の正方形形状の四辺と接着させるようにして配置しても良い。この場合も、光制御可動ミラーデバイス400の駆動用電極210と可動ミラー108とを、抵抗部420を介して電気的に接続することができる。このように、抵抗部220は、抵抗部220を設ける位置、大きさを適宜変更することにより、駆動用電極210及び電極205と、抵抗部220とが接触している面積を調整することができる。このため、抵抗部220を設ける位置、大きさは、抵抗部220の材料に応じて適宜変更することが望ましい。抵抗部220を設ける位置、大きさと、抵抗部220の材料とを適切に選択することにより、抵抗部220の抵抗値を所望の値にすることができる。
図2−1に戻って、電源209は、透明電極202と可動ミラー108との間に所定電圧を印加している。これらから、光制御可動ミラーデバイス200の構成は、駆動用電極210と可動ミラー108とが電気的に接続された電気回路と等価である。光制御可動ミラーデバイス200と等価な電気回路において、導電率可変部203は、図2−2に示すように、コンデンサC1と可変抵抗R1とが並列しているものと置き換えられる。また、抵抗部220は、コンデンサC2と抵抗R2とが並列しているものと置き換えられる。従って、図2−1に示す光制御可動ミラーデバイス200の構成は、図2−2に示すような抵抗分圧回路と等価である。
次に、図2−1、図2−2を用いて、制御光Lによる光制御可動ミラーデバイス200の制御について説明する。可動ミラー108は、駆動用電極210と、可動ミラー108との間の電位差に応じた所定の力、例えば静電力(引力)Fにより駆動する。上述のように、抵抗部220は、駆動用電極210と、可動ミラー108との間に設けられている。従って、静電力Fは、抵抗部220に電圧を印加することによって発生する。そして、抵抗部220に印加する電圧を変化させることによって静電力Fの強度が変化する。抵抗部220に印加する電圧を変化させることによって、可動ミラー108の位置を制御することができる。
図2−2に示す抵抗分圧回路から、電源209からの電圧は、抵抗部220に印加される電圧と、導電率可変部203に印加される電圧とに分圧されることがわかる。このため、導電率可変部203の抵抗値を変化させることによって、抵抗部220に印加する電圧を変化させることができる。まず、透明電極202に、制御光用光学系130からの制御光Lを入射させない場合について説明を行う。透明電極202に制御光Lを入射させない場合、導電率可変部203の電気的な抵抗値は最大となる。導電率可変部203が最大抵抗値であるとき、導電率可変部203に印加される電圧は最大値となる。これに対して、分圧により、抵抗部220に印加される電圧は最小値となる。上述のように、支持部206は、導電性を有する可撓性部材、又は導電性を有する弾性部材である。支持部206が撓む程度まで静電力Fが発生していないとき、または、静電力Fが全く発生していないとき、可動ミラー108は、図2−1に示すように、硝子基板201と略平行となるような位置状態をとる。
次に、透明電極202に、画像信号に応じて強度を変調された制御光Lを入射させる場合について説明を行う。透明電極202に、制御光Lを入射させると、導電率可変部203のうち透明電極202に接合している部分について、制御光Lの光量に応じて電気的な抵抗値が減少する。厳密には、導電率可変部203の抵抗値が変化する領域は、光の強度とその照射時間とに比例して、照射位置を中心として周辺へ拡がる傾向がある。変調部104は、制御光Lを高速に走査させることにより、順次、隣接する可動ミラー108を制御する。このため、制御光Lを照射させた領域近傍のみの抵抗値が変化するものとして扱う。
導電率可変部203の抵抗値が減少すると、導電率可変部203に印加されている電圧も小さくなる。導電率可変部203に印加されている電圧が小さくなると、分圧のバランスの変化により、抵抗部220に印加されている電圧は大きくなる。ここで、導電率可変部203の抵抗値は、透明電極202を透過した制御光Lの光量に応じて変化するため、抵抗部220にも、制御光Lの光量に応じた電圧が印加される。制御光Lの光量は画像信号に応じて変化することから、抵抗部220には、画像信号に応じた電圧が印加される。
抵抗部220に印加される電圧が、支持部206を撓ませるような大きさの静電力Fを生じさせる程度である場合、可動ミラー108は、支持部206が撓むことによって、駆動用電極210の方向に移動する。そして、可動ミラー108は、静電力Fの大きさに応じた位置状態をとることができる。上述のように、静電力Fの大きさは、抵抗部220に印加されている電圧の大きさに対応して変化する。抵抗部220に印加されている電圧は、制御光Lにより、画像信号に応じて変化させることができる。従って、透明電極202に画像信号に応じて光量が変調された制御光Lを入射させることによって、可動ミラー108は、画像信号に応じて位置状態を変化させることができる。なお、制御部112は、ガルバノミラー116の駆動と、制御光Lの変調とを同期することにより、各光制御可動ミラーデバイス200を制御する。画像の1フレーム中、R光、G光、B光のそれぞれについて、画像信号に応じて変調された制御光Lを各光制御可動ミラーデバイス200に走査させることにより、光アドレッシングを行うことができる。
なお、可動ミラー108と駆動用電極210とが接触した場合、可動ミラー108と駆動用電極210との間に通電又は帯電を生じ、可動ミラー108が駆動用電極210に当接したまま制御できない状態となり得る。このため、支持部206は、静電力Fが最大となったときに可動ミラー108と駆動用電極210とが接触しないような可撓性部材等を用いる必要がある。または、静電力Fにより可動ミラー108の傾きが最大となるときに可動ミラー108と電極205とが当接可能であれば良い。可動ミラー108と電極205とは互いに同電位であるから、当接しても通電や帯電を生じない。このため、可動ミラー108と電極205とを当接させることにより、可動ミラー108と駆動用電極210とが接触することを防止できるうえ、可動ミラー108が制御できない状態となることを回避できる。
また、駆動用電極210と可動ミラー108とが、抵抗部220を介して導電する箇所以外の箇所で電気的に接続すると、駆動用電極210と可動ミラー108との間に画像信号に応じた電位差が正確に生じないこととなる。駆動用電極210と可動ミラー108との間に画像信号に応じた電位差が生じないと、可動ミラー108の正確な制御が困難となる場合がある。そこで、絶縁層204は、駆動用電極210と可動ミラー108とが抵抗部220を介する以外に電気的に接続することを確実に防止するために設けられている。
次に、本発明との対比として、抵抗部220を設けていない光制御可動ミラーデバイスの構成について説明する。図9−1は、抵抗部220を設けていない光制御可動ミラーデバイス900の構成を示す。図9−1に示す光制御可動ミラーデバイス900は、図2−1の光制御可動ミラーデバイス200と同一の部分には同一の符号を付している。また、光制御可動ミラーデバイス900と光制御可動ミラーデバイス200との重複する部分についての説明は省略する。駆動用電極210と可動ミラー108との間に抵抗部220が設けられていないことと、絶縁層204を設けていることにより、駆動用電極210と可動ミラー108とは、電気的に絶縁されている。
図9−2は、光制御可動ミラーデバイス900における電気的な接続と等価の電気回路を示す。電気回路において、導電率可変部203は、コンデンサC5と可変抵抗R5とが並列しているものと置き換えられる。また、駆動用電極210と可動ミラー108との間は、上述のように、電気的に絶縁されている。この場合、駆動用電極210と可動ミラー108との間は、抵抗値が略無限大の抵抗により接続されているものと同視することができる。このため、駆動用電極210と可動ミラー108との間は、コンデンサC6と、抵抗値が略無限大の抵抗R6とが並列しているものと置き換えられる。従って、図9−1に示す光制御可動ミラーデバイス900の構成は、図9−2に示すような抵抗分圧回路と等価である。
ここで、制御光Lを透明電極202に照射したときの導電率可変部203の抵抗値を0.01MΩ、制御光Lを透明電極202に入射しないときの導電率可変部203の抵抗値を100MΩとする。上述のように、駆動用電極210と可動ミラー108との間の抵抗の抵抗値は、略無限大である。ここでは説明のために、駆動用電極210と可動ミラー108との間の抵抗の抵抗値を、100GΩとする。
電源209からの電圧は、導電率可変部203に印加される電圧と、駆動用電極210と可動ミラー108との間に印加される電圧とに分圧される。透明電極202に制御光Lが入射された場合、導電率可変部203の抵抗値は、0.01MΩである。これに対して駆動用電極210と可動ミラー108との間の抵抗値は、100GΩである。例えば、電源209から透明電極202と可動ミラー108との間に印加される電圧が100Vであるとする。このとき電源209からの電圧は、導電率可変部203の抵抗値と、駆動用電極210と可動ミラー108との間の抵抗値との比で分圧される。駆動用電極210と可動ミラー108との間に印加される電圧は、以下の計算式により算出される。
100GΩ/(100GΩ+0.01MΩ)×100V≒99.99999V
従って、制御光Lの入射によって、駆動用電極210と可動ミラー108との間に約99.99999Vの電位差を生じる。
また、透明電極202に制御光Lを入射させない場合、導電率可変部203の抵抗値は、100MΩである。電源209から透明電極202と可動ミラー108との間に印加される電圧が100Vであるとき、駆動用電極210と可動ミラー108との間に印加される電圧は、透明電極202に制御光Lを入射させるときと同様にして算出される。
100GΩ/(100GΩ+100MΩ)×100V≒99.9V
従って、制御光Lを入射させないとき、駆動用電極210と可動ミラー108との間に約99.9Vの電位差を生じる。
以上から、制御光Lを入射させるときと、制御光Lを入射させないときとによって、駆動用電極210と可動ミラー108との間の電位差は、約99.9V〜約99.99999Vの間でのみ変化することとなる。このとき駆動用電極210と可動ミラー108との間の電位差の変化量を、以下の計算式により算出できる。
99.99999V−99.9V=0.09999V
電源209からの印加電圧が100Vのとき、駆動用電極210と可動ミラー108との間の電位差の変化量は、約0.1Vである。この場合、電源209による印加電圧の僅か0.1%相当のみを、駆動用電極210と可動ミラー108との間の電位差の変化量とすることが可能となる。光制御可動ミラーデバイス900は、駆動用電極210と可動ミラー108との間の電位差により生じる静電力Fを制御して可動ミラー108を駆動する。駆動用電極210と可動ミラー108との間の電位差の変化量が僅か0.1Vであると、制御光Lの光量が最大のときに発生する静電力Fも微小である。発生する静電力Fが微小であると、可動ミラー108を駆動することができない場合がある。
また、駆動用電極210と可動ミラー108との間の電位差の可変範囲が約0.1Vと僅かであると、僅かな光量の制御光Lを入射させるのみで駆動用電極210と可動ミラー108との間の電位差を、可変範囲内において大きく変化させてしまう。このとき、制御光Lの光量を僅かに変化させただけで駆動用電極210と可動ミラー108との間の電位差が可変範囲内において大きく変化してしまうと、可動ミラー108を所望の位置に移動させるように制御光Lの光量を制御することが困難である。例えば、可動ミラー108を、硝子基板201に略平行な状態と、駆動用電極210に最も近接している状態との略中間の位置に移動させる場合を考える。僅かな光量の制御光Lを入射させるのみで可動ミラー108が駆動用電極210に最も近接する状態となってしまうと、可動ミラー108を略中間の位置に移動させることが困難である。以上のように、図9−1に示す光制御可動ミラーデバイス900は、画像信号に応じて可動ミラー108の正確な制御を行うことが困難となる場合がある。
図9−1に示す光制御可動ミラーデバイス900は、駆動用電極210と可動ミラー108との間を電気的に絶縁している構成である。これに対して、図2−1に示すように本実施例の光制御可動ミラーデバイス200は、駆動用電極210と可動ミラー108との間に、所定の抵抗値の抵抗部220が設けられている。抵抗部220に印加される電圧とは、駆動用電極210と可動ミラー108との間に印加される電圧である。そして、抵抗部220の抵抗値RCは、導電率可変部203の最小抵抗値RLと最大抵抗値RDとの間のいずれかの値である。このことから、以下の式(3)、(4)、(5)が成立する。
L≦RC≦RD (3)
L:RC=m:1(但し、0<m≦1) (4)
C:RD=n:1(但し、0<n≦1) (5)
なお、導電率可変部203が最小抵抗値RLとなるのは、透明電極202に入射させる制御光Lの光量が最大のときである。また、導電率可変部203が最大抵抗値RDとなるのは、透明電極202に制御光Lを入射させないときである。
ここで、電源209からの電圧は、導電率可変部203の抵抗値と、抵抗部220の抵抗値RCとの比で分圧される。このため、抵抗部220の抵抗値RCが、導電率可変部203の最小抵抗値RLと最大抵抗値RDとの間の比率としての中心値であるとき、駆動用電極210と可動ミラー108との間に印加される電圧の変化量を最大にすることができる。ここで、抵抗部220の抵抗値RCが導電率可変部203の最小抵抗値RLと最大抵抗値RDとの間の比率としての中心値であるとは、最小抵抗値RLと抵抗値RCとの比と、抵抗値RCと最大抵抗値RDとの比とが等しいことをいう。抵抗部220の抵抗値RCが、導電率可変部203の最小抵抗値RLと最大抵抗値RDとの間の比率としての中心値であるとき、式(4)と式(5)とにm=n=k(但し、0<k≦1)を代入して、以下の式(6)、(7)が成り立つ。
L:RC=k:1 (6)
C:RD=k:1 (7)
式(6)と式(7)とから、式(2)を導き出すことができる。
C=(RL×RD1/2 (2)
抵抗部220の抵抗値RCが式(2)を満たす場合に、駆動用電極210と可動ミラー108との間に印加される電圧の変化量について説明する。ここでは、導電率可変部203の最小抵抗値RLを0.01MΩ、導電率可変部203の最大抵抗値RDを100MΩとして以下の説明を行う。式(2)にRL=0.01MΩ、RD=100MΩを代入すると、RC=1MΩと算出される。例えば、電源209により透明電極202と可動ミラー108との間に印加される電圧が、100Vであるとする。上述のように、電源209からの電圧は、導電率可変部203の抵抗値と、抵抗部220の抵抗値RCとの比で分圧される。このため、透明電極202に制御光を入射させることによって、導電率可変部203の抵抗値が最小値RL=0.01MΩであるとき、抵抗部220に印加される電圧は、以下の計算式によって算出される。
C/(RC+RL)×100V=1MΩ/(1MΩ+0.01MΩ)×100V≒99.01V
また、透明電極202に制御光Lを入射させないことによって、導電率可変部203の抵抗値がRD=100MΩであるとき、抵抗部220に印加される電圧は、透明電極202に制御光Lを入射させるときと同様の計算式によって算出される。
C/(RC+RD)×100V=1MΩ/(1MΩ+100MΩ)×100V≒0.99V
駆動用電極210と可動ミラー108との間の電位差の変化量は、以下の計算式により算出できる。
99.01V−0.99V=98.02V
従って、抵抗値RC=1MΩであるとき、駆動用電極210と可動ミラー108との間の電位差の変化量は、約98.02Vである。
式(2)によって抵抗部220の抵抗値RCを定めると、電源209による印加電圧が100Vのとき、駆動用電極210と可動ミラー108との間における電位差の変化量は、約98.02Vである。従って、式(2)に基づいて抵抗値RCを定められた抵抗部220を用いることにより、電源209による印加電圧の約98%相当を、駆動用電極210と可動ミラー108との間の電位差の変化量とすることができる。なお、駆動用電極210と可動ミラー108との間における電位差の変化量は、式(2)を用いて抵抗部220の抵抗値RCを定めることによって最大となる。抵抗部20の抵抗値RCが、式(2)を満たす抵抗値RCから乖離するに従い、駆動用電極210と可動ミラー108との間の電位差の変化量も減少する。
次に、抵抗部220の抵抗値RCが式(3)を満たす場合に、駆動用電極210と可動ミラー108との間に印加される電圧の変化量について説明する。
L≦RC≦RD (3)
まず、式(3)において、抵抗部220の抵抗値RCが最小である場合、以下の式(7)が成り立つ。
C=RL (7)
このとき、RL:RC=1:1であるから、式(4)においてm=1である。
ここでも、導電率可変部203の最小抵抗値RLを0.01MΩ、導電率可変部203の最大抵抗値RDを100MΩとして、駆動用電極210と可動ミラー108との間に印加される電圧の変化量について説明する。導電率可変部203の最小抵抗値RLは0.01MΩであるので、式(7)から、RC=RL=0.01MΩである。例えば、電源209により、透明電極202と可動ミラー108との間に印加される電圧が100Vであるとする。電源209からの電圧は、導電率可変部203の抵抗値と抵抗部220の抵抗値との比で分圧される。このため、透明電極202に制御光Lを入射させることによって導電率可変部203の抵抗値がRL=0.01MΩであるとき、抵抗部220に印加される電圧は、以下の計算式により算出される。
C/(RC+RL)×100V=0.01MΩ/(0.01MΩ+0.01MΩ)×100V=50V
また、透明電極202に制御光Lを入射させないことによって導電率可変部203の抵抗値がRD=100MΩであるとき、抵抗部220に印加される電圧は、透明電極202に制御光Lを入射させるときと同様の計算式により算出される。
C/(RC+RD)×100V=0.01MΩ/(0.01MΩ+100MΩ)×100V≒0.01V
駆動用電極210と可動ミラー108との間の電位差の変化量は、以下の計算式により算出できる。
50V−0.01V=49.99V
従って、抵抗値RC=0.01MΩであるとき、駆動用電極210と可動ミラー108との間の電位差の変化量は、約49.99Vである。
次に、式(1)において、抵抗部220の抵抗値RCが最大である場合、以下の式(8)が成り立つ。
C=RD (8)
このとき、RC:RD=1:1であるから、式(5)においてn=1である。そして、導電率可変部203の最大抵抗値RDは100MΩであるので、式(8)から、RC=RD=100MΩである。電源209により、透明電極202と可動ミラー108との間に印加される電圧が100Vであるとする。透明電極202に制御光Lを入射させることによって導電率可変部203の抵抗値がRL=0.01MΩであるとき、抵抗部220に印加される電圧は、以下の計算式により算出される。
C/(RC+RL)×100V=100MΩ/(100MΩ+0.01MΩ)×100V≒99.99V
また、透明電極202に制御光Lを入射させないことによって導電率可変部203の抵抗値がRD=100MΩであるとき、抵抗部220に印加される電圧は、透明電極202に制御光Lを入射させるときと同様の計算式により算出される。
C/(RC+RD)×100V=100MΩ/(100MΩ+100MΩ)×100V=50V
駆動用電極210と可動ミラー108との間の電位差の変化量は、以下の計算式により算出できる。
99.99V−50V=49.99V
従って、抵抗値RC=100MΩであるとき、駆動用電極210と可動ミラー108との間の電位差の変化量は、約49.99Vである。
式(3)によって抵抗部220の抵抗値RCを定めると、電源209からの印加電圧が100Vのとき、駆動用電極210と可動ミラー108との間の電位差の変化量を約49.99Vにできる。従って、式(3)に基づいて抵抗値RCを定められた抵抗部220を用いることにより、電源209による印加電圧の約50%相当を、駆動用電極210と可動ミラー108との間の電位差の変化量とすることができる。
次に、抵抗部220の抵抗値RCが式(1)を満たす場合に、駆動用電極210と可動ミラー108との間に印加される電圧の変化量について説明する。
4RL≦RC≦RD/4 (1)
まず、式(1)において、抵抗部220の抵抗値RCが最小である場合、以下の式(9)が成り立つ。
C=4RL (9)
このとき、RL:RC=1:4であるから、式(4)においてm=1/4である。
ここでも、導電率可変部203の最小抵抗値RLを0.01MΩ、導電率可変部203の最大抵抗値RDを100MΩとして、駆動用電極210と可動ミラー108との間に印加される電圧の変化量について説明する。式(9)から、RC=4RL=0.04MΩである。例えば、電源209により、透明電極202と可動ミラー108との間に印加される電圧が100Vであるとする。電源209からの電圧は、導電率可変部203の抵抗値と抵抗部220の抵抗値との比で分圧される。このため、透明電極202に制御光Lを入射させることによって導電率可変部203の抵抗値がRL=0.01MΩであるとき、抵抗部220に印加される電圧は、以下の計算式により算出される。
C/(RC+RL)×100V=0.04MΩ/(0.04MΩ+0.01MΩ)×100V=80V
また、透明電極202に制御光Lを入射させないことによって導電率可変部203の抵抗値がRD=100MΩであるとき、抵抗部220に印加される電圧は、透明電極202に制御光Lを入射させるときと同様の計算式により算出される。
C/(RC+RD)×100V=0.04MΩ/(0.04MΩ+100MΩ)×100V≒0.04V
駆動用電極210と可動ミラー108との間の電位差の変化量は、以下の計算式により算出できる。
80V−0.04V=79.96V
従って、抵抗値RC=0.04MΩであるとき、駆動用電極210と可動ミラー108との間の電位差の変化量は、約79.96Vである。
次に、式(1)において、抵抗部220の抵抗値RCが最大である場合、以下の式(10)が成り立つ。
C=RD/4 (10)
このとき、RC:RD=1:4であるから、上記の式(5)においてn=1/4である。式(10)から、RC=RD/4=25MΩである。電源209により、透明電極202と可動ミラー108との間に印加される電圧が100Vであるとする。透明電極202に制御光Lを入射させることによって導電率可変部203の抵抗値がRL=0.01MΩであるとき、抵抗部220に印加される電圧は、以下の計算式により算出される。
C/(RC+RL)×100V=25MΩ/(25MΩ+0.01MΩ)×100V≒99.96V
また、透明電極202に制御光Lを入射させないことによって導電率可変部203の抵抗値がRD=100MΩであるとき、抵抗部220に印加される電圧は、透明電極202に制御光Lを入射させるときと同様の計算式により算出される。
C/(RC+RD)×100V=25MΩ/(25MΩ+100MΩ)×100V=20V
駆動用電極210と可動ミラー108との間の電位差の変化量は、以下の計算式により算出できる。
99.96V−20V=79.96V
従って、抵抗値RC=25MΩであるとき、駆動用電極210と可動ミラー108との間の電位差の変化量は、約79.96Vである。
式(1)によって抵抗部220の抵抗値RCを定めると、電源209からの印加電圧が100Vのとき、駆動用電極210と可動ミラー108との間の電位差の変化量を約80Vにできる。従って、式(1)に基づいて抵抗値RCを定められた抵抗部220を用いることにより、電源209による印加電圧の約80%相当を、駆動用電極210と可動ミラー108との間の電位差の変化量とすることができる。
本実施例の光制御可動ミラーデバイス200は、駆動用電極210と可動ミラー108との間に抵抗部220を設けている。駆動用電極210と可動ミラー108との間に抵抗部220を設けると、駆動用電極210と可動ミラー108との間の電位差は、抵抗部220に印加される電圧に応じて変化する。そして、抵抗部220の抵抗値RCは、導電率可変部203の最小抵抗値RLと最大抵抗値RDとの間の所定の値をとる。抵抗部220の抵抗値RCを導電率可変部203の最小抵抗値RLと最大抵抗値RDとの間の値とすると、導電率可変部203の抵抗値RCを変化に対応して、駆動用電極210と可動ミラー108との間の電位差を広い範囲で変化させることができる。式(3)に基づいて抵抗値RCを定められた抵抗部220を用いることにより、電源209による印加電圧の約50%相当を、駆動用電極210と可動ミラー108との間の電位差の変化量とすることができる。
L≦RC≦RD (3)
さらに好ましくは、式(1)に基づいて抵抗値RCを定められた抵抗部220を用いることにより、電源209による印加電圧の約80%相当を、駆動用電極210と可動ミラー108との間の電位差の変化量とすることができる。
4RL≦RC≦RD/4 (1)
さらに好ましくは、式(2)に基づいて抵抗値RCを定められた抵抗部220を用いることにより、電源209による印加電圧の約98%相当を、駆動用電極210と可動ミラー108との間の電位差の変化量とすることができる。
C=(RL×RD1/2 (2)
駆動用電極210と可動ミラー108との間に印加される電圧の可変範囲が大きいと、駆動用電極210と可動ミラー108との間に発生させる静電力Fの大きさの可変範囲も大きくなる。そして、静電力Fを大きくすることが可能であると、可動ミラー108を容易に駆動することができる。制御光Lの光量の変化に対して静電力Fの可変範囲が大きくなると、可動ミラー108を所望の位置に移動させることが容易になる。このため、制御光Lの光量は、抵抗部220を設けない場合よりも低い精度で制御することとしても良い。制御光Lの光量制御を低い精度で行うこととしても良いため、光制御可動ミラーデバイス200の制御を容易に行うことができる。
さらに、静電力Fの可変範囲が大きくなることにより、制御光Lの光量の連続的な変化に応じて可動ミラー108の位置を正確に制御することも可能となる。これにより、入力信号に応じて正確に可動ミラー108の駆動を制御でき、高品質な投写像を得られるという効果を奏する。特に、光制御可動ミラーデバイス200は、画像信号に応じた所定の位置に移動可能であることから、アナログ信号に対応して連続的な変化量を表示することができる。従って、光制御可動ミラーデバイス200を用いると、アナログ信号に正確に対応した高品質な投写像を容易に得ることができる。また、抵抗部220を設けない場合と比較して、制御光Lの光量制御を低い精度で行うこととしても良いことから、制御光用光源部110のパワーコントローラを安価なものとすることができる。これにより、プロジェクタ100を安価にすることができる。
ここで、導電率可変部203の最小抵抗値RLと、最大抵抗値RDとの差について説明する。例えば、最小抵抗値RLが1MΩ、最大抵抗値RDが10MΩであって、最小抵抗値RLと最大抵抗値RDとが1桁の差を有するような値である場合を考える。上述の説明と同様に、抵抗部220の抵抗値RCを式(3)に基づいて定めるときの、駆動用電極210と可動ミラー108との間の印加電圧の可変範囲を算出する。
L≦RC≦RD (3)
このとき、駆動用電極210と可動ミラー108との間の印加電圧の可変範囲は、約40.9%と算出される。上記の説明は、導電率可変部203の最小抵抗値RLを0.01MΩ、最大抵抗値RDを100MΩとし、最小抵抗値RLと、最大抵抗値RDとの差が4桁であるときの例である。このとき、上述のように、駆動用電極210と可動ミラー108との間の印加電圧の可変範囲は、約50%相当である。従って、式(3)を満たしている場合でも導電率可変部203の最小抵抗値RLと最大抵抗値RDとの差を1桁程度にまで小さくすると、駆動用電極210と可動ミラー108との間の印加電圧の可変範囲が狭くなってしまう。
さらに、導電率可変部203の最小抵抗値RLと最大抵抗値RDとの差が小さいと、導電率可変部203の抵抗値の可変範囲が小さくなる。導電率可変部203の抵抗値の可変範囲が小さいと、駆動用電極210と可動ミラー108との間の電位差の変化量も小さくなる。このため、導電率可変部203の最小抵抗値RLと最大抵抗値RDとの差が小さいと、画像信号に応じて正確に可動ミラー108の制御を行うことが困難となる場合がある。従って、導電率可変部203の最小抵抗値RLと、最大抵抗値RDとは、所定値以上の差を要するような値であることを要する。
ここで、導電率可変部203の最小抵抗値RLと最大抵抗値RDとの差が2桁、例えば、最小抵抗値RLが1MΩ、最大抵抗値RDが100MΩであるとする。抵抗部220の抵抗値RCを式(3)に基づいて定めるときの、駆動用電極210と可動ミラー108との間の印加電圧の可変範囲を算出すると、約49%相当である。従って、好ましくは、導電率可変部203の最小抵抗値RLと、最大抵抗値RDとは、少なくとも2桁以上の差を有するような値であることが望ましい。これにより、駆動用電極210と可動ミラー108との間の電圧の可変範囲を大きく確保し、可動ミラー108の駆動を正確に制御することができる。
次に、図5を用いて、R光用LED102Rと、G光用LED102Gと、B光用LED102Bとの点灯時間とタイミングについて説明する。図5は、R光用LED102Rと、G光用LED102Gと、B光用LED102Bとの点灯時間とタイミングとの例を示す。各色光用LED102R、102G、102Bは、制御部112(図1参照)からの画像信号に応じて点灯する。1フレーム期間内の、R光、G光、B光の点灯時間において、制御光Lは、各光制御可動ミラーデバイス200を走査する。R光、G光、B光を順次投写し、全体として白色の投写像を得るためには、G光の光束量が全体の光束量のうち60〜80%であることを要する。各色光用LED102R、102G、102Bの出力量と数量とが同一である場合、G光の光束量が不足することとなる。このため、図5に示すように、G色用LED102Gの点灯時間GTを、R光用LED102Rの点灯時間RT、及びB光用LED102Bの点灯時間BTのいずれよりも長くする。なお、本発明の光制御可動ミラーデバイス200可動ミラー108は、画像信号に応じた所定の位置に移動可能であることから、アナログ信号に対応して連続的な変化量を表示することができる。このため、例えば、各色光用LED102R、102G、102Bの点灯時間RT、GT、BTを略同一とし、G光をR光、B光より多く可動ミラー108から投写レンズ105の方向に反射させることにより、G光の光束量を増加しても良い。
図6−1は、本発明の実施例2に係る光制御可動ミラーデバイス600の概略構成を示す。光制御可動ミラーデバイス600は、上記実施例1に係るプロジェクタ100に適用することができる。上記実施例1のプロジェクタ100の光制御可動ミラーデバイス200と同一の部分には同一の符号を付し、重複する説明は省略する。本実施例の光制御可動ミラーデバイス600は、可動ミラー608が、駆動用電極610aの方向と、駆動用電極610bの方向との二方向に移動可能である点が、上記実施例1のプロジェクタ100の光制御可動ミラーデバイス200と異なる。
絶縁層604は、導電率可変部203の上の略中央部分に、スパッタ技術により形成される。絶縁層604には、例えばSiO2を用いることができる。絶縁層604の上には、電極605が設けられている。導電率可変部203の上の、絶縁層604が設けられている位置の両側の位置には、それぞれ駆動用電極610aと、駆動用電極610bとが形成されている。可動ミラー608と、駆動用電極610a、610bと、電極605とは、いずれも導電性物質、例えば、アルミニュウム(Al)で構成することができる。電源612は、透明電極202と、可動ミラー608との間に、所定電圧を印加する。
図6−2は、可動ミラー608の側から見た光制御可動ミラーデバイス600の構成を示す。図6−1に示す構成は、光制御可動ミラーデバイス600を、図6−2の矢印Aの方向から見たものである。図6−2においては、説明のため、可動ミラー608を除いた構成を示している。電極605は、光制御可動ミラーデバイス600を可動ミラー608の側から見ると、正方形形状の一の角部と、その角部に対向する他の角部とに設けられている。支持部は、柱部606と、トーションバー(ヒンジ)607とからなる。柱部606は、電極605の上に設けられている。トーションバー607は、導電性を有し、細長く薄い板状の可撓性部材である。トーションバー607の両端は、それぞれが2つの柱部606に固定されている。柱部606は、導電性物質からなる柱状の部材である。可動ミラー608は、トーションバー607に接合されて設けられている。このように、可動ミラー608は、柱部606とトーションバー607とにより支持されている。柱部606とトーションバー607とがいずれも導電性を有するため、柱部606及びトーションバー607を介して、可動ミラー608と電極605とは同電位である。
駆動用電極610aは、正方形形状の可動ミラー608の一の角部であって、電極605が設けられている角部とは異なる角部の近傍に設けられている。駆動用電極610bは、可動ミラー608の一の角部に対向する他の角部の近傍に設けられている。抵抗部620は、駆動用電極610aと電極605との間、及び、駆動用電極610bと電極605との間に設けられている。そして、図6−1に示すように、抵抗部620は、駆動用電極10aと電極605とに接触するような位置と、駆動用電極610bと電極605とに接触するような位置とに設けられている。
上述のように、電極605は、支持部である柱部606とトーションバー607とを介して可動ミラー608と同電位である。このことから、駆動用電極610a、610bと、可動ミラー608とは、抵抗部620を介して電気的に接続されている。そして、抵抗部620としては、上記の実施例1の抵抗部220(図2参照)と同様、一部又は全体が、例えばチタン酸バリウム系セラミックスや、SiO2、ZnO等の高抵抗材料で構成された部材を用いることができる。また、抵抗部620の抵抗値は、上記の実施例1の抵抗部220(図2参照)と同様、導電率可変部203の最小抵抗値と最大抵抗値との間のいずれかの値である。
次に、制御光Lによる光制御可動ミラーデバイス600の制御について説明する。図6−1に戻って、可動ミラー608は、駆動用電極610aと可動ミラー608との間の電位差に応じた静電力(引力)F1によって、駆動用電極610aに引き寄せられる方向に移動する。また、可動ミラー608は、駆動用電極610bと可動ミラー608との間の電位差に応じた静電力(引力)F2によって、駆動用電極610bに引き寄せられる方向に移動する。
図7−1は、静電力F2によって可動ミラー608が駆動用電極610bに引き寄せられている様子を示す。制御光用光学系130(図6−1参照)からの制御光Lを、透明電極202の、駆動用電極610bに対応する位置に入射させる。透明電極202に、画像信号に応じた強度の制御光Lを入射させると、導電率可変部203のうち透明電極202に接合している部分について、制御光Lの光量に応じて電気的な抵抗値が減少する。導電率可変部203の抵抗値が減少することにより、電源209の一方の電極は、透明電極202と導電率可変部203とを経由して駆動用電極610bと電気的に接続される。導電率可変部203の導電率は、透明電極202を透過した制御光Lの光量に応じて変化するため、駆動用電極610bには制御光Lの光量に応じた電圧が印加される。従って、駆動用電極610bには、画像信号に応じた電圧が印加される。
上述のように、駆動用電極610bと可動ミラー608とは、抵抗部620を介して電気的に接続されている。さらに、電源209は、透明電極202と可動ミラー608との間に所定電圧を印加している。これらから、透明電極202の、駆動用電極610bに対応する位置に制御光Lを入射させると、光制御可動ミラーデバイス600の構成は、駆動用電極610bと可動ミラー608とが電気的に接続された電気回路と等価である。駆動用電極610bと可動ミラー608とが接続されている電気回路において、導電率可変部203は、制御光Lの光量に応じた抵抗値の抵抗R4bと置き換えられる。また、抵抗部620は、抵抗R3bと置き換えられる。
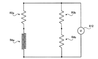
また、透明電極202の、駆動用電極610aに対応する位置に制御光Lを入射させると、駆動用電極610bの場合と同様に、光制御可動ミラーデバイス600は、駆動用電極610aと可動ミラー608とが電気的に接続された電気回路と等価となる。光制御可動ミラーデバイス600と透過な電気回路において、導電率可変部203は、最大抵抗値の抵抗R4aと置き換えられる。また、抵抗220は、抵抗R3aと置き換えられる。従って、光制御可動ミラーデバイス600は、図7−2に示すように、抵抗R3aと抵抗R4aとが直列に接続された部分と、抵抗R3bと抵抗R4bとを直列に接続された部分とが並列された電気回路と等価である。
透明電極202の、駆動用電極610bに対応する位置に制御光Lを入射させることにより、駆動用電極610bと電極605との間の抵抗部620は、電圧が印加される。駆動用電極610bと電極605との間の抵抗部620に電圧が印加されると、駆動用電極610bと、可動ミラー608との間の電位差によって静電力F2が発生する。これに対して、透明電極202の、駆動用電極610aに対応する位置には、制御光Lを入射させていない。制御光Lを入射させていないため、駆動用電極610aに対応する位置の導電率可変部203の抵抗値は、最大値をとる。このとき、駆動用電極610aに対応する位置の導電率可変部203の抵抗値は、略無限大であるとみなすことができる。
導電率可変部203の抵抗値が略無限大であると、駆動用電極610aと電極605との間の抵抗部620には電圧が印加されない。駆動用電極610aと電極605との間の抵抗部620に電圧が印加されないと、駆動用電極610aと可動ミラー608との間に電位差が生じない。このため、駆動用電極610aと可動ミラー608との間には静電力F1は発生しない。以上から、可動ミラー608には、静電力F2のみが働く。静電力F2が上述のトーションバー607(図6−2参照)を撓ませると、可動ミラー608は、駆動用電極610bに引き寄せられる方向に移動する。このようにして、可動ミラー608は、画像信号に応じて移動する。
透明電極202の、駆動用電極610aに対応する位置に制御光Lを入射させると、駆動用電極610bに対応する位置に制御光Lを入射させる場合と同様にして、静電力F1が発生する。静電力F1を発生させることにより、可動ミラー608は、駆動用電極610aに引き寄せられる方向に移動する。このようにして画像信号に応じて変調された制御光Lを各光制御可動ミラーデバイス600に走査させることにより、光アドレッシングを行うことができる。
なお、導電率可変部203は、制御光Lを入射させないとき、抵抗値が略無限大の抵抗であるとみなしている。このことから、導電率可変部203は、制御光Lを入射させたときに導通し、制御光Lを入射させないときに切断されるスイッチと同様の機能を果たしている。図7−2に示した電気回路は、導電率可変部203に相当する抵抗を、図7−3に示すようにスイッチSa、Sbに置き換えて示すことができる。従って、図7−1に示す光制御可動ミラーデバイス600の構成は、さらに、図7−3に示す電気回路と等価である。図7−3に示す電気回路において、制御光Lが入射している側のスイッチSbは、接続された状態である。これに対して、制御光Lが入射していない側のスイッチSaは、切断された状態である。制御光Lの入射位置を駆動用電極610aに対応する位置と、駆動用電極610bに対応する位置とに切り換えることにより、2つのスイッチSa、Sbを切り換えるのと同様に可動ミラー608を制御できる。2つのスイッチSa、Sbを切り換えることにより、駆動用電極610aの方向と、駆動用電極610bの方向とに可動ミラー608を移動させることができる。
本実施例の光制御可動ミラーデバイス600は、図7−2に示すように、抵抗R3aと抵抗R4aとが直列に接続された部分と、抵抗R3bと抵抗R4bとを直列に接続された部分とが並列された電気回路と等価である。そして、抵抗R3aと抵抗R4aとが直列に接続された部分と、抵抗R3bと抵抗R4bとを直列に接続された部分とのうち、いずれか一方は導通し、他方は切断されている。このことから、光制御可動ミラーデバイス600は、駆動用電極610aと、駆動用電極610bとのうちいずれか一方に対応して導通するように2つのスイッチが交互に切り換えられている抵抗分圧回路と等価である。
光制御可動ミラーデバイス600は、抵抗部620の抵抗値を、導電率可変部203の最小抵抗値と最大抵抗値との間のいずれかの値とすることにより、上記の実施例1と同様、駆動用電極610a、610bと、可動ミラー608との間の電位差を、より広い範囲で変化させることができる。駆動用電極610a、610bと、可動ミラー608との間に印加される電圧の可変範囲が大きいと、駆動用電極610a、610bと、可動ミラー608との間に発生させる静電力F1、F2の大きさの可変範囲も大きくなる。そして、静電力F1、F2を大きくすることが可能であると、可動ミラー608を容易に駆動することができる。制御光Lの光量の変化に対して静電力Fの可変範囲が大きくなると、可動ミラー608を所望の位置に移動させることが容易になる。このため、制御光Lの光量は、抵抗部620を設けない場合よりも低い精度で制御することとしても良い。制御光Lの光量制御を低い精度で行うこととしても良いため、光制御可動ミラーデバイス200の制御を容易に行うことができる。
さらに、静電力Fの可変範囲が大きくなることにより、制御光Lの光量の連続的な変化に応じて可動ミラー608の位置を正確に制御することも可能となる。これにより、入力信号に応じて正確に可動ミラー608の駆動を制御でき、高品質な投写像を得られるという効果を奏する。抵抗部620は、上記の実施例1の説明と同様にして、抵抗値の範囲を定めて設けることができる。これにより、上記の実施例1の説明と同様に、駆動用電極610a、610bと、可動ミラー608との間の電位差の可変範囲を大きくすることができる。
なお、抵抗部620の位置は、図6−2に示すように、駆動用電極610aと電極605との間、及び駆動用電極610bと電極605との間であって、導電率可変部203の外縁部に沿った位置に限られない。例えば、図8に示すように、導電率可変部203上の、駆動用電極610a、610bと、電極605とが設けられている位置以外の位置をすべて覆うように抵抗部820を設けることとしても良い。上述のように、光制御可動ミラーデバイス600は、駆動用電極610aと、駆動用電極610bとのうちいずれか一方に対応して導通するように2つのスイッチが交互に切り換えられているものとみなすことができる。
駆動用電極610aと、駆動用電極610bとは、常にいずれか一方のみに対応して導通する。このため、駆動用電極610aと駆動用電極610bとの間に抵抗部820が設けられても、抵抗部820を介して駆動用電極610aと駆動用電極610bとが電気的に接続されることはない。従って、図8に示すように、抵抗部820を、駆動用電極610a、610bと、電極605が設けられている位置以外の位置をすべて覆うように設けても、光制御可動ミラーデバイス600を制御することが可能である。さらに、上記の実施例1の説明と同様、抵抗部820の位置、大きさを変更させることにより、抵抗部820の抵抗値を所望の値にすることができる。
なお、プロジェクタ100の照明光用光源部101(図1参照)は、LEDに限らず半導体レーザ素子や、エレクトロ・ルミネッセント(EL)素子等の他の固体発光素子や、固体発光素子以外のランプ等を用いることができる。本発明の光制御デバイスは、特に、画像信号に応じて変調した電圧を用いて連続的な変化量を表示するアナログ制御を行う場合に有効である。また、アナログ制御を行うものに限らず、本発明の光制御デバイスは、ディジタル制御を行うものに用いても良い。例えば、透明電極202に印加する電圧をON、OFFの2値のみをとることとし、サブフレーム駆動を用いて階調表現することもできる。
さらに、光制御デバイスをアレイ状に配列してプロジェクタ100に使用する場合に限らず、例えば、光通信用光スイッチ等に用いられる光制御デバイスについても、本発明を適用することができる。特に、本発明の光制御デバイスは、制御光の光量を高精度に行うことが困難な場合も可動部の制御が容易となる。このため、本発明の光制御デバイスは、屋外で光制御デバイスを駆動させるような場合に有用である。また、可動部を連続的に駆動させるアナログ制御が必要な場合にも、本発明の光制御デバイスは有用である。
以上のように、本発明に係る光制御デバイスは、プレゼンテーションや動画を表示する場合に有用であり、特に、プロジェクタからの投写像を表示する場合に適している。
本発明の実施例1に係るプロジェクタの概略構成図。 実施例1の光制御可動ミラーデバイスの概略構成図。 光制御可動ミラーデバイスと等価の電気回路図。 抵抗部を配置する位置の説明図。 抵抗部を配置する位置の説明図。 抵抗部を配置する位置の説明図。 各色光用LEDの点灯時間と点灯タイミングとの例を示す図。 本発明の実施例2に係る光制御可動ミラーデバイスの概略構成図。 光制御可動ミラーデバイスを可動ミラーの側から見た構成図。 光制御可動ミラーデバイスの駆動の説明図。 光制御可動ミラーデバイスと等価の電気回路図。 光制御可動ミラーデバイスと等価の電気回路図。 抵抗部を配置する位置の説明図。 抵抗部を設けない光制御可動ミラーデバイスの概略構成図。 抵抗部を設けない光制御可動ミラーデバイスと等価の電気回路図。
符号の説明
100 プロジェクタ、101 照明光用光源部、102R R光用LED、102G G光用LED、102B B光用LED、103 フィールドレンズ、104 変調部、105 投写レンズ、106 スクリーン、107 入射瞳、108 可動ミラー、110 制御光用光源部、112 制御部、116 ガルバノミラー、120 空間光変調装置、130 制御光用光学系、200 光制御可動ミラーデバイス、201 硝子基板、202 透明電極、203 導電率可変部、204 絶縁層、205 電極、206 支持部、209 電源、210 駆動用電極、220 抵抗部、400 光制御可動ミラーデバイス、420 抵抗部、600 光制御可動ミラーデバイス、604 絶縁層、605 電極、606 柱部、607 トーションバー、608 可動ミラー、610a 駆動用電極、610b 駆動用電極、612 電源、620 抵抗部、820 抵抗部、900 光制御可動ミラーデバイス、L 制御光、F 静電力、RT R点灯時間、GT G点灯時間、BT B点灯時間、C1、C2、C5、C6 コンデンサ、R1、R5 可変抵抗、R2、R3a、R3b、R4a、R4b、R6 抵抗、Sa、Sb スイッチ

Claims (5)

  1. 制御光を供給する制御光用光学系と、
    光学的に透明な透明電極と、
    前記透明電極の上に設けられ、前記透明電極を透過した前記制御光の光量に応じて電気的な抵抗値が可変である導電率可変部と、
    前記導電率可変部上に設けられた駆動用電極と、
    所定の位置に移動可能な可動部と、
    前記透明電極と前記可動部との間に所定の電圧を印加する電源と、
    前記駆動用電極と前記可動部との間に設けられている所定の抵抗値の抵抗部と、を有し、
    前記所定の抵抗値は、前記導電率可変部の最小抵抗値と最大抵抗値との間のいずれかの値であって、
    前記制御光を前記透明電極に入射させることにより、前記駆動用電極と前記可動部との間に前記導電率可変部の抵抗値に対応する所定の力を発生させ、
    前記可動部は、前記所定の力により移動することを特徴とする光制御デバイス。
  2. 前記導電率可変部の前記最小抵抗値をRL、前記導電率可変部の前記最大抵抗値をRD、前記抵抗部の抵抗値をRC、とそれぞれしたときに、以下の条件式を満足することを特徴とする請求項1に記載の光制御デバイス。
    4RL≦RC≦RD/4
  3. 前記導電率可変部の前記最小抵抗値をRL、前記導電率可変部の前記最大抵抗値をRD、前記抵抗部の抵抗値をRC、とそれぞれしたときに、以下の条件式を満足することを特徴とする請求項1又は2に記載の光制御デバイス。
    C=(RL×RD1/2
  4. 所定の位置に移動可能な可動ミラーを備えた複数の光制御可動ミラーデバイスを有し、
    前記光制御可動ミラーデバイスは、請求項1〜3のいずれか一項に記載の光制御デバイスであって、
    前記可動部は、前記可動ミラーであることを特徴とする空間光変調装置。
  5. 照明光を供給する照明光用光源部と、
    前記照明光用光源部からの前記照明光を画像信号に応じて変調する空間光変調装置と、
    前記空間光変調装置で変調された光を投写する投写レンズと、を有し、
    前記空間光変調装置は、請求項4に記載の空間光変調装置であることを特徴とするプロジェクタ。
JP2003312753A 2003-08-18 2003-09-04 光制御デバイス、空間光変調装置及びプロジェクタ Expired - Fee Related JP3979367B2 (ja)

Priority Applications (8)

Application Number Priority Date Filing Date Title
JP2003312753A JP3979367B2 (ja) 2003-09-04 2003-09-04 光制御デバイス、空間光変調装置及びプロジェクタ
TW093122128A TWI294976B (en) 2003-08-18 2004-07-23 Method for controlling optical control device, optical control device, spatial light modulation device, and projector
US10/918,469 US6937378B2 (en) 2003-08-18 2004-08-16 Optically controlled device, method of controlling the optically controlled device, spatial light modulator, and projector
SG200404700A SG109576A1 (en) 2003-08-18 2004-08-17 Optically controlled device, method of controlling the optically controlled device, spatial light modulator, and projector
CNB2004100585717A CN100410805C (zh) 2003-08-18 2004-08-18 光控制器件及其控制方法、空间光调制装置及投影机
DE602004002159T DE602004002159T2 (de) 2003-08-18 2004-08-18 Optisch kontrollierte Einheit, Methode zur Steuerung der optisch kontrollierten Einheit, räumlicher Lichtmodulator und Projektor
KR1020040065113A KR100637954B1 (ko) 2003-08-18 2004-08-18 광 제어 장치의 제어 방법, 광 제어 장치, 공간 광 변조 장치 및 프로젝터
EP04254962A EP1508830B1 (en) 2003-08-18 2004-08-18 Optically controlled device, method of controlling the optically controlled device, spatial light modulator, and projector

Applications Claiming Priority (1)

Application Number Priority Date Filing Date Title
JP2003312753A JP3979367B2 (ja) 2003-09-04 2003-09-04 光制御デバイス、空間光変調装置及びプロジェクタ

Publications (2)

Publication Number Publication Date
JP2005084103A JP2005084103A (ja) 2005-03-31
JP3979367B2 true JP3979367B2 (ja) 2007-09-19

Family

ID=34413918

Family Applications (1)

Application Number Title Priority Date Filing Date
JP2003312753A Expired - Fee Related JP3979367B2 (ja) 2003-08-18 2003-09-04 光制御デバイス、空間光変調装置及びプロジェクタ

Country Status (1)

Country Link
JP (1) JP3979367B2 (ja)

Families Citing this family (1)

* Cited by examiner, † Cited by third party
Publication number Priority date Publication date Assignee Title
WO2022245572A1 (en) * 2021-05-17 2022-11-24 Teledyne Micralyne Inc. Mems-based modulation and beam control systems and methods

Also Published As

Publication number Publication date
JP2005084103A (ja) 2005-03-31

Similar Documents

Publication Publication Date Title
US6937378B2 (en) Optically controlled device, method of controlling the optically controlled device, spatial light modulator, and projector
US7158278B2 (en) Display device based on bistable electrostatic shutter
US7447891B2 (en) Light modulator with concentric control-electrode structure
EP3178783B1 (en) Micromechanical device having a structure tiltable by a quasi-static piezoelectric actuation
US7349145B2 (en) Optical deflection device and image projection display apparatus using the same
JPH11258528A (ja) コントラスト比を改良するため小さくされたマイクロミラーのミラー・ギャップ
JP2002287047A (ja) 光スイッチング素子、光スイッチングデバイス、それらの製造方法および画像表示装置
US20070064295A1 (en) Light modulator with tunable optical state
JP2004078136A (ja) 光偏向方法並びに光偏向装置及びその光偏向装置の製造方法並びにその光偏向装置を具備する光情報処理装置及び画像形成装置及び画像投影表示装置及び光伝送装置
JP2008295174A (ja) 揺動装置、同装置を用いた光走査装置、映像表示装置、及び揺動装置の制御方法
JP2007279741A (ja) 高解像度スキャニングディスプレイシステム
JP2016225612A5 (ja)
US20070257872A1 (en) Digital Image Projection Methods and Apparatus Thereof
JP3979367B2 (ja) 光制御デバイス、空間光変調装置及びプロジェクタ
JP2005345938A (ja) 透過型光変調素子及び透過型光変調アレイ素子
US20080218842A1 (en) Method of Repairing Micromirrors in Spatial Light Modulators
JP4379007B2 (ja) 空間光変調装置及びプロジェクタ
US20070177113A1 (en) Digital image projection methods and apparatus thereof
JP4026558B2 (ja) 空間光変調装置及びプロジェクタ
JP4042648B2 (ja) 光制御デバイスの制御方法、光制御デバイス、空間光変調装置及びプロジェクタ
JP2004085700A (ja) ミラーデバイス、光スイッチ、電子機器およびミラーデバイス駆動方法
KR970008384B1 (ko) 투사형 화상표시장치의 광변조수단
US20060193028A1 (en) Method of repairing micromirrors in spatial light modulators
US20050041279A1 (en) Hingeless mirror decice and method of controlling the same
JP2005010193A (ja) 空間光変調装置の制御方法、空間光変調装置、及びプロジェクタ

Legal Events

Date Code Title Description
A621 Written request for application examination

Free format text: JAPANESE INTERMEDIATE CODE: A621

Effective date: 20050628

RD04 Notification of resignation of power of attorney

Free format text: JAPANESE INTERMEDIATE CODE: A7424

Effective date: 20070403

A977 Report on retrieval

Free format text: JAPANESE INTERMEDIATE CODE: A971007

Effective date: 20070601

TRDD Decision of grant or rejection written
A01 Written decision to grant a patent or to grant a registration (utility model)

Free format text: JAPANESE INTERMEDIATE CODE: A01

Effective date: 20070605

A61 First payment of annual fees (during grant procedure)

Free format text: JAPANESE INTERMEDIATE CODE: A61

Effective date: 20070618

R150 Certificate of patent or registration of utility model

Free format text: JAPANESE INTERMEDIATE CODE: R150

FPAY Renewal fee payment (event date is renewal date of database)

Free format text: PAYMENT UNTIL: 20100706

Year of fee payment: 3

FPAY Renewal fee payment (event date is renewal date of database)

Free format text: PAYMENT UNTIL: 20110706

Year of fee payment: 4

FPAY Renewal fee payment (event date is renewal date of database)

Free format text: PAYMENT UNTIL: 20110706

Year of fee payment: 4

FPAY Renewal fee payment (event date is renewal date of database)

Free format text: PAYMENT UNTIL: 20120706

Year of fee payment: 5

FPAY Renewal fee payment (event date is renewal date of database)

Free format text: PAYMENT UNTIL: 20120706

Year of fee payment: 5

FPAY Renewal fee payment (event date is renewal date of database)

Free format text: PAYMENT UNTIL: 20130706

Year of fee payment: 6

S531 Written request for registration of change of domicile

Free format text: JAPANESE INTERMEDIATE CODE: R313531

R350 Written notification of registration of transfer

Free format text: JAPANESE INTERMEDIATE CODE: R350

LAPS Cancellation because of no payment of annual fees