JP3736282B2 - 振動型リニアアクチュエータ - Google Patents
振動型リニアアクチュエータ Download PDFInfo
- Publication number
- JP3736282B2 JP3736282B2 JP2000124541A JP2000124541A JP3736282B2 JP 3736282 B2 JP3736282 B2 JP 3736282B2 JP 2000124541 A JP2000124541 A JP 2000124541A JP 2000124541 A JP2000124541 A JP 2000124541A JP 3736282 B2 JP3736282 B2 JP 3736282B2
- Authority
- JP
- Japan
- Prior art keywords
- mover
- movers
- permanent magnet
- linear actuator
- type linear
- Prior art date
- Legal status (The legal status is an assumption and is not a legal conclusion. Google has not performed a legal analysis and makes no representation as to the accuracy of the status listed.)
- Expired - Fee Related
Links
- 230000008878 coupling Effects 0.000 claims description 2
- 238000010168 coupling process Methods 0.000 claims description 2
- 238000005859 coupling reaction Methods 0.000 claims description 2
- 230000005484 gravity Effects 0.000 description 6
- 230000004907 flux Effects 0.000 description 5
- 230000001141 propulsive effect Effects 0.000 description 4
- 239000000696 magnetic material Substances 0.000 description 3
- XEEYBQQBJWHFJM-UHFFFAOYSA-N Iron Chemical compound [Fe] XEEYBQQBJWHFJM-UHFFFAOYSA-N 0.000 description 2
- 238000010586 diagram Methods 0.000 description 2
- 239000000463 material Substances 0.000 description 2
- 238000003466 welding Methods 0.000 description 2
- 230000002411 adverse Effects 0.000 description 1
- 238000005452 bending Methods 0.000 description 1
- 230000006835 compression Effects 0.000 description 1
- 238000007906 compression Methods 0.000 description 1
- 230000000694 effects Effects 0.000 description 1
- 229910052742 iron Inorganic materials 0.000 description 1
- 229920003002 synthetic resin Polymers 0.000 description 1
- 239000000057 synthetic resin Substances 0.000 description 1
Images
Landscapes
- Dry Shavers And Clippers (AREA)
- Reciprocating, Oscillating Or Vibrating Motors (AREA)
Description
【発明の属する技術分野】
本発明は往復振動を得るための振動型リニアアクチュエータに関するものである。
【0002】
【従来の技術】
従来、この種の振動型リニアアクチュエータとしては特開平11−285226号公報等に開示されるものがある。これは、電磁石からなる固定子と、永久磁石を備えている複数の可動子と、固定子が固着されていると共に板ばね状の連結体を介して可動子を往復動自在に支持しているフレームからなり、複数の可動子が駆動の振動方向にばねにて連結されている。そして電磁石に供給する電流の向きを交互に変えることより夫々永久磁石を備えた可動子を互いに逆位相で駆動させるようになっている。
【0003】
【発明が解決しようとする課題】
ところで、上記従来例では複数の可動子に夫々永久磁石を配設してあるが、このようにしてあると、複数の可動子の夫々の永久磁石同士に吸引力が発生し、その吸引力が磁気回路を構成する上で損失になり、磁気回路の効率に悪影響を与えているという問題があった。また隣り合う可動子に永久磁石を配設する際には、隣り合う永久磁石間に一定以上の隙間を設ける必要があるため、隙間の分だけアクチュエータの寸法が大きくなるという問題がある。
【0004】
本発明は叙述の点に鑑みてなされたものであって、従来の永久磁石間に働く吸引力成分をなくして磁気回路の効率を向上できる振動型リニアアクチュエータを提供することを課題とする。
【0005】
【課題を解決するための手段】
上記課題を解決するため本発明の請求項1の振動型リニアアクチュエータは、電磁石からなる固定子と、永久磁石を備えている可動子と、固定子が固着されていると共に板ばね状の連結体を介して可動子を往復動自在に支持しているフレームからなり、複数の可動子が駆動の振動方向にばねにて連結され、複数の可動子の質量は略同一で隣り合う可動子の片方のみに永久磁石が設けられ、唯一の電磁石に供給する電流の向きを交互に変えることで振動系の固有振動数付近で可動子を互いに逆位相で駆動させるようにしたことを特徴とする。片方の可動子に永久磁石を設ける構造で複数の可動子を逆位相で駆動することができる。このため従来のように隣り合う可動子に永久磁石がないために隣り合う永久磁石同士の吸引力が発生しないため、磁気回路に用いる磁束の損失がなくなり、磁気回路の効率が向上する。
【0006】
また本発明の請求項2の振動型リニアアクチュエータは、請求項1において、電磁石と対向している永久磁石の面積はすべての可動子が永久磁石を有している時の面積と同等であることを特徴とする。電磁石と対向する永久磁石の総面積が従来と同等でも従来のように永久磁石同士の吸引力が生じないため、出力が従来と同等以上で、従来のように隣り合う永久磁石間に隙間を設けなくてもよい分だけアクチュエータを薄型化できる。
【0007】
また本発明の請求項3の振動型リニアアクチュエータは、請求項1において、唯一の可動子のみが複数の駆動子を有したことを特徴とする。駆動子を持たない可動子の形状自由度及び材質の自由度が大きくなり、出力は同等でもアクチュエータの設計自由度が大きくなる。
【0008】
また本発明の請求項4の振動型リニアアクチュエータは、請求項1において、磁気回路を構成する永久磁石を有する可動子には駆動子を配設しないことを特徴とする。各々の可動子が駆動子と永久磁石を別々に有しているために、可動子間の質量バランス設計が容易になる。
【0009】
また本発明の請求項5の振動型リニアアクチュエータは、請求項1において、可動体を2個連結して箱状にした可動子と、その可動子内に配設される中央の可動子からなり、どちらか一方の可動子のみが奥行き方向の中心を中心として対称に配置された2つの駆動子を有したことを特徴とする。各々の可動子が駆動方向と垂直方向で中心軸に対して対称形状をしているため、駆動方向と垂直方向の各可動子の重心位置が略一致し、アクチュエータの振動が低減できる。
【0010】
また本発明の請求項6の振動型リニアアクチュエータは、請求項4において、可動体を2個連結して箱状にした可動子と、その可動子内に配設される中央の可動子からなり、箱状の可動子のみが磁気回路を構成している永久磁石を有し、中央の可動子のみが駆動子を有したことを特徴とする。各々の可動子が駆動子と永久磁石を別々に有しているため、可動子間の質量バランス設計が容易になると共に、各々の可動子が駆動方向と垂直方向で中心軸に対して対称形状をしているため、駆動方向と垂直方向の各可動子の重心位置が略一致し、アクチュエータの振動が低減できる。
【0011】
また本発明の請求項7の振動型リニアアクチュエータは、請求項4において、
可動体を2個連結して箱状にした可動子と、その可動子内に配設される中央の可動子からなり、中央の可動子のみが磁気回路を構成している永久磁石を有し、箱状の可動子のみが駆動子を有したことを特徴とする。各々の可動子が駆動子と永久磁石を別々に有しているため、可動子間の質量バランス設計が容易になると共に、各々の可動子が駆動方向と垂直方向で中心軸に対して対称形状をしているため、駆動方向と垂直方向の各可動子の重心位置が略一致し、アクチュエータの振動が低減できる。
【0012】
【発明の実施の形態】
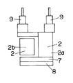
以下、本発明を添付図面に示す例に基づいて詳述する。図示例の振動型リニアアクチュエータは、往復式電気かみそり用のもので、固定子1と可動子2(図示例では2つの可動子2a,2b)、そしてフレーム3から構成されている。固定子1は、磁性材料の燒結体や磁性材料の鉄板を積層したE字形のヨーク4と、このヨーク4の中央片に巻回されたコイル5からなる電磁石となっており、断面略U字状のフレーム3に溶接またはねじにより固定されている。
【0013】
2種類の可動子2a,2bはいずれも合成樹脂よりなる骨組部材6にて主体が構成されており、一方の可動子2aの骨組部材6には磁性材料のバックヨーク7を介して永久磁石8が設けられている(他方の可動子2bにはバックヨーク7や永久磁石8は設けられていない)。勿論、可動子2bにバックヨーク7や永久磁石8を設け、可動子2aにこれらを設けなくてもよい。一方の可動子2aの骨組部材6は平面形状が略ロ字形の箱状に形成されており、他方の可動子2bが一方の可動子2aの両側片間に配設されている。可動子2a,2bには電気かみそりの可動刃に連結するための駆動子9が上方に突設されている。
【0014】
そして上記両可動子2a,2bは、その両端が前記フレーム3に板ばね状の連結体10を介して連結されている。ここにおける連結体10は可動子2bに連結される中央の板ばね部10bと、可動子2aに下端が連結される左右一対の板ばね部10aとからなり、連結体10の上端が支持板11を介してフレーム3に溶接、ねじ等で固定されている。つまり、上記可動子2a,2bが板ばね状の連結体10にてフレーム3から吊り下げられた形態となっている。上記支持板11は振動型リニアアクチュエータと他部品とを固定する基台となっている。また可動子2aの内面のばね受け部12と可動子2bの駆動子9のばね受け部13との間には、可動子2a,2bの往復動方向において、圧縮コイルばねからなるばね14が配設されている。
【0015】
このように構成された振動型リニアアクチュエータにおいて可動子2aに設けられた永久磁石8は、前記固定子1にギャップを介して上下方向に対向するとともに、可動子2aの往復動方向に着磁されていることから、固定子1のコイル5に流す電流の方向に応じて連結体10を撓ませつつ左右に移動する。コイル5に流す電流の方向を適宜なタイミングで切り換えることよって可動子2aを往復運動させることができる。
【0016】
上記可動子2a,2bの質量は、振動型リニアアクチュエータの振動系の共振の固有振動数で駆動するように設定され、夫々の質量は略同一になっている。そのため、夫々の可動子2a,2bはばね14を介して互いに往復運動の左右逆方向に運動を行う。つまり、逆位相で運動を行う。
【0017】
図3(a)(b)には従来例の可動子2の概略正面図及び概略側面図を示し、図4(a)(b)には本発明の可動子2の概略正面図及び概略側面図を示してある。本発明では可動子2a,2bはばね14により振動方向に連結されており、電磁石よりなる固定子1と面対向して永久磁石8の面積が従来の全ての可動子2が永久磁石8を有しているときの面積と同等である。つまり、従来の固定子1と面対向している2つの永久磁石8の総面積と、本発明の固定子1と面対向している1つの永久磁石8の面積とは同等である(A+A=2A)。本発明の振動型リニアアクチュエータは永久磁石8の面積に比例して推進力が得られる。この推進力Fの理論式を示すと次の数式1の通りとなる。
【0018】
【数1】
【0019】
数式1でBr:磁束密度、aL:磁石厚、Z:厚み方向の磁石幅、E:総ギャップ、n:コイル巻数、I:電流である。
このように推進力Fは磁石の面積に比例する。このため本発明のものも従来例のものも略同等の推進力が得られるが、本発明のものは従来のように隣り合う永久磁石8間で磁束の流れがなくなり、磁束により発生する推力が推進力成分にのみ作用するため、磁気回路の効率が向上する。さらに、本発明の場合、従来のように隣り合う可動子2同士の永久磁石8の吸引力を考慮した隙間をあける必要がない。その結果、従来と同等の出力を得るのに隙間分だけ寸法の小さい振動型リニアアクチュエータが設計できる。
【0020】
図5は他の例を示す。上記例の場合、2つの可動子2a,2bに夫々駆動子9を配設してあるが、本例の場合、1つの可動子2aのみに駆動子9を配設してある。この例の場合、駆動子9を持たない可動子2bが存在し、可動子2bの設計の形状自由度が向上する。
【0021】
図6は他の例を示す。本例の場合、永久磁石8とバックヨーク7を持たない可動子2bにのみに駆動子9が配設されている。可動子2の質量は永久磁石8、バックヨーク7及び駆動子9が大半を占めている。本例では永久磁石8及びバックヨーク7とを持ち、駆動子9を持たない可動子2aと、駆動子9を持ち、永久磁石8及びバックヨーク7を持たない可動子2bに分かれるため、片方の可動子2のみの質量が極端に大きくなりにくい。その結果、相互の可動子2a,2b間の質量設計が容易になると共に、質量を略同一にするために可動子2を重くするよな設計の必要がなくなる。
【0022】
図7は他の例を示す。可動子2が、2個の可動体を2個連結して箱状にした可動子2aと、その箱状の可動子2aの中に配置される中央の可動子2bとからなっている。上記可動子2a,2bのどちらか一方のみが奥行き方向(駆動方向と直交する方向)の中心を中心として対称に配設された駆動子9を有している。図の例の場合、可動子2aの方に対称に駆動子9を有している。その結果、可動子2a,2bの振動方向と垂直方向の重心位置が可動子2a,2bの略中心となる。つまり、各々の可動子2a,2bの重心が可動子2a,2bの振動の作用線上にあり、振動型リニアアクチュエータの振動の低減が図れる。
【0023】
図8は他の例を示す。図8(a)は中央の可動子2bのみが奥行き方向の中心を中心として対称に配設された2つの駆動子9を有し、可動体を2個連結して箱状にした可動子2aが永久磁石8及びバックヨーク7を有している。図8(b)は可動体を2個連結して箱状にした可動子2aのみが奥行き方向の中心を中心として対称に配置された2つの駆動子9を有し、中央の可動子2bが永久磁石8及びバックヨーク7を有している。上記のように構成することにより、図8に示すものでは、相互の可動子2a,2b間の質量設計が容易になると共に質量を略同一にするために可動子2を重くするような設計が必要なくなる。
【0024】
【発明の効果】
本発明の請求項1の発明は、電磁石からなる固定子と、永久磁石を備えている可動子と、固定子が固着されていると共に板ばね状の連結体を介して可動子を往復動自在に支持しているフレームからなり、複数の可動子が駆動の振動方向にばねにて連結され、複数の可動子の質量は略同一で隣り合う可動子の片方のみに永久磁石が設けられ、唯一の電磁石に供給する電流の向きを交互に変えることで振動系の固有振動数付近で可動子を互いに逆位相で駆動させるようにしたので、片方の可動子に永久磁石を設ける構造で複数の可動子を逆位相で駆動することができるものであって、従来のように隣り合う可動子に永久磁石がないために隣り合う永久磁石同士の吸引力が発生しなく、磁気回路に用いる磁束の損失がなくなり、磁気回路の効率が向上するものである。
【0025】
また本発明の請求項2の発明は、請求項1において、電磁石と対向している永久磁石の面積はすべての可動子が永久磁石を有している時の面積と同等であるので、電磁石と対向する永久磁石の総面積が従来と同等でも従来のように永久磁石同士の吸引力が生じなく、出力が従来と同等以上で、従来のように隣り合う永久磁石間に隙間を設けなくてもよい分だけアクチュエータを薄型化できるものである。
【0026】
また本発明の請求項3の発明は、請求項1において、唯一の可動子のみが複数の駆動子を有したので、駆動子を持たない可動子の形状自由度及び材質の自由度が大きくなり、出力は同等でもアクチュエータの設計自由度が大きくなるものである。
【0027】
また本発明の請求項4の発明は、請求項1において、磁気回路を構成する永久磁石を有する可動子には駆動子を配設しないので、各々の可動子が駆動子と永久磁石を別々に有していることとなり、可動子間の質量バランス設計が容易になるものである。
【0028】
また本発明の請求項5の発明は、請求項1において、可動体を2個連結して箱状にした可動子と、その可動子内に配設される中央の可動子からなり、どちらか一方の可動子のみが奥行き方向の中心を中心として対称に配置された2つの駆動子を有したので、各々の可動子が駆動方向と垂直方向で中心軸に対して対称形状となり、駆動方向と垂直方向の各可動子の重心位置が略一致し、アクチュエータぼ振動が低減できるものである。
【0029】
また本発明の請求項6の発明は、請求項4において、可動体を2個連結して箱状にした可動子と、その可動子内に配設される中央の可動子からなり、箱状の可動子のみが磁気回路を構成して永久磁石を有し、中央の可動子のみが駆動子を有したので、各々の可動子が駆動子と永久磁石を別々に有していることとなり、可動子間の質量バランス設計が容易になると共に、各々の可動子が駆動方向と垂直方向で中心軸に対して対称形状をしているため、駆動方向と垂直方向の各可動子の重心位置が略一致し、アクチュエータの振動が低減できるものである。
【0030】
また本発明の請求項7の発明は、請求項4において、可動体を2個連結して箱状にした可動子と、その可動子内に配設される中央の可動子からなり、中央の可動子のみが磁気回路を構成している永久磁石を有し、箱状の可動子のみが駆動子を有したので、各々の可動子が駆動子と永久磁石を別々に有していることとなり、可動子間の質量バランス設計が容易になると共に、各々の可動子が駆動方向と垂直方向で中心軸に対して対称形状をしているため、駆動方向と垂直方向の各可動子の重心位置が略一致し、アクチュエータの振動が低減できるものである。
【図面の簡単な説明】
【図1】本発明の実施の形態の一例の振動型アクチュエータを示す斜視図である。
【図2】同上の分解斜視図である。
【図3】同上の動作を説明するためのもので、(a)は従来の可動子の概略正面図、(b)は従来の可動子の概略側面図である。
【図4】同上の動作を説明するためのもので、(a)は本発明の可動子の概略正面図、(b)は概略側面図である。
【図5】同上の他の例の可動子の概略側面図である。
【図6】同上の他の例の可動子の概略側面図である。
【図7】同上の他の例の可動子の概略側面図である。
【図8】(a)(b)は同上の他の例の概略側面図である。
【符号の説明】
1 固定子
2 可動子
2a 一方の可動子
2b 他方の可動子
3 フレーム
4 ヨーク
5 コイル
7 バックヨーク
8 永久磁石
9 駆動子
10 連結体
14 ばね
Claims (7)
- 電磁石からなる固定子と、永久磁石を備えている可動子と、固定子が固着されていると共に板ばね状の連結体を介して可動子を往復動自在に支持しているフレームからなり、複数の可動子が駆動の振動方向にばねにて連結され、複数の可動子の質量は略同一で隣り合う可動子の片方のみに永久磁石が設けられ、唯一の電磁石に供給する電流の向きを交互に変えることで振動系の固有振動数付近で可動子を互いに逆位相で駆動させるようにしたことを特徴とする振動型リニアアクチュエータ。
- 電磁石と対向している永久磁石の面積はすべての可動子が永久磁石を有している時の面積と同等であることを特徴とする請求項1記載の振動型リニアアクチュエータ。
- 唯一の可動子のみが複数の駆動子を有したことを特徴とする請求項1記載の振動型リニアアクチュエータ。
- 磁気回路を構成する永久磁石を有する可動子には駆動子を配設しないことを特徴とする請求項1記載の振動型リニアアクチュエータ。
- 可動体を2個連結して箱状にした可動子と、その可動子内に配設される中央の可動子からなり、どちらか一方の可動子のみが奥行き方向の中心を中心として対称に配置された2つの駆動子を有したことを特徴とする請求項1記載の振動型リニアアクチュエータ。
- 可動体を2個連結して箱状にした可動子と、その可動子内に配設される中央の可動子からなり、箱状の可動子のみが磁気回路を構成している永久磁石を有し、中央の可動子のみが駆動子を有したことを特徴とする請求項4記載の振動型リニアアクチュエータ。
- 可動体を2個連結して箱状にした可動子と、その可動子内に配設される中央の可動子からなり、中央の可動子のみが磁気回路を構成している永久磁石を有し、箱状の可動子のみが駆動子を有したことを特徴とする請求項4記載の振動型リニアアクチュエータ。
Priority Applications (1)
| Application Number | Priority Date | Filing Date | Title |
|---|---|---|---|
| JP2000124541A JP3736282B2 (ja) | 2000-04-25 | 2000-04-25 | 振動型リニアアクチュエータ |
Applications Claiming Priority (1)
| Application Number | Priority Date | Filing Date | Title |
|---|---|---|---|
| JP2000124541A JP3736282B2 (ja) | 2000-04-25 | 2000-04-25 | 振動型リニアアクチュエータ |
Publications (2)
| Publication Number | Publication Date |
|---|---|
| JP2001309632A JP2001309632A (ja) | 2001-11-02 |
| JP3736282B2 true JP3736282B2 (ja) | 2006-01-18 |
Family
ID=18634658
Family Applications (1)
| Application Number | Title | Priority Date | Filing Date |
|---|---|---|---|
| JP2000124541A Expired - Fee Related JP3736282B2 (ja) | 2000-04-25 | 2000-04-25 | 振動型リニアアクチュエータ |
Country Status (1)
| Country | Link |
|---|---|
| JP (1) | JP3736282B2 (ja) |
Cited By (1)
| Publication number | Priority date | Publication date | Assignee | Title |
|---|---|---|---|---|
| CN102958652A (zh) * | 2010-07-08 | 2013-03-06 | 松下电器产业株式会社 | 往复式电动剃刀 |
Families Citing this family (3)
| Publication number | Priority date | Publication date | Assignee | Title |
|---|---|---|---|---|
| JP2005185067A (ja) | 2003-12-22 | 2005-07-07 | Matsushita Electric Works Ltd | 振動型リニアアクチュエータ及びこれを備えたヘアカッター |
| JP2009081920A (ja) * | 2007-09-25 | 2009-04-16 | Panasonic Electric Works Co Ltd | 振動型リニアアクチュエータ |
| JP7030558B2 (ja) * | 2018-02-27 | 2022-03-07 | マクセルイズミ株式会社 | 往復式電気かみそり |
-
2000
- 2000-04-25 JP JP2000124541A patent/JP3736282B2/ja not_active Expired - Fee Related
Cited By (1)
| Publication number | Priority date | Publication date | Assignee | Title |
|---|---|---|---|---|
| CN102958652A (zh) * | 2010-07-08 | 2013-03-06 | 松下电器产业株式会社 | 往复式电动剃刀 |
Also Published As
| Publication number | Publication date |
|---|---|
| JP2001309632A (ja) | 2001-11-02 |
Similar Documents
| Publication | Publication Date | Title |
|---|---|---|
| TW507047B (en) | Magnetic actuator | |
| JP4503673B2 (ja) | 反対位相の2個の可動部品を備えた電磁アクチュエータ | |
| JP3304977B2 (ja) | 2個の逆位相可動部品を有する電磁作動器 | |
| JP5624417B2 (ja) | 振動型リニアアクチュエータ | |
| KR100667961B1 (ko) | 진동형 리니어 액추에이터 시스템 및 이를 포함하는 헤어 커터 | |
| JP2002011676A (ja) | 電磁式打撃機構を有する手持ち式工具装置 | |
| JP2004023909A (ja) | 振動型リニアアクチュエータ | |
| JP2019201486A (ja) | リニア振動モータ及び電子機器 | |
| CN1926750B (zh) | 带有一个具有磁体支架的电枢体的直线驱动装置 | |
| CN102545526B (zh) | 致动器 | |
| JP3736381B2 (ja) | 振動型リニアアクチュエータ | |
| JP3736282B2 (ja) | 振動型リニアアクチュエータ | |
| KR100543098B1 (ko) | 진동형 리니어 액츄에이터 | |
| JP2020184841A (ja) | 振動アクチュエータ及び触覚デバイス | |
| JP3841021B2 (ja) | 振動型リニアアクチュエータ | |
| WO2024234860A1 (zh) | 直线电机装置 | |
| JP4883097B2 (ja) | 振動型リニアアクチュエータ | |
| JPH11285226A (ja) | 振動型リニアアクチュエータ | |
| JP5555110B2 (ja) | 振動型リニアアクチュエータ | |
| JP3661370B2 (ja) | 振動型リニアアクチュエータ | |
| JP2002112519A (ja) | 電磁往復駆動装置 | |
| JP3750479B2 (ja) | 振動型リニアアクチュエータ | |
| JP5527066B2 (ja) | 可動磁石型リニアアクチュエータ | |
| CN223414772U (zh) | 一种线性致动装置及毛发切割装置 | |
| CN223798098U (zh) | 一种线性驱动器及切割毛发装置 |
Legal Events
| Date | Code | Title | Description |
|---|---|---|---|
| A131 | Notification of reasons for refusal |
Free format text: JAPANESE INTERMEDIATE CODE: A131 Effective date: 20050628 |
|
| TRDD | Decision of grant or rejection written | ||
| A01 | Written decision to grant a patent or to grant a registration (utility model) |
Free format text: JAPANESE INTERMEDIATE CODE: A01 Effective date: 20051004 |
|
| A61 | First payment of annual fees (during grant procedure) |
Free format text: JAPANESE INTERMEDIATE CODE: A61 Effective date: 20051017 |
|
| FPAY | Renewal fee payment (event date is renewal date of database) |
Free format text: PAYMENT UNTIL: 20081104 Year of fee payment: 3 |
|
| S533 | Written request for registration of change of name |
Free format text: JAPANESE INTERMEDIATE CODE: R313533 |
|
| R350 | Written notification of registration of transfer |
Free format text: JAPANESE INTERMEDIATE CODE: R350 |
|
| FPAY | Renewal fee payment (event date is renewal date of database) |
Free format text: PAYMENT UNTIL: 20091104 Year of fee payment: 4 |
|
| FPAY | Renewal fee payment (event date is renewal date of database) |
Free format text: PAYMENT UNTIL: 20091104 Year of fee payment: 4 |
|
| FPAY | Renewal fee payment (event date is renewal date of database) |
Free format text: PAYMENT UNTIL: 20101104 Year of fee payment: 5 |
|
| FPAY | Renewal fee payment (event date is renewal date of database) |
Free format text: PAYMENT UNTIL: 20111104 Year of fee payment: 6 |
|
| FPAY | Renewal fee payment (event date is renewal date of database) |
Free format text: PAYMENT UNTIL: 20121104 Year of fee payment: 7 |
|
| FPAY | Renewal fee payment (event date is renewal date of database) |
Free format text: PAYMENT UNTIL: 20131104 Year of fee payment: 8 |
|
| LAPS | Cancellation because of no payment of annual fees |
