JP3733440B2 - スイッチング電源 - Google Patents

スイッチング電源 Download PDF

Info

Publication number
JP3733440B2
JP3733440B2 JP2003082075A JP2003082075A JP3733440B2 JP 3733440 B2 JP3733440 B2 JP 3733440B2 JP 2003082075 A JP2003082075 A JP 2003082075A JP 2003082075 A JP2003082075 A JP 2003082075A JP 3733440 B2 JP3733440 B2 JP 3733440B2
Authority
JP
Japan
Prior art keywords
voltage
switching element
main switching
winding
power supply
Prior art date
Legal status (The legal status is an assumption and is not a legal conclusion. Google has not performed a legal analysis and makes no representation as to the accuracy of the status listed.)
Expired - Fee Related
Application number
JP2003082075A
Other languages
English (en)
Other versions
JP2004289981A (ja
Inventor
宏 境
Current Assignee (The listed assignees may be inaccurate. Google has not performed a legal analysis and makes no representation or warranty as to the accuracy of the list.)
Orion Electric Co Ltd Korea
Original Assignee
Orion Electric Co Ltd Korea
Priority date (The priority date is an assumption and is not a legal conclusion. Google has not performed a legal analysis and makes no representation as to the accuracy of the date listed.)
Filing date
Publication date
Application filed by Orion Electric Co Ltd Korea filed Critical Orion Electric Co Ltd Korea
Priority to JP2003082075A priority Critical patent/JP3733440B2/ja
Priority to US10/457,559 priority patent/US6798671B1/en
Priority to EP04007092A priority patent/EP1463191A3/en
Publication of JP2004289981A publication Critical patent/JP2004289981A/ja
Application granted granted Critical
Publication of JP3733440B2 publication Critical patent/JP3733440B2/ja
Anticipated expiration legal-status Critical
Expired - Fee Related legal-status Critical Current

Links

Images

Classifications

    • HELECTRICITY
    • H02GENERATION; CONVERSION OR DISTRIBUTION OF ELECTRIC POWER
    • H02MAPPARATUS FOR CONVERSION BETWEEN AC AND AC, BETWEEN AC AND DC, OR BETWEEN DC AND DC, AND FOR USE WITH MAINS OR SIMILAR POWER SUPPLY SYSTEMS; CONVERSION OF DC OR AC INPUT POWER INTO SURGE OUTPUT POWER; CONTROL OR REGULATION THEREOF
    • H02M3/00Conversion of DC power input into DC power output
    • H02M3/22Conversion of DC power input into DC power output with intermediate conversion into AC
    • H02M3/24Conversion of DC power input into DC power output with intermediate conversion into AC by static converters
    • H02M3/28Conversion of DC power input into DC power output with intermediate conversion into AC by static converters using discharge tubes with control electrode or semiconductor devices with control electrode to produce the intermediate AC
    • H02M3/325Conversion of DC power input into DC power output with intermediate conversion into AC by static converters using discharge tubes with control electrode or semiconductor devices with control electrode to produce the intermediate AC using devices of a triode or a transistor type requiring continuous application of a control signal
    • H02M3/335Conversion of DC power input into DC power output with intermediate conversion into AC by static converters using discharge tubes with control electrode or semiconductor devices with control electrode to produce the intermediate AC using devices of a triode or a transistor type requiring continuous application of a control signal using semiconductor devices only
    • H02M3/338Conversion of DC power input into DC power output with intermediate conversion into AC by static converters using discharge tubes with control electrode or semiconductor devices with control electrode to produce the intermediate AC using devices of a triode or a transistor type requiring continuous application of a control signal using semiconductor devices only in a self-oscillating arrangement

Landscapes

  • Engineering & Computer Science (AREA)
  • Power Engineering (AREA)
  • Dc-Dc Converters (AREA)

Description

【0001】
【発明の属する技術分野】
本発明は、産業用や民生用の電子機器に直流安定化電圧を供給する自励タイプのスイッチング電源に関するものである。
【0002】
【従来の技術】
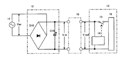
図2は交流電源によって動作する電子機器の概略構成図の一例を示すものである。同図において、交流電源11の交流電圧Vacとしては100V系(例えば90Vから130V)と200V系(例えば180Vから260V)とがある。従って、電子機器においても、対応する電源電圧が100V系の電子機器と、200V系の電子機器と、さらには100V系と200V系の両方に対応したワールドワイド対応の電子機器とがある。
【0003】
次に、同図の構成について説明する。交流電源11から供給された交流電圧Vacは整流部12で直流電圧Vinに変換している。整流部12は整流用ダイオードD10と整流用コンデンサC10で構成されている。さらに、直流/直流変換部10で直流電圧Vinを電子装置13が動作するために必要な直流電圧Voutに変換している。上記直流/直流変換部10としてスイッチング電源がよく用いられる。
【0004】
また、直流電圧Voutの供給を受けて動作する電子装置13には、マイクロコンピューター等を用いた制御部14を設けたものも多くみられる。制御部14での制御の一例として、電子回路16に供給する直流電圧の入/切(ON/OFF)をスイッチ15の制御によって切り換えるものがある。これにより、例えばリモコン送信器(図示せず)からの信号を受けた制御部14が、電子回路16に供給する直流電圧を切ったり(待機状態)、入れたり(動作状態)することで、リモコン送信器による電源の入/切(ON/OFF)を行う。
【0005】
図3は従来から比較的小型の電子機器によく用いられるRCC(リンギングチョークコンバータ)方式のスイッチング電源の構成図を示すものである。
なお、この種の従来例としては、特開平7−7940号公報が挙げられる。
同図において、スイッチング電源2には、図中黒丸で示す極性の1次側巻線N1、1次側補助巻線N2、および2次側巻線N3を有するトランスTが設けられている。トランスTの1次側巻線N1側はいわゆる直流電圧入力側にあたり、1次側巻線N1と直列にパワーMOS FETからなる主スイッチング素子Q1が接続され、1次側巻線N1の一端が直流電圧の高電位側の入力端子Aに、また主スイッチング素子Q1のドレインが直流電圧の低電位側の入力端子GNDに接続されている。また、入力端子Aと主スイッチング素子Q1のゲートとの間に起動抵抗R1が接続されて設けられている。
【0006】
また、1次側補助巻線N2の一端と主スイッチング素子Q1のゲートとの間に、抵抗R2とコンデンサC1が、互いに直列に接続されて設けられている。NPN型のトランジスタQ2とNPN型のフォトトランジスタPTとからなる制御回路は、トランジスタQ2のコレクターは主スイッチング素子Q1のゲートに接続される一方、トランジスタQ2のエミッターは入力端子GNDに接続されている。フォトトランジスタPTのエミッターはトランジスタQ2のベースに接続され、フォトトランジスタPTのコレクターはR3を介して1次側補助巻線N2に接続されている。また、トランジスタQ2のベースは後述するコンデンサC2の一端に接続されている。
【0007】
抵抗R6、ツェナーダイオードD3、およびコンデンサC2からなる過電流保護回路は、抵抗R6とコンデンサC2とはコンデンサC2の一端が入力端子GNDに接続されるよう互いに直列に接続されてその全体が1次側補助巻線N2と並列に接続され、ツェナーダイオードD3と抵抗R6とが並列に接続されている。また、抵抗R6とコンデンサC2との接続点は前述のトランジスタQ2のベースに接続されている。
【0008】
そして、トランスTの2次側巻線N3側はいわゆる整流出力側(出力部)にあたり、トランスTの2次側巻線N3には整流用のダイオードD2が直列に接続されており、ダイオードD2のカソード側が出力端子Bに、また2次側巻線N3の一端が出力端子GNDに接続されている。出力端子Bと出力端子GNDとの間には平滑コンデンサC3が接続され、平滑コンデンサC3の後段に電圧検出回路が設けられている。
【0009】
電圧検出回路は、分圧抵抗R4・R5、発光ダイオードLED、およびシャントレギュレータIC1からなる。分圧抵抗R4・R5は出力端子Bと出力端子GNDとの間で互いに直列に接続され、同じく出力端子Bと出力端子GNDとの間で互いに直列に接続された前記フォトトランジスタPTとフォトカプラーを構成する発光ダイオードLED、およびシャントレギュレータIC1と並列に接続されている。また、分圧抵抗R4・R5同士の接続点はシャントレギュレータIC1のR端子に接続されている。
【0010】
上記の構成のスイッチング電源の動作について以下に述べる。まず、入力端子Aと入力端子GND間に直流電圧Vinが印加されると、起動抵抗R1を介して主スイッチング素子Q1のゲートにしきい値以上の電圧が印加され、主スイッチング素子Q1がON状態となる。これにより、トランスTの1次側巻線N1に直流電圧Vinが印加される。1次側巻線N1に直流電圧Vinが印加されたことに伴って、1次側補助巻線N2には1次側巻線N1と同方向の電圧が誘起され、コンデンサC1および抵抗R2を介してこの誘起電圧が主スイッチング素子Q1のゲートに印加されるので、主スイッチング素子Q1はON状態を維持する。
【0011】
主スイッチング素子Q1のON期間には、抵抗R2、コンデンサC1、およびフォトトランジスタPTを経由する経路と、抵抗R6およびツェナーダイオードD1を経由する経路とに流れる電流によってコンデンサC2が充電される。上記各経路を構成する素子の定数に基づいた時定数に従ってコンデンサC2の充電が行われ、トランジスタQ2のベース・エミッタ間電圧がしきい値電圧(例えば0.6V)以上まで上昇するとトランジスタQ2はON状態になり、この結果主スイッチング素子Q1のゲート電圧が急速に低下して主スイッチング素子Q1がOFF状態となる。すると、1次側巻線N1は主スイッチング素子Q1がON状態の間に蓄積したエネルギーを2次側巻線N3に伝達する。
【0012】
2次側巻線N3には、1次側巻線N1から受け取ったエネルギーを整流出力側に放出する。そして、ダイオードD2により整流され、平滑コンデンサC3により平滑化された直流電圧Voutが出力端子Bと出力端子GND間から出力される。
【0013】
一方、整流出力側で直流電圧Voutが出力されている間は、コンデンサC2は次回の主スイッチング素子Q1のON状態切り換えに備えてリセットされる。このときトランジスタQ2はベース・エミッタ間の電圧が低下してOFF状態となるが、1次側補助巻線N2に下向きの電圧が誘起されていることにより主スイッチング素子Q1はOFF状態のままである。
【0014】
整流出力エネルギーの放出が終了すると、1次側補助巻線N2にリンギングが発生し、1次側補助巻線N2の寄生容量に蓄積されていた静電エネルギーが放出されて1次側補助巻線N2のエネルギーに変換され、1次側補助巻線N2に上向きの起電力が発生する。このときの電圧がリンギングパルスとしてコンデンサC1および抵抗R2を介して主スイッチング素子Q1のゲートに印加される。リンギングパルスは主スイッチング素子Q1のしきい値以上の電圧となるように設定されているため、主スイッチング素子Q1はON状態となり、再び1次側巻線N1に直流電圧Vinが印加される。以上の発振動作が繰り返されることにより、出力端子Bからは直流電圧Voutが出力され続ける。
【0015】
ここで、直流電圧Voutの制御について述べる。直流電圧Voutが設定値よりも高い場合は、電圧検出回路の分圧抵抗R4・R5によって分圧されてシャントレギュレータIC1のR端子に入力された電圧がシャントレギュレータIC1内部の基準電圧よりも高いため、シャントレギュレータSRは発光ダイオードLEDに流す電流を増加させる。これにより発光ダイオードLEDの発光量が増加し、受光側のフォトトランジスタPT1のインピーダンスが減少する。
【0016】
従って、主スイッチング素子Q1のON期間中にコンデンサC2への充電電流が増加し、トランジスタQ2のベース・エミッタ間電圧は早くしきい値以上となって、主スイッチング素子Q1のON期間がそれだけ短くなるように、すなわち直流電圧Voutが低下するように調整される。直流電圧Voutが設定値よりも低い場合は上記と逆の動作が行われて、主スイッチング素子Q1のON期間が長くなるように、すなわち直流電圧Voutが上昇するように調整される。
【0017】
次に、過電流保護回路の動作について述べる。低入力電圧時および高入力電圧時におけるコンデンサC2のプラス方向およびマイナス方向のそれぞれの充電時間は、前記各経路を構成する素子の定数に基づいた時定数により決定される。ここで、上記時定数を調整して、過電流保護のかかり始めを低入力電圧時において従来よりも重負荷側へシフトさせてフの字垂下特性を緩和し、かつ高入力電圧時における過電流保護のかかり始めを低入力電圧時のものに近づけている。
【0018】
すなわち、低入力電圧時に主スイッチング素子Q1のON期間におけるコンデンサC2の充電時間を長くする(充電時定数を大きくする)とともに、主スイッチング素子Q1のOFF期間におけるコンデンサC2のマイナス方向への充電時間を短くする(充電時定数を小さくする)ように抵抗R6の値を設定する。同時に、ツェナーダイオードD3が導通するような高入力電圧時に垂下開始負荷が低入力電圧時のものと同じになるよう、主スイッチング素子Q1のON期間におけるコンデンサC2の充電時定数を調整して設定する。 主スイッチング素子Q1のON期間に1次側補助巻線N2に誘起する電圧のパルス幅は、負荷が大きくなるほど出力電圧(直流電圧Vout)を上昇させようとするために大きくなるよう制御される。しかし、このときのコンデンサC2の充電は前記時定数に従って行われ、所定時間が経過するとトランジスタQ2がON状態となって主スイッチング素子Q1がOFF状態となるために、上記パルス幅がある一定の大きさに達すると主スイッチング素子Q1がOFF状態になり、スイッチング電源は過電流保護動作を行うことになる。
【0019】
また、スイッチング電源の定常発振動作時は、主スイッチング素子Q1がOFF状態となったときに、コンデンサC2はフライバック電圧により主スイッチング素子Q1のON期間と反対にマイナス方向に充電される。スイッチング電源が過電流保護動作に移行した場合はコンデンサC2の充電方向がプラス側へ近づくために、トランジスタQ2のベース・エミッタ間電圧がしきい値に到達するまでの時間がさらに短くなり、主スイッチング素子Q1のON期間はますます短くなる。従って、負荷インピーダンスの減少に伴って、出力電圧がますます低下するフの字垂下特性を呈することとなる。
【0020】
一般にRCC方式のスイッチング電源では、負荷と発振周波数との関係は次の式に従って表される。
f={1/(2L1×Po/η)}×{Vin/(1+n3/n1×Vin/Vout)
f: 発振周波数
Po:負荷電力
L1:トランスTの一時巻線インダクタンス
η:電力変換効率
n3:トランスTの2次巻線数
n1:トランスTの1次巻線数
Vin:入力電圧
Vout:2次側出力電圧
【0021】
従って、負荷電力Poと発振周波数fとは反比例の関係にある。負荷電力Poが小さくなると発振周波数fが増大し、スイッチングの断続回数が増大する。一般的にスイッチング回路では、スイッチング回数が増大するとスイッチング損失が増えるので、このような発振周波数fの増大によっても主スイッチング素子Q1の損失は増大してしまう。
また、入力電圧が高ければ発振周波数fも比例して高くなり、軽負荷では主スイッチング素子Q1のドレイン・ソース間電圧が不飽和状態で変化し、特にオン状態での電圧が上昇して過電流が流れるため電力損失が最も増大する。
【0022】
従って、従来では高入力電圧時に電力損失が最も増大するのを保護するために抵抗R6と並列に、ツェナーダイオードD3を設けることにより主スイッチング素子Q1過電流保護動作のかかりを早めている。すなわち、高入力電圧時には、主スイッチング素子Q1のON時に1次側補助巻線N2に誘起されるパルス電圧が高くなりツェナーダイオードD3のツェナー電圧を越えた場合、コンデンサC2への充電電流が増加してトランジスタQ2のベース・エミッタ間電圧が早くしきい値に到達するようになり、過電流保護動作のかかりが早まる。このようにして、入力電圧の大小による過電流保護動作点がシフトするのを抑えている。
【0023】
【発明が解決しようとする課題】
しかしながら、このような従来のスイッチング電源では、過電流保護回路にツェナーダイオード等の過電流保護動作点がシフトするのを調整する部品が必要となり、部品の実装スペースが増えることと、コストアップするという欠点がある。
本発明は、上記従来の問題点に鑑みなされたものであって、その目的は、入力電圧の大小による過電流保護動作点がシフトするにもかかわりなく安定化されたワールドワイド対応のRCC方式のスイッチング電源を提供することにある。
【0024】
【課題を解決するための手段】
請求項1に係わる発明のスイッチング電源は、 1次側巻線に入力された直流電圧を2次側巻線でフライバック電圧として出力するとともに、上記1次側巻線および上記2次側巻線からの帰還電圧が誘起される補助巻線を備えたトランスと、上記1次巻線への直流電圧の入力をスイッチングする主スイッチング素子と、上記2次側巻線から出力されたフライバック電圧を整流平滑して直流電圧を出力する出力部とを有する自励式のスイッチング電源において、高入力電圧時および軽負荷時における上記トランスの上記1次側巻線のインダクタンスを上記主スイッチング素子の定格を超えない範囲で高く設定すると共に、低入力電圧時および重負荷時における上記補助巻線のインダクタンスおよび上記主スイッチング素子の制御抵抗およびコンデンサの値を上記主スイッチング素子の発振特性が悪化しない範囲で低く設定することを特徴としている。
この結果、過電流保護動作点がシフトするにもかかわりなく安価で安定したワールドワイド対応のRCC方式のスイッチング電源を提供することができる。
【0025】
【発明の実施の形態】
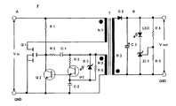
以下に、図面を参照しながら、本発明の実施の一形態について説明する。図1に、本発明の実施の一形態におけるスイッチング電源の構成図を示す。同図において、スイッチング電源1には、図中黒丸で示す極性の1次側巻線N1、1次側補助巻線N2、および2次側巻線N3を有するトランスTが設けられている。トランスTの1次側巻線N1側はいわゆる直流電圧入力側にあたり、1次側巻線N1と直列にパワーMOS FETからなる主スイッチング素子Q1が接続され、1次側巻線N1の一端が直流電圧の高電位側の入力端子Aに、また主スイッチング素子Q1のドレインが直流電圧の低電位側の入力端子GNDに接続されている。また、入力端子Aと主スイッチング素子Q1のゲートとの間に起動抵抗R1が接続されて設けられている。
【0026】
ここで、1次側巻線N1のインダクタンスは、高入力電圧時および軽負荷時に主スイッチング素子Q1の定格を超えないように、予め大きな値に設定されている。一例として、電子機器が図2に示した構成で、なおかつワールドワイド対応であれば、交流電源11の交流電圧Vacが260Vのときに高入力電圧となり、電子回路16に供給する直流電圧のスイッチ15が切(OFF)の状態(待機状態)のときに軽負荷となる。従って、交流電圧Vacが260Vで、なおかつスイッチ15が切(OFF)の状態(待機状態)のときに、主スイッチング素子Q1の定格を超えないような発振周波数(例えば200KHzを超えない範囲)となるように、1次側巻線N1のインダクタンスを大きな値に設定しておく。
【0027】
次に、1次側補助巻線N2の一端と主スイッチング素子Q1のゲートとの間に、抵抗R2とコンデンサC1が、互いに直列に接続されて設けられている。NPN型のトランジスタQ2とNPN型のフォトトランジスタPTとからなる制御回路は、トランジスタQ2のコレクターは主スイッチング素子Q1のゲートに接続される一方、トランジスタQ2のエミッターは入力端子GNDに接続されている。フォトトランジスタPTのエミッターはトランジスタQ2のベースに接続され、フォトトランジスタPTのコレクターはR3を介して1次側補助巻線N2に接続されている。また、トランジスタQ2のベースは後述するコンデンサC2の一端に接続されている。
【0028】
ここで、1次側補助巻線N2のインダクタンスおよび抵抗R2とコンデンサC1の値は、低入力電圧時および重負荷時に発振が不安定にならない範囲で、予め小さな値に設定されている。一例として、電子機器が図2に示した構成で、なおかつワールドワイド対応であれば、交流電源11の交流電圧Vacが90Vのときに低入力電圧となり、電子回路16に供給する直流電圧のスイッチ15が入(ON)の状態(動作状態)のときに重負荷となる。従って、交流電圧Vacが90Vで、なおかつスイッチ15が入(ON)の状態(動作状態)のときに、発振が不安定にならないように、1次側補助巻線N2のインダクタンスおよび抵抗R2とコンデンサC1の値を小さな値に設定しておく。
【0029】
そして、トランスTの2次側巻線N3側はいわゆる整流出力側(出力部)にあたり、2次側巻線N3には整流用のダイオードD2が直列に接続されており、ダイオードD2のカソード側が高電位側の出力端子Bに、また2次側巻線N3の一端が低電位側の出力端子GNDに接続されている。出力端子Bと出力端子GNDとの間には平滑コンデンサC3が接続され、平滑コンデンサC3の後段に電圧検出回路が設けられている。
【0030】
電圧検出回路は、分圧抵抗R4・R5、発光ダイオードLED、およびシャントレギュレータIC1からなる。分圧抵抗R4・R5は出力端子Bと出力端子GNDとの間で互いに直列に接続され、同じく出力端子Bと出力端子GNDとの間で互いに直列に接続された前記フォトトランジスタPTとフォトカプラーを構成する発光ダイオードLED、およびシャントレギュレータIC1と並列に接続されている。また、分圧抵抗R4・R5同士の接続点はシャントレギュレータIC1のR端子に接続されている。
【0031】
上記の構成のスイッチング電源1の動作について以下に述べる。まず、入力端子Aと入力端子GND間に直流電圧Vinが印加されると、起動抵抗R1を介して主スイッチング素子Q1のゲートにしきい値以上の電圧が印加され、主スイッチング素子Q1がON状態となる。これにより、トランスTの1次側巻線N1に直流電圧Vinが印加される。1次側巻線N1に直流電圧Vinが印加されたことに伴って、1次側補助巻線N2には1次側巻線N1と同方向の電圧(帰還電圧)が誘起され、コンデンサC1および抵抗R2を介してこの誘起電圧が主スイッチング素子Q1のゲートに印加されるので、主スイッチング素子Q1はON状態を維持する。
【0032】
主スイッチング素子Q1のON期間には、抵抗R2、コンデンサC1、およびフォトトランジスタPTを経由する経路の定数に基づいた時定数に従ってコンデンサC2の充電が行われ、トランジスタQ2のベース・エミッタ間電圧がしきい値電圧まで上昇するとトランジスタQ2はON状態になり、この結果主スイッチング素子Q1のゲート電圧が急速に低下して主スイッチング素子Q1がOFF状態となる。すると、1次側巻線N1は主スイッチング素子Q1がON状態の間にエネルギーを2次巻線N3に伝達する。
【0033】
2次側巻線N3には、1次側巻線N1と逆極性であるために主スイッチング素子Q1がON状態の間に下向きの電圧が誘起されているが、この電圧はダイオードD2に対して逆バイアスとなって整流出力側には電流が流れず、主スイッチング素子Q1がOFF状態になる瞬間に上向きの逆起電力(フライバック電圧)が誘起され、1次側巻線N1から受け取ったエネルギーを整流出力側に放出する。そして、ダイオードD2により整流され、平滑コンデンサC3により平滑化された直流電圧Voutが出力端子Bと出力端子GND間から出力される。
【0034】
一方、整流出力側で直流電圧Voutが出力されている間は、1次側補助巻線N2に下向きの電圧(帰還電圧)が誘起されており、この電圧によってコンデンサC2の電荷の引き抜きが行われ、さらにコンデンサC2には入力電圧(直流電圧Vin)の大小に応じて、主スイッチング素子Q1のON期間の場合と反対のマイナス方向に電荷が蓄積される。この場合は、低入力電圧時においても高入力電圧時においても、コンデンサC2の電荷は前記フォトトランジスタPTを経由する経路を逆方向に流れる電流によって充電される。
【0035】
これによりコンデンサC2は次回の主スイッチング素子Q1のON状態切り換えに備えてリセットされる。このときトランジスタQ2はベース・エミッタ間電圧が低下してOFF状態となるが、1次側補助巻線N2に下向きの電圧が誘起されていることにより主スイッチング素子Q1はゲートがLowレベルに維持されてOFF状態のままである。
【0036】
整流出力側でエネルギーの放出が終了すると、1次側補助巻線N2にリンギングが発生し、1次側補助巻線N2のエネルギーが放出されて1次側補助巻線N2に上向きの起電力が発生する。このときの電圧がリンギングパルスとしてコンデンサC1および抵抗R2を介して主スイッチング素子Q1のゲートに印加される。リンギングパルスは主スイッチング素子Q1のしきい値以上の電圧となるように設定されているため、主スイッチング素子Q1はON状態となり、再び1次側巻線N1に直流電圧Vinが印加される。以上の発振動作が繰り返されることにより、出力端子Bからは直流電圧Voutが出力され続ける。
【0037】
ここで、直流電圧Voutの制御について述べる。直流電圧Voutが設定値よりも高い場合は、電圧検出回路の分圧抵抗R4・R5によって分圧されてシャントレギュレータIC1のR端子に入力された電圧がシャントレギュレータIC1内部の基準電圧よりも高いため、シャントレギュレータSRは発光ダイオードLEDに流す電流を増加させる。これにより発光ダイオードLEDの発光量が増加し、受光側のフォトトランジスタPT1のインピーダンスが減少する。
【0038】
従って、主スイッチング素子Q1のON期間中にコンデンサC2への充電電流が増加し、トランジスタQ2のベース・エミッタ間電圧は早くしきい値以上となって、主スイッチング素子Q1のON期間がそれだけ短くなるように、すなわち直流電圧Voutが低下するように調整される。直流電圧Voutが設定値よりも低い場合は上記と逆の動作が行われて、主スイッチング素子Q1のON期間が長くなるように、すなわち直流電圧Voutが上昇するように調整される。
【0039】
次に、高入力電圧時および低入力電圧時における発振動作について述べる。本実施例では従来技術に特有の過電流保護回路のツェナーダイオードを有していないため、高入力電圧時は主スイッチング素子Q1のON期間が短くなり、それだけ電流制限動作への移行が遅れることとなり、使用する素子の定格上好ましくない。そのために1次側巻線N1のインダクタンスは、高入力電圧時および軽負荷時に主スイッチング素子Q1の定格を超えない範囲で、予め大きな値に設定されている。従って、高入力電圧時および低入力電圧時においても主スイッチング素子Q1の損失が過大となって定格を超えることがない。
【0040】
また、低入力電圧時および重負荷時には、入力電圧が高入力電圧時に比べて、負荷に対する出力電圧を取り出すのに要する主スイッチング素子Q1のON期間が長くなり、発振が不安定となる。そのために、1次側補助巻線N2のインダクタンスおよび抵抗R2とコンデンサC1の値は、低入力電圧時および重負荷時に発振が不安定にならない範囲で、予め小さな値に設定されている。従って、低入力電圧時および重負荷時においても発振が不安定になることはない。
【0041】
なお、上記実施例においては、主スイッチング素子Q1としてパワーMOS FETを用いた場合について説明したが、主スイッチング素子Q1にトランジスタを用いたRCC方式のスイッチング電源回路にも本発明を適用することができるものである。また、低入力電圧と高入力電圧の例として交流電源の交流電圧をワールドワイド対応の場合について説明したが、交流電圧が100V系や200V系に限らず、スイッチング電源回路に入力される直流電圧が変動するものであれば本発明を適用することができるものである。また、低負荷と重負荷として、待機状態と動作状態を例にあげたが、スイッチング電源回路の負荷が変動するものであれば本発明を適用することができるものである。
【0042】
【発明の効果】
本発明の形態のスイッチング電源によれば、入力電圧の大小による過電流保護動作点がシフトするにもかかわりなく安定した発振がおこなうことが可能なワールドワイド対応のRCC方式のスイッチング電源を提供することができるという効果を奏する。
また、過電流保護回路にツェナーダイオード等の過電流保護動作点がシフトするのを調整する部品が不要となり、部品点数を削減してコストダウンを図ることができ、実装スペースをも減らすことが可能になるとういう効果を奏する。
【0043】
【図面の簡単な説明】
【図1】図1は、本発明の実施の一形態に係るスイッチング電源の構成を示す構成図である。
【図2】図2は、交流電源によって動作する電子機器の概略構成図の一例を示すものである。
【図3】図3は、従来のスイッチング電源の構成を示す構成図である。
【符号の説明】
1 スイッチング電源
C2 コンデンサ
C3 平滑コンデンサ
D2 ダイオード
D3 ツェナーダイオード
LED 発光ダイオード(発光素子)
Q1 主スイッチング素子
N1 1次巻線
N2 補助巻線
N3 2次側巻線
PT フォトトランジスタ(受光素子)
R1、R2、R3、R4、R5、R6 抵抗
T トランス
Vin 直流電圧
Vout 直流電圧
Vac 交流電圧
D10 整流用ダイオード
C10 整流用コンデンサ
11 交流電源
12 整流部
13 電子装置
14 制御部
15 スイッチ
16 電子回路

Claims (1)

  1. 1次側巻線に入力された直流電圧を2次側巻線でフライバック電圧として出力するとともに、上記1次側巻線および上記2次側巻線からの帰還電圧が誘起される補助巻線を備えたトランスと、上記1次巻線への直流電圧の入力をスイッチングする主スイッチング素子と、上記2次側巻線から出力されたフライバック電圧を整流平滑して直流電圧を出力する出力部とを有する自励式のスイッチング電源において、
    高入力電圧時および軽負荷時における上記トランスの上記1次側巻線のインダクタンスを上記主スイッチング素子の定格を超えない範囲で高く設定すると共に、低入力電圧時および重負荷時における上記補助巻線のインダクタンスおよび上記主スイッチング素子の制御抵抗およびコンデンサの値を上記主スイッチング素子の発振特性が悪化しない範囲で低く設定することを特徴とするスイッチング電源。
JP2003082075A 2003-03-25 2003-03-25 スイッチング電源 Expired - Fee Related JP3733440B2 (ja)

Priority Applications (3)

Application Number Priority Date Filing Date Title
JP2003082075A JP3733440B2 (ja) 2003-03-25 2003-03-25 スイッチング電源
US10/457,559 US6798671B1 (en) 2003-03-25 2003-06-10 Switching power supply unit
EP04007092A EP1463191A3 (en) 2003-03-25 2004-03-24 Self-oscillating flyback converter

Applications Claiming Priority (1)

Application Number Priority Date Filing Date Title
JP2003082075A JP3733440B2 (ja) 2003-03-25 2003-03-25 スイッチング電源

Publications (2)

Publication Number Publication Date
JP2004289981A JP2004289981A (ja) 2004-10-14
JP3733440B2 true JP3733440B2 (ja) 2006-01-11

Family

ID=32821444

Family Applications (1)

Application Number Title Priority Date Filing Date
JP2003082075A Expired - Fee Related JP3733440B2 (ja) 2003-03-25 2003-03-25 スイッチング電源

Country Status (3)

Country Link
US (1) US6798671B1 (ja)
EP (1) EP1463191A3 (ja)
JP (1) JP3733440B2 (ja)

Families Citing this family (12)

* Cited by examiner, † Cited by third party
Publication number Priority date Publication date Assignee Title
JP4986863B2 (ja) * 2005-12-14 2012-07-25 シャープ株式会社 放電灯点灯装置
JP5042536B2 (ja) * 2006-06-16 2012-10-03 ローム株式会社 電源装置及びこれを備えた電気機器
CN100461603C (zh) * 2006-09-05 2009-02-11 广州金升阳科技有限公司 一种隔离式自振荡反激变换器
JP2009283401A (ja) * 2008-05-26 2009-12-03 Panasonic Electric Works Co Ltd 電源装置および灯具、車両
EP2525472A1 (en) * 2010-01-13 2012-11-21 Xi'an Hwell Optic-Electric Tech Co., Ltd. Electronic current transformer based on complete self-excitation power supply
US8981736B2 (en) 2010-11-01 2015-03-17 Fairchild Semiconductor Corporation High efficiency, thermally stable regulators and adjustable zener diodes
US20130187619A1 (en) * 2012-01-19 2013-07-25 Fairchild Semiconductor Corporation Shunt regulator
TWI462647B (zh) * 2012-05-25 2014-11-21 Hep Tech Co Ltd Light source supply module with linear dimming control
CN103715900A (zh) * 2012-09-29 2014-04-09 西门子公司 反激式变换器电路
WO2016066400A1 (en) * 2014-10-30 2016-05-06 Philips Lighting Holding B.V. An led driver circuit, and led arrangement and a driving method
US10104729B2 (en) 2015-05-28 2018-10-16 Philips Lighting Holding B.V. LED driver circuit, and LED arrangement and a driving method
JP6987645B2 (ja) * 2018-01-05 2022-01-05 東芝テック株式会社 電力変換装置及び画像形成装置

Family Cites Families (5)

* Cited by examiner, † Cited by third party
Publication number Priority date Publication date Assignee Title
JPH077940A (ja) 1993-06-15 1995-01-10 Murata Mfg Co Ltd スイッチング電源装置
JP3447471B2 (ja) * 1996-05-28 2003-09-16 新電元工業株式会社 スイッチング電源、及びそのスイッチング電源を用いたサージ電圧吸収方法
JP3351400B2 (ja) * 1999-01-18 2002-11-25 株式会社村田製作所 スイッチング電源装置
JP3465673B2 (ja) * 2000-09-06 2003-11-10 株式会社村田製作所 スイッチング電源装置
TW583819B (en) * 2000-12-19 2004-04-11 Delta Electronics Inc Apparatus and method of detecting circuit abnormality and protection for power converter

Also Published As

Publication number Publication date
US6798671B1 (en) 2004-09-28
EP1463191A2 (en) 2004-09-29
EP1463191A3 (en) 2005-10-19
JP2004289981A (ja) 2004-10-14
US20040190311A1 (en) 2004-09-30

Similar Documents

Publication Publication Date Title
US6469913B2 (en) Switching power supply device having series capacitance
JP3707409B2 (ja) スイッチング電源装置
JP5230181B2 (ja) エネルギー伝達装置およびエネルギー伝達制御用半導体装置
JP5477699B2 (ja) スイッチング電源装置
JP2003224972A (ja) スイッチング電源装置
US7577003B2 (en) Switching power supply
US20060133117A1 (en) Simple switched-mode power supply with current and voltage limitation
JP3733440B2 (ja) スイッチング電源
JP2004260977A (ja) Ac−dcコンバータ
JP2013201829A (ja) スイッチング電源装置
EP1128537A2 (en) Switching power supply apparatus
JP3653075B2 (ja) スイッチング電力電送装置
JP3703378B2 (ja) スイッチング電源装置
JP2000209850A (ja) スイッチング電源
KR20000074998A (ko) 직류-직류 컨버터
JP2002374672A (ja) スイッチング電源装置
KR100426605B1 (ko) 직렬 커패시턴스를 갖는 스위칭 전원 장치
JP2016181975A (ja) スイッチング電源装置
JP2001309656A (ja) リンギングチョークコンバータ及び過負荷検出方法
JP2012205365A (ja) スイッチング電源装置
JPH073832Y2 (ja) スイッチング電源の突入電流防止回路
JP2010130881A (ja) スイッチング電源回路
JP3271948B2 (ja) スイッチング電源装置
JP4699245B2 (ja) スイッチング電源装置
JPH0670491U (ja) リンギングチョークコンバータ

Legal Events

Date Code Title Description
A621 Written request for application examination

Free format text: JAPANESE INTERMEDIATE CODE: A621

Effective date: 20041222

A977 Report on retrieval

Free format text: JAPANESE INTERMEDIATE CODE: A971007

Effective date: 20050627

A131 Notification of reasons for refusal

Free format text: JAPANESE INTERMEDIATE CODE: A131

Effective date: 20050705

TRDD Decision of grant or rejection written
A01 Written decision to grant a patent or to grant a registration (utility model)

Free format text: JAPANESE INTERMEDIATE CODE: A01

Effective date: 20050906

A61 First payment of annual fees (during grant procedure)

Free format text: JAPANESE INTERMEDIATE CODE: A61

Effective date: 20050927

R150 Certificate of patent or registration of utility model

Free format text: JAPANESE INTERMEDIATE CODE: R150

FPAY Renewal fee payment (event date is renewal date of database)

Free format text: PAYMENT UNTIL: 20091028

Year of fee payment: 4

FPAY Renewal fee payment (event date is renewal date of database)

Free format text: PAYMENT UNTIL: 20091028

Year of fee payment: 4

FPAY Renewal fee payment (event date is renewal date of database)

Free format text: PAYMENT UNTIL: 20101028

Year of fee payment: 5

FPAY Renewal fee payment (event date is renewal date of database)

Free format text: PAYMENT UNTIL: 20101028

Year of fee payment: 5

FPAY Renewal fee payment (event date is renewal date of database)

Free format text: PAYMENT UNTIL: 20111028

Year of fee payment: 6

LAPS Cancellation because of no payment of annual fees