JP3594875B2 - 2次元光ヘテロダイン検出法を用いた光画像計測装置 - Google Patents
2次元光ヘテロダイン検出法を用いた光画像計測装置 Download PDFInfo
- Publication number
- JP3594875B2 JP3594875B2 JP2000153919A JP2000153919A JP3594875B2 JP 3594875 B2 JP3594875 B2 JP 3594875B2 JP 2000153919 A JP2000153919 A JP 2000153919A JP 2000153919 A JP2000153919 A JP 2000153919A JP 3594875 B2 JP3594875 B2 JP 3594875B2
- Authority
- JP
- Japan
- Prior art keywords
- light
- optical
- interference
- image measurement
- signal
- Prior art date
- Legal status (The legal status is an assumption and is not a legal conclusion. Google has not performed a legal analysis and makes no representation as to the accuracy of the status listed.)
- Expired - Fee Related
Links
Images
Classifications
-
- G—PHYSICS
- G01—MEASURING; TESTING
- G01N—INVESTIGATING OR ANALYSING MATERIALS BY DETERMINING THEIR CHEMICAL OR PHYSICAL PROPERTIES
- G01N21/00—Investigating or analysing materials by the use of optical means, i.e. using sub-millimetre waves, infrared, visible or ultraviolet light
- G01N21/17—Systems in which incident light is modified in accordance with the properties of the material investigated
- G01N21/47—Scattering, i.e. diffuse reflection
- G01N21/4795—Scattering, i.e. diffuse reflection spatially resolved investigating of object in scattering medium
Landscapes
- Physics & Mathematics (AREA)
- Optics & Photonics (AREA)
- Health & Medical Sciences (AREA)
- Life Sciences & Earth Sciences (AREA)
- Chemical & Material Sciences (AREA)
- Analytical Chemistry (AREA)
- Biochemistry (AREA)
- General Health & Medical Sciences (AREA)
- General Physics & Mathematics (AREA)
- Immunology (AREA)
- Pathology (AREA)
- Length Measuring Devices By Optical Means (AREA)
- Investigating Or Analysing Materials By Optical Means (AREA)
Description
【0001】
【発明の属する技術分野】
本発明は、被検体、特に光散乱媒質に光ビームを照射し、その被検体を伝搬(反射もしくは透過)した光を利用して、その被検体の表面もしくは内部の形態情報を画像化する光画像計測装置に関する。
【0002】
【従来の技術】
近年、レーザ光源などを用いた光画像計測技術は、安全であること、すなわち脱放射線化、脱アイソトプ化であることから、既存のX線を用いた画像計測分野への応用が試みられている。中でも、光による生体画像計測は有望な応用分野として期待されている。しかし、例えば人体や生体組織のような不均一な構成物質をもつ試料(被検体)は、その内部で光を顕著に多重散乱するために、その内部形態は一般的には不可視である。こうした散乱媒質を光計測する場合の最大難点は、被検体から四方八方に出射する透過光あるいは反射光のうち追跡が可能な光路を辿った信号光をどのようにして抽出するかということにある。これを可能にする方法の1つとして、優れた距離分解能をもつ光コヒーレンス断層画像化法が挙げられる〔例えば、丹野直弘、‘光学’、28巻3号、116(1999)参照〕。
【0003】
光コヒーレンス断層画像化法は広帯域なスペクトル幅を持つ光源の時間領域の低コヒーレンス性(空間領域で短い可干渉距離とも表現する)に着目して、干渉計において生体内部からの反射光波をμmオーダーの距離分解能で検出する方法である。
【0004】
図9にマイケルソン干渉計を用いた光コヒーレンス断層画像計測装置の基本構成を示す。低コヒーレント光源101からの光ビームを半透明鏡102によって2分割する。一方の光ビームに、例えば鏡103の位置走査(z−スキャン)によるドップラー周波数シフトを与えて参照光波とし、他方を被測定物体104に照射して物体の深層からの後方散乱光を得る。被測定物体104が散乱媒質である場合、反射光波は多重散乱を含む乱雑な位相をもった拡散波面であると考えられる。光コヒーレンス断層画像計測では、光源の低コヒーレンス性により、信号光と参照光の光路長差が光源のμmオーダーのコヒーレント長以内でかつ参照光波と位相相関のある成分、すなわちコヒーレントな信号光成分のみが選択的に参照光波と干渉し合う。それゆえに鏡103の位置をスキャンして参照光路長を変化することで光検出器105により光反射分布像を計測することができる。図10はその様子を示すものである。
【0005】
しかし、図10に見られるように、現行の光コヒーレンス断層画像計測は光路長差及び光ビームの走査によって各部位からの反射光波を順次に検出するものである。言いかえれば時間領域の測定法とも理解され、計測時間の短縮には限界がある。
【0006】
画像計測の更なる高速化のために、例えば図11に示すように、レンズ系202により信号光のビーム径を広げて被検体205に入射し、その反射光波を2次元センサアレイ206で並列検出する方法が有効であると思われる。なお、図11において、201は低コヒーレント光源、203は半透明鏡、204は鏡である。
【0007】
これにより、光軸上の鉛直断面画像を瞬時に取得することができる。図12はその様子を示すものである。
【0008】
光ヘテロダイン信号の並列検出方法として2次元光検出器アレイによる方法が報告されている〔例えば、K.P.Chan,K.Satori,H.Inaba,“Electronics Letters”,Vol.34,1101(1998)参照〕。この方法では、2次元検出器アレイからの複数のヘテロダイン信号は図13示すような並列の信号処理系に入力され、それぞれのヘテロダイン信号振幅が検出される。図13において、301は交流増幅器、302は整流検波器である。
【0009】
一方、複数の光検出器と信号処理系をチップ上に集積化した光ヘテロダインセンサアレイも報告されている〔例えば、S.Bourquin,V.Monterosso,P.Seitz,R.P.Salathe,“Optics Letters”,Vol.25,102(2000)参照〕。
【0010】
【発明が解決しようとする課題】
従来の単一光検出器もしくは図11に示される二次元光検出器アレイを用いた光検出法で検出される受信光強度は参照光と信号光の強度をそれぞれIr とIs 、また両光波の間の周波数差と位相差をfifとΔθとすると、次のように表される〔例えば、吉沢、瀬田編、‘光ヘテロダイン技術’、新技術コミュニケーションズ社出版(1994)参照〕。
【0011】
【数1】
【0012】
従来の光ヘテロダイン検出法では、中間周波数(ビート周波数とも呼ばれる)fifの交流信号を交流増幅器で増幅し、さらにその振幅を例えば整流検波回路を用いて検出する。このような交流検波方法を2次元検出器アレイによる光ヘテロダイン測定に応用すると、図13に示すように、アレイの素子数に対応したチャンネル数をもつ信号処理系が必要となり、実用上アレイの素子数を増やすことに難点がある。
【0013】
本発明は、上記状況に鑑み、光信号の並列検出を有効に行うことができる2次元光ヘテロダイン検出法を用いた光画像計測装置を提供することを目的とする。
【0014】
【課題を解決するための手段】
本発明は、上記目的を達成するために、
〔1〕2次元光ヘテロダイン検出法を用いた光画像計測装置において、光ビームを出射する光源と、この光源から出射された光ビームを、被検体が配置される被検体配置位置を経由する信号光と、前記被検体配置位置を経由する光路とは異なる光路を経由する参照光とに二分するとともに、前記被検体配置位置を経由した後の信号光と、前記異なる光路を経由した参照光とを互いに重畳することにより干渉光を生成する干渉光学系と、この干渉光学系が、前記信号光の周波数と前記参照光の周波数を相対的にシフトさせる周波数シフタと、前記干渉光学系が、前記干渉光を受光するために、前記干渉光を二分割して、さらに、この二分割された干渉光を周期的に遮断することにより、互いの位相差が90度である2列の干渉光パルスを生成する光遮断装置と、前記2列の干渉光パルスをそれぞれ受光する光センサと、この光センサが、空間的に配列され、それぞれが独立に受光信号を得る複数の受光素子を有するものであり、前記光センサで得られた複数の受光信号を統合して前記被検体配置位置に配置された被検体の表面もしくは内部層の、前記信号光の伝搬経路上の各関心点に対応する信号を生成する信号処理部を具備することを特徴とする。
【0015】
〔2〕上記〔1〕記載の2次元光ヘテロダイン検出法を用いた光画像計測装置において、前記光遮断装置が、前記信号光と前記参照光の間の周波数差に近いもしくは等しい周波数で前記干渉光を遮断することを特徴とする。
【0016】
〔3〕上記〔1〕記載の2次元光ヘテロダイン検出法を用いた光画像計測装置において、前記信号処理部が、前記光センサで得られた複数の受光信号を統合して前記信号光と前記参照光の間の周波数差を算出することを特徴とする。
【0017】
〔4〕上記〔1〕記載の2次元光ヘテロダイン検出法を用いた光画像計測装置において、前記干渉光学系が、マイケルソン干渉計を用いることを特徴とする。
【0018】
〔5〕上記〔1〕記載の2次元光ヘテロダイン検出法を用いた光画像計測装置において、前記干渉光学系が、軸外し干渉計を用いることを特徴とする。
【0019】
〔6〕上記〔1〕記載の2次元光ヘテロダイン検出法を用いた光画像計測装置において、前記干渉光学系が、被検体への入射光の偏光方向を制御する偏光素子を備えることを特徴とする。
【0020】
〔7〕上記〔1〕記載の2次元光ヘテロダイン検出法を用いた光画像計測装置において、前記光源が、可干渉距離100μm以下のスーパールミネセントダイオードであることを特徴とする。
【0021】
〔8〕上記〔1〕記載の2次元光ヘテロダイン検出法を用いた光画像計測装置において、前記光源が、可干渉距離50μm以下の発光ダイオードであることを特徴とする。
【0022】
〔9〕上記〔1〕記載の2次元光ヘテロダイン検出法を用いた光画像計測装置において、前記光源が、連続発振のレーザ光であることを特徴とする。
【0023】
〔10〕上記〔9〕記載の2次元光ヘテロダイン検出法を用いた光画像計測装置において、前記干渉光学系が、マッハーツェダー干渉計を用いることを特徴とする。
【0024】
〔11〕上記〔1〕記載の2次元光ヘテロダイン検出法を用いた光画像計測装置において、前記光遮断装置が、液晶素子を用いた高速光シャッターであることを特徴とする。
【0025】
〔12〕上記〔1〕記載の2次元光ヘテロダイン検出法を用いた光画像計測装置において、前記被検体が、光散乱媒質であることを特徴とする。
【0026】
【発明の実施の形態】
以下、本発明の実施の形態を図を参照しながら詳細に説明する。
【0027】
図1は本発明の2次元光ヘテロダイン画像計測装置の構成図である。
【0028】
この図において、1は低コヒーレント光源、2は第1のレンズL▲1▼と第1のレンズL▲2▼からなるレンズ系、3は第1のビームスプリッタBS1、4はピエゾ圧電素子(PZT)4A付き反射鏡、5は被検体、6は第2のビームスプリッタBS2、7は第1のシャッター▲1▼、8は第1のCCD(charge−coupled device)▲1▼、9は第2のシャッター▲2▼、10は第2のCCD▲2▼、11は(π/2)位相シフター、12はパルス信号発生器である。
【0029】
図1に示すように、連続光を出力する低コヒーレント光源1、例えばスーパールミネセントダイオード(SLD)から出射した光ビームは、レンズ系(第1のレンズL▲1▼と第2のレンズL▲2▼)2によってビーム径を広げられ、さらに第1のビームスプリッタ(BS1)3により、信号光と参照光とに2分される。参照光と分かれた信号光は、例えば、散乱媒質からなる被検体5に入射する。被検体5からの反射光波の一部は第1のビームスプリッタ(BS1)3によって反射され、第2のビームスプリッタ(BS2)6へ伝送される。
【0030】
一方、参照光は反射鏡4へ伝送されて、その反射光波は、例えばピエゾ圧電素子(PZT)4Aによる鏡4の振動でドップラー周波数fD の周波数シフトを受ける。周波数シフトを受けた参照光の一部は第1のビームスプリッタ(BS1)3を透過して、信号光と重畳することにより干渉光を生成する。
【0031】
図1はマイケルソン干渉計の原理に基づいて構成されているが、本発明は次のような機構を干渉計に構えることにより、従来の光ヘテロダイン干渉計と異なる特徴をもつ光画像計測装置を提供する。ここでは、上記第1のビームスプリッタ(BS1)3による光波重畳の手段で得た干渉光を第2のビームスプリッタ(BS2)6で2分割する。さらに、2分割された干渉光ビームを第1のシャッター▲1▼7と第2のシャッター▲2▼9を用いて周期的遮断(サンプリング)する。
【0032】
本発明は、上記した方法で生成される2列の干渉光パルスを受光するために、イメージセンサ例えばCCDカメラを使用する。
【0033】
以下に、本発明による測定原理を説明する。
【0034】
図2(a)は、光ヘテロダイン測定において信号光および参照光がともに連続光である場合、光センサ面上に生成される干渉光の時間波形を示すものである。式(1)で示されるように、光干渉信号は参照光および信号光の強度に比例した直流成分と、ビート周波数fif=fD の交流成分とからなる。
【0035】
一方、図2(b)と図2(c)は、本発明によって2台の光センサの検出面上にて生成される干渉光の時間波形を示すものである。
【0036】
2つの干渉光はともに:T1 =T2 =1/Δfの周期でサンプリングされており、そのサンプリング動作を数式を用いて以下に述べる。
【0037】
連続光源から出射するコヒーレント光を振幅A、周波数f、位相θをもつ電場の正弦的波動として考える。すなわち、
【0038】
【数2】
【0039】
その光強度は次のように表される。
【0040】
【数3】
【0041】
図1に示す第1のビームスプリッタ(BS1)3によって重畳された参照光と信号光はともに連続光であり、それぞれの電場とを次のように表わすことができる。
【0042】
【数4】
【0043】
【数5】
【0044】
次に、本発明でのシャッターの周期的遮断動作、例えば図3(a)に示される周期T1 =1/Δfの矩形動作をフーリエ級数の展開により次のように展開する。
【0045】
【数6】
【0046】
従って、シャッターを通過する干渉光は、式(6)の変調レートm(t)で強度変調されることとなる。そこで、図1に示す第1のCCD▲1▼(光センサ)8の面上にて生成される干渉光は次のように表わされる。
【0047】
【数7】
【0048】
但し、Tは第2のビームスプリッタ(BS2)6の光透過率で、Δθ=|θ1 +θ2 |である。
【0049】
蓄積型の光センサ、例えば空間的に受光素子が配置されるCCDカメラを用いて干渉光で受光すると、光センサの電気出力は測定時間内に蓄積した光電荷量に比例するものであり、式(7)から次のように与えられる。
【0050】
【数8】
【0051】
ただし、K1 は第2のビームスプリッタ(BS2)6の透過率および光センサの光電変換率を含めた光検出効率である。
【0052】
式(8)の積算の第1項は、サンプリング周波数が光センサの応答周波数よりも十分高ければ、
【0053】
【数9】
【0054】
となり、同様にその第2項は
【0055】
【数10】
【0056】
となる。さらにその第3項は、
【0057】
【数11】
【0058】
となる。
【0059】
サンプリング周波数とビート周波数間の差(δf=|fD −Δf|)が小さく、蓄積型光センサの応答周波数に比べて十分低いのであれば、式(11)の積算は
【0060】
【数12】
【0061】
となる。ただし、φ=Δθ−ψである。
【0062】
式(9)〜(12)から、式(8)は
【0063】
【数13】
【0064】
となる。光センサの出力には、信号光と参照光の強度のほかに、光干渉信号の振幅(√Is Ir )及び位相(2πδft+φ)に関する項が含まれていることが分かる。
【0065】
以上の説明から明白となるように、本発明は、蓄積型光センサ、例えばCCDカメラの低い周波数応答特性を十分に認識した上で、それを用いた2次元光ヘテロダイン検波を行う。本発明では、干渉光をそのビート周波数(fD )に近い周波数(Δf)でサンプリングしてさらにCCDカメラで受光することで、ヘテロダイン信号成分を周波数δf(δf=|fD −Δf|)の交流信号として検出する。このことは、ビート周波数fD の信号を検出する従来の光ヘテロダイン検出法と根本的に異なる。
【0066】
また、式(12)と(13)から察知するように、本発明では、干渉光をそのビート周波数と同じ周波数でサンプリングすることにより、ヘテロダイン信号成分を直流信号として検出することも可能である。
【0067】
さらに、本発明は以下のような測定手段を用いることを特徴とする。
【0068】
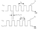
図3(a)と図3(b)にそれぞれ、本発明による図1に示した第1のシャッター7と第1のシャッター9のon−offタイミングを示す。これより、両on−offタイミング間にΔt=T1 /4(T1 =T2 )の時間差が設けられていることが分かる。これは、フーリエ変換の原理から式(6)の位相ψを相対的にπ/2ずらすことを意味する。
【0069】
従って、図1に示した第2の光センサCCD10からの出力は、
【0070】
【数14】
【0071】
と求められる。ただし、K2 は第2のビームスプリッタ(BS2)6の透過率と第2の光センサCCD10の光電変換率を含めた光検出効率である。
【0072】
一方、本発明では、例えば図1に示した第1のシャッター7と第2のシャッター9を“on”、すなわち“開き”の状態に保つことにより、連続的な干渉光を受光することも可能である。その場合、干渉光のビート周波数が蓄積型の応答周波数より十分高いのであれば、第1の光センサCCD8からの出力は、
【0073】
【数15】
【0074】
となる。同様に、第2の光センサCCD10からの出力は、
【0075】
【数16】
【0076】
となる。
【0077】
i3 とi4 はそれぞれ第1のセンサCCD8と第2のセンサCCD10に入射する光の強度に比例し、前出式(1)から、光ヘテロダイン測定、例えば図10に示す光コヒーレンス断層画像化測定で検出される信号の直流成分に相当することが分かる。そこで、本発明は、次のような演算処理により、光干渉信号の振幅(√Is Ir )に関する情報を抽出する。
【0078】
式(13)〜(16)の結果から、両センサの出力に含まれる干渉信号成分は以下のように算出される。
【0079】
【数17】
【0080】
【数18】
【0081】
式(17)と式(18)の比較から、S2 とS1 はそれぞれ同期検出法における“I”(in−phase)信号と“Q”(quadrature)信号に対応することが分かる。これより、光干渉信号の振幅は
【0082】
【数19】
【0083】
と求まる。ここで、rは両センサによる検出効率の比であり、式(15)と式(16)から次のように与えられる。
【0084】
【数20】
【0085】
一方、S1 とS2 がそれぞれ同期検出法におけるI信号とQ信号に対応することから、本発明は、光干渉信号の振幅情報のみならず、その周波数情報を取得することもできる。例えば図4に示す市販品の高速フーリェ変換器(FFT:fast Fourier transform)Cによる演算処理で周波数δfを求めることが可能である。これより、本発明はドップラー周波数シフトを測定対象とする流速計測装置にも応用できることが明白である。なお、図4において、B1,B2はA/D変換器である。
【0086】
以下、本発明の具体的実施例について説明する。
【0087】
〔実施例1〕
図5は本発明による図1に示した光画像計測装置に低コヒーレント光源として連続出力のSLDを用いた実施例を示す。
【0088】
この図において、21は低コヒーレント光源、22はレンズ系(レンズL▲1▼,レンズL▲2▼)、23は第1のビームスプリッタBS1、24はレンズL▲3▼、25は光ファイバ、26はレンズ▲4▼、27はピエゾ圧電素子(PZT)27A付き反射鏡、28は2次元レンズアレイ▲1▼、29は光ファイババンドル、30は2次元レンズアレイ▲2▼、31は被検体、32は第2のビームスプリッタBS2、33は第1のシャッター▲1▼、34は第1のCCD▲1▼、35は第2のシャッター▲2▼、36は第2のCCD▲2▼である。
【0089】
市販されている近赤外域SLDの場合、コヒーレント長lC ≒30μm、また発光ダイオード(LED)の場合lC ≒10μm程度である。
【0090】
更に、この実施例は、本発明による図1に示した信号光及び参照光の伝送手段として光ファイバを用いることにより、被検体31の配置位置を光画像計測装置から分離できることを特徴とする。
【0091】
光源からの出力光は第1のビームスプリッタ(BS1)23によって参照光と信号光に2分される。参照光は空間的に多数のマイクロレンズが配置される2次元レンズアレイ▲1▼28によって光ファイババンドル29へ結合され、その光ファイババンドル29を経由して2次元レンズアレイ▲2▼30へ伝送される。2次元レンズアレイ▲2▼30は、被検体31への光入射および被検体31からの反射光の集光を同時に行う。集光された被検体31からの反射光は同光ファイババンドル29によって第1のビームスプリッタ(BS1)23へ返送される。
【0092】
他方、参照光はレンズ▲3▼24によって光ファイバ25へ結合され、反射鏡27へ伝送される。反射鏡27からの反射光は同光ファイバ25によって第1のビームスプリッタ(BS1)23へ返送される。
【0093】
低コヒーレント光源21を用いたこの実施例は、信号光と参照光との光路長差は光源の極めて短いコヒーレント長以内にあるときのみ、光干渉が生成される。そのため、例えば反射鏡27の位置をスキャンして参照光の光路長を信号光の光路長に等しくなるように差調節することが望ましい。
【0094】
また、前述したように、本発明はイメージセンサ、例えば空間的に受光素子が配置されるCCDカメラで光干渉信号を並列検出できることを特徴としている。市販品のCCDカメラは数十万ないし数百万の受光素子を有するので、これら極めて多数の受光素子を有効に利用すれば、無走査で実時間の2次元光画像計測が可能となる。
【0095】
一方、本実施例で使用されるレンズアレイの素子数は必ずしもCCDカメラの受光素子数に等しく設定される必要がない。複数のCCD素子でレンズアレイの一素子からの信号光を検出することは、光ヘテロダイン信号のスペックル平均と増強検出に役立つものと考えられる。
【0096】
〔実施例2〕
本発明は、図1と図5に示すマイケルソン干渉計に基づく画像計測装置に制限されることがなく、他の形式の干渉計に基づく計測装置にも適すると考えられる。
【0097】
図6は本発明による2次元光ヘテロダイン検出法を軸外し干渉計に基づく光画像計測装置へ実施する例を示す。
【0098】
この図において、41は回折格子、42はレンズ、43はビームスプリッタBS、44は第1のシャッター▲1▼、45は第1のCCD▲1▼、46は第2のシャッター▲2▼、47は第2のCCD▲2▼である。
【0099】
図6では、平面波の信号光aと平面波の参照光bはそれぞれ左右の両側から角分散素子例えば回折格子41に入射する。この回折格子41の面上において、互いに交差する両光波の波面不整合により高い空間周波数が生成されるが、入射角と回折格子41の格子定数を適切に選ぶことにより、信号光a及び参照光bの1次回折光の出射角をゼロもしくはゼロに近くなるようにすることが可能である。これにより両光波は合波され、干渉光となる。
【0100】
さらに、この実施例は、レンズ42を用いて回折格子41からの一次回折光をイメージセンサ例えばCCDカメラの検出面上に結像させることを特徴とする。図6では、干渉光がビームスプリッタ43によって2分され、それぞれ第1のCCD▲1▼と第2のCCD▲2▼でヘテロダイン検出される。
【0101】
なお、この実施例では、優れた距離(信号光と参照光間の光路長差)分解能を得るために、光源として低コヒーレント光源例えばSLDを使用することが望ましい。
【0102】
〔実施例3〕
図7は、本発明による図1に示した光画像計測装置に第1のビームスプリッタBS1として広帯域偏光ビームスプリッタPBS1を用いた実施例である。
【0103】
この図において、51は低コヒーレント光源、52はレンズ系(レンズL▲1▼,レンズL▲2▼)、53は広帯域偏光ビームスプリッタ(PBS1)、54は反射鏡▲1▼、55は第1のビームスプリッタBS1、56はピエゾ圧電素子(PZT)56A付き反射鏡▲1▼、57は(1/4)波長板、58はマイクロレンズアレイ、59は被検体、60は反射鏡▲2▼、61は第2のビームスプリッタBS2、62は第1のシャッター▲1▼、63は第1のCCD▲1▼、64は第2のシャッター▲2▼、65は第2のCCD▲2▼である。
【0104】
この図に示すように、低コヒーレンス光源51、例えばSLDとLEDからの出力光は一般的に無偏光で、すなわち特定の偏光方向をもたないものである。ここでは、広帯域偏光ビームスプリッタ(PBS1)53が入射光のP偏光成分を通過させて信号光とする。参照光と分かれた信号光は(1/4)波長板57を通過して円偏光に変換され、さらに例えばマイクロレンズアレイ58によって収束されて被検体59へ入射する。被検体59から反射してきた円偏光の信号光は、再び(1/4)波長板57を通過することによりS偏光の直線偏光に変換される。広帯域偏光ビームスプリッタ(PBS1)53はS偏光の信号光を90度反射し、第2の鏡▲2▼60を経由して第2のビームスプリッタ(BS2)61へ伝送する。
【0105】
一方、広帯域偏光ビームスプリッタ(PBS1)53が入射光のS偏光成分を90o 反射して参照光とする。第1のビームスプリッタ(BS1)55を透過した参照光は第1の鏡▲1▼56によって反射されるが、その反射光は第1の鏡▲1▼56に付着したピエゾ素子の振動によってドップラ周波数シフトを受ける。第1のビームスプリッタ(BS1)55は反射光の一部を90度反射して第2のビームスプリッタ(BS2)61へ伝送する。このように、第2のビームスプリッタ(BS2)61にて重畳される信号光および参照光はともにS偏光である。
【0106】
本実施例は広帯域偏光ビームスプリッタ(PBS1)53及び(1/4)波長板57を用いることにより、被検体59への入射光の偏光方向を制御できることが特徴である。
【0107】
〔実施例4〕
図8は、本発明による2次元光ヘテロダイン検出法をマッハツエンダー干渉計に基づく光透過画像計測装置へ実施する例を示す。
【0108】
この図において、71はレーザー、72は第1のビームスプリッタBS1、73は音響光学変調器(AOM)、74は反射鏡▲1▼、75はレンズ系(レンズL▲1▼,レンズL▲2▼)、76は反射鏡▲2▼、77はレンズ系(レンズL▲3▼,レンズL▲4▼)、78は被検体、79は第2のビームスプリッタBS2、80は第1のシャッター▲1▼、81は第1のCCD▲1▼、82は第2のシャッター▲2▼、83は第2のCCD▲2▼である。
【0109】
この実施例では、コヒーレント光源、例えばレーザ71からの出力光は第1のビームスプリッタ(BS1)72によって参照光と信号光に2分される。参照光と分かれた信号光はレンズL▲3▼とレンズL▲4▼からなるレンズ系77によってビーム径を広げられ、被検体78へ入射される。被検体78を透過した信号光の一部は第2のビームスプリッタ(BS2)79を透過して、第1のCCD▲1▼81へ入射する。また、第2のビームスプリッタ(BS2)79によって90度反射された信号光は第2のCCD▲2▼83へ入射する。
【0110】
一方、参照光は周波数シフタ例えば音響光学変調器(AOM)73から周波数シフトを受けて、さらにレンズL▲1▼とレンズL▲2▼からなるレンズ系75によってビーム径を広げられる。参照光の一部は第2のビームスプリッタ(BS2)79を透過して、第2のCCD83へ入射する。また、第2のビームスプリッタ(BS2)79によって90度反射された参照光は第1のCCD▲1▼81へ入射する。
【0111】
この実施例で第1の光シャッター▲1▼80と第2の光シャッター▲2▼82として、例えば液晶素子または電気光学素子を用いた高速シャッターを使用することが望ましい。また、干渉光のビート周波数をシャッターのon−off周波数に合わせるために、周波数シフタとして2台もしくは2台以上のAOMを使用することも効果的である。
【0112】
なお、本発明は上記実施例に限定されるものではなく、本発明の趣旨に基づいて種々の変形が可能であり、これらを本発明の範囲から排除するものではない。
【0113】
【発明の効果】
以上、詳細に説明したように、本発明によれば、以下のような効果を奏することができる。
【0114】
(A)光信号の並列検出を有効に行うことのできる2次元光ヘテロダイン検出法を用いた光画像計測装置を提供することができる。
【0115】
(B)光干渉信号の振幅情報のみならず、その周波数情報を取得することもできる。
【0116】
(C)信号光及び参照光の伝送手段として光ファイバを用いることにより、被検体の配置位置を光画像計測装置から分離できる。
【0117】
(D)入射角と回折格子の格子定数を適切に選ぶことにより、信号光及び参照光の1次回折光の出射角をゼロもしくはゼロに近くなるようにすることができる。
【0118】
(E)広帯域偏光ビームスプリッタ及び(1/4)波長板を用いることにより、被検体への入射光の偏光方向を制御することができる。
【図面の簡単な説明】
【図1】本発明の2次元光ヘテロダイン画像計測装置の構成図である。
【図2】本発明での光ヘテロダイン測定において信号光および参照光がともに連続光である場合、光センサ面上に生成される干渉光の時間波形を示す図である。
【図3】本発明でのシャッターの周期的遮断動作を示す図である。
【図4】高速フーリェ変換(FFT)器による演算処理で周波数δfを求めるシステム構成図である。
【図5】本発明による図1に示した光画像計測装置に低コヒーレント光源として連続出力のSLDを用いた実施例を示す図である。
【図6】本発明による2次元光ヘテロダイン検出法を軸外し干渉計に基づく光画像計測装置へ実施する例を示す図である。
【図7】本発明による図1に示した光画像計測装置に第1のビームスプリッタBS1として広帯域偏光ビームスプリッタPBS1を用いた実施例を示す図である。
【図8】本発明による2次元光ヘテロダイン検出法をマッハツエンダー干渉計に基づく光透過画像計測装置へ実施する例を示す図である。
【図9】マイケルソン干渉計を用いた光コヒーレンス断層画像計測装置の基本構成を示す図である。
【図10】図9における装置を用いて光コヒーレンス断層画像計測の様子を示す図である。
【図11】画像計測の更なる高速化のため光コヒーレンス断層画像計測装置の基本構成を示す図である。
【図12】図11における装置を用いて光コヒーレンス断層画像計測の様子を示す図である。
【図13】2次元検出器アレイからの複数のヘテロダイン信号の並列の信号処理系を示す図である。
【符号の説明】
1,21,51 低コヒーレント光源
2,22,52,75,77 レンズ系
3,23,55,72 第1のビームスプリッタBS1
4,27,56 ピエゾ圧電素子(PZT)付き反射鏡
4A,27A,56A ピエゾ圧電素子(PZT)
5,31,59,78 被検体
6,32,61,79 第2のビームスプリッタBS2
7,33,44,62,80 第1のシャッター▲1▼
8,34,45,63,81 第1のCCD▲1▼
9,35,46,64,82 第2のシャッター▲2▼
10,36,47,65,83 第2のCCD▲2▼
11 (π/2)位相シフター
12 パルス信号発生器
24 レンズ▲3▼
25 光ファイバ
26 レンズ▲4▼
28 2次元レンズアレイ▲1▼
29 光ファイババンドル
30 2次元レンズアレイ▲2▼
41 回折格子
42 レンズ
43 ビームスプリッタ
53 広帯域偏光ビームスプリッタ(PBS1)
54,74 反射鏡▲1▼
57 (1/4)波長板
58 マイクロレンズアレイ
60,76 反射鏡▲2▼
71 レーザ
73 音響光学変調器(AOM)
【発明の属する技術分野】
本発明は、被検体、特に光散乱媒質に光ビームを照射し、その被検体を伝搬(反射もしくは透過)した光を利用して、その被検体の表面もしくは内部の形態情報を画像化する光画像計測装置に関する。
【0002】
【従来の技術】
近年、レーザ光源などを用いた光画像計測技術は、安全であること、すなわち脱放射線化、脱アイソトプ化であることから、既存のX線を用いた画像計測分野への応用が試みられている。中でも、光による生体画像計測は有望な応用分野として期待されている。しかし、例えば人体や生体組織のような不均一な構成物質をもつ試料(被検体)は、その内部で光を顕著に多重散乱するために、その内部形態は一般的には不可視である。こうした散乱媒質を光計測する場合の最大難点は、被検体から四方八方に出射する透過光あるいは反射光のうち追跡が可能な光路を辿った信号光をどのようにして抽出するかということにある。これを可能にする方法の1つとして、優れた距離分解能をもつ光コヒーレンス断層画像化法が挙げられる〔例えば、丹野直弘、‘光学’、28巻3号、116(1999)参照〕。
【0003】
光コヒーレンス断層画像化法は広帯域なスペクトル幅を持つ光源の時間領域の低コヒーレンス性(空間領域で短い可干渉距離とも表現する)に着目して、干渉計において生体内部からの反射光波をμmオーダーの距離分解能で検出する方法である。
【0004】
図9にマイケルソン干渉計を用いた光コヒーレンス断層画像計測装置の基本構成を示す。低コヒーレント光源101からの光ビームを半透明鏡102によって2分割する。一方の光ビームに、例えば鏡103の位置走査(z−スキャン)によるドップラー周波数シフトを与えて参照光波とし、他方を被測定物体104に照射して物体の深層からの後方散乱光を得る。被測定物体104が散乱媒質である場合、反射光波は多重散乱を含む乱雑な位相をもった拡散波面であると考えられる。光コヒーレンス断層画像計測では、光源の低コヒーレンス性により、信号光と参照光の光路長差が光源のμmオーダーのコヒーレント長以内でかつ参照光波と位相相関のある成分、すなわちコヒーレントな信号光成分のみが選択的に参照光波と干渉し合う。それゆえに鏡103の位置をスキャンして参照光路長を変化することで光検出器105により光反射分布像を計測することができる。図10はその様子を示すものである。
【0005】
しかし、図10に見られるように、現行の光コヒーレンス断層画像計測は光路長差及び光ビームの走査によって各部位からの反射光波を順次に検出するものである。言いかえれば時間領域の測定法とも理解され、計測時間の短縮には限界がある。
【0006】
画像計測の更なる高速化のために、例えば図11に示すように、レンズ系202により信号光のビーム径を広げて被検体205に入射し、その反射光波を2次元センサアレイ206で並列検出する方法が有効であると思われる。なお、図11において、201は低コヒーレント光源、203は半透明鏡、204は鏡である。
【0007】
これにより、光軸上の鉛直断面画像を瞬時に取得することができる。図12はその様子を示すものである。
【0008】
光ヘテロダイン信号の並列検出方法として2次元光検出器アレイによる方法が報告されている〔例えば、K.P.Chan,K.Satori,H.Inaba,“Electronics Letters”,Vol.34,1101(1998)参照〕。この方法では、2次元検出器アレイからの複数のヘテロダイン信号は図13示すような並列の信号処理系に入力され、それぞれのヘテロダイン信号振幅が検出される。図13において、301は交流増幅器、302は整流検波器である。
【0009】
一方、複数の光検出器と信号処理系をチップ上に集積化した光ヘテロダインセンサアレイも報告されている〔例えば、S.Bourquin,V.Monterosso,P.Seitz,R.P.Salathe,“Optics Letters”,Vol.25,102(2000)参照〕。
【0010】
【発明が解決しようとする課題】
従来の単一光検出器もしくは図11に示される二次元光検出器アレイを用いた光検出法で検出される受信光強度は参照光と信号光の強度をそれぞれIr とIs 、また両光波の間の周波数差と位相差をfifとΔθとすると、次のように表される〔例えば、吉沢、瀬田編、‘光ヘテロダイン技術’、新技術コミュニケーションズ社出版(1994)参照〕。
【0011】
【数1】
【0012】
従来の光ヘテロダイン検出法では、中間周波数(ビート周波数とも呼ばれる)fifの交流信号を交流増幅器で増幅し、さらにその振幅を例えば整流検波回路を用いて検出する。このような交流検波方法を2次元検出器アレイによる光ヘテロダイン測定に応用すると、図13に示すように、アレイの素子数に対応したチャンネル数をもつ信号処理系が必要となり、実用上アレイの素子数を増やすことに難点がある。
【0013】
本発明は、上記状況に鑑み、光信号の並列検出を有効に行うことができる2次元光ヘテロダイン検出法を用いた光画像計測装置を提供することを目的とする。
【0014】
【課題を解決するための手段】
本発明は、上記目的を達成するために、
〔1〕2次元光ヘテロダイン検出法を用いた光画像計測装置において、光ビームを出射する光源と、この光源から出射された光ビームを、被検体が配置される被検体配置位置を経由する信号光と、前記被検体配置位置を経由する光路とは異なる光路を経由する参照光とに二分するとともに、前記被検体配置位置を経由した後の信号光と、前記異なる光路を経由した参照光とを互いに重畳することにより干渉光を生成する干渉光学系と、この干渉光学系が、前記信号光の周波数と前記参照光の周波数を相対的にシフトさせる周波数シフタと、前記干渉光学系が、前記干渉光を受光するために、前記干渉光を二分割して、さらに、この二分割された干渉光を周期的に遮断することにより、互いの位相差が90度である2列の干渉光パルスを生成する光遮断装置と、前記2列の干渉光パルスをそれぞれ受光する光センサと、この光センサが、空間的に配列され、それぞれが独立に受光信号を得る複数の受光素子を有するものであり、前記光センサで得られた複数の受光信号を統合して前記被検体配置位置に配置された被検体の表面もしくは内部層の、前記信号光の伝搬経路上の各関心点に対応する信号を生成する信号処理部を具備することを特徴とする。
【0015】
〔2〕上記〔1〕記載の2次元光ヘテロダイン検出法を用いた光画像計測装置において、前記光遮断装置が、前記信号光と前記参照光の間の周波数差に近いもしくは等しい周波数で前記干渉光を遮断することを特徴とする。
【0016】
〔3〕上記〔1〕記載の2次元光ヘテロダイン検出法を用いた光画像計測装置において、前記信号処理部が、前記光センサで得られた複数の受光信号を統合して前記信号光と前記参照光の間の周波数差を算出することを特徴とする。
【0017】
〔4〕上記〔1〕記載の2次元光ヘテロダイン検出法を用いた光画像計測装置において、前記干渉光学系が、マイケルソン干渉計を用いることを特徴とする。
【0018】
〔5〕上記〔1〕記載の2次元光ヘテロダイン検出法を用いた光画像計測装置において、前記干渉光学系が、軸外し干渉計を用いることを特徴とする。
【0019】
〔6〕上記〔1〕記載の2次元光ヘテロダイン検出法を用いた光画像計測装置において、前記干渉光学系が、被検体への入射光の偏光方向を制御する偏光素子を備えることを特徴とする。
【0020】
〔7〕上記〔1〕記載の2次元光ヘテロダイン検出法を用いた光画像計測装置において、前記光源が、可干渉距離100μm以下のスーパールミネセントダイオードであることを特徴とする。
【0021】
〔8〕上記〔1〕記載の2次元光ヘテロダイン検出法を用いた光画像計測装置において、前記光源が、可干渉距離50μm以下の発光ダイオードであることを特徴とする。
【0022】
〔9〕上記〔1〕記載の2次元光ヘテロダイン検出法を用いた光画像計測装置において、前記光源が、連続発振のレーザ光であることを特徴とする。
【0023】
〔10〕上記〔9〕記載の2次元光ヘテロダイン検出法を用いた光画像計測装置において、前記干渉光学系が、マッハーツェダー干渉計を用いることを特徴とする。
【0024】
〔11〕上記〔1〕記載の2次元光ヘテロダイン検出法を用いた光画像計測装置において、前記光遮断装置が、液晶素子を用いた高速光シャッターであることを特徴とする。
【0025】
〔12〕上記〔1〕記載の2次元光ヘテロダイン検出法を用いた光画像計測装置において、前記被検体が、光散乱媒質であることを特徴とする。
【0026】
【発明の実施の形態】
以下、本発明の実施の形態を図を参照しながら詳細に説明する。
【0027】
図1は本発明の2次元光ヘテロダイン画像計測装置の構成図である。
【0028】
この図において、1は低コヒーレント光源、2は第1のレンズL▲1▼と第1のレンズL▲2▼からなるレンズ系、3は第1のビームスプリッタBS1、4はピエゾ圧電素子(PZT)4A付き反射鏡、5は被検体、6は第2のビームスプリッタBS2、7は第1のシャッター▲1▼、8は第1のCCD(charge−coupled device)▲1▼、9は第2のシャッター▲2▼、10は第2のCCD▲2▼、11は(π/2)位相シフター、12はパルス信号発生器である。
【0029】
図1に示すように、連続光を出力する低コヒーレント光源1、例えばスーパールミネセントダイオード(SLD)から出射した光ビームは、レンズ系(第1のレンズL▲1▼と第2のレンズL▲2▼)2によってビーム径を広げられ、さらに第1のビームスプリッタ(BS1)3により、信号光と参照光とに2分される。参照光と分かれた信号光は、例えば、散乱媒質からなる被検体5に入射する。被検体5からの反射光波の一部は第1のビームスプリッタ(BS1)3によって反射され、第2のビームスプリッタ(BS2)6へ伝送される。
【0030】
一方、参照光は反射鏡4へ伝送されて、その反射光波は、例えばピエゾ圧電素子(PZT)4Aによる鏡4の振動でドップラー周波数fD の周波数シフトを受ける。周波数シフトを受けた参照光の一部は第1のビームスプリッタ(BS1)3を透過して、信号光と重畳することにより干渉光を生成する。
【0031】
図1はマイケルソン干渉計の原理に基づいて構成されているが、本発明は次のような機構を干渉計に構えることにより、従来の光ヘテロダイン干渉計と異なる特徴をもつ光画像計測装置を提供する。ここでは、上記第1のビームスプリッタ(BS1)3による光波重畳の手段で得た干渉光を第2のビームスプリッタ(BS2)6で2分割する。さらに、2分割された干渉光ビームを第1のシャッター▲1▼7と第2のシャッター▲2▼9を用いて周期的遮断(サンプリング)する。
【0032】
本発明は、上記した方法で生成される2列の干渉光パルスを受光するために、イメージセンサ例えばCCDカメラを使用する。
【0033】
以下に、本発明による測定原理を説明する。
【0034】
図2(a)は、光ヘテロダイン測定において信号光および参照光がともに連続光である場合、光センサ面上に生成される干渉光の時間波形を示すものである。式(1)で示されるように、光干渉信号は参照光および信号光の強度に比例した直流成分と、ビート周波数fif=fD の交流成分とからなる。
【0035】
一方、図2(b)と図2(c)は、本発明によって2台の光センサの検出面上にて生成される干渉光の時間波形を示すものである。
【0036】
2つの干渉光はともに:T1 =T2 =1/Δfの周期でサンプリングされており、そのサンプリング動作を数式を用いて以下に述べる。
【0037】
連続光源から出射するコヒーレント光を振幅A、周波数f、位相θをもつ電場の正弦的波動として考える。すなわち、
【0038】
【数2】
【0039】
その光強度は次のように表される。
【0040】
【数3】
【0041】
図1に示す第1のビームスプリッタ(BS1)3によって重畳された参照光と信号光はともに連続光であり、それぞれの電場とを次のように表わすことができる。
【0042】
【数4】
【0043】
【数5】
【0044】
次に、本発明でのシャッターの周期的遮断動作、例えば図3(a)に示される周期T1 =1/Δfの矩形動作をフーリエ級数の展開により次のように展開する。
【0045】
【数6】
【0046】
従って、シャッターを通過する干渉光は、式(6)の変調レートm(t)で強度変調されることとなる。そこで、図1に示す第1のCCD▲1▼(光センサ)8の面上にて生成される干渉光は次のように表わされる。
【0047】
【数7】
【0048】
但し、Tは第2のビームスプリッタ(BS2)6の光透過率で、Δθ=|θ1 +θ2 |である。
【0049】
蓄積型の光センサ、例えば空間的に受光素子が配置されるCCDカメラを用いて干渉光で受光すると、光センサの電気出力は測定時間内に蓄積した光電荷量に比例するものであり、式(7)から次のように与えられる。
【0050】
【数8】
【0051】
ただし、K1 は第2のビームスプリッタ(BS2)6の透過率および光センサの光電変換率を含めた光検出効率である。
【0052】
式(8)の積算の第1項は、サンプリング周波数が光センサの応答周波数よりも十分高ければ、
【0053】
【数9】
【0054】
となり、同様にその第2項は
【0055】
【数10】
【0056】
となる。さらにその第3項は、
【0057】
【数11】
【0058】
となる。
【0059】
サンプリング周波数とビート周波数間の差(δf=|fD −Δf|)が小さく、蓄積型光センサの応答周波数に比べて十分低いのであれば、式(11)の積算は
【0060】
【数12】
【0061】
となる。ただし、φ=Δθ−ψである。
【0062】
式(9)〜(12)から、式(8)は
【0063】
【数13】
【0064】
となる。光センサの出力には、信号光と参照光の強度のほかに、光干渉信号の振幅(√Is Ir )及び位相(2πδft+φ)に関する項が含まれていることが分かる。
【0065】
以上の説明から明白となるように、本発明は、蓄積型光センサ、例えばCCDカメラの低い周波数応答特性を十分に認識した上で、それを用いた2次元光ヘテロダイン検波を行う。本発明では、干渉光をそのビート周波数(fD )に近い周波数(Δf)でサンプリングしてさらにCCDカメラで受光することで、ヘテロダイン信号成分を周波数δf(δf=|fD −Δf|)の交流信号として検出する。このことは、ビート周波数fD の信号を検出する従来の光ヘテロダイン検出法と根本的に異なる。
【0066】
また、式(12)と(13)から察知するように、本発明では、干渉光をそのビート周波数と同じ周波数でサンプリングすることにより、ヘテロダイン信号成分を直流信号として検出することも可能である。
【0067】
さらに、本発明は以下のような測定手段を用いることを特徴とする。
【0068】
図3(a)と図3(b)にそれぞれ、本発明による図1に示した第1のシャッター7と第1のシャッター9のon−offタイミングを示す。これより、両on−offタイミング間にΔt=T1 /4(T1 =T2 )の時間差が設けられていることが分かる。これは、フーリエ変換の原理から式(6)の位相ψを相対的にπ/2ずらすことを意味する。
【0069】
従って、図1に示した第2の光センサCCD10からの出力は、
【0070】
【数14】
【0071】
と求められる。ただし、K2 は第2のビームスプリッタ(BS2)6の透過率と第2の光センサCCD10の光電変換率を含めた光検出効率である。
【0072】
一方、本発明では、例えば図1に示した第1のシャッター7と第2のシャッター9を“on”、すなわち“開き”の状態に保つことにより、連続的な干渉光を受光することも可能である。その場合、干渉光のビート周波数が蓄積型の応答周波数より十分高いのであれば、第1の光センサCCD8からの出力は、
【0073】
【数15】
【0074】
となる。同様に、第2の光センサCCD10からの出力は、
【0075】
【数16】
【0076】
となる。
【0077】
i3 とi4 はそれぞれ第1のセンサCCD8と第2のセンサCCD10に入射する光の強度に比例し、前出式(1)から、光ヘテロダイン測定、例えば図10に示す光コヒーレンス断層画像化測定で検出される信号の直流成分に相当することが分かる。そこで、本発明は、次のような演算処理により、光干渉信号の振幅(√Is Ir )に関する情報を抽出する。
【0078】
式(13)〜(16)の結果から、両センサの出力に含まれる干渉信号成分は以下のように算出される。
【0079】
【数17】
【0080】
【数18】
【0081】
式(17)と式(18)の比較から、S2 とS1 はそれぞれ同期検出法における“I”(in−phase)信号と“Q”(quadrature)信号に対応することが分かる。これより、光干渉信号の振幅は
【0082】
【数19】
【0083】
と求まる。ここで、rは両センサによる検出効率の比であり、式(15)と式(16)から次のように与えられる。
【0084】
【数20】
【0085】
一方、S1 とS2 がそれぞれ同期検出法におけるI信号とQ信号に対応することから、本発明は、光干渉信号の振幅情報のみならず、その周波数情報を取得することもできる。例えば図4に示す市販品の高速フーリェ変換器(FFT:fast Fourier transform)Cによる演算処理で周波数δfを求めることが可能である。これより、本発明はドップラー周波数シフトを測定対象とする流速計測装置にも応用できることが明白である。なお、図4において、B1,B2はA/D変換器である。
【0086】
以下、本発明の具体的実施例について説明する。
【0087】
〔実施例1〕
図5は本発明による図1に示した光画像計測装置に低コヒーレント光源として連続出力のSLDを用いた実施例を示す。
【0088】
この図において、21は低コヒーレント光源、22はレンズ系(レンズL▲1▼,レンズL▲2▼)、23は第1のビームスプリッタBS1、24はレンズL▲3▼、25は光ファイバ、26はレンズ▲4▼、27はピエゾ圧電素子(PZT)27A付き反射鏡、28は2次元レンズアレイ▲1▼、29は光ファイババンドル、30は2次元レンズアレイ▲2▼、31は被検体、32は第2のビームスプリッタBS2、33は第1のシャッター▲1▼、34は第1のCCD▲1▼、35は第2のシャッター▲2▼、36は第2のCCD▲2▼である。
【0089】
市販されている近赤外域SLDの場合、コヒーレント長lC ≒30μm、また発光ダイオード(LED)の場合lC ≒10μm程度である。
【0090】
更に、この実施例は、本発明による図1に示した信号光及び参照光の伝送手段として光ファイバを用いることにより、被検体31の配置位置を光画像計測装置から分離できることを特徴とする。
【0091】
光源からの出力光は第1のビームスプリッタ(BS1)23によって参照光と信号光に2分される。参照光は空間的に多数のマイクロレンズが配置される2次元レンズアレイ▲1▼28によって光ファイババンドル29へ結合され、その光ファイババンドル29を経由して2次元レンズアレイ▲2▼30へ伝送される。2次元レンズアレイ▲2▼30は、被検体31への光入射および被検体31からの反射光の集光を同時に行う。集光された被検体31からの反射光は同光ファイババンドル29によって第1のビームスプリッタ(BS1)23へ返送される。
【0092】
他方、参照光はレンズ▲3▼24によって光ファイバ25へ結合され、反射鏡27へ伝送される。反射鏡27からの反射光は同光ファイバ25によって第1のビームスプリッタ(BS1)23へ返送される。
【0093】
低コヒーレント光源21を用いたこの実施例は、信号光と参照光との光路長差は光源の極めて短いコヒーレント長以内にあるときのみ、光干渉が生成される。そのため、例えば反射鏡27の位置をスキャンして参照光の光路長を信号光の光路長に等しくなるように差調節することが望ましい。
【0094】
また、前述したように、本発明はイメージセンサ、例えば空間的に受光素子が配置されるCCDカメラで光干渉信号を並列検出できることを特徴としている。市販品のCCDカメラは数十万ないし数百万の受光素子を有するので、これら極めて多数の受光素子を有効に利用すれば、無走査で実時間の2次元光画像計測が可能となる。
【0095】
一方、本実施例で使用されるレンズアレイの素子数は必ずしもCCDカメラの受光素子数に等しく設定される必要がない。複数のCCD素子でレンズアレイの一素子からの信号光を検出することは、光ヘテロダイン信号のスペックル平均と増強検出に役立つものと考えられる。
【0096】
〔実施例2〕
本発明は、図1と図5に示すマイケルソン干渉計に基づく画像計測装置に制限されることがなく、他の形式の干渉計に基づく計測装置にも適すると考えられる。
【0097】
図6は本発明による2次元光ヘテロダイン検出法を軸外し干渉計に基づく光画像計測装置へ実施する例を示す。
【0098】
この図において、41は回折格子、42はレンズ、43はビームスプリッタBS、44は第1のシャッター▲1▼、45は第1のCCD▲1▼、46は第2のシャッター▲2▼、47は第2のCCD▲2▼である。
【0099】
図6では、平面波の信号光aと平面波の参照光bはそれぞれ左右の両側から角分散素子例えば回折格子41に入射する。この回折格子41の面上において、互いに交差する両光波の波面不整合により高い空間周波数が生成されるが、入射角と回折格子41の格子定数を適切に選ぶことにより、信号光a及び参照光bの1次回折光の出射角をゼロもしくはゼロに近くなるようにすることが可能である。これにより両光波は合波され、干渉光となる。
【0100】
さらに、この実施例は、レンズ42を用いて回折格子41からの一次回折光をイメージセンサ例えばCCDカメラの検出面上に結像させることを特徴とする。図6では、干渉光がビームスプリッタ43によって2分され、それぞれ第1のCCD▲1▼と第2のCCD▲2▼でヘテロダイン検出される。
【0101】
なお、この実施例では、優れた距離(信号光と参照光間の光路長差)分解能を得るために、光源として低コヒーレント光源例えばSLDを使用することが望ましい。
【0102】
〔実施例3〕
図7は、本発明による図1に示した光画像計測装置に第1のビームスプリッタBS1として広帯域偏光ビームスプリッタPBS1を用いた実施例である。
【0103】
この図において、51は低コヒーレント光源、52はレンズ系(レンズL▲1▼,レンズL▲2▼)、53は広帯域偏光ビームスプリッタ(PBS1)、54は反射鏡▲1▼、55は第1のビームスプリッタBS1、56はピエゾ圧電素子(PZT)56A付き反射鏡▲1▼、57は(1/4)波長板、58はマイクロレンズアレイ、59は被検体、60は反射鏡▲2▼、61は第2のビームスプリッタBS2、62は第1のシャッター▲1▼、63は第1のCCD▲1▼、64は第2のシャッター▲2▼、65は第2のCCD▲2▼である。
【0104】
この図に示すように、低コヒーレンス光源51、例えばSLDとLEDからの出力光は一般的に無偏光で、すなわち特定の偏光方向をもたないものである。ここでは、広帯域偏光ビームスプリッタ(PBS1)53が入射光のP偏光成分を通過させて信号光とする。参照光と分かれた信号光は(1/4)波長板57を通過して円偏光に変換され、さらに例えばマイクロレンズアレイ58によって収束されて被検体59へ入射する。被検体59から反射してきた円偏光の信号光は、再び(1/4)波長板57を通過することによりS偏光の直線偏光に変換される。広帯域偏光ビームスプリッタ(PBS1)53はS偏光の信号光を90度反射し、第2の鏡▲2▼60を経由して第2のビームスプリッタ(BS2)61へ伝送する。
【0105】
一方、広帯域偏光ビームスプリッタ(PBS1)53が入射光のS偏光成分を90o 反射して参照光とする。第1のビームスプリッタ(BS1)55を透過した参照光は第1の鏡▲1▼56によって反射されるが、その反射光は第1の鏡▲1▼56に付着したピエゾ素子の振動によってドップラ周波数シフトを受ける。第1のビームスプリッタ(BS1)55は反射光の一部を90度反射して第2のビームスプリッタ(BS2)61へ伝送する。このように、第2のビームスプリッタ(BS2)61にて重畳される信号光および参照光はともにS偏光である。
【0106】
本実施例は広帯域偏光ビームスプリッタ(PBS1)53及び(1/4)波長板57を用いることにより、被検体59への入射光の偏光方向を制御できることが特徴である。
【0107】
〔実施例4〕
図8は、本発明による2次元光ヘテロダイン検出法をマッハツエンダー干渉計に基づく光透過画像計測装置へ実施する例を示す。
【0108】
この図において、71はレーザー、72は第1のビームスプリッタBS1、73は音響光学変調器(AOM)、74は反射鏡▲1▼、75はレンズ系(レンズL▲1▼,レンズL▲2▼)、76は反射鏡▲2▼、77はレンズ系(レンズL▲3▼,レンズL▲4▼)、78は被検体、79は第2のビームスプリッタBS2、80は第1のシャッター▲1▼、81は第1のCCD▲1▼、82は第2のシャッター▲2▼、83は第2のCCD▲2▼である。
【0109】
この実施例では、コヒーレント光源、例えばレーザ71からの出力光は第1のビームスプリッタ(BS1)72によって参照光と信号光に2分される。参照光と分かれた信号光はレンズL▲3▼とレンズL▲4▼からなるレンズ系77によってビーム径を広げられ、被検体78へ入射される。被検体78を透過した信号光の一部は第2のビームスプリッタ(BS2)79を透過して、第1のCCD▲1▼81へ入射する。また、第2のビームスプリッタ(BS2)79によって90度反射された信号光は第2のCCD▲2▼83へ入射する。
【0110】
一方、参照光は周波数シフタ例えば音響光学変調器(AOM)73から周波数シフトを受けて、さらにレンズL▲1▼とレンズL▲2▼からなるレンズ系75によってビーム径を広げられる。参照光の一部は第2のビームスプリッタ(BS2)79を透過して、第2のCCD83へ入射する。また、第2のビームスプリッタ(BS2)79によって90度反射された参照光は第1のCCD▲1▼81へ入射する。
【0111】
この実施例で第1の光シャッター▲1▼80と第2の光シャッター▲2▼82として、例えば液晶素子または電気光学素子を用いた高速シャッターを使用することが望ましい。また、干渉光のビート周波数をシャッターのon−off周波数に合わせるために、周波数シフタとして2台もしくは2台以上のAOMを使用することも効果的である。
【0112】
なお、本発明は上記実施例に限定されるものではなく、本発明の趣旨に基づいて種々の変形が可能であり、これらを本発明の範囲から排除するものではない。
【0113】
【発明の効果】
以上、詳細に説明したように、本発明によれば、以下のような効果を奏することができる。
【0114】
(A)光信号の並列検出を有効に行うことのできる2次元光ヘテロダイン検出法を用いた光画像計測装置を提供することができる。
【0115】
(B)光干渉信号の振幅情報のみならず、その周波数情報を取得することもできる。
【0116】
(C)信号光及び参照光の伝送手段として光ファイバを用いることにより、被検体の配置位置を光画像計測装置から分離できる。
【0117】
(D)入射角と回折格子の格子定数を適切に選ぶことにより、信号光及び参照光の1次回折光の出射角をゼロもしくはゼロに近くなるようにすることができる。
【0118】
(E)広帯域偏光ビームスプリッタ及び(1/4)波長板を用いることにより、被検体への入射光の偏光方向を制御することができる。
【図面の簡単な説明】
【図1】本発明の2次元光ヘテロダイン画像計測装置の構成図である。
【図2】本発明での光ヘテロダイン測定において信号光および参照光がともに連続光である場合、光センサ面上に生成される干渉光の時間波形を示す図である。
【図3】本発明でのシャッターの周期的遮断動作を示す図である。
【図4】高速フーリェ変換(FFT)器による演算処理で周波数δfを求めるシステム構成図である。
【図5】本発明による図1に示した光画像計測装置に低コヒーレント光源として連続出力のSLDを用いた実施例を示す図である。
【図6】本発明による2次元光ヘテロダイン検出法を軸外し干渉計に基づく光画像計測装置へ実施する例を示す図である。
【図7】本発明による図1に示した光画像計測装置に第1のビームスプリッタBS1として広帯域偏光ビームスプリッタPBS1を用いた実施例を示す図である。
【図8】本発明による2次元光ヘテロダイン検出法をマッハツエンダー干渉計に基づく光透過画像計測装置へ実施する例を示す図である。
【図9】マイケルソン干渉計を用いた光コヒーレンス断層画像計測装置の基本構成を示す図である。
【図10】図9における装置を用いて光コヒーレンス断層画像計測の様子を示す図である。
【図11】画像計測の更なる高速化のため光コヒーレンス断層画像計測装置の基本構成を示す図である。
【図12】図11における装置を用いて光コヒーレンス断層画像計測の様子を示す図である。
【図13】2次元検出器アレイからの複数のヘテロダイン信号の並列の信号処理系を示す図である。
【符号の説明】
1,21,51 低コヒーレント光源
2,22,52,75,77 レンズ系
3,23,55,72 第1のビームスプリッタBS1
4,27,56 ピエゾ圧電素子(PZT)付き反射鏡
4A,27A,56A ピエゾ圧電素子(PZT)
5,31,59,78 被検体
6,32,61,79 第2のビームスプリッタBS2
7,33,44,62,80 第1のシャッター▲1▼
8,34,45,63,81 第1のCCD▲1▼
9,35,46,64,82 第2のシャッター▲2▼
10,36,47,65,83 第2のCCD▲2▼
11 (π/2)位相シフター
12 パルス信号発生器
24 レンズ▲3▼
25 光ファイバ
26 レンズ▲4▼
28 2次元レンズアレイ▲1▼
29 光ファイババンドル
30 2次元レンズアレイ▲2▼
41 回折格子
42 レンズ
43 ビームスプリッタ
53 広帯域偏光ビームスプリッタ(PBS1)
54,74 反射鏡▲1▼
57 (1/4)波長板
58 マイクロレンズアレイ
60,76 反射鏡▲2▼
71 レーザ
73 音響光学変調器(AOM)
Claims (12)
- (a)光ビームを出射する光源と、
(b)該光源から出射された光ビームを、被検体が配置される被検体配置位置を経由する信号光と、前記被検体配置位置を経由する光路とは異なる光路を経由する参照光とに二分するとともに、前記被検体配置位置を経由した後の信号光と、前記異なる光路を経由した参照光とを互いに重畳することにより干渉光を生成する干渉光学系と、
(c)該干渉光学系が、前記信号光の周波数と前記参照光の周波数を相対的にシフトさせる周波数シフタと、
(d)前記干渉光学系が、前記干渉光を受光するために、前記干渉光を二分割して、さらに、該二分割された干渉光を周期的に遮断することにより、互いの位相差が90度である2列の干渉光パルスを生成する光遮断装置と、
(e)前記2列の干渉光パルスをそれぞれ受光する光センサと、
(f)該光センサが、空間的に配列され、それぞれが独立に受光信号を得る複数の受光素子を有するものであり、前記光センサで得られた複数の受光信号を統合して前記被検体配置位置に配置された被検体の表面もしくは内部層の、前記信号光の伝搬経路上の各関心点に対応する信号を生成する信号処理部を具備することを特徴とする2次元光ヘテロダイン検出法を用いた光画像計測装置。 - 前記光遮断装置が、前記信号光と前記参照光の間の周波数差に近いもしくは等しい周波数で前記干渉光を遮断することを特徴とする請求項1記載の2次元光ヘテロダイン検出法を用いた光画像計測装置。
- 前記信号処理部が、前記光センサで得られた複数の受光信号を統合して前記信号光と前記参照光の間の周波数差を算出することを特徴とする請求項1記載の2次元光ヘテロダイン検出法を用いた光画像計測装置。
- 前記干渉光学系が、マイケルソン干渉計を用いることを特徴とする請求項1記載の2次元光ヘテロダイン検出法を用いた光画像計測装置。
- 前記干渉光学系が、軸外し干渉計を用いることを特徴とする請求項1記載の2次元光ヘテロダイン検出法を用いた光画像計測装置。
- 前記干渉光学系が、被検体への入射光の偏光方向を制御する偏光素子を備えることを特徴とする請求項1記載の2次元光ヘテロダイン検出法を用いた光画像計測装置。
- 前記光源が、可干渉距離100μm以下のスーパールミネセントダイオードであることを特徴とする請求項1記載の2次元光ヘテロダイン検出法を用いた光画像計測装置。
- 前記光源が、可干渉距離50μm以下の発光ダイオードであることを特徴とする請求項1記載の2次元光ヘテロダイン検出法を用いた光画像計測装置。
- 前記光源が、連続発振のレーザ光であることを特徴とする請求項1記載の2次元光ヘテロダイン検出法を用いた光画像計測装置。
- 前記干渉光学系が、マッハーツェダー干渉計を用いることを特徴とする請求項9記載の2次元光ヘテロダイン検出法を用いた光画像計測装置。
- 前記光遮断装置が、液晶素子を用いた高速光シャッターであることを特徴とする請求項1記載の2次元光ヘテロダイン検出法を用いた光画像計測装置。
- 前記被検体が、光散乱媒質であることを特徴とする請求項1記載の2次元光ヘテロダイン検出法を用いた光画像計測装置。
Priority Applications (1)
| Application Number | Priority Date | Filing Date | Title |
|---|---|---|---|
| JP2000153919A JP3594875B2 (ja) | 2000-05-25 | 2000-05-25 | 2次元光ヘテロダイン検出法を用いた光画像計測装置 |
Applications Claiming Priority (1)
| Application Number | Priority Date | Filing Date | Title |
|---|---|---|---|
| JP2000153919A JP3594875B2 (ja) | 2000-05-25 | 2000-05-25 | 2次元光ヘテロダイン検出法を用いた光画像計測装置 |
Publications (2)
| Publication Number | Publication Date |
|---|---|
| JP2001330558A JP2001330558A (ja) | 2001-11-30 |
| JP3594875B2 true JP3594875B2 (ja) | 2004-12-02 |
Family
ID=18659092
Family Applications (1)
| Application Number | Title | Priority Date | Filing Date |
|---|---|---|---|
| JP2000153919A Expired - Fee Related JP3594875B2 (ja) | 2000-05-25 | 2000-05-25 | 2次元光ヘテロダイン検出法を用いた光画像計測装置 |
Country Status (1)
| Country | Link |
|---|---|
| JP (1) | JP3594875B2 (ja) |
Families Citing this family (32)
| Publication number | Priority date | Publication date | Assignee | Title |
|---|---|---|---|---|
| US6943881B2 (en) * | 2003-06-04 | 2005-09-13 | Tomophase Corporation | Measurements of optical inhomogeneity and other properties in substances using propagation modes of light |
| US7023557B2 (en) * | 2003-08-05 | 2006-04-04 | Agilent Technologies, Inc. | Parallel interferometric measurements using an expanded local oscillator signal |
| JP4381847B2 (ja) | 2004-02-26 | 2009-12-09 | 株式会社トプコン | 光画像計測装置 |
| JP2005245740A (ja) * | 2004-03-04 | 2005-09-15 | Clinical Supply:Kk | 時間ゲート光波断層画像測定方法及び装置 |
| JP4522724B2 (ja) | 2004-03-16 | 2010-08-11 | 株式会社トプコン | 光画像計測装置 |
| JP4409331B2 (ja) | 2004-03-30 | 2010-02-03 | 株式会社トプコン | 光画像計測装置 |
| JP4409332B2 (ja) * | 2004-03-30 | 2010-02-03 | 株式会社トプコン | 光画像計測装置 |
| DE602005006570D1 (de) * | 2004-07-28 | 2008-06-19 | Iee Sarl | Nachweis und analyse optischer sensorsonden |
| JP4409384B2 (ja) | 2004-08-03 | 2010-02-03 | 株式会社トプコン | 光画像計測装置及び光画像計測方法 |
| JP4633423B2 (ja) * | 2004-09-15 | 2011-02-16 | 株式会社トプコン | 光画像計測装置 |
| JP4563130B2 (ja) | 2004-10-04 | 2010-10-13 | 株式会社トプコン | 光画像計測装置 |
| JP4566685B2 (ja) * | 2004-10-13 | 2010-10-20 | 株式会社トプコン | 光画像計測装置及び光画像計測方法 |
| JP4494160B2 (ja) * | 2004-10-14 | 2010-06-30 | 株式会社トプコン | 光画像計測装置 |
| JP4597744B2 (ja) | 2004-11-08 | 2010-12-15 | 株式会社トプコン | 光画像計測装置及び光画像計測方法 |
| JP4837300B2 (ja) | 2005-03-24 | 2011-12-14 | 株式会社トプコン | 光画像計測装置 |
| US8009297B2 (en) | 2005-12-07 | 2011-08-30 | Kabushiki Kaisha Topcon | Optical image measuring apparatus |
| JP2008209233A (ja) * | 2007-02-26 | 2008-09-11 | Naohiro Tanno | スペクトルドメインの光コヒーレンストモグラフィー装置 |
| JP4602372B2 (ja) * | 2007-03-14 | 2010-12-22 | 株式会社トプコン | 光画像計測装置及び光画像計測方法 |
| JP2009041946A (ja) | 2007-08-06 | 2009-02-26 | Topcon Corp | 光画像計測装置 |
| JP5852300B2 (ja) * | 2009-12-02 | 2016-02-03 | オリンパス株式会社 | 光検出装置、顕微鏡および内視鏡 |
| JP5530241B2 (ja) * | 2010-04-22 | 2014-06-25 | 株式会社トプコン | 信号処理方法、信号処理デバイス及び光画像計測装置 |
| KR101171362B1 (ko) | 2010-05-31 | 2012-08-09 | 김원식 | 위상검출수단이 개선된 헤테로다인 레이저 간섭계 |
| JP5265632B2 (ja) * | 2010-08-16 | 2013-08-14 | 株式会社サイム | プラスチック等識別装置およびプラスチック等識別方法 |
| JP5610063B2 (ja) * | 2011-03-24 | 2014-10-22 | 株式会社ニコン | 観察装置および観察方法 |
| US8564788B2 (en) * | 2011-07-26 | 2013-10-22 | Kabushiki Kaisha Topcon | Optical imaging method and optical imaging apparatus |
| KR101263326B1 (ko) | 2011-10-05 | 2013-05-16 | 서강대학교산학협력단 | 음향 광변조필터를 이용한 헤테로다인 광 간섭성 단층 촬영 장치 |
| US8896841B2 (en) * | 2012-03-13 | 2014-11-25 | Kabushiki Kaisha Topcon | Optical imaging method and optical imaging apparatus using optical coherence tomography |
| JP6053138B2 (ja) | 2013-01-24 | 2016-12-27 | 株式会社日立エルジーデータストレージ | 光断層観察装置及び光断層観察方法 |
| US9606235B2 (en) * | 2014-01-16 | 2017-03-28 | The Boeing Company | Laser metrology system and method |
| JP6424801B2 (ja) | 2014-11-19 | 2018-11-21 | 株式会社豊田中央研究所 | レーザレーダ装置およびレーザレーダ装置の光受信方法 |
| JP6058108B2 (ja) * | 2015-12-03 | 2017-01-11 | オリンパス株式会社 | 光検出装置、顕微鏡および内視鏡 |
| JP7487617B2 (ja) * | 2020-08-31 | 2024-05-21 | 沖電気工業株式会社 | 光反射測定装置 |
-
2000
- 2000-05-25 JP JP2000153919A patent/JP3594875B2/ja not_active Expired - Fee Related
Also Published As
| Publication number | Publication date |
|---|---|
| JP2001330558A (ja) | 2001-11-30 |
Similar Documents
| Publication | Publication Date | Title |
|---|---|---|
| JP3594875B2 (ja) | 2次元光ヘテロダイン検出法を用いた光画像計測装置 | |
| JP4633423B2 (ja) | 光画像計測装置 | |
| JP4409384B2 (ja) | 光画像計測装置及び光画像計測方法 | |
| JP4566685B2 (ja) | 光画像計測装置及び光画像計測方法 | |
| US7312876B2 (en) | Optical image measuring apparatus | |
| US7245383B2 (en) | Optical image measuring apparatus for obtaining a signal intensity and spatial phase distribution of interference light | |
| US7548320B2 (en) | Optical image measuring apparatus | |
| JP3245135B2 (ja) | 光計測装置 | |
| JP4837300B2 (ja) | 光画像計測装置 | |
| US7268885B2 (en) | Optical image measuring apparatus for forming an image of an object to be measured based on interference light | |
| US7486402B2 (en) | Optical image measuring apparatus | |
| US20050219545A1 (en) | Optical image measuring apparatus | |
| JP4602372B2 (ja) | 光画像計測装置及び光画像計測方法 | |
| JP3619113B2 (ja) | 角分散光空間干渉断層画像化装置 | |
| JP4409334B2 (ja) | 光画像計測装置 | |
| JP2005214927A (ja) | 並列光ヘテロダイン検出法を用いた光干渉計測方法 |
Legal Events
| Date | Code | Title | Description |
|---|---|---|---|
| A977 | Report on retrieval |
Free format text: JAPANESE INTERMEDIATE CODE: A971007 Effective date: 20040712 |
|
| TRDD | Decision of grant or rejection written | ||
| A01 | Written decision to grant a patent or to grant a registration (utility model) |
Free format text: JAPANESE INTERMEDIATE CODE: A01 Effective date: 20040831 |
|
| A61 | First payment of annual fees (during grant procedure) |
Free format text: JAPANESE INTERMEDIATE CODE: A61 Effective date: 20040901 |
|
| R150 | Certificate of patent or registration of utility model |
Free format text: JAPANESE INTERMEDIATE CODE: R150 |
|
| LAPS | Cancellation because of no payment of annual fees |
