JP2010142831A - 粉末成形プレス機の上下パンチの清掃方法およびその装置 - Google Patents

粉末成形プレス機の上下パンチの清掃方法およびその装置 Download PDF

Info

Publication number
JP2010142831A
JP2010142831A JP2008321383A JP2008321383A JP2010142831A JP 2010142831 A JP2010142831 A JP 2010142831A JP 2008321383 A JP2008321383 A JP 2008321383A JP 2008321383 A JP2008321383 A JP 2008321383A JP 2010142831 A JP2010142831 A JP 2010142831A
Authority
JP
Japan
Prior art keywords
punch
brush
powder
punches
die
Prior art date
Legal status (The legal status is an assumption and is not a legal conclusion. Google has not performed a legal analysis and makes no representation as to the accuracy of the status listed.)
Ceased
Application number
JP2008321383A
Other languages
English (en)
Inventor
Tadashi Kidokoro
正 城所
Toshio Yoshioka
寿夫 吉岡
Current Assignee (The listed assignees may be inaccurate. Google has not performed a legal analysis and makes no representation or warranty as to the accuracy of the list.)
Sanwa System Engineering Co Ltd
Original Assignee
Sanwa System Engineering Co Ltd
Priority date (The priority date is an assumption and is not a legal conclusion. Google has not performed a legal analysis and makes no representation as to the accuracy of the date listed.)
Filing date
Publication date
Application filed by Sanwa System Engineering Co Ltd filed Critical Sanwa System Engineering Co Ltd
Priority to JP2008321383A priority Critical patent/JP2010142831A/ja
Publication of JP2010142831A publication Critical patent/JP2010142831A/ja
Ceased legal-status Critical Current

Links

Images

Landscapes

  • Cleaning In General (AREA)

Abstract

【課題】粉末成形プレス機の上下パンチの平面形状が直線状で、かつそれらが複数列並んだりしている場合に好適な、上下パンチの清掃方法およびその装置を提供する。
【解決手段】製品を取り出した後、上パンチ2、下パンチ3が開いた状態においてこれらの中間に上下方向にブラシを備えたパンチクリーナ4を挿入し、このパンチクリーナを上昇させるか、あるいは上パンチを下降させ、ブラシを上パンチに接触させたまま振動および/または水平移動させて上パンチ下面に付着した粉末を除去し、パンチクリーナを下降させるか、あるいは下パンチを上昇させ、ブラシを下パンチに接触させたまま振動および/または水平移動させて下パンチ上面に付着した粉末を除去する。
【選択図】図3

Description

本発明は、金属、セラミックス等の微粉末を圧縮成形して焼成し、超硬チップや精密機械部品等を製造する際の前半工程である粉末の圧縮成形において、上下パンチに付着する粉末を除去して清浄にする粉末成形プレス機の上下パンチの清掃方法およびその装置に関する。
金属、セラミックス等の微粉末にワックス等のバインダを混合してプレス機の金型内に充填し、圧縮成形して中間製品を製造し、これを焼成炉において焼成処理して機械加工用の超硬チップや精密機械部品等を製造することが行われている。圧縮成形に使用する金型は一般に加熱を行うので、充填の際周囲に微粉末が付着しやすく、中間製品に付着するなどして品質上問題となるため、上下パンチなどの金型を清掃することが必要である。
金型の清掃は樹脂等のブラシで付着した微粉末をこすり落とすのであるが、この作業を人手によって行っていたのでは金型の寸法が小さい場合などに作業が困難であり、また生産性を阻害するから、機械化することが必要である。特許文献1には、回転ブラシ方式の粉末成形プレス機の金型清掃装置が記載されている。
特開2002−331397号公報
特許文献1に記載の金型清掃装置は円盤状のブラシを回転させながら金型を清掃するので、金型の形状如何によらず使用できる利点はあるが、金型が直線形状だったり、さらにこれが複数列並んだりしている場合には清掃効率がよくないという問題点がある。
本発明は、上下パンチの平面形状が直線状で、かつそれが複数列並んだりしている場合に好適な粉末成形プレス機の上下パンチの清掃方法およびその装置を提供することを目的とする。
請求項1に記載の本発明は、ダイの上下に直線形状の上パンチ、下パンチを複数列配置し、下パンチとダイとで形成される空間内に粉末を充填し、上から上パンチを下降させてこの粉末を圧縮、成形して中間製品を得る粉末成形プレス機において、前記中間製品を取り出した後、上パンチ、下パンチが開いた状態においてこれらの中間に上下方向にブラシを備えたパンチクリーナを挿入し、このパンチクリーナを上昇させるか、あるいは上パンチを下降させ、ブラシを上パンチに接触させたまま振動および/または水平移動させて上パンチ下面に付着した粉末を除去し、前記パンチクリーナを下降させるか、あるいは下パンチを上昇させ、ブラシを下パンチに接触させたまま振動および/または水平移動させて下パンチ上面に付着した粉末を除去することを特徴とする粉末成形プレス機の上下パンチの清掃方法である。
請求項2に記載の本発明は、前記ブラシ近傍に気体を噴射して、除去した粉末を吹き飛ばすようにした請求項1に記載の粉末成形プレス機の上下パンチの清掃方法である。
請求項3に記載の本発明は、ダイの上下に直線形状の上パンチ、下パンチを複数列配置し、下パンチとダイとで形成される空間内に粉末を充填し、上から上パンチを下降させてこの粉末を圧縮、成形して中間製品を得る粉末成形プレス機において、上下方向にブラシを備え、前記上パンチと下パンチとの中間に挿入可能でかつ、前記上パンチまたは下パンチに対してブラシを接触させるため昇降可能であり、前記ブラシが振動および/または水平移動可能であることを特徴とする粉末成形プレス機の上下パンチの清掃装置である。
請求項4に記載の本発明は、前記ブラシが金型に対して斜め方向に向いている請求項3に記載の粉末成形プレス機の上下パンチの清掃装置である。
本発明によれば、金型の平面形状が直線状で、かつそれが複数列並んでいる場合においても効率よく清掃を行うことができ、生産性が向上するという、すぐれた効果を奏する。
本発明の実施例を図面により説明する。まず、図1により、本発明に係わる粉末成形プレス機の作動を説明する。図1において1はプレス機のダイ(臼)、2は上パンチ、3は下パンチで、上パンチ、下パンチはダイ1の上下に配置され、(a)に示すように下パンチ3とダイ1とで形成される空間内に粉末Pが充填される。つぎに(b)に示すように上パンチ2が下降して粉末を圧縮し、中間製品Gができる。つづいて中間製品Gを保持したままダイ1を下降させるか、(c)に示すように上パンチ2および下パンチ3を上昇させて、中間製品Gをダイ1の上部に上げ、(d)に示すように上パンチ2をさらに上昇させて中間製品Gを取り出す。その後、この状態で上パンチ2および下パンチ3の中間にパンチクリーナ4を挿入する。
図2はパンチクリーナ4のブラシ部分の斜視図で、41は樹脂等のブラシ、42はこれを束ねて保持するブラシホルダでえある。
パンチクリーナ4を挿入したら、図3(a)に示すようにパンチクリーナ4を上昇させるか、あるいは上パンチ2を下降させ、上側のブラシ41を上パンチ2に接触させ、上パンチ2の下面に付着した粉末を清掃、除去する。つづいて図3(b)に示すようにパンチクリーナ4を下降させるか、あるいは下パンチ3を上昇させ、下側のブラシ41を下パンチ3に接触させ、下パンチ3の上面に付着した粉末を清掃、除去する。
図4は実施例の金型とブラシの関係を示す平面図で、金型を上パンチ2で代表させている。2a〜2dは直線形状の金型で、4列並んで配置されている。一方4a〜4cはパンチクリーナで、金型に対して斜めに、3列並んで配置されている。清掃、作業はブラシ4a〜4cを振動させ、かつ矢印のように水平移動させて行う。振動はブラシホルダ全体をモータにより偏心機構等を利用して行えばよいが、振動機構は特に限定しない。振動のみ、あるいは水平移動のみでもある程度の清掃はできる。ここで図4に示すように金型の直線方向に対してブラシが斜めになっていると、水平移動に伴ってブラシの接触位置が連続的に変化して、まんべんなく清掃ができる。
なお、上下パンチはそれぞれ昇降可能であるから、パンチクリーナの高さを一定にしてパンチの昇降で上記の清掃を行ってもよいのであるが、プレス機によっては上下パンチの動きが連動している場合が多く、上下パンチそれぞれを独立に昇降させることが困難であれば、パンチクリーナを昇降させる方が現実的である。この場合、上下パンチを同時に清掃することはできないから、上下順番に行うことになる。
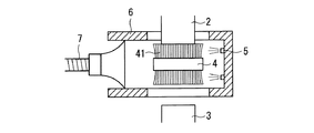
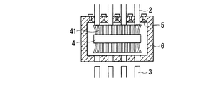
図5は、周辺を含めたパンチクリーナのプレス機側面から見た水平方向断面図、図6は同じくプレス機正面から見た水平方向断面図で、符号5はエア等の気体の噴出するノズル、
6はパンチクリーナを囲むケーシング、7は吸引ダクトである。
ケーシング6の上下面には上下パンチが出入するスリットが設けられており、清掃中は上下パンチはこのスリットを通ってケーシング内のブラシと接触する。清掃中に発生する粉塵はノズル5による気流に乗って吹き飛ばされ、吸引ダクト7を経て排出される。ノズル5はケーシング6の先端部や上下スリットの両脇などに配置されている。
本発明に係わる粉末成形プレス機の金型部分の作動を説明する説明図である。 本発明実施例のパンチクリーナを示す斜視図である。 本発明実施例における清掃方法を説明する概念図である。 本発明実施例における金型とブラシの関係を示す平面図である。 本発明実施例における周辺を含めたプレス機側面から見たパンチクリーナの水平方向断面図である。 同じく本発明実施例における周辺を含めたプレス機正面から見たパンチクリーナの水平方向断面図である。
符号の説明
1 ダイ
2 上パンチ(金型)
3 下パンチ(金型)
4 パンチクリーナ
5 ノズル
6 ケーシング
7 吸引ダクト
41 ブラシ
42 ブラシホルダ
G 中間製品
P 粉末

Claims (4)

  1. ダイの上下に直線形状の上パンチ、下パンチを複数列配置し、下パンチとダイとで形成される空間内に粉末を充填し、上から上パンチを下降させてこの粉末を圧縮、成形して中間製品を得る粉末成形プレス機において、前記中間製品を取り出した後、上パンチ、下パンチが開いた状態においてこれらの中間に上下方向にブラシを備えたパンチクリーナを挿入し、このパンチクリーナを上昇させるか、あるいは上パンチを下降させ、ブラシを上パンチに接触させたまま振動および/または水平移動させて上パンチ下面に付着した粉末を除去し、前記パンチクリーナを下降させるか、あるいは下パンチを上昇させ、ブラシを下パンチに接触させたまま振動および/または水平移動させて下パンチ上面に付着した粉末を除去することを特徴とする粉末成形プレス機の上下パンチの清掃方法。
  2. 前記ブラシ近傍に気体を噴射して、除去した粉末を吹き飛ばすようにした請求項1に記載の粉末成形プレス機の上下パンチの清掃方法。
  3. ダイの上下に直線形状の上パンチ、下パンチを複数列配置し、下パンチとダイとで形成される空間内に粉末を充填し、上から上パンチを下降させてこの粉末を圧縮、成形して中間製品を得る粉末成形プレス機において、上下方向にブラシを備え、前記上パンチと下パンチとの中間に挿入可能でかつ、前記上パンチまたは下パンチに対してブラシを接触させるため昇降可能であり、前記ブラシが振動および/または水平移動可能であることを特徴とする粉末成形プレス機の上下パンチの清掃装置。
  4. 前記ブラシが金型に対して斜め方向に向いている請求項3に記載の粉末成形プレス機の上下パンチの清掃装置。
JP2008321383A 2008-12-17 2008-12-17 粉末成形プレス機の上下パンチの清掃方法およびその装置 Ceased JP2010142831A (ja)

Priority Applications (1)

Application Number Priority Date Filing Date Title
JP2008321383A JP2010142831A (ja) 2008-12-17 2008-12-17 粉末成形プレス機の上下パンチの清掃方法およびその装置

Applications Claiming Priority (1)

Application Number Priority Date Filing Date Title
JP2008321383A JP2010142831A (ja) 2008-12-17 2008-12-17 粉末成形プレス機の上下パンチの清掃方法およびその装置

Publications (1)

Publication Number Publication Date
JP2010142831A true JP2010142831A (ja) 2010-07-01

Family

ID=42563805

Family Applications (1)

Application Number Title Priority Date Filing Date
JP2008321383A Ceased JP2010142831A (ja) 2008-12-17 2008-12-17 粉末成形プレス機の上下パンチの清掃方法およびその装置

Country Status (1)

Country Link
JP (1) JP2010142831A (ja)

Cited By (1)

* Cited by examiner, † Cited by third party
Publication number Priority date Publication date Assignee Title
DE102022115278A1 (de) 2022-06-20 2023-12-21 Dorst Technologies Gmbh & Co. Kg Vorrichtung zum Reinigen einer Pulver-Presseneinrichtung, Kombination einer Pulver-Presseneinrichtung mit einer solchen Reinigungsvorrichtung und Verfahren zum Reinigen einer Pulver-Presseneinrichtung

Citations (7)

* Cited by examiner, † Cited by third party
Publication number Priority date Publication date Assignee Title
GB134102A (en) * 1918-12-13 1919-10-30 Const S A C D A Schmid Atel Improvements in or relating to Presses for Moulding Powdered Materials.
JP2000141097A (ja) * 1998-11-12 2000-05-23 Konica Corp 錠剤圧縮成形方法及び錠剤圧縮成形装置
JP2000202386A (ja) * 1999-01-20 2000-07-25 Ooyodo Diesel Kk ダクト類の清掃方法及び装置
JP2002331397A (ja) * 2001-05-07 2002-11-19 Sanwa System Engineering Kk 粉末成形プレス機の金型清掃装置
JP2003001497A (ja) * 2001-06-20 2003-01-08 Sekitekku:Kk 粉体成形プレスの金型クリーニング装置
JP2003275899A (ja) * 2002-03-20 2003-09-30 Totan Kako Kk 粉粒体の成形装置、該成形装置を用いた粉粒体の成形方法、該成形方法で得られた成形体
JP2008012914A (ja) * 2006-07-07 2008-01-24 Ibiden Co Ltd 端面処理装置、ハニカム成形体の端面処理方法及びハニカム構造体の製造方法

Patent Citations (7)

* Cited by examiner, † Cited by third party
Publication number Priority date Publication date Assignee Title
GB134102A (en) * 1918-12-13 1919-10-30 Const S A C D A Schmid Atel Improvements in or relating to Presses for Moulding Powdered Materials.
JP2000141097A (ja) * 1998-11-12 2000-05-23 Konica Corp 錠剤圧縮成形方法及び錠剤圧縮成形装置
JP2000202386A (ja) * 1999-01-20 2000-07-25 Ooyodo Diesel Kk ダクト類の清掃方法及び装置
JP2002331397A (ja) * 2001-05-07 2002-11-19 Sanwa System Engineering Kk 粉末成形プレス機の金型清掃装置
JP2003001497A (ja) * 2001-06-20 2003-01-08 Sekitekku:Kk 粉体成形プレスの金型クリーニング装置
JP2003275899A (ja) * 2002-03-20 2003-09-30 Totan Kako Kk 粉粒体の成形装置、該成形装置を用いた粉粒体の成形方法、該成形方法で得られた成形体
JP2008012914A (ja) * 2006-07-07 2008-01-24 Ibiden Co Ltd 端面処理装置、ハニカム成形体の端面処理方法及びハニカム構造体の製造方法

Cited By (1)

* Cited by examiner, † Cited by third party
Publication number Priority date Publication date Assignee Title
DE102022115278A1 (de) 2022-06-20 2023-12-21 Dorst Technologies Gmbh & Co. Kg Vorrichtung zum Reinigen einer Pulver-Presseneinrichtung, Kombination einer Pulver-Presseneinrichtung mit einer solchen Reinigungsvorrichtung und Verfahren zum Reinigen einer Pulver-Presseneinrichtung

Similar Documents

Publication Publication Date Title
US10124374B2 (en) Board cleaning apparatus
JP5403403B2 (ja) 鋳造ラインおよび砂落とし方法
CN111451499A (zh) 一种含内部腔道类零件的激光选区熔化成形方法
CN104029279B (zh) 一种快速成型异型砖的制砖设备及其方法
CN110614727B (zh) 一种自动化精雕机及其精雕工艺
CN117960817A (zh) 一种锻造齿座的挤压设备及成型方法
JP2016221875A (ja) 三次元造形装置
JP2010142831A (ja) 粉末成形プレス機の上下パンチの清掃方法およびその装置
CN103302057A (zh) 自动除尘收集机
JP5592711B2 (ja) 粉末成形品のばり取り装置
KR102141814B1 (ko) 초경인서트 클리닝 장치
CN106903273B (zh) 刹车盘砂芯机械手
CN205798130U (zh) 一种自动排废料冲压模具
CN108943712B (zh) 一种可连续工作的3d打印系统
CN213378789U (zh) 一种汽车零部件冲压模具用除尘结构
CN113522812B (zh) 一种塑胶模具加工设备
JP4410396B2 (ja) 金型のクリーニング方法及びクリーニング装置
CN117840332A (zh) 一种方便清洁的五金模具
JPH03234603A (ja) 粉末成形体の表面掃除装置
CN212445756U (zh) 一种电子陶瓷片自动成型设备
CN206622578U (zh) 刹车盘砂芯机械手
CN207888427U (zh) 一种压电去毛刺装置
CN216150475U (zh) 一种硬质合金成型后自动清洁压机上下模装置
JP5493141B2 (ja) 粉末成形部品のばり取り方法およびその装置
JP2010142832A (ja) 粉末成形体吸着ヘッドの清掃方法およびその装置

Legal Events

Date Code Title Description
A521 Written amendment

Free format text: JAPANESE INTERMEDIATE CODE: A523

Effective date: 20110801

A711 Notification of change in applicant

Free format text: JAPANESE INTERMEDIATE CODE: A711

Effective date: 20110802

A521 Written amendment

Free format text: JAPANESE INTERMEDIATE CODE: A821

Effective date: 20110801

A521 Written amendment

Free format text: JAPANESE INTERMEDIATE CODE: A821

Effective date: 20110802

A621 Written request for application examination

Free format text: JAPANESE INTERMEDIATE CODE: A621

Effective date: 20111216

A131 Notification of reasons for refusal

Free format text: JAPANESE INTERMEDIATE CODE: A131

Effective date: 20130604

A521 Written amendment

Free format text: JAPANESE INTERMEDIATE CODE: A523

Effective date: 20130801

RD02 Notification of acceptance of power of attorney

Free format text: JAPANESE INTERMEDIATE CODE: A7422

Effective date: 20130801

RD04 Notification of resignation of power of attorney

Free format text: JAPANESE INTERMEDIATE CODE: A7424

Effective date: 20130821

A01 Written decision to grant a patent or to grant a registration (utility model)

Free format text: JAPANESE INTERMEDIATE CODE: A01

Effective date: 20140225

A045 Written measure of dismissal of application

Free format text: JAPANESE INTERMEDIATE CODE: A045

Effective date: 20140624