JP2010142783A - 電圧出力ドライバー - Google Patents

電圧出力ドライバー Download PDF

Info

Publication number
JP2010142783A
JP2010142783A JP2008325833A JP2008325833A JP2010142783A JP 2010142783 A JP2010142783 A JP 2010142783A JP 2008325833 A JP2008325833 A JP 2008325833A JP 2008325833 A JP2008325833 A JP 2008325833A JP 2010142783 A JP2010142783 A JP 2010142783A
Authority
JP
Japan
Prior art keywords
drive
signal
power supply
waveform
output
Prior art date
Legal status (The legal status is an assumption and is not a legal conclusion. Google has not performed a legal analysis and makes no representation as to the accuracy of the status listed.)
Pending
Application number
JP2008325833A
Other languages
English (en)
Inventor
Hidemasa Maedo
秀巨 前戸
Masafumi Tanabe
雅史 田邉
Tsutomu Shimazaki
努 島崎
Akira Sato
昭 佐藤
Hiromichi Tokuhiro
宏道 徳弘
Yasuyuki Hattori
▲靖▼之 服部
Jun Ishikawa
潤 石川
Current Assignee (The listed assignees may be inaccurate. Google has not performed a legal analysis and makes no representation or warranty as to the accuracy of the list.)
Sanyo Electric Co Ltd
System Solutions Co Ltd
Alps Alpine Co Ltd
Original Assignee
Alps Electric Co Ltd
Sanyo Electric Co Ltd
Sanyo Semiconductor Co Ltd
Priority date (The priority date is an assumption and is not a legal conclusion. Google has not performed a legal analysis and makes no representation as to the accuracy of the date listed.)
Filing date
Publication date
Application filed by Alps Electric Co Ltd, Sanyo Electric Co Ltd, Sanyo Semiconductor Co Ltd filed Critical Alps Electric Co Ltd
Priority to JP2008325833A priority Critical patent/JP2010142783A/ja
Publication of JP2010142783A publication Critical patent/JP2010142783A/ja
Pending legal-status Critical Current

Links

Images

Landscapes

  • Reciprocating Pumps (AREA)
  • Apparatuses For Generation Of Mechanical Vibrations (AREA)
  • General Electrical Machinery Utilizing Piezoelectricity, Electrostriction Or Magnetostriction (AREA)

Abstract

【課題】駆動信号を半波波形とすることで効率的に圧電素子を駆動する。
【解決手段】昇圧回路Lvs,Q3,D1は、低電圧の信号電源を昇圧して、圧電素子の駆動制御信号に応じて決定された高電圧の駆動電源を発生する。駆動波発生手段が前記信号電源を電源として、前記駆動制御信号に応じた振幅を有する圧電素子の駆動波形を発生し、アンプAP1、AP2が駆動波形を増幅し、前記駆動制御信号に応じた振幅であって、圧電素子を駆動する駆動信号を得る。駆動波形発生手段において、駆動波形として、サイン波形の一方側に膨らむ部分をカットして他方側に膨らむ部分のみを残した波形(半波波形)を発生し、これをアンプAP1、AP2に入力することで、圧電素子PZを半波駆動する。
【選択図】図15

Description

本発明は、容量性負荷へ駆動信号を出力する電圧出力ドライバーに関する。
従来、圧電素子を利用したダイヤフラムポンプが提案されている。このポンプは、圧電ポンプと呼ばれ、圧電素子への電圧印加の方向を順次変更することで、圧電素子を往復動作させてダイヤフラムを往復動作させて駆動される。
このような圧電ポンプでは、圧電素子に対する駆動信号を出力する駆動回路が必要であり、ポンプ流量を制御するためには、印加電圧や周期を制御する必要がある。モータの駆動制御には、インバータを用いた駆動電流制御などがあるが、小型のモータの簡易な駆動制御では、印加電圧を制御する駆動電流の振幅制御も広く行われている。
特開平6−109068号公報 特開平8−205563号公報 特開2000−60847号公報
ここで、パーソナルコンピュータでは、CPUなどの部材の冷却のために冷却ファンを有しており、このファンの強度調節のために通常はファンモータへの印加電圧を変更している。圧電ポンプは小型であり、これを用いると、パーソナルコンピュータの内部部材の水冷システムを構成することが現実的に可能と考えられる。この場合、圧電ポンプの吐出量を効果的に制御する圧電ポンプを駆動する高電圧出力を効率的に得る回路が望まれる。特に、電力効率のよい駆動が望まれる。
本発明は、容量性負荷を駆動する電圧出力ドライバーであって、信号電源に基づいて、容量性負荷の駆動制御信号に応じて決定された電圧の駆動電源を発生する電源回路と、前記信号電源を電源として、前記駆動制御信号に応じた振幅を有する容量性負荷の駆動波形であって、位相が互いに180度ずれた一対の駆動波形を発生する駆動波形発生手段と、前記駆動電源を電源として、前記駆動波形を増幅し、前記駆動制御信号に応じた振幅であって、容量性負荷を駆動する駆動信号を得る増幅回路と、を有し、前記駆動波形発生手段は、駆動波形として、サイン波形の一方側に膨らむ部分をカットして他方側に膨らむ部分のみを残した波形として発生することを特徴とする。
また、駆動電源制御信号を一対の駆動波形に対し所定値だけ高い波形として、前記駆動電源電圧を駆動信号に対し所定値高いものに制御することが好適である。
駆動信号を半波形状にすることで、効率的に容量性負荷の駆動が可能となる。
以下、本発明の実施形態について、図面に基づいて説明する。
「圧電ポンプの構成」
圧電素子を利用したダイヤフラムポンプ(圧電ポンプ)の構成について、図1を用いて説明する。ポンプケーシング10内には、周囲がポンプケーシング10内壁に固定され、中央側が上下動するダイヤフラム12が配置され、このダイヤフラム12の一方側にポンプ室14が形成される。ポンプ室14には、流入通路16に接続される流入口18と、流出通路20に接続される流出口22が設けられ、流入通路16と流入口18の間には流入側の逆止弁24,流出通路20と流出口22の間には流出側の逆止弁26が設けられている。
ここで、ダイヤフラム12は、図2に示すように薄い金属板Mの表裏両面に、両面に電極を有する圧電素子PZ1,PZ2を貼り合わせた構造になっている。そして、圧電素子PZ1の上側の電極と、圧電素子PZ2の下側の電極の間に1つの位相の交流電圧(サイン波状の駆動信号)が印加され、圧電素子PZ1,PZ2に挟まれた真ん中の金属板Mに位相が反対の(180度異なる)交流電圧(位相が反対のサイン波状の駆動信号)が印加される。これによって、2つの圧電素子PZ1,PZ2とも印加電圧が大きいときに大きく反ることになり、図1,2に示すように、ダイヤフラム12が周辺部を支点とし真ん中を最大振幅として上下に振動することになる。
流入側の逆止弁24は、ポンプ室14へ流入する方向の流体の流れを許可し、反対の流れを阻止する。一方、流出側の逆止弁26は、ポンプ室14から流出する方向の流体の流れを許可し、反対の流れを阻止する。従って、図1に示すように、ダイヤフラム12の振動に伴うポンプ室14の容積変化に伴い、流入通路16の流体がポンプ室14を介し流出通路20に押し出される。
「駆動信号出力回路」
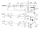
図3には、圧電素子PZへの駆動信号を出力する駆動信号出力回路の構成が示されている。1つの駆動波形(サイン波状の交流波形)であるR側入力信号は、バッファアンプBF1の正入力端に入力される。このバッファアンプBF1は、その出力が負入力端に接続されており、R側入力信号がそのままの波形で出力される。バッファアンプBF1の出力はコンパレータ(エラーアンプ)CP1の正入力端に入力される。このコンパレータCP1の負入力端には、帰還信号が入力されており、両信号の誤差信号がコンパレータCP1の出力に得られる。得られた誤差信号は、高電源電圧で駆動される出力アンプAP1に供給され、この出力アンプAP1の出力が出力端T1に供給される。出力端T1には、圧電素子PZの一方側の電極が接続されているとともに、分圧抵抗R1,R2を介しグランドに接続されている。分圧抵抗R1,R2の中点は、端子T2を介し、コンパレータCP1の負入力端に接続され、出力電圧が分圧された電圧がコンパレータCP1に負帰還される。
従って、コンパレータCP1は、その出力が、帰還信号である分圧抵抗R1,R2の中点電圧がR側入力信号に一致するように動作し、従って出力端T1からの駆動信号ROUTがR側入力信号に応じたものになる。
また、F側入力信号は、R側入力信号と位相が180度異なる信号(相補的な信号)であり、F側入力信号は、バッファアンプBF2、コンパレータCP2、出力アンプAP2を介し、F側入力信号に対応した高電圧の駆動信号となり、出力端T3に供給される。出力端T3は、圧電素子PZの他方側の電極が接続されているとともに、分圧抵抗R3,R4を介しグランドに接続されており、分圧抵抗R3,R4の中点電圧がコンパレータCP2に負帰還されている。従って、出力端T3からの出力である駆動信号FOUTが出力端T1からの駆動信号ROUTと反対の極性の信号となり、圧電素子PZの両面の電極に位相が180度異なる一対の駆動信号ROUT,FOUTが印加されることになる。この圧電素子PZが上述の圧電ポンプのダイヤフラム12を構成しており、ダイヤフラム12が往復移動することになる。なお、上述の圧電ポンプは、2つの圧電素子PZ1,PZ2を有しているが、圧電素子PZがそのうちの1つに該当していても良いし、ダイヤフラム12を1つの圧電素子PZで構成してもよい。
次に、駆動電源制御信号は、コンパレータCP3の正入力端に入力される。コンパレータCP3の負入力端には帰還信号が入力されている。コンパレータCP3の出力は、コンパレータCP4の負入力端に入力される。このコンパレータCP4の正入力端には、予め設定された三角波が供給されている。従って、このコンパレータCP4の出力には、コンパレータCP3の出力の電圧に応じたデューティー比のPWM信号が得られる。すなわち、駆動電源制御信号がフィードバック信号に比べて高ければ、コンパレータCP3の出力電圧が高くなり、デューティー比(Hレベルの期間)が少ないPWM信号がコンパレータCP4から出力される。なお、駆動電源制御信号は、後述するように、圧電素子PZの駆動を制御するための制御電源電圧VCCに基づいて発生される。
コンパレータCP4の出力は、pチャネルトランジスタQ1と、nチャネルトランジスタQ2のゲートに供給される。このトランジスタQ1は、ソースが端子T5に接続され、ドレインがトランジスタQ2のドレインに接続されており、トランジスタQ2のソースはグランドに接続されている。そして、トランジスタQ1,Q2のドレイン同士の接続点は、端子T6に接続されている。
端子T5には、外付けのコイルLvsを介し、外付けのダイオードD1のアノードに接続され、このダイオードD1のカソードは外付けコンデンサC1を介しグランドに接続されている。また、端子T6には、nチャネルトランジスタQ3のゲートが接続され、このトランジスタQ3のドレインがコイルLvsとダイオードD1の接続点に接続され、ソースがグランドに接続されている。
従って、コンパレータCP4からの出力であるPWM信号がHレベルであると、トランジスタQ2がオンし端子T6がLレベルとなりトランジスタQ3はオフ、PWM信号がLレベルであると、トランジスタQ2がオフし端子T6がHレベルとなりトランジスタQ3はオンする。このトランジスタQ3がオンすることで、コイルLvsにエネルギーが蓄積され、トランジスタQ3がオフすることで、コイルLvsに蓄積されたエネルギーに応じてコンデンサC1に充電される。従って、コンパレータCP4からの出力におけるLレベルの期間が長いほど、コンデンサC1への充電量が大きくなり、コンデンサC1からの出力である駆動電源電圧が高くなる。なお、ダイオードD1に並列してトランジスタを設けると、そのスイッチングにより駆動電源電圧を下げることが容易になる。
コンデンサC1の上側(ダイオードD1のカソードに接続される電極)は、端子T7に接続され、この端子T7が出力アンプAP1,AP2へ駆動電源電圧として供給される。また、コンデンサC1の上側は、外付けの分圧抵抗R5,R6を介しグランドに接続されている。分圧抵抗R5,R6の中点は、外付けの抵抗R7、コンデンサC2を介し、端子T8に接続されている。そして、端子T8は、コンパレータCP4の負入力端に接続されている。抵抗R7、コンデンサC2は、ハイパスフィルタを構成しており、これによって駆動電源電圧出力の高周波成分が除去される。さらに、分圧抵抗R5,R6の中点は端子T9に接続されており、この端子T9がコンパレータCP3の負入力端に接続されている。従って、駆動電源電圧を分圧抵抗R5,R6で分圧した電圧が駆動電源制御信号と比較されるフィードバック信号(帰還信号)となり、帰還信号の電圧が駆動電源制御信号の電圧に一致するように、駆動電源電圧が制御される。
このようにして、駆動電源制御信号によって、駆動電源電圧を任意に制御することが可能になる。これによって、端子T1、T3からの出力である、駆動信号ROUT,FOUTの振幅が制御される。なお、後述するように、駆動電源制御信号は、電源電圧VCCとして本ドライバーに外部から供給される。
図4には、駆動信号ROUT,FOUTの状態が示してある。駆動電源電圧出力を下げることによって、ROUT,FOUTの振幅が小さくなる。これによって、圧電素子PZの動きが制御され、圧電ポンプのダイヤフラムの振幅が制御されてポンプの吐出量を制御することができる。
「出力アンプAPの構成」
図5、図6には、出力アンプAPの構成例が示されている。ICOMからは定電流が供給され、これがnチャネルトランジスタQ11のドレインおよびゲートに供給される。トランジスタQ11のソースはグランド(PGND)に接続されている。トランジスタQ11のゲートには、ソースがグランド(PGND)に接続されたnチャネルトランジスタQ12,Q13,Q14のゲートが共通接続されている。従って、トランジスタQ11に対し、トランジスタQ12,Q13,Q14がカレントミラーを構成し、これらトランジスタQ11〜Q14に同一の定電流が流れる。
トランジスタQ12のドレインには、pチャネルトランジスタQ15のドレインが接続されており、このトランジスタQ15のソースは駆動電源VSに接続されている。トランジスタQ15はドレイン・ゲートが短絡されており、このゲートには、ソースがVSに接続されたpチャネルトランジスタQ16,Q17のゲートが接続されている。従って、これらトランジスタQ16,Q17にも、トランジスタQ11に流れるのと同じ定電流が流れる。
トランジスタQ13のドレインは、2つのドレイン・ゲート間が短絡されたpチャネルトランジスタQ18,Q19を介し、駆動電源VSに接続されており、トランジスタQ13とトランジスタQ18のドレインがpチャネルトランジスタQ20のゲートに接続されている。また、トランジスタQ17のドレインは、2つのドレイン・ゲート間が短絡されたnチャネルトランジスタQ21,Q22を介し、外部のグランドに接続されている端子RFに接続されている。トランジスタQ17とトランジスタQ21の接続点は、nチャネルトランジスタQ23のゲートに接続されている。
そして、トランジスタQ20のソースと、トランジスタQ23のドレインは、トランジスタQ16のドレインに共通接続されるとともに、pチャネルトランジスタQ24のゲートに接続されている。また、トランジスタQ20のドレインと、トランジスタQ23のソースは、トランジスタQ14のドレインに共通接続されるとともに、nチャネルトランジスタQ25のゲートに接続されている。また、トランジスタQ20のドレイン、トランジスタQ23のソース、トランジスタQ14のドレイン、nチャネルトランジスタQ25のゲートには、ICTLF端からドライブ電流Idrが供給される。すなわち、このICTLF端がコンパレータCP1(またはコンパレータCP2)の出力に接続されている。
また、トランジスタQ24のソースは駆動電源VSに接続され、ドレインはトランジスタQ25のドレインに接続されるとともに出力端子OUT(T1またはT2)に接続されており、トランジスタQ25のソースは端子RFに接続されている。
このような回路において、トランジスタQ20とトランジスタQ23には、トランジスタQ16に流れる定電流を分割した電流が流れる。また、トランジスタQ19,Q18には、トランジスタQ13に流れる定電流が流れ、トランジスタQ21,Q22には、トランジスタQ17に流れる電流が流れる。従って、通常は、トランジスタQ20,Q23に流れる電流は等しい。
ドライブ電流IdrがトランジスタQ25のゲートに向けて流れる電流Idr+であるとこれによって、図5に示すように、トランジスタQ25がオンし、出力端OUTから電流を引き抜く方向の電流が流れ、出力端OUTはLレベル側に動く。このとき、トランジスタQ20およびトランジスタQ23に流れる電流の和はトランジスタQ14に流れる定電流に等しいため、トランジスタQ24はオフしている。
一方、ドライブ電流IdrがトランジスタQ25のゲートから引き抜く方向に流れる電流Idr-であると、これによって、図6に示すように、トランジスタQ23のドレイン電流が大きくなり、トランジスタQ24がオンし、出力端OUTから電流を吐き出す方向の電流が流れ、出力端OUTはHレベル側に動く。
このようにして、ICTLFに流れる電流に応じて、出力トランジスタQ24,Q25が制御されて、出力端OUTからの出力が制御される。この出力アンプAPは、駆動電源VSからの電力によって出力を得る高耐圧出力部として機能する。従って、図3における出力アンプAP1,AP2として、図5,6に示されるアンプをそれぞれ用意し、コンパレータCP1,CP2の出力をそれぞれのアンプのICTLFに入力することによって、出力端OUTにおいて、駆動信号ROUT,FOUTをそれぞれ得ることができる。
なお、信号系の電源電圧は、例えば、5V程度であり、駆動電源VSは例えば200V程度である。
「VCC連動DACの構成」
従来の装置において、ファン駆動制御用にファンの駆動を制御する制御電源電圧である電源電圧VCCを出力できる回路がすでに用意されている場合がある。この場合には、この電源電圧VCCに応じて、圧電素子PZを制御する信号を発生することが好適である。
図7には、このような場合に好適な構成が示されている。外部から入力されてくる電圧がポンプの駆動要求に従って適宜変更される電源VCCが入力される端子T11は、抵抗R11,R12の直列接続からなる分圧抵抗を介しグランドに接続されている。分圧抵抗R11とR12の中点は、出力が負入力端に短絡されたバッファアンプBF11の正入力端に入力され、この出力がD/Aコンバータ30の電源VDACとなっている。
なお、この例では、リファレンスV1が正入力端に入力され、負入力端に分圧抵抗R11とR12の中点が接続されるとともに、分圧抵抗R11とR12の中点がダイオードD11を介し出力に接続されるコンパレータCP11と、リファレンスV2が正入力端に入力され、負入力端に分圧抵抗R11とR12の中点が接続されるとともに、出力がダイオードD12を介し分圧抵抗R11とR12の中点に接続されるコンパレータCP12と、が設けられている。ダイオードD11は、分圧抵抗R11とR12の中点からコンパレータCP11の出力に向けて流れる電流のみを流し、ダイオードD12は、コンパレータCP11の出力から分圧抵抗R11とR12の中点に向けて流れる電流のみを流す。従って、分圧抵抗R11とR12の中点電圧は、リファレンス電圧V1,V2でクリップされることになる。従って、電源VDACは、電源電圧VCCの変化に伴い、図8に示すように変化することになる。すなわち、電源VDACは、電源電圧VCCが0〜V2(R11+R12)/R12の間はV2、V2(R11+R12)/R12〜V1(R11+R12)/R12の間はV2→V1に直線的に変化し、V1(R11+R12)/R12以上ではV1に固定される。
図9には、D/Aコンバータ30の構成が示されている。電源VDACとグランドの間には、入力デジタル信号のビット数に応じた抵抗が直列接続されている。そして、各抵抗間の接続点には2つのスイッチがそれぞれ対応して設けられており、一方側のR側スイッチ群SWrの抵抗側でない端部が共通接続してR側信号の出力、他側のF側スイッチ群SWfの抵抗側でない端部が共通接続してF側信号の出力になっている。
また、R側、F側スイッチ群を制御するためにカウンタ回路32が設けられている。このカウンタ32は、所定のクロックをアップカウント、ダウンカウントを繰り返す。例えば、512段階のカウント値を0→511→0→511というように順次繰り返し出力する。そして、これらカウンタの出力がR側スイッチ群SWrとF側スイッチ群SWfとで、ちょうど反対の出力が出るように対応付けられている。すなわち、カウンタ32の出力が0のときにR側スイッチ群SWrの出力が0であれば、F側スイッチ群SWfの出力が511となるように設定されている。
従って、R側信号、F側信号が図示のように、1クロックに対し順次変化する相補的なサインカーブになる。そして、電源VDACが変化することで、R側信号、F側信号の振幅が連動して変化する。従って、電源VCCに応じて振幅が変化するR側信号、F側信号がD/Aコンバータ30の出力に得られる。また、D/Aコンバータ30の最大出力が駆動電源制御信号として出力される。
このような図9の出力信号が図3のバッファアンプBF1,BF2、コンパレータCP3に入力される。そして、分圧抵抗R1,R2、R3,R4、R5,R6の比を適切に設定することで、入力されてくるVCCに応じて、圧電ポンプの吐出量を目標値に制御することが可能になる。
なお、図9では、D/Aコンバータ30からR側信号、F側信号をそのまま出力することにした。しかし、R側信号、F側信号は上下対称である。従って、半分(180度分)の出力のみをD/Aコンバータ30から出力し、他の半分については、出力を反転することもできる。これによって、D/Aコンバータ30における抵抗列を半分の規模にすることが可能になる。
「半波駆動について」
このように、本実施形態では、電源電圧VCCに応じて駆動電源制御信号を発生し、昇圧を制御している。ここで、駆動電源電圧は、駆動信号ROUT、FOUTより大きい必要があるが、一定である必要はない。特に、駆動電源電圧が一定であると、図10に示すように、駆動信号との差が大きいときには、その差分をアンプAP1,AP2の上側トランジスタが受け持つことにあり、ここにおける電力消費が大きくなる等問題がある。図10における右下がり斜線領域が、上側トランジスタが消費する領域である。なお、図における右上がりの斜線で示す領域は、下側トランジスタが受け持つ領域である。
そこで、本実施形態では、図11に示すように、駆動信号の波形をサイン波ではなく、上側の山を残し、下側の谷をフラットにした半波波形にする。これによって、上側トランジスタが受け持つ領域は各段に小さくなり、効率的な圧電素子PZの駆動が行える。
また、図3の構成において、駆動電源制御信号を駆動信号の波形に応じて変更することも好適である。例えば、図12に示すように、サイン波状の駆動信号ROUT、FOUTの両方の包絡線より若干高い値の設定されている。これによって、上側トランジスタが受け持つ領域が小さくなるが、駆動信号の谷に当たる部分では、大きな領域が残ることになる。
図13には、駆動信号を図11の場合と同じように半波波形とした例が示されている。これによって、上側トランジスタがかなり小さな領域に限定され、効率的な圧電素子PZの駆動が達成される。
「VCC連動DACによる駆動電源制御信号生成の構成」
図14には、VCCに連動するA/Dコンバータ30を利用して半波波形のR側信号およびF側信号、およびそれに対応した駆動電源制御信号を形成する構成を示してある。この例では、カウンタ回路32のカウント値に応じて、スイッチSWr,SWfが制御され、カウント値の上昇、下降に応じて、R側信号およびF側信号の山が交互に作成され、一方側信号の山が形成されている場合には、他側信号は最低レベルを維持している。このようなスイッチSWr、SWfの制御によって、図示のような半波のR側信号、F側信号を得られる。
また、スイッチSW34は、スイッチSWr、SWfの山を出力するスイッチに対し所定だけ、高い出力を得るスイッチをオンするように制御される。これによってR側信号、F側信号の包絡線に対し、所定値高い駆動電源制御信号を得ることができる。
なお、D/Aコンバータ30の直列抵抗の値をR側信号、F側信号の波形に応じて設定することで、上昇、下降を直線ではなく、目的の波形にしている。本実施形態の場合、半波形状であり、カウント値の低い方に対応する抵抗値が大きくカウント値が高い方に対応する抵抗値が小さい。そこで、カウント値に応じて対応するスイッチを変更していくことで、図示のようなR側信号およびF側信号が得られる。
ここで、図3における抵抗R1(R3):R2(R4)の分圧比と、抵抗R5:R6の分圧比を変更することで、駆動電源電圧を駆動信号より所定値高く設定することができる。すなわち、R1/(R1+R2)に比べ、R5/(R5+R6)を小さくすることで、駆動電源電圧を駆動信号より高く設定することができる。しかし、このように分圧比によって、駆動電源電圧と、駆動信号の電圧の関係を設定すると、駆動電源電圧は、駆動信号のピーク時において差分がより大きなものになる。
そこで、本実施形態においては、駆動電源制御信号をR側信号、F側信号の高い方より所定値だけ高い値として出力する。このようにして得たオフセットされた駆動電圧制御信号により、駆動電源電圧の昇圧を制御することで、抵抗R1(R3):R2(R4)の分圧比と、抵抗R5:R6の分圧比を同一としておき、駆動電源電圧を駆動信号に比べ所定値高いものに制御することができ、かつその差を常に同一の値に設定することが可能になる。
図15には、図3と同様の回路において、半波の駆動電源制御信号、R側信号、F側信号を入力し、半波の駆動信号ROUT、FOUTを得る構成を示してある。このように、出力自体の構成は、図3として半波駆動を行うことができる。
圧電ポンプの構成を示す図である。 圧電ポンプのダイヤフラムの構成を示す図である。 高電圧出力ドライバーの出力部の構成を示す図である。 駆動信号の波形を示す図である。 出力アンプの構成を示す図である。 出力アンプの構成を示す図である。 電源VDACの出力のための構成を示す図である。 電源VDACの電源VCCに対する特性を示す図である。 電源VDACに応じた出力振幅の出力を得るD/Aコンバータの構成を示す図である。 通常駆動の場合の駆動電源電圧、駆動信号、出力電流の波形を示す図である。 半波駆動の場合の駆動電源電圧、駆動信号、出力電流の波形を示す図である。 通常駆動で、駆動電源電圧を駆動信号に応じて変化させた場合の駆動電源電圧、駆動信号、出力電流の波形を示す図である。 半波駆動で、駆動電源電圧を駆動信号に応じて変化させた場合の駆動電源電圧、駆動信号、出力電流の波形を示す図である。 半波の駆動電源制御信号、R側信号、F側信号を作成する回路を示す図である。 半白動の高電圧出力ドライバーの出力部の構成を示す図である。
符号の説明
10 ポンプケーシング、12 ダイヤフラム、14 ポンプ室、16 流入部、18 流入口、20 流出部、22 流出口、24,26 逆止弁、30 コンバータ、32 カウンタ回路、AP1,AP2 出力アンプ、BF1,BF2,BF11 バッファアンプ、C1,C2 コンデンサ、CP1,CP2,CP3,CP4,CP8,CP11,CP12 コンパレータ、CS11〜CS13 定電流源、D1,D11,D12 ダイオード、Q1〜Q2,Q11〜Q25,Q41〜Q54 トランジスタ、R1〜R7,R11,R12,R41〜43 抵抗。

Claims (2)

  1. 容量性負荷を駆動する電圧出力ドライバーであって、
    信号電源に基づいて、容量性負荷の駆動制御信号に応じて決定された電圧の駆動電源を発生する電源回路と、
    前記信号電源を電源として、前記駆動制御信号に応じた振幅を有する容量性負荷の駆動波形であって、位相が互いに180度ずれた一対の駆動波形を発生する駆動波形発生手段と、
    前記駆動電源を電源として、前記駆動波形を増幅し、前記駆動制御信号に応じた振幅であって、容量性負荷を駆動する駆動信号を得る増幅回路と、
    を有し、
    前記駆動波形発生手段は、駆動波形として、サイン波形の一方側に膨らむ部分をカットして他方側に膨らむ部分のみを残した波形として発生することを特徴とする電圧出力ドライバー。
  2. 請求項1に記載の電圧出力ドライバーにおいて、
    駆動電源制御信号を一対の駆動波形に対し所定値だけ高い波形として、前記駆動電源電圧を駆動信号に対し所定値高いものに制御することを特徴とする電圧出力ドライバー。
JP2008325833A 2008-12-22 2008-12-22 電圧出力ドライバー Pending JP2010142783A (ja)

Priority Applications (1)

Application Number Priority Date Filing Date Title
JP2008325833A JP2010142783A (ja) 2008-12-22 2008-12-22 電圧出力ドライバー

Applications Claiming Priority (1)

Application Number Priority Date Filing Date Title
JP2008325833A JP2010142783A (ja) 2008-12-22 2008-12-22 電圧出力ドライバー

Publications (1)

Publication Number Publication Date
JP2010142783A true JP2010142783A (ja) 2010-07-01

Family

ID=42563766

Family Applications (1)

Application Number Title Priority Date Filing Date
JP2008325833A Pending JP2010142783A (ja) 2008-12-22 2008-12-22 電圧出力ドライバー

Country Status (1)

Country Link
JP (1) JP2010142783A (ja)

Cited By (5)

* Cited by examiner, † Cited by third party
Publication number Priority date Publication date Assignee Title
CN103987310A (zh) * 2011-12-09 2014-08-13 欧姆龙健康医疗事业株式会社 电子血压计
JP2017045040A (ja) * 2015-08-26 2017-03-02 株式会社リコー アクチュエータ制御装置、駆動システム、映像機器、画像投影装置およびアクチュエータ制御方法
US9775526B2 (en) 2012-04-19 2017-10-03 Omron Healthcare Co., Ltd. Blood pressure meter and pump driving system
CN111510018A (zh) * 2020-05-20 2020-08-07 矽力杰半导体技术(杭州)有限公司 压电驱动电路和压电驱动方法
US12092094B2 (en) 2017-03-16 2024-09-17 Murata Manufacturing Co., Ltd. Fluid control device and sphygmomanometer

Citations (2)

* Cited by examiner, † Cited by third party
Publication number Priority date Publication date Assignee Title
JPS59204737A (ja) * 1983-05-09 1984-11-20 Kokusai Kikai Shindo Kenkyusho:Kk 加振方法
WO2005080793A1 (ja) * 2004-02-23 2005-09-01 Nec Corporation 圧電ポンプ用駆動回路およびこれを用いた冷却システム

Patent Citations (2)

* Cited by examiner, † Cited by third party
Publication number Priority date Publication date Assignee Title
JPS59204737A (ja) * 1983-05-09 1984-11-20 Kokusai Kikai Shindo Kenkyusho:Kk 加振方法
WO2005080793A1 (ja) * 2004-02-23 2005-09-01 Nec Corporation 圧電ポンプ用駆動回路およびこれを用いた冷却システム

Cited By (8)

* Cited by examiner, † Cited by third party
Publication number Priority date Publication date Assignee Title
CN103987310A (zh) * 2011-12-09 2014-08-13 欧姆龙健康医疗事业株式会社 电子血压计
CN103987310B (zh) * 2011-12-09 2016-05-11 欧姆龙健康医疗事业株式会社 电子血压计
US9775526B2 (en) 2012-04-19 2017-10-03 Omron Healthcare Co., Ltd. Blood pressure meter and pump driving system
JP2017045040A (ja) * 2015-08-26 2017-03-02 株式会社リコー アクチュエータ制御装置、駆動システム、映像機器、画像投影装置およびアクチュエータ制御方法
US12092094B2 (en) 2017-03-16 2024-09-17 Murata Manufacturing Co., Ltd. Fluid control device and sphygmomanometer
CN111510018A (zh) * 2020-05-20 2020-08-07 矽力杰半导体技术(杭州)有限公司 压电驱动电路和压电驱动方法
CN111510018B (zh) * 2020-05-20 2022-05-24 矽力杰半导体技术(杭州)有限公司 压电驱动电路和压电驱动方法
US11985902B2 (en) 2020-05-20 2024-05-14 Silergy Semiconductor Technology Hangzhou Ltd Driving circuit and driving method

Similar Documents

Publication Publication Date Title
KR100972686B1 (ko) 모터 구동 장치 및 이것을 이용한 전기 기기
CN107370340A (zh) 电流检测电路和包括该电流检测电路的 dcdc 转换器
JP2010142783A (ja) 電圧出力ドライバー
JP2013099181A (ja) 駆動回路
JP5192359B2 (ja) 高電圧出力ドライバーおよび圧電ポンプ
JP5408893B2 (ja) モータ駆動回路
JP3126735U (ja) モータ制御回路
US10637356B2 (en) Multiple-level buck boost converter control
JP5028400B2 (ja) 電圧出力ドライバーおよび圧電ポンプ
JP2010081405A (ja) 高電圧出力ドライバーおよび圧電ポンプ
JP2013247574A (ja) Pwm信号生成回路および半導体装置
US9673735B2 (en) Power converter
JP4454328B2 (ja) モータ駆動装置、集積回路、モータ駆動方法
CN101031854A (zh) 多相三角波振荡电路和使用其的切换调节器
JP2010136545A (ja) 高電圧出力ドライバーおよび圧電ポンプ
CN111030653A (zh) Pwm信号发生电路及锯齿波信号发生电路
JP4970153B2 (ja) スイッチング電源装置
JP2010131539A (ja) 高電圧出力ドライバーおよび圧電ポンプ
JP2001326567A (ja) Mosfet駆動回路
Fathoni et al. Design of Brushless DC Motor Driver Based on Bootstrap Circuit
JP2010130734A (ja) 高電圧出力ドライバーおよび圧電ポンプ
JP2011055585A (ja) 高電圧出力ドライバー
JP2010104131A (ja) 高電圧出力ドライバー
JP2010130732A (ja) 出力ドライバー
JP2010104132A (ja) 高電圧出力ドライバー

Legal Events

Date Code Title Description
A621 Written request for application examination

Free format text: JAPANESE INTERMEDIATE CODE: A621

Effective date: 20100921

A521 Written amendment

Free format text: JAPANESE INTERMEDIATE CODE: A523

Effective date: 20101021

A977 Report on retrieval

Free format text: JAPANESE INTERMEDIATE CODE: A971007

Effective date: 20120418

A131 Notification of reasons for refusal

Free format text: JAPANESE INTERMEDIATE CODE: A131

Effective date: 20120424

A02 Decision of refusal

Free format text: JAPANESE INTERMEDIATE CODE: A02

Effective date: 20120828