JP2010098786A - 直接形交流電力変換装置及びその制御方法 - Google Patents

直接形交流電力変換装置及びその制御方法 Download PDF

Info

Publication number
JP2010098786A
JP2010098786A JP2008265195A JP2008265195A JP2010098786A JP 2010098786 A JP2010098786 A JP 2010098786A JP 2008265195 A JP2008265195 A JP 2008265195A JP 2008265195 A JP2008265195 A JP 2008265195A JP 2010098786 A JP2010098786 A JP 2010098786A
Authority
JP
Japan
Prior art keywords
voltage
converter
direct
current
inverter
Prior art date
Legal status (The legal status is an assumption and is not a legal conclusion. Google has not performed a legal analysis and makes no representation as to the accuracy of the status listed.)
Granted
Application number
JP2008265195A
Other languages
English (en)
Other versions
JP5003649B2 (ja
Inventor
Kenichi Sakakibara
憲一 榊原
Current Assignee (The listed assignees may be inaccurate. Google has not performed a legal analysis and makes no representation or warranty as to the accuracy of the list.)
Daikin Industries Ltd
Original Assignee
Daikin Industries Ltd
Priority date (The priority date is an assumption and is not a legal conclusion. Google has not performed a legal analysis and makes no representation as to the accuracy of the date listed.)
Filing date
Publication date
Application filed by Daikin Industries Ltd filed Critical Daikin Industries Ltd
Priority to JP2008265195A priority Critical patent/JP5003649B2/ja
Publication of JP2010098786A publication Critical patent/JP2010098786A/ja
Application granted granted Critical
Publication of JP5003649B2 publication Critical patent/JP5003649B2/ja
Active legal-status Critical Current
Anticipated expiration legal-status Critical

Links

Images

Landscapes

  • Rectifiers (AREA)
  • Inverter Devices (AREA)

Abstract

【課題】コンバータにおける転流を実現するのに必要なゲート駆動電源の数及び電流が流れる経路において導通する素子の数を低減し、更に擬似的ではあるが零電流転流を実現する。
【解決手段】双方向スイッチSr,Ss,Stは、いずれもオン制御されて転流ターンオフ形である。ダイオードブリッジ4の入力端Pr,Ps,Ptには、双方向スイッチSr,Ss,Stを介して入力電流Ir,Is,Itが流れる。これらはダイオードブリッジ4で転流され、一対の直流電源線間Lp,Ln間に整流電流Idcを出力する。インバータ5は直流電源線Lp,Lnの間の電圧Vdcから交流電圧Vu,Vv,Vwを生成する。電圧形インバータ5の零ベクトルに基づく動作の終了前から継続して、双方向スイッチSr,Ss,Stのいずれか二つをターンオンさせるためのトリガを与える。
【選択図】図1

Description

この発明は、いわゆる直接形交流電力変換器において、いわゆる零電流転流を行う技術に関する。
インバータの主回路構成としては、間接形交流電力変換器が一般に用いられている。間接形交流電力変換器では、整流回路によって商用交流を直流に変換し、更に平滑回路を経て電圧形変換器に電力が供給され、当該電圧形変換器から交流出力が得られる。
一方、マトリックスコンバータのように、平滑回路を用いずに交流−交流変換を行う、直接形交流電力変換器も知られている。マトリックスコンバータは、スイッチング素子群における転流を用いることにより、交流−交流変換を行う。
但し、マトリックスコンバータは下掲の特許文献1,2に紹介されているとおり、平滑回路を伴わない直流リンクを介して、仮想的な交流−直流変換器と、仮想的な直流−交流変換器とが結合された構成の動作に基づいて、上記スイッチング素子群の転流を制御することができる。
また、非特許文献1に紹介されているように、平滑回路を伴わない直流リンクを介して、交流−直流変換器と直流−交流変換器とが結合された構成も、マトリックスコンバータの一態様として提案されている。
よって形式上で直流リンクを有しているか否かを問わず、実質的な平滑回路を介することなく交流電力変換を行う回路を、本願では直接形交流電力変換器と称する。
かかる直接形交流電力変換器では、商用周波数による電圧脈動を平滑する大型のコンデンサ、リアクトルが不要となることから、変換器の小型化が期待でき、次世代の電力変換器として近年注目されつつある。
特許文献3では、コンバータとインバータを接続し、当該インバータを零ベクトルに基づいて動作させて、インバータに電流が入力しないときにコンバータを転流させる技術(以下では「零電流転流」とも表現する)が採用された直接形交流電力変換器が紹介されている。またコンバータとインバータとでキャリアを共用できる技術も紹介されている。また、非特許文献2ではコンバータの能動素子の個数を減らした直接形交流電力変換器構成が紹介されている。
Lixiang Wei, Thomas.A Lipo,"A Novel Matrix Converter Topology With Simple Commutation", IEEE IAS 2001, vol.3, 2001, pp1749-1754. Lixiang Wei, Thomas.A Lipo, Ho Chan"Matrix Converter Topology With Reduced Number of Switches", Proc of PESC 2002, vol.1, 2002, pp57-63 特開2004−222338号公報 特開2004−364477号公報 特開2007−312589号公報
図6及び図7は、それぞれ非特許文献2においてFig.5(a)(b)として紹介された、従来の直接形交流電力変換器の構成を示す回路図である。図6及び図7で附加された符号はFig.5(a)(b)で使用されたものを、添字の大きさを変更したものの、そのまま記載している。よってこれらの符号が後述される実施の形態の符号とは、必ずしも整合するものではない。
図6に示された構成では、コンバータは6個のトランジスタSap,Sbp,Scp,San,Sbn,Scn及びダイオード6個で構成されている。そして一つの相についての線電流が電源側から入力される場合、当該電流は二つの素子(トランジスタ一つとダイオード一つ)を流れる。図7に示された構成では、コンバータは3個のトランジスタSa,Sb,Sc及び12個のダイオードで構成されている。一つの相についての線電流が電源側から入力される場合、当該電流は3つの素子(トランジスタ一つとダイオード二つ)を流れる。
よって電力ロスの観点では図6に示された構成の方が、図7に示された構成よりも望ましい。
しかしながら、図6に示された構成では、コンバータにおける転流を実現するのに、その上アームのトランジスタSap,Sbp,Scpのそれぞれを駆動するゲート駆動電源の他、下アームのトランジスタSan,Sbn,Scnを駆動するゲート駆動電源が必要となる。これに対して図7に示された構成ではコンバータにおける転流を実現するのに、3個のトランジスタSa,Sb,Scのそれぞれを駆動するゲート駆動電源で足りる。よってゲート駆動電源の個数の観点からは図7に示された構成の方が、図6に示された構成よりも望ましい。
そこで本願は、コンバータにおける転流を実現するのに必要なゲート駆動電源の数及び電流が流れる経路において導通する素子の数を低減し、更に擬似的ではあるが零電流転流を実現する技術を提供することを目的とする。
この発明にかかる直接形交流電力変換装置の第1の態様は、一対の直流電源線(Lp,Ln)と、コンバータ(8)と、電圧形インバータ(5)とを備える。前記コンバータは、第1乃至第Nの双方向スイッチ(Sr,Ss,St)と、ダイオードブリッジ(4)とを有する。前記第1乃至第Nの双方向スイッチのいずれもが、オン制御されて転流ターンオフ形である。前記ダイオードブリッジは、前記第1乃至第Nの双方向スイッチのそれぞれに接続された第1乃至第Nの入力端(Pr,Ps,Pt)を有し、前記第1乃至第Nの入力端に流れる入力電流(Ir,Is,It)を転流して前記一対の直流電源線間に整流電流(Idc)を出力する。前記電圧形インバータは、空間ベクトル変調を用いたパルス幅変調に基づくスイッチングを行って、前記一対の直流電源線の間の電圧(Vdc)からM相の交流電圧(Vu,Vv,Vw)を生成する。
この発明にかかる直接形交流電力変換装置の第2の態様は、その第1の態様であって、前記双方向スイッチ(Sr,Ss,St)は、フォトトライアック(M2)と、前記フォトトライアックと光結合する発光ダイオード(M3)と、前記フォトトライアックによって駆動されるトライアック(M1)とを有する。
この発明にかかる直接形交流電力変換装置の制御方法の第1の態様は、直接形交流電力変換装置の第1の態様を制御する方法である。そして前記電圧形インバータ(5)の零ベクトル(V0)に基づく動作の終了前から継続して、前記第1乃至第Nの双方向スイッチ(Sr,Ss,St)のいずれか二つをターンオンさせるためのトリガを与える。
この発明にかかる直接形交流電力変換装置の制御方法の第2の態様は、その第1の態様であって、前記電圧形インバータ(5)ではキャリア(C)と信号波との比較によって前記パルス幅変調に基づくスイッチングが行われ、活性化した前記トリガは前記キャリアが極値を採るまで活性化し続ける。
この発明にかかる直接形交流電力変換装置の第1の態様によれば、電圧形インバータが零ベクトルで動作するときには整流電流は実質的には零となる。整流電流が実質的に流れなければ入力電流が実質的に流れず、転流ターンオフ形の第1乃至第Nの双方向スイッチは外部からの制御を必要とせずにターンオフする。よって従来の電流形コンバータと比較して、転流のための回路構成が簡単となり、また電流が流れる経路において導通する素子の数が低減される。
また、双方向スイッチがオンからオフへとスイッチングする時点では殆ど電流が流れていないので、当該スイッチングに伴うロスは小さい。
この発明にかかる直接形交流電力変換装置の第2の態様によれば、双方向スイッチを駆動するための電源を準備する必要がない。
この発明にかかる直接形交流電力変換装置の制御方法の第1の態様によれば、電圧形インバータが零ベクトルから零ベクトル以外の電圧ベクトルへと遷移することを契機として、第1乃至第Nの双方向スイッチには入力電流が流れてターンオンする。よって、零ベクトル以外の電圧ベクトルで動作する期間の最初から整流電流が出力される。
この発明にかかる直接形交流電力変換装置の制御方法の第2の態様によれば、電圧形インバータで零ベクトルが採用される期間における自動的なターンオフを避けて、双方向スイッチがターンオンする。
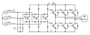
図1は、本発明が適用可能な直接形電力変換器9の構成を示す回路図である。直接形電力変換器9は、コンバータ8とインバータ5と、両者を接続する一対の直流電源線Lp,Lnとを有している。
コンバータ8は電流形整流回路として機能し、交流電源1から得られる三相(ここではR相、S相、T相とする)交流電圧Vr,Vs,Vtを整流し、一対の直流電源線Lp,Lnに対して整流電圧Vdcを出力する。コンバータ8の整流の対象は三相電圧に限定されず、他の多相電圧であってもよい。
コンバータ8は双方向スイッチ群3とダイオードブリッジ4とを有する。双方向スイッチ群3は双方向スイッチSr,Ss,Stで構成される。ダイオードブリッジ4は入力端Pr,Ps,Ptを有し、これらはそれぞれ双方向スイッチSr,Ss,Stの一端に接続される。
双方向スイッチSr,Ss,Stはいずれも外部からのゲート信号でターンオンし、ゲート信号によってターンオフするのではなく、自身に流れる電流が保持電流以下となってターンオフする。つまり双方向スイッチSr,Ss,Stはオン制御され、かつ転流ターンオフ形であり、例えば逆方向に並列に接続された一対のサイリスタ、あるいは双方向サイリスタが採用される。以下、双方向スイッチSr,Ss,Stをそれぞれターンオンさせるゲート信号をSr*,Ss*,St*とする。
図2は双方向サイリスタの特性を模式的に示すグラフである。双方向サイリスタの両端に印加される電圧Vfが大きくても、双方向サイリスタのゲートに供給される電流Igが小さいと、双方向サイリスタに流れる電流Ifは非常に小さい。電流Igが大きい程、小さな電圧Vfでターンオンして電流Ifが急激に流れだす。他方、電流Ifが保持電流Ih1,Ih2以下になれば電圧Vfが大きくてもターンオフする。図2には、電流Igが零であっても電流Ifが保持電流Ih1(又はIh2)以上となる電圧Vfであって最も零に近い値であるブレークアウト電圧VBO1(又はVBO2)も併記した。
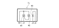
図3は双方向スイッチSr,Ss,Stに採用できる構成を示す回路図である。双方向スイッチSjには端子J1〜J4が設けられる。端子J1,J2の間には第1双方向サイリスタM1と第2双方向サイリスタM2が設けられ、端子J3,J4の間には発光ダイオードM3が設けられる。第1双方向サイリスタM1は第2双方向サイリスタM2によって駆動される。具体的には第1双方向サイリスタM1のターンオンは、第2双方向サイリスタM2がオンすることによって発生する。第2双方向サイリスタM2はフォトサイリスタであり、これに発光ダイオードM3が光結合する。第2双方向サイリスタM2は発光ダイオードM3による光トリガでターンオンする。
よって端子J3から端子J4へと電流を流すことにより、端子J1,J2間がターンオンする。また端子J1,J2間に流れる電流が所定値(双方向サイリスタの保持電流に相当)よりも小さくなれば、端子J1,J2間がターンオフする。
図1に戻って説明を続ける。ダイオードブリッジ4は入力端Pr,Ps,Ptのそれぞれに流れる入力電流Ir,Is,Itを転流し、直流電源線Lp,Ln間に整流電流Idcを出力する。具体的には添字r,s,tを代表して添字jを用い、添字p,nを代表して添字kを用いれば、入力端Pjと直流電源線Lkとの間にダイオードDjkが設けられている。いずれのダイオードDjkのカソードも直流電源線Lp側に、アノードも直流電源線Ln側に、それぞれ配置される。つまりダイオードブリッジ4自体には能動素子は含まれず、自然転流が行われる。
双方向スイッチ群3は三相電源1に接続され、双方向スイッチSr,Ss,Stの他端(ダイオードブリッジ4と反対側)には三相電圧が印加される。双方向スイッチ群3は三相電源1との間には、図示されるように、コンデンサとインダクタで構成されたフィルタ2が介在してもよい。
インバータ5は例えば電圧形インバータであり、直流電源線Lp,Ln間の電圧Vdcを入力し、三相(ここではU相、V相、W相とする)交流電圧Vu,Vv,Vwを出力する。インバータ5の出力は三相電圧に限定されず、他の多相電圧であってもよい。ここではインバータ5は負荷6に対して上記交流電圧を出力する。
インバータ5は瞬時空間ベクトル制御(以下、単に「ベクトル制御」と称す)に従ったパルス幅変調で動作する。
負荷6は例えば誘導性負荷であって、Y結線されて交流電圧Vu,Vv,Vwが印加される三相コイルを有するモータである。回路図上は三相コイルの各々の抵抗成分が、当該コイルに直列接続される抵抗として記載されている。
インバータ5は、直流電源線Lp,Ln間で並列に接続された複数の電流経路を有する。
インバータ5の電流経路のうちU相に対応するものは、直流電源線Lp,Ln間で直列に接続された一対のスイッチング素子Sup,Sunを含む。スイッチング素子Sup,Sun同士の接続点からは出力電圧Vuが得られる。インバータ5の電流経路のうちV相に対応するものは、直流電源線Lp,Ln間で直列に接続された一対のスイッチング素子Svp,Svnを含む。スイッチング素子Svp,Svn同士の接続点からは出力電圧Vv1が得られる。インバータ5の電流経路のうちW相に対応するものは、直流電源線Lp,Ln間で直列に接続された一対のスイッチング素子Swp,Swnを含む。スイッチング素子Swp,Swn同士の接続点からは出力電圧Vwが得られる。
スイッチング素子Sup,Svp,Swpは直流電源線Lp側に接続される。以下ではこれらのスイッチング素子を上アーム側のスイッチング素子として把握する。スイッチング素子Sun,Svn,Swnは直流電源線Ln側に接続される。以下ではこれらのスイッチング素子を下アーム側のスイッチング素子として把握する。
上述のスイッチング素子Sup,Svp,Swp,Sun,Svn,Swn自体の構成は公知であって、例えば非特許文献1にも例示されている。図1ではこれらのスイッチング素子の構成として、IGBT(絶縁ゲート型バイポーラトランジスタ)及び還流ダイオードの並列接続が例示されている。
インバータ5はベクトル制御の下で動作する。スイッチング素子Sup,Svp,Swp,Sun,Svn,Swnは制御信号たるゲート信号Sup*,Svp*,Swp*,Sun*,Svn*,Swn*によってその動作が制御され、これらのゲート信号が論理値“1”/“0”を採るときに対応するスイッチング素子がそれぞれ導通/非導通するとして説明する。いわゆるデッドタイムを除いて考えれば、ゲート信号Sup*,Svp*,Swp*は、ゲート信号Sun*,Svn*,Swn*と相補的な値を採る。即ち添字u,v,wを代表して添字qを用いれば、信号Sqp*,Sqn*の排他的論理和は“1”である。
このようなベクトル制御において採用されるベクトルVx(x=0〜7の整数)の添字xは、4・Sup*+2・Svp*+Swp*で与えられる。例えば上アーム側のスイッチング素子Sup,Svp,Swpが全て非導通であれば下アーム側のスイッチング素子Sun,Svn,Swnの全てが導通する。この場合x=0であり、インバータ5はベクトルV0という零ベクトルの一つの状態にあることになる。
逆に上アーム側のスイッチング素子Sup,Svp,Swpが全て導通すれば下アーム側のスイッチング素子Sun,Svn,Swnの全てが非導通である。この場合x=7であり、インバータ5はベクトルV7という、ベクトルV0とは異なる零ベクトルの状態にあることになる。
図4はゲート信号生成回路6の構成を示すブロック図である。ゲート信号生成回路6はコンバータ制御部60、インバータ制御部61を備えている。
コンバータ制御部60は、電源同期信号として電圧Vrの位相を示す角度θrを入力し、ゲート信号Sr*,Ss*,St*を出力する。
インバータ制御部61は、角度θrと、インバータ4の運転周波数の指令値f*、電圧指令値v*、位相指令値φ*(これらを「インバータ指令値」と総称する)とを入力し、上述のゲート信号Sup*,Svp*,Swp*,Sun*,Svn*,Swn*を出力する。
コンバータ制御部60及びインバータ制御部61の構成には、特許文献3で「制御部3」として示された構成を採用することができる。
コンバータ制御部60は台形状電圧指令生成部601と、中間相検出部602と、比較部603と、キャリア生成部604と、電流形ゲート論理変換部609とを備えている。これらはそれぞれ特許文献3にいう「台形状電圧指令信号生成部11」、「中間相検出部14」、「比較部12」、「キャリア信号生成部15」、「電流形ゲート論理変換部13」と同じ機能を果たす。
台形状電圧指令生成部601は、角度θrに基づき、電圧Vrを基準としてコンバータ8の電圧指令Vr*,Vs*、Vt*を生成する。これらの電圧指令はいずれも360度周期で台形波状の波形を呈し、相互に120度の位相でずれる。当該台形波状の波形は、120度で連続する平坦区間の一対と、これら一対の平坦区間をつなぐ60度の傾斜領域の一対を有する台形波を呈する。傾斜領域は、例えばその中央を位相の基準に採り、当該波形の最小値、最大値(これらは平坦区間で現れる)をそれぞれ値0,1として、(1−√3tanθ)/2あるいは(1+√3tanθ)/2として表される。かかる傾斜領域の求め方及びその利点は特許文献3に紹介されており、かつ本願とは直接の関連は無いため、詳細は省略する。
中間相検出部602は電圧指令Vr*,Vs*,Vt*のうち、最大値を採る最大相でもなく、最小値を採る最小相でもない、換言すれば傾斜領域を呈するものを選択する。コンバータ8は電流形整流器であるので、原則的には最大相に対応する上アーム側ダイオードと、最小相に対応する下アーム側ダイオードに電流が流れ、中間相に対応する上アーム側ダイオードと下アーム側ダイオードとに交互に電流が流れて動作する。
例えば電圧指令Vr*,Vt*がそれぞれ最大値及び最小値を呈する平坦区間を採り、電圧指令Vs*が傾斜領域を採る場合を想定する。なお、以下では特に断らない限り、直接形電力変換器9及びゲート信号生成回路6はかかる状況で動作している場合を想定する。電圧指令Vr*,Vs*,Vt*は位相のずれを除けば同一の波形を呈するので、このような想定を行っても、一般性を失わない。
このような場合、中間相検出部602は電圧指令Vs*を選択する。そして値Vr*−Vs*(=1−Vs*)と値Vs*−Vt*(=Vs*)の比が、ダイオードDrpが導通する期間とダイオードDspが導通する期間の比となる。即ちコンバータ8のS相についての通流比は、中間相検出部602が選択した電圧指令Vs*によって決定される。ダイオードDrpが導通する期間とダイオードDspが導通する期間との比を、drt:dst(drt+dst=1)で表すことにする。中間相検出部602は値drt,dstを出力する。
キャリア生成部604は電圧指令Vr*,Vs*,Vt*の最小値及び最大値(上述の例では、それぞれ0,1)を採るキャリアCを出力する。例えばキャリアCは三角波である。
比較器603は電圧指令Vr*,Vs*,Vt*とキャリアCとを比較する。この比較結果及び後述する半周期選択回路608の出力に基づいて、電流形信号論理変換部609がゲート信号Sr*,Ss*,St*を出力する。
インバータ制御部61は変調波形生成部611、演算部612,613、比較部614,615、論理和演算部619を備える。これらはそれぞれ特許文献3にいう「出力電圧指令信号生成部21」、「演算部22,23」、「比較部24」、「論理和演算部25」と同じ機能を果たす。
変調波形生成部611は第1指令値と角度θrとに基づいて相電圧指令Vu*,Vv*,Vw*を出力する。これらは出力電圧Vu,Vv,Vwの指令値である。
演算部612,613は相電圧指令Vu*,Vv*,Vw*に対して値drt,dstに基づいて、キャリアと比較されるべき信号波を生成する。当該信号波の生成については後に概説する。
比較部614は演算部612の結果をキャリアCと比較し、比較部615は演算部613の結果をキャリアCと比較する。これらの比較結果に基づいて、論理和演算部619がゲート信号Sup*,Svp*,Swp*,Sun*,Svn*,Swn*を出力する。
図5はゲート信号Sr*,Ss*,St*,Sup*,Svp*,Swp*の生成を説明するグラフである。簡単のためにデッドタイムを無視すると、ゲート信号Sun*,Svn*,Swn*はゲート信号Sup*,Svp*,Swp*と相補的に求められるので、ここでは示していない。
キャリアCの一周期tsは転流比を示す値dst,drtで内分されて期間dst・tsと期間dst・tsとに区分される。その区分されるタイミングでコンバータ8の転流が行われる。上述のようにキャリアCの最小値及び最大値をそれぞれ0,1とし、dst+drt=1としているので、コンバータ8の転流は具体的には、キャリアCが値drtを採るタイミングで行われる。
コンバータ8の転流は実際には双方向スイッチSr,Ss,Stのスイッチングで行われる。そして転流動作のうち、ターンオンはゲート信号Sr*,Ss*,St*が活性化しなければ発生しない。よって零電流転流を実現するためには、ゲート信号Sr*,Ss*,St*の活性化するタイミングを含む期間においてインバータ5が零ベクトルV0,V7を採ることが要求される。換言すればキャリアCが値drtを採るタイミングを含む期間においてインバータ5が零ベクトルV0,V7を採ることが要求される。
より正確には、インバータ5の零ベクトルV0に基づく動作の終了前から継続して、双方向スイッチSr,Ss,Stのいずれか二つをターンオンさせるためのトリガとしてゲート信号Sr*,Ss*,St*を活性化させる。インバータ5がこのような動作を行うべく、後述するような信号波とキャリアCとの比較が行われる。
他方、ターンオフは自身に流れる電流が保持電流以下となって発生するため、擬似的ではあるが零電流転流が実現される。つまり、キャリアCが値drtを採るタイミングにおいてインバータ5が零ベクトルV0,V7を採れば、零電流転流のうちのターンオフも自ずと実現される。
厳密には、保持電流以下の電流が流れている時点でターンオフするため、零電流転流ではない。しかし保持電流は一般に小さく、換言すれば双方向スイッチSr,Ss,Stがオンからオフへとスイッチングする時点では殆ど電流が流れていない。よって当該スイッチングに伴うロスは小さい。
図5ではキャリアCが値drtを採るタイミングにおいてインバータ5が零ベクトルV0を採用する場合が例示されている。通常、インバータ5における電圧ベクトルの遷移は、三相のうちのいずれか一つの相において上アーム側スイッチング素子Sqpと下アーム側スイッチング素子Sqnとの導通/非導通が切り替わることによって行われる。
今、零ベクトルV7は採用されないので、W相の上アーム側スイッチング素子Swpが非導通であるとすると、零ベクトルV0以外で取り得る電圧ベクトルはV2,V4,V6のいずれかである。電圧ベクトルV2,V4の間の遷移は、一つの相において上アーム側スイッチング素子Sqpと下アーム側スイッチング素子Sqnとの導通/非導通が切り替わることによって実現することができない。よってここでは電圧ベクトルは零ベクトルV0の他、電圧ベクトルV4,V6が採用される場合が例示されている。
もちろん、電圧ベクトルとしてV0,V2,V6を採用するパターンであってもよい。インバータ5がこれらの電圧ベクトルのパターンのいずれを取り得るかは、出力電圧指令Vu*,Vv*,Vw*の大小関係に依存する。簡単のため、以下では出力電圧指令Vu*,Vv*,Vw*の大小関係は変動しない期間を考える。
上述のように電圧ベクトルV0,V4,V6を採用するパターンでは、電圧ベクトルV0→V4→V6→V4→V0と遷移する。これらの電圧ベクトルV0,V4,V6のそれぞれがキャリアCの一周期において採用される期間をd0:d4:d6(但しd0+d4+d6=1)とする。
電圧ベクトルV0,V4,V6が採用される期間を期間dst・ts,drt・tsで按分し、かつキャリアCが値drtを採るタイミングが電圧ベクトルV0に含まれるべく、信号波として次の値が採用される:drt+dst,drt+dst(d0+d4),drt+dst・d0,drt,drt(1−d0),drt(1−d0−d4)。
電圧ベクトルV0,V4,V6がそれぞれ値d0,d4,d6に対応するため、演算部612,613において行われる値drt,dstと相電圧指令Vu*,Vv*,Vw*とに基づいた演算は、それぞれdrt+dst・V*,drt(1−V*)で代表的に示されている。ここで符号V*は電圧ベクトルを代表的に示している。
電圧ベクトルV0が採用される期間ではゲート信号Sup*,Svp*,Swp*のいずれもが活性化せず、電圧ベクトルV4が採用される期間ではゲート信号Sup*が活性化してゲート信号Svp*,Swp*は活性化せず、電圧ベクトルV6が採用される期間ではゲート信号Sup*,Svp*が活性化してゲート信号Swp*は活性化しない。よって電圧ベクトルV0,V4,V6を採用するパターンでは、相電圧指令Vu*,Vv*,Vw*はそれぞれ値1−d0,1−d0−d4(=d6),0に選定される。
そしてキャリアCの値をC0とすると、drt+dst・d0≦C0≦drt+dst=1及び0≦C0≦drt(1−d0)のいずれかが満足されるときにゲート信号Sup*が活性化し、drt+dst(d0+d4)≦C0≦drt+dst=1及び0≦C0≦drt(1−d0−d4)のいずれかが満足されるときにゲート信号Svp*が活性化する。そしてゲート信号Swp*は非活性のままである。これにより、電圧ベクトルV0,V4,V6のそれぞれがキャリアCの一周期において採用される期間の比がd0:d4:d6となる。
キャリアCが値drt(1−d0)〜drt〜drt+dst・d0を採る間においてはインバータ5は零ベクトルV0に基づいて動作する。よって零ベクトルV0に基づく動作の終了前に、双方向スイッチSr,Ss,Stのいずれか二つをターンオンさせるためのトリガが双方向スイッチSr,Ss,Stに与えられる。
上述のように電圧指令Vr*,Vt*がそれぞれ最大値及び最小値を呈する平坦区間を採り、電圧指令Vs*が傾斜領域を採る場合を想定するので、双方向スイッチStは転流の有無に拘わらずに導通し、双方向スイッチSs,Stは交互に導通する。キャリアCの一周期tsをダイオードDrpが導通する期間とダイオードDspが導通する期間との比drt:dstで内分して、二つの期間drt・ts,dst・tsが規定される。
期間drt・tsではダイオードDrpが導通すべく双方向スイッチSrを導通させ、期間dst・tsではダイオードDspが導通すべく双方向スイッチSsを導通させる。但し、ゲート信号Sr*,Ss*は、それぞれ期間drt・ts,dst・tsの開始時から、それぞれの期間の半分以上活性化することが望ましい。
例えばゲート信号Sr*が活性化する期間が、期間drt・tsの開始時から当該期間の半分未満しか活性化しなければ、双方向スイッチSrがターンオンしない可能性がある。零ベクトルV0が期間drt・tsの開始時からdrt・ts/2未満の期間まで採用される可能性があり、零ベクトルV0が採用される期間では電流Idcが流れないからである。つまりゲート信号Sr*,Ss*は、それぞれ期間drt・ts,dst・tsの開始時から、それぞれの期間の半分以上活性化することで、インバータ5で零ベクトルV0が採用される期間における自動的なターンオフを避けて、双方向スイッチSr,Ss,Stがターンオンする。
半周期選択部608は値drt,dstとキャリアCとを入力し、期間drt・ts/2,dst・ts/2とを電流形ゲート論理変換部609へ出力する。但し値drt,dstのいずれか一方は他方から容易に求まり、通常、キャリアCの周期tsは一定に設定される。よって半周期選択部608には値drt(あるいは値dst)を入力し、キャリアCの周期tsはあらかじめ記憶させておくこともできる。
電流形ゲート論理変換部609は、比較器603においてキャリアCが値drt未満から値drtに達した時にゲート信号Ss*の活性化を開始し、少なくとも期間dst・ts/2以上で当該活性化を維持する。また比較器603においてキャリアCが値drt以上から値drt未満となった時にゲート信号Sr*の活性化を開始し、少なくとも期間drt・ts/2以上で当該活性化を維持する。
ここで例示されている状況、すなわち電圧指令Vr*,Vt*がそれぞれ最大値及び最小値を呈する平坦区間を採る場合、ゲート信号St*はキャリアCの値に依存せずに活性化してもよい。あるいはゲート信号St*はゲート信号Sr*,Ss*の論理和として求めてもよい。電流Ir,Isのいずれか一方が流れていれば電流Itは流れるので、双方向スイッチStがターンオフしない。
より簡単には半周期選択部608はキャリアCのみを入力してもよい。そしてゲート信号Sr*,Ss*のいずれであってもキャリアCの値が極値(ピークもしくはバレー)を採るまではこれらを活性させ続ける。これにより、上述のようなゲート信号Sr*,Ss*,St*をより簡易に生成することができる。
つまり双方向スイッチSr,Ss,Stをターンオンさせるトリガは、インバータ5の零ベクトルV0に基づく動作の終了前からターンオンし、インバータ5のパルス幅制御で用いられるキャリアCが極値を採るまで、活性化し続けることが望ましい。
なお、零ベクトルV7をも採用するパターンでは、電圧ベクトルV0→V4→V6→V7→V6→V4→V0と遷移する。このようなパターンでは、期間drt・ts,dst・tsのいずれにおいても、これらの期間内に零ベクトルV7が採用される。但しこれらの期間内において零ベクトルV7が採用されることにより、電流Idcが流れず、双方向スイッチSr,Ssがターンオフしてしまう。よってコンバータ8が転流するタイミングを含まない期間でインバータ5が零ベクトルを採用することは望ましくない。
図5では電流Ir,Is,It,Idcの絶対値を示している。これらを示すグラフにおいてハッチングが示された領域は、インバータ5に電流が流れないために、電流が流れない領域を示している。
このように、コンバータ8の動作(より正確には双方向スイッチSr,Ss,Stのそれぞれのターンオン)を制御するゲート信号Sr*,Ss*,St*を求めるに際して、台形波状の電圧指令Vr*,Vs*,Vt*とキャリアCとを比較する。そしてインバータ5を制御するゲート信号Sup*,Svp*,Swp*,Sun*,Svn*,Swn*を生成するに際しては、値drt,dstをインバータ5の相電圧指令との演算結果をキャリアCと比較する。
これによりコンバータ8の転流をインバータ5の零ベクトルの期間において行いつつ(すなわち零電流転流を行いつつ)、直接変換を行うことができる。そしてコンバータ8において電流が流れる経路において導通する素子は(添字r,s,tを代表して添字jを用いて)一相あたり双方向スイッチSjのうちのいずれか一つと、ダイオードDjkのうちのいずれか一つの二つとなる。しかも、双方向スイッチSjを駆動するための電源は相数分で足りる。よって図6、図7に示された従来の電流形コンバータと比較して、転流のための回路構成が簡単となり、また電流が流れる経路において導通する素子の数が低減される。
更に、図3に示された構成を双方向スイッチSjとして採用することにより、双方向スイッチSjを駆動するための電源を準備する必要はない。端子J3,J4間に流す電流は小さくて足りるので、ゲート信号Sr*,Ss*,St*をそのまま採用できるからである。
本発明が適用可能な直接形電力変換器の構成を示す回路図である。 双方向サイリスタの特性を模式的に示すグラフである。 双方向スイッチの構成を示す回路図である。 ゲート信号生成回路の構成を示すブロック図である。 ゲート信号の生成を説明するグラフである。 従来の直接形交流電力変換器の構成を示す回路図である。 従来の直接形交流電力変換器の構成を示す回路図である。
符号の説明
4 ダイオードブリッジ
5 インバータ
8 コンバータ
9 直接形交流電力変換装置
C キャリア
Idc 整流電流
Ir,Is,It 入力電流
Lp,Ln 直流電源線
Pr,Ps,Pt 入力端
Sr,Ss,St 双方向スイッチ
Vdc 電圧
Vu,Vv,Vw 交流電圧

Claims (4)

  1. 一対の直流電源線(Lp,Ln)と、
    いずれもが、オン制御されて転流ターンオフ形である、第1乃至第Nの双方向スイッチ(Sr,Ss,St)と、前記第1乃至第Nの双方向スイッチのそれぞれに接続された第1乃至第Nの入力端(Pr,Ps,Pt)を有し、前記第1乃至第Nの入力端に流れる入力電流(Ir,Is,It)を転流して前記一対の直流電源線間に整流電流(Idc)を出力するダイオードブリッジ(4)とを有するコンバータ(8)と、
    空間ベクトル変調を用いたパルス幅変調に基づくスイッチングを行って、前記一対の直流電源線の間の電圧(Vdc)からM相の交流電圧(Vu,Vv,Vw)を生成する電圧形インバータ(5)と
    を備える直接形交流電力変換装置(9)。
  2. 前記双方向スイッチ(Sr,Ss,St)は、フォトトライアック(M2)と、前記フォトトライアックと光結合する発光ダイオード(M3)と、前記フォトトライアックによって駆動されるトライアック(M1)とを有する、請求項1記載の直接形交流電力変換装置。
  3. 請求項1記載の直接形交流電力変換装置を制御する方法であって、
    前記電圧形インバータ(5)の零ベクトル(V0)に基づく動作の終了前から継続して、前記第1乃至第Nの双方向スイッチ(Sr,Ss,St)のいずれか二つをターンオンさせるためのトリガを与える、直接形交流電力変換装置の制御方法。
  4. 前記電圧形インバータ(5)ではキャリア(C)と信号波との比較によって前記パルス幅変調に基づくスイッチングが行われ、
    活性化した前記トリガは前記キャリアが極値を採るまで活性化し続ける、請求項3記載の直接形交流電力変換装置の制御方法。
JP2008265195A 2008-10-14 2008-10-14 直接形交流電力変換装置及びその制御方法 Active JP5003649B2 (ja)

Priority Applications (1)

Application Number Priority Date Filing Date Title
JP2008265195A JP5003649B2 (ja) 2008-10-14 2008-10-14 直接形交流電力変換装置及びその制御方法

Applications Claiming Priority (1)

Application Number Priority Date Filing Date Title
JP2008265195A JP5003649B2 (ja) 2008-10-14 2008-10-14 直接形交流電力変換装置及びその制御方法

Publications (2)

Publication Number Publication Date
JP2010098786A true JP2010098786A (ja) 2010-04-30
JP5003649B2 JP5003649B2 (ja) 2012-08-15

Family

ID=42260073

Family Applications (1)

Application Number Title Priority Date Filing Date
JP2008265195A Active JP5003649B2 (ja) 2008-10-14 2008-10-14 直接形交流電力変換装置及びその制御方法

Country Status (1)

Country Link
JP (1) JP5003649B2 (ja)

Cited By (2)

* Cited by examiner, † Cited by third party
Publication number Priority date Publication date Assignee Title
CN106169882A (zh) * 2016-08-04 2016-11-30 中国船舶重工集团公司第七〇九研究所 一种基于pr内环控制的组合式三相逆变电源
CN114553013A (zh) * 2022-01-21 2022-05-27 东北电力大学 基于单相变压器级联的三相变n相交流直接式交交变换器

Citations (3)

* Cited by examiner, † Cited by third party
Publication number Priority date Publication date Assignee Title
JPH07312870A (ja) * 1994-05-16 1995-11-28 Cosel Usa Inc 電源回路
JP2008061327A (ja) * 2006-08-30 2008-03-13 Daikin Ind Ltd 電流制御形電力変換装置
JP2008245463A (ja) * 2007-03-28 2008-10-09 Daikin Ind Ltd 主回路モジュール

Patent Citations (3)

* Cited by examiner, † Cited by third party
Publication number Priority date Publication date Assignee Title
JPH07312870A (ja) * 1994-05-16 1995-11-28 Cosel Usa Inc 電源回路
JP2008061327A (ja) * 2006-08-30 2008-03-13 Daikin Ind Ltd 電流制御形電力変換装置
JP2008245463A (ja) * 2007-03-28 2008-10-09 Daikin Ind Ltd 主回路モジュール

Cited By (3)

* Cited by examiner, † Cited by third party
Publication number Priority date Publication date Assignee Title
CN106169882A (zh) * 2016-08-04 2016-11-30 中国船舶重工集团公司第七〇九研究所 一种基于pr内环控制的组合式三相逆变电源
CN106169882B (zh) * 2016-08-04 2018-05-11 中国船舶重工集团公司第七一九研究所 一种基于pr内环控制的组合式三相逆变电源
CN114553013A (zh) * 2022-01-21 2022-05-27 东北电力大学 基于单相变压器级联的三相变n相交流直接式交交变换器

Also Published As

Publication number Publication date
JP5003649B2 (ja) 2012-08-15

Similar Documents

Publication Publication Date Title
JP5299555B2 (ja) 電力変換制御装置
US7701740B2 (en) Apparatus for three phase PWM cycloconverter
US9912279B2 (en) Circuit with current sharing alternately switched parallel transistors
WO2009075366A1 (ja) ソフトスイッチング電力変換装置
JP2014079145A (ja) 双方向dc/dcコンバータ
JP5360125B2 (ja) 直列多重電力変換装置
US8283880B2 (en) Motor drive device with function of switching to power regenerative operation mode
JP6107860B2 (ja) インバータの制御装置
WO2015142324A1 (en) Hybrid three-level npc thyristor converter with chain-link strings as inner ac switches
JP2008172925A (ja) マトリックスコンバータのバックアップ運転装置
Martin et al. Medium frequency transformer for railway traction: Soft switching converter with high voltage semi-conductors
JP4759673B2 (ja) マルチレベルコンバータ及びその制御方法
JP5003649B2 (ja) 直接形交流電力変換装置及びその制御方法
US8976553B2 (en) Power conversion device
JP4423950B2 (ja) 交流交流直接変換器の制御装置
KR20150025347A (ko) 듀얼 구조의 파워 셀을 구비하는 인버터
JP7149770B2 (ja) 電力変換装置及び、これを用いたインバータ装置
CN1488188B (zh) 一种波形变换方法及其装置
JPH11252992A (ja) 電力変換装置
WO2007069314A1 (ja) 電力変換装置
KR20160146363A (ko) 다상 인버터 장치의 선간전압 오차 보상방법
JP4600731B2 (ja) 交流交流直接変換装置の制御装置
WO2016158804A1 (ja) 直流/交流系統連系装置及び交流/交流系統連系装置
JP7794347B1 (ja) 電力変換装置、制御装置、制御方法
Yalla et al. A new three phase 5L-UIPFC with reduced part count for high speed gen-set applications

Legal Events

Date Code Title Description
A621 Written request for application examination

Free format text: JAPANESE INTERMEDIATE CODE: A621

Effective date: 20100326

A977 Report on retrieval

Free format text: JAPANESE INTERMEDIATE CODE: A971007

Effective date: 20120215

A131 Notification of reasons for refusal

Free format text: JAPANESE INTERMEDIATE CODE: A131

Effective date: 20120221

TRDD Decision of grant or rejection written
A01 Written decision to grant a patent or to grant a registration (utility model)

Free format text: JAPANESE INTERMEDIATE CODE: A01

Effective date: 20120424

A01 Written decision to grant a patent or to grant a registration (utility model)

Free format text: JAPANESE INTERMEDIATE CODE: A01

A61 First payment of annual fees (during grant procedure)

Free format text: JAPANESE INTERMEDIATE CODE: A61

Effective date: 20120507

FPAY Renewal fee payment (event date is renewal date of database)

Free format text: PAYMENT UNTIL: 20150601

Year of fee payment: 3

R151 Written notification of patent or utility model registration

Ref document number: 5003649

Country of ref document: JP

Free format text: JAPANESE INTERMEDIATE CODE: R151

FPAY Renewal fee payment (event date is renewal date of database)

Free format text: PAYMENT UNTIL: 20150601

Year of fee payment: 3