JP2010050108A - イオンビーム測定方法 - Google Patents

イオンビーム測定方法 Download PDF

Info

Publication number
JP2010050108A
JP2010050108A JP2009273353A JP2009273353A JP2010050108A JP 2010050108 A JP2010050108 A JP 2010050108A JP 2009273353 A JP2009273353 A JP 2009273353A JP 2009273353 A JP2009273353 A JP 2009273353A JP 2010050108 A JP2010050108 A JP 2010050108A
Authority
JP
Japan
Prior art keywords
ion beam
monitor
ion
mask plate
detectors
Prior art date
Legal status (The legal status is an assumption and is not a legal conclusion. Google has not performed a legal analysis and makes no representation as to the accuracy of the status listed.)
Granted
Application number
JP2009273353A
Other languages
English (en)
Other versions
JP5311140B2 (ja
Inventor
Tadashi Ikejiri
忠司 池尻
Iko Cho
維江 趙
Kohei Tanaka
浩平 田中
Current Assignee (The listed assignees may be inaccurate. Google has not performed a legal analysis and makes no representation or warranty as to the accuracy of the list.)
Nissin Ion Equipment Co Ltd
Original Assignee
Nissin Ion Equipment Co Ltd
Priority date (The priority date is an assumption and is not a legal conclusion. Google has not performed a legal analysis and makes no representation as to the accuracy of the date listed.)
Filing date
Publication date
Application filed by Nissin Ion Equipment Co Ltd filed Critical Nissin Ion Equipment Co Ltd
Priority to JP2009273353A priority Critical patent/JP5311140B2/ja
Publication of JP2010050108A publication Critical patent/JP2010050108A/ja
Application granted granted Critical
Publication of JP5311140B2 publication Critical patent/JP5311140B2/ja
Active legal-status Critical Current
Anticipated expiration legal-status Critical

Links

Images

Landscapes

  • Measurement Of Radiation (AREA)
  • Electron Sources, Ion Sources (AREA)

Abstract

【課題】 リボン状のイオンビームのX方向およびY方向における発散角を簡単な方法で測定する測定方法を提供する。
【解決手段】 このイオンビーム測定方法は、イオンビーム2の一部を通過させる小孔62を有するマスク板60と、その下流側に設けられていて、前記小孔を通過したイオンビームを受けてそのビーム電流をそれぞれ検出する複数のビーム検出器12をX方向に有していて、Y方向に可動のビームモニタ10とを用いる。そして当該ビームモニタ10をY方向に移動させることによって、小孔62を通過したイオンビームのX方向およびY方向における中心位置x3 、y3 をそれぞれ測定し、その中心位置x3 、y3 とそれに対応する小孔62間のX方向およびY方向における距離L4 、L5 ならびにマスク板60とビームモニタ10間のZ方向における距離L3 に基づいて、小孔62を通過したイオンビームのX方向およびY方向における発散角αX 、αY をそれぞれ測定する。
【選択図】 図7

Description

この発明は、例えばイオン注入装置等において、リボン状(これはシート状または帯状とも呼ばれる)をしているイオンビームの進行角、発散角等を測定するイオンビーム測定方法に関する。
電気的に平行走査されるイオンビームの走査方向(特許文献1ではX方向)における平行度を、イオンビームの上流側および下流側に設けられた二つの多点ビームモニタを用いて測定する測定方法が、特許文献1に記載されている。この平行度は、走査方向において、イオンビームの設計上の進行方向(即ち、本来進むべき進行方向。以下同様)に対する角度(即ち進行角)のことである。これは、後述するリボン状のイオンビームのY方向における進行角に相当する。
特許第2969788号公報(第8欄、第4図)
上記測定方法は、イオンビームの走査方向における進行角の測定方法であり、走査方向と実質的に直交する方向の進行角については、特許文献1では何も問題にしておらず、従ってその進行角の測定方法についても何も記載されていない。
しかし、イオンビームの設計上の進行方向をZ方向とし、Z方向と実質的に直交する面内において互いに実質的に直交する2方向をX方向およびY方向とすると、X方向の寸法よりもY方向の寸法が大きいリボン状をしているイオンビームについては、そのX方向(短手方向)における進行角が、Y方向(長手方向)においてばらついていると、当該イオンビームを用いて例えば半導体基板にイオン注入を行う場合等に、不都合を生じる可能性がある。
例えば、上記のようなリボン状のイオンビームと、半導体基板を当該リボン状のイオンビームの主面と交差する方向に機械的に走査することとを併用して、半導体基板にイオンビームを照射してイオン注入を行う場合に、イオンビームのX方向における進行角がY方向においてばらついていると、半導体基板に対して均一なイオン注入を行うことが難しくなる。特に近年は、半導体基板の表面に形成される半導体デバイスの微細化が進んでいるので、上記進行角のばらつきの悪影響は大きい。
上記進行角は、イオンビーム全体の言わば巨視的な進行方向を表すものであるが、その測定以外に、イオンビームの発散角を測定することも重要である。イオンビームの発散角は、イオンビーム内の小さな領域におけるイオンビームの言わば微視的な進行方向(広がり方)を表すものである。そこでこの発明は、イオンビームのX方向およびY方向における発散角の測定を簡単な方法で行うことができる測定方法を提供することを主たる目的としている。
この発明に係るイオンビーム測定方法は、イオンビームの設計上の進行方向をZ方向とし、Z方向と実質的に直交する面内において互いに実質的に直交する2方向をX方向およびY方向とすると、X方向の寸法よりもY方向の寸法が大きいリボン状のイオンビーム(2)についての測定方法であって、前記リボン状のイオンビーム(2)の一部を通過させる小孔(62)をY方向に1以上有するマスク板(60)と、このマスク板(60)の下流側に設けられていて、前記小孔(62)を通過したイオンビーム(2a)を受けてそのビーム電流をそれぞれ検出する複数のビーム検出器(12)をX方向に有していて、Y方向に可動のビームモニタ(10)とを用いて、当該ビームモニタ(10)をY方向に移動させることによって、前記各小孔(62)を通過したイオンビーム(2a)のX方向およびY方向における中心位置(x3 、y3 )をそれぞれ測定し、当該測定したX方向およびY方向における中心位置(x3 、y3 )とそれに対応する前記小孔(62)間のX方向およびY方向における距離(L4 、L5 )ならびに前記マスク板(60)とビームモニタ(10)間のZ方向における距離(L3 )に基づいて、前記各小孔(62)を通過したイオンビーム(2a)のX方向およびY方向における発散角(αX 、αY )をそれぞれ測定することを特徴としている。
請求項1に記載の発明によれば、上記のようなX方向に多点でしかもY方向に可動のビームモニタを用いるので、簡単な方法で、マスク板の小孔の位置におけるイオンビームのX方向およびY方向の発散角を測定することができる。
請求項2に記載の発明によれば次の更なる効果を奏する。即ち、マスク板の各小孔を通過したイオンビームについて、イオンビームのX方向およびY方向における発散角を測定することができる。その結果、リボン状のイオンビームのY方向における複数の位置において、イオンビームのX方向およびY方向における発散角を測定することができる。
請求項3に記載の発明によれば次の更なる効果を奏する。即ち、ビームモニタは、複数のビーム検出器を千鳥状に配置した構成をしているので、複数のビーム検出器をX方向により高密度で配置することが可能であり、従ってX方向における測定の分解能をより高めることができる。
リボン状のイオンビームの一例を部分的に示す斜視図である。 イオンビーム測定方法の一例を説明するための図であり、(A)はビームモニタ等の配置の一例を示す平面図、(B)は測定されたビーム電流分布の一例を示す図である。 ビームモニタの一例を示す正面図である。 ビームモニタの他の例を示す正面図である。 ビームモニタの駆動装置の一例を示す図である。 ビームモニタの駆動装置の他の例を示す図である。 イオンビーム測定方法の他の例を説明するための図であり、(A)はビームモニタ等の配置の一例を示す平面図、(B)は測定されたビーム電流分布の一例を示す図である。 イオンビーム測定方法の他の例を説明するための図であり、(A)はビームモニタ等の配置の一例を示す側面図、(B)は測定されたビーム電流分布の一例を示す図である。 マスク板に、Y方向に複数の小孔を設けた例を示す側面図であり、図8(A)に対応している。 ビームモニタを構成するビーム検出器の不良をチェックする方法を説明するための図である。
図1は、リボン状のイオンビームの一例を部分的に示す斜視図である。この明細書および図面においては、イオンビーム2の設計上の進行方向をZ方向とし、このZ方向と実質的に直交する面内において互いに実質的に直交する2方向をX方向およびY方向としている。例えば、X方向およびZ方向は水平方向であり、Y方向は垂直方向である。この明細書において「設計上の進行方向」というのは、所定の進行方向、即ち本来進むべき進行方向のことである。
イオンビーム2は、走査を経ることなく、X方向の寸法WX よりもY方向の寸法WY が大きいリボン状をしている。イオンビーム2は、リボン状と言ってもX方向の寸法WX が紙や布のように薄いという意味ではない。例えば、イオンビーム2のX方向の寸法WX は30mm〜80mm程度、Y方向の寸法WY は、対象とする基板の寸法等にも依るが、300mm〜500mm程度である。
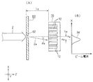
上記イオンビーム2のX方向における進行角θを測定するイオンビーム測定方法(これは進行角測定方法と呼ぶこともできる)の一例を図2を参照して説明する。
この測定方法では、イオンビーム2の進行方向Zの相対的に上流側および下流側にそれぞれ設けられていて、Y方向に可動の二つのビームモニタ10および20を用いる。
第1の(上流側の)ビームモニタ10は、イオンビーム2を受けてそのビーム電流をそれぞれ検出(測定)する複数のビーム検出器12をX方向に有している。即ち、X方向に配置された複数のビーム検出器12を有している多点のビームモニタである。各ビーム検出器12は、例えばファラデーカップである。後述する各ビーム検出器22も同様である。
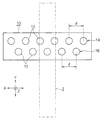
複数のビーム検出器12は、例えば図3に示す例のように、X方向に1行に直線状に並べたものでも良いし、例えば図4に示す例のように、X方向に直線状に並べた複数のビーム検出器12をY方向に2行、千鳥状に配置したものでも良い。どちらの例においても、複数のビーム検出器12はX方向に一定の間隔dで配置されている。千鳥状配置にすると、複数のビーム検出器12をX方向により高密度で(例えば、1行配置の場合の2倍程度の密度で)配置することが可能になり、X方向における測定の分解能をより高めることができる。
第2の(下流側の)ビームモニタ20も、イオンビーム2を受けてそのビーム電流をそれぞれ検出(測定)する複数のビーム検出器22をX方向に有している多点のビームモニタである。このビームモニタ20は、上記ビームモニタ10と同じ構造をしているので、その説明を参照するものとし、ここでは重複説明を省略する。即ち、上記説明のビーム検出器12をビーム検出器22と読み替えれば良い。
ビームモニタ10、20を構成するビーム検出器12、22の数は、図2では、図示を簡略化するために、それぞれ7個ずつ図示しているが、それに限られるものではない。例えば、ビームモニタ10、20は、イオンビーム入口の直径が5mmのビーム検出器(ファラデーカップ)12、22を合計19個ずつ、図4に示すように千鳥状に配置したものでも良い。
再び図2を参照して、上記二つのビームモニタ10、20を用いて、互いにY方向における実質的に同じ位置において、イオンビーム2のX方向における中心位置x1 、x2 をそれぞれ測定する。例えば、まずイオンビーム2をビームモニタ10で受けて測定し、次にビームモニタ10をイオンビーム2から退避させておいてビームモニタ20でイオンビーム2を受けて測定する。これとは逆の順でも良い。
イオンビーム2が、例えば図2に示す例のように設計上の進行方向Zからずれている場合、ビームモニタ10の各ビーム検出器12には、図2B中に実線で示すように、それぞれ異なった値のビーム電流が流れる。イオンビーム2は、図2等では図示の都合上、その端部を線で表しているが、実際はイオンビーム2の端部は広がりを持っているので、図2Bに示すように広がりを持ってビーム電流が流れる。f1 〜f7 は、各ビーム検出器12のX方向における中心の位置である。図示例では、第5番目のビーム検出器12付近のビーム電流が他に比べて大きくなる。この離散的なビーム電流分布を曲線で結ぶと、ビーム電流分布30が得られる。このビーム電流分布30の例えば重心位置を、イオンビーム2のX方向における中心位置x1 とする。
重心位置の代わりにピーク位置を中心位置x1 としても良い。もっとも、隣り合うビーム検出器12に流れるビーム電流の値が互いに似た値になってピーク位置を定めにくい場合があるので、重心位置の方がイオンビーム2の中心位置を決定しやすい。ビームモニタ20においても同様である。後述するマスク板60の小孔62(図7〜図9参照)を通過したイオンビーム2aの中心位置を決定する場合も同様である。
同様に、ビームモニタ20の各ビーム検出器22には、図2B中に実線で示すように、それぞれ異なった値のビーム電流が流れる。b1 〜b7 は、各ビーム検出器22のX方向における中心の位置である。図示例では、第3番目のビーム検出器22付近のビーム電流が他に比べて大きくなる。この離散的なビーム電流分布を曲線で結ぶと、ビーム電流分布32が得られる。このビーム電流分布32の例えば重心位置を、イオンビーム2のX方向における中心位置x2 とする。重心位置の代わりにピーク位置を中心位置x2 としても良い。
上記測定した二つの中心位置x1 、x2 間のX方向における距離L2 (即ちx1 −x2 またはx2 −x1 )および二つのビームモニタ10、20間のZ方向における距離L1 に基づいて、イオンビーム2のX方向における進行角θを測定する。進行角θは、イオンビーム2の設計上の進行方向Zに対する、現実のイオンビーム2のX方向における角度である。この進行角θは、具体的には、次式で表すことができるので、それを求める。
[数1]
θ=tan-1(L2 /L1
しかも、二つのビームモニタ10、20をY方向に移動させて、上記進行角θの測定をY方向における複数の位置において行う。例えば、イオンビーム2のY方向における上部、中央部、下部において測定する。その場合、上述したように、二つのビームモニタ10、20は、互いにY方向における実質的に同じ位置において、イオンビーム2の中心位置x1 、x2 を測定する。
この測定方法によれば、上記のようなX方向に多点でしかもY方向に可動の二つのビームモニタ10、20を用いるので、簡単な方法で、リボン状のイオンビーム2のX方向における進行角θを、Y方向における複数の位置において測定することができる。その結果、上記進行角θのY方向におけるばらつきを簡単な方法で知ることができる。
上記ビームモニタ10、20を、イオンビーム2が輸送される真空容器6(図5、図6参照)内で、Y方向に移動させる駆動装置の例を図5、図6にそれぞれ示す。両図では、ビームモニタとしてビームモニタ10を例に説明しているが、ビームモニタ20の駆動装置もこれと同様である。ビームモニタ10を構成するビーム検出器12の配置は、図2に示したような直線状配置でも良い。ビームモニタ20を構成するビーム検出器22についても同様である。
図5に示す駆動装置40aは、イオンビーム2が輸送される真空容器6内に設けられたボールナット部46と、このボールナット部46と螺合しているボールねじ44と、このボールねじを往復回転させる可逆転式のモータ部42と、ボールねじ44が真空容器6を貫通する部分を真空シールする機能を有する軸受部48とを備えており、ビームモニタ10はこの例ではボールナット部46に支持されている。
モータ部42によってボールねじ44を矢印Aで示すように左右に回転させることによって、ボールナット部46およびビームモニタ10を矢印Bで示すようにY方向に上下に移動させることができる。それによって、ビームモニタ10を、イオンビーム2のY方向における複数位置に位置させることができる。モータ部42はエンコーダを有しており、ビームモニタ10のY方向の位置情報を出力することができる。
図6に示す駆動装置40bは、上記駆動装置40aに、ビームモニタ10をX方向に移動させる機構を付加したものである。即ち、真空容器6内に設けられたボールナット部54と、このボールナット部54と螺合しているボールねじ52と、上記ボールナット部46に支持されていてボールねじ52を往復回転させるモータ部50とを付加したものであり、ビームモニタ10はこの例ではボールナット部54に支持されている。
この駆動装置40bにおいては、ビームモニタ10のY方向の移動は、上記駆動装置40aの場合と同様にモータ部42によって行うことができる。また、モータ部50を矢印Cで示すように左右に回転させることによって、ボールナット部54およびビームモニタ10を矢印Dで示すようにX方向に左右に移動させることができる。それによって、ビームモニタ10を、イオンビーム2の入射領域内でX方向に移動させることができる。モータ部50はエンコーダを有しており、ビームモニタ10のX方向の位置情報を出力することができる。なお、ビームモニタ10とボールねじ44とはイオンビーム進行方向Zの前後に互いにずらして配置して、ビームモニタ10をX方向に移動させても、それがボールねじ44に当たることがないようにしている。
この駆動装置40bのように、ビームモニタ10をY方向だけでなくX方向にも移動させることができるようにすると、例えば、ビームモニタ10を、複数のビーム検出器12のX方向における間隔d(図3、図4、図10参照)の1/2程度の距離だけX方向に移動させることができ、それによって、ビームモニタ10によるX方向の測定の分解能を高めることができる。また、後述するビーム検出器12の不良チェックに用いることもできる。ビームモニタ20の移動についても同様である。
次に、上記イオンビーム2のX方向およびY方向における発散角を測定するイオンビーム測定方法(これは発散角測定方法と呼ぶこともできる)を図7〜図9を参照して説明する。上記進行角θは、イオンビーム2全体の巨視的な進行方向を表すものであり、以下に述べる発散角αX 、αY は、イオンビーム2内の小さな領域におけるイオンビームの微視的な進行方向(広がり方)を表すものである。
なお、上記ビームモニタ10とビームモニタ20とは互いに同じ構造をしているので、以下の測定方法においては、どちらのビームモニタを用いても良い。以下では、ビームモニタ10を用いる場合を例に説明する。
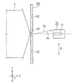
このイオンビーム測定方法は、上記リボン状のイオンビーム2の一部を通過させる小孔62をY方向に1以上有するマスク板60と、このマスク板60の下流側に設けられていて、上記小孔62を通過したイオンビーム2aを受けてそのビーム電流をそれぞれ検出する複数のビーム検出器12をX方向に有していて、Y方向に可動の上記ビームモニタ10とを用いて、ビームモニタ10をY方向に移動させることによって、上記各小孔62を通過したイオンビーム2aのX方向およびY方向における中心位置x3 、y3 をそれぞれ測定し、上記測定した中心位置x3 、y3 とそれに対応する上記小孔62間のX方向およびY方向における距離L4 、L5 ならびにマスク板60とビームモニタ10間のZ方向における距離L3 に基づいて、上記各小孔62を通過したイオンビーム2aのX方向およびY方向における発散角αX 、αY をそれぞれ測定するものである。
これを詳述すると、図7、図8に示す例では、上記ビームモニタ10の上流側に、上記リボン状のイオンビーム2の一部を通過させる1個の小孔62を有するマスク板60を配置している。小孔62は、例えば、円形の小孔である。この小孔62を通過したイオンビーム2aは細いものである。
ビームモニタ10は、前述したような構成をしている。即ち、ビームモニタ10は、マスク板60の下流側に設けられていて、小孔62を通過したイオンビーム2aを受けてそのビーム電流をそれぞれ検出(測定)する複数のビーム検出器12をX方向に有しており、かつY方向に可動である。このビームモニタ10をY方向に駆動する駆動装置の例は、先に図5、図6を参照して説明したとおりである。
そして、ビームモニタ10を図8中に矢印Bで示すようにY方向に移動させることによって、マスク板60の小孔62を通過したイオンビーム2aのX方向およびY方向における中心位置をそれぞれ測定する。
X方向については、イオンビーム2aの進行方向が、例えば図7に示す例のように、小孔62のX方向における中心位置x4 からずれている場合、ビームモニタ10の各ビーム検出器12には、図7Bに示すようなビーム電流分布34のビーム電流が流れる。このビーム電流分布34は、図2Bの場合と同様に、離散的なビーム電流分布を曲線で結んで表示したものである。このビーム電流分布34の例えば重心位置を、イオンビーム2aのX方向における中心位置x3 とする。重心位置の代わりにピーク位置を中心位置x3 としても良い。小孔62のX方向における中心位置x4 は予め分かっているから、二つの中心位置x3 、x4 間のX方向における距離L4 (即ちx3 −x4 またはx4 −x3 )を求めることができる。
同様に、Y方向については、イオンビーム2aの進行方向が、例えば図8に示す例のように、小孔62のY方向における中心位置y4 からずれている場合、イオンビーム2aが入射する、ある一つのビーム検出器12に着目すると、当該ビーム検出器12には、ビームモニタ10のY方向の移動に伴って例えば図8Bに示すようなビーム電流分布36のビーム電流が流れる。このビーム電流分布36は、一つのY方向に移動するビーム検出器12で測定したものであるので連続的なものである。このビーム電流分布36の例えば重心位置を、イオンビーム2aのY方向における中心位置y3 とする。重心位置の代わりにピーク位置を中心位置y3 としても良い。小孔62のY方向における中心位置y4 は予め分かっているから、二つの中心位置y3 、y4 間のY方向における距離L5 (即ちy3 −y4 またはy4 −y3 )を求めることができる。
そして、上記距離L4 およびL5 ならびにマスク板60とビームモニタ10間のZ方向における距離L3 に基づいて、小孔62を通過したイオンビーム2aのX方向における発散角αX およびY方向における発散角αY をそれぞれ測定する。両発散角αX 、αY は、具体的には、次式で表すことができるので、それを求める。
[数2]
αX =tan-1(L4 /L3
[数3]
αY =tan-1(L5 /L3
この測定方法によれば、上記のようなX方向に多点でしかもY方向に可動のビームモニタ10を用いるので、簡単な方法で、マスク板60の小孔62の位置におけるイオンビーム2のX方向およびY方向の発散角αX 、αY を測定することができる。ビームモニタ10の代わりにビームモニタ20を用いる場合も同様である。
上記マスク板60に、小孔62をY方向に複数個設けておいても良い。その一例を図9に示す。図9は小孔62が3個の場合の例であるが、それに限られるものではない。この場合、各小孔62は、各小孔62を通過したイオンビーム2aがビームモニタ10に入射する位置で互いに重ならないようにY方向に離しておくのが好ましい。重なりによる測定誤差を排除するためである。
小孔62を上記のように複数個設けておくと、各小孔62を通過したイオンビーム2aについて、図7、図8を参照して説明した測定方法によって、イオンビーム2aのX方向およびY方向における発散角αX 、αY を測定することができる。その結果、リボン状のイオンビーム2のY方向における複数の位置において、イオンビーム2のX方向およびY方向における発散角αX 、αY を測定することができる。
次に、上記ビームモニタ10、20を構成するビーム検出器12、22の不良をチェックする方法を図10を参照して説明する。ビームモニタ10とビームモニタ20とは前述したように互いに同じ構造をしているので、以下においてはビームモニタ10を例に説明するけれども、ビームモニタ20についても同様である。
ビームモニタ10をイオンビーム2の経路内に入れて、ビームモニタ10にイオンビーム2が入射している状態で、例えば第1行14のビーム検出器12に着目すると、まず最初に第1行14内の任意の1個のビーム検出器12によってイオンビーム2のビーム電流を測定し、このビーム電流値を図示しない記憶手段に記憶する。その後、ビームモニタ10をX方向に、ビーム検出器12の間隔dずつ移動させて、最初の測定と同じ位置において、他のビーム検出器12によってイオンビーム2のビーム電流を順次測定し、そのビーム電流値を記憶する。このようにして、第1行14の全てのビーム検出器12によって、イオンビーム2の同じ位置において、イオンビーム2のビーム電流の測定を行い、測定したビーム電流値を記憶する。
その後、上記のようにして記憶したビーム電流値同士をそれぞれ比較して、所定の許容範囲内から外れたビーム電流値があるか否かを判定し、外れたビーム電流値があれば、そのビーム電流値を測定したビーム検出器12は不良であると判定する。更に必要に応じて、当該不良のビーム検出器12を正常なものと交換する。これは、イオンビーム2の同じ位置においてビーム電流を測定するので、全てのビーム検出器12が正常であれば、全てのビーム電流値は所定の範囲内に入るはずだからである。
ビームモニタ10のビーム検出器12が上述したように千鳥状配置の場合は、第2行16のビーム検出器12についても、上記と同様にして、第2行16の全てのビーム検出器12によって、イオンビーム2の同じ位置において、イオンビーム2のビーム電流の測定、記憶、比較、不良判定を行えば良い。更に必要に応じて、不良のビーム検出器12を正常なものと交換すれば良い。
ビームモニタ10を構成するビーム検出器12が図3に示した例のように1行に配置されている場合は、上記第1行14のビーム検出器12について説明したのと同様の方法でチェック等を行えば良い。
上記方法によってビーム検出器12の不良チェックを行うことにより、不良のビーム検出器12による誤った測定値を用いずに済むので、前述したイオンビーム2の進行角θの測定およびイオンビーム2の発散角αX 、αY の測定の精度および信頼性を高めることができる。
X方向に多点でしかもY方向に可動の上記ビームモニタ10を用いて、イオンビーム2のX方向およびY方向の2次元のプロファイル(ビーム電流密度分布)を測定することも可能であるが、この場合も、上記方法によってビーム検出器12の不良チェック等を行うことにより、上記プロファイル測定の精度および信頼性を高めることができる。ビームモニタ20を用いる場合も同様である。
2、2a イオンビーム
10 ビームモニタ
12 ビーム検出器
20 ビームモニタ
22 ビーム検出器
40a、40b 駆動装置
60 マスク板
62 小孔

Claims (3)

  1. イオンビームの設計上の進行方向をZ方向とし、Z方向と実質的に直交する面内において互いに実質的に直交する2方向をX方向およびY方向とすると、X方向の寸法よりもY方向の寸法が大きいリボン状のイオンビーム(2)についての測定方法であって、
    前記リボン状のイオンビーム(2)の一部を通過させる小孔(62)をY方向に1以上有するマスク板(60)と、このマスク板(60)の下流側に設けられていて、前記小孔(62)を通過したイオンビーム(2a)を受けてそのビーム電流をそれぞれ検出する複数のビーム検出器(12)をX方向に有していて、Y方向に可動のビームモニタ(10)とを用いて、当該ビームモニタ(10)をY方向に移動させることによって、前記各小孔(62)を通過したイオンビーム(2a)のX方向およびY方向における中心位置(x3 、y3 )をそれぞれ測定し、当該測定したX方向およびY方向における中心位置(x3 、y3 )とそれに対応する前記小孔(62)間のX方向およびY方向における距離(L4 、L5 )ならびに前記マスク板(60)とビームモニタ(10)間のZ方向における距離(L3 )に基づいて、前記各小孔(62)を通過したイオンビーム(2a)のX方向およびY方向における発散角(αX 、αY )をそれぞれ測定することを特徴とするイオンビーム測定方法。
  2. 前記マスク板(60)は、前記小孔(62)をY方向に複数個有している、請求項1記載のイオンビーム測定方法。
  3. 前記ビームモニタ(10)は、前記X方向に直線状に並べた複数のビーム検出器(12)を前記Y方向に2列に、千鳥状に配置した構成をしている、請求項1または2記載のイオンビーム測定方法。
JP2009273353A 2009-12-01 2009-12-01 イオンビーム測定方法 Active JP5311140B2 (ja)

Priority Applications (1)

Application Number Priority Date Filing Date Title
JP2009273353A JP5311140B2 (ja) 2009-12-01 2009-12-01 イオンビーム測定方法

Applications Claiming Priority (1)

Application Number Priority Date Filing Date Title
JP2009273353A JP5311140B2 (ja) 2009-12-01 2009-12-01 イオンビーム測定方法

Related Parent Applications (1)

Application Number Title Priority Date Filing Date
JP2006329507A Division JP2008146863A (ja) 2006-12-06 2006-12-06 イオンビーム測定方法

Related Child Applications (1)

Application Number Title Priority Date Filing Date
JP2013003126A Division JP2013065578A (ja) 2013-01-11 2013-01-11 ビーム検出器の不良チェック方法

Publications (2)

Publication Number Publication Date
JP2010050108A true JP2010050108A (ja) 2010-03-04
JP5311140B2 JP5311140B2 (ja) 2013-10-09

Family

ID=42066988

Family Applications (1)

Application Number Title Priority Date Filing Date
JP2009273353A Active JP5311140B2 (ja) 2009-12-01 2009-12-01 イオンビーム測定方法

Country Status (1)

Country Link
JP (1) JP5311140B2 (ja)

Cited By (5)

* Cited by examiner, † Cited by third party
Publication number Priority date Publication date Assignee Title
KR20150001606A (ko) 2013-06-26 2015-01-06 가부시키가이샤 에스이엔 이온빔 측정장치 및 이온빔 측정방법
JP2018063952A (ja) * 2017-11-28 2018-04-19 住友重機械イオンテクノロジー株式会社 ビーム照射装置
CN109581470A (zh) * 2018-11-29 2019-04-05 德淮半导体有限公司 用于离子束测量的装置和方法
JP2019121465A (ja) * 2017-12-28 2019-07-22 株式会社アルバック イオン注入装置、ファラデーカップ集合装置
US10825654B2 (en) 2018-02-08 2020-11-03 Sumitomo Heavy Industries Ion Technology Co., Ltd. Ion implantation apparatus and measurement device

Citations (10)

* Cited by examiner, † Cited by third party
Publication number Priority date Publication date Assignee Title
JPH01320748A (ja) * 1988-06-23 1989-12-26 Mitsubishi Electric Corp 荷電粒子ビームの電流密度分布測定装置
JPH03193455A (ja) * 1989-12-25 1991-08-23 Seiko Epson Corp インクジェットヘッド
JP2003190179A (ja) * 2001-12-27 2003-07-08 Olympus Optical Co Ltd 超音波用穿刺針
JP2004093151A (ja) * 2002-08-29 2004-03-25 Japan Atom Energy Res Inst 多孔スリットと可動式発光体を用いた荷電粒子ビームの質の測定法
JP2005127800A (ja) * 2003-10-22 2005-05-19 Toshiba Corp 電子線照射装置と照射方法および電子線描画装置
JP2005311019A (ja) * 2004-04-21 2005-11-04 Hitachi Ltd 半導体パワーモジュール
JP2005327713A (ja) * 2004-05-14 2005-11-24 Nissin Ion Equipment Co Ltd イオン注入装置
JP2005353537A (ja) * 2004-06-14 2005-12-22 Ulvac Japan Ltd イオン注入装置
JP2006500741A (ja) * 2002-09-23 2006-01-05 エピオン コーポレーション ガスクラスタイオンビーム処理システム及び方法
WO2006014565A1 (en) * 2004-07-07 2006-02-09 Axcelis Technologies, Inc. Device and method for measurement of beam angle and divergence normal to plane of scanned beam or ribbon beam

Patent Citations (10)

* Cited by examiner, † Cited by third party
Publication number Priority date Publication date Assignee Title
JPH01320748A (ja) * 1988-06-23 1989-12-26 Mitsubishi Electric Corp 荷電粒子ビームの電流密度分布測定装置
JPH03193455A (ja) * 1989-12-25 1991-08-23 Seiko Epson Corp インクジェットヘッド
JP2003190179A (ja) * 2001-12-27 2003-07-08 Olympus Optical Co Ltd 超音波用穿刺針
JP2004093151A (ja) * 2002-08-29 2004-03-25 Japan Atom Energy Res Inst 多孔スリットと可動式発光体を用いた荷電粒子ビームの質の測定法
JP2006500741A (ja) * 2002-09-23 2006-01-05 エピオン コーポレーション ガスクラスタイオンビーム処理システム及び方法
JP2005127800A (ja) * 2003-10-22 2005-05-19 Toshiba Corp 電子線照射装置と照射方法および電子線描画装置
JP2005311019A (ja) * 2004-04-21 2005-11-04 Hitachi Ltd 半導体パワーモジュール
JP2005327713A (ja) * 2004-05-14 2005-11-24 Nissin Ion Equipment Co Ltd イオン注入装置
JP2005353537A (ja) * 2004-06-14 2005-12-22 Ulvac Japan Ltd イオン注入装置
WO2006014565A1 (en) * 2004-07-07 2006-02-09 Axcelis Technologies, Inc. Device and method for measurement of beam angle and divergence normal to plane of scanned beam or ribbon beam

Cited By (6)

* Cited by examiner, † Cited by third party
Publication number Priority date Publication date Assignee Title
KR20150001606A (ko) 2013-06-26 2015-01-06 가부시키가이샤 에스이엔 이온빔 측정장치 및 이온빔 측정방법
US9564292B2 (en) 2013-06-26 2017-02-07 Sumitomo Heavy Industries Ion Technology Co., Ltd. Ion beam measuring device and method of measuring ion beam
JP2018063952A (ja) * 2017-11-28 2018-04-19 住友重機械イオンテクノロジー株式会社 ビーム照射装置
JP2019121465A (ja) * 2017-12-28 2019-07-22 株式会社アルバック イオン注入装置、ファラデーカップ集合装置
US10825654B2 (en) 2018-02-08 2020-11-03 Sumitomo Heavy Industries Ion Technology Co., Ltd. Ion implantation apparatus and measurement device
CN109581470A (zh) * 2018-11-29 2019-04-05 德淮半导体有限公司 用于离子束测量的装置和方法

Also Published As

Publication number Publication date
JP5311140B2 (ja) 2013-10-09

Similar Documents

Publication Publication Date Title
JP5311140B2 (ja) イオンビーム測定方法
TWI421642B (zh) 使用x射線的疊對量測
CN103453848B (zh) 用于测量机器元件的形状、位置和规格特征的设备和方法
JP6150632B2 (ja) イオンビーム測定装置及びイオンビーム測定方法
US8848198B2 (en) Method for determining the tilt of an image sensor
CN108010875B (zh) 基板校准装置以及检测系统
JP2001305108A (ja) 渦流探傷装置
JP2018128702A (ja) Semオーバーレイ計測のシステムおよび方法
KR20210065084A (ko) 소각 x선 산란 계측
KR101209518B1 (ko) 헬리컬 ct장치
KR101862692B1 (ko) 검사 설비, 검사 방법 및 검사 시스템
KR20130083345A (ko) 다중 병렬 공초점 시스템
US20180329312A1 (en) Method of determining an overlay error, manufacturing method and system for manufacturing of a multilayer semiconductor device, and semiconductor device manufactured thereby
WO2016107508A1 (zh) 自适应沟槽的调焦调平装置及其方法
JP2008146863A (ja) イオンビーム測定方法
US10658210B2 (en) Apparatus and method for detecting overlay mark with bright and dark fields
US10458778B2 (en) Inline metrology on air flotation for PCB applications
US20170178314A1 (en) Pattern inspection apparatus and pattern inspection method
JP2013065578A (ja) ビーム検出器の不良チェック方法
CN103454071A (zh) 一种x射线组合折射透镜的聚焦性能测试方法
TW201732304A (zh) 電子部件裝載狀態檢測裝置
JP5751514B2 (ja) 球体の球径寸法測定方法及びその測定装置
JP5851254B2 (ja) 検査装置、検査方法および検査プログラム
JP2013178246A (ja) マイクロ回折方法及び装置
JP2008122349A (ja) 測定装置

Legal Events

Date Code Title Description
A621 Written request for application examination

Free format text: JAPANESE INTERMEDIATE CODE: A621

Effective date: 20091202

A131 Notification of reasons for refusal

Free format text: JAPANESE INTERMEDIATE CODE: A131

Effective date: 20120724

A521 Request for written amendment filed

Free format text: JAPANESE INTERMEDIATE CODE: A523

Effective date: 20120820

A131 Notification of reasons for refusal

Free format text: JAPANESE INTERMEDIATE CODE: A131

Effective date: 20120925

A521 Request for written amendment filed

Free format text: JAPANESE INTERMEDIATE CODE: A523

Effective date: 20121015

A02 Decision of refusal

Free format text: JAPANESE INTERMEDIATE CODE: A02

Effective date: 20121120

A521 Request for written amendment filed

Free format text: JAPANESE INTERMEDIATE CODE: A523

Effective date: 20130111

A911 Transfer to examiner for re-examination before appeal (zenchi)

Free format text: JAPANESE INTERMEDIATE CODE: A911

Effective date: 20130121

TRDD Decision of grant or rejection written
A01 Written decision to grant a patent or to grant a registration (utility model)

Free format text: JAPANESE INTERMEDIATE CODE: A01

Effective date: 20130416

A61 First payment of annual fees (during grant procedure)

Free format text: JAPANESE INTERMEDIATE CODE: A61

Effective date: 20130429

A61 First payment of annual fees (during grant procedure)

Free format text: JAPANESE INTERMEDIATE CODE: A61

Effective date: 20130619

R150 Certificate of patent or registration of utility model

Free format text: JAPANESE INTERMEDIATE CODE: R150

Ref document number: 5311140

Country of ref document: JP

Free format text: JAPANESE INTERMEDIATE CODE: R150

R250 Receipt of annual fees

Free format text: JAPANESE INTERMEDIATE CODE: R250

R250 Receipt of annual fees

Free format text: JAPANESE INTERMEDIATE CODE: R250

R250 Receipt of annual fees

Free format text: JAPANESE INTERMEDIATE CODE: R250

R250 Receipt of annual fees

Free format text: JAPANESE INTERMEDIATE CODE: R250

R250 Receipt of annual fees

Free format text: JAPANESE INTERMEDIATE CODE: R250

R250 Receipt of annual fees

Free format text: JAPANESE INTERMEDIATE CODE: R250

R250 Receipt of annual fees

Free format text: JAPANESE INTERMEDIATE CODE: R250

R250 Receipt of annual fees

Free format text: JAPANESE INTERMEDIATE CODE: R250

R250 Receipt of annual fees

Free format text: JAPANESE INTERMEDIATE CODE: R250