JP2010043896A - 燃料集合体の外観検査装置 - Google Patents
燃料集合体の外観検査装置 Download PDFInfo
- Publication number
- JP2010043896A JP2010043896A JP2008206945A JP2008206945A JP2010043896A JP 2010043896 A JP2010043896 A JP 2010043896A JP 2008206945 A JP2008206945 A JP 2008206945A JP 2008206945 A JP2008206945 A JP 2008206945A JP 2010043896 A JP2010043896 A JP 2010043896A
- Authority
- JP
- Japan
- Prior art keywords
- reflecting mirror
- fuel assembly
- subject
- image
- appearance inspection
- Prior art date
- Legal status (The legal status is an assumption and is not a legal conclusion. Google has not performed a legal analysis and makes no representation as to the accuracy of the status listed.)
- Granted
Links
Images
Classifications
-
- Y—GENERAL TAGGING OF NEW TECHNOLOGICAL DEVELOPMENTS; GENERAL TAGGING OF CROSS-SECTIONAL TECHNOLOGIES SPANNING OVER SEVERAL SECTIONS OF THE IPC; TECHNICAL SUBJECTS COVERED BY FORMER USPC CROSS-REFERENCE ART COLLECTIONS [XRACs] AND DIGESTS
- Y02—TECHNOLOGIES OR APPLICATIONS FOR MITIGATION OR ADAPTATION AGAINST CLIMATE CHANGE
- Y02E—REDUCTION OF GREENHOUSE GAS [GHG] EMISSIONS, RELATED TO ENERGY GENERATION, TRANSMISSION OR DISTRIBUTION
- Y02E30/00—Energy generation of nuclear origin
- Y02E30/30—Nuclear fission reactors
Landscapes
- Investigating Materials By The Use Of Optical Means Adapted For Particular Applications (AREA)
- Monitoring And Testing Of Nuclear Reactors (AREA)
Abstract
【解決手段】被写体からの光線を反射鏡により反射させた後、カメラヘッドに入射させて前記被写体を撮像する燃料集合体の外観検査装置であって、反射鏡として第1反射鏡および第2反射鏡の2枚の反射鏡を有し、被写体からの光線を前記第1反射鏡により反射させ、その後第2反射鏡により反射させた後、カメラヘッドに入射させて被写体を撮像する燃料集合体の外観検査装置。
【選択図】図1
Description
被写体からの光線を反射鏡により反射させた後、カメラヘッドに入射させて前記被写体を撮像する燃料集合体の外観検査装置であって、
前記反射鏡として第1反射鏡および第2反射鏡の2枚の反射鏡を有し、被写体からの光線を前記第1反射鏡により反射させ、その後第2反射鏡により反射させた後、カメラヘッドに入射させて被写体を撮像すること特徴とする燃料集合体の外観検査装置である。
前記被写体からの光線の光軸と前記第1反射鏡の面とが成す角度をα、前記第1反射鏡により反射させた光線の光軸と前記第2反射鏡の面とが成す角度をβとするとき、α+β=135°となるように前記第1反射鏡および第2反射鏡が配置されていることを特徴とする請求項1に記載の燃料集合体の外観検査装置である。
前記被写体の撮像が、固体撮像素子を用いたTVカメラにより行われることを特徴とする請求項1または請求項2に記載の燃料集合体の外観検査装置である。
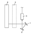
図1は、本発明の実施の形態に係る燃料集合体の外観検査装置の反射鏡の配置および被写体からの光線のカメラヘッドに至るまでの経路を示す説明図である。
図1に示すように、本実施の形態に係る燃料集合体の外観検査装置は、第1反射鏡1と第2反射鏡2の2枚の反射鏡を備え、被写体となる燃料集合体3や内挿物8からの光線を上記の反射鏡により2回反射させ、カメラヘッド4で撮像するものである。このような構成にすることにより、第1反射鏡1で鏡像(反転画像)となった被写体の像は、第2反射鏡2で再度反転し、最終的に正像としてカメラヘッド4に入射される。これにより、固体撮像素子を用いた場合でも解像度の低い市販の電気的な画像反転装置を使用する必要はなくなり、燃料集合体などの被写体の画質の著しい劣化の発生がない画像をモニタに表示することができる。
図3は本実施の形態に係る燃料集合体の外観検査装置のカメラヘッドの構成を概念的に示す図である。図3において、縦置きされたカメラヘッド4は水密ケース9、TVカメラ10及びレンズ11から構成される。また、TVカメラ10は撮像管に比べて感度の高い固体撮像素子(図示せず)を具備している。
本比較例は、図7に示す1枚の反射鏡を有する従来の燃料集合体の外観検査装置を用いた場合の例であって、燃料集合体位置にはフォーカスが合わせられるが、内挿物位置にはフォーカスを合わすことができない例である。
表1に比較例の外観検査装置のズームレンズの仕様を示す。
イ.最至近フォーカス位置
最至近フォーカス位置LMIN(気中)は、下記の(1)式により求められる。
LMIN=(fC×S)/(fC+S)・・・(1)
ここで、
fC:クローズアップレンズの焦点距離
S:レンズのフォーカス目盛位置(表1の最至近フォーカス距離がSに相当する)
LMIN(気中)=720(mm)
さらに、水中における実距離は、LMIN(気中)を1.33倍することにより以下の(2)に示す値となる。
LMIN(水中)=720(mm)×1.33=958(mm)・・・(2)
最至近フォーカス位置における視野範囲Hは、下記の(3)式により求められる。
H=[H’×{ (S−fF)×fC} ]/{ (S+fC)×f]・・・(3)
ここで、
H’:イメージサイズ
S:レンズのフォーカス目盛位置
fF:レンズのフォーカスレンズ部の焦点距離(約60mm)
fC:クローズアップレンズの焦点距離
f:レンズの焦点距離
H’=14(mm)(1インチ16:9型撮像素子を想定)
f(広角端)=30×1.5(エクステンダの倍率)=45(mm)
f(望遠端)=150×1.5(エクステンダの倍率)=225(mm)
上記H’、f(広角端)、f(望遠端)および表1に示したfC、Sの値をそれぞれ(3)式に代入することにより
最至近フォーカス位置LMIN(水中)(958mm)における水平方向の視野範囲、H(広角端)、H(望遠端)は以下の(4)(4’)に示す値となる。
H(広角端)=217(mm)・・・(4)
H(望遠端)= 43(mm)・・・(4’)
本比較例においては燃料集合体位置LFUELは940mmである。燃料集合体位置LFUELにおけるレンズフォーカス目盛位置S(気中)は、(1)式に表1に記載したfC(1200mm)を代入することにより、以下の(5)に示す値となり、レンズフォーカス目盛位置S(水中)はレンズフォーカス目盛位置S(気中)を1.33倍することにより(5’)に示す値となる。
S(気中)=4338(mm)・・・(5)
S(水中)=5770(mm)・・・(5’)
また燃料集合体位置LFUEL(水中の場合1250mm、気中の場合940mm)における視野範囲H(広角端)、H(望遠端)は(3)式に上記レンズフォーカス目盛位置Sおよび前記f(広角端)、f(望遠端)fCを代入することにより以下の(6)(6’)に示す値となる。
H(広角端)=288(mm)・・・(6)
H(望遠端)= 58(mm)・・・(6’)
本比較例における内挿物位置は、水中の場合1650(mm)、気中の場合1240(mm)である。
また、最遠フォーカス位置LMAX及びその位置における視野範囲Hは下記(7)式および(8)式により求められる。
LMAX=fC・・・(7)
H=(fC/f)×H’・・・・・(8)
上記(7)式より、LMAX(気中)およびLMAX(気中)を1.33倍することにより求められるLMAX(水中)は以下に示す値となる。
LMAX(気中)=1200(mm)
LMAX(水中)=1596(mm)
また、上記(8)式より、H(広角端)、H(望遠端)は以下に示す値となる。
H(広角端)=373(mm)
H(望遠端)= 75(mm)
以上詳述した比較例における被写体距離と画角をまとめて表2に示す。
実施例1は被写体からの光線を第1反射鏡、第2反射鏡の2枚の反射鏡を用いて反射させることによりカメラヘッドに正像を入射させ、前記第1反射鏡と第2反射鏡の2枚の反射鏡の位置を調整して、さらに光学系を再構成して光路長を変更することにより、反射鏡からの距離が異なる位置に設置された燃料集合体および内挿物の両方にフォーカスすることを可能とした燃料集合体の外観検査装置の例である。
表3に実施例1のズームレンズに関する仕様を示す。
前記(1)式に表3に記載したfC、Sを代入することにより、実施例1の最至近フォーカス位置LMIN(気中)は以下の(9)に示す値となり、水中における実距離はLMIN(気中)×1.33により求めることができ以下の(9’)に示す値となる。
LMIN(気中)=969mm・・・(9)
LMIN(水中)=969mm×1.33=1289mm・・・(9’)
実施例1においては、H’、f(広角端)、f(望遠端)は以下の通りである。
H’=14[mm](1インチ16:9型撮像素子を想定)
f(広角端)= 30×2(エクステンダの倍率)= 60(mm)
f(望遠端)=150×2(エクステンダの倍率)=300(mm)
H(広角端)=219(mm)・・・(10)
H(望遠端)= 44(mm)・・・(10’)
第1反射鏡1と第2反射鏡2を第4図に示す距離に置くと、カメラヘッド4から燃料集合体8までの光路長は、前記比較例に比べて図4中の直角二等辺三角形ABCの各辺の和の長さ(約341mm)だけ長くなり、燃料集合体位置LFUELは以下に示す値となる。
LFUEL(水中)=1591(mm)
LFUEL(気中)=1197(mm)
燃料集合体位置LFUELにおけるレンズフォーカス目盛位置Sは、前記(1)式にLFUEL=1197mm、fC=2100mmを代入することにより、以下の(11)、(11’)に示す値となる。
S(気中)=2784(mm)・・・(11)
S(水中)=3702(mm)・・・(11’)
H(広角端)=273(mm)・・・(12)
H(望遠端)= 55(mm)・・・(12’)
同様にして、内挿物位置(水中の場合1991mm、気中の場合1497mm)における視野範囲を求めると、以下に示す値となる。
H(広角端)=345(mm)
H(望遠端)= 69(mm)
また、最遠フォーカス位置LMAX及びその位置における視野範囲Hは、前記(7)式、(8)式から、それぞれ以下の(13)、(13’)と(14)、(14’)に示す値となる。
LMAX(気中)=2100(mm)・・・(13)
LMAX(水中)=2793(mm)・・・(13’)
H(広角端)=490(mm)・・・(14)
H(望遠端)= 98(mm)・・・(14’)
実施例1における被写体距離と画角をまとめて表4に示す。
実施例2は、実施例1と同じレンズを用いた燃料集合体の外観検査装置であって、実施例1と同じ長さの光路長を確保しつつ、反射鏡を挿入するための水平方向のスペースが小さい場合でも反射鏡を挿入することができるよう2枚の反射鏡を配置した例である。図5は本発明の第2の実施例を説明するための図である。実施例2においては被写体からの光線の光軸が構成した直角三角形ABCにおいてABの長さを実施例1よりも短くした。一方、実施例1と同じ長さの光路長を確保するために、ACの長さを実施例1よりも大きくした。
2 第2反射鏡
3、20 燃料集合体
4 カメラヘッド
5 カメラ制御器
6 ビデオモニタ
7 画像反転装置
8 内挿物
9 水密ケース
10 TVカメラ
11 レンズ
21 燃料棒
22 シンブル管
23 支持格子
Claims (3)
- 被写体からの光線を反射鏡により反射させた後、カメラヘッドに入射させて前記被写体を撮像する燃料集合体の外観検査装置であって、
前記反射鏡として第1反射鏡および第2反射鏡の2枚の反射鏡を有し、被写体からの光線を前記第1反射鏡により反射させ、その後第2反射鏡により反射させた後、カメラヘッドに入射させて被写体を撮像すること特徴とする燃料集合体の外観検査装置。 - 前記被写体からの光線の光軸と前記第1反射鏡の面とが成す角度をα、前記第1反射鏡により反射させた光線の光軸と前記第2反射鏡の面とが成す角度をβとするとき、α+β=135°となるように前記第1反射鏡および第2反射鏡が配置されていることを特徴とする請求項1に記載の燃料集合体の外観検査装置。
- 前記被写体の撮像が、固体撮像素子を用いたTVカメラにより行われることを特徴とする請求項1または請求項2に記載の燃料集合体の外観検査装置。
Priority Applications (1)
| Application Number | Priority Date | Filing Date | Title |
|---|---|---|---|
| JP2008206945A JP5005635B2 (ja) | 2008-08-11 | 2008-08-11 | 燃料集合体の外観検査装置 |
Applications Claiming Priority (1)
| Application Number | Priority Date | Filing Date | Title |
|---|---|---|---|
| JP2008206945A JP5005635B2 (ja) | 2008-08-11 | 2008-08-11 | 燃料集合体の外観検査装置 |
Related Child Applications (1)
| Application Number | Title | Priority Date | Filing Date |
|---|---|---|---|
| JP2012088487A Division JP2012132940A (ja) | 2012-04-09 | 2012-04-09 | 燃料集合体の外観検査装置 |
Publications (2)
| Publication Number | Publication Date |
|---|---|
| JP2010043896A true JP2010043896A (ja) | 2010-02-25 |
| JP5005635B2 JP5005635B2 (ja) | 2012-08-22 |
Family
ID=42015396
Family Applications (1)
| Application Number | Title | Priority Date | Filing Date |
|---|---|---|---|
| JP2008206945A Expired - Fee Related JP5005635B2 (ja) | 2008-08-11 | 2008-08-11 | 燃料集合体の外観検査装置 |
Country Status (1)
| Country | Link |
|---|---|
| JP (1) | JP5005635B2 (ja) |
Citations (9)
| Publication number | Priority date | Publication date | Assignee | Title |
|---|---|---|---|---|
| JPS63275996A (ja) * | 1987-05-08 | 1988-11-14 | Mitsubishi Heavy Ind Ltd | 燃料集合体の外観検査装置 |
| JPH0798280A (ja) * | 1993-09-29 | 1995-04-11 | Toshiba Corp | 外観検査装置 |
| JPH07248396A (ja) * | 1994-03-10 | 1995-09-26 | Ikegami Tsushinki Co Ltd | 耐放射線性テレビカメラおよび監視装置 |
| JPH095059A (ja) * | 1995-06-20 | 1997-01-10 | Nikon Corp | 平面度測定装置 |
| JP2000258583A (ja) * | 1999-03-05 | 2000-09-22 | Nuclear Fuel Ind Ltd | 沸騰水型核燃料集合体の燃料棒ギャップ測定装置 |
| JP2002040335A (ja) * | 2000-07-24 | 2002-02-06 | Tokyo Electron Ind Co Ltd | ミラーを用いた管渠内面検査装置 |
| JP2002081911A (ja) * | 2000-09-11 | 2002-03-22 | Nuclear Fuel Ind Ltd | 燃料集合体の寸法計測方法ならびに該方法を実施するための燃料外観検査装置 |
| JP2004085250A (ja) * | 2002-08-23 | 2004-03-18 | Toshiba Corp | 放射線計測装置 |
| JP2005249568A (ja) * | 2004-03-04 | 2005-09-15 | Nuclear Fuel Ind Ltd | 燃料体番号確認方法及び治具 |
-
2008
- 2008-08-11 JP JP2008206945A patent/JP5005635B2/ja not_active Expired - Fee Related
Patent Citations (9)
| Publication number | Priority date | Publication date | Assignee | Title |
|---|---|---|---|---|
| JPS63275996A (ja) * | 1987-05-08 | 1988-11-14 | Mitsubishi Heavy Ind Ltd | 燃料集合体の外観検査装置 |
| JPH0798280A (ja) * | 1993-09-29 | 1995-04-11 | Toshiba Corp | 外観検査装置 |
| JPH07248396A (ja) * | 1994-03-10 | 1995-09-26 | Ikegami Tsushinki Co Ltd | 耐放射線性テレビカメラおよび監視装置 |
| JPH095059A (ja) * | 1995-06-20 | 1997-01-10 | Nikon Corp | 平面度測定装置 |
| JP2000258583A (ja) * | 1999-03-05 | 2000-09-22 | Nuclear Fuel Ind Ltd | 沸騰水型核燃料集合体の燃料棒ギャップ測定装置 |
| JP2002040335A (ja) * | 2000-07-24 | 2002-02-06 | Tokyo Electron Ind Co Ltd | ミラーを用いた管渠内面検査装置 |
| JP2002081911A (ja) * | 2000-09-11 | 2002-03-22 | Nuclear Fuel Ind Ltd | 燃料集合体の寸法計測方法ならびに該方法を実施するための燃料外観検査装置 |
| JP2004085250A (ja) * | 2002-08-23 | 2004-03-18 | Toshiba Corp | 放射線計測装置 |
| JP2005249568A (ja) * | 2004-03-04 | 2005-09-15 | Nuclear Fuel Ind Ltd | 燃料体番号確認方法及び治具 |
Also Published As
| Publication number | Publication date |
|---|---|
| JP5005635B2 (ja) | 2012-08-22 |
Similar Documents
| Publication | Publication Date | Title |
|---|---|---|
| KR102118242B1 (ko) | 저-프로필 폴드형 광학 다중-카메라 시스템에서의 오토-포커스 | |
| US8035681B2 (en) | Panoramic imaging device | |
| JP5579555B2 (ja) | 撮影光学系、及び撮影装置 | |
| US7612946B2 (en) | Wide-angle lenses | |
| CN110568583A (zh) | 一种潜望式摄像头及移动设备 | |
| JP2004354572A (ja) | 撮像装置 | |
| EP2966503A1 (en) | Wide-angle imaging device | |
| JP5677366B2 (ja) | 撮像装置 | |
| US20070091200A1 (en) | Image-taking lens unit | |
| US6768598B2 (en) | Image pickup system | |
| US20070052833A1 (en) | Variable magnification optical system and image-taking apparatus | |
| US7177104B2 (en) | Image-taking optical system | |
| JP5005635B2 (ja) | 燃料集合体の外観検査装置 | |
| JP2012132940A (ja) | 燃料集合体の外観検査装置 | |
| JPWO2011077988A1 (ja) | 撮像光学系 | |
| JP7697199B2 (ja) | 撮像光学系及び撮像装置 | |
| CN101281356B (zh) | 成像装置 | |
| JP2015106773A (ja) | アレイ光学系を有する撮像装置 | |
| CN102057311B (zh) | 光学系统以及摄像装置 | |
| US8629896B2 (en) | Panoramic camera unit and camera system with arrayed optical elements | |
| WO2019208407A1 (ja) | カメラモジュール、光学機器、及びカメラモジュールの製造方法 | |
| US20060083509A1 (en) | Image-taking optical system | |
| CN107835959A (zh) | 摄像装置、摄像光学系统、摄像装置的制造方法以及摄像方法 | |
| CN221263879U (zh) | 潜望式红外成像模组、红外成像仪及红外成像设备 | |
| JP2007148051A (ja) | 撮影レンズユニット |
Legal Events
| Date | Code | Title | Description |
|---|---|---|---|
| A621 | Written request for application examination |
Free format text: JAPANESE INTERMEDIATE CODE: A621 Effective date: 20101224 |
|
| A977 | Report on retrieval |
Free format text: JAPANESE INTERMEDIATE CODE: A971007 Effective date: 20120118 |
|
| A131 | Notification of reasons for refusal |
Free format text: JAPANESE INTERMEDIATE CODE: A131 Effective date: 20120207 |
|
| A521 | Written amendment |
Free format text: JAPANESE INTERMEDIATE CODE: A523 Effective date: 20120409 |
|
| TRDD | Decision of grant or rejection written | ||
| A01 | Written decision to grant a patent or to grant a registration (utility model) |
Free format text: JAPANESE INTERMEDIATE CODE: A01 Effective date: 20120502 |
|
| A01 | Written decision to grant a patent or to grant a registration (utility model) |
Free format text: JAPANESE INTERMEDIATE CODE: A01 |
|
| A61 | First payment of annual fees (during grant procedure) |
Free format text: JAPANESE INTERMEDIATE CODE: A61 Effective date: 20120523 |
|
| FPAY | Renewal fee payment (event date is renewal date of database) |
Free format text: PAYMENT UNTIL: 20150601 Year of fee payment: 3 |
|
| R150 | Certificate of patent or registration of utility model |
Free format text: JAPANESE INTERMEDIATE CODE: R150 |
|
| LAPS | Cancellation because of no payment of annual fees |
