JP2010040349A - 燃料電池コージェネレーションシステム、その制御方法及び制御プログラム - Google Patents

燃料電池コージェネレーションシステム、その制御方法及び制御プログラム Download PDF

Info

Publication number
JP2010040349A
JP2010040349A JP2008202657A JP2008202657A JP2010040349A JP 2010040349 A JP2010040349 A JP 2010040349A JP 2008202657 A JP2008202657 A JP 2008202657A JP 2008202657 A JP2008202657 A JP 2008202657A JP 2010040349 A JP2010040349 A JP 2010040349A
Authority
JP
Japan
Prior art keywords
fuel cell
hot water
exhaust heat
recovery line
amount
Prior art date
Legal status (The legal status is an assumption and is not a legal conclusion. Google has not performed a legal analysis and makes no representation as to the accuracy of the status listed.)
Granted
Application number
JP2008202657A
Other languages
English (en)
Other versions
JP5203842B2 (ja
Inventor
Takayuki Kaneko
隆之 金子
Current Assignee (The listed assignees may be inaccurate. Google has not performed a legal analysis and makes no representation or warranty as to the accuracy of the list.)
Toshiba Corp
Toshiba Energy Systems and Solutions Corp
Original Assignee
Toshiba Corp
Toshiba Fuel Cell Power Systems Corp
Priority date (The priority date is an assumption and is not a legal conclusion. Google has not performed a legal analysis and makes no representation as to the accuracy of the date listed.)
Filing date
Publication date
Application filed by Toshiba Corp, Toshiba Fuel Cell Power Systems Corp filed Critical Toshiba Corp
Priority to JP2008202657A priority Critical patent/JP5203842B2/ja
Publication of JP2010040349A publication Critical patent/JP2010040349A/ja
Application granted granted Critical
Publication of JP5203842B2 publication Critical patent/JP5203842B2/ja
Expired - Fee Related legal-status Critical Current
Anticipated expiration legal-status Critical

Links

Images

Classifications

    • YGENERAL TAGGING OF NEW TECHNOLOGICAL DEVELOPMENTS; GENERAL TAGGING OF CROSS-SECTIONAL TECHNOLOGIES SPANNING OVER SEVERAL SECTIONS OF THE IPC; TECHNICAL SUBJECTS COVERED BY FORMER USPC CROSS-REFERENCE ART COLLECTIONS [XRACs] AND DIGESTS
    • Y02TECHNOLOGIES OR APPLICATIONS FOR MITIGATION OR ADAPTATION AGAINST CLIMATE CHANGE
    • Y02EREDUCTION OF GREENHOUSE GAS [GHG] EMISSIONS, RELATED TO ENERGY GENERATION, TRANSMISSION OR DISTRIBUTION
    • Y02E60/00Enabling technologies; Technologies with a potential or indirect contribution to GHG emissions mitigation
    • Y02E60/30Hydrogen technology
    • Y02E60/50Fuel cells

Landscapes

  • Fuel Cell (AREA)

Abstract

【課題】ボイラーやラジエータ等の装置の追加をせずに、貯湯槽内の雑菌の繁殖を防止することができ、低コストで燃料電池発電を正常に運転することが可能な燃料電池コージェネレーションシステム、その制御方法及び制御プログラムを提供する。
【解決手段】燃料電池Fからの排熱を排熱回収ラインL1を介した熱交換により蓄積する貯湯槽1と、排熱回収ラインL1上に設けられたヒータ5と、貯湯槽1において、燃料電池Fの冷却に必要な水流量が確保されるか否かを判定可能な位置に設置された温度計2と、所定の温度を記憶する設定記憶部32と、ヒータ5による加熱時に、温度計2により計測された温度が、所定の温度以上に上昇したか否かを判定する判定部33と、所定の温度以上に上昇したと判定された場合に、燃料電池Fを停止させる停止指示部34とを有する。
【選択図】図2

Description

本発明は、燃料電池の排熱を回収する貯湯槽における細菌繁殖防止機能に改良を施した燃料電池コージェネレーションシステム、その制御方法及び制御プログラムに関する。
燃料電池は、水素等の燃料ガスと空気等の酸化剤ガスを、電池本体に供給することにより、電気化学的に反応させ、燃料の持つ化学エネルギーを直接電気エネルギーに変換して外部へ取り出す発電装置である。この燃料電池は、発電効率が高く、汚染物質の排出および騒音が少ない環境性に優れた発電装置として評価されている。
例えば、家庭用の分散電源として期待されている燃料電池は、入手しやすくメタン成分の多い都市ガス若しくはLPGを、燃料ガスとして使用するシステムが求められる。この場合、燃料ガスを水素に改質する必要があるが、そのためには、燃料ガスに水蒸気を混合して水素リッチガスを生成する燃料処理器を用いる方法が一般的である。
そして、家庭用燃料電池システムは、通常、排熱を利用するコージェネレーションシステムとして構成されている。この排熱の利用方法は、排熱との熱交換によって湯を生成して、これを貯湯槽に蓄積し、設置先の家庭用の熱利用に合わせて、貯湯槽から蓄積した湯を供給するというものが一般的である。
ところで、かかる貯湯槽に蓄積した湯は、長時間滞留していると雑菌が繁殖する可能性がある。そこで、繁殖する条件になる前に、雑菌繁殖の防止操作を行っている。例えば、貯湯槽内の湯の温度を加熱して上昇させることにより、雑菌繁殖を防止している。
貯湯槽内の湯の加熱には、貯湯槽に設けられた循環ライン上に、加熱源であるボイラーあるいはヒータを設置して、この加熱源によって、定期的に貯湯槽内の湯を高温に加熱しながら循環させることにより、貯湯槽全体を設定温度以上に加熱する方法が、よく知られている。例えば、特許文献1には、ボイラーによって、貯湯槽内の湯を加熱し、雑菌繁殖防止を行う技術が開示されている。
特開2007−3075号公報
燃料電池コージェネレーションシステムでは、燃料電池発電のための設備の他に、熱交換のための種々の設備が必要となる。このため、装置全体としてのコストは高くなりがちである。したがって、余分なコストの上昇は抑えたいという要請が強い。
しかし、ボイラーを用いて湯の加熱を行うシステムでは、ボイラーが必要となるために、コストの増加が発生する。ボイラーの代わりに、安価なヒータを用いるような構成では、一般的にヒータ出力は小さいため、ヒータのみの加熱では貯湯槽全体の湯温を設定温度まで上昇させる時間が長くなる。このため、燃料電池の排熱回収ライン上にヒータを設置し、ヒータの加熱と併用して、燃料電池の発電を行い燃料電池の排熱と併せて、湯を加熱する必要がある。
ところが、排熱回収ラインでは、貯湯槽からの燃料電池への戻り水を燃料電池の冷却水として利用している。このため、上述の貯湯槽の加熱によって貯湯槽の温度が上昇すると、燃料電池の適切な冷却が困難になる。
これに対処するため、貯湯槽から燃料電池への戻りライン上に外気等で冷却するラジエータを設置し、戻り温度が設定値以上に上昇した場合にはラジエータを動作させて戻り温度を設定値以下に低下させる方策が採られていた。
しかしながら、かかる構成では、戻り温度の上昇を防止するためのラジエータを追加する必要があるため、やはりコストが上昇し、また、部品の増加により信頼性の低下が発生する可能性があった。
本発明は、上記のような従来技術の問題点を解決するために提案されたものであり、その目的は、ボイラーやラジエータ等の装置の追加をせずに、貯湯槽内の雑菌の繁殖を防止することができ、低コストで燃料電池発電を正常に運転することが可能な燃料電池コージェネレーションシステム、その制御方法及び制御プログラムを提供することにある。
上記目的を達成するために、本発明は、燃料電池からの排熱を排熱回収ラインを介した熱交換により蓄積する貯湯槽と、前記排熱回収ライン上に設けられたヒータと、を有する燃料電池コージェネレーションシステムにおいて、細菌繁殖防止のための前記燃料電池の運転及び前記ヒータによる加熱時に、前記貯湯槽において、前記燃料電池の冷却に必要な水流量が確保されなくなる前に、前記燃料電池を停止させる制御装置を有することを特徴とする。
以上のような本発明では、貯湯槽の湯が完全に加熱されて、燃料電池の停止に必要な冷熱源が蓄積できなくなる前に、停止操作を行うことができる。このため、ボイラーやラジエータ等の装置の追加をせずに、低コストで貯湯槽の雑菌繁殖を防止しつつ、性能低下を防止できる。
より具体的な一態様の燃料電池コージェネレーションシステムとしては、前記貯湯槽の下部に設置された温度計と、所定の温度を記憶する記憶部と、前記ヒータによる加熱時に、前記温度計により計測された温度が、所定の温度以上に上昇したか否かを判定する判定部と、前記判定部により所定の温度以上に上昇したと判定された場合に、前記燃料電池を停止させる停止指示部と、を有することを特徴とする。
以上のような本発明では、貯湯槽の下層温度を計測し、所定の温度になった場合に燃料電池を停止させることにより、貯湯槽の湯が完全に加熱されて、燃料電池の停止に必要な冷熱源が蓄積できなくなる前に、停止操作を行うことができる。このため、ボイラーやラジエータ等の装置の追加をせずに、低コストで貯湯槽の雑菌繁殖を防止しつつ、性能低下を防止できる。
以上のような本発明によれば、ボイラーやラジエータ等の装置の追加をせずに、貯湯槽内の雑菌の繁殖を防止することができ、低コストで燃料電池発電を正常に運転することが可能な燃料電池コージェネレーションシステム、その制御方法及び制御プログラムを提供することができる。
本発明を実施するための最良の形態(以下、実施形態とする)を、図面を参照して、具体的に説明する。
(1)第1の実施形態
(1−1)構成
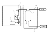
本実施形態は、図1に示すように、燃料電池F、貯湯槽1、温度計2、制御装置3、温水ポンプ4、ヒータ5等を有している。燃料電池Fは、水素等の燃料ガスと空気等の酸化剤ガスの供給を受けて発電するものであり、現在又は将来において利用可能なあらゆる燃料電池を含む。なお、図中、Faは、燃料電池F内部の冷却水通路における熱交換部である。
この燃料電池Fには、熱交換部Faにおける冷却水と排熱との熱交換により、温水が循環する排熱回収ラインL1が設けられている。貯湯槽1は、排熱回収ラインL1の温水との熱交換により、水道水を加熱して、蓄積、供給する槽である。この貯湯槽1には、水道水が供給される水道水供給ラインL2、温水を供給する温水供給ラインL3が接続されている。
温度計2は、貯湯槽1の内の温度を計測するために、貯湯槽1に設けられている。本実施形態では、後述するように、貯湯槽1内の温度を計測し、低温の湯量が燃料電池Fの停止時の冷却に必要な水流量以下となる前に、燃料電池Fの停止を行うことができるようにするため、温度計2の設置位置は、次のような位置とする。通常は、貯湯槽1の下部となる。

温度計の設置位置から貯湯槽底部までの体積 > 燃料電池の冷却に必要な冷却水総流量
制御装置3は、後述するように、温度計2で計測した温度に基づいて、燃料電池Fの動作を制御する手段である。温水ポンプ4は、排熱回収ラインL1の温水を循環させる装置である。ヒータ5は、排熱回収ライン11の温水を加熱する手段である。
制御装置3は、図2に示すように、入力部31、設定記憶部32、判定部33、停止指示部34を有している。入力部31は、温度計2からの計測信号を、判定部33の判定に適した形式に変換して入力する手段である。設定記憶部32は、判定部33の判定のためのしきい値となる所定温度等、実施形態の処理に必要な各種の設定を、あらかじめ記憶する手段である。この所定温度は、例えば、燃料電池Fの冷却に必要な水温の上限である。
判定部33は、入力部31から入力される計測温度、設定記憶部32に設定された温度に基づいて、計測温度が所定温度以上となったか否かを判定する手段である。停止指示部34は、判定部33によって、計測温度が所定温度以上となったと判定された場合には、燃料電池Fの停止指示を出力する手段である。
なお、制御装置3は、例えば、専用の電子回路若しくは所定のプログラムで動作するコンピュータ等によって実現できる。従って、以下に説明する手順で本装置の動作を制御するためのコンピュータプログラム及びこれを記録した記録媒体も、本発明の一態様である。
(1−2)作用
以上のような構成を有する本実施形態の作用は、以下の通りである。すなわち、殺菌繁殖防止のために、燃料電池Fでは、燃料ガスと酸化剤ガスの供給を受けて(図示せず)発電が行われ、排熱回収ラインL1上に設置したヒータ5と燃料電池Fの排熱を用いて、貯湯槽1内の湯を設定温度まで上昇させる。このとき、貯湯槽1の内部湯温は、上部から下部に向かって上昇する。燃料電池Fは、排熱回収ラインL1の貯湯槽1からの戻り水により冷却される。
ここで、貯湯槽1の加熱が特定の位置(冷却水流量が確保される限界位置)まで進行しない間は、貯湯槽1からの戻り温度が低いため、燃料電池Fの運転が可能である。しかし、貯湯槽1の特定の位置まで温度が上昇した場合には、上記の冷却機能が喪失し、燃料電池Fの正常な運転が困難となる。また、燃料電池Fの停止過程においても、冷却熱源が必要であるが、停止動作中に冷却源が無い場合には、燃料電池Fに不可逆的な影響が発生する可能性がある。
例えば、図3は、燃料電池Fの運転、ヒータ5の加熱による貯湯槽1内の加熱湯量および貯湯槽1の上部と下部の温度特性の一例を示す。この図2によれば、運転開始時には、燃料電池Fの運転及びヒータ5の加熱により、貯湯槽1内の湯温は上昇して行く。燃料電池Fの冷却を行っている戻り温度は、加熱が完了する7時間経過の直前まで上昇しない。
しかし、戻り温度が上昇を開始してから燃料電池Fの停止操作を実施しても、戻り温度の上昇が早いため、適切な停止操作をすることは困難である。そこで、本実施形態においては、貯湯槽1内の下部の温度を温度計2で計測している。そして、計測された温度は、入力部31から判定部33に入力される。判定部33は、測定温度が所定温度以上となったか否かを判定する。
停止指示部34は、判定部33により、測定温度が所定温度以上となったと判定された場合には、貯湯槽1内の加熱が、冷却水流量が確保される限界位置に近づいているとして、燃料電池Fの作動を停止する指示を出力する。例えば、燃料ガスと酸化剤ガスの供給を停止することにより、発電を停止させる。このように、燃料電池Fの停止に必要な冷熱源が、貯湯槽1に蓄積できなくなる前に、燃料電池Fの停止操作が実施される。
(1−3)効果
以上のような本実施形態によれば、貯湯槽1の湯の雑菌繁殖を防止するため燃料電池Fの発電運転を実施した際に、貯湯槽1内の温度を監視して、貯湯槽1の湯が完全に加熱されてしまって冷熱源が不足する前に、燃料電池Fを停止させることができる。このため、ボイラーやラジエータ等を追加せずに、低コストで貯湯槽1の雑菌繁殖を防止しつつ、燃料電池Fの性能低下を防止できる。
(2)第2の実施形態
(2−1)構成
本実施形態は、基本的には上記の第1の実施形態と同様の構成を有している。但し、本実施形態では、図4に示すように、制御装置3が、温水ポンプ4の回転数に基づく制御を行うように構成されている。より具体的には、制御装置3は、図5に示すように、温水ポンプ4の回転数から貯湯槽1への湯供給量を算出する湯供給量演算部35と、算出された湯供給量に基づいて、加熱した湯量を算出する加熱湯量演算部36を有している。
また、判定部33は、加熱した湯量が、冷却水流量が確保される限界量に近づいたか否かを判定する機能を有している。なお、設定記憶部32は、判定部33の判定のためのしきい値となる所定湯量、上記の演算部による算出の基準等、実施形態の処理に必要な各種の設定が、あらかじめ記憶されている。
(2−2)作用
以上のような構成を有する本実施形態の作用は以下の通りである。すなわち、上記の第1の実施形態のように、貯湯槽1内の雑菌繁殖防止のために、排熱回収ラインL1上に設置したヒータ5と燃料電池Fの排熱を用いて、貯湯槽1内の湯を設定温度まで上昇させる。そして、湯を供給する温水ポンプ4の回転数に基づいて、湯供給量演算部35が、貯湯槽1への湯供給量を算出する。この湯供給量に基づいて、加熱湯量演算部36は、貯湯槽1の内部の加熱した湯量を算出する。
判定部33は、算出された加熱湯量が、所定湯量以上となったか否かを判定する。所定湯量以上となったと判定された場合には、停止指示部34は、貯湯槽1内の低温の湯量が燃料電池Fの停止に必要な量の限界に近づいたとして、燃料電池Fの作動を停止する指示を出力する。このように、燃料電池Fの停止に必要な冷熱源が、貯湯槽1に蓄積できなくなる前に、燃料電池Fの停止操作が実施される。
(2−3)効果
以上のような本実施形態によれば、貯湯槽1の湯の雑菌繁殖を防止するため燃料電池Fの発電運転を実施した際に、温水ポンプ4の回転数を監視して、貯湯槽1内の加熱湯量を求め、貯湯槽1の湯が完全に加熱されてしまって冷熱源が不足する前に、燃料電池Fを停止させることができる。このため、ボイラーやラジエータ等を追加せずに、低コストで貯湯槽1の雑菌繁殖を防止しつつ、燃料電池Fの性能低下を防止できる。
(3)第3の実施形態
(3−1)構成
本実施形態は、基本的には上記の第1の実施形態と同様の構成を有している。但し、本実施形態では、図6に示すように、排熱回収ラインL1に、湯量を計測する流量計6が設置されており、制御装置3が、流量計6により計測される湯供給量に基づく制御を行うように構成されている。より具体的には、制御装置3は、図7に示すように、計測された湯供給量に基づいて、加熱した湯量を算出する加熱湯量演算部36を有している。
また、判定部33は、加熱した湯量が、冷却水流量が確保される限界量まで達したか否かを判定する機能を有している。なお、設定記憶部32は、判定部33の判定のためのしきい値となる所定湯量、上記の演算部による算出の基準等、実施形態の処理に必要な各種の設定が、あらかじめ記憶されている。
(3−2)作用
以上のような構成を有する本実施形態の作用は以下の通りである。すなわち、上記の第1の実施形態のように、貯湯槽1内の雑菌繁殖防止のために、排熱回収ラインL1上に設置したヒータ5と燃料電池の排熱を用いて、貯湯槽1内の湯を設定温度まで上昇させる。そして、流量計6により計測される湯供給量に基づいて、加熱湯量演算部36は、貯湯槽1の内部の加熱した湯量を算出する。
判定部33は、算出された加熱湯量が、所定湯量以上となったか否かを判定する。所定湯量以上となったと判定された場合には、停止指示部34は、貯湯槽1内の低温の湯量が燃料電池Fの停止に必要な量の限界に近づいたとして、燃料電池Fの作動を停止する指示を出力する。このように、燃料電池Fの停止に必要な冷熱源が、貯湯槽1に蓄積できなくなる前に、燃料電池Fの停止操作が実施される。
(3−3)効果
以上のような本実施形態によれば、貯湯槽1の湯の雑菌繁殖を防止するため燃料電池Fの発電運転を実施した際に、供給湯量を監視して、貯湯槽1内の加熱湯量を求め、貯湯槽1の湯が完全に加熱されてしまって冷熱源が不足する前に、燃料電池Fを停止させることができる。このため、ボイラーやラジエータ等を追加せずに、低コストで貯湯槽1の雑菌繁殖を防止しつつ、燃料電池Fの性能低下を防止できる。
(4)他の実施形態
本発明は、上記のような実施形態に限定されるものではない。例えば、第1の実施形態と第2の実施形態を組み合せたり、第1の実施形態と第3の実施形態を組み合わせることにより、より精密な制御を行うようにしてもよい。つまり、本発明における請求項のいずれを組み合わせて実施形態を構成するかは、自由である。
また、温度計の設置位置、所定の温度、所定の湯量等の各種設定は自由であり、限界値よりも手前で処理が行われるように、有る程度余裕を持たせた数値としてもよい。例えば、温度計の設置位置については、停止時間と戻り温度の上昇時間とを考慮して、適切な位置に設置することが重要である。また、判定にしきい値を含む(以上、以下)か、含まない(より大きい、未満)とするかは自由である。したがって、請求項の「以上」については、便宜的な表現に過ぎず、しきい値を含む判定も含まない判定も含むものである。
また、本発明を適用するコージェネレーションシステムの構成は、上記の実施形態で例示したものには限定されず、個々の構成要素として何を採用するか若しくはしないかは自由である。
本発明の燃料電池コージェネレーションシステムの第1の実施形態を示す構成図 図1の実施形態の制御装置を示す機能ブロック図 燃料電池の排熱とヒータの加熱による貯湯槽内の加熱湯量および貯湯槽の上部と下部の温度特性の一例を示す説明図。 本発明の燃料電池コージェネレーションシステムの第2の実施形態を示す構成図 図4の実施形態の制御装置を示す機能ブロック図 本発明の燃料電池コージェネレーションシステムの第3の実施形態を示す構成図 図6の実施形態の制御装置を示す機能ブロック図
符号の説明
1…貯湯槽
2…温度計
3…制御装置
4…温水ポンプ
5…ヒータ
6…流量計
31…入力部
32…設定記憶部
33…判定部
34…停止指示部
35…湯供給量演算部
36…加熱湯量演算部

Claims (7)

  1. 燃料電池からの排熱を排熱回収ラインを介した熱交換により蓄積する貯湯槽と、前記排熱回収ライン上に設けられたヒータと、を有する燃料電池コージェネレーションシステムにおいて、
    細菌繁殖防止のための前記燃料電池の運転及び前記ヒータによる加熱時に、前記貯湯槽において、前記燃料電池の冷却に必要な水流量が確保されなくなる前に、前記燃料電池を停止させる制御装置を有することを特徴とする燃料電池コージェネレーションシステム。
  2. 燃料電池からの排熱を排熱回収ラインを介した熱交換により蓄積する貯湯槽と、前記排熱回収ライン上に設けられたヒータと、を有する燃料電池コージェネレーションシステムにおいて、
    前記貯湯槽において、前記燃料電池の冷却に必要な水流量が確保されるか否かを判定可能な位置に設置された温度計と、
    所定の温度を記憶する記憶部と、
    細菌繁殖防止のための前記燃料電池の運転及び前記ヒータによる加熱時に、前記温度計により計測された温度が、所定の温度以上に上昇したか否かを判定する判定部と、
    前記判定部により所定の温度以上に上昇したと判定された場合に、前記燃料電池を停止させる停止指示部と、
    を有することを特徴とする燃料電池コージェネレーションシステム。
  3. 燃料電池からの排熱を排熱回収ラインを介した熱交換により蓄積する貯湯槽と、前記排熱回収ライン上に設けられたヒータと、を有する燃料電池コージェネレーションシステムにおいて、
    前記貯湯槽の下部に設置された温度計と、
    所定の温度を記憶する記憶部と、
    細菌繁殖防止のための前記燃料電池の運転及び前記ヒータによる加熱時に、前記温度計により計測された温度が、所定の温度以上に上昇したか否かを判定する判定部と、
    前記判定部により所定の温度以上に上昇したと判定された場合に、前記燃料電池を停止させる停止指示部と、
    を有することを特徴とする燃料電池コージェネレーションシステム。
  4. 燃料電池からの排熱を排熱回収ラインを介した熱交換により蓄積する貯湯槽と、前記排熱回収ライン上に設けられたヒータと、前記排熱回収ラインに温水を循環させる温水ポンプと、を有する燃料電池コージェネレーションシステムにおいて、
    所定の湯量を記憶する記憶部と、
    細菌繁殖防止のための前記燃料電池の運転及び前記ヒータによる加熱時に、前記温水ポンプの回転数に基づいて、前記貯湯槽内部の加熱湯量を算出する加熱湯量演算部と、
    前記加熱湯量演算部により算出された加熱湯量が、所定の湯量以上となったか否かを判定する判定部と、
    前記判定部により、所定の湯量以上となったと判定された場合に、前記燃料電池を停止させる停止指示部と、
    を有することを特徴とする燃料電池コージェネレーションシステム。
  5. 燃料電池からの排熱を排熱回収ラインを介した熱交換により蓄積する貯湯槽と、前記排熱回収ライン上に設けられたヒータと、前記排熱回収ラインの湯量を計測する流量計と、を有する燃料電池コージェネレーションシステムにおいて、
    細菌繁殖防止のための前記燃料電池の運転及び前記ヒータによる加熱時に、前記流量計で計測した湯供給量に基づいて、前記貯湯槽内部の加熱湯量を算出する加熱湯量演算部と、
    前記加熱湯量演算部により算出された加熱湯量が、所定の湯量以上となったか否かを判定する判定部と、
    前記判定部により、所定の湯量以上となったと判定された場合に、前記燃料電池を停止させる停止指示部と、
    を有することを特徴とする燃料電池コージェネレーションシステム。
  6. 燃料電池からの排熱を排熱回収ラインを介した熱交換により蓄積する貯湯槽と、前記排熱回収ライン上に設けられたヒータと、を有する燃料電池コージェネレーションシステムを、コンピュータ又は電子回路により制御する制御方法において、
    前記コンピュータ又は電子回路が、細菌繁殖防止のための前記燃料電池の運転及び前記ヒータによる加熱時に、前記貯湯槽において、前記燃料電池の冷却に必要な水流量が確保されなくなる前に、前記燃料電池を停止させることを特徴とする燃料電池コージェネレーションシステムの制御方法。
  7. 燃料電池からの排熱を排熱回収ラインを介した熱交換により蓄積する貯湯槽と、雑菌繁殖防止のために前記排熱回収ライン上に設けられたヒータと、を有する燃料電池コージェネレーションシステムを、コンピュータにより制御する制御プログラムにおいて、
    前記コンピュータに、
    細菌繁殖防止のための前記燃料電池の運転及び前記ヒータによる加熱時に、前記貯湯槽において、前記燃料電池の冷却に必要な水流量が確保されなくなる前に、前記燃料電池を停止させることを特徴とする燃料電池コージェネレーションシステムの制御プログラム。
JP2008202657A 2008-08-06 2008-08-06 燃料電池コージェネレーションシステム、その制御方法及び制御プログラム Expired - Fee Related JP5203842B2 (ja)

Priority Applications (1)

Application Number Priority Date Filing Date Title
JP2008202657A JP5203842B2 (ja) 2008-08-06 2008-08-06 燃料電池コージェネレーションシステム、その制御方法及び制御プログラム

Applications Claiming Priority (1)

Application Number Priority Date Filing Date Title
JP2008202657A JP5203842B2 (ja) 2008-08-06 2008-08-06 燃料電池コージェネレーションシステム、その制御方法及び制御プログラム

Publications (2)

Publication Number Publication Date
JP2010040349A true JP2010040349A (ja) 2010-02-18
JP5203842B2 JP5203842B2 (ja) 2013-06-05

Family

ID=42012678

Family Applications (1)

Application Number Title Priority Date Filing Date
JP2008202657A Expired - Fee Related JP5203842B2 (ja) 2008-08-06 2008-08-06 燃料電池コージェネレーションシステム、その制御方法及び制御プログラム

Country Status (1)

Country Link
JP (1) JP5203842B2 (ja)

Cited By (3)

* Cited by examiner, † Cited by third party
Publication number Priority date Publication date Assignee Title
JP2013217587A (ja) * 2012-04-10 2013-10-24 Panasonic Corp 発電システム
JP2015098954A (ja) * 2013-11-18 2015-05-28 大阪瓦斯株式会社 排熱回収システムの水質維持方法及び排熱回収システム
JP2015125908A (ja) * 2013-12-26 2015-07-06 大阪瓦斯株式会社 貯湯式熱源装置

Citations (1)

* Cited by examiner, † Cited by third party
Publication number Priority date Publication date Assignee Title
JP2008066016A (ja) * 2006-09-05 2008-03-21 Ebara Ballard Corp 燃料電池システムの運転方法及び燃料電池システム

Patent Citations (1)

* Cited by examiner, † Cited by third party
Publication number Priority date Publication date Assignee Title
JP2008066016A (ja) * 2006-09-05 2008-03-21 Ebara Ballard Corp 燃料電池システムの運転方法及び燃料電池システム

Cited By (3)

* Cited by examiner, † Cited by third party
Publication number Priority date Publication date Assignee Title
JP2013217587A (ja) * 2012-04-10 2013-10-24 Panasonic Corp 発電システム
JP2015098954A (ja) * 2013-11-18 2015-05-28 大阪瓦斯株式会社 排熱回収システムの水質維持方法及び排熱回収システム
JP2015125908A (ja) * 2013-12-26 2015-07-06 大阪瓦斯株式会社 貯湯式熱源装置

Also Published As

Publication number Publication date
JP5203842B2 (ja) 2013-06-05

Similar Documents

Publication Publication Date Title
KR20190067629A (ko) 연료전지 열관리 시스템 및 그 제어방법
JP2013185786A (ja) ヒートポンプ給湯システム及びその制御方法並びにプログラム
JP2013083397A (ja) 太陽エネルギ利用システム
JP5388758B2 (ja) 燃料電池コージェネレーションシステム
JP5203842B2 (ja) 燃料電池コージェネレーションシステム、その制御方法及び制御プログラム
JP4208792B2 (ja) コージェネレーションシステム
JP2007132612A (ja) コージェネレーションシステム及びその制御方法並びにプログラム
JP2004150646A (ja) コジェネレーションシステム
JP2010040350A (ja) 燃料電池コージェネレーションシステム
KR101458511B1 (ko) 열병합 발전 시스템 및 그의 제어 방법
JP7260352B2 (ja) エネルギー供給システム
JP2008218354A (ja) 燃料電池発電システム
JPWO2013129493A1 (ja) コジェネレーションシステムの制御装置及び制御方法
JP4833707B2 (ja) 排熱回収装置
KR101352320B1 (ko) 연료전지 기반의 열회수 장치 및 그 동작 방법
JP2009257656A (ja) 熱電併給手段を用いた貯湯設備及びその貯湯方法
JP2011257130A (ja) 排熱回収装置
JP5914799B2 (ja) 発電システム
JP2013069598A (ja) コージェネレーションシステム
JP2009216382A (ja) コージェネレーションシステム
JP2003343916A (ja) コジェネレーションシステム
JP2008218356A (ja) 燃料電池発電システム及びその制御方法
JP6537636B2 (ja) 暖房装置
JP5745883B2 (ja) 熱供給システム
JP5767785B2 (ja) コジェネレーションシステムおよび熱回収制御方法

Legal Events

Date Code Title Description
A621 Written request for application examination

Free format text: JAPANESE INTERMEDIATE CODE: A621

Effective date: 20101118

A131 Notification of reasons for refusal

Free format text: JAPANESE INTERMEDIATE CODE: A131

Effective date: 20121030

A977 Report on retrieval

Free format text: JAPANESE INTERMEDIATE CODE: A971007

Effective date: 20121031

A521 Request for written amendment filed

Free format text: JAPANESE INTERMEDIATE CODE: A523

Effective date: 20121225

TRDD Decision of grant or rejection written
A01 Written decision to grant a patent or to grant a registration (utility model)

Free format text: JAPANESE INTERMEDIATE CODE: A01

Effective date: 20130122

A61 First payment of annual fees (during grant procedure)

Free format text: JAPANESE INTERMEDIATE CODE: A61

Effective date: 20130214

R150 Certificate of patent or registration of utility model

Ref document number: 5203842

Country of ref document: JP

Free format text: JAPANESE INTERMEDIATE CODE: R150

Free format text: JAPANESE INTERMEDIATE CODE: R150

FPAY Renewal fee payment (event date is renewal date of database)

Free format text: PAYMENT UNTIL: 20160222

Year of fee payment: 3

S111 Request for change of ownership or part of ownership

Free format text: JAPANESE INTERMEDIATE CODE: R313115

R350 Written notification of registration of transfer

Free format text: JAPANESE INTERMEDIATE CODE: R350

S111 Request for change of ownership or part of ownership

Free format text: JAPANESE INTERMEDIATE CODE: R313114

Free format text: JAPANESE INTERMEDIATE CODE: R313115

R350 Written notification of registration of transfer

Free format text: JAPANESE INTERMEDIATE CODE: R350

LAPS Cancellation because of no payment of annual fees