JP2010031305A - 高周波誘導加熱焼戻装置及び高周波誘導加熱焼戻方法 - Google Patents

高周波誘導加熱焼戻装置及び高周波誘導加熱焼戻方法 Download PDF

Info

Publication number
JP2010031305A
JP2010031305A JP2008192427A JP2008192427A JP2010031305A JP 2010031305 A JP2010031305 A JP 2010031305A JP 2008192427 A JP2008192427 A JP 2008192427A JP 2008192427 A JP2008192427 A JP 2008192427A JP 2010031305 A JP2010031305 A JP 2010031305A
Authority
JP
Japan
Prior art keywords
induction heating
cup
coil
frequency
heating coil
Prior art date
Legal status (The legal status is an assumption and is not a legal conclusion. Google has not performed a legal analysis and makes no representation as to the accuracy of the status listed.)
Granted
Application number
JP2008192427A
Other languages
English (en)
Other versions
JP5496478B2 (ja
Inventor
Shintaro Suzuki
慎太郎 鈴木
Takeaki Ishidai
健晃 石代
Current Assignee (The listed assignees may be inaccurate. Google has not performed a legal analysis and makes no representation or warranty as to the accuracy of the list.)
NTN Corp
Original Assignee
NTN Corp
NTN Toyo Bearing Co Ltd
Priority date (The priority date is an assumption and is not a legal conclusion. Google has not performed a legal analysis and makes no representation as to the accuracy of the date listed.)
Filing date
Publication date
Application filed by NTN Corp, NTN Toyo Bearing Co Ltd filed Critical NTN Corp
Priority to JP2008192427A priority Critical patent/JP5496478B2/ja
Publication of JP2010031305A publication Critical patent/JP2010031305A/ja
Application granted granted Critical
Publication of JP5496478B2 publication Critical patent/JP5496478B2/ja
Expired - Fee Related legal-status Critical Current
Anticipated expiration legal-status Critical

Links

Images

Classifications

    • YGENERAL TAGGING OF NEW TECHNOLOGICAL DEVELOPMENTS; GENERAL TAGGING OF CROSS-SECTIONAL TECHNOLOGIES SPANNING OVER SEVERAL SECTIONS OF THE IPC; TECHNICAL SUBJECTS COVERED BY FORMER USPC CROSS-REFERENCE ART COLLECTIONS [XRACs] AND DIGESTS
    • Y02TECHNOLOGIES OR APPLICATIONS FOR MITIGATION OR ADAPTATION AGAINST CLIMATE CHANGE
    • Y02PCLIMATE CHANGE MITIGATION TECHNOLOGIES IN THE PRODUCTION OR PROCESSING OF GOODS
    • Y02P10/00Technologies related to metal processing
    • Y02P10/25Process efficiency

Landscapes

  • General Induction Heating (AREA)
  • Heat Treatment Of Articles (AREA)

Abstract

【課題】外径面に径が異なる円筒面を有するワークの形成すべき熱硬化処理層全体に対して、焼戻しに必要な温度域に上昇させて焼戻処理性能の向上を図ることができる高周波誘導加熱焼戻装置及び高周波誘導加熱焼戻方法を提供する。
【解決手段】ワークを高周波誘導加熱する高周波誘導加熱焼戻装置である。ワーク熱処理部の熱処理部の軸方向長さよりも短い軸方向長さの誘導加熱コイル50、54、58と、誘導加熱コイル50、54、58をワークの軸方向に沿って移動させる移動手段と、誘導加熱コイル50、54、58に高周波電流を印加する高周波電源52、56、60と、高周波電源の電流印加量を制御する制御手段67、68、69とを備えた。
【選択図】図1

Description

本発明は、等速自在継手の外側継手部材等の外径面に径が異なる円筒面を有するワークに熱硬化処理層を形成するための高周波誘導加熱焼戻装置及び高周波誘導加熱焼戻方法に関する。
外径面に径が異なる円筒面を有するワークとしては、図7に示すような等速自在継手の外側継手部材(外輪)1がある。外輪1には、小径部の外径面及び大径部の内径面に熱硬化処理層が形成されることになる。熱硬化処理層は、焼入れ・焼戻しの熱処理を行うことによって形成する。ここで、焼入れとは、鋼をオーステナイト組織の状態に加熱した後、水中または油中で急冷することによって、マルテンサイト組織の状態に変化させる熱処理である。このように、焼入れは鋼の硬さを増大させる目的で行われるが、靭性が低下するので、粘り強さを得るために、焼入れ後には焼戻しを行う。焼戻しは、マルテンサイト組織の状態から鋼を再加熱し、一定時間保持した後に徐冷する作業をいう。
図7に示す外輪1は、内面2aにトラック溝(図示省略)が形成されたマウス部2と、このマウス部2の底壁から突設されるステム部3とからなる。ステム部3は、大径の基部3aと、基部3aに連設される中径の本体部3bと、本体部3bに連設される先端部3cとからなる。そして、熱硬化処理層Sが基部3aから先端部3cにわたって形成される。すなわち、熱硬化処理層Sは、小径部としてのステム部3の外径面に、段付部(マウス部2の底壁から延びるステム部3の付け根部9)近傍にいたる熱硬化処理層Sが形成されている。また、マウス部2の内面2aにも熱硬化処理層S1が形成される。
ステム部3の熱硬化処理層Sは、従来から高周波誘導加熱を用いた焼戻しを行う方法が知られている(特許文献1及び特許文献2)。高周波誘導加熱焼戻装置としては、図7に示すような丸形のソレノイドコイル5が用いられる。すなわち、外輪1をそのマウス部2の開口部が下方に開口する状態として、下治具6と上治具7とで支持する。この状態で、ソレノイドコイル5にこの外輪1が内嵌される。
この場合、コイル5に高周波電流を流すことで、電磁誘導によって外輪1の表面に高周波磁束による誘導電流が流れ、この電流により外輪1のもつ抵抗によってエネルギーを損失して熱が発生する。そして、外輪1の表面が所定温度に上昇したところで、その加熱を停止して、その温度を一定時間保持した後、冷却水で冷却することによって焼戻しを行って、この熱処理が終了する。
図7に示すような外輪1では、ステム部3およびマウス部2に熱硬化処理層S、S1を形成する必要があるため、この両者側において焼戻しを行うことになる。しかしながら、図7に示すようなものでは、ソレノイドコイル5の内部にワーク(外輪)を置き、外輪全体を加熱している。この場合、外輪1は、下センター治具6と上センター治具7とで支えられて、ソレノイドコイル5に高周波電流を流すことで外輪1を誘導加熱する。ソレノイドコイル5に流す電流の大きさ、周波数は、外輪1により様々な値となる。誘導加熱により外輪1を所定温度まで上昇したところで加熱を止め、一定時間保持した後、冷却水で冷却して焼戻しが完了する。
外輪1では、ステム部3とマウス部2とを焼入れするため、この両方の部位を焼戻しする必要がある。この場合、コイル5に近接しているマウス部2側に磁束が集中するため、ステム部3の付け根部(根元部分)9では加熱され難い。このため、図8に示すように、焼戻しに必要な温度域にまで上昇しない問題がある。なお、図8において、グラフAは図7におけるA部の温度変化であり、グラフBは図7におけるB部の温度変化であり、グラフCは図7におけるC部の温度変化である。
また、マウス部2の反開口部側10ではステム部3とマウス部2との結合部側に熱拡散で熱量が奪われ、マウス部2の開口部側12では下治具6側に熱拡散で熱量が奪われる。これにより、マウス部2の反開口部側10と開口部側12とでは、軸方向中間部11と比較して温度が上がり難い。このため、図9に示すように、焼戻しに必要な温度域にまで上昇しない問題がある。なお、図9において、グラフDは図7におけるD部の温度変化であり、グラフEは図7におけるE部の温度変化であり、グラフFは図7におけるF部の温度変化である。
特開昭64−47810号公報 特開昭64−87721号公報
そこで、外輪1においては、図10に示すように、ステム部3の付け根部(根元部分)9近傍において、ソレノイドコイル5の径を小さくした小径部位5bを形成する。すなわち、エリア(4)に対応する部位のソレノイドコイル5bの径を、エリア(5)に対応する部位のソレノイドコイル5aの径よりも小さくしている。これにより、エリア(4)におけるソレノイドコイル5bと外輪1との隙間を小さくすることができて、この部位の加熱効率を上げることができる。この場合、図10におけるA部、B部、C部の温度変化が図11に示すグラフのように変化する。このように、各部位において、焼戻しに必要な温度に上昇させることができる。なお、図11において、T1とT2との間が焼戻しに必要な温度である。
また、マウス部2では、温度の上がり難い反開口部側10及び開口部側12に対応するソレノイドコイル5c、5eのコイル間隔を小さくしている。すなわち、エリア(3)及びエリア(1)に対応する部位のソレノイドコイル5c、5eの間隔を、エリア(2)に対応する部位のソレノイドコイル5dの間隔よりも小さくしている。これにより、エリア(1)及びエリア(3)における磁束密度を高めて、この部位の加熱効率を上げることができる。すなわち、図10におけるD部、E部、F部の温度変化が図12に示すグラフのように変化する。このように、各部位において、焼戻しに必要な温度に上昇させることができる。なお、図12において、T1とT2との間が焼戻しに必要な温度である。
しかしながら、ソレノイドコイル5の径や間隔は、図10に示すように各エリア(1)〜(5)(図10では、5つのエリアに分割しているが、外輪形状によりさらに細かいエリアに分割する場合がある)ごとの温度バランスを考慮する必要があり、過去の経験に基づいて決定するが、最適な加熱温度を得ることは困難であった。
また、図10に示すうようなソレノイドコイル5を形成する場合、小径部位5bと、他の部位とをそれぞれ別個に製造し、これらを例えばロウ付け等にて接合することになる。このため、最適な加熱温度が得られず、ソレノイドコイル5の径を変更する場合は、ソレノイドコイル5自体を修理する必要があり、多大な製作工数を有し、作業性に劣ると共に、コスト高となる。また、製品のサイズやステム部の形状、長さ等により、最適なコイルの径は種々ある。このため、製品毎にコイルを必要とし、コイルの管理性に劣るとともに、コスト高を招くことになる。
本発明は、上記課題に鑑みて、外径面に径が異なる円筒面を有するワークの形成すべき熱硬化処理層全体に対して、焼戻しに必要な温度域に上昇させて焼戻処理性能の向上を図ることができる高周波誘導加熱焼戻装置及び高周波誘導加熱焼戻方法を提供する。
本発明の高周波誘導加熱焼戻装置は、ワークを高周波誘導加熱する高周波誘導加熱焼戻装置であって、ワーク熱処理部の軸方向長さよりも短い軸方向長さの誘導加熱コイルと、この誘導加熱コイルをワーク熱処理部の軸方向に沿って移動させる移動手段と、前記誘導加熱コイルに高周波電流を印加する高周波電源と、前記高周波電源の電流印加量を制御する制御手段とを備えたものである。
本発明の高周波誘導加熱焼戻装置によれば、誘導加熱コイルと、高周波電源と、制御手段とを備えたものであるので、ワークの形状や大きさに応じた加熱出力や周波数で加熱することができる。また、移動手段を備えたものであるので、誘導加熱コイルは軸方向に移動・停止しながらワークを加熱することができる。このため、高周波電源の加熱出力を調節したり、誘導加熱コイルの移動速度を調節したりすることにより投入電力量を調節することができる。すなわち、温度が上がりやすい部位では、高周波電源の加熱出力を小さくするか、誘導加熱コイルの移動速度を早くすることで投入電力量を小さくすることができる。反対に、温度が上がり難い部位では、誘導加熱コイルの移動速度を遅くするか、高周波電源の加熱出力を大きくすることで投入電力量を大きくすることができる。
前記誘導加熱コイルがワークに外嵌されてワークの外径面を加熱することができる。また、前記ワークは筒部を有し、前記誘導加熱コイルが筒部に内嵌されて筒部の内径面を加熱することもできる。
前記ワークはカップ状部と、前記カップ状部の底部から軸方向に一体的に延びる軸部とを有し、前記誘導加熱コイルは、軸部に外嵌される軸部用誘導加熱コイルと、カップ状部に内嵌又は外嵌されるカップ状部用誘導加熱コイルとを備えるものである。
軸部を加熱する軸部用誘導加熱コイルと、カップ状部を加熱するカップ状部用誘導加熱コイルとを設けて、電気的に非接触としている。このため、軸部とカップ状部とを異なる出力で加熱することができ、更に、軸部用誘導加熱コイルと、カップ状部用誘導加熱コイルとを独立して移動させながら加熱することができて、投入電力量を調節することができる。また、軸部とカップ状部を異なる周波数で加熱することができ、ワークに流れる誘導電流の浸透深さを軸部とカップ状部とでかえることができる。
前記ワークは、加熱上昇率小部と加熱上昇率大部とを有し、加熱上昇率小部と加熱上昇率大部とで前記誘導加熱コイルの移動速度を変化させることができる。また、前記ワークは、加熱上昇率小部と加熱上昇率大部とを有し、加熱上昇率小部と加熱上昇率大部とで前記制御手段にて電流印加量を変化させることもできる。これにより、投入電力量を調節できる。加熱上昇率大部とは、条件出しテスト(製品温度を熱電対等で測定し、加熱条件を決定するテスト)の測定に基づいて、温度が上がりやすい箇所をいい、加熱上昇率小部とは、条件出しテストに基づいて温度が上がりにくい箇所をいう。
前記ワークは、等速自在継手の外側継手部材とすることができる。
本発明の高周波誘導加熱焼戻方法は、ワークを高周波誘導加熱する高周波誘導加熱焼戻方法であって、ワーク熱処理部の軸方向長さよりも短い軸方向長さの誘導加熱コイルを、ワーク熱処理部の軸方向に沿って移動させつつ、前記誘導加熱コイルへの高周波電流の印加量を制御するものである。
本発明の高周波誘導加熱焼戻方法によれば、誘導加熱コイルを、ワーク熱処理部の軸方向に沿って移動させるものであるため、誘導加熱コイルの移動速度を調節することができる。また、前記誘導加熱コイルに、電流印加量を制御しつつ高周波電流高周波電源の加熱出力を調節することにより投入電力量を調節することができる。
カップ状部と、前記カップ状部の底部から軸方向に一体的に延びる軸部とを有するワークに対して、その軸部の外径面及びカップ状部の内径面に熱硬化処理層を形成する高周波誘導加熱焼戻方法であって、カップ状部の熱処理部の軸方向長さよりも短い軸方向長さのカップ状部用誘導加熱コイルを、カップ状部に対して外嵌又は内嵌してカップ状部用誘導加熱コイルをカップ状部の軸方向に沿って移動させつつ、コイルに高周波電流を印加する工程と、軸部の熱処理部の軸方向長さよりも短い軸方向長さの軸部用誘導加熱コイルを、軸部に対して外嵌して軸部用誘導加熱コイルを軸部の軸方向に沿って移動させつつ、コイルに高周波電流を印加する工程とを備えるものである。
カップ状部用誘導加熱コイルと軸部用誘導加熱コイルに高周波電流を印加することによって、カップ状部用誘導加熱コイルと軸部用誘導加熱コイルとにそれぞれ交流磁界が発生することになる。
ワークにおける加熱上昇率小部での前記誘導加熱コイルの移動速度を、加熱上昇率大部でのコイル移動速度よりも遅くすることや、ワークにおける加熱上昇率小部での加熱出力を、加熱上昇率大部での加熱出力よりも大きくすることができる。なお、加熱上昇率小部において、加熱上昇率大部よりもコイル移動速度を早くすることや、加熱上昇率小部において、加熱上昇率大部よりも加熱出力を小さくすることもできる。
本発明では、高周波電源の加熱出力を調節したり、軸部用誘導加熱コイルやカップ状部用誘導加熱コイルの移動速度を調節したりすることにより投入電力量を調節できる。これにより、ワークの軸部及びカップ状部全体を均一な温度に加熱制御することが可能となる。また、ワークの型番(大きさ、形状)が代わった場合でも、加熱プログラム(コイルの移動速度、高周波電源の加熱出力の条件)を変えることで、軸部用誘導加熱コイルとカップ状部用誘導加熱コイルとを共用することができる。これにより、コイル費の削減と段取り時間の短縮が可能となる。さらには、条件出しテストの際にもコイル形状を調整することなく、加熱プログラムで調節するため、作業性が良く、テスト時間の短縮が可能となるとの利点もある。
カップ状部用誘導加熱コイルは、カップ状部を包囲してカップ状部の外径面を高周波誘導加熱したり、カップ状部に内嵌されてカップ状部の内径面を高周波誘導加熱したりすることができる。特に、カップ状部に内嵌した場合、カップ状部の内径面を効果的に加熱することができて熱硬化処理層を形成することができる。
このように、本発明では、カップ状部と軸部とを有するワークにおいて、その軸部の外径面及びカップ状部の内径面に熱硬化処理層を高精度に形成することができる。このため、ワークとしては、等速自在継手の外側継手部材が最適となる。
本発明に係る高周波誘導加熱焼戻装置及び高周波誘導加熱焼戻方法の実施形態を図1〜図6に基づいて説明する。
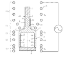
図1は、本発明の第1実施形態の高周波誘導加熱焼戻装置を示している。すなわち、ワークとしての等速自在継手の外側継手部材(外輪)31に高周波誘導加熱焼戻を行う高周波誘導加熱焼戻装置を示す。外輪31は、内面32aにトラック溝(図示省略)が形成され、円筒面を有するカップ状のカップ状部(マウス部)32と、このマウス部32の底部から軸方向に一体的に延びる軸部(ステム部)33とからなる。ステム部33は、大径の基部33aと、基部33aに連設される中径の本体部33bと、本体部33bに連設される先端部33cとからなる。そして、熱硬化処理層Sが基部33aから先端部33cにわたって形成される。すなわち、熱硬化処理層Sは、軸部としてのステム部33の外径面に、段付部39(マウス部32の底壁から延びるステム部33の付け根部)近傍にいたる熱硬化処理層Sが形成されている。また、マウス部32の内面32aにも熱硬化処理層S1が形成される。
高周波誘導加熱焼戻装置は、ステム部33の外径面を加熱する軸部用高周波誘導加熱焼戻手段45とマウス部32の外径面を加熱するカップ状部用高周波誘導加熱焼戻手段49とから構成される。
軸部用高周波誘導加熱焼戻手段45は、外輪のステム部33に外嵌されて、熱処理部の軸方向長さよりも短い軸方向長さの軸部用誘導加熱コイル54と、軸部用誘導加熱コイル54を軸方向に沿って移動させる移動手段(図示省略)と、軸部用誘導加熱コイル54に高周波電流を印加する高周波電源56と、高周波電源56の電流印加量を制御する制御手段67と、軸部用誘導加熱コイル54の両端部と高周波電源56とが接続されるリード部57とを備える。軸部用誘導加熱コイル54は、導線(断面円形の導線)55をらせん状に巻いた円筒状のコイル(ソレノイドコイル)である。すなわち、軸部用誘導加熱コイル54はその外径及び内径がそれぞれ軸方向に沿って略同一設定される。軸部用誘導加熱コイル54が取付けられている部位には、例えば、公知公用のサーボモータ等を利用した移動手段(図示省略)が設けられ、この移動手段にて軸部用誘導加熱コイル54を駆動して軸方向へ任意に移動・停止することができる。
カップ状部用高周波誘導加熱焼戻手段49は、外輪のマウス部32に外嵌されて、熱処理部の軸方向長さよりも短い軸方向長さのカップ状部用誘導加熱コイル50と、カップ状部用誘導加熱コイル50を軸方向に沿って移動させる移動手段(図示省略)と、カップ状部用誘導加熱コイル50に高周波電流を印加する高周波電源52と、高周波電源52の電流印加量を制御する制御手段68と、カップ状部用誘導加熱コイル50の両端部と高周波電源52とが接続されるリード部53とを備える。カップ状部用誘導加熱コイル50は、導線(断面円形の導線)51をらせん状に巻いた円筒状のコイル(ソレノイドコイル)である。すなわち、カップ状部用誘導加熱コイル50はその外径及び内径がそれぞれ軸方向に沿って略同一設定される。カップ状部用誘導加熱コイル50が取付けられている部位には、例えば、公知公用のサーボモータ等を利用した移動手段(図示省略)が設けられ、この移動手段にてカップ状部用誘導加熱コイル50を駆動して軸方向へ任意に移動・停止することができる。
また、外輪31をそのマウス部32の開口部が下方に開口する状態として、下治具36と上治具37とで支持する。下治具36はマウス部32の開口部を塞ぐ程度の大きさの絶縁性の材料やステンレスを用いた円盤体46を備える。上治具37は外輪31のステム部33の端面47と略同一径の絶縁性の材料やステンレスを用いた円柱体48を備える。
次に、前記高周波誘導加熱焼戻装置を使用した高周波誘導加熱焼戻方法を説明する。まず、ワークとしての外輪31のマウス部32及びステム部33の各部位について、条件出しテストを行う。すなわち、マウス部32とステム部33との温度を熱電対などで測定し、温度の上がりやすい箇所を加熱上昇率大部とし、温度の上がりにくい箇所を加熱上昇率小部とする。ステム部33において、根元部分39近傍のエリア(4)では、軸部用誘導加熱コイル54に接近しているマウス部32側に磁束が集中するため、加熱されにくい。このため、エリア(4)が加熱上昇率小部となり、エリア(5)が加熱上昇率大部となる。一方、マウス部32において、開口部側42に相当するエリア(1)では、下治具36側に熱拡散で熱量が奪われ、反開口部側40に相当するエリア(3)では、マウス部32とステム部33の結合部側に熱拡散で熱量が奪われるため、加熱されにくい。このため、エリア(1)及びエリア(3)が加熱上昇率小部となり、エリア(2)が加熱上昇率大部となる。
次に、前記条件出しテストに基づいて、コイルの移動速度と、高周波電源の加熱出力とを決定する。すなわち、加熱上昇率大部では、軸部用誘導加熱コイル54やカップ状部用誘導加熱コイル50の移動速度を早くしたり、加熱出力を小さくしたりして、誘導加熱コイルへの投入電力量を小とする。一方、加熱上昇率小部では、誘導加熱コイルの移動速度を遅くしたり、加熱出力を大としたりして、誘導加熱コイルへの投入電力量を大とする。
このため、ステム部33においては、図2に示すように、軸部用誘導加熱コイル54がエリア(4)を速度v1で移動するのに対して、エリア(5)を速度v2で移動する。ここで、エリア(4)は、ステム部33の基部33aに対応する範囲であり、エリア(5)は、ステム部33の本体部33bと先端部33cとに対応する範囲である。また、v1は、図1におけるエリア(4)での軸部用誘導加熱コイル54の移動速度であり、v2は、図1におけるエリア(5)での軸部用誘導加熱コイル54の移動速度であり、v1<v2である。すなわち、ステム部33では温度の上がり難い付け根部(根元部分)39のあるエリア(4)で速度を遅くして投入電力量を増やしている。
また、マウス部32においては、図3に示すように、カップ状部用誘導加熱コイル50がエリア(1)を速度v3で移動し、エリア(2)を速度v5で移動し、エリア(3)を速度v4で移動する。ここで、エリア(1)は、マウス部32の開口部側42に対応する範囲であり、エリア(2)は、マウス部32の軸方向中間部41に対応する範囲であり、エリア(3)は、マウス部32の反開口部側40に対応する範囲である。また、v3は、図1におけるエリア(1)でのカップ状部用誘導加熱コイル50の移動速度であり、v5は、図1におけるエリア(2)でのカップ状部用誘導加熱コイル50の移動速度であり、v4は、図1におけるエリア(3)でのカップ状部用誘導加熱コイル50の移動速度であり、v3<v4<v5である。すなわち、マウス部32では、温度の上がり難い外輪開口部側42と反開口部側40とで速度を遅くして投入電力量を増やしている。このように、移動速度を変化させることに加えて、制御手段67、68を調節して高周波電源52、56の加熱出力を変化させることで様々な加熱パターンの組合せが可能である。
次に、高周波誘導加熱焼戻しを行う前に、この外輪31に対して焼入れ(高周波誘導加熱焼入れ)が行われる。この場合、この高周波誘導加熱焼戻装置を用いることができる。高周波誘導加熱焼入れを行った後、この高周波誘導加熱焼戻装置を使用した高周波誘導加熱焼戻しを行う。
この際、図1に示す状態に高周波誘導加熱焼戻装置にワーク(外輪31)をセットする。すなわち、外輪31と軸部用誘導加熱コイル54とカップ状部用誘導加熱コイル50とを同一軸心L上に配置する。この実施形態において、本発明の軸部がステム部33にて構成し、カップ状部がマウス部32にて構成することになる。
この状態で、軸部用誘導加熱コイル54に高周波電流を印加する。これによって、軸部用誘導加熱コイル54に交流磁界が発生する。そして、軸部用誘導加熱コイル54に設けられている図示省略の移動手段を駆動させて、図1の矢印Gで示すように、エリア(4)では速度v1で軸部用誘導加熱コイル54を移動させ、エリア(5)では速度v2で軸部用誘導加熱コイル54を移動させる。これにより、軸部用誘導加熱コイル54にて包囲されているステム部33の外径面を誘導加熱することができる。この際、制御手段67を調節して、エリア(4)において、高周波電源56の加熱出力を大とすることや、エリア(5)において、高周波電源56の加熱出力を小とすることができる。
また、カップ状部用誘導加熱コイル50に高周波電流を印加する。これによって、カップ状部用誘導加熱コイル50に交流磁界が発生する。そして、カップ状部用誘導加熱コイル50に設けられている図示省略の移動手段を駆動させて、図1の矢印Hで示すように、エリア(1)では速度v3でカップ状部用誘導加熱コイル50を移動させ、エリア(2)では速度v5でカップ状部用誘導加熱コイル50を移動させ、エリア(3)では速度v4でカップ状部用誘導加熱50を移動させる。これにより、カップ状部用誘導加熱コイル50にて包囲されているマウス部32の外径面を誘導加熱することができる。この際、制御手段68を調節して、エリア(1)やエリア(3)において、高周波電源52の加熱出力を大とすることや、エリア(2)において、高周波電源52の加熱出力を小とすることができる。
すなわち、本発明では、ワークの形状や大きさに応じた加熱出力や周波数で加熱することができる。また、カップ状部用誘導加熱コイル50や軸部用誘導加熱コイル54は軸方向に移動・停止しながらワークを加熱することができる。このため、高周波電源52、56の加熱出力や周波数を調節したり、カップ状部用誘導加熱コイル50や軸部用誘導加熱コイル54の移動速度を調節したりすることにより投入電力量を調節することができる。すなわち、温度が上がりやすい部位(エリア(2)、エリア(5))では、高周波電源52、56の加熱出力を小さくするか、カップ状部用誘導加熱コイル50や軸部用誘導加熱コイル54の移動速度を早くすることで投入電力量を小さくすることができる。反対に、温度が上がり難い部位(エリア(1)、エリア(3)、エリア(4))では、高周波電源52、56の加熱出力を大きくするか、カップ状部用誘導加熱コイル50や軸部用誘導加熱コイル54の移動速度を遅くすることで投入電力量を大きくすることができる。これにより、ワークの軸部及びカップ状部全体を均一な温度に加熱制御することが可能となる。すなわち、図1におけるA部、B部、C部の温度変化が図4に示すグラフのように変化し、各部位において、焼戻しに必要な温度に上昇させることができる。また、図1におけるD部、E部、F部の温度変化が図5に示すグラフのように変化し、各部位において、焼戻しに必要な温度に上昇させることができる。なお、図4及び図5において、T1とT2との間が焼戻しに必要な温度である。
また、ワークの型番(大きさ、形状)が代わった場合でも、加熱プログラム(コイルの移動速度、高周波電源の加熱出力の条件)を変えることで、軸部用誘導加熱コイル54とカップ状部用誘導加熱コイル50とを共用することができる。これにより、コイル費の削減と段取り時間の短縮が可能となる。さらには、条件出しテスト(製品温度を熱電対等で測定し、加熱条件を決定するテスト)の際にもコイル形状を調整することなく、加熱プログラムで調節するため、作業性が良く、テスト時間の短縮が可能となるとの利点もある。
カップ状部用誘導加熱コイル50は、マウス部32を包囲してマウス部32の外径面を高周波誘導加熱するものである。
このように、本発明では、カップ状部と軸部とを有するワークにおいて、その軸部の外径面及びカップ状部の内径面に熱硬化処理層を高精度に形成することができる。このため、ワークとしては、等速自在継手の外側継手部材が最適となる。
次に、図6は本発明の第2実施形態を示し、ステム部33の外径面を加熱する軸部用高周波誘導加熱焼戻手段45とマウス部32の内径面を加熱するカップ状部用高周波誘導加熱焼戻手段62とから構成される。軸部用高周波誘導加熱焼戻手段45は、前記第1実施形態と同様のものである。カップ状部用高周波誘導加熱焼戻手段62は、外輪のマウス部32に内嵌されて、熱処理部の軸方向長さよりも短い軸方向長さのカップ状部用誘導加熱コイル58と、カップ状部用誘導加熱コイル58を軸方向に沿って移動させる移動手段(図示省略)と、カップ状部用誘導加熱コイル58に高周波電流を印加する高周波電源60と、高周波電源60の電流印加量を制御する制御手段69と、カップ状部用誘導加熱コイル58の両端部と高周波電源60とが接続されるリード部61とを備える。この場合、カップ状部用誘導加熱コイル58は、前記第1実施形態のカップ状部用誘導加熱コイル50よりも小径のコイルから構成されている。
この際、外輪31をそのマウス部32の開口部が下方に開口する状態として、下治具65と上治具37とで支持する。下治具65はマウス部32の外径面と略同一径の大きさの絶縁性の材料やステンレスを用いた短円筒体65を備える。下治具65の内径寸法は、カップ状部用誘導加熱コイル58の外径よりも大である。上治具37は外輪31のステム部33の端面47と略同一径の絶縁性の材料やステンレスを用いた円柱体48を備える。
次に、この第2実施形態の高周波誘導加熱焼戻装置を使用した高周波誘導加熱焼戻方法を説明する。この場合も、図6に示した状態にセット(外輪31と、軸部用誘導加熱コイル54と、カップ状部用誘導加熱コイル58とが同一軸心L上に配設される状態)して、軸部用誘導加熱コイル54に高周波電流を印加する。そして、前記図1に示す高周波誘導加熱焼戻装置と同様、軸部用誘導加熱コイル54を、図6の矢印Gの方向に移動させてステム部33の外径面の誘導加熱を行う。
また、カップ状部用誘導加熱コイル58に高周波電流を印加する。これによって、カップ状部用誘導加熱コイル58に交流磁界が発生する。そして、図6の矢印Hで示すように、エリア(1)では速度v3でカップ状部用誘導加熱コイル58を移動させ、エリア(2)では速度v5でカップ状部用誘導加熱コイル58を移動させ、エリア(3)では速度v4でカップ状部用誘導加熱コイル58を移動させる。これにより、カップ状部用誘導加熱コイル58が内挿されるマウス部32の内径面を誘導加熱することができる。この際も、エリア(1)やエリア(3)において、高周波電源60の加熱出力を大とすることや、エリア(2)において、高周波電源60の加熱出力を小とすることができる。
このため、この図6に示す高周波誘導加熱焼戻装置は、図6におけるD部、E部、F部の温度変化が図5に示すグラフのように変化し、各部位において、焼戻しに必要な温度に上昇させることができる。すなわち、図6に示す高周波誘導加熱焼戻装置は、前記図1に示す高周波誘導加熱焼戻装置と同様の作用効果を奏することができる。特に、カップ状部にカップ状部用誘導加熱コイル58を内嵌しているので、カップ状部の内径面を効果的に加熱することができて熱硬化処理層を形成することができる。なお、図6に示す高周波誘導加熱焼戻装置において、図1に示す高周波誘導加熱焼戻装置と同様の構成については、図1と同一符号を付してその説明を省略する。
以上、本発明の実施形態につき説明したが、本発明は前記実施形態に限定されることなく種々の変形が可能であって、例えば、誘導加熱コイル50、54、58の巻き数、巻きピッチ、径寸法、導線の径寸法とは、ワークの大きさや形状等に応じて種々変更できる。誘導加熱コイル50、54、58の材質としては、高周波電流が流れて交流磁界を発生させるものであればよいので、従来から高周波熱誘導装置に用いられる種々のものを使用することができる。また、ワークとしては、等速自在継手の外側継手部材に限るものではなく、外径面に径が異なる円筒面を有する等の種々のワークを用いることができる。
本発明の第1実施形態を示す高周波熱誘導加熱装置の簡略断面図である。 前記高周波熱誘導加熱装置の軸部用誘導加熱コイルの移動速度を示すグラフ図である。 前記高周波熱誘導加熱装置のカップ状部用誘導加熱コイル及びカップ状部用誘導加熱コイルの移動速度を示すグラフ図である。 加熱時間と加熱温度との関係を示すグラフ図である。 加熱時間と加熱温度との関係を示すグラフ図である。 本発明の第2実施形態を示す高周波熱誘導加熱装置の簡略断面図である。 従来の高周波熱誘導加熱装置の簡略断面図である。 加熱時間と加熱温度との関係を示すグラフ図である。 加熱時間と加熱温度との関係を示すグラフ図である。 従来の他の高周波熱誘導加熱装置の簡略断面図である。 加熱時間と加熱温度との関係を示すグラフ図である。 加熱時間と加熱温度との関係を示すグラフ図である。
符号の説明
31 外側継手部材
32 マウス部
33 ステム部
50、58 カップ状部用誘導加熱コイル
54 軸部用誘導加熱コイル
52、56、60 高周波電源
53、57、61 リード線
S 熱硬化処理層

Claims (11)

  1. ワークを高周波誘導加熱する高周波誘導加熱焼戻装置であって、
    ワーク熱処理部の軸方向長さよりも短い軸方向長さの誘導加熱コイルと、この誘導加熱コイルをワーク熱処理部の軸方向に沿って移動させる移動手段と、前記誘導加熱コイルに高周波電流を印加する高周波電源と、前記高周波電源の電流印加量を制御する制御手段とを備えたことを特徴とする高周波誘導加熱焼戻装置。
  2. 前記誘導加熱コイルがワークに外嵌されてワークの外径面を加熱することを特徴とする請求項1の高周波誘導加熱焼戻装置。
  3. 前記ワークは筒部を有し、前記誘導加熱コイルが筒部に内嵌されて筒部の内径面を加熱することを特徴とする請求項1の高周波誘導加熱焼戻装置。
  4. 前記ワークはカップ状部と、前記カップ状部の底部から軸方向に一体的に延びる軸部とを有し、
    前記誘導加熱コイルは、軸部に外嵌される軸部用誘導加熱コイルと、カップ状部に内嵌又は外嵌されるカップ状部用誘導加熱コイルとを備えたことを特徴とする請求項1の高周波誘導加熱焼戻装置。
  5. 前記ワークは、加熱上昇率小部と加熱上昇率大部とを有し、加熱上昇率小部と加熱上昇率大部とで前記誘導加熱コイルの移動速度を変化させることを特徴とする請求項1〜4のいずれか1項の高周波誘導加熱焼戻装置。
  6. 前記ワークは、加熱上昇率小部と加熱上昇率大部とを有し、加熱上昇率小部と加熱上昇率大部とで前記制御手段にて電流印加量を変化させることを特徴とする請求項1〜4のいずれか1項の高周波誘導加熱焼戻装置。
  7. 前記ワークは、等速自在継手の外側継手部材であることを特徴とする請求項1〜6のいずれか1項の高周波誘導加熱焼戻装置。
  8. ワークを高周波誘導加熱する高周波誘導加熱焼戻方法であって、
    ワーク熱処理部の軸方向長さよりも短い軸方向長さの誘導加熱コイルを、ワーク熱処理部の軸方向に沿って移動させつつ、前記誘導加熱コイルへの高周波電流の印加量を制御することを特徴とする高周波誘導加熱焼戻方法。
  9. カップ状部と、前記カップ状部の底部から軸方向に一体的に延びる軸部とを有するワークに対して、その軸部の外径面及びカップ状部の内径面に熱硬化処理層を形成する高周波誘導加熱焼戻方法であって、
    カップ状部の熱処理部の軸方向長さよりも短い軸方向長さのカップ状部用誘導加熱コイルを、カップ状部に対して外嵌又は内嵌してカップ状部用誘導加熱コイルをカップ状部の軸方向に沿って移動させつつ、コイルに高周波電流を印加する工程と、
    軸部の熱処理部の軸方向長さよりも短い軸方向長さの軸部用誘導加熱コイルを、軸部に対して外嵌して軸部用誘導加熱コイルを軸部の軸方向に沿って移動させつつ、コイルに高周波電流を印加する工程とを備えることを特徴とする高周波誘導加熱焼戻方法。
  10. ワークにおける加熱上昇率小部での前記誘導加熱コイルの移動速度を、加熱上昇率大部でのコイル移動速度よりも遅くすることを特徴とする請求項8又は請求項9の高周波誘導加熱焼戻方法。
  11. ワークにおける加熱上昇率小部での加熱出力を、加熱上昇率大部での加熱出力よりも大きくすることを特徴とする請求項8又は請求項9の高周波誘導加熱焼戻方法。
JP2008192427A 2008-07-25 2008-07-25 高周波誘導加熱焼戻装置及び高周波誘導加熱焼戻方法 Expired - Fee Related JP5496478B2 (ja)

Priority Applications (1)

Application Number Priority Date Filing Date Title
JP2008192427A JP5496478B2 (ja) 2008-07-25 2008-07-25 高周波誘導加熱焼戻装置及び高周波誘導加熱焼戻方法

Applications Claiming Priority (1)

Application Number Priority Date Filing Date Title
JP2008192427A JP5496478B2 (ja) 2008-07-25 2008-07-25 高周波誘導加熱焼戻装置及び高周波誘導加熱焼戻方法

Publications (2)

Publication Number Publication Date
JP2010031305A true JP2010031305A (ja) 2010-02-12
JP5496478B2 JP5496478B2 (ja) 2014-05-21

Family

ID=41736130

Family Applications (1)

Application Number Title Priority Date Filing Date
JP2008192427A Expired - Fee Related JP5496478B2 (ja) 2008-07-25 2008-07-25 高周波誘導加熱焼戻装置及び高周波誘導加熱焼戻方法

Country Status (1)

Country Link
JP (1) JP5496478B2 (ja)

Cited By (1)

* Cited by examiner, † Cited by third party
Publication number Priority date Publication date Assignee Title
JP2013231206A (ja) * 2012-04-27 2013-11-14 Denso Corp 焼き戻し方法、および焼き戻し装置

Citations (4)

* Cited by examiner, † Cited by third party
Publication number Priority date Publication date Assignee Title
JPS59166624A (ja) * 1983-03-10 1984-09-20 Showa Mfg Co Ltd パイプの高周波誘導調質方法
JPS6487721A (en) * 1987-09-29 1989-03-31 High Frequency Heattreat High-frequency tempering method for cylindrical body with shaft
JPH01165725A (ja) * 1987-12-21 1989-06-29 Komatsu Ltd 高深度硬化したトラックブッシュおよびその製造方法
JPH059584A (ja) * 1991-06-28 1993-01-19 Ntn Corp 等速自在継手外輪の熱処理方法

Patent Citations (4)

* Cited by examiner, † Cited by third party
Publication number Priority date Publication date Assignee Title
JPS59166624A (ja) * 1983-03-10 1984-09-20 Showa Mfg Co Ltd パイプの高周波誘導調質方法
JPS6487721A (en) * 1987-09-29 1989-03-31 High Frequency Heattreat High-frequency tempering method for cylindrical body with shaft
JPH01165725A (ja) * 1987-12-21 1989-06-29 Komatsu Ltd 高深度硬化したトラックブッシュおよびその製造方法
JPH059584A (ja) * 1991-06-28 1993-01-19 Ntn Corp 等速自在継手外輪の熱処理方法

Cited By (1)

* Cited by examiner, † Cited by third party
Publication number Priority date Publication date Assignee Title
JP2013231206A (ja) * 2012-04-27 2013-11-14 Denso Corp 焼き戻し方法、および焼き戻し装置

Also Published As

Publication number Publication date
JP5496478B2 (ja) 2014-05-21

Similar Documents

Publication Publication Date Title
CN1973578B (zh) 通过感应加热对工件进行多频加热处理
JP6108612B2 (ja) 長尺状ワークの移動焼入装置、並びに、移動焼入方法
MX2012011957A (es) Tratamiento termico por induccion de una pieza de trabajo anular.
Grum Induction hardening
KR100557309B1 (ko) 고주파 유도가열 코일체
TWI743797B (zh) 移動淬火裝置及移動淬火方法
JP5496478B2 (ja) 高周波誘導加熱焼戻装置及び高周波誘導加熱焼戻方法
JP2001032016A (ja) 高周波誘導加熱装置
JP2011231371A (ja) 熱処理方法及び熱処理装置
JP5489325B2 (ja) 高周波誘導加熱方法及び高周波誘導加熱装置
JP2016201241A (ja) 高周波誘導加熱コイル
JP5179203B2 (ja) 筒形金属部材用熱処理装置
KR20160024935A (ko) 복합 워크피스의 싱글 샷 유도 가열을 위한 인덕터
US2730472A (en) Method of manufacturing hollow tubular articles
JP6438734B2 (ja) ワークの加熱方法及び焼入方法
JP4236108B2 (ja) 有底孔内表面加熱用誘導子
JP6146139B2 (ja) 多段形状軸部材の加熱装置、加熱方法及び加熱コイル
CN209010559U (zh) 激光热处理装置
JP4917819B2 (ja) 段階加熱を用いた誘導加熱方法及びその加熱を用いた誘導加熱装置
CN100460526C (zh) 纵导感应器以及阶梯轴纵导感应器扫描淬火工艺
JP2003268442A (ja) 誘導加熱コイル及びワークの誘導加熱方法
JP2007247025A (ja) 誘導加熱コイルとコアの配置方法及コア
WO2024057406A1 (ja) 移動焼入れ方法及び移動焼入れ装置
Rudnev Recent inventions and innovations in induction hardening of gears and gear-like components
JP6326318B2 (ja) 誘導加熱コイル及び誘導加熱方法

Legal Events

Date Code Title Description
A621 Written request for application examination

Free format text: JAPANESE INTERMEDIATE CODE: A621

Effective date: 20110627

A131 Notification of reasons for refusal

Free format text: JAPANESE INTERMEDIATE CODE: A131

Effective date: 20130327

A521 Request for written amendment filed

Free format text: JAPANESE INTERMEDIATE CODE: A523

Effective date: 20130520

TRDD Decision of grant or rejection written
A01 Written decision to grant a patent or to grant a registration (utility model)

Free format text: JAPANESE INTERMEDIATE CODE: A01

Effective date: 20140219

A61 First payment of annual fees (during grant procedure)

Free format text: JAPANESE INTERMEDIATE CODE: A61

Effective date: 20140305

R150 Certificate of patent or registration of utility model

Ref document number: 5496478

Country of ref document: JP

Free format text: JAPANESE INTERMEDIATE CODE: R150

R250 Receipt of annual fees

Free format text: JAPANESE INTERMEDIATE CODE: R250

R250 Receipt of annual fees

Free format text: JAPANESE INTERMEDIATE CODE: R250

R250 Receipt of annual fees

Free format text: JAPANESE INTERMEDIATE CODE: R250

R250 Receipt of annual fees

Free format text: JAPANESE INTERMEDIATE CODE: R250

R250 Receipt of annual fees

Free format text: JAPANESE INTERMEDIATE CODE: R250

LAPS Cancellation because of no payment of annual fees