JP2010025341A - ラジアル磁気軸受並びに多相交流調整器付き磁気軸受装置 - Google Patents

ラジアル磁気軸受並びに多相交流調整器付き磁気軸受装置 Download PDF

Info

Publication number
JP2010025341A
JP2010025341A JP2009169385A JP2009169385A JP2010025341A JP 2010025341 A JP2010025341 A JP 2010025341A JP 2009169385 A JP2009169385 A JP 2009169385A JP 2009169385 A JP2009169385 A JP 2009169385A JP 2010025341 A JP2010025341 A JP 2010025341A
Authority
JP
Japan
Prior art keywords
magnetic bearing
magnetic
regulator
radial
magnetic field
Prior art date
Legal status (The legal status is an assumption and is not a legal conclusion. Google has not performed a legal analysis and makes no representation as to the accuracy of the status listed.)
Granted
Application number
JP2009169385A
Other languages
English (en)
Other versions
JP5289223B2 (ja
JP2010025341A6 (ja
Inventor
Rolf Vollmer
フォルマー ロルフ
Current Assignee (The listed assignees may be inaccurate. Google has not performed a legal analysis and makes no representation or warranty as to the accuracy of the list.)
Siemens AG
Siemens Corp
Original Assignee
Siemens AG
Siemens Corp
Priority date (The priority date is an assumption and is not a legal conclusion. Google has not performed a legal analysis and makes no representation as to the accuracy of the date listed.)
Filing date
Publication date
Application filed by Siemens AG, Siemens Corp filed Critical Siemens AG
Publication of JP2010025341A publication Critical patent/JP2010025341A/ja
Publication of JP2010025341A6 publication Critical patent/JP2010025341A6/ja
Application granted granted Critical
Publication of JP5289223B2 publication Critical patent/JP5289223B2/ja
Expired - Fee Related legal-status Critical Current
Anticipated expiration legal-status Critical

Links

Images

Classifications

    • FMECHANICAL ENGINEERING; LIGHTING; HEATING; WEAPONS; BLASTING
    • F16ENGINEERING ELEMENTS AND UNITS; GENERAL MEASURES FOR PRODUCING AND MAINTAINING EFFECTIVE FUNCTIONING OF MACHINES OR INSTALLATIONS; THERMAL INSULATION IN GENERAL
    • F16CSHAFTS; FLEXIBLE SHAFTS; ELEMENTS OR CRANKSHAFT MECHANISMS; ROTARY BODIES OTHER THAN GEARING ELEMENTS; BEARINGS
    • F16C32/00Bearings not otherwise provided for
    • F16C32/04Bearings not otherwise provided for using magnetic or electric supporting means
    • F16C32/0406Magnetic bearings
    • F16C32/044Active magnetic bearings
    • F16C32/0459Details of the magnetic circuit
    • F16C32/0461Details of the magnetic circuit of stationary parts of the magnetic circuit
    • F16C32/0463Details of the magnetic circuit of stationary parts of the magnetic circuit with electromagnetic bias, e.g. by extra bias windings
    • FMECHANICAL ENGINEERING; LIGHTING; HEATING; WEAPONS; BLASTING
    • F16ENGINEERING ELEMENTS AND UNITS; GENERAL MEASURES FOR PRODUCING AND MAINTAINING EFFECTIVE FUNCTIONING OF MACHINES OR INSTALLATIONS; THERMAL INSULATION IN GENERAL
    • F16CSHAFTS; FLEXIBLE SHAFTS; ELEMENTS OR CRANKSHAFT MECHANISMS; ROTARY BODIES OTHER THAN GEARING ELEMENTS; BEARINGS
    • F16C32/00Bearings not otherwise provided for
    • F16C32/04Bearings not otherwise provided for using magnetic or electric supporting means
    • F16C32/0406Magnetic bearings
    • F16C32/044Active magnetic bearings
    • F16C32/0444Details of devices to control the actuation of the electromagnets
    • F16C32/0457Details of the power supply to the electromagnets
    • FMECHANICAL ENGINEERING; LIGHTING; HEATING; WEAPONS; BLASTING
    • F16ENGINEERING ELEMENTS AND UNITS; GENERAL MEASURES FOR PRODUCING AND MAINTAINING EFFECTIVE FUNCTIONING OF MACHINES OR INSTALLATIONS; THERMAL INSULATION IN GENERAL
    • F16CSHAFTS; FLEXIBLE SHAFTS; ELEMENTS OR CRANKSHAFT MECHANISMS; ROTARY BODIES OTHER THAN GEARING ELEMENTS; BEARINGS
    • F16C32/00Bearings not otherwise provided for
    • F16C32/04Bearings not otherwise provided for using magnetic or electric supporting means
    • F16C32/0406Magnetic bearings
    • F16C32/044Active magnetic bearings
    • F16C32/0474Active magnetic bearings for rotary movement
    • F16C32/048Active magnetic bearings for rotary movement with active support of two degrees of freedom, e.g. radial magnetic bearings
    • HELECTRICITY
    • H02GENERATION; CONVERSION OR DISTRIBUTION OF ELECTRIC POWER
    • H02KDYNAMO-ELECTRIC MACHINES
    • H02K7/00Arrangements for handling mechanical energy structurally associated with dynamo-electric machines, e.g. structural association with mechanical driving motors or auxiliary dynamo-electric machines
    • H02K7/08Structural association with bearings
    • H02K7/09Structural association with bearings with magnetic bearings

Landscapes

  • Engineering & Computer Science (AREA)
  • General Engineering & Computer Science (AREA)
  • Physics & Mathematics (AREA)
  • Electromagnetism (AREA)
  • Mechanical Engineering (AREA)
  • Power Engineering (AREA)
  • Magnetic Bearings And Hydrostatic Bearings (AREA)
  • Connection Of Motors, Electrical Generators, Mechanical Devices, And The Like (AREA)

Abstract

【課題】本発明は、円周方向に分布して配置された電磁石(1U、2U;1V、2V;1W、2W)を備えたコンパクトなラジアル磁気軸受を提供することを目的とする。
【解決手段】本発明に基づいて、電磁石(1U、2U;1V、2V;1W、2W)はそれぞれ磁気バイアスおよび多相回転磁界を発生するための共用のコイル(L1U、L2U;L1V、L2V;L1W、L2W)を有している。それらのコイルの第1半分群(L1U、L1V、L1W)および第2半分群(L2U、L2V、L2W)はそれぞれ中性点(S1、S2)に結線されている。その両中性点(S1、S2)は磁気バイアス励磁のために直流電源(2)に接続するために利用されている。それらのコイルの反対側端は回転磁界励磁のために多相交流調整器(3)に並列接続するために利用されている。
【選択図】図4

Description

本発明は、円周方向に分布して配置された電磁石を備えたラジアル磁気軸受に関する。かかる軸受は能動型磁気軸受あるいは能動型永久磁石軸受とも呼ばれる。
本発明はまた、かかるラジアル磁気軸受並びに回転磁界励磁用の多相交流調整器および磁気バイアス励磁用の直流電源を有する磁気軸受装置に関する。その交流調整器は好適にはインバータである。
ここで「半径方向」とは軸受けされたロータ軸の回転軸線に向いた方向であって、そこから離れる方向を意味する。「軸方向」とは回転軸線に対して平行な方向を意味し、「円周方向」とはロータ軸の回転軸線に対する接線方向を意味する。ロータ軸の運転中において、ロータ軸の回転軸線は実際には構造的回転軸線ないしラジアル磁気軸受の回転対称軸線に相当する。
分布して配置された少なくとも3個の電磁石とこれらの電磁石のコイルを制御するための電力調整器を有する磁気バイアス形の能動型ラジアル磁気マクスウェル・軸受装置が、特許文献1で知られている。その電力調整器として三相交流調整器が利用されている。そこでの形態に応じて、6個の電磁石が円周方向に相互に60°ずらして配置され、その電磁石は三相コイル付き回転磁界形電機固定子として形成されている。磁気バイアスを発生するために少なくとも1個の補助コイルが設けられている。それらの電磁石は星形結線あるいは三角結線で三相交流調整器に接続されている。さらに特許文献1に、ロータのx方向およびy方向における位置が設定値で予め与えられるような磁気マクスウェル・軸受装置の運転方法が開示されている。ロータのx方向およびy方向における位置は位置センサによって検出される。x方向およびy方向における制御偏差が計算される。続いて、2/3−位相変換によって、三相交流調整器に対する目標電流値が計算され、その三相交流調整器に与えられ、これによって、電磁石のコイルが、ロータの位置が設定可能な目標値に相当するように給電される。
かかる軸受は回転機のロータ軸を非接触式で摩耗無しに軸受するために設計されている。対象となる機械は1トン以上の質量と500kW以上特に数MW(メガワット)の定格電力を有する。かかる機械は例えば電動機、発電機、タービン機械、圧縮機、ポンプなどである。これらは最高で4000rpm以上の回転数を有する。その運転中において、ラジアル磁気軸受と被軸受けロータ軸との間の空隙は、好適には、特に0.3mm〜0.5mmの範囲に保たれる。
欧州特許第0845084号明細書
本発明の課題は、上述した従来技術から出発して、コイル構造についてより簡単なラジアル磁気軸受を提供することにある。また本発明の課題は、同等の磁気特性においてよりコンパクトなラジアル磁気軸受を提供することにある。
さらに本発明の課題は、かかるラジアル磁気軸受を備えた適切な磁気軸受装置を提供することにある。
この課題は特許請求の範囲の請求項1の特徴を有する(能動型)ラジアル磁気軸受によって解決される。その有利な実施態様は従属請求項2〜5に記載されている。また独立請求項6に、かかるラジアル磁気軸受を備えた磁気軸受装置が記載されている。その磁気軸受装置の有利な実施態様は従属請求項7〜9に記載されている。
本発明に基づいて、複数の電磁石はそれぞれ磁気バイアスおよび多相回転磁界を発生するための共用のコイルを有している。それらのコイルの第1半分群および第2半分群はそれぞれ中性点に結線されている。その両中性点は磁気バイアス励磁のために直流電源に接続するために利用される。それらのコイルの反対側端は回転磁界励磁のために相応した多相交流調整器に並列接続するために利用される。
本発明の大きな利点は、従来技術に比べて、電磁石当たり2個のコイルに代わって、1個(唯一)のコイルしか必要とされないことにある。これによって、本発明に基づくラジアル磁気軸受のコイル構造は、結線技術の観点並びに巻線作業コストの観点において顕著に簡単化される。もう1つの利点は、かかるラジアル磁気軸受が電磁石当たり唯一のコイルの利用によってよりコンパクトに実現できることにある。
有利な実施態様において、ラジアル磁気軸受は相数に応じた数の相接続端子並びに2つの磁気バイアス接続端子を有している。従って、相数が3である場合、ラジアル磁気軸受は3個の相接続端子と2個の磁気バイアス接続端子を有する。換言すれば、本発明に基づくラジアル軸受は、5個の電気接続端子を介して交流調整器および直流電源に接続することができる。代案として、並列のコイル端並びに両中性点を別の接続線を介して交流調整器および直流電源に接続することができる。
特に有利な実施態様において、電磁石が多相コイルを備えた回転磁界形電機固定子として形成されている。この場合、多相コイルはラジアル磁気軸受の相応した固定子スロットにはめ込まれ、ないしは巻線されている。このようにして、特にコンパクトなラジアル磁気軸受が得られる。
他の有利な実施態様において、回転磁界形電機固定子は、磁化バイアスの磁極対数pVと回転磁界の磁極対数pDが値1だけ異なっているように巻線されている。これによって、印加された回転磁界の相位置が設定可能な場合に、有利に、ロータ軸を位置調整するために円周方向に作用する2極の磁界軸が調整可能である。磁化バイアス磁界の磁極対数pV並びに多相回転磁界の磁極対数pDは、回転磁界形電機固定子の相応した巻線によって予め設定可能である。
好適には、この固定子多相コイルは穴数(Lochzahl)q=2/5の三相コイルである。その穴数は、固定子スロット数を相数、並びに回転磁界により発生された電磁石極の数で割り算した商である。
回転磁界形電機固定子が12個の固定子スロットを有していることが特に有利である。その場合、三相交流調整器による相応した励磁時に、磁化バイアス磁界は6の磁極対数pVを有し、三相回転磁界は5の磁極対数pDを有する。かかるラジアル磁気軸受は、有利に、構造的に非常に簡単で最もコンパクトな構造を有する。
ラジアル磁気軸受の内径とその軸長の比は、好適には、0.3〜2であり、特に、0.8〜1.25である。特別な用途において、その比は例えば0.2のようなそれ以下の値あるいは例えば5のようなそれ以上の値にもできる。
また本発明の課題は、本発明に基づくラジアル磁気軸受と、回転磁界励磁用の多相交流調整器と、磁化バイアス励磁用の直流電源を備えている磁気軸受装置によって解決される。かかる磁気軸受装置は、通常の交流調整器の利用並びに本発明によって特に簡単に実現できるコンパクトなラジアル軸受の利用によって、特にコンパクト且つ安価に製造できる。直流電源は交流調整器に対して電気的に分離することが可能である。
その軸受装置の1つの実施態様において、交流調整器は入力側の中間回路並びに後置接続されたインバータを有している。そのインバータは特に三相ユニットである。本発明に基づいて、直流供給は交流調整器の中間回路を介して行われる。交流調整器特にインバータへの直流電源の一体組入れによって、本発明に基づく磁気軸受装置の構造は一層簡単になる。直流電源は交流調整器の中間回路に直結できる。あるいはまた、中間回路に、DC/DC変換器が接続でき、このDC/DC変換器は電気的に分離された直流電源、即ち、無電位の直流電源を可能とする。
他の実施態様において、直流電源は磁化バイアス電流を調整するためのタイミング制御可能なスイッチ手段特にチョッパを有している。これによって、磁化バイアス電流に対して設定可能な電流値が形成できる。
さらに、かかる磁気軸受装置は、他の実施態様において、磁気的に軸受けすべきロータ軸のx方向およびy方向における位置を検出するための位置センサを有している。また、かかる磁気軸受装置は、x方向およびy方向におけるロータ軸の位置が設定できるように、ラジアル磁気軸受の回転磁界を励磁するための交流調整器に対する操作手段を備えた制御装置を有している。この制御装置は、好適には、位置センサによって検出されたロータ軸のx方向およびy方向における実際値が設定可能な目標値に相応するようにする調整手段を有している。このようにして、ロータ軸の特に精確な軸受けが可能となる。その制御装置は、好適には、交流調整器に一体に組み入れられている。位置センサは特に非接触式に位置を検出するように形成されている。その検出は例えば光学式あるいは磁気式に行われる。
以下図を参照して本発明並びにその有利な実施例を詳細に説明する。
ラジアル磁気軸受で軸受けされたロータ軸を備えた回転機の部分断面図。 従来における6個の電磁石を有するラジアル磁気軸受を制御するための三相交流調整器を備えた電気回路図。 交流調整器および本発明に基づくコイル結線付きラジアル磁気軸受を備えた磁気軸受装置の電気回路図の例。 図3におけるラジアル磁気軸受の側面図。 本発明に基づく磁気軸受装置の第1実施例の回路図。 本発明に基づく磁気軸受装置の第2実施例の回路図。
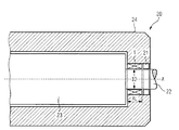
図1はラジアル磁気軸受1で軸受けされたロータ軸22を備えた回転機20の例を示している。この例において、回転機20はロータ軸22上に置かれた回転子23と固定子24とを有する電動機である。その回転機20は、あるいはまた、例えばポンプ、圧縮機、スピンドルあるいは他の回転機械でもある。さらにその回転機20は、好適には、タービン機械である。また、その回転機20はラジアル磁気軸受1のエネルギ供給の喪失時にロータ軸22を受けるための控え軸受21を有している。符号Aはロータ軸2の回転軸線、ALはラジアル磁気軸受1の軸長、IDはラジアル軸受1の内径である。この例において、その内径IDと軸長ALの比は例えば約1.5である。
図2は、上述の特許文献1に応じた従来技術における6個の電磁石を有するラジアル磁気軸受1を制御するための三相交流調整器3を備えた電気回路図を示している。この回路図では、付属する6個のコイルL1U、L2U、L1V、L2V、L1W、L2Wだけが示されている。3つの相U、V、Wのそれぞれの相に対して2個のコイルL1U、L2U;L1V、L2V;L1W、L2Wがそれぞれ直列接続され、中性点Sで結線されている。図示された3本の配線にはインバータ側で相電流iU、iV、iWが供給される。
この例において、交流調整器3は入力側の中間回路32とこれに後置接続されたいわゆる全ブリッジ回路におけるインバータユニット31とを備えたインバータである。符号34はタイミング制御可能なスイッチ手段特にパワートランジスター、35はフリーホィーリングダイオードである。入力側に印加された入力直流電圧Ueを安定するために、中間回路コンデンサ33が設けられている。また、6個の磁化バイアスコイルLVから成る直列回路が電圧中間回路32に並列接続されている。その直列回路を通して流れる磁化バイアス電流iOが中間回路32を介して供給される。この図には示されていない電磁石はそれぞれ1個の右側コイルL1U、L2U、L1V、L2V、L1W、L2Wとそれぞれ1個の磁気バイアスコイルLVを有している。図示された磁気軸受装置は6個の電磁石、従って、12個のコイルの配置を必要とする。
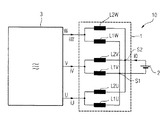
図3は、交流調整器3と本発明に基づくコイル結線付きラジアル磁気軸受1とを備えた磁気軸受装置10の例を示している。図示されたラジアル磁気軸受1は、好適には、直径線的に対を成して対向して位置し円周方向に分布して配置された電磁石1U、2U;1V、2V;1W、2Wを有し、これらの電磁石は円周方向に相互に60°ずらして配置されている。本発明に基づいて、電磁石1U、2U;1V、2V;1W、2Wはそれぞれ、磁化バイアスおよび回転磁界を発生するための共用のコイルL1U、L2U;L1V、L2V;L1W、L2Wを有している。すぐに理解できるように、従来における方式に比べて、有利に半数のコイルしか必要とされない。その場合、第1の半数のコイル群(L1U、L1V、L1W)および第2の半数のコイル群(L2U、L2V、、L2W)はそれぞれ中性点S1、S2で結線されている。この両中性点S1、S2は本発明に基づいて磁気バイアス励磁用の直流電源2に接続するために利用されている。これらのコイルの反対側端は回転磁界励磁のために回転磁界の相U、V、Wの数に応じた多相交流調整器3に並列接続するために利用されている。両中性点S1、S2は図示されていない接続線を介して磁気バイアス電気接続端子7、8に接続されている(図4参照)。磁気バイアス電流iOを供給するために電池記号で表された直流電源2がそれらの接続端子7、8を介して接続されている。図4の左側部分に、相数に応じた数、即ち、この実施例では3個の相接続端子4、5、6が存在している。これらの接続端子4、5、6は図示されていない接続線を介して、右下側部分に図示された3個(第1半分)の電磁石1U、1V、1WのコイルL1U、L1V、L1Wのコイル端に接続されている。それと並んで、左上側部分に図示された3個(第2半分)の電磁石2U、2V、2WのコイルL2U、L2V、L2Wのコイル端が、図示されていない接続線を介して位相接続端子4、5、6に接続されている。
図4は、それぞれ直径線的に対向して位置する2個の電磁石1U、2U;1V、2V;1W、2WのコイルL1U、L2U;L1V、L2V;L1W、L2Wが図示されていない応分の相電流iU、iV、iWで通電されることを示している。これによって、特に一定の磁化バイアス電流iOにより引き起こされた磁界が、供給される相電流iU、iV、iWの相状態に応じて、ある時は強められ、ある時は弱められる。換言すれば、図示されたロータ軸22は相状態に応じてある時は一方向に、ある時には他方向にもっと引き寄せられる。その都度の相電流iU、iV、iWを供給するために利用される交流調整器はこの図には示されていない。理解を容易にするためにロータ軸22の内側に、ロータ軸22の半径方向動きにおけるx方向並びにy方向が記されている。
好適には、電磁石1U、2U;1V、2V;1W、2Wは多相コイル付き回転磁界形電機固定子として形成されている。この場合、かかる固定子は多相コイルがはめ込まれる複数の固定子スロットを有している。好適には、かかる回転磁界形電機固定子は、磁化バイアスの磁極対数pVと回転磁界の磁極対数pDが値1だけ異なっているように巻線されている。
特にコンパクトなラジアル磁気軸受は、多相コイルが穴数(Lochzahl)q=2/5の三相コイルであることによって得られる。これは例えば、相応した三相コイルがはめ込まれた12個の固定子スロットを備えた回転磁界形電機固定子によって達成される。その三相コイルで発生された半径方向磁界は5の磁極対数pDを有し、これに対し、磁化バイアス磁界は6の磁極対数pVを有する。
図5は、第1実施例に応じた本発明に基づく磁気軸受装置10を示している。これは、図5の左側部分にインバータの形態の交流調整器3を有し、右側に結線済みラジアル磁気軸受1を有している。この回路図において、2つの中性点S1、S2における6個のコイルL1U、L2U;L1V、L2V;L1W、L2Wの本発明に基づく接続も理解できる。本発明に基づいて、交流調整器3の中間回路32,2を介して磁気バイアス電流iOの供給が行われる。換言すれば、中間回路32,2はラジアル磁気軸受1において磁気バイアスを発生するための直流電源2の機能を有する。その中間回路32,2に例として整流装置36が前置接続されている。この整流装置36は、例えば230Vの系統電圧のような入力交流電圧Unから、中間回路32,2に対する整流済み入力直流電圧Ueを供給する。符号15、16は交流調整器3の電源系統接続端子である。
図6は本発明に基づく磁気軸受装置10の第2実施例を示している。この場合、直流電源2は磁化バイアス電流iOを調整するためのタイミングスイッチ手段特にチョッパを有している。これによって、スイッチ手段37の相応したタイミング制御において、実際に無段階の磁化バイアス電流iOが発生できる。このようにして、例えばラジアル磁気軸受1の減衰特性が調整できる。
さらに、本発明に基づく磁気軸受装置10は、磁気的に軸受けすべきロータ軸22のx方向およびy方向における位置を検出するための図示されていない位置センサを有することができる。また、この磁気軸受装置10は、x方向およびy方向におけるロータ軸22の位置が設定できるように、ラジアル磁気軸受の回転磁界を励磁するための交流調整器に対する操作手段を備えた制御装置を有している。その制御装置は、好適には、位置センサによって検出されたロータ軸22のx方向およびy方向における実際値が設定可能な目標値になるようにする調整手段を有している。その相応した調整方法は上述した特許文献1に詳細に記載されている。
1 ラジアル磁気軸受
2 直流電源
3 交流調整器
10 磁気軸受装置
22 ロータ軸
31 インバータ
32 中間回路

Claims (9)

  1. 円周方向に分布して配置された電磁石(1U、2U;1V、2V;1W、2W)を備えたラジアル磁気軸受であって、
    電磁石(1U、2U;1V、2V;1W、2W)がそれぞれ磁気バイアスおよび多相回転磁界を発生するための共用のコイル(L1U、L2U;L1V、L2V;L1W、L2W)を有し、それらのコイルの第1半分群(L1U、L1V、L1W)および第2半分群(L2U、L2V、L2W)がそれぞれ中性点(S1、S2)に結線され、その両中性点(S1、S2)が磁気バイアス励磁のために直流電源(2)に接続するために利用され、これらのコイルの反対側端が回転磁界励磁のために相応した多相交流調整器(3)に並列接続するために利用されていることを特徴とする円周方向に分布して配置された電磁石(1U、2U;1V、2V;1W、2W)を備えたラジアル磁気軸受。
  2. ラジアル磁気軸受が相U、V、Wの数に応じた数の相接続端子(4〜6)並びに2つの磁気バイアス接続端子(7、8)を有していることを特徴とする請求項1に記載のラジアル磁気軸受。
  3. 電磁石(1U、2U;1V、2V;1W、2W)が多相コイルを備えた回転磁界形電機固定子として形成されていることを特徴とする請求項1又は2に記載のラジアル磁気軸受。
  4. 回転磁界形電機固定子が、磁化バイアスの磁極対数pVと回転磁界の磁極対数pDが値1だけ異なっているように巻線されていることを特徴とする請求項3に記載のラジアル磁気軸受。
  5. 多相コイルが穴数q=2/5の三相コイルであることを特徴とする請求項3又は4に記載のラジアル磁気軸受。
  6. 請求項1ないし5のいずれか1つに記載のラジアル磁気軸受(1)と、回転磁界励磁用の多相交流調整器(3)と、磁化バイアス励磁用の直流電源(2)を備えていることを特徴とする磁気軸受装置。
  7. 交流調整器(3)が入力側の中間回路(32)並びに後置接続されたインバータ(31)を有し、直流供給(2)が交流調整器(3)の中間回路(32)を介して行われることを特徴とする請求項6に記載の磁気軸受装置。
  8. 直流電源(2)が磁化バイアス電流(10)を調整するためのタイミング制御可能なスイッチ手段特にチョッパを有していることを特徴とする請求項7に記載の磁気軸受装置。
  9. − 磁気的に軸受けすべきロータ軸(22)のx方向およびy方向における位置を検出す るための位置センサと、
    − x方向およびy方向におけるロータ軸(22)の位置が設定できるように、ラジアル 磁気軸受の回転磁界を励磁するための交流調整器(3)に対する操作手段と、位置セン サによって検出されたロータ軸(22)のx方向およびy方向における実際値が設定可 能な目標値となるようにする調整手段を備えた制御装置と、
    を有していることを特徴とする請求項6ないし8のいずれか1つに記載の磁気軸受装置。
JP2009169385A 2008-07-21 2009-07-17 ラジアル磁気軸受並びに多相交流調整器付き磁気軸受装置 Expired - Fee Related JP5289223B2 (ja)

Applications Claiming Priority (2)

Application Number Priority Date Filing Date Title
EP08013120.4 2008-07-21
EP08013120A EP2148104A1 (de) 2008-07-21 2008-07-21 Magnetisches Radiallager sowie magnetisches Lagersystem mit Stromversorgung

Publications (3)

Publication Number Publication Date
JP2010025341A true JP2010025341A (ja) 2010-02-04
JP2010025341A6 JP2010025341A6 (ja) 2010-04-22
JP5289223B2 JP5289223B2 (ja) 2013-09-11

Family

ID=40111051

Family Applications (1)

Application Number Title Priority Date Filing Date
JP2009169385A Expired - Fee Related JP5289223B2 (ja) 2008-07-21 2009-07-17 ラジアル磁気軸受並びに多相交流調整器付き磁気軸受装置

Country Status (3)

Country Link
US (1) US8378541B2 (ja)
EP (1) EP2148104A1 (ja)
JP (1) JP5289223B2 (ja)

Cited By (3)

* Cited by examiner, † Cited by third party
Publication number Priority date Publication date Assignee Title
CN104204569A (zh) * 2012-04-04 2014-12-10 开利公司 多轴磁轴承和对具有主动开关拓扑的磁轴承的控制
CN105422621A (zh) * 2015-12-28 2016-03-23 宁波达奋精工轴承有限公司 主动式磁轴承
CN112039382A (zh) * 2020-09-01 2020-12-04 常州工学院 一种六极径向-轴向混合磁轴承的三相四线驱动方法

Families Citing this family (28)

* Cited by examiner, † Cited by third party
Publication number Priority date Publication date Assignee Title
DE102010001997B4 (de) 2010-02-16 2016-07-28 Siemens Aktiengesellschaft Linearmotor mit verminderter Kraftwelligkeit
DE102010028872A1 (de) 2010-05-11 2011-11-17 Siemens Aktiengesellschaft Antriebsvorrichtung für Dreh- und Linearbewegungen mit entkoppelten Trägheiten
CN102947606B (zh) * 2010-06-21 2015-08-19 英派尔科技开发有限公司 影响磁轴承中的磁场的系统
EP2659277B8 (en) * 2010-12-30 2018-05-23 Dresser-Rand Company Method for on-line detection of resistance-to-ground faults in active magnetic bearing systems
EP2508769B1 (de) 2011-04-06 2013-06-19 Siemens Aktiengesellschaft Magnetische Axiallagervorrichtung mit erhöhter Eisenfüllung
ES2452532T3 (es) * 2011-05-12 2014-04-01 Siemens Aktiengesellschaft Procedimiento para hacer funcionar un vibrador trifásico de un cojinete magnético alimentado por convertidor
EP2523319B1 (de) 2011-05-13 2013-12-18 Siemens Aktiengesellschaft Zylindrischer Linearmotor mit geringen Rastkräften
DK2530340T3 (da) * 2011-05-20 2014-10-06 Siemens Ag Magnetisk radialleje med trefaset styring
DE102011077488A1 (de) 2011-06-14 2012-12-20 Siemens Aktiengesellschaft Magnetlager mit Drehfeld und Verfahren
EP2604876B1 (de) 2011-12-12 2019-09-25 Siemens Aktiengesellschaft Magnetisches Radiallager mit Einzelblechen in tangentialer Richtung
DE102012202842A1 (de) 2012-02-24 2013-08-29 Siemens Aktiengesellschaft Magnetische Lagerung mit Kraftkompensation
US9250017B2 (en) 2012-03-16 2016-02-02 Jerry D. Miller Magnet supported rotary drum dryer
EP2639934B1 (de) 2012-03-16 2015-04-29 Siemens Aktiengesellschaft Rotor mit Permanenterregung, elektrische Maschine mit einem solchen Rotor und Herstellungsverfahren für den Rotor
EP2639936B1 (de) 2012-03-16 2015-04-29 Siemens Aktiengesellschaft Elektrische Maschine mit permanent erregtem Läufer und zugehöriger permanent erregter Läufer
EP2639935B1 (de) 2012-03-16 2014-11-26 Siemens Aktiengesellschaft Rotor mit Permanenterregung, elektrische Maschine mit einem solchen Rotor und Herstellungsverfahren für den Rotor
EP2709238B1 (de) 2012-09-13 2018-01-17 Siemens Aktiengesellschaft Permanenterregte Synchronmaschine mit Ferritmagneten
EP2793363A1 (de) 2013-04-16 2014-10-22 Siemens Aktiengesellschaft Einzelsegmentläufer mit Halteringen
WO2014169974A1 (de) 2013-04-17 2014-10-23 Siemens Aktiengesellschaft Elektrische maschine mit flusskonzentrierendem permanentmagnetro tor und reduzierung des axialen streuflusses
EP2838180B1 (de) 2013-08-16 2020-01-15 Siemens Aktiengesellschaft Läufer einer dynamoelektrischen rotatorischen Maschine
EP2928052A1 (de) 2014-04-01 2015-10-07 Siemens Aktiengesellschaft Elektrische Maschine mit permanenterregtem Innenstator und Aussenstator mit Wicklungen
EP2999090B1 (de) 2014-09-19 2017-08-30 Siemens Aktiengesellschaft Permanenterregter Läufer mit geführtem Magnetfeld
EP3035496B1 (de) 2014-12-16 2017-02-01 Siemens Aktiengesellschaft Rotor für eine permanentmagneterregte elektrische Maschine
EP3373421B1 (de) 2017-03-09 2019-11-20 Siemens Aktiengesellschaft Gehäuseeinheit für eine elektrische maschine
CN110462235B (zh) 2017-04-01 2021-08-03 开利公司 具有磁通升高的磁径向轴承
EP3607216B1 (en) 2017-04-01 2022-10-26 Carrier Corporation Magnetic radial bearing with flux boost
CN110475981B (zh) 2017-04-01 2021-07-20 开利公司 具有通量增强的磁性径向轴承
WO2022198444A1 (zh) * 2021-03-23 2022-09-29 中国科学院深圳先进技术研究院 一种磁悬浮系统
SE545125C2 (en) 2021-08-27 2023-04-11 Magstroem Ab Concentrated-winding electrical machines with floating exciter

Citations (4)

* Cited by examiner, † Cited by third party
Publication number Priority date Publication date Assignee Title
GB1478868A (en) * 1973-11-20 1977-07-06 Licentia Gmbh Radial active magnetic bearing
US4459502A (en) * 1982-11-17 1984-07-10 Westinghouse Electric Corp. Self-cascaded reluctance motor with axially laminated rotor
US20010013733A1 (en) * 1995-08-18 2001-08-16 Reto Schob Radial active magnetic bearing apparatus and a method for operating the same
JP2008501909A (ja) * 2004-06-08 2008-01-24 メコス トラックスラー アクチェンゲゼルシャフト 簡易配線を有する磁気軸受装置

Family Cites Families (9)

* Cited by examiner, † Cited by third party
Publication number Priority date Publication date Assignee Title
JPS563746B2 (ja) * 1972-12-22 1981-01-27
CH578759B5 (ja) 1973-08-23 1976-08-13 Ebauches Sa
US4348606A (en) * 1978-09-08 1982-09-07 Tokyo Shibaura Denki Kabushiki Kaisha Polyphase armature windings
US5237229A (en) * 1992-04-16 1993-08-17 Shinko Electric Co., Ltd. Magnetic bearing device with a rotating magnetic field
DE59609218D1 (de) * 1996-10-07 2002-06-20 Lust Antriebstechnik Gmbh Magnetische Lagervorrichtung und Verfahren zum Betrieb derselben
DE19852460A1 (de) * 1998-11-13 2000-05-25 Siemens Ag Wicklung für eine elektrische Maschine
DE102004058046B4 (de) * 2004-12-01 2012-10-31 Siemens Ag Hochpolige permanenterregte Synchronmaschine mit Zahnspulen
EP1863168B1 (de) * 2006-05-31 2020-02-26 Levitronix LLC Elektrische Mehrphasenmaschine sowie Verfahren zum Betreiben einer solchen
DE102006026402A1 (de) * 2006-06-07 2007-12-13 Robert Bosch Gmbh Wechselstromgenerator für Kraftfahrzeuge

Patent Citations (4)

* Cited by examiner, † Cited by third party
Publication number Priority date Publication date Assignee Title
GB1478868A (en) * 1973-11-20 1977-07-06 Licentia Gmbh Radial active magnetic bearing
US4459502A (en) * 1982-11-17 1984-07-10 Westinghouse Electric Corp. Self-cascaded reluctance motor with axially laminated rotor
US20010013733A1 (en) * 1995-08-18 2001-08-16 Reto Schob Radial active magnetic bearing apparatus and a method for operating the same
JP2008501909A (ja) * 2004-06-08 2008-01-24 メコス トラックスラー アクチェンゲゼルシャフト 簡易配線を有する磁気軸受装置

Cited By (4)

* Cited by examiner, † Cited by third party
Publication number Priority date Publication date Assignee Title
CN104204569A (zh) * 2012-04-04 2014-12-10 开利公司 多轴磁轴承和对具有主动开关拓扑的磁轴承的控制
CN105422621A (zh) * 2015-12-28 2016-03-23 宁波达奋精工轴承有限公司 主动式磁轴承
CN112039382A (zh) * 2020-09-01 2020-12-04 常州工学院 一种六极径向-轴向混合磁轴承的三相四线驱动方法
CN112039382B (zh) * 2020-09-01 2021-09-24 常州工学院 一种六极径向-轴向混合磁轴承的三相四线驱动方法

Also Published As

Publication number Publication date
JP5289223B2 (ja) 2013-09-11
EP2148104A1 (de) 2010-01-27
US8378541B2 (en) 2013-02-19
US20100013332A1 (en) 2010-01-21

Similar Documents

Publication Publication Date Title
JP5289223B2 (ja) ラジアル磁気軸受並びに多相交流調整器付き磁気軸受装置
JP2010025341A6 (ja) ラジアル磁気軸受並びに多相交流調整器付き磁気軸受装置
JP5449892B2 (ja) 永久磁石励磁式ラジアル磁気軸受並びにそのラジアル磁気軸受を備えた磁気軸受装置
JP2010025342A6 (ja) 永久磁石励磁式ラジアル磁気軸受並びにそのラジアル磁気軸受を備えた磁気軸受装置
US8085004B2 (en) Generator with quadrature AC excitation
US7134180B2 (en) Method for providing slip energy control in permanent magnet electrical machines
JP5216686B2 (ja) 永久磁石形発電機
US9543876B2 (en) Three phase flux switching generator in a three stage wound field synchronous machine
EP3316459B1 (en) Electric motors
KR100725758B1 (ko) 전동 송풍기 및 이를 이용한 자동차용 전동 과급기
US10992190B2 (en) Self-exciting synchronous reluctance generators
JP2015509697A (ja) 同期式の電気機械
KR0167573B1 (ko) 브러시리스 유도 동기 전동기
CN111247736A (zh) 防止电机中的永磁体消磁的系统和方法
US6891301B1 (en) Simplified hybrid-secondary uncluttered machine and method
JP2007512800A (ja) 永久磁石機械におけるセンサレス制御のためのシステム
JP2017093030A (ja) 回転電機
Chung et al. Design considerations and validation of permanent magnet vernier machine with consequent pole rotor for low speed servo applications
JP2016178801A (ja) スイッチトリラクタンス回転機、及び回転装置
JP5795170B2 (ja) 発電システム
JP2008178187A (ja) 多相誘導機
JP2014045649A (ja) 電気機械、および、電気機械の動作方法
JP2006158166A (ja) センサレス同期電動機とその駆動方法及び装置
US20040164701A1 (en) Electrodynamic machines and components therefor and methods of making and using same
KR100754448B1 (ko) 영구 자석의 슬릿 현상으로 인한 역기전력이 감소되는발전기 및 모터

Legal Events

Date Code Title Description
A621 Written request for application examination

Free format text: JAPANESE INTERMEDIATE CODE: A621

Effective date: 20120618

RD03 Notification of appointment of power of attorney

Free format text: JAPANESE INTERMEDIATE CODE: A7423

Effective date: 20120618

A977 Report on retrieval

Free format text: JAPANESE INTERMEDIATE CODE: A971007

Effective date: 20130430

A01 Written decision to grant a patent or to grant a registration (utility model)

Free format text: JAPANESE INTERMEDIATE CODE: A01

Effective date: 20130507

A61 First payment of annual fees (during grant procedure)

Free format text: JAPANESE INTERMEDIATE CODE: A61

Effective date: 20130604

R250 Receipt of annual fees

Free format text: JAPANESE INTERMEDIATE CODE: R250

LAPS Cancellation because of no payment of annual fees