JP2010021522A - 面発光レーザ素子、面発光レーザアレイ、光走査装置、及び画像形成装置 - Google Patents

面発光レーザ素子、面発光レーザアレイ、光走査装置、及び画像形成装置 Download PDF

Info

Publication number
JP2010021522A
JP2010021522A JP2009093021A JP2009093021A JP2010021522A JP 2010021522 A JP2010021522 A JP 2010021522A JP 2009093021 A JP2009093021 A JP 2009093021A JP 2009093021 A JP2009093021 A JP 2009093021A JP 2010021522 A JP2010021522 A JP 2010021522A
Authority
JP
Japan
Prior art keywords
emitting laser
light
optical
laser element
layer
Prior art date
Legal status (The legal status is an assumption and is not a legal conclusion. Google has not performed a legal analysis and makes no representation as to the accuracy of the status listed.)
Granted
Application number
JP2009093021A
Other languages
English (en)
Other versions
JP5669364B2 (ja
Inventor
Naoto Jikutani
直人 軸谷
Shunichi Sato
俊一 佐藤
Satoru Sugawara
悟 菅原
Current Assignee (The listed assignees may be inaccurate. Google has not performed a legal analysis and makes no representation or warranty as to the accuracy of the list.)
Ricoh Co Ltd
Original Assignee
Ricoh Co Ltd
Priority date (The priority date is an assumption and is not a legal conclusion. Google has not performed a legal analysis and makes no representation as to the accuracy of the date listed.)
Filing date
Publication date
Priority to JP2009093021A priority Critical patent/JP5669364B2/ja
Application filed by Ricoh Co Ltd filed Critical Ricoh Co Ltd
Priority to US12/989,538 priority patent/US8891571B2/en
Priority to CN201210493444.4A priority patent/CN102983498B/zh
Priority to KR1020107024687A priority patent/KR101292390B1/ko
Priority to KR1020127019776A priority patent/KR101363690B1/ko
Priority to EP09738903.5A priority patent/EP2277246B1/en
Priority to CN2009801254479A priority patent/CN102077428B/zh
Priority to PCT/JP2009/058733 priority patent/WO2009133966A1/en
Priority to TW098114632A priority patent/TWI396350B/zh
Publication of JP2010021522A publication Critical patent/JP2010021522A/ja
Priority to US14/512,592 priority patent/US9570887B2/en
Application granted granted Critical
Publication of JP5669364B2 publication Critical patent/JP5669364B2/ja
Active legal-status Critical Current
Anticipated expiration legal-status Critical

Links

Images

Landscapes

  • Semiconductor Lasers (AREA)
  • Laser Beam Printer (AREA)
  • Mechanical Optical Scanning Systems (AREA)

Abstract

【課題】「負のドループ特性」を抑制するとともに、単一基本横モード発振において高出力動作を可能とする。
【解決手段】 活性層105を含む共振器構造体、該共振器構造体を挟んで設けられた下部半導体DBR103と上部半導体DBR107を備えている。上部半導体DBR107は、アルミニウムを含む厚さ30nmの被選択酸化層の一部が酸化されて生成された酸化物を少なくとも含む酸化層108aが電流通過領域108bを取り囲み、注入電流と発振光の横モードを同時に閉じこめることができる酸化狭窄構造体をその中に含んでいる。下部半導体DBR103は、共振器構造体に対して基板101側に設けられ、横方向に関する光閉じ込めを低減させる光閉じ込め低減領域としての第2の下部半導体DBRを有している。これにより、「負のドループ特性」を抑制するとともに、単一基本横モード発振において高出力動作が可能となる。
【選択図】図3

Description

本発明は、面発光レーザ素子、面発光レーザアレイ、光走査装置、及び画像形成装置に係り、更に詳しくは、基板に対して垂直方向に光を出力する面発光レーザ素子、該面発光レーザ素子が集積された面発光レーザアレイ、前記面発光レーザ素子あるいは前記面発光レーザアレイを有する光走査装置、該光走査装置を備える画像形成装置に関する。
面発光レーザ素子はその構造上、低閾値電流化及び低消費電力化が容易であるという特徴を備えている。近年、それまでに研究されていたイオン注入型の面発光レーザ素子に比べて、より低閾値電流化が可能で、高速応答性に優れた酸化狭窄型の面発光レーザ素子が精力的に研究されている(例えば、非特許文献1参照)。
酸化狭窄型の面発光レーザ素子は、酸化物による横モードの光閉じ込めが良好で、発振モード特性が安定であるという利点を備えているが、酸化物による光閉じ込めが大きすぎるために、単一基本横モード発振を得ることが難しい。なお、以下では、酸化狭窄型の面発光レーザ素子を、便宜上、単に「面発光レーザ素子」という。
従来、単一基本横モード制御を行う方法として、電流注入領域(電流通過領域)である非酸化領域の面積を小さくし、高次横モードが閉じ込められて発振しないように、言い換えると高次横モードがカットオフされるようにする方法が広く採用されていた。
また、単一基本横モード制御を行う別の方法として、酸化物による横モードの光閉じ込めの強さを小さくする方法が提案された。横モードの光閉じ込めの強さが小さいと高次モード発振が抑制される。この場合には、非酸化領域の面積を小さくする必要はないので、熱的特性及び電気的特性はいずれも向上する方向に向かう。そこで、飽和出力が向上し、変調速度も向上することとなる。酸化物による光閉じ込めの強さを低減するため、従来、酸化物の位置を活性層から遠ざけるか、または、酸化物の厚さを薄くしていた。
面発光レーザ素子は基板に垂直な方向にレーザ出力が取り出せることから、高密度で2次元的に集積することが容易であり、高速で高精細の電子写真システム等への応用が検討され始めている。例えば、非特許文献2には、780nm帯のVCSELアレイ(面発光レーザアレイ)を用いたプリンタが開示されている。また、特許文献1には、マルチスポット光源を有するマルチスポット画像形成装置が開示されている。一般的には、単一基本横モードで高出力動作が可能な面発光レーザ素子を用いることにより、より高速な光書き込みが実現可能である。
電子写真などでは、光源に駆動電流を供給したときの、光源の光出力の応答波形(光出力の時間変化、以下では、「光波形」ともいう)における立ち上がりの挙動は、画像品質に極めて大きな影響を与える。例えば、光波形における立ち上がり時間は勿論のこと、立ち上がりの初期において光出力が一定光量に達した後に、光量が僅かに変動しても画像の品質を低下させるおそれがある。
これは、光波形の立ち上がり時及び立下り時に形成されるのが、いずれも画像の輪郭部分であり、特に立ち上がり時、及び略立ち上がったとみなせる状態から暫くの間で光量が変化すると画像の輪郭が不明瞭となり、視覚的に鮮明さを欠く画質となるからである。
例えば、A4用紙幅(縦)約300mmの1ラインを走査するのに要する時間が300μsであれば、1μsの時間に約1mm幅が走査される。画像濃度の変動に対して、人の目の視覚感度が最も高くなる幅は1〜2mmであると言われている。そこで、約1mm幅において画像濃度が変動すると、その濃度変化は人の目で検出されるに十分なものとなって、輪郭が不鮮明な印象を与えることになる。
図49は、面発光レーザ素子を、パルス幅500μs、デューティ50%(パルス周期1ms)のパルス条件で駆動したときの光波形を示したものである。図49に示されるように、比較的長い時間スケールで見ると、光出力は立ち上がり直後に一度ピークを示した後、光出力が低下し安定になっている。この光出力の変化は、面発光レーザ素子の自己発熱によるものであり、一般的に「ドループ特性」と呼ばれている。
ところで、発明者らが詳細な検討を行ったところ、図49における光波形の立ち上がり近傍を拡大した図50に示されるように、短い時間スケールで見てみると、「ドループ特性」とは異なる光出力の変化が生じているという新しい知見を得た。
図50では、光出力は、10ns経過しても立ち上がった状態とならず、約200ns経過すると略立ち上がった状態となっているが、その後1μs程度までの時間の間に次第に増加している。このような現象(特性)は、発明者らによって新たに見出されたものである。本明細書では、このような特性を「負のドループ特性」と呼ぶこととする。なお、従来の端面発光レーザ素子では、このような「負のドループ特性」は、見られることはない。
面発光レーザ素子で高品質な画質を得るには、立ち上がり時の光応答波形を適切に制御する必要があり、上記「負のドループ特性」を有する面発光レーザ素子では高品質な画像を得るのが難しいことが明らかになった。
本発明は、上述した発明者等の得た新規知見に基づいてなされたものであり、以下の構成を有するものである。
本発明は、第1の観点からすると、基板に対して垂直方向に光を出力する面発光レーザ素子であって、活性層を含む共振器構造体と;前記共振器構造体を挟んで設けられ、アルミニウムを含む被選択酸化層の一部が酸化されて生成された酸化物を少なくとも含む酸化物が電流通過領域を取り囲み、注入電流と発振光の横モードを同時に閉じこめることができる狭窄構造体をその中に含む半導体多層膜反射鏡と;を備え、前記被選択酸化層の厚さは少なくとも25nmであり、前記半導体多層膜反射鏡は、前記共振器構造体に対して前記基板側に、横方向に関する光閉じ込めを低減させる光閉じ込め低減部を有することを特徴とする面発光レーザ素子である。
これによれば、「負のドループ特性」を抑制するとともに、単一基本横モード発振において高出力動作が可能となる。
本発明は、第2の観点からすると、本発明の面発光レーザ素子が集積された面発光レーザアレイである。
これによれば、本発明の面発光レーザ素子が集積されているため、「負のドループ特性」を抑制するとともに、単一基本横モード発振において高出力動作が可能となる。
本発明は、第3の観点からすると、光によって被走査面を走査する光走査装置であって、本発明の面発光レーザ素子を有する光源と;前記光源からの光を偏向する偏向器と;前記偏向器で偏向された光を前記被走査面上に集光する走査光学系と;を備える光走査装置である。
本発明は、第4の観点からすると、光によって被走査面を走査する光走査装置であって、本発明の面発光レーザアレイを有する光源と;前記光源からの光を偏向する偏向器と;前記偏向器で偏向された光を前記被走査面上に集光する走査光学系と;を備える光走査装置である。
上記各光走査装置によれば、本発明の面発光レーザ素子あるいは本発明の面発光レーザアレイを有しているため、結果として、高精度の光走査を行うことが可能となる。
本発明は、第5の観点からすると、少なくとも1つの像担持体と;前記少なくとも1つの像担持体に対して画像情報が含まれる光を走査する少なくとも1つの本発明の光走査装置と;を備える画像形成装置。
これによれば、少なくとも1つの本発明の光走査装置を備えているため、高品質の画像を形成することが可能となる。
本発明の一実施形態に係るレーザプリンタの概略構成を説明するための図である。 図1における光走査装置を示す概略図である。 図2における光源に含まれる面発光レーザ素子の概略構成を説明するための図である。 図4(A)及び図4(B)は、それぞれ図3における基板を説明するための図である。 図3における下部半導体DBRの一部を拡大した図である。 図3における活性層近傍を拡大した図である。 従来の面発光レーザ素子を、パルス周期1ms、デューティ50%の方形波電流パルスで駆動したときの光波形を説明するための図である。 従来の面発光レーザ素子を、パルス周期100ns、デューティ50%の方形波電流パルスで駆動したときの光波形を説明するための図である。 作り付けの有効屈折率差Δneffを説明するための図(その1)である。 図10(A)及び図10(B)は、それぞれ作り付けの有効屈折率差Δneffを説明するための図(その2)である。 図11(A)及び図11(B)は、それぞれ内部温度が上昇したときの有効屈折率差Δneffを説明するための図である。 室温での横方向の光閉じ込めが不十分な面発光レーザ素子における、内部温度の上昇によるI−L曲線のシフトを説明するための図である。 図12のときの光波形を説明するための図である。 計算に用いた各屈折率を説明するための図である。 光閉じ込め係数と被選択酸化層の厚さ及び酸化狭窄径の関係を説明するための図(その1)である。 光閉じ込め係数と被選択酸化層の厚さ及び酸化狭窄径の関係を説明するための図(その2)である。 光閉じ込め係数と被選択酸化層の厚さ及び酸化狭窄径の関係を説明するための図(その3)である。 25℃での基本横モードの光閉じ込め係数が約0.983となる面発光レーザ素子の光波形を説明するための図である。 25℃での基本横モードの光閉じ込め係数が約0.846となる面発光レーザ素子の光波形を説明するための図である。 25℃での面発光レーザ素子における被選択酸化層の厚さとドループ率との関係を説明するための図である。 Δλ>0を説明するための図である。 Δλ<0を説明するための図である。 発振閾値電流と測定温度との関係を説明するための図である。 ディチューニング量と閾値電流が最小となる温度との関係を説明するための図である。 ドループ率と閾値電流が最小となる温度との関係を説明するための図(その1)である。 ドループ率と閾値電流が最小となる温度との関係を説明するための図(その2)である。 光閉じ込め低減領域Aのペア数と基本横モードの光閉じ込め係数との関係を説明するための図である。 計算に用いた従来の面発光レーザ素子の構造を説明するための図である。 計算に用いた光閉じ込め低減領域を有する面発光レーザ素子の構造を説明するための図である。 計算に用いた従来の面発光レーザ素子における下部半導体DBRの構造を説明するための図である。 光閉じ込め低減領域Aを説明するための図である。 光閉じ込め低減領域Bを説明するための図である。 光閉じ込め低減領域Bのペア数と基本横モードの光閉じ込め係数との関係を説明するための図である。 光閉じ込め低減領域Cを説明するための図である。 光閉じ込め低減領域Cのペア数と基本横モードの光閉じ込め係数との関係を説明するための図である。 光閉じ込め低減領域の効果を説明するための図である。 吸収損失低減層を説明するための図(その1)である。 吸収損失低減層を説明するための図(その2)である。 吸収損失低減層の光閉じ込め係数に及ぼす影響を説明するための図である。 光閉じ込め低減領域及び吸収損失低減層の効果を説明するための図(その1)である。 光閉じ込め低減領域及び吸収損失低減層の効果を説明するための図(その2)である。 光閉じ込め低減領域の変形例1を説明するための図である。 光閉じ込め低減領域の変形例2を説明するための図である。 光閉じ込め低減領域の変形例3を説明するための図である。 面発光レーザアレイを説明するための図である。 図45における発光部の2次元配列を説明するための図である。 図46のA−A断面図である。 カラープリンタの概略構成を説明するための図である。 従来の面発光レーザ素子の光波形を説明するための図である。 図49における立ち上がり近傍を拡大した図である。
以下、本発明の一実施形態を図1〜図41に基づいて説明する。図1には、本発明の一実施形態に係るレーザプリンタ1000の概略構成が示されている。
このレーザプリンタ1000は、光走査装置1010、感光体ドラム1030、帯電チャージャ1031、現像ローラ1032、転写チャージャ1033、除電ユニット1034、クリーニングユニット1035、トナーカートリッジ1036、給紙コロ1037、給紙トレイ1038、レジストローラ対1039、定着ローラ1041、排紙ローラ1042、排紙トレイ1043、通信制御装置1050、及び上記各部を統括的に制御するプリンタ制御装置1060などを備えている。なお、これらは、プリンタ筐体1044の中の所定位置に収容されている。
通信制御装置1050は、ネットワークなどを介した上位装置(例えばパソコン)との双方向の通信を制御する。
感光体ドラム1030は、円柱状の部材であり、その表面には感光層が形成されている。すなわち、感光体ドラム1030の表面が被走査面である。そして、感光体ドラム1030は、図1における矢印方向に回転するようになっている。
帯電チャージャ1031、現像ローラ1032、転写チャージャ1033、除電ユニット1034及びクリーニングユニット1035は、それぞれ感光体ドラム1030の表面近傍に配置されている。そして、感光体ドラム1030の回転方向に沿って、帯電チャージャ1031→現像ローラ1032→転写チャージャ1033→除電ユニット1034→クリーニングユニット1035の順に配置されている。
帯電チャージャ1031は、感光体ドラム1030の表面を均一に帯電させる。
光走査装置1010は、帯電チャージャ1031で帯電された感光体ドラム1030の表面に、上位装置からの画像情報に基づいて変調された光束を照射する。これにより、画像情報に対応した潜像が感光体ドラム1030の表面に形成される。ここで形成された潜像は、感光体ドラム1030の回転に伴って現像ローラ1032の方向に移動する。なお、この光走査装置1010の構成については後述する。
トナーカートリッジ1036にはトナーが格納されており、該トナーは現像ローラ1032に供給される。
現像ローラ1032は、感光体ドラム1030の表面に形成された潜像にトナーカートリッジ1036から供給されたトナーを付着させて画像情報を顕像化させる。ここでトナーが付着した潜像(以下では、便宜上「トナー像」ともいう)は、感光体ドラム1030の回転に伴って転写チャージャ1033の方向に移動する。
給紙トレイ1038には記録紙1040が格納されている。この給紙トレイ1038の近傍には給紙コロ1037が配置されており、該給紙コロ1037は、記録紙1040を給紙トレイ1038から1枚づつ取り出し、レジストローラ対1039に搬送する。該レジストローラ対1039は、給紙コロ1037によって取り出された記録紙1040を一旦保持するとともに、該記録紙1040を感光体ドラム1030の回転に合わせて感光体ドラム1030と転写チャージャ1033との間隙に向けて送り出す。
転写チャージャ1033には、感光体ドラム1030の表面上のトナーを電気的に記録紙1040に引きつけるために、トナーとは逆極性の電圧が印加されている。この電圧により、感光体ドラム1030の表面のトナー像が記録紙1040に転写される。ここで転写された記録紙1040は、定着ローラ1041に送られる。
定着ローラ1041では、熱と圧力とが記録紙1040に加えられ、これによってトナーが記録紙1040上に定着される。ここで定着された記録紙1040は、排紙ローラ1042を介して排紙トレイ1043に送られ、排紙トレイ1043上に順次スタックされる。
除電ユニット1034は、感光体ドラム1030の表面を除電する。
クリーニングユニット1035は、感光体ドラム1030の表面に残ったトナー(残留トナー)を除去する。残留トナーが除去された感光体ドラム1030の表面は、再度帯電チャージャ1031に対向する位置に戻る。
次に、前記光走査装置1010の構成について説明する。
この光走査装置1010は、一例として図2に示されるように、偏向器側走査レンズ11a、像面側走査レンズ11b、ポリゴンミラー13、光源14、カップリングレンズ15、開口板16、アナモルフィックレンズ17、反射ミラー18、及び走査制御装置(図示省略)などを備えている。そして、これらは、ハウジング30の中の所定位置に組み付けられている。
なお、以下では、便宜上、主走査方向に対応する方向を「主走査対応方向」と略述し、副走査方向に対応する方向を「副走査対応方向」と略述する。
カップリングレンズ15は、光源14から出力された光束を略平行光とする。
開口板16は、開口部を有し、カップリングレンズ15を介した光束のビーム径を規定する。
アナモルフィックレンズ17は、開口板16の開口部を通過した光束を、反射ミラー18を介してポリゴンミラー13の偏向反射面近傍に副走査対応方向に関して結像する。
光源14とポリゴンミラー13との間の光路上に配置される光学系は、偏向器前光学系とも呼ばれている。本実施形態では、偏向器前光学系は、カップリングレンズ15と開口板16とアナモルフィックレンズ17と反射ミラー18とから構成されている。
ポリゴンミラー13は、一例として内接円の半径が18mmの6面鏡を有し、各鏡がそれぞれ偏向反射面となる。このポリゴンミラー13は、副走査対応方向に平行な軸の周りを等速回転しながら、反射ミラー18からの光束を偏向する。
偏向器側走査レンズ11aは、ポリゴンミラー13で偏向された光束の光路上に配置されている。
像面側走査レンズ11bは、偏向器側走査レンズ11aを介した光束の光路上に配置されている。そして、この像面側走査レンズ11bを介した光束が、感光体ドラム1030の表面に照射され、光スポットが形成される。この光スポットは、ポリゴンミラー13の回転に伴って感光体ドラム1030の長手方向に移動する。すなわち、感光体ドラム1030上を走査する。このときの光スポットの移動方向が「主走査方向」である。また、感光体ドラム1030の回転方向が「副走査方向」である。
ポリゴンミラー13と感光体ドラム1030との間の光路上に配置される光学系は、走査光学系とも呼ばれている。本実施形態では、走査光学系は、偏向器側走査レンズ11aと像面側走査レンズ11bとから構成されている。なお、偏向器側走査レンズ11aと像面側走査レンズ11bの間の光路上、及び像面側走査レンズ11bと感光体ドラム1030の間の光路上の少なくとも一方に、少なくとも1つの折り返しミラーが配置されても良い。
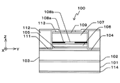
光源14は、一例として図3に示されるように、面発光レーザ素子100を有している。なお、本明細書では、レーザ発振方向をZ軸方向とし、Z軸方向に垂直な面内における互いに直交する2つの方向をX軸方向及びY軸方向として説明する。
面発光レーザ素子100は、設計上の発振波長が780nm帯の面発光レーザ素子であり、基板101、バッファ層102、下部半導体DBR103、下部スペーサ層104、活性層105、上部スペーサ層106、上部半導体DBR107、コンタクト層109などを有している。
基板101は、表面が鏡面研磨面であり、図4(A)に示されるように、鏡面研磨面の法線方向が、結晶方位[1 0 0]方向に対して、結晶方位[1 1 1]A方向に向かって15度(θ=15度)傾斜したn−GaAs単結晶基板である。すなわち、基板101は、いわゆる傾斜基板である。ここでは、図4(B)に示されるように、結晶方位[0 1 −1]方向が+X方向、結晶方位[0 −1 1]方向が−X方向となるように配置されている。
バッファ層102は、基板101の+Z側の面上に積層され、n−GaAsからなる層である。
下部半導体DBR103は、一例として図5に示されるように、第1の下部半導体DBR1031と、第2の下部半導体DBR1032と、第3の下部半導体DBR1033とを有している。
第1の下部半導体DBR1031は、バッファ層102の+Z側に積層され、n−AlAsからなる低屈折率層103aと、n−Al0.3Ga0.7Asからなる高屈折率層103bのペアを36.5ペア有している。各屈折率層の間には、電気抵抗を低減するため、一方の組成から他方の組成へ向かって組成を徐々に変化させた組成傾斜層(図示省略)が設けられている。そして、各屈折率層はいずれも、隣接する組成傾斜層の1/2を含んで、発振波長をλとするとλ/4の光学厚さとなるように設定されている。ところで、光学厚さがλ/4のとき、その層の実際の厚さdは、d=λ/4N(但し、Nはその層の媒質の屈折率)である。
第2の下部半導体DBR1032は、第1の下部半導体DBR1031の+Z側に積層され、低屈折率層103aと高屈折率層103bのペアを3ペア有している。各屈折率層の間には、電気抵抗を低減するため、一方の組成から他方の組成へ向かって組成を徐々に変化させた組成傾斜層(図示省略)が設けられている。そして、低屈折率層103aは、隣接する組成傾斜層の1/2を含んで、3λ/4の光学厚さとなるように設定され、高屈折率層103bは、隣接する組成傾斜層の1/2を含んで、λ/4の光学厚さとなるように設定されている。この第2の下部半導体DBR1032が、「光閉じ込め低減領域」となる。
第3の下部半導体DBR1033は、第2の下部半導体DBR1032の+Z側に積層され、低屈折率層103aと高屈折率層103bのペアを1ペア有している。各屈折率層の間には、電気抵抗を低減するため、一方の組成から他方の組成へ向かって組成を徐々に変化させた組成傾斜層(図示省略)が設けられている。そして、各屈折率層はいずれも、隣接する組成傾斜層の1/2を含んで、λ/4の光学厚さとなるように設定されている。
このように、本実施形態では、下部半導体DBR103は、低屈折率層103aと高屈折率層103bのペアを合計で40.5ペア有している。
下部スペーサ層104は、第3の下部半導体DBR1033の+Z側に積層され、ノンドープの(Al0.1Ga0.90.5In0.5Pからなる層である。
活性層105は、下部スペーサ層104の+Z側に積層され、一例として図6に示されるように、GaInAsPからなる量子井戸層105aとGaInPからなる障壁層105bとを有する3重量子井戸活性層である。量子井戸層105aは780nm帯の発振波長を得るために、GaInP混晶にAsを導入したものであり圧縮歪みを有する。また、障壁層105bは、引張歪みを導入することによってバンドギャップを大きくし、高いキャリア閉じ込めを実現するとともに、量子井戸層105aの歪み補償構造を形成している。
ここでは、基板101に傾斜基板が用いられているため、活性層での利得に異方性が導入され、偏光方向を特定の方向に揃えること(偏光制御)が可能になっている。
上部スペーサ層106は、活性層105の+Z側に積層され、ノンドープの(Al0.1Ga0.90.5In0.5Pからなる層である。
下部スペーサ層104と活性層105と上部スペーサ層106とからなる部分は、共振器構造体とも呼ばれており、その厚さが1波長の光学厚さとなるように設定されている。活性層105のPL波長は、共振器構造体の共振波長780nmに対し、8nmだけ短波長となる772nmに設定されており、17℃において閾値電流が最小になる。なお、活性層105は、高い誘導放出確率が得られるように、電界の定在波分布における腹に対応する位置である共振器構造体の中央に設けられている。この共振器構造体は、下部半導体DBR103と上部半導体DBR107とに挟まれている。
上部半導体DBR107は、第1の上部半導体DBR1071及び第2の上部半導体DBR1072を有している。
第1の上部半導体DBR1071は、上部スペーサ層106の+Z側に積層され、p−(Al0.7Ga0.30.5In0.5Pからなる低屈折率層とp−(Al0.1Ga0.90.5In0.5Pからなる高屈折率層のペアを1ペア有している。各屈折率層の間には、電気抵抗を低減するため、一方の組成から他方の組成へ向かって組成を徐々に変化させた組成傾斜層が設けられている。そして、各屈折率層はいずれも、隣接する組成傾斜層の1/2を含んで、λ/4の光学厚さとなるように設定されている。
この第1の上部半導体DBR1071は、AlGaAs層よりもバンドギャップエネルギーが大きく、活性領域へ注入された電子のブロック層として機能する。
また、基板101に傾斜基板が用いられているため、AlGaInP材料の丘状欠陥(ヒロック)の発生を抑制し、結晶性を向上させることができるとともに、自然超格子の発生を抑制し、バンドギャップエネルギーの減少を防止することができる。従って、第1の上部半導体DBR1071は、バンドギャップエネルギーを大きく保つことができ、電子のブロック層として良好に機能する。
第2の上部半導体DBR1072は、第1の上部半導体DBR1071の+Z側に積層され、p−Al0.9Ga0.1Asからなる低屈折率層とp−Al0.3Ga0.7Asからなる高屈折率層のペアを23ペア有している。各屈折率層の間には、電気抵抗を低減するため、一方の組成から他方の組成へ向かって組成を徐々に変化させた組成傾斜層が設けられている。そして、各屈折率層はいずれも、隣接する組成傾斜層の1/2を含んで、λ/4の光学厚さとなるように設定されている。
第2の上部半導体DBR1072における低屈折率層の1つには、p−AlAsからなる被選択酸化層が厚さ30nmで挿入されている。この被選択酸化層の挿入位置は、上部スペーサ層106から3ペア目の低屈折率層中であって、電界の定在波分布における節に対応する位置である。
コンタクト層109は、第2の上部半導体DBR1072の+Z側に積層され、p−GaAsからなる層である。
なお、このように基板101上に複数の半導体層が積層されたものを、以下では、便宜上「積層体」ともいう。
また、以下で示される屈折率層の光学厚さは、隣接する組成傾斜層の1/2を含んでいるものとする。
次に、面発光レーザ素子100の製造方法について簡単に説明する。
(1)上記積層体を有機金属気相成長法(MOCVD法)あるいは分子線エピタキシャル成長法(MBE法)による結晶成長によって作成する。
ここでは、III族の原料には、トリメチルアルミニウム(TMA)、トリメチルガリウム(TMG)、トリメチルインジウム(TMI)を用い、V族の原料にはアルシン(AsH)ガスを用いている。また、p型ドーパントの原料には四臭化炭素(CBr)を用い、n型ドーパントの原料にはセレン化水素(HSe)を用いている。そして、AlGaInAsP系材料のV族P原料には、ホスフィン(PH)ガスを用い、AlGaInPのp型ドーパント原料には、ジメチルジンク(DMZn)を用いている。
(2)積層体の表面に一辺が25μmの正方形状のレジストパターンを形成する。
(3)Cl2ガスを用いるECRエッチング法で、上記レジストパターンをフォトマスクとして四角柱状のメサを形成する。ここでは、エッチングの底面は下部半導体DBR103中に位置するようにした。
(4)フォトマスクを除去する。
(5)積層体を水蒸気中で熱処理する。ここでは、被選択酸化層中のAlがメサの外周部から選択的に酸化される。そして、メサの中央部に、Alの酸化層108aによって囲まれた酸化されていない領域108bを残留させる(図3参照)。これにより、発光部の駆動電流の経路をメサの中央部だけに制限する、いわゆる酸化狭窄構造体が形成される。上記酸化されていない領域108bが電流通過領域(電流注入領域)である。ここでは、種々の予備実験の結果から、電流通過領域の一辺が略4μmとなるように、熱処理の条件(保持温度、保持時間等)を適切に選択している。具体的には、保持温度は360℃、保持時間は30分とした。
(6)気相化学堆積法(CVD法)を用いて、SiNあるいはSiOからなる保護層111を形成する。
(7)ポリイミド112で平坦化する。
(8)メサ上部にP側電極コンタクトの窓開けを行う。ここでは、フォトレジストによるマスクを施した後、メサ上部の開口部を露光してその部分のフォトレジストを除去した後、BHFにてポリイミド112及び保護層111をエッチングして開口する。
(9)メサ上部の光出射部となる領域に一辺10μmの正方形状のレジストパターンを形成し、p側の電極材料の蒸着を行なう。p側の電極材料としてはCr/AuZn/Auからなる多層膜、もしくはTi/Pt/Auからなる多層膜が用いられる。
(10)光出射部の電極材料をリフトオフし、p側の電極113を形成する。
(11)基板101の裏側を所定の厚さ(例えば100μm程度)まで研磨した後、n側の電極114を形成する。ここでは、n側の電極114はAuGe/Ni/Auからなる多層膜である。
(12)アニールによって、p側の電極113とn側の電極114のオーミック導通をとる。これにより、メサは発光部となる。
(13)チップ毎に切断する。
このようにして製造された面発光レーザ素子100に、目標の光出力を1.4mWとし、パルス周期が1ms、パルス幅が500μs(デューティ50%)の方形波電流パルスを供給したとき、供給後10nsでの光出力をP1、供給後1μsでの光出力をP2とすると、(P1−P2)/P2=−0.06であった。なお、以下では、(P1−P2)/P2×100の値(単位は%)を「ドループ率」ともいう。そこで、本実施形態に係る面発光レーザ素子100では、ドループ率は、−6%である。ところで、ドループ率が−10%よりも小さい面発光レーザ素子を用いると、レーザプリンタから出力される画像は、肉眼で観察したときに、高い頻度で、少なくとも一部において輪郭が不鮮明となる。
また、面発光レーザ素子100は、2mW以上の単一基本横モード出力を得ることができた。
さらに、面発光レーザ素子100は、閾値電流特性、外部微分量子効率(スロープ効率)は、従来の面発光レーザ素子とほとんど同じであった。
ところで、発明者らは、酸化狭窄構造体を有する従来の面発光レーザ素子を、種々の方形波電流パルスで駆動したときの光波形を詳細に検討した。図7は、パルス周期1ms、デューティ50%のときの光波形であり、図8は、パルス周期100ns、デューティ50%のときの光波形である。
図7の光波形を見ると、立ち上がった後、光出力が次第に増加し、「負のドループ特性」が現れている。また、60ns後においても、光出力が目標値(1.5mW)に達していない。一方、図8の光波形では、立ち上がり後の出力は安定し、「負のドループ特性」は現れていない。
このように、従来の面発光レーザ素子に方形波電流パルスを供給したときに、同じデューティであっても、すなわち、同じ発熱量であっても、パルス周期が長い場合に「負のドループ特性」が見られ、短い場合には「負のドループ特性」は見られないことがわかった。
パルス周期が異なると、面発光レーザ素子の内部温度の状況が異なると考えられる。つまり、パルス周期が長い場合には、発熱している時間及び冷却される時間がいずれも長いため、面発光レーザ素子の内部温度は大きく変動する。一方、パルス周期が短い場合には、連続した冷却時間を十分に取れないため、面発光レーザ素子の内部温度の変動は小さく、平均的に高めの温度で安定することになる。つまり、「負のドループ特性」が見られる駆動条件では、面発光レーザ素子の内部温度が大きく変動しており、「負のドループ特性」は面発光レーザ素子の内部温度に起因した現象であると考えることができる。
面発光レーザ素子の内部温度が変化すると、発振モードの横方向に関する電界強度分布(以下、便宜上「横モード分布」ともいう)が変化する。
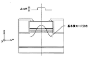
酸化狭窄構造体における酸化層の屈折率は約1.6であり、周辺の半導体層の屈折率(約3)よりも小さいため、面発光レーザ素子の内部には、横方向にいわゆる作り付けの有効屈折率差Δneffが存在する(図9参照)。
この有効屈折率差Δneffによって、基本横モード等の発振モードは横方向に閉じ込められる。このとき、発振モードの横方向の広がりは、△neffの大きさによって決まり、△neffが大きい程、横方向の広がりは小さい(図10(A)及び図10(B)参照)。
この面発光レーザ素子に電流(駆動電流)を注入すると、電流がメサ中央部分に集中し、ジュール熱や、活性層領域における非発光再結合等によって、特にメサ中央部の活性層付近の温度が周辺領域に対して局所的に上昇する。半導体材料は、温度が上昇するとバンドギャップエネルギーが減少し、屈折率が大きくなる性質を有している。このため、メサ中央部の温度が局所的に上昇すると、中央部分の屈折率が周辺領域に対して大きくなり、横方向の光閉じ込めが強くなる。
図10(A)に示されるように、作り付けの有効屈折率差Δneffが小さい場合に、メサ中央部の温度が局所的に上昇すると、図11(A)に示されるように、有効屈折率差Δneffの変化が大きくなり、横モード分布が大きく変化する。この場合には、電流注入が行われている利得領域と横モードとの重なりが増し、横方向の光閉じ込めが強くなる。この結果、利得領域での光強度が増加し、誘導放出レートが増大し、閾値電流が低くなる。
このように、作り付けの有効屈折率差Δneffが小さく、室温での横方向の光閉じ込めが不十分な面発光レーザ素子では、内部温度が上昇すると、これに応じてI−L曲線は全体的に低電流側にシフトし、発光効率が向上する(図12参照)。この場合には、同じ駆動電流値における光出力は時間とともに増大し、「負のドループ特性」が見られる(図13参照)。図12には、内部温度が上昇する前の時刻t=t0秒に予測されるI−L特性と、パルス状に駆動電流が供給されて内部温度が十分上昇した時刻t=t1秒に予測されるI−L特性が示されている。温度上昇に伴い発光効率が向上して閾値電流が低減するので、t1秒におけるI−L特性は、t0秒に対して低電流側にシフトしたものになる。駆動電流の値Iopは一定であるから、t1秒の場合の方が光出力は大きくなる。この場合の光波形が図13に示されている。
一方、図10(B)に示されるように、作り付けの有効屈折率差Δneffが大きい場合には、メサ中央部の温度が局所的に上昇しても、図11(B)に示されるように、有効屈折率差Δneffの変化は小さく、横モード分布はあまり変化しない。
このように、作り付けの有効屈折率差Δneffが大きく、室温での横方向の光閉じ込めが十分大きな面発光レーザ素子では、内部温度が上昇しても、横モード分布は安定しており、発光効率の変化は殆ど起こらない。この場合には、同じ駆動電流値における光出力は時間が経過してもほぼ一定であり、「負のドループ特性」は見られない。
横方向の光閉じ込めの強さを表す指標として、横方向の光閉じ込め係数(以下では、便宜上、単に「光閉じ込め係数」という)がある。なお、ここでは、「面発光レーザ素子の中心を通るXY断面における電界の積分強度」に対する「電流通過領域と同じ半径領域中における電界の積分強度」の割合から光閉じ込め係数を求めることができる。この光閉じ込め係数の値が大きいほど、電界強度分布が利得領域に集中した鋭い分布になっている。言い換えると、室温での光閉じ込め係数の値が大きいほど、酸化狭窄構造体により十分に閉じ込めがなされており、利得領域の局所的な温度変化に対して横モード分布が安定であることを意味している。
面発光レーザ素子の横モード分布は、次のヘルムホルツ方程式(式(1)、式(2))から電界強度分布を計算することによって見積もることができる。
Figure 2010021522
Figure 2010021522
但し、上記(1)式及び(2)式は解析的に解くことが難しいため、通常は、計算機を用いた有限要素法による数値解析が行われる。有限要素法のソルバーとして利用できるものは種々あり、市販のVCSELシミュレータ(例えば、LASER MOD)を用いることができる。
一例として、780nm帯の面発光レーザ素子における基本横モード分布を算出する。
計算に用いた面発光レーザ素子では、活性層を厚さ8nm/8nmのAl0.12Ga0.88As/Al0.3Ga0.7Asの3重量子井戸構造とし、各スペーサ層をAl0.6Ga0.4Asとしている。また、下部半導体DBRはAl0.3Ga0.7As(高屈折率層)/AlAs(低屈折率層)の40.5ペアからなり、上部半導体DBRはAl0.3Ga0.7As(高屈折率層)/Al0.9Ga0.1As(低屈折率層)の24ペアからなっている。
そして、この面発光レーザ素子は、直径25μmの円柱メサ形状を有し、メサエッチングは、下部半導体DBRと下部スペーサ層の界面まで行われているとし、エッチングが行われた領域は大気が占めるものとした。すなわち、単純なエッチドメサ構造とした。下部半導体DBRにおけるメサエッチングされていない部分の直径は35μmであり、これが計算で考慮されている最大の横幅である。また、被選択酸化層の材料はAlAsとし、被選択酸化層の位置は、上部半導体DBRにおける光学厚さ3λ/4の低屈折率層中であって、定在波分布に関して活性層から数えて3番目の節に対応する位置としている。
なお、計算では活性層の利得、及び半導体材料による吸収は考慮せず、構造で決まる固有モード分布のみを求めている。そして、面発光レーザ素子の温度は300Kで均一であるとしている。また、各材料の屈折率は、図14に示した値を用いた。なお、以下では、便宜上、酸化狭窄構造体の酸化層を、単に「酸化層」ともいい、電流通過領域の直径を「酸化狭窄径」ともいう。
上記のようにして算出された基本横モード分布に基づいて、次の(3)式を用いて光閉じ込め係数Γlを算出した。ここで、aは電流通過領域の半径に相当する。
Figure 2010021522
上記780nm帯の面発光レーザ素子における室温での基本横モードの光閉じ込め係数を、種々の被選択酸化層の厚さ及び酸化狭窄径について計算した結果が、図15に示されている。これによると、光閉じ込め係数は、被選択酸化層の厚さ及び酸化狭窄径に依存し、被選択酸化層の厚さが厚いほど、酸化狭窄径が大きいほど、高い値をとる。
図16は、光閉じ込め係数を縦軸、被選択酸化層の厚さを横軸にして図15の計算結果を図示したものである。被選択酸化層の厚さの増加に対する光閉じ込め係数の変化を見ると、酸化狭窄径が異なっていても、被選択酸化層の厚さが25nm以下の領域でその変化が急であり、25nm以上では飽和傾向を示すことが分かる。
実際に、被選択酸化層の厚さ及び酸化狭窄径がそれぞれ異なる複数の面発光レーザ素子を作製し、それらのドループ特性の評価を行った結果が図17に示されている。図17では、ドループ率が−10%以上となったものを「○」、−10%よりも小さくなったものを「×」として表している。図15と図17から、室温における基本横モードの光閉じ込め係数が0.9以上となる素子構造では、−10%以上のドループ率が得られていることがわかる。
図18には、室温における基本横モードの光閉じ込め係数が約0.983となる面発光レーザ素子の光波形が示されている。このときのドループ率は約−4.3%であった。
また、図19には、室温における基本横モードの光閉じ込め係数が約0.846となる面発光レーザ素子の光波形が示されている。このときのドループ率は約−62.8%であった。
このように、光閉じ込め係数が互いに異なる種々の面発光レーザ素子を作製し、詳細な検討を行ったところ、光閉じ込め係数が約0.9のときに、ドループ率は−5%程度であった。光閉じ込め係数をこれより増加させると、その増加に伴って、ドループ率は大きくなる結果となった。逆に、光閉じ込め係数が0.9より小さい面発光レーザ素子では、光閉じ込め係数が小さくなるほどドループ率が小さくなる傾向が見られ、ドループ率が−70%以下の面発光レーザ素子も見られた。
このように、室温における基本横モードの光閉じ込め係数を0.9以上とすることで、「負のドループ特性」を抑制することができる。
一般に、室温での有効屈折率差△neffは、被選択酸化層の厚さが厚いほど、また被選択酸化層の位置が活性層に近いほど、大きくなる。但し、これら2つの影響度を比較すると、被選択酸化層の厚さの影響度の方がはるかに大きい。従って、室温での横方向の光閉じ込めの強さは、主に被選択酸化層の厚さによって決まる。
また、一般的に良く用いられる酸化狭窄径は、4.0μm以上であり、図15に示されるように、被選択酸化層の厚さが25nm以上であれば、0.9以上の光閉じ込め係数を確保することができる。
四角柱状のメサを有し、酸化狭窄径が4μm以上である面発光レーザ素子において、被選択酸化層108の厚さとドループ率との関係が、図20に示されている。図20におけるドループ率は、パルス周期1ms、デューティ50%の方形波電流パルスで駆動したときの光波形から求めた。これによると、被選択酸化層の厚さが薄くなると、ドループ率は指数関数的に小さくなり、「負のドループ特性」が顕著に現れる。また、素子毎のドループ率のばらつきも顕著となってくる。そして、ドループ率を−10%以上とするには、被選択酸化層の厚さを25nm以上にする必要がある。
また、基本横モードの光閉じ込め係数は、主として酸化狭窄径と被選択酸化層の厚さの2つに依存して決まるので、酸化狭窄径と被選択酸化層の厚さの組み合わせをどのように選ぶかは重要である。
発明者らが様々なフィッティング方式を試行したところ、図15の計算結果は、酸化狭窄径(d[μm]とする)と、被選択酸化層の厚さ(t[nm]とする)を変数として、これらの2次形式で概ねフィッティングすることが可能であった。次の(4)式は、基本横モードの光閉じ込め係数(Γとする)を、酸化狭窄径dと被選択酸化層の厚さtの2次形式でフィッティングした結果であり、d、tに図15の具体的な値を代入することにより、概ね1%の誤差で図15の基本横モードの光閉じ込め係数を得ることができる。
Γ(d,t)=−2.54d−0.14t−0.998d・t+53.4d+12.9t−216 ……(4)
「負のドループ特性」を効果的に抑制するためには、光閉じ込め係数を0.9以上に設定する必要があるが、ここで光閉じ込め係数が0.9以上となる酸化狭窄径(d)と、被選択酸化層の厚さ(t)の組み合わせ(範囲)は、上記(4)式より求めることができる。つまり、この範囲とは、Γ(d,t)≧0.9なる不等式を満たすdとtの組み合わせであり、より具体的には次の(5)式のように表される。
−2.54d−0.14t−0.998d・t+53.4d+12.9t−216≧0.9 ……(5)
そこで、上記(5)式が成立するように酸化狭窄径(d)と、被選択酸化層の厚さ(t)を選ぶことにより、基本横モードの光閉じ込め係数は0.9以上となり、「負のドループ特性」が抑制された素子を得ることができる。
△neffがドループ特性に影響を与えることはこれまで知られておらず、以上のように、本願の発明者らにより今回初めて明らかになった。
なお、Alを選択酸化する工程(上記工程(5))では、酸化は基板面に対して平行方向(ここでは、XY面内方向)のみではなく、垂直方向(ここでは、Z軸方向)へも僅かながら進行する。従って、選択酸化が終わったメサの断面を電子顕微鏡で観察すると、酸化層の厚さは一様ではなく、メサ外周部(酸化開始部)における厚さが厚く、酸化終了部が薄くなっている。但し、酸化終了部からメサの外周方向に向かって2〜3μmまでの領域では、酸化層の厚さは被選択酸化層の厚さとほぼ一致している。発振光は主に酸化終了部における有効屈折率差の影響を受けるので、上記工程(1)において被選択酸化層の厚さを所望の値(25nm以上)に制御することにより、酸化層における酸化終了部の厚さを所望の値にすることができる。
ところで、光閉じ込め係数の他に、面発光レーザ素子の内部温度が変化するとディチューニング量も変化する。そこで、次に、ディチューニング量と「負のドループ特性」との関係について説明する。
端面発光型レーザ素子では、共振縦モードが密に存在しているため、レーザ発振はゲインピーク波長λgにおいて生じる。一方、面発光レーザ素子では、通常、共振波長が1波長であり、半導体DBRの反射帯域中には単一縦モードしか存在し得ない。また、レーザ発振は共振波長λrにおいて生じるので、面発光レーザ素子の発光特性は、共振波長λrと活性層のゲインピーク波長λgの関係に依存する。
ここでは、ディチューニング量Δλを次の(6)式で定義する。λrは共振波長であり、λgはゲインピーク波長である。なお、添え字0は、室温において閾値電流でCW(Continuous Wave Oscillation)駆動させた場合の値を意味している。以下、添え字0がない場合は、これ以外の場合、例えば閾値電流以上で動作させた場合の値などを意味する。
Δλ=λr−λg ……(6)
図21には、Δλ>0の場合が示され、図22には、Δλ<0の場合が示されている。
発振波長は、ゲインピーク波長ではなく、共振波長により決まるため、面発光レーザ素子のレーザ特性は、Δλの正負、及びその値に大きく依存する。例えば、室温における閾値電流はΔλの絶対値が大きいほど高くなる傾向がある。
共振波長及びゲインピーク波長は、温度上昇に伴って、いずれも長波長側に変化する。この際、共振波長の変化は共振器構造体を構成する材料の屈折率変化によって生じ、ゲインピーク波長の変化は活性層材料のバンドギャップエネルギーの変化によって起こる。但し、バンドギャップエネルギーの変化の割合は、屈折率変化の割合よりも約一桁大きい。そこで、温度変化時の発光特性は、主にゲインピーク波長の変化量に依存して決まる。なお、共振波長の温度変化率は約0.05nm/Kであり、実質的に、温度に対する変化は無視することができる。
面発光レーザ素子において、注入電流の変化等によって内部温度(活性層の温度)が上昇すると、ゲインピーク波長は長波長側へシフトする。そこで、Δλ>0の場合(図21参照)には、Δλの絶対値(離調度)は一度減少し、その後増加する。
一般に、面発光レーザ素子では、ゲインピーク波長と共振波長が一致した状態が最も発振効率(発光効率)が高くなる。
△λ>0の場合に、素子温度(環境温度)を室温から上昇させて閾値電流を計測すると、閾値電流は素子温度の上昇とともに減少し始めることになる。そして、閾値電流は、ゲインピーク波長と共振波長が一致したときに最小値となり、さらに温度を高くすると上昇し始める。すなわち、室温よりも高温側に閾値電流が最小となる温度が存在することになる。
Δλ<0の場合(図22参照)には、内部温度(活性層の温度)が上昇すると、Δλの絶対値は単に増加するのみであるから、素子温度を室温から上昇させて閾値電流を計測すると、閾値電流は素子温度の上昇とともに増加するのみとなる。
この場合、素子温度を室温から低下させると、ゲインピーク波長△λgは短波長側にシフトする。そこで、素子温度を室温から低下させて閾値電流を計測すると、閾値電流は減少し始め、ゲインピーク波長と共振波長が一致したときに最小となる。そして、更に温度を下げると閾値電流は増加し始めることになる。すなわち、Δλ<0の場合には、閾値電流が最小となる温度は室温より低温側に存在している。
△λが互いに異なる(△λ<0、△λ≒0、△λ>0)3つの素子の発振閾値電流を、素子温度(環境温度)を変えて計測した結果が一例として図23に示されている。図23における縦軸は、各温度における発振閾値電流(Ith)を25℃(室温)における発振閾値電流(Ith(25℃))で規格化した値である。図23から、△λ<0の場合には室温よりも低温側で、△λ≒0の場合には室温付近で、△λ>0の場合には室温より高い温度で閾値電流が最小となっていることが実際に確認できる。
従来の面発光レーザ素子では、高温、高出力動作状態での発光特性の劣化を防ぐため、通常は高温での閾値電流が低くなるように、△λ>0と設定されている。
しかしながら、Δλ>0に設定された従来の面発光レーザ素子を方形波電流パルスで駆動した場合に、内部温度の上昇に伴いI−L特性は低電流側にシフトし、閾値電流が低下するので、同じ駆動電流値における光出力は時間とともに増大する。つまり、「負のドループ特性」が発生することになる。一方、Δλ<0の場合には、内部温度の上昇に伴いI−L特性は高電流側にシフトするので、光出力の上昇は起こらない。つまり、「負のドループ特性」は発生しない。このように、「負のドループ特性」を抑制するには、酸化層の厚さ以外に、△λ<0に設定し、室温以上の温度で閾値電流が最小とならないようにする必要がある。
λを所望の値に設定するにはゲインピーク波長λgを知る必要がある。端面発光レーザ素子では、発振波長がゲインピーク波長に一致するので、発振波長からゲインピーク波長を知ることができる。ところが、面発光レーザ素子では、共振波長は構造によって決まるので端面発光レーザ素子のようにゲインピーク波長を見積もることが難しい。
このため、(1)同じ活性層を有する端面発光レーザ素子を作製して、室温における発振波長からゲインピーク波長を見積もる方法か、あるいは(2)同じ活性層を有するダブルへテロ構造を作製し、フォトルミネッセンス波長(PL波長)からゲインピーク波長を見積もる方法か、のいずれかがとられる。
上記(1)の方法をとる場合には、一例として、同じ活性層構造を持つストライプ幅40μm、共振器長500μmの酸化膜ストライプ型の端面発光レーザ素子を作製し、該端面発光レーザ素子の室温でのCW発振の閾値電流における波長をゲインピーク波長λgとして用いる。
また、上記(2)の方法をとる場合には、レーザ発振時の波長は、PL波長に対して長波長側にシフト(波長シフト)しているので、この分の調整が必要になる。上記波長シフトは、光励起、電流励起等の励起過程の違いや、電流励起の場合に電流によって発生する発熱の影響のためである。一般的に、端面発光レーザ素子での発振波長は、PL波長λPLに対して10nm程度、長波長となる。そこで、この場合の波長シフト量を10nmとする。
従って、PL波長を基準に考えると、上記(6)式は、次の(7)式となる。
Δλ=λr−λg=λr−(λPL+10)=λr−λPL−10 ……(7)
上記波長シフト量10nmは、一般的な値であるが、使用している材料系に応じて変更しても良い。
Δλがそれぞれ異なる複数の面発光レーザ素子を作製し、各面発光レーザ素子における閾値電流が最小となる温度を求めた。その結果が図24に示されている。この図24から、実際に△λが0のときに、室温において閾値電流が最小となっていることがわかる。
次に、被選択酸化層の厚さがそれぞれ異なる(30、31、34nm)複数の面発光レーザ素子を作製し、光パルスの出力を変えて各面発光レーザ素子を駆動し、閾値電流が最小となる温度とドループ率を求めた。図25及び図26には、被選択酸化層の厚さ毎に、ドループ率と閾値電流が最小になる温度との関係が示されている。
ここで、図25は、光出力が1.4mWとなる電流パルスで面発光レーザ素子を駆動した場合のドループ率を示したものである。また、図26は、図25に示したのと同じ面発光レーザ素子を、光出力が0.3mWとなる電流パルスで駆動を行った場合のドループ率を示したものである。
先ず、図25と図26を比べると、光出力によってドループ率が異なっていることがわかる。光出力が小さい(0.3mW)ほうがドループ率が小さく、「負のドループ特性」が顕著に現れている。
光出力が大きい場合は、注入電流量が大きく素子の発熱量も増えており、通電の初期から熱による出力飽和の影響が顕著に現れていると考えられる。つまり、通常のドループ特性が、比較的早い時間スケールで現れているものと考えられる。「負のドループ特性」とは、通電の初期から1μSまでの時間スケールにおいて、光パルスの出力が次第に増加する現象であるから、通電の初期において熱による出力飽和の影響が現れ始めたことによって、「負のドループ特性」が改善されたものと考えられる。
以上のように、同じ素子であっても、素子の光出力を変えることにより、ドループ率は異なった値をとり、光出力が低いほど「負のドループ特性」が顕著に現れる。
ところで、プリンタシステムで画像の濃淡を表現するために、光パルスの強度を変調する方法が取られている。従って、高精細な画像を実現するには、低出力から高出力までの広い出力範囲において、「負のドループ特性」が抑制されていることが大変重要になる。そして、上述のように低出力になるほど「負のドループ特性」が顕著に現れるので、低出力時における「負のドループ特性」を抑制することが非常に重要である。これは、発明者らが、素子の駆動条件を変えて、詳細にドループ特性について検討を行ったことにより、新たに見出された課題である。
次に、図25と図26において、閾値電流が最小となる温度が25℃以下の素子について、ドループ率と被選択酸化層の厚さの関係について考える。被選択酸化層の厚さが30nmと31nmの結果は、ばらつきの範囲で重なっているが、34nmの結果と比べると被選択酸化層の厚さが厚いほどドループ率が大きく(0に近く)、「負のドループ特性」が抑制されていることがわかる。なお、図25及び図26における破線Aは、閾値電流が最小となる温度が25℃以下で被選択酸化層の厚さが34nmのときのドループ率の平均を示し、破線Bは、閾値電流が最小となる温度が25℃以下で被選択酸化層の厚さが30nm及び31nmのときのドループ率の平均を示している。これは前述したように、被選択酸化層の厚さが厚いほど、酸化層による光閉じ込め係数が大きく、温度変化に対して基本横モードが安定するからである。
前述のように「負のドループ特性」が画像の品質に影響を及ぼし始めるドループ率の目安は−10%である。これよりもドループ率が小さくなると、高い頻度で画像の一部が不鮮明になる不具合がある。図25に示されるように、光出力が1.4mWの場合では、多少のばらつきはあるものの、被選択酸化層の厚さが34nmの素子における平均のドループ率は−3%程度であり、被選択酸化層の厚さが30nm及び31nmの素子における平均のドループ率は−5%程度であるので、これらの変化率からすると被選択酸化層の厚さが25nm以上であれば、−10%以上のドループ率を得ることができる。
また、図26に示されるように、光出力が0.3mWの場合では、多少のばらつきはあるものの、被選択酸化層の厚さが34nmの素子における平均のドループ率は−5%程度であり、被選択酸化層の厚さが30nm及び31nmの素子における平均のドループ率は−7%程度であるので、これらの変化率からすると被選択酸化層の厚さが25nm以上であれば、概ね−10%以上のドループ率を得ることができる。
このように、被選択酸化層の厚さが25nm以上で、発振の閾値電流が最小となる温度が25℃以下の素子においては、低出力から高出力までの広い出力範囲において、概ね−10%以上のドループ率を有する素子を得ることが可能である。
発振の閾値電流が最小となる温度が室温(25℃)より高温側にある面発光レーザ素子は、電流注入により活性層の温度が上昇した際に発振効率が向上する素子であるため、既に説明したように「負のドループ特性」が現れる。そして、図26に示されるように、光出力が0.3mWとなるパルス電流で駆動した場合においてその傾向が顕著である。
光閉じ込め係数及び閾値電流が最小となる温度(ディチューニング量)に共通して言えるのは、「負のドループ特性」を抑制するためには、活性層の温度が上昇したときに、室温よりも、面発光レーザ素子の効率(発光効率)が向上しないように設定することが重要であるということである。そして、被選択酸化層の厚さをある程度厚く設定した素子であっても、閾値電流が最小となる温度が高温に設定されるほど、「負のドループ特性」が発生し易くなることは基本的に不可避である。
図26に示されるように、閾値電流が最小となる温度が25℃以上の素子を、光出力が0.3mWとなる電流パルスで駆動すると、「負のドループ特性」が顕著に現れ始める。しかしながら、閾値電流が最小となる温度が35℃以下で、被選択酸化層の厚さが30nm以上の素子であれば、平均値で見ると−10%以上のドループ率が得られている。
また、図25に示されるように、光出力が1.4mWとなる電流パルスで駆動すると、図25に示した閾値電流が最小となる温度の範囲内において、いずれの被選択酸化層の厚さ(30nm、31nm、34nm)においても、−10%以上のドループ率が得られている。
つまり、これらを合わせて考えると、被選択酸化層の厚さが30nm以上であれば、閾値電流が最小となる温度が35℃以下の素子は、広い出力範囲で−10%以上のドループ率を得ることが可能である。そして、これらの面発光レーザ素子をプリンタの書き込み光源に用いることにより、濃度むらのない高精細な画像を得ることができる。なお、図24を参照すると、閾値電流が最小になる温度が35℃の素子の、室温におけるディチューニング量は約4nmである。
ところで、面発光レーザ素子を書き込み光源に用いるには、単一基本横モード出力が大きいことが有利である。単一基本横モード出力を大きくするには、光閉じ込めを弱くすることが有効である。これは、「負のドループ特性」の抑制とは相反することである。
そこで、発明者らは、「負のドループ特性」の抑制効果を保ちつつ、単一基本横モード出力を向上させるべく、面発光レーザ素子における共振器構造体の構造と光閉じ込めの強さと関係について詳細な検討を行った。この結果、上記の2つの特性を同時に改善するには下部半導体DBR(基板側n型多層膜反射鏡)の中に以下に説明する光閉じ込め低減領域を設けることが有効であることを見出した。
光閉じ込め低減領域の作用効果について説明する。
光閉じ込め低減領域のない従来の面発光レーザ素子及び光閉じ込め低減領域を有する面発光レーザ素子の室温(300K)における基本横モードの光閉じ込め係数をそれぞれ算出した。その結果が図27に示されている。ここでの計算に用いられた各面発光レーザ素子は、発振波長が780nm帯であり、その基本構造は、n−AlAs(低屈折率層)/n−Al0.3Ga0.7As(高屈率層)をペアとした40.5ペアの下部半導体DBR(基板側n型多層膜反射鏡)と、p−Al0.9Ga0.1As/p−Al0.3Ga0.7Asをペアとした24ペアの上部半導体DBR(出射側p型多層膜反射鏡)とAl0.6Ga0.4Asのスペーサ層を有している。活性層はAl0.12Ga0.88As/Al0.3Ga0.7Asの3重量子井戸構造とし、スペーサ層の中央に設けている。被選択酸化層は上部半導体DBR中において活性層から3番目の定在波の節に対応する位置に設けている。また、酸化層の厚さは28nm、酸化狭窄径は4μmである。
従来の面発光レーザ素子の形状は、図28に示されるように、下部半導体DBRまでを直径25μmの円形に加工したメサポスト構造としている。また、光閉じ込め低減領域を有する面発光レーザ素子は、図29に示されるように、下部半導体DBRに接した領域に光閉じ込め低減領域が設けられている。
従来の面発光レーザ素子における下部半導体DBRの構造が図30に示されている。各屈折率層はいずれもλ/4の光学厚さである。光閉じ込め低減領域を有する面発光レーザ素子における下部半導体DBRの構造が図31に示されている。光閉じ込め低減領域は、光学厚さが3λ/4の高屈折率層とλ/4の低屈折率層のペアを3ペア有している。なお、このように、光学厚さが3λ/4の高屈折率層とλ/4の低屈折率層のペアからなる光閉じ込め低減領域を、以下では、便宜上「光閉じ込め低減領域A」ともいう。
また、従来の面発光レーザ素子及び光閉じ込め低減領域Aを有する面発光レーザ素子における下部半導体DBRのペア数は同じである。さらに、光閉じ込め低減領域Aに含まれる高屈折率層は、その光学厚さがλ/4の奇数倍であり、多重反射の位相条件を満足するので、半導体材料の自由キャリア等の吸収を考慮しなければ、垂直方向(Z軸方向)に関しては、従来の面発光レーザ素子における下部半導体DBRと同等の反射率を有している。
なお、図27には、光閉じ込め低減領域Aが1〜3ペアの場合についての結果がそれぞれ示されている。ここで、ペア数が0は、従来の面発光レーザ素子を示している。
図27によると、光閉じ込め低減領域Aを設けることにより、従来の面発光レーザ素子に対して、基本横モードの光閉じ込め係数が低減している。また、光閉じ込め低減領域Aのペア数が増加するにつれて、光閉じ込め係数が小さくなっている。
図32は、別の光閉じ込め低減領域を示したものである。この光閉じ込め低減領域は、光学厚さがλ/4の高屈折率層(Al0.3Ga0.7As)と、3λ/4の低屈折率層(AlAs)をペアとしており、低屈折率層が、従来の面発光レーザ素子よりも厚く形成されている。なお、このように、光学厚さがλ/4の高屈折率層と3λ/4の低屈折率層のペアからなる光閉じ込め低減領域を、以下では、便宜上「光閉じ込め低減領域B」ともいう。
この光閉じ込め低減領域Bを有する面発光レーザ素子の室温(300K)における基本横モードの光閉じ込め係数が図33に示されている。
図33によると、光閉じ込め低減領域Bを設けることにより、光閉じ込め低減領域Aと同様に、従来の面発光レーザ素子に対して、基本横モードの光閉じ込め係数が低減している。また、光閉じ込め低減領域Bのペア数が増加するにつれて、光閉じ込め係数が小さくなっている。なお、同じペア数で比較すると、光閉じ込め低減領域Bのほうが、光閉じ込め低減領域Aよりも大きな低減効果を有していることが分かる。ところで、AlAsは半導体多層膜反射鏡の材料であるAlGaAs混晶の中で最も熱伝導率が良い。このAlAsからなる層を厚く設けると横方向への熱拡散が良好になり、活性層における温度上昇を低減する効果がある。これによって、素子中央部の温度上昇が緩和されて、有効屈折率差の変化が小さくなるので、負のドループ特性を抑制できる効果も併せて得ることができる。
図34は、さらに別の光閉じ込め低減領域を示したものである。この光閉じ込め低減領域Cは、光学厚さが3λ/4の高屈折率層(Al0.3Ga0.7As)と、3λ/4の低屈折率層(AlAs)をペアとしており、低屈折率層及び高屈折率層の両方が、従来の面発光レーザ素子よりも厚く形成されている。なお、このように、光学厚さが3λ/4の高屈折率層と3λ/4の低屈折率層のペアからなる光閉じ込め低減領域を、以下では、便宜上「光閉じ込め低減領域C」ともいう。
この光閉じ込め低減領域Cを有する面発光レーザ素子の室温(300K)における基本横モードの光閉じ込め係数が図35に示されている。
図35によると、光閉じ込め低減領域Cを設けることにより、光閉じ込め低減領域Aと同様に、従来の面発光レーザ素子に対して、基本横モードの光閉じ込め係数が低減している。また、光閉じ込め低減領域Cのペア数が増加するにつれて、光閉じ込め係数が小さくなっている。なお、同じペア数で比較すると、光閉じ込め低減領域Cのほうが、光閉じ込め低減領域A及び光閉じ込め低減領域Bよりも大きな低減効果を有していることが分かる。
このように、発明者らは、光閉じ込め低減領域の高屈折率層及び低屈折率層を厚くするほど、そしてペア数を多くするほど、より効果的に基本横モードの光閉じ込め係数を低減する効果が得られることを見出した。
そして、更に注目すべきは、この光閉じ込め低減効果は、後述するように「負のドループ特性」を劣化させないで単一基本横モード出力を向上させる効果を有しているという点である。一般的に考えると、光閉じ込め係数の低減は単一基本横モード出力の向上においては有利であるが、横モードの安定性が悪くなり「負のドループ特性」が発生しやすくなることが予想される。
図36には、発振波長が780nm帯の面発光レーザ素子の単一基本横モード出力とドループ率との関係を実験的に調べた結果が示されている。図36における黒丸は従来の面発光レーザ素子、白丸は光閉じ込め低減領域Bを有する面発光レーザ素子の結果である。電流通過領域の面積は全て16μmである。また、図36における「28」は被選択酸化層の厚さが28nmの場合を示し、「30」は被選択酸化層の厚さが30nm場合を示している。
「負のドループ特性」及び単一基本横モード出力は、いずれも光閉じ込め係数と関係があり、これらの特性は、図36に示されるように、互いに相反する関係となる。例えば、光閉じ込め係数が大きいほど、横モードの安定性は向上するので「負のドループ特性」は抑制される。また、光閉じ込め係数が増大すると高次横モードの閉じ込めも向上し発振し易くなるので単一基本横モード出力が低下する。仮に、単に光閉じ込め係数のみで、ドループ率及び単一基本横モード出力が決定されるのであれば、光閉じ込め低減領域の有無に関係なく、1つの直線で相関が表されるはずである。
しかしながら、図36に示されるように、光閉じ込め低減領域を設けた場合、及び光閉じ込め低減領域を設けない場合では、互いに異なる直線で表される相関を示している。更に、同じドループ率の素子構造であっても、光閉じ込め低減領域を設けた場合は、光閉じ込め低減領域を設けない場合よりも、高い単一基本横モード出力が得られている。つまり、このことは、光閉じ込め低減領域が、ドループ率に影響を及ぼさないで、単一基本横モード出力を向上させる効果を有していることを示すものである。
このように、発明者らは、光閉じ込め低減領域を設け、閾値電流が最小となる温度が25℃以下になるようにディチューニング量を設定し、被選択酸化層の厚さを25nm以上とすることにより、「負のドループ特性」を効果的に抑制し、更にドループ特性を良好に維持したまま単一基本横モード出力を向上させることが可能であることを新たに見出した。
面発光レーザ素子100は、光閉じ込め低減領域と共振器構造体との間に、第3の下部半導体DBR1033が設けられている。この役割について以下に説明する。
一般に、半導体材料では自由キャリアによる光吸収が存在する。この光吸収は光の電界強度及び自由キャリア濃度に比例して増加する。自由キャリアによって吸収された光のエネルギーは、キャリアの運動エネルギーとなり最終的には格子振動のエネルギーに変換される。これは、発振の閾値電流を増加させ、外部微分量子効率(スロープ効率)を低下させる原因となる。
また、半導体DBRは、各屈折率層の界面からの反射光が同位相となるとともに、入射光に対して逆位相となるように重ね合わされることによって、大きな反射作用(高反射率)を得ている。この際、反射は界面のみで起こるので、各屈折率層中における電界強度(振幅)の減衰はなく一定である。レーザ発振状態では、半導体DBR内の電界分布は定在波を生じており、λ/4の光学厚さ毎に節と腹が交互に現れる。いずれもλ/4の光学厚さの低屈折率層と高屈折率層とからなる通常の半導体DBRでは、低屈折率層と高屈折率層の界面が定在波の節及び腹に対応する位置となる。また、共振器構造体に近い部位では、発振光の定在波の強度が大きく、この領域における自由キャリアによる光吸収が顕著である。
ここで、図37に示されるように、光閉じ込め低減領域と共振器構造体との間に、光学厚さがいずれもλ/4の低屈折率層と高屈折率層のペアを設けたときの吸収損失の低減効果について計算した。なお、以下では、便宜上、光閉じ込め低減領域と共振器構造体との間に設けられる光学厚さがいずれもλ/4の低屈折率層と高屈折率層のペアを「吸収損失低減層」ともいう。
その結果、従来の半導体DBR(図30参照)における吸収損失を100%としたときに、図38に示されるように1ペアの吸収損失低減層を設けた場合には、全く設けなかった場合(図32参照)に対して、吸収損失を23%低減することができた。また、3ペアの吸収損失低減層を設けた場合には、全く設けなかった場合に対して、吸収損失を54%低減することができた。ここで、計算ではn型キャリア濃度を3〜5×1018cm−3の範囲内で、また光閉じ込め低減領域に含まれるペア数を1〜5ペアの範囲内で変化させたが、上記比率は殆ど変わらなかった。
面発光レーザ素子100は、1ペアの吸収損失低減層を設けることによって、自由キャリアによる光吸収を低減している。つまり、光閉じ込め低減領域では、低屈折率層の厚さを厚くしているため、厚さ自体が増加することと、厚さの増加により定在波の腹が余計に含まれることにより、自由キャリアによる光吸収が増加する。この場合に、1ペアの吸収損失低減層を設けることによって、光閉じ込め低減領域における電界強度を低減させ、吸収損失を低減させることができる。
図39には、高屈折率層をAl0.3Ga0.7As、低屈折率層をAlAsとして、光閉じ込め低減領域A(typeA)、光閉じ込め低減領域B(typeB)、光閉じ込め低減領域C(typeC)に対して、1ペアの吸収損失低減層がある場合と全くない場合の基本横モードの光閉じ込め係数が示されている。なお、各光閉じ込め低減領域のペア数は3ペアである。
また、図39には、各構造における光閉じ込め係数の低減率を示している。光閉じ込め係数の低減率とは、従来の半導体DBR(図30参照)における基本横モードの光閉じ込め係数を100%とした場合に、それぞれの構造の光閉じ込め係数が何%に低減されているかを表したものである。
図39から、1ペアの吸収損失低減層を設けたことによる光閉じ込め係数の変化は僅かであることがわかる。
また、光閉じ込め低減領域が全く設けられていない面発光レーザ素子VCSEL1(図30参照)、光閉じ込め低減領域Bは設けられているが吸収損失低減層は設けられていない面発光レーザ素子VCSEL2(図32参照)、及び光閉じ込め低減領域Bと1ペアの吸収損失低減層とが設けられている面発光レーザ素子VCSEL3(図38参照)を実際に作製し比較評価を行った。なお、各面発光レーザ素子は、いずれも発振波長が780nm帯であり、電流通過領域の面積は全て16μmである。また、各面発光レーザ素子の下部半導体DBRにおける高屈折率層と低屈折率層のペア数は同じである。
図40に示されるように、面発光レーザ素子VCSEL2及び面発光レーザ素子VCSEL3では、面発光レーザ素子VCSEL1に対して略同等の明確な単一基本横モード出力の向上が確認された。なお、図40における「30」は、被選択酸化層の厚さが30nmの場合であり、「28」は、被選択酸化層の厚さが28nmの場合である。
また、図40を見ると、同じドループ率では、面発光レーザ素子VCSEL2及び面発光レーザ素子VCSEL3は、面発光レーザ素子VCSEL1に比べ、0.3〜0.5mW程度の単一基本横モード出力の向上が確認できる。
図41には、単一基本横モード出力(計算値)と基本モードの光閉じ込め係数(計算値)との関係が示されている。図41におけるシンボルの意味は図40と同じである。また、図41における「30」及び「28」の意味も図40と同じである。
図41を見ると、面発光レーザ素子VCSEL3は、面発光レーザ素子VCSEL1に比べて、明確な光閉じ込め係数の低減と、これに対応した単一基本横モード出力の向上を確認することができる。
また、面発光レーザ素子VCSEL3は、面発光レーザ素子VCSEL2よりも、低い閾値電流、及び高い外部微分量子効率(スロープ効率)を得ることができた。これは、吸収損失が低減されたためである。
以上説明したように、本実施形態に係る面発光レーザ素子100によると、活性層105を含む共振器構造体、該共振器構造体を挟んで設けられた下部半導体DBR103と上部半導体DBR107を備えている。上部半導体DBR107は、アルミニウムを含む厚さ30nmの被選択酸化層の一部が酸化されて生成された酸化物を少なくとも含む酸化層108aが電流通過領域108bを取り囲み、注入電流と発振光の横モードを同時に閉じこめることができる狭窄構造体をその中に含んでいる。
また、下部半導体DBR103は、共振器構造体に対して基板101側に設けられ、横方向に関する光閉じ込めを低減させる光閉じ込め低減領域としての第2の下部半導体DBR1032を有している。これにより、「負のドループ特性」を抑制するとともに、単一基本横モード発振において高出力動作が可能となる。
また、活性層のPL波長を共振器の共振波長780nmに対して772nmに設定し、室温でのディチューニング量△λを−2nmとし、17℃のときに閾値電流が最小になるようにしている。これにより、更に「負のドループ特性」を抑制することができる。
また、第2の下部半導体DBR1032は、低屈折率層103aの光学厚さが3λ/4となるように設定されているため、各屈折率層の界面を定在波の腹あるいは節に対応する位置とすることができる。なお、第2の下部半導体DBR1032における低屈折率層103aの光学厚さは、1以上の整数nを用いて、(2n+1)λ/4であれば良い。この場合にも、各屈折率層の界面を定在波の腹あるいは節に対応する位置とすることができる。
また、パルス周期が1ms、パルス幅が500μsの方形波電流パルスを供給したとき、(P1−P2)/P2=−0.06であるため、更に「負のドループ特性」を抑制することができる。
また、第2の下部半導体DBR1032と共振器構造体との間に第3の下部半導体DBR1033を設けているため、吸収損失を低減させることができる。
本実施形態に係る光走査装置1010によると、光源14が面発光レーザ素子100を有しているため、高精度の光走査を行うことが可能となる。
また、本実施形態に係るレーザプリンタ1000によると、光走査装置1010を備えているため、高品質の画像を形成することが可能となる。
なお、上記実施形態では、第3の下部半導体DBR1033が、低屈折率層103aと高屈折率層103bのペアを1ペア有している場合について説明したがこれに限定されるものではない。
なお、上記実施形態において、吸収損失を考慮する必要がない場合には、図42に示されるように、第2の下部半導体DBR1032が共振器構造体に隣接しても良い。
また、上記実施形態では、第2の下部半導体DBR1032が、低屈折率層103aと高屈折率層103bのペアを3ペア有している場合について説明したがこれに限定されるものではない。
また、上記実施形態において、前記第2の下部半導体DBR1032に代えて、図43に示される第4の下部半導体DBR1034を用いても良い。この第4の下部半導体DBR1034は、低屈折率層103aと高屈折率層103bのペアを3ペア有し、上記光閉じ込め低減領域Bと同様に、低屈折率層103aはλ/4の光学厚さとなるように設定され、高屈折率層103bは3λ/4の光学厚さとなるように設定されている。
また、上記実施形態において、前記第2の下部半導体DBR1032に代えて、図44に示される第5の下部半導体DBR1035を用いても良い。この第5の下部半導体DBR1035は、低屈折率層103aと高屈折率層103bのペアを3ペア有し、上記光閉じ込め低減領域Cと同様に、低屈折率層103aは3λ/4の光学厚さとなるように設定され、高屈折率層103bは3λ/4の光学厚さとなるように設定されている。
また、上記実施形態において、前記面発光レーザ素子100に代えて、一例として図45に示されるように、面発光レーザアレイ500を用いても良い。
この面発光レーザアレイ500は、複数(ここでは32個)の発光部が2次元的に配列して同一基板上に形成されている。ここでは、図45におけるM方向は主走査対応方向であり、S方向は副走査対応方向である。なお、発光部の数は32個に限定されるものではない。
ここでは、複数の発光部は、すべての発光部をS方向に伸びる仮想線上に正射影したときに、隣接する発光部間隔が等間隔cとなるように配列されている。なお、本明細書では、「発光部間隔」とは2つの発光部の中心間距離をいう。
ここでは、間隔cは3μm、間隔dは24μm、M方向の発光部間隔X(図46参照)は30μmである。
各発光部は、図46のA−A断面図である図47に示されるように、前述した面発光レーザ素子100と同様な構造を有している。そして、この面発光レーザアレイ500は、前述した面発光レーザ素子100と同様な方法で製造することができる。
このように、面発光レーザアレイ500は、前記面発光レーザ素子100が集積された面発光レーザアレイであるため、前記面発光レーザ素子100と同様な効果を得ることができる。特にアレイである場合の効果として、酸化層108aの厚さプロファイルや酸化距離の発光部間のばらつきが極めて小さいので、ドループ特性を含めた各種特性が均一であり、駆動制御しやすい。また発光部毎の寿命のばらつきも小さく、しかも長い。
この場合に、面発光レーザアレイ500では、すべての発光部を副走査対応方向に延びる仮想線上に正射影したときの発光部間隔が等間隔cであるので、点灯のタイミングを調整することで感光体ドラム1030上では副走査方向に等間隔で発光部が並んでいる場合と同様な構成と捉えることができる。
そして、上記間隔cが3μmであるため、光走査装置1010の光学系の倍率を約1.8倍とすれば、4800dpi(ドット/インチ)の高密度書込みができる。もちろん、主走査対応方向の発光部数を増加したり、前記間隔dを狭くして間隔cを更に小さくするアレイ配置としたり、光学系の倍率を下げる等を行えばより高密度化でき、より高品質の印刷が可能となる。なお、主走査方向の書き込み間隔は、発光部の点灯のタイミングで容易に制御できる。
また、この場合には、レーザプリンタ1000では書きこみドット密度が上昇しても印刷速度を落とすことなく印刷することができる。また、同じ書きこみドット密度の場合には印刷速度を更に速くすることができる。
ところで、2つの発光部の間の溝は、各発光部の電気的及び空間的分離のために、5μm以上とすることが好ましい。あまり狭いと製造時のエッチングの制御が難しくなるからである。また、メサの大きさ(1辺の長さ)は10μm以上とすることが好ましい。あまり小さいと動作時に熱がこもり、特性が低下するおそれがあるからである。
なお、上記実施形態では、レーザ発振方向に直交する断面でのメサ形状が正方形の場合について説明したが、これに限定されるものではなく、例えば円形、楕円形あるいは長方形など任意の形状とすることができる。
また、上記実施形態では、発光部の発振波長が780nm帯の場合について説明したが、これに限定されるものではない。感光体の特性に応じて、発光部の発振波長を変更しても良い。
また、面発光レーザ素子100及び面発光レーザアレイ500は、画像形成装置以外の用途に用いることができる。その場合に、発振波長は、その用途に応じて、650nm帯、850nm帯、980nm帯、1.3μm帯、1.5μm帯等の波長帯であっても良い。
また、上記実施形態において、前記面発光レーザ素子100に代えて、前記面発光レーザ素子100と同様の発光部が1次元配列された面発光レーザアレイを用いても良い。
また、上記実施形態では、画像形成装置としてレーザプリンタ1000の場合について説明したが、これに限定されるものではない。
例えば、レーザ光によって発色する媒体(例えば、用紙)に直接、レーザ光を照射する画像形成装置であっても良い。
また、像担持体として銀塩フィルムを用いた画像形成装置であっても良い。この場合には、光走査により銀塩フィルム上に潜像が形成され、この潜像は通常の銀塩写真プロセスにおける現像処理と同等の処理で可視化することができる。そして、通常の銀塩写真プロセスにおける焼付け処理と同等の処理で印画紙に転写することができる。このような画像形成装置は光製版装置や、CTスキャン画像等を描画する光描画装置として実施できる。
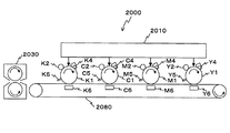
また、一例として図48に示されるように、複数の感光体ドラムを備えるカラープリンタ2000であっても良い。
このカラープリンタ2000は、4色(ブラック、シアン、マゼンタ、イエロー)を重ね合わせてフルカラーの画像を形成するタンデム方式の多色カラープリンタであり、ブラック用の「感光体ドラムK1、帯電装置K2、現像装置K4、クリーニングユニットK5、及び転写装置K6」と、シアン用の「感光体ドラムC1、帯電装置C2、現像装置C4、クリーニングユニットC5、及び転写装置C6」と、マゼンタ用の「感光体ドラムM1、帯電装置M2、現像装置M4、クリーニングユニットM5、及び転写装置M6」と、イエロー用の「感光体ドラムY1、帯電装置Y2、現像装置Y4、クリーニングユニットY5、及び転写装置Y6」と、光走査装置2010と、転写ベルト2080と、定着ユニット2030などを備えている。
各感光体ドラムは、図48中の矢印の方向に回転し、各感光体ドラムの周囲には、回転方向に沿って、それぞれ帯電装置、現像装置、転写装置、クリーニングユニットが配置されている。各帯電装置は、対応する感光体ドラムの表面を均一に帯電する。帯電装置によって帯電された各感光体ドラム表面に光走査装置2010により光が照射され、各感光体ドラムに潜像が形成されるようになっている。そして、対応する現像装置により各感光体ドラム表面にトナー像が形成される。さらに、対応する転写装置により、転写ベルト2080上の記録紙に各色のトナー像が転写され、最終的に定着ユニット2030により記録紙に画像が定着される。
光走査装置2010は、前記光源14と同様な光源を色毎に有している。そこで、上記光走査装置1010と同様の効果を得ることができる。また、カラープリンタ2000は、光走査装置2010を備えているため、上記レーザプリンタ1000と同様の効果を得ることができる。
ところで、カラープリンタ2000では、各部品の製造誤差や位置誤差等によって色ずれが発生する場合がある。このような場合であっても、光走査装置2010の各光源が前記面発光レーザアレイ500と同様な面発光レーザアレイを有していると、点灯させる発光部を変更することで色ずれを低減することができる。
以上説明したように、本発明の面発光レーザ素子及び面発光レーザアレイによれば、「負のドループ特性」を抑制するとともに、単一基本横モード発振において高出力動作を可能とするのに適している。また、本発明の光走査装置によれば、高精度の光走査を行うのに適している。また、本発明の画像形成装置によれば、高品質の画像を形成するのに適している。
11a…偏向器側走査レンズ(走査光学系の一部)、11b…像面側走査レンズ(走査光学系の一部)、13…ポリゴンミラー(偏向器)、14…光源、100…面発光レーザ素子、101…基板、103…下部半導体DBR(半導体多層膜反射鏡の一部)、103…第2の下部半導体DBR(光閉じ込め低減領域)、103…第4の下部半導体DBR(光閉じ込め低減領域)、103…第5の下部半導体DBR(光閉じ込め低減領域)、104…下部スペーサ層(共振器構造体の一部)、105…活性層、106…上部スペーサ層(共振器構造体の一部)、107…上部半導体DBR(半導体多層膜反射鏡の一部)、108a…酸化層(狭窄構造体の一部)、108b…電流通過領域(狭窄構造体の一部)、500…面発光レーザアレイ、1000…レーザプリンタ(画像形成装置)、1010…光走査装置、1030…感光体ドラム(像担持体)、2000…カラープリンタ(画像形成装置)、2010…光走査装置、K1,C1,M1,Y1…感光体ドラム(像担持体)。
特開平11−48520号公報
K.D.Choquette、R.P.Schneider,Jr.、K.L.Lear、K.M.Geib、「Low threshold voltage vertical−cavity lasers fabricated by selective oxidation」、Electronics Letters、No.24、Vol.30、p.2043−2044、1994 H.Nakayama、T.Nakamura、M.Funada、Y.Ohashi、M.Kato、「780nm VCSELs for Home Networks and Printers」、Electronic Components and Technology Conference Proceedings、54th、Vol.2、June、2004、p.1371−1375

Claims (12)

  1. 基板に対して垂直方向に光を出力する面発光レーザ素子であって、
    活性層を含む共振器構造体と;
    前記共振器構造体を挟んで設けられ、アルミニウムを含む被選択酸化層の一部が酸化されて生成された酸化物を少なくとも含む酸化物が電流通過領域を取り囲み、注入電流と発振光の横モードを同時に閉じこめることができる狭窄構造体をその中に含む半導体多層膜反射鏡と;を備え、
    前記被選択酸化層の厚さは少なくとも25nmであり、
    前記半導体多層膜反射鏡は、前記共振器構造体に対して前記基板側に、横方向に関する光閉じ込めを低減させる光閉じ込め低減部を有することを特徴とする面発光レーザ素子。
  2. 前記半導体多層膜反射鏡は、低屈折率層と高屈折率層をペアとする複数のペアを有し、
    前記光閉じ込め低減部は、前記ペアを少なくとも1ペアを有し、該少なくとも1ペアにおける低屈折率層及び高屈折率層の少なくともいずれかの光学厚さは、発振波長λ、1以上の整数nを用いて、(2n+1)λ/4であることを特徴とする請求項1に記載の面発光レーザ素子。
  3. 前記半導体多層膜反射鏡は、前記光閉じ込め低減部と前記共振器構造体との間に前記ペアを少なくとも1ペア有し、該少なくとも1ペアにおける低屈折率層及び高屈折率層の光学厚さは、λ/4であることを特徴とする請求項2に記載の面発光レーザ素子。
  4. 発振の閾値電流が最小となるときの温度は、25℃以下であることを特徴とする請求項1〜3のいずれか一項に記載の面発光レーザ素子。
  5. 前記電流通過領域の幅d[μm]、該電流通過領域を取り囲む酸化物の厚さt[nm]を用いて、−2.54d−0.14t−0.998d・t+53.4d+12.9t−216≧0.9、の関係が満足されることを特徴とする請求項1〜4のいずれか一項に記載の面発光レーザ素子。
  6. 前記被選択酸化層の厚さは30nm以上であり、
    発振の閾値電流が最小となるときの温度は、35℃以下であることを特徴とする請求項1〜3のいずれか一項に記載の面発光レーザ素子。
  7. パルス周期が1ms、パルス幅が500μsの方形波電流パルスを供給したとき、
    供給後10nsでの光出力P1、及び供給後1μsでの光出力P2を用いて、(P1−P2)/P2≧−0.1、の関係が満足されることを特徴とする請求項1〜6のいずれか一項に記載の面発光レーザ素子。
  8. 請求項1〜7のいずれか一項に記載の面発光レーザ素子が集積された面発光レーザアレイ。
  9. 光によって被走査面を走査する光走査装置であって、
    請求項1〜7のいずれか一項に記載の面発光レーザ素子を有する光源と;
    前記光源からの光を偏向する偏向器と;
    前記偏向器で偏向された光を前記被走査面上に集光する走査光学系と;を備える光走査装置。
  10. 光によって被走査面を走査する光走査装置であって、
    請求項8に記載の面発光レーザアレイを有する光源と;
    前記光源からの光を偏向する偏向器と;
    前記偏向器で偏向された光を前記被走査面上に集光する走査光学系と;を備える光走査装置。
  11. 少なくとも1つの像担持体と;
    前記少なくとも1つの像担持体に対して画像情報が含まれる光を走査する少なくとも1つの請求項9又は10に記載の光走査装置と;を備える画像形成装置。
  12. 前記画像情報は、多色のカラー画像情報であることを特徴とする請求項11に記載の画像形成装置。
JP2009093021A 2008-05-02 2009-04-07 面発光レーザ素子、面発光レーザアレイ、光走査装置、及び画像形成装置 Active JP5669364B2 (ja)

Priority Applications (10)

Application Number Priority Date Filing Date Title
JP2009093021A JP5669364B2 (ja) 2008-06-11 2009-04-07 面発光レーザ素子、面発光レーザアレイ、光走査装置、及び画像形成装置
PCT/JP2009/058733 WO2009133966A1 (en) 2008-05-02 2009-04-28 Vertical cavity surface emitting laser device, vertical cavity surface emitting laser array, optical scanning apparatus, image forming apparatus, optical transmission module and optical transmission system
KR1020107024687A KR101292390B1 (ko) 2008-05-02 2009-04-28 수직 공진기형 면발광 레이저 소자, 수직 공진기형 면발광 레이저 어레이, 광 주사 장치 및 화상 형성 장치
KR1020127019776A KR101363690B1 (ko) 2008-05-02 2009-04-28 수직 공진기형 면발광 레이저 소자, 수직 공진기형 면발광 레이저 어레이, 광 주사 장치, 화상 형성 장치, 광 전송 모듈 및 광 전송 시스템
EP09738903.5A EP2277246B1 (en) 2008-05-02 2009-04-28 Vertical cavity surface emitting laser device, vertical cavity surface emitting laser array, optical scanning apparatus, image forming apparatus, optical transmission module and optical transmission system
CN2009801254479A CN102077428B (zh) 2008-05-02 2009-04-28 垂直腔表面发射激光器件 、垂直腔表面发射激光器阵列、光学扫描设备、成像设备、光学发射模块和光学发射系统
US12/989,538 US8891571B2 (en) 2008-05-02 2009-04-28 Vertical cavity surface emitting laser device, vertical cavity surface emitting laser array, optical scanning apparatus, image forming apparatus, optical transmission module and optical transmission system
CN201210493444.4A CN102983498B (zh) 2008-05-02 2009-04-28 激光器件及具有激光器件的阵列、设备、模块和系统
TW098114632A TWI396350B (zh) 2008-05-02 2009-05-01 垂直空腔表面發光雷射裝置,垂直空腔表面發光雷射陣列,光學掃瞄設備,影像形成設備,光學傳輸模組及光學傳輸系統
US14/512,592 US9570887B2 (en) 2008-05-02 2014-10-13 Vertical cavity surface emitting laser device, vertical cavity surface emitting laser array, optical scanning apparatus, image forming apparatus, optical transmission module and optical transmission system

Applications Claiming Priority (3)

Application Number Priority Date Filing Date Title
JP2008152427 2008-06-11
JP2008152427 2008-06-11
JP2009093021A JP5669364B2 (ja) 2008-06-11 2009-04-07 面発光レーザ素子、面発光レーザアレイ、光走査装置、及び画像形成装置

Publications (2)

Publication Number Publication Date
JP2010021522A true JP2010021522A (ja) 2010-01-28
JP5669364B2 JP5669364B2 (ja) 2015-02-12

Family

ID=41706073

Family Applications (1)

Application Number Title Priority Date Filing Date
JP2009093021A Active JP5669364B2 (ja) 2008-05-02 2009-04-07 面発光レーザ素子、面発光レーザアレイ、光走査装置、及び画像形成装置

Country Status (1)

Country Link
JP (1) JP5669364B2 (ja)

Cited By (8)

* Cited by examiner, † Cited by third party
Publication number Priority date Publication date Assignee Title
JP2011181786A (ja) * 2010-03-03 2011-09-15 Ricoh Co Ltd 面発光レーザ素子、面発光レーザアレイ、光走査装置及び画像形成装置
JP2012019195A (ja) * 2010-06-11 2012-01-26 Ricoh Co Ltd 面発光レーザ素子、面発光レーザアレイ、光走査装置、画像形成装置及び面発光レーザ素子の製造方法
JP2012109510A (ja) * 2010-04-22 2012-06-07 Ricoh Co Ltd 面発光レーザ素子、面発光レーザアレイ、光走査装置、画像形成装置及び面発光レーザ素子の製造方法
JP2013201222A (ja) * 2012-03-23 2013-10-03 Furukawa Electric Co Ltd:The 面発光レーザ素子
US8675271B2 (en) 2010-01-08 2014-03-18 Ricoh Company, Ltd. Surface-emitting laser element, surface-emitting laser array, optical scanner device, and image forming apparatus
JP2015053496A (ja) * 2014-10-09 2015-03-19 株式会社リコー 面発光レーザ素子、面発光レーザアレイ、光走査装置及び画像形成装置
JP2021136440A (ja) * 2020-02-25 2021-09-13 株式会社リコー 反射鏡、面発光レーザ、面発光レーザアレイ、投影装置、ヘッドアップディスプレイ、移動体、ヘッドマウントディスプレイ、検眼装置及び照明装置
WO2023007274A1 (en) * 2021-07-30 2023-02-02 Ricoh Company, Ltd. Surface emitting laser, laser device, detection device, mobile object, and surface emitting laser driving method

Citations (8)

* Cited by examiner, † Cited by third party
Publication number Priority date Publication date Assignee Title
JPH0529716A (ja) * 1990-11-29 1993-02-05 Toshiba Corp 光半導体素子
US6714573B2 (en) * 2000-08-22 2004-03-30 The Regents Of The University Of California Contact scheme for intracavity-contacted vertical-cavity surface-emitting laser
JP2004342970A (ja) * 2003-05-19 2004-12-02 Sony Corp 面発光型半導体レーザ素子及びその製造方法
US20050147143A1 (en) * 2003-11-27 2005-07-07 Naoto Jikutani Surface-emission laser diode and surface-emission laser array, optical interconnection system, optical communication system, electrophotographic system, and optical disk system
JP2007165798A (ja) * 2005-12-16 2007-06-28 Furukawa Electric Co Ltd:The 半導体レーザ素子
JP2007266592A (ja) * 2006-03-03 2007-10-11 Ricoh Co Ltd 面発光レーザ素子、それを備えた面発光レーザアレイ、その面発光レーザアレイを備えた光走査装置、その光走査装置を備えた電子写真装置
JP2007300429A (ja) * 2006-04-28 2007-11-15 Omron Corp 発光素子回路、光伝送システム、光伝送モジュール、電子機器
JP2008078612A (ja) * 2006-08-23 2008-04-03 Ricoh Co Ltd 面発光レーザアレイ、それを備えた光走査装置および画像形成装置

Patent Citations (8)

* Cited by examiner, † Cited by third party
Publication number Priority date Publication date Assignee Title
JPH0529716A (ja) * 1990-11-29 1993-02-05 Toshiba Corp 光半導体素子
US6714573B2 (en) * 2000-08-22 2004-03-30 The Regents Of The University Of California Contact scheme for intracavity-contacted vertical-cavity surface-emitting laser
JP2004342970A (ja) * 2003-05-19 2004-12-02 Sony Corp 面発光型半導体レーザ素子及びその製造方法
US20050147143A1 (en) * 2003-11-27 2005-07-07 Naoto Jikutani Surface-emission laser diode and surface-emission laser array, optical interconnection system, optical communication system, electrophotographic system, and optical disk system
JP2007165798A (ja) * 2005-12-16 2007-06-28 Furukawa Electric Co Ltd:The 半導体レーザ素子
JP2007266592A (ja) * 2006-03-03 2007-10-11 Ricoh Co Ltd 面発光レーザ素子、それを備えた面発光レーザアレイ、その面発光レーザアレイを備えた光走査装置、その光走査装置を備えた電子写真装置
JP2007300429A (ja) * 2006-04-28 2007-11-15 Omron Corp 発光素子回路、光伝送システム、光伝送モジュール、電子機器
JP2008078612A (ja) * 2006-08-23 2008-04-03 Ricoh Co Ltd 面発光レーザアレイ、それを備えた光走査装置および画像形成装置

Cited By (10)

* Cited by examiner, † Cited by third party
Publication number Priority date Publication date Assignee Title
US8675271B2 (en) 2010-01-08 2014-03-18 Ricoh Company, Ltd. Surface-emitting laser element, surface-emitting laser array, optical scanner device, and image forming apparatus
JP2011181786A (ja) * 2010-03-03 2011-09-15 Ricoh Co Ltd 面発光レーザ素子、面発光レーザアレイ、光走査装置及び画像形成装置
JP2012109510A (ja) * 2010-04-22 2012-06-07 Ricoh Co Ltd 面発光レーザ素子、面発光レーザアレイ、光走査装置、画像形成装置及び面発光レーザ素子の製造方法
US8989231B2 (en) 2010-04-22 2015-03-24 Hiroyoshi Shouji Surface emitting laser device, surface emitting laser array, optical scanning device, image forming apparatus, and manufacturing method of surface emitting laser device
JP2012019195A (ja) * 2010-06-11 2012-01-26 Ricoh Co Ltd 面発光レーザ素子、面発光レーザアレイ、光走査装置、画像形成装置及び面発光レーザ素子の製造方法
JP2013201222A (ja) * 2012-03-23 2013-10-03 Furukawa Electric Co Ltd:The 面発光レーザ素子
JP2015053496A (ja) * 2014-10-09 2015-03-19 株式会社リコー 面発光レーザ素子、面発光レーザアレイ、光走査装置及び画像形成装置
JP2021136440A (ja) * 2020-02-25 2021-09-13 株式会社リコー 反射鏡、面発光レーザ、面発光レーザアレイ、投影装置、ヘッドアップディスプレイ、移動体、ヘッドマウントディスプレイ、検眼装置及び照明装置
JP7528798B2 (ja) 2020-02-25 2024-08-06 株式会社リコー 反射鏡、面発光レーザ、面発光レーザアレイ、投影装置、ヘッドアップディスプレイ、移動体、ヘッドマウントディスプレイ、検眼装置及び照明装置
WO2023007274A1 (en) * 2021-07-30 2023-02-02 Ricoh Company, Ltd. Surface emitting laser, laser device, detection device, mobile object, and surface emitting laser driving method

Also Published As

Publication number Publication date
JP5669364B2 (ja) 2015-02-12

Similar Documents

Publication Publication Date Title
JP5510899B2 (ja) 面発光レーザ素子、面発光レーザアレイ、光走査装置、及び画像形成装置
KR101363690B1 (ko) 수직 공진기형 면발광 레이저 소자, 수직 공진기형 면발광 레이저 어레이, 광 주사 장치, 화상 형성 장치, 광 전송 모듈 및 광 전송 시스템
KR101253396B1 (ko) 면 발광 레이저 소자, 면 발광 레이저 어레이, 광 주사 장치, 및 화상 형성 장치
JP5261754B2 (ja) 面発光レーザ素子、面発光レーザアレイ、光走査装置及び画像形成装置
JP5532321B2 (ja) 面発光レーザ素子、面発光レーザアレイ、光走査装置及び画像形成装置
JP5669364B2 (ja) 面発光レーザ素子、面発光レーザアレイ、光走査装置、及び画像形成装置
JP2009283888A (ja) 面発光レーザ素子、面発光レーザアレイ、光走査装置、及び画像形成装置
JP6015982B2 (ja) 面発光レーザ、光走査装置及び画像形成装置
JP5463650B2 (ja) 面発光レーザ素子、面発光レーザアレイ、光走査装置、及び画像形成装置
JP5505614B2 (ja) 面発光レーザ素子、面発光レーザアレイ、光走査装置及び画像形成装置

Legal Events

Date Code Title Description
A621 Written request for application examination

Free format text: JAPANESE INTERMEDIATE CODE: A621

Effective date: 20120313

A521 Written amendment

Free format text: JAPANESE INTERMEDIATE CODE: A523

Effective date: 20120622

A131 Notification of reasons for refusal

Free format text: JAPANESE INTERMEDIATE CODE: A131

Effective date: 20121218

A521 Written amendment

Free format text: JAPANESE INTERMEDIATE CODE: A523

Effective date: 20130215

A131 Notification of reasons for refusal

Free format text: JAPANESE INTERMEDIATE CODE: A131

Effective date: 20130411

A521 Written amendment

Free format text: JAPANESE INTERMEDIATE CODE: A523

Effective date: 20130607

A02 Decision of refusal

Free format text: JAPANESE INTERMEDIATE CODE: A02

Effective date: 20130717

A521 Written amendment

Free format text: JAPANESE INTERMEDIATE CODE: A523

Effective date: 20131011

A911 Transfer to examiner for re-examination before appeal (zenchi)

Free format text: JAPANESE INTERMEDIATE CODE: A911

Effective date: 20131021

A912 Re-examination (zenchi) completed and case transferred to appeal board

Free format text: JAPANESE INTERMEDIATE CODE: A912

Effective date: 20131122

A521 Written amendment

Free format text: JAPANESE INTERMEDIATE CODE: A523

Effective date: 20141117

A61 First payment of annual fees (during grant procedure)

Free format text: JAPANESE INTERMEDIATE CODE: A61

Effective date: 20141216

R150 Certificate of patent or registration of utility model

Ref document number: 5669364

Country of ref document: JP

Free format text: JAPANESE INTERMEDIATE CODE: R150