EP4044140B1 - Verfahren und anordnung zur detektion von wasserstoff aus leckagen in einem heizgerät, das mit wasserstoff betreibbar ist - Google Patents

Verfahren und anordnung zur detektion von wasserstoff aus leckagen in einem heizgerät, das mit wasserstoff betreibbar ist Download PDF

Info

Publication number
EP4044140B1
EP4044140B1 EP22156709.2A EP22156709A EP4044140B1 EP 4044140 B1 EP4044140 B1 EP 4044140B1 EP 22156709 A EP22156709 A EP 22156709A EP 4044140 B1 EP4044140 B1 EP 4044140B1
Authority
EP
European Patent Office
Prior art keywords
hydrogen
exhaust system
collecting region
fuel gas
heater
Prior art date
Legal status (The legal status is an assumption and is not a legal conclusion. Google has not performed a legal analysis and makes no representation as to the accuracy of the status listed.)
Active
Application number
EP22156709.2A
Other languages
English (en)
French (fr)
Other versions
EP4044140C0 (de
EP4044140A1 (de
Inventor
Andreas Reinert
Klaus Richter
Bodo Oerder
Matthias Hopf
Jochen Grabe
Thomas Badenhop
Michael Paul
Ulrich Demandewicz
Current Assignee (The listed assignees may be inaccurate. Google has not performed a legal analysis and makes no representation or warranty as to the accuracy of the list.)
Vaillant GmbH
Original Assignee
Vaillant GmbH
Priority date (The priority date is an assumption and is not a legal conclusion. Google has not performed a legal analysis and makes no representation as to the accuracy of the date listed.)
Filing date
Publication date
Family has litigation
First worldwide family litigation filed litigation Critical https://patents.darts-ip.com/?family=80682688&utm_source=google_patent&utm_medium=platform_link&utm_campaign=public_patent_search&patent=EP4044140(B1) "Global patent litigation dataset” by Darts-ip is licensed under a Creative Commons Attribution 4.0 International License.
Application filed by Vaillant GmbH filed Critical Vaillant GmbH
Publication of EP4044140A1 publication Critical patent/EP4044140A1/de
Application granted granted Critical
Publication of EP4044140B1 publication Critical patent/EP4044140B1/de
Publication of EP4044140C0 publication Critical patent/EP4044140C0/de
Active legal-status Critical Current
Anticipated expiration legal-status Critical

Links

Images

Classifications

    • GPHYSICS
    • G08SIGNALLING
    • G08BSIGNALLING OR CALLING SYSTEMS; ORDER TELEGRAPHS; ALARM SYSTEMS
    • G08B21/00Alarms responsive to a single specified undesired or abnormal condition and not otherwise provided for
    • G08B21/02Alarms for ensuring the safety of persons
    • G08B21/12Alarms for ensuring the safety of persons responsive to undesired emission of substances, e.g. pollution alarms
    • G08B21/16Combustible gas alarms
    • FMECHANICAL ENGINEERING; LIGHTING; HEATING; WEAPONS; BLASTING
    • F23COMBUSTION APPARATUS; COMBUSTION PROCESSES
    • F23NREGULATING OR CONTROLLING COMBUSTION
    • F23N2231/00Fail safe
    • F23N2231/18Detecting fluid leaks
    • FMECHANICAL ENGINEERING; LIGHTING; HEATING; WEAPONS; BLASTING
    • F23COMBUSTION APPARATUS; COMBUSTION PROCESSES
    • F23NREGULATING OR CONTROLLING COMBUSTION
    • F23N5/00Systems for controlling combustion
    • F23N5/003Systems for controlling combustion using detectors sensitive to combustion gas properties

Definitions

  • the invention relates to a method and an arrangement for detecting hydrogen which escapes into a housing, in particular into a housing surrounding a heater, and/or into an exhaust system of a heater due to a leak.
  • Hydrogen as a fuel gas or as an admixture to fuel gases is becoming increasingly important, and great efforts are being made to equip new or existing heating devices to operate with it. This is not just about large systems, but also about wall-mounted devices for heating water and generally about heating devices for heating buildings and/or providing warm water.
  • hydrogen When it comes to its distribution and combustion, hydrogen differs in several ways from previously used fuel gases; in particular, hydrogen has the property of a high tendency to diffusion. This places special demands on the sealing systems of gas-carrying parts in a heater. In addition, hydrogen is very easy to ignite, which leads standardization and/or legislation to impose higher tightness requirements compared to natural gas applications, for example.
  • the present invention is therefore particularly, but not only, suitable for heating devices that are operated with pure hydrogen or with fuel gas that consists of more than 50%, in particular more than 97%, hydrogen.
  • the object of the present invention is to at least partially solve the problems described with reference to the prior art.
  • a method and an arrangement are to be created with which escaping hydrogen can be detected, the arrangement being particularly simple and suitable for everyday operation of a heater.
  • a method contributes to solving the problem by detecting hydrogen that escapes from a heater into an interior with a fresh air supply of a housing surrounding the heater and / or into a combustion chamber connected to an exhaust system, with escaping hydrogen being collected in at least one collection area and by means of at least one sensor is detected.
  • Escaping hydrogen essentially rises upwards due to its lower density compared to air and can therefore be collected in suitably shaped collection areas. In such collection areas, an ever higher concentration of hydrogen arises in the event of leaks, which can be detected there with a corresponding sensor, which would not be possible with a low concentration without a collection space.
  • the hydrogen is preferably collected in a first collection area in or on the fresh air supply and/or in a second collection area in the exhaust system. Since leaks can occur at different points in the heater, namely those where hydrogen gets into the housing and those where hydrogen gets into the exhaust system (in the case of leaks in a so-called heat cell), both possibilities should also be taken into account.
  • measures can be initiated to safely control the leak. Detection is a prerequisite for further measures and can be used to determine the presence and/or size and/or location of a leak and to initiate appropriate measures
  • Such measures include at least one of the following steps: initiating a warning or fault message, closing an additional fuel gas valve, starting a fan of the heater, rendering collected hydrogen harmless through absorption, chemical conversion or discharge into the environment.
  • Discharge into the environment is generally the last option when rendering harmless.
  • a collection area enables detection even before it is completely filled with hydrogen and this enters the environment by "overflowing" the collection area. Measures that avoid this are therefore preferred.
  • a separate chemical reaction combustion or, for example, catalytic reaction
  • can also take place or leaked hydrogen can be absorbed or collected. Suitable facilities for this can be provided in or at the collection areas.
  • An arrangement for detecting hydrogen which escapes from a heater into an interior with a fresh air supply of a housing surrounding the heater and/or into a combustion chamber connected to an exhaust system is also used to solve the problem, with on or in the fresh air supply and/or on or there is at least one collection area in the exhaust system with at least one sensor for detecting hydrogen.
  • the collection area is practically the highest point on the hydrogen's path, so that after a leak the highest concentration of hydrogen occurs there and detection is possible before a large amount of potentially explosive mixture can form.
  • the collection area preferably has a dome or siphon or hood-like structure in which rising hydrogen can collect.
  • first collection area with a first sensor in or on the fresh air supply and a second collection area with a second sensor in or on the exhaust system.
  • each sensor is connected via measuring lines to a control and regulation unit, which is set up to infer the presence and/or size and/or location of leaks from the measured values of the sensors and to initiate measures to safely control these leaks.
  • the explanations of the process can be used to characterize the arrangement in more detail, and vice versa.
  • the arrangement can also be set up in such a way that the procedure is carried out with it.
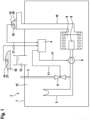
  • Fig. 1 shows schematically a heater 1, which can be operated with hydrogen or a hydrogen-containing fuel gas.
  • the heater 1 is supplied with air via an air inlet 2 and with fuel gas, in particular hydrogen or fuel gas containing hydrogen, from a supply network via a fuel gas inlet 3.
  • Fuel gas is mixed with the air via a fuel gas valve 5, and the resulting mixture is fed to a burner 8 by means of a blower 6.
  • the burner 8 distributes the mixture into a combustion chamber 9, where it is burned.
  • the resulting combustion gases are fed to an exhaust system 10 and released from there into the environment.
  • a control and regulation unit 4 controls the fuel gas valve 5 and the fan 6 via control lines 11.
  • the heater 1 has a housing 7 with an interior 12.
  • a type of hood 21 is arranged above the fresh air supply 13, in which rising hydrogen collects in a first collection area 18 and becomes increasingly more concentrated, so that it can be detected with a suitable first sensor 14 for hydrogen.
  • Something analogous also takes place in the exhaust system 10.
  • the fresh air supply 13 has a siphon-like shape 20, which in turn forms a first collection area 18 for hydrogen, which can be detected there.
  • This siphon-like shape 20 has the advantage that when the fan 6 is switched on, practically all of the hydrogen that may have accumulated is sucked in and burned when a combustion process starts in the heater. In the case of very small leaks, this may be sufficient to allow the heater 1 to continue to operate safely without an unacceptable amount of hydrogen being released into the environment.
  • the present invention makes it possible to use simple and robust devices to increase safety, particularly in a hydrogen-operated heater, by collecting escaping and rising hydrogen and detecting it at an early stage so that countermeasures can be initiated quickly.

Landscapes

  • Engineering & Computer Science (AREA)
  • Chemical & Material Sciences (AREA)
  • Combustion & Propulsion (AREA)
  • Health & Medical Sciences (AREA)
  • Environmental & Geological Engineering (AREA)
  • General Health & Medical Sciences (AREA)
  • Toxicology (AREA)
  • Business, Economics & Management (AREA)
  • Emergency Management (AREA)
  • Physics & Mathematics (AREA)
  • General Physics & Mathematics (AREA)
  • Fuel Cell (AREA)

Description

  • Die Erfindung betrifft ein Verfahren und eine Anordnung zur Detektion von Wasserstoff, der in ein Gehäuse, insbesondere in ein Heizgerät umgebendes Gehäuse, und/oder in eine Abgasanlage eines Heizgerätes aufgrund einer Leckage austritt. Wasserstoff als Brenngas oder als Beimischung zu Brenngasen wird immer wichtiger, und es werden große Anstrengen unternommen, neue oder auch existierende Heizgeräte für einen Betrieb damit zu ertüchtigen. Dabei geht es nicht nur um große Anlagen, sondern auch um Wandgeräte zur Erwärmung von Wasser und generell um Heizgeräte für die Beheizung von Gebäuden und/oder die Bereitstellung von warmem Wasser.
  • Wasserstoff unterscheidet sich bei seiner Verteilung und Verbrennung in mehreren Punkten von bisher verwendeten Brenngasen, insbesondere hat Wasserstoff die Eigenschaft einer hohen Diffusionsneigung. Dies stellt besondere Anforderungen an die Dichtsysteme gasführender Teile in einem Heizgerät. Außerdem lässt sich Wasserstoff sehr leicht entzünden, was die Normung und/oder Gesetzgebung dazu veranlasst, im Vergleich zu beispielsweise Erdgasanwendungen höhere Anforderungen an die Dichtheit zu stellen. Die vorliegende Erfindung ist daher besonders, aber nicht nur geeignet für Heizgeräte, die mit reinem Wasserstoff oder mit Brenngas, das zu mehr als 50%, insbesondere mehr als 97% aus Wasserstoff besteht, betrieben werden.
  • Die hohe Diffusionsneigung und leichte Entzündbarkeit von Wasserstoff führen bei den potentiellen Anwendern von Heizgeräten zu Vorbehalten gegen einen Betrieb mit Wasserstoff, wenn es um die Sicherheit geht. Es besteht unter anderem die Sorge, dass sich bei Leckagen Wasserstoff irgendwo ansammeln, mit Luft vermischen und irgendwann entzünden könnte, was zu einer Verpuffung mit unerwünschten Folgen führen könnte. Eine frühzeitige Detektion von ausgetretenem Wasserstoff ist daher aus Sicherheitsgründen wünschenswert. Moderne Heizgeräte haben oft ein Gehäuse, bei dem zumindest in einem oberen Bereich eine Frischluftzufuhr durch eine Frischluftzuführung aus der Umgebung in einen Innenraum des Gehäuses erfolgt. In dem Innenraum liegt eine Luftansaugung, die beim Betrieb des Heizgerätes Verbrennungsluft ansaugt. In den Innenraum austretender Wasserstoff wird daher beim Betrieb weitgehend mit angesaugt und verbrannt. Findet jedoch gerade keine Verbrennung statt, so kann austretendes Brenngas, insbesondere austretende Wasserstoff, unkontrolliert über eine Frischluftzuführung entweichen, so dass keine auf einfache Weise detektierbare Konzentration auftritt. Das austretende Brenngas kann daher weder kontrolliert aufgefangen und unschädlich gemacht werden, noch kann eine Leckage detektiert werden, da geeignete Sensoren erst bei höherer Konzentration ansprechen. Entsprechend können auch nicht frühzeitig Gegenmaßnahmen bei einer Leckage getroffen werden. Eine ähnliche Situation ergibt sich auch bei einer Brenngas-Leckage innerhalb des Bereiches des Heizgerätes, der gegenüber dem Gehäuse abgedichtet ist, aber mit der Abgasanlage in Verbindung steht (der sogenannten Wärmezelle des Heizgerätes). Hier entweicht austretendes Brenngas unkontrolliert über die Abgasanlage. Ein Beispiel für die Detektierung von unkontrolliert austretendem Wasserstoff in einer Brennstoffzelle ist in US2013/059221 offenbart.
  • Aufgabe der vorliegenden Erfindung ist, die mit Bezug auf den Stand der Technik geschilderten Probleme wenigstens teilweise zu lösen. Insbesondere sollen ein Verfahren und eine Anordnung geschaffen werden, mit denen austretender Wasserstoff detektiert werden kann, wobei die Anordnung insbesondere einfach und geeignet für einen Alltagsbetrieb eines Heizgerätes sein soll.
  • Zur Lösung dieser Aufgabe dienen ein Verfahren und eine Anordnung gemäß den unabhängigen Ansprüchen. Vorteilhafte Ausgestaltungen und Weiterbildungen der Erfindung sind in den jeweiligen abhängigen Ansprüchen angegeben. Die Beschreibung, insbesondere im Zusammenhang mit der Zeichnung, veranschaulicht die Erfindung und gibt weitere Ausführungsbeispiele an.
  • Zur Lösung der Aufgabe trägt ein Verfahren bei zur Detektion von Wasserstoff, der bei einem Heizgerät austritt in einen Innenraum mit einer Frischluftzuführung eines das Heizgerät umgebenden Gehäuses und/oder in einen mit einer Abgasanlage verbundenen Verbrennungsraum, wobei austretender Wasserstoff in mindestens einem Sammelbereich gesammelt und mittels mindestens eines Sensors detektiert wird. Austretender Wasserstoff steigt aufgrund seiner geringeren Dichte gegenüber Luft im Wesentlichen nach oben und lässt sich daher in geeignet geformten Sammelbereichen sammeln. In solchen Sammelbereichen entsteht daher bei Leckagen eine immer höhere Konzentration von Wasserstoff, der dort mit einem entsprechenden Sensor detektiert werden kann, was bei einer geringen Konzentration ohne Sammelraum nicht möglich wäre.
  • Bevorzugt wird der Wasserstoff in einem ersten Sammelbereich in oder an der Frischluftzuführung und/oder in einem zweiten Sammelbereich in der Abgasanlage gesammelt. Da Leckagen an verschiedenen Stellen des Heizgerätes auftreten können, nämlich solche, bei denen Wasserstoff in das Gehäuse gelangt, und solchen, bei denen Wasserstoff (bei Leckagen in einer sogenannten Wärmezelle) in die Abgasanlage gelangt, sollten auch beide Möglichkeiten berücksichtigt werden.
  • Insbesondere können bei einer Detektion von Wasserstoff Maßnahmen zur sicheren Beherrschung der Leckage eingeleitet werden. Die Detektion ist Voraussetzung für weitere Maßnahmen und kann genutzt werden, um das Vorhandensein und/oder die Größe und/oder den Ort einer Leckage festzustellen und entsprechende Maßnahmen einzuleiten
  • Solche Maßnahmen umfassen mindestens einen der folgenden Schritte: Veranlassen einer Warn- oder Störmeldung, Schließen eines zusätzlichen Brenngasventils, Starten eines Gebläses des Heizgerätes, Unschädlichmachung von gesammeltem Wasserstoff durch Absorption, chemische Umsetzung oder Abführen in die Umgebung. Auch eine Kombination dieser Maßnahmen ist möglich. Bei der Unschädlichmachung ist das Abführen an die Umgebung im Allgemeinen die letzte Option. Ein Sammelbereich ermöglicht gerade eine Detektion, schon bevor er ganz mit Wasserstoff gefüllt ist und dieser durch "Überlaufen" des Sammelbereiches in die Umwelt gelangt. Bevorzugt werden daher Maßnahmen, die dies vermeiden. In manchen Fällen genügt zunächst ein Starten des Heizgerätes, wobei ein Gebläse des Heizgerätes angesammelten Wasserstoff abtransportiert (sowohl aus der Frischluftzuführung als auch aus der Abgasanlage). Es kann aber auch eine gesonderte chemische Umsetzung (Verbrennung oder z. B. katalytische Umsetzung) erfolgen oder ausgetretener Wasserstoff absorbiert bzw. gesammelt werden. Geeignete Einrichtungen dazu können in oder an den Sammelbereichen vorgesehen werden.
  • Zur Lösung der Aufgabe dient auch eine Anordnung zur Detektion von Wasserstoff, der bei einem Heizgerät austritt in einen Innenraum mit einer Frischluftzuführung eines das Heizgerät umgebenden Gehäuses und/oder in einen mit einer Abgasanlage verbundenen Verbrennungsraum, wobei an oder in der Frischluftzuführung und/oder an oder in der Abgasanlage mindestens ein Sammelbereich mit mindestens einem Sensor zur Detektion von Wasserstoff vorhanden ist. Der Sammelbereich bildet praktisch die höchste Stelle auf dem Weg des Wasserstoffes, so dass dort nach einer Leckage die höchste Konzentration an Wasserstoff auftritt und eine Detektion möglich ist, bevor sich eine größere Menge an möglicherweise explosivem Gemisch bilden kann.
  • Bevorzugt hat der Sammelbereich eine kuppel- oder syphon- oder haubenartige Struktur, in der sich aufsteigender Wasserstoff sammeln kann.
  • Insbesondere sind in oder an der Frischluftzuführung ein erster Sammelbereich mit einem ersten Sensor und in oder an der Abgasanlage ein zweiter Sammelbereich mit einem zweiten Sensor vorhanden.
  • In einer bevorzugten Ausführungsform ist jeder Sensor über Messleitungen mit einer Steuer- und Regeleinheit verbunden, die eingerichtet ist, aus den Messwerten der Sensoren auf Vorhandensein und/oder Größe und/oder Ort von Leckagen zu schließen und Maßnahmen zur sicheren Beherrschung dieser Leckagen einzuleiten.
  • Sinnvoll ist die Umsetzung mittels eines Computerprogramprodukts, umfassend Befehle, die bewirken, dass die beschriebene Anordnung das beschriebene Verfahren ausführt. Die Auswertung der von den Sensoren gemessenen Daten und die eventuelle Einleitung von Maßnahmen im Heizgerät benötigen ein Programm und Daten für die Steuerung der Maßnahmen, wobei beides gelegentlich aktualisiert werden muss.
  • Die Erläuterungen zum Verfahren können zur näheren Charakterisierung der Anordnung herangezogen werden, und umgekehrt. Die Anordnung kann auch so eingerichtet sein, dass damit das Verfahren durchgeführt wird.
  • Schematische Ausführungsbeispiele der Erfindung, auf die diese jedoch nicht beschränkt ist, und die Funktionsweise des Verfahrens werden nun anhand der Zeichnung näher erläutert. Es stellen dar:
  • Fig. 1:
    ein erstes Ausführungsbeispiel eines Heizgerätes mit Sammelbereichen für ausgetretenen Wasserstoff und
    Fig. 2:
    ein zweites Ausführungsbeispiel mit einer anderen Struktur eines Sammelbereiches.
  • Fig. 1 zeigt schematisch ein Heizgerät 1, welches mit Wasserstoff oder einem wasserstoffhaltigen Brenngas betreibbar ist. Über einen Lufteinlass 2 wird das Heizgerät 1 mit Luft versorgt und über einen Brenngaseinlass 3 mit Brenngas, insbesondere Wasserstoff oder wasserstoffhaltigem Brenngas aus einem Versorgungsnetz. Über ein Brenngasventil 5 wird Brenngas der Luft beigemischt, und das entstehende Gemisch mittels eines Gebläses 6 einem Brenner 8 zugeführt. Der Brenner 8 verteilt das Gemisch in einem Verbrennungsraum 9, wo es verbrannt wird. Entstehende Verbrennungsgase werden einer Abgasanlage 10 zugeführt und von dort an die Umgebung abgegeben. Eine Steuer- und Regeleinheit 4 steuert über Steuerleitungen 11 das Brenngasventil 5, und das Gebläse 6. Das Heizgerät 1 weist ein Gehäuse 7 mit einem Innenraum 12 auf. Falls Wasserstoff irgendwo in dem Heizgerät 1 durch eine Leckage entweicht, so steigt dieser wegen seiner im Verhältnis zu Luft geringeren Dichte im Wesentlichen nach oben und würde ohne weitere Maßnahmen unkontrolliert durch eine Frischluftzuführung 13 entweichen, die typischerweise oben in dem Gehäuse 7 angeordnet ist und den Innenraum 12 mit der Umgebung verbindet. Im vorliegenden Ausführungsbeispiel ist über der Frischluftzuführung 13 eine Art Haube 21 angeordnet, in der sich aufsteigender Wasserstoff in einem ersten Sammelbereich 18 sammelt und immer stärker konzentriert, so dass er mit einem geeigneten ersten Sensor 14 für Wasserstoff detektiert werden kann. Etwas analoges findet auch in der Abgasanlage 10 statt. Dort ist oben eine Ausbauchung 15 vorhanden, in der sich ebenfalls aufsteigender Wasserstoff in einem zweiten Sammelbereich 19 sammelt und mit einem zweiten Sensor 16 detektiert werden kann. Alle Sensoren 14, 16 sind über Messleitungen 17 mit der Steuer- und Regeleinheit 4 verbunden, die deren Messwerte auswertet und bei Leckagen geeignete Maßnahmen veranlasst.
  • In Fig. 2 werden für gleiche Bauteile wie in Fig. 1 auch die gleichen Bezugszeichen benutzt. In diesem Ausführungsbeispiel hat jedoch die Frischluftzuführung 13 eine syphonartige Form 20, wobei sich wiederum ein erster Sammelbereich 18 für Wasserstoff bildet, der dort detektiert werden kann. Diese syphonartige Form 20 hat den Vorteil, dass bei Einschalten des Gebläses 6 praktisch der gesamte eventuell angesammelte Wasserstoff angesaugt und beim Start eines Verbrennungsprozesses in dem Heizgerät mit verbrannt wird. Bei sehr kleinen Leckagen kann dies ausreichen, um einen sicheren Weiterbetrieb des Heizgerätes 1 zuzulassen, ohne dass unzulässig viel Wasserstoff an die Umwelt gelangt. Bei Wasserstoff in dem zweiten Sammelbereich 19 in der Abgasanlage 10 ist dies allerdings nicht möglich, so dass dieser durch andere Maßnahmen (Absorption, Sammeln, Verbrennung, katalytische Umsetzung) unschädlich gemacht werden muss, wenn er nicht in die Umwelt gelangen soll. Ansonsten kann bei größeren Leckagen von der Steuer- und Regeleinheit 4 ein zusätzliches Brenngasventil 22 geschlossen werden. Auch eine Warn- oder Störmeldung sowie Maßnahmen zur Unschädlichmachung des bereits vor der Detektion einer Leckage ausgetretenen Wasserstoffs können alternativ oder additiv eingeleitet werden.
  • Die vorliegende Erfindung erlaubt es, mit einfachen und robusten Einrichtungen die Sicherheit insbesondere in einem wasserstoffbetriebenen Heizgerät zu erhöhen, indem austretender und aufsteigender Wasserstoff gesammelt und frühzeitig detektiert wird, so dass Gegenmaßnahmen schnell eingeleitet werden können.
  • Bezugszeichenliste
  • 1
    Heizgerät
    2
    Lufteinlass
    3
    Brenngaseinlass
    4
    Steuer- und Regeleinheit
    5
    Brenngasventil
    6
    Gebläse
    7
    Gehäuse
    8
    Brenner
    9
    Verbrennungsraum
    10
    Abgasanlage
    11
    Steuerleitungen
    12
    Innenraum
    13
    Frischluftzuführung
    14
    Erster Sensor
    15
    Ausbauchung
    16
    Zweiter Sensor
    17
    Messleitungen
    18
    Erster Sammelbereich
    19
    Zweiter Sammelbereich
    20
    Syphonartige Form (der Frischluftzuführung)
    21
    Haube
    22
    Zusätzliches Brenngasventil

Claims (10)

  1. Verfahren zur Detektion von Wasserstoff bei einem Heizgerät (1), das einen Verbrennungsraum (9) eines Brenners (8) hat, der über einen Lufteinlass (2) mit Luft und über einen Brenngaseinlass (3) mit einem wasserstoffhaltigem Brenngas versorgt wird, und wobei die Luft dem Lufteinlass (2) über eine Frischluftzuführung (13) durch ein Gehäuse (7) in dessen Innenraum (12) zuführbar ist, das Gemisch in dem Verbrennungsraum (9) verbrannt wird und dabei entstehende Verbrennungsgase einer mit dem Verbrennungsraum (9) verbundenen Abgasanlage (10) zugeführt werden, dadurch gekennzeichnet, das in den Innenraum (12) des umgebenden Gehäuses (7) und/oder in die Abgasanlage (10) austretender Wasserstoff in mindestens einem Sammelbereich (18, 19) gesammelt und mittels mindestens eines Sensors (14, 16) detektiert wird.
  2. Verfahren nach Anspruch 1, wobei der Wasserstoff in einem ersten Sammelbereich (18) in oder an der Frischluftzuführung (13) und/oder in einem zweiten Sammelbereich (19) in der Abgasanlage (10) gesammelt wird.
  3. Verfahren nach Anspruch 2, wobei der austretende Wasserstoff in dem mindestens einem Sammelbereich (18, 19) gesammelt und immer stärker konzentriert wird.
  4. Verfahren nach einem der Ansprüche 1 bis 3, wobei bei einer Detektion von Wasserstoff Maßnahmen zur sicheren Beherrschung der Leckage eingeleitet werden.
  5. Verfahren nach Anspruch 4, wobei die Maßnahmen mindestens einen der folgenden Schritte umfassen: Veranlassen einer Warn- oder Störmeldung, Schließen eines zusätzlichen Brenngasventils (22), Starten eines Gebläses (6) des Heizgerätes (1), Unschädlichmachung von gesammeltem Wasserstoff durch Absorption, chemische Umsetzung oder Abführen in die Umgebung.
  6. Anordnung zur Detektion von Wasserstoff umfassend ein Heizgerät (1), das einen Verbrennungsraum (9) eines Brenners (8) hat, der über einen Lufteinlass (2) mit Luft und über einen Brenngaseinlass (3) mit einem wasserstoffhaltigem Brenngas versorgt werden kann, und bei dem die Luft dem Lufteinlass (2) über eine Frischluftzuführung (13) durch ein Gehäuse (7) in dessen Innenraum (12) zuführbar ist, das Gemisch in dem Verbrennungsraum (9) verbrannt wird und dabei entstehende Verbrennungsgase einer mit dem Verbrennungsraum (9) verbundenen Abgasanlage (10) zuführbar ist, dadurch gekennzeichnet, dass an oder in der Frischluftzuführung (13) und/oder an oder in der Abgasanlage (10) mindestens ein Sammelbereich (18, 19) zum Auffangen von in den Innenraum (12) und/oder die Abgasanlage (10) austretenden Wasserstoff mit mindestens einem Sensor (14, 16) zur Detektion von Wasserstoff vorhanden ist.
  7. Anordnung nach Anspruch 6, wobei der Sammelbereich (18, 19) eine kuppel- oder syphon- oder haubenartige Struktur (15, 20, 21) aufweist, in der sich aufsteigender Wasserstoff sammeln kann.
  8. Anordnung nach Anspruch 6 oder 7, wobei der mindestens eine Sammelbereich (18, 19) so eingerichtet ist, dass dort bei einer Leckage eine immer höher werdende Konzentration von Wasserstoff auftritt.
  9. Anordnung nach Anspruch 5 oder 6, wobei in oder an der Frischluftzuführung (13) ein erster Sammelbereich (18) mit einem ersten Sensor (14) und in oder an der Abgasanlage (10) ein zweiter Sammelbereich (19) mit einem zweiten Sensor (16) vorhanden ist.
  10. Anordnung nach einem der Ansprüche 5 bis 7, wobei jeder Sensor (14, 16) mit einer Steuer- und Regeleinheit (4) verbunden ist, die eingerichtet ist, aus den Messwerten der Sensoren (14, 16) auf Vorhandensein und/oder Größe und/oder Ort von Leckagen zu schließen und Maßnahmen zur sicheren Beherrschung von Leckagen einzuleiten.
EP22156709.2A 2021-02-16 2022-02-15 Verfahren und anordnung zur detektion von wasserstoff aus leckagen in einem heizgerät, das mit wasserstoff betreibbar ist Active EP4044140B1 (de)

Applications Claiming Priority (1)

Application Number Priority Date Filing Date Title
DE102021103540.6A DE102021103540A1 (de) 2021-02-16 2021-02-16 Verfahren und Anordnung zur Detektion von Wasserstoff aus Leckagen in einem Heizgerät, das mit Wasserstoff betreibbar ist

Publications (3)

Publication Number Publication Date
EP4044140A1 EP4044140A1 (de) 2022-08-17
EP4044140B1 true EP4044140B1 (de) 2023-09-27
EP4044140C0 EP4044140C0 (de) 2023-09-27

Family

ID=80682688

Family Applications (1)

Application Number Title Priority Date Filing Date
EP22156709.2A Active EP4044140B1 (de) 2021-02-16 2022-02-15 Verfahren und anordnung zur detektion von wasserstoff aus leckagen in einem heizgerät, das mit wasserstoff betreibbar ist

Country Status (3)

Country Link
EP (1) EP4044140B1 (de)
DE (1) DE102021103540A1 (de)
ES (1) ES2966075T3 (de)

Family Cites Families (5)

* Cited by examiner, † Cited by third party
Publication number Priority date Publication date Assignee Title
DE20307317U1 (de) 2003-05-09 2004-09-16 Viessmann Werke Gmbh & Co Kg Brennstoffzellen-Heizgerät
DE102005030908A1 (de) 2005-06-30 2007-01-04 Viessmann Werke Gmbh & Co Kg Gerät zur Bereitstellung thermischer und elektrischer Energie
WO2011145142A1 (ja) * 2010-05-19 2011-11-24 トヨタ自動車株式会社 燃料電池システム及び燃料電池の熱を利用して暖房を行なう方法
CN206618538U (zh) * 2017-01-12 2017-11-07 华南理工大学 高压氢环境下橡胶o形圈密封性能测试装置
CN111882832B (zh) * 2020-08-12 2022-09-27 湖南紫薇垣信息系统有限公司 一种机房环境监测预警系统

Also Published As

Publication number Publication date
ES2966075T3 (es) 2024-04-18
EP4044140C0 (de) 2023-09-27
DE102021103540A1 (de) 2022-08-18
EP4044140A1 (de) 2022-08-17

Similar Documents

Publication Publication Date Title
DE69402930T2 (de) Differentialdrucksteuerungsverfahren für Plattenreformer eines Brennstoffzellenstromerzeugungssystems
WO2015180746A1 (de) Brennstoffzellensystem
DE102018105185A1 (de) Verfahren zur Brenngasartenerkennung bei einem brenngasbetriebenen Heizgerät
DE69724060T2 (de) Verbrennungssystem und Steuerverfahren zu seinem Betrieb
DE2445952A1 (de) Gaskonditionierungs- und -analysesystem
EP4044140B1 (de) Verfahren und anordnung zur detektion von wasserstoff aus leckagen in einem heizgerät, das mit wasserstoff betreibbar ist
EP3783263A1 (de) Pyrolyseofen
EP1547184A2 (de) Brennstoffzellensystem mit einem k hlkreislauf
EP2497142B1 (de) Brennstoffzellenanordnung in einem gehäuse
DE69614769T2 (de) Verfahren und Vorrichtung zum Zersetzen von Reaktionsgasen durch Verbrennen
EP0768493B1 (de) Verfahren und Vorrichtung zum Zünden eines Gasgebläsebrenners
EP4174375B1 (de) Verfahren zur validierung eines signals einer einrichtung zur flammenüberwachung eines heizgerätes, computerprogramm, speichermedium, regel- und steuergerät, heizgerät und verwendung eines temperatursensors
DE102022123906A1 (de) Verfahren zum Betreiben eines Heizgerätes, Computerprogramm, Regel- und Steuergerät, Heizgerät und Verwendung einer zweigeteilten Gaszuführung
DE4310891C1 (de) Brennkammer mit Gasstrahlungsbrenner für Kessel zur Erwärmung von Heizwasser und/oder Brauchwasser, insbesondere für Haushalte
EP4098944A1 (de) Verfahren zur überwachung einer flamme eines heizgerätes, computerprogramm, speichermedium, regel- und steuergerät, heizgerät und verwendung einer positioniereinrichtung
DE2512603C2 (de) Vorrichtung zur beseitigung von lackrueckstaenden
DE102022125189A1 (de) Verfahren zur Inbetriebnahme eines Heizgerätes, Regel- und Steuergerät, Heizgerät und Computerprogramm
DE10040358B4 (de) Regelungsverfahren für Gasbrenner
EP0080184B1 (de) Gerät zur Kontrolle der potentiellen Gefährlichkeit eines aus Gas und/oder Dämpfen bestehenden gasförmigen Gemisches
EP4345379B1 (de) Verfahren zur inbetriebnahme eines heizgerätes, regel- und steuergerät, heizgerät und computerprogramm
DE4431569B4 (de) Verfahren zur schonenden Regeneration eines Rußfilters
DE10262172B4 (de) On-Board-Brennstoffzellensystem zum Abgeben von Wasserstoffabgas
DE102017110314A1 (de) Anlage zur Bereitstellung von Wärme und Strom und Verfahren zum Betrieb einer solchen Anlage
DE102007034148A1 (de) Sicherungseinrichtung für Fahrzeuge mit Gasspeicher
DE102022100345A1 (de) Verfahren zum Erkennen eines blockierten Kondensatablaufes eines Heizgerätes, Computerprogramm, Regel- und Steuergerät und Heizgerät

Legal Events

Date Code Title Description
PUAI Public reference made under article 153(3) epc to a published international application that has entered the european phase

Free format text: ORIGINAL CODE: 0009012

STAA Information on the status of an ep patent application or granted ep patent

Free format text: STATUS: THE APPLICATION HAS BEEN PUBLISHED

AK Designated contracting states

Kind code of ref document: A1

Designated state(s): AL AT BE BG CH CY CZ DE DK EE ES FI FR GB GR HR HU IE IS IT LI LT LU LV MC MK MT NL NO PL PT RO RS SE SI SK SM TR

STAA Information on the status of an ep patent application or granted ep patent

Free format text: STATUS: REQUEST FOR EXAMINATION WAS MADE

17P Request for examination filed

Effective date: 20230215

RBV Designated contracting states (corrected)

Designated state(s): AL AT BE BG CH CY CZ DE DK EE ES FI FR GB GR HR HU IE IS IT LI LT LU LV MC MK MT NL NO PL PT RO RS SE SI SK SM TR

GRAP Despatch of communication of intention to grant a patent

Free format text: ORIGINAL CODE: EPIDOSNIGR1

STAA Information on the status of an ep patent application or granted ep patent

Free format text: STATUS: GRANT OF PATENT IS INTENDED

RIC1 Information provided on ipc code assigned before grant

Ipc: G08B 21/16 20060101AFI20230619BHEP

INTG Intention to grant announced

Effective date: 20230705

GRAS Grant fee paid

Free format text: ORIGINAL CODE: EPIDOSNIGR3

GRAA (expected) grant

Free format text: ORIGINAL CODE: 0009210

STAA Information on the status of an ep patent application or granted ep patent

Free format text: STATUS: THE PATENT HAS BEEN GRANTED

AK Designated contracting states

Kind code of ref document: B1

Designated state(s): AL AT BE BG CH CY CZ DE DK EE ES FI FR GB GR HR HU IE IS IT LI LT LU LV MC MK MT NL NO PL PT RO RS SE SI SK SM TR

REG Reference to a national code

Ref country code: GB

Ref legal event code: FG4D

Free format text: NOT ENGLISH

REG Reference to a national code

Ref country code: CH

Ref legal event code: EP

REG Reference to a national code

Ref country code: DE

Ref legal event code: R096

Ref document number: 502022000156

Country of ref document: DE

REG Reference to a national code

Ref country code: IE

Ref legal event code: FG4D

Free format text: LANGUAGE OF EP DOCUMENT: GERMAN

U01 Request for unitary effect filed

Effective date: 20231027

U07 Unitary effect registered

Designated state(s): AT BE BG DE DK EE FI FR IT LT LU LV MT NL PT SE SI

Effective date: 20231110

PG25 Lapsed in a contracting state [announced via postgrant information from national office to epo]

Ref country code: GR

Free format text: LAPSE BECAUSE OF FAILURE TO SUBMIT A TRANSLATION OF THE DESCRIPTION OR TO PAY THE FEE WITHIN THE PRESCRIBED TIME-LIMIT

Effective date: 20231228

PG25 Lapsed in a contracting state [announced via postgrant information from national office to epo]

Ref country code: RS

Free format text: LAPSE BECAUSE OF FAILURE TO SUBMIT A TRANSLATION OF THE DESCRIPTION OR TO PAY THE FEE WITHIN THE PRESCRIBED TIME-LIMIT

Effective date: 20230927

Ref country code: NO

Free format text: LAPSE BECAUSE OF FAILURE TO SUBMIT A TRANSLATION OF THE DESCRIPTION OR TO PAY THE FEE WITHIN THE PRESCRIBED TIME-LIMIT

Effective date: 20231227

Ref country code: HR

Free format text: LAPSE BECAUSE OF FAILURE TO SUBMIT A TRANSLATION OF THE DESCRIPTION OR TO PAY THE FEE WITHIN THE PRESCRIBED TIME-LIMIT

Effective date: 20230927

Ref country code: GR

Free format text: LAPSE BECAUSE OF FAILURE TO SUBMIT A TRANSLATION OF THE DESCRIPTION OR TO PAY THE FEE WITHIN THE PRESCRIBED TIME-LIMIT

Effective date: 20231228

REG Reference to a national code

Ref country code: SK

Ref legal event code: T3

Ref document number: E 43045

Country of ref document: SK

U20 Renewal fee for the european patent with unitary effect paid

Year of fee payment: 3

Effective date: 20240201

PG25 Lapsed in a contracting state [announced via postgrant information from national office to epo]

Ref country code: IS

Free format text: LAPSE BECAUSE OF FAILURE TO SUBMIT A TRANSLATION OF THE DESCRIPTION OR TO PAY THE FEE WITHIN THE PRESCRIBED TIME-LIMIT

Effective date: 20240127

REG Reference to a national code

Ref country code: ES

Ref legal event code: FG2A

Ref document number: 2966075

Country of ref document: ES

Kind code of ref document: T3

Effective date: 20240418

PG25 Lapsed in a contracting state [announced via postgrant information from national office to epo]

Ref country code: SM

Free format text: LAPSE BECAUSE OF FAILURE TO SUBMIT A TRANSLATION OF THE DESCRIPTION OR TO PAY THE FEE WITHIN THE PRESCRIBED TIME-LIMIT

Effective date: 20230927

Ref country code: RO

Free format text: LAPSE BECAUSE OF FAILURE TO SUBMIT A TRANSLATION OF THE DESCRIPTION OR TO PAY THE FEE WITHIN THE PRESCRIBED TIME-LIMIT

Effective date: 20230927

Ref country code: IS

Free format text: LAPSE BECAUSE OF FAILURE TO SUBMIT A TRANSLATION OF THE DESCRIPTION OR TO PAY THE FEE WITHIN THE PRESCRIBED TIME-LIMIT

Effective date: 20240127

Ref country code: CZ

Free format text: LAPSE BECAUSE OF FAILURE TO SUBMIT A TRANSLATION OF THE DESCRIPTION OR TO PAY THE FEE WITHIN THE PRESCRIBED TIME-LIMIT

Effective date: 20230927

PG25 Lapsed in a contracting state [announced via postgrant information from national office to epo]

Ref country code: PL

Free format text: LAPSE BECAUSE OF FAILURE TO SUBMIT A TRANSLATION OF THE DESCRIPTION OR TO PAY THE FEE WITHIN THE PRESCRIBED TIME-LIMIT

Effective date: 20230927

REG Reference to a national code

Ref country code: DE

Ref legal event code: R026

Ref document number: 502022000156

Country of ref document: DE

PLBI Opposition filed

Free format text: ORIGINAL CODE: 0009260

26 Opposition filed

Opponent name: ROBERT BOSCH GMBH

Effective date: 20240624

PLAX Notice of opposition and request to file observation + time limit sent

Free format text: ORIGINAL CODE: EPIDOSNOBS2

PG25 Lapsed in a contracting state [announced via postgrant information from national office to epo]

Ref country code: MC

Free format text: LAPSE BECAUSE OF FAILURE TO SUBMIT A TRANSLATION OF THE DESCRIPTION OR TO PAY THE FEE WITHIN THE PRESCRIBED TIME-LIMIT

Effective date: 20230927

PLBB Reply of patent proprietor to notice(s) of opposition received

Free format text: ORIGINAL CODE: EPIDOSNOBS3

PG25 Lapsed in a contracting state [announced via postgrant information from national office to epo]

Ref country code: IE

Free format text: LAPSE BECAUSE OF NON-PAYMENT OF DUE FEES

Effective date: 20240215

PG25 Lapsed in a contracting state [announced via postgrant information from national office to epo]

Ref country code: IE

Free format text: LAPSE BECAUSE OF NON-PAYMENT OF DUE FEES

Effective date: 20240215

U20 Renewal fee for the european patent with unitary effect paid

Year of fee payment: 4

Effective date: 20250128

PGFP Annual fee paid to national office [announced via postgrant information from national office to epo]

Ref country code: ES

Payment date: 20250303

Year of fee payment: 4

PGFP Annual fee paid to national office [announced via postgrant information from national office to epo]

Ref country code: SK

Payment date: 20250203

Year of fee payment: 4

PGFP Annual fee paid to national office [announced via postgrant information from national office to epo]

Ref country code: TR

Payment date: 20250129

Year of fee payment: 4

PLBP Opposition withdrawn

Free format text: ORIGINAL CODE: 0009264

PLBD Termination of opposition procedure: decision despatched

Free format text: ORIGINAL CODE: EPIDOSNOPC1

PG25 Lapsed in a contracting state [announced via postgrant information from national office to epo]

Ref country code: CY

Free format text: LAPSE BECAUSE OF FAILURE TO SUBMIT A TRANSLATION OF THE DESCRIPTION OR TO PAY THE FEE WITHIN THE PRESCRIBED TIME-LIMIT; INVALID AB INITIO

Effective date: 20220215

REG Reference to a national code

Ref country code: CH

Ref legal event code: PL

PLBM Termination of opposition procedure: date of legal effect published

Free format text: ORIGINAL CODE: 0009276

PG25 Lapsed in a contracting state [announced via postgrant information from national office to epo]

Ref country code: CH

Free format text: LAPSE BECAUSE OF NON-PAYMENT OF DUE FEES

Effective date: 20250228

27C Opposition proceedings terminated

Effective date: 20250630