EP0243746B1 - Vorrichtung zur Sicherstellung der Kälteversorgung eines Kälteverbrauchers - Google Patents
Vorrichtung zur Sicherstellung der Kälteversorgung eines Kälteverbrauchers Download PDFInfo
- Publication number
- EP0243746B1 EP0243746B1 EP87105202A EP87105202A EP0243746B1 EP 0243746 B1 EP0243746 B1 EP 0243746B1 EP 87105202 A EP87105202 A EP 87105202A EP 87105202 A EP87105202 A EP 87105202A EP 0243746 B1 EP0243746 B1 EP 0243746B1
- Authority
- EP
- European Patent Office
- Prior art keywords
- liquid gas
- valve
- temperature sensor
- line
- user
- Prior art date
- Legal status (The legal status is an assumption and is not a legal conclusion. Google has not performed a legal analysis and makes no representation as to the accuracy of the status listed.)
- Expired - Lifetime
Links
- 239000007788 liquid Substances 0.000 claims abstract description 50
- 239000012530 fluid Substances 0.000 claims abstract 2
- 239000007789 gas Substances 0.000 description 37
- 238000001816 cooling Methods 0.000 description 16
- 238000000605 extraction Methods 0.000 description 8
- 238000000034 method Methods 0.000 description 8
- 239000003507 refrigerant Substances 0.000 description 8
- 239000003915 liquefied petroleum gas Substances 0.000 description 7
- 239000012071 phase Substances 0.000 description 6
- IJGRMHOSHXDMSA-UHFFFAOYSA-N Atomic nitrogen Chemical compound N#N IJGRMHOSHXDMSA-UHFFFAOYSA-N 0.000 description 4
- 238000005070 sampling Methods 0.000 description 4
- 239000007792 gaseous phase Substances 0.000 description 2
- 239000007791 liquid phase Substances 0.000 description 2
- 229910052757 nitrogen Inorganic materials 0.000 description 2
- 238000005057 refrigeration Methods 0.000 description 2
- 238000009825 accumulation Methods 0.000 description 1
- 238000010276 construction Methods 0.000 description 1
- 238000007599 discharging Methods 0.000 description 1
- 239000000835 fiber Substances 0.000 description 1
- 238000010438 heat treatment Methods 0.000 description 1
- 238000004519 manufacturing process Methods 0.000 description 1
- 239000000463 material Substances 0.000 description 1
- 239000008267 milk Substances 0.000 description 1
- 210000004080 milk Anatomy 0.000 description 1
- 235000013336 milk Nutrition 0.000 description 1
- 238000005192 partition Methods 0.000 description 1
- 239000002985 plastic film Substances 0.000 description 1
- 229920006255 plastic film Polymers 0.000 description 1
- 239000000843 powder Substances 0.000 description 1
- 239000004753 textile Substances 0.000 description 1
Images
Classifications
-
- F—MECHANICAL ENGINEERING; LIGHTING; HEATING; WEAPONS; BLASTING
- F17—STORING OR DISTRIBUTING GASES OR LIQUIDS
- F17C—VESSELS FOR CONTAINING OR STORING COMPRESSED, LIQUEFIED OR SOLIDIFIED GASES; FIXED-CAPACITY GAS-HOLDERS; FILLING VESSELS WITH, OR DISCHARGING FROM VESSELS, COMPRESSED, LIQUEFIED, OR SOLIDIFIED GASES
- F17C13/00—Details of vessels or of the filling or discharging of vessels
- F17C13/02—Special adaptations of indicating, measuring, or monitoring equipment
- F17C13/026—Special adaptations of indicating, measuring, or monitoring equipment having the temperature as the parameter
Definitions
- the invention relates to a device for ensuring the supply of a refrigeration consumer with liquid liquefied gas, in which liquefied petroleum gas is supplied from a storage container via a liquefied petroleum gas line with an intermediate liquefied gas valve to a consumer. which is switched using a temperature sensor and a control unit connected to it.
- the permanent supply of cooling to a cooling consumer is relevant in a wide variety of technical fields.
- Devices for cooling supply are used wherever objects or materials are to be quickly cooled to low temperatures.
- the liquid gas used e.g. liquid nitrogen
- the liquid gas is fed under pressure from the storage tank to a phase separator, the liquid level being determined via a measuring device and being connected via a control unit to a control valve for discharging the resulting vapors of the liquid gas.
- Liquid nitrogen can be drawn from the bottom of the phase separator without bubbles.
- a separate insulated collecting container is necessary for the phase separator for separating the gas and liquid phases. Thus, more space must be used to install this device.
- the invention is therefore based on the object to develop a device of the type described above for the cooling supply of a cold consumption, with which it can be ensured without complex and expensive construction that the liquid refrigerant is removed continuously, in particular even after pausing at the end of a liquid gas supply line at the liquid gas extraction device can be.
- thermosensor connected to a control unit is arranged in the liquid gas line and the removal point for vaporized liquid gas is between the temperature sensor and the liquid gas valve of the consumer.
- the device according to the invention has the effect that, at the start of cooling, liquid cold gas is present at the extraction valve of the cooling consumer, regardless of the duration of the interruption of the cooling process. Dead times after cooling breaks can thus be avoided.
- the compact design of the device according to the invention has the advantage that, in contrast to the phase separator, the device takes up little space.
- the liquid refrigerant flows out of the storage tank via the main partition after opening the LPG sampling valve, i.e. the liquid gas line, to the cold consumer.
- the temperature sensor monitors the temperature of the liquid gas in the liquid gas line and measures the temperature difference between the liquid phase and the gas phase of the refrigerant.
- the measured values are passed on to a limit switch or the control unit, which thereby transmits a gas blow-off valve. controls that is installed in the gas sampling line. When the temperature rises, i.e. when the gas phase changes, the gas blow-off valve is opened.
- Gas is now discharged via the removal line for the gaseous phase, which according to the invention is arranged between the temperature sensor and the LPG sampling valve, until the temperature sensor is again flushed with LPG.
- the temperature cooled and the associated limit switch or control unit gives a signal to close the blow-off valve.
- the escaping gaseous refrigerant can be released outdoors or returned to the storage tank via a condenser. If the signal to close the blow-off valve is given via the temperature sensor, it is ensured that only liquid refrigerant is present at the sampling valve.
- a solenoid valve is particularly useful as a relief valve. Further details of the invention are described below with reference to the schematic representation of an exemplary embodiment shown in the figure:
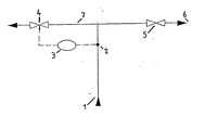
- the liquid refrigerant comes from a storage container (not shown here) via a liquid gas line 1 and flows via a liquid gas extraction valve 5 to a refrigeration consumer 6.
- the liquid gas extraction valve 5 can e.g. be a low temperature solenoid valve controlled by the consumer. During a cooling break, this valve is closed and the temperature of the refrigerant is controlled by a temperature sensor 2. These values are passed on to a limit switch 3. When heated by gas accumulation, the limit switch 3 gives a gas blow-off valve 4 a signal to open and the vapors formed are blown off via a removal line 7 until the temperature sensor 2 is flushed again with liquid gas and is thereby cooled.
- the device according to the invention is preferably used in batch-wise cooling and frost processes in cutters and mixers as well as in the manufacture or treatment of milk powder, textiles, plastic films, tubular liners, volcanic fibers, etc.
Landscapes
- Engineering & Computer Science (AREA)
- Mechanical Engineering (AREA)
- General Engineering & Computer Science (AREA)
- Filling Or Discharging Of Gas Storage Vessels (AREA)
- Input Circuits Of Receivers And Coupling Of Receivers And Audio Equipment (AREA)
- Vending Machines For Individual Products (AREA)
Description
- Die Erfindung betrifft eine Vorrichtung zur Sicherstellung der Versorgung eines Kälteverbrauchers mit flüssigem Flüssiggas, bei der Flüssiggas aus einem Vorratsbehälter über eine Flüssiggasleitung, mit einem zwischengeschalteten Flüssiggasventil einem Verbraucher zugeführt wird, wobei in der Flüssiggasleitung eine Entnahmestelle für verdampftes Flüssiggas mit einem ansteuerbaren Abblasventil vorgesehen ist, das mit Hilfe eines Temperaturfühlers und einer damit verbundenen Steuereinheit geschaltet wird.
- Die permanente Kälteversorgung eines Kälteverbrauchers ist in den verschiedensten technischen Arbeitsgebieten von Relevanz. Vorrichtungen zur Kälteversorgung finden überalldort Anwendung, wo Gegenstände oder Stoffe schnell auf tiefe Temperaturen abgekühlt werden sollen. Bei chargenweisen Kühl- und Frostprozessen mit Flüssiggas wird das verwendete Flüssiggas, z.B. flüssiger Stickstoff, über wärmeisolierte Zuleitungen zum Verbrauchsort transportiert und nach Öffnung eines Flüssiggasventils dem Verbraucher zugeführt.
- Bei Unterbrechung des Kühlprozesses erwärmt sich jedoch das Flüssiggas in der Zuleitung zur Flüssiggasentnahmevorrichtung und geht in die gasförmige Phase über. Beim erneuten Kühlvorgang ergeben sich somit je nach Dauer der Unterbrechung verschieden lange Kühlausfälle, da zunächst nur wärmeres, verdampftes Flüssiggas aus der Flüssiggasentnahmevorrichtung strömt. Bei kurzzeitigen Kühlprozessen führt dies zu großen Regelproblemen. Um diese Nachteile der Totzeiten zur beseitigen, wurde eine Kalthaltevorrichtung entwickelt, die in der DE-C-26 47 961 beschrieben ist.
- Gemäß dieser Vorrichtung wird das Flüssiggas unter Druck aus dem Vorratstank einem Phasenabscheider zugeführt, wobei der Flüssigkeitsstand über eine Meßeinrichtung bestimmt wird und über eine Steuereinheit mit einem Regelventil zum Ablassen der entstehenden Dämpfe des Flüssiggases verbunden ist. Flüssiger Stickstoff kann blasenfrei am Boden des Phasenabscheiders entnommen werden. Für den Phasenabscheider zur Trennung von Gas-und Flüssigphase ist aber ein separater isolierter Auffangebehälter notwendig. Somit muß mehr Platz für den Einbau dieser Vorrichtung aufgewendet werden.
- Darüber hinaus ist aus den "Patent Abstracts of Japan, Bd. 7, Nr. 25 (M-190) (1170) 2, Feb. 1983" eine Vorrichtung zur Versorgung mit Flüssiggas bekannt, die ohne den Einsatz eines aufwendige Zwischenbehälters auskommt und mit Hilfe einer in der Flüssiggaszuleitung angeordneten Auslaßröhre arbeitet, in der nachfolgend zu einem Abblasventil ein Temperatursensor eingebaut ist, mittels dessen die Umschaltung des Abblasventils und eines in der Zuleitung angeordneten Hauptventils erfolgt. Diese Vorrichtung hat den Nachteil, daß eine Flüssiggasversorgung immer erst mit einer Pause nach ihrer Einschaltungerfolgt, da in der Zuleitung entstadenes, Verdampftes Flüssiggaszuerst abgeleitet wird.
- Der Erfindung liegt deshalb die Aufgabe zugrunde, eine Vorrichtung der eingangs beschriebenen Art zur Kältversorgung eines Kälteverbrauches zu entwickeln, mit der ohne aufwendige und teure Konstruktion sichergestellt werden kann, daß das flüssige Kältemittel ständig, insbesondere auch nach Entnahmepausen am Ende einer Flüssiggaszuleitung an der Flüssiggasentnahmevorrichtung entnommen werden kann.
- Diese Aufgabe wird erfindungsgemäß dadurch gelöst, daß der mit einer Steuereinheit verbundene Temperaturfühler in der Flüssiggasleitung angeordnet ist und sich die Entnahmestelle für verdampftes Flüssiggas zwischen dem Temperaturfühler und dem Flüssiggasventil des Verbrauchers befindet.
- Mit dieser Anordnung können ohne großen konstruktiven Aufwand Kühlprozesse, insbesondere solche, die chargenweise ablaufen, einwandfrei geregelt werden. Die erfindungsgemäße Vorrichtung bewirkt, daß bei Kühlbeginn unabhängig von der Dauer der Unterbrechung des Kühlprozesses am Entnahmeventil des Kälteverbrauchers flüssiges Kaltgas vorliegt. Totzeiten nach Kühlpausen können somit vermieden werden. Die kompakte Bauweise der erfindungsgemäßen Vorrichtung bringt den Vorteil mit sich, daß im Gegensatz zum Phasenabscheider die Vorrichtung nur geringen Platzbedarf hat.
- Vorteilhaft ergibt sich durch die erfindungsgemäße Vorrichtung folgende Arbeitsweise; Das flüssige Kältemittel fließt nach Öffnung des Flüssiggasentnahmeventils aus dem Vorratsbehälter über die Haupteilung, d.h. die Flüssiggasleitung, zum Kälteverbraucher.
- Bei einer Entnahmepause schließt diese Ventil. Das aber für den nächsten Entnahmezyklus am Ende der Flüssiggas-Zuleitung am Entnahmeventil blasenfreies Flüssiggas benötigt wird, müssen die durch Erwärmung des flüssigen Kältemittels entstehenden Dämpfe aus der Zuleitung abgezogen werden. Der Temperaturfühler überwacht die Temperatur des Flüssiggases in der Flüssiggasleitung und mißt den Temperaturunterschied zwischen Flüssigphase und Gasphase des Kältemittels.
- Die gemessenen Werte werden an einem Grenzwertschalter bzw. die Steureinheit weitergegeben, der bzw. die dadurch ein Gasabblasventil . steuert, das in der Gasentnahmeleitung eingebaut ist. Bei Erhöhung der Temperatur, also bei Übergang in die Gasphase wird das Gasabblasventil geöffnet.
- Über die Entnahmeleitung für die gasförmige Phase, die erfindungsgemäß zwischen Temperaturfühler und Flüssiggasentnahmeventil angeordnet ist, wird nun so lange Gas abgelassen, bis der Temperaturfühler wieder von Flüssiggas umspült wird. Dadurch wird der Temperaturfühler gekühlt und der dazugehörige Grenzwertschalter bzw. Steuereinheit gibt ein Signal zum Schließen des Abblas-Ventils.
- Das ausströmende gasförmige Kältemittel kann ins Freie abgegeben oder über einen Kondensator zurück zum Vorratstank geführt werden. Wird über den Temperaturfühler das Signal zum Schließen des Abblas-Ventils gegeben, so ist gewährleistet, daß am Entnahmeventil nur flüssiges Kältemittel ansteht.
- Mit besonderm Vorteil findet ein Magnetventil als Ablasventil Anwendung. Im folgenden werden weitere Details der Erfindung anhand der in der Figur wiedergegebenen schematischen Darstellung eines Ausführungsbeispiels beschrieben:
- Das flüssige Kältemittel kommt über eine Flüssiggasleitung 1 aus einem (hier nicht gezeichneten) Vorratsbehälter und strömt über ein Flüssiggasentnahmeventil 5 zu einem Kälteverbraucher 6. Das Flüssiggasentnahmeventil 5 kann z.B. ein Tieftemperaturmagnetventil sein, das vom Verbraucher gesteuert wird. In einer Kühlpause ist dieses Ventil geschlossen und die Temperatur des Kältemittels wird von einem Temperaturfühler 2 kontrolliert. Diese Werte werden an einen Grenzwertschalter 3 weitergegeben. Bei Erwärmung durch Gasansammlung gibt der Grenzwertschalter 3 einem Gasabblasventil 4 ein Signal zum Öffnen und die entstandenen Dämpfe werden über eine Entnahmeleitung 7 so lange abgeblasen, bis der Temperaturfühler 2 wieder von Flüssiggas umspült und dadurch gekühlt wird.
- Mit Vorzug wird die erfindungsgemäße Vorrichtung bei chargenweisen Kühl- und Frostprozessen in Kuttern und Mischern sowie bei der Herstellung oder Behandlung von Milchpulver, Textilien, Kunststoff-Folien, Schlauchseelen, Vulkanfiber etc. verwendet.
Claims (2)
Priority Applications (1)
| Application Number | Priority Date | Filing Date | Title |
|---|---|---|---|
| AT87105202T ATE55826T1 (de) | 1986-04-26 | 1987-04-08 | Vorrichtung zur sicherstellung der kaelteversorgung eines kaelteverbrauchers. |
Applications Claiming Priority (2)
| Application Number | Priority Date | Filing Date | Title |
|---|---|---|---|
| DE19863614287 DE3614287A1 (de) | 1986-04-26 | 1986-04-26 | Vorrichtung zur sicherstellung der kaelteversorgung eines kaelteverbrauchers |
| DE3614287 | 1986-04-26 |
Publications (2)
| Publication Number | Publication Date |
|---|---|
| EP0243746A1 EP0243746A1 (de) | 1987-11-04 |
| EP0243746B1 true EP0243746B1 (de) | 1990-08-22 |
Family
ID=6299670
Family Applications (1)
| Application Number | Title | Priority Date | Filing Date |
|---|---|---|---|
| EP87105202A Expired - Lifetime EP0243746B1 (de) | 1986-04-26 | 1987-04-08 | Vorrichtung zur Sicherstellung der Kälteversorgung eines Kälteverbrauchers |
Country Status (3)
| Country | Link |
|---|---|
| EP (1) | EP0243746B1 (de) |
| AT (1) | ATE55826T1 (de) |
| DE (2) | DE3614287A1 (de) |
Families Citing this family (1)
| Publication number | Priority date | Publication date | Assignee | Title |
|---|---|---|---|---|
| GB2264159B (en) * | 1992-02-05 | 1995-06-28 | Oxford Magnet Tech | Improvements in or relating to liquid helium topping-up apparatus |
Family Cites Families (2)
| Publication number | Priority date | Publication date | Assignee | Title |
|---|---|---|---|---|
| US3555483A (en) * | 1968-09-03 | 1971-01-12 | California Inst Of Techn | Cryogenic liquid sensor |
| FR2500908A1 (fr) * | 1981-03-02 | 1982-09-03 | Europ Agence Spatiale | Installation cryogenique a fonctionnement en l'absence de gravite, notamment pour missions spatiales |
-
1986
- 1986-04-26 DE DE19863614287 patent/DE3614287A1/de not_active Withdrawn
-
1987
- 1987-04-08 EP EP87105202A patent/EP0243746B1/de not_active Expired - Lifetime
- 1987-04-08 DE DE8787105202T patent/DE3764392D1/de not_active Expired - Fee Related
- 1987-04-08 AT AT87105202T patent/ATE55826T1/de not_active IP Right Cessation
Also Published As
| Publication number | Publication date |
|---|---|
| DE3764392D1 (de) | 1990-09-27 |
| DE3614287A1 (de) | 1987-10-29 |
| ATE55826T1 (de) | 1990-09-15 |
| EP0243746A1 (de) | 1987-11-04 |
Similar Documents
| Publication | Publication Date | Title |
|---|---|---|
| DE627636C (de) | Verfahren zum Umfuellen verfluessigter Gase mit tiefliegendem Siedepunkt | |
| EP2035739B1 (de) | Verfahren zum betrieb einer vorrichtung zur befüllung eines behälters mit kryogen gespeichertem kraftstoff | |
| EP3120402B1 (de) | System insbesondere für ein kraft- oder nutzfahrzeug und verfahren dafür | |
| DE69108973T2 (de) | Verfahren und Vorrichtung zur Produktion gasförmigen Stickstoffs und System zu dessen Bereitstellung. | |
| EP2863103A2 (de) | Vorrichtung und Verfahren zum Unterkühlen von Kohlendioxid | |
| EP0243746B1 (de) | Vorrichtung zur Sicherstellung der Kälteversorgung eines Kälteverbrauchers | |
| DE3940878C2 (de) | Vorrichtung zum Kühlen von Getränkekomponenten in einem Getränkeautomaten | |
| DE641218C (de) | Verfahren zur fortlaufenden Abgabe von Druckgas aus verfluessigten Gasen | |
| DE69631713T2 (de) | Abgabevorrichtung für ein Kryogenmittel | |
| DD298168A5 (de) | Verfahren und vorrichtung zur regelung der temperatur von chemischen reaktionen | |
| DE102010049713A1 (de) | Verfahren zum Betreiben eines Verdampfers für Flüssiggas und Verdampfer | |
| DE1285985B (de) | Verfahren zur Entfernung von Wasserdampf aus einem Gas | |
| DE102008013084A1 (de) | Vorrichtung und Verfahren zum Entnehmen von Gas aus einem Behälter | |
| DE19855047C1 (de) | Füll-/Entnahmevorrichtung für kryogene Kraftstoffe in Fahrzeugtanks | |
| DE823143C (de) | Verhuetung des Entstehens groesserer Dampfmengen hinter dem Schwimmerregler von Kaelteanlagen | |
| DE3837656C2 (de) | ||
| DE19758301C1 (de) | Verfahren und Vorrichtung zur Reduzierung des Fegedampfverlustes bei der thermischen Entgasung von Kesselspeisewasser | |
| WO1999054657A1 (de) | System zum versorgen eines verbrauchers mit einen kryogenem medium | |
| DE2851862A1 (de) | Verfahren zur entnahme von gasen aus behaeltern | |
| DE2151714A1 (de) | Verfahren zur temperierung von schokoladenmassen und vorrichtung zur durchfuehrung des verfahrens | |
| EP2679879B1 (de) | Vorrichtung zum Unterkühlen von tiefsiedenden Flüssiggasen | |
| DD144617A1 (de) | Verfahren zum steuern des rueckkuehlvorganges von supraleitenden wicklungen | |
| DE3101063C2 (de) | Verfahren zur Erhöhung des Heizwertes eines Gases | |
| DE2603852A1 (de) | Vorratsbehaelter fuer verfluessigte gase | |
| DE102022206749A1 (de) | Kryotanksystem |
Legal Events
| Date | Code | Title | Description |
|---|---|---|---|
| PUAI | Public reference made under article 153(3) epc to a published international application that has entered the european phase |
Free format text: ORIGINAL CODE: 0009012 |
|
| AK | Designated contracting states |
Kind code of ref document: A1 Designated state(s): AT BE CH DE FR LI NL |
|
| 17P | Request for examination filed |
Effective date: 19880126 |
|
| 17Q | First examination report despatched |
Effective date: 19880725 |
|
| GRAA | (expected) grant |
Free format text: ORIGINAL CODE: 0009210 |
|
| AK | Designated contracting states |
Kind code of ref document: B1 Designated state(s): AT BE CH DE FR LI NL |
|
| REF | Corresponds to: |
Ref document number: 55826 Country of ref document: AT Date of ref document: 19900915 Kind code of ref document: T |
|
| ET | Fr: translation filed | ||
| REF | Corresponds to: |
Ref document number: 3764392 Country of ref document: DE Date of ref document: 19900927 |
|
| PLBE | No opposition filed within time limit |
Free format text: ORIGINAL CODE: 0009261 |
|
| STAA | Information on the status of an ep patent application or granted ep patent |
Free format text: STATUS: NO OPPOSITION FILED WITHIN TIME LIMIT |
|
| 26N | No opposition filed | ||
| PGFP | Annual fee paid to national office [announced via postgrant information from national office to epo] |
Ref country code: CH Payment date: 19980501 Year of fee payment: 12 |
|
| PGFP | Annual fee paid to national office [announced via postgrant information from national office to epo] |
Ref country code: BE Payment date: 19980609 Year of fee payment: 12 |
|
| PG25 | Lapsed in a contracting state [announced via postgrant information from national office to epo] |
Ref country code: LI Free format text: LAPSE BECAUSE OF NON-PAYMENT OF DUE FEES Effective date: 19990430 Ref country code: CH Free format text: LAPSE BECAUSE OF NON-PAYMENT OF DUE FEES Effective date: 19990430 Ref country code: BE Free format text: LAPSE BECAUSE OF NON-PAYMENT OF DUE FEES Effective date: 19990430 |
|
| BERE | Be: lapsed |
Owner name: LINDE A.G. Effective date: 19990430 |
|
| REG | Reference to a national code |
Ref country code: CH Ref legal event code: PL |
|
| PGFP | Annual fee paid to national office [announced via postgrant information from national office to epo] |
Ref country code: FR Payment date: 20000411 Year of fee payment: 14 |
|
| PGFP | Annual fee paid to national office [announced via postgrant information from national office to epo] |
Ref country code: AT Payment date: 20000412 Year of fee payment: 14 |
|
| PGFP | Annual fee paid to national office [announced via postgrant information from national office to epo] |
Ref country code: NL Payment date: 20000428 Year of fee payment: 14 |
|
| REG | Reference to a national code |
Ref country code: FR Ref legal event code: TP |
|
| NLS | Nl: assignments of ep-patents |
Owner name: LINDE TECHNISCHE GASE GMBH |
|
| PG25 | Lapsed in a contracting state [announced via postgrant information from national office to epo] |
Ref country code: AT Free format text: LAPSE BECAUSE OF NON-PAYMENT OF DUE FEES Effective date: 20010408 |
|
| PG25 | Lapsed in a contracting state [announced via postgrant information from national office to epo] |
Ref country code: FR Free format text: THE PATENT HAS BEEN ANNULLED BY A DECISION OF A NATIONAL AUTHORITY Effective date: 20010430 |
|
| REG | Reference to a national code |
Ref country code: FR Ref legal event code: CD |
|
| PG25 | Lapsed in a contracting state [announced via postgrant information from national office to epo] |
Ref country code: NL Free format text: LAPSE BECAUSE OF NON-PAYMENT OF DUE FEES Effective date: 20011101 |
|
| NLV4 | Nl: lapsed or anulled due to non-payment of the annual fee |
Effective date: 20011101 |
|
| REG | Reference to a national code |
Ref country code: FR Ref legal event code: ST |
|
| PGFP | Annual fee paid to national office [announced via postgrant information from national office to epo] |
Ref country code: DE Payment date: 20020417 Year of fee payment: 16 |
|
| PG25 | Lapsed in a contracting state [announced via postgrant information from national office to epo] |
Ref country code: DE Free format text: LAPSE BECAUSE OF NON-PAYMENT OF DUE FEES Effective date: 20031101 |