CN210154272U - 一种智能化金刚线切割硅泥制粒干燥机 - Google Patents

一种智能化金刚线切割硅泥制粒干燥机 Download PDF

Info

Publication number
CN210154272U
CN210154272U CN201920725689.2U CN201920725689U CN210154272U CN 210154272 U CN210154272 U CN 210154272U CN 201920725689 U CN201920725689 U CN 201920725689U CN 210154272 U CN210154272 U CN 210154272U
Authority
CN
China
Prior art keywords
unit
bearing seat
dryer
dryer body
driven
Prior art date
Legal status (The legal status is an assumption and is not a legal conclusion. Google has not performed a legal analysis and makes no representation as to the accuracy of the status listed.)
Expired - Fee Related
Application number
CN201920725689.2U
Other languages
English (en)
Inventor
徐建虎
Current Assignee (The listed assignees may be inaccurate. Google has not performed a legal analysis and makes no representation or warranty as to the accuracy of the list.)
Changzhou Baide Drying Engineering Co ltd
Original Assignee
Changzhou Baide Drying Engineering Co ltd
Priority date (The priority date is an assumption and is not a legal conclusion. Google has not performed a legal analysis and makes no representation as to the accuracy of the date listed.)
Filing date
Publication date
Application filed by Changzhou Baide Drying Engineering Co ltd filed Critical Changzhou Baide Drying Engineering Co ltd
Priority to CN201920725689.2U priority Critical patent/CN210154272U/zh
Application granted granted Critical
Publication of CN210154272U publication Critical patent/CN210154272U/zh
Expired - Fee Related legal-status Critical Current
Anticipated expiration legal-status Critical

Links

Images

Landscapes

  • Drying Of Solid Materials (AREA)

Abstract

本实用新型公开了一种智能化金刚线切割硅泥制粒干燥机,其特征在于:所述的破碎机安装在机架上,破碎机出料口通过管路与制粒机进料口连接,制粒机出料口下方安装有皮带输送机,进料布料器安装在皮带输送机右侧,干燥机机体安装在进料布料器右侧,出料输送机安装在干燥机机体右侧出料处,主动链轮单元安装在干燥机机体上,主动链轮单元通过输送链条与从动链轮单元连接,进风主管通过多个管路分别与干燥机机体的各个单元连接,出风主管通过管路与排风净化单元连接,清扫单元安装在干燥机机体上且清扫单元位于输送链条下方。本实用新型实现各个单元的独立循环,强制通风,具有较高的稳定性和高效节能的优点,有效清理网带上的粘结物料。

Description

一种智能化金刚线切割硅泥制粒干燥机
技术领域
本实用新型属于干燥机技术领域,具体涉及一种智能化金刚线切割硅泥制粒干燥机。
背景技术
近年来,太阳能产业逐渐成为本世纪最重要的新能源,全球的太阳能产业进入了高速发展期。而在制备太阳能电池时,晶体硅的切割过程就相应的产生了硅粉进入切割浆料中,作为光伏金属切割液的衍生产品,光伏切割硅粉的市场价值愈发突兀明显,如何变废为宝,进行回收再利用,不仅能减少污染,还能提高资源的利用率是一个新的课题。
硅粉因其特殊性(氧化、易燃),在传统脱水、烘干过程中,各生产厂家设备常见有物料燃烧着火现象,在环保督察风潮日益严厉的当下,生产事故令各生产厂家忧心忡忡苦不堪言。40%左右的含水(微溶剂)硅粉,如何使其安全脱水,常规的常压对流干燥已经在实践生产中被推翻。由百得干燥设备有限公司研发的硅粉专用热传导式密闭干燥设备,能够高效、节能、安全、环保地一次性得到1%终水分要求的硅粉成品。
硅粉制粒由百得干燥全程实验验证的硅粉湿法制粒、硅粉干法造粒工艺涉及实验设备7台套。最终选取了适合硅粉造粒的改进型螺杆挤出造粒机,在实际工业生产中得到了高效运用,硅粉成粒美观、紧密度适中。硅粒(湿品)再进入连续式烘干机,进行有效水分去除,得到硅颗粒(干品)。硅粉造粒烘干之后,投入电炉进行冶炼工序,即可得到高纯度的金属硅成品。
现有的金刚线切割硅泥制粒干燥机干燥效果差,耗能高,而且排放的尾气污染了环境。
实用新型内容
本实用新型所要解决的技术问题是针对上述现有技术的不足提供一种智能化金刚线切割硅泥制粒干燥机,其实现各个单元的独立循环,强制通风,具有较高的稳定性和高效节能的优点,有效清理网带上的粘结物料。
为实现上述技术目的,本实用新型采取的技术方案为:
一种智能化金刚线切割硅泥制粒干燥机,其特征在于:包括湿料仓、破碎机、机架、制粒机、皮带输送机、暂存仓、进料布料器、从动链轮单元、出风主管、干燥机机体、检修门、清扫单元、主动链轮单元、传动链条、驱动单元、输送链条、箱内隔板、热风送风单元、进风主管、排风净化单元和出料输送机,所述的湿料仓固定安装在破碎机的进料处,所述的破碎机固定安装在机架上,所述的破碎机出料口通过管路与制粒机进料口连接,所述的制粒机出料口下方安装有皮带输送机,所述的进料布料器安装在皮带输送机右侧,所述的暂存仓安装在进料布料器顶端靠近左侧面处且暂存仓位于皮带输送机右侧出料下方,所述的干燥机机体安装在进料布料器右侧,所述的干燥机机体由箱内隔板分隔成若干组单元且每个单元前侧面上都安装有检修门,所述的从动链轮单元安装在干燥机机体上且从动链轮单元靠近干燥机机体左侧面,所述的出料输送机安装在干燥机机体右侧出料处,所述的主动链轮单元安装在干燥机机体上且主动链轮单元靠近干燥机机体右侧面,所述的驱动单元安装在干燥机机体上且驱动单元通过传动链条与主动链轮单元连接,所述的主动链轮单元通过输送链条与从动链轮单元连接,所述的热风送风单元通过管路与进风主管连接,所述的进风主管通过多个管路分别与干燥机机体的各个单元连接,所述的干燥机机体内各个单元通过管路都与出风主管连接,所述的出风主管通过管路与排风净化单元连接,所述的清扫单元安装在干燥机机体上且清扫单元位于输送链条下方。
上述的从动链轮单元由从动转轴、后从动链轮、后轴承座、后螺母、后调节螺杆、前调节螺杆、前螺母、前轴承座和前从动链轮组成,所述的从动转轴两端分别通过轴承安装在后轴承座和前轴承座上,所述的后轴承座和前轴承座都安装在干燥机机体滑槽里,所述的后从动链轮和前从动链轮都固定安装在从动转轴上,所述的后螺母和前螺母都固定安装在干燥机机体上,所述的后调节螺杆安装在后螺母上且后调节螺杆尾部安装在后轴承座上,所述的前调节螺杆安装在前螺母上且前调节螺杆尾部安装在前轴承座上。
上述的清扫单元由轴承座、转轴、电机、支架和毛刷组成,所述的转轴两端通过轴承分别安装在前侧的轴承座和后侧的轴承座上,所述的轴承座固定安装在干燥机机体上,所述的电机安装在前侧的轴承座上且电机输出轴与转轴连接,所述的转轴外壁上沿圆周方向均匀分布有3个支架,所述的毛刷固定安装在支架上。
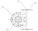
上述的主动链轮单元由主动转轴、后主动链轮、第一轴承座、第二轴承座、第一从动链轮和前主动链轮组成,所述的主动转轴两端分别通过轴承安装在第一轴承座和第二轴承座上,所述的第一轴承座和第二轴承座都固定安装在干燥机机体上,所述的后主动链轮和前主动链轮都固定安装在主动转轴上,所述的第一从动链轮固定安装在主动转轴前端。
上述的驱动单元由电机减速器、第一主动链轮、调节螺杆和调节螺母组成,所述的第一主动链轮固定安装在电机减速器输出轴上,所述的调节螺杆底部安装在干燥机机体上,所述的调节螺母安装在调节螺杆上,所述的电机减速器底部法兰安装在调节螺杆上且电机减速器底部法兰位于两个调节螺母之间。
上述的输送链条由两条链条中间通过连接轴组合而成,输送链条(16)两侧设有挡板且输送链条中两条链条之间安装有不锈钢丝网。
上述的干燥机机体内壁安装有隔板。
上述的排风净化单元内安装有栅板和轻质小球。
本实用新型中湿物料通过湿料仓进入到破碎机破碎,破碎后的物料经由制粒机制粒后,通过皮带输送机输送到暂存仓,暂存仓内的物料经由进料布料器输送到输送链条上。物料由进料布料器均匀地铺在网带上,网带采用12~60目不锈钢丝网。由通过输送链条拖动在干燥机内移动。干燥机由若干单元组成,每一单元热风独立循环,部分尾气由专门排湿风机排出,废气由调节阀控制,热气由下往上或由上往下穿过铺在网带上的物料,加热干燥并带走水分。网带缓慢移动,运行速度可根据物料温度自由调节,干燥后的成品连续落入收料器中。上下循环单元根据用户需要可灵活配备,单元数量可根据需要选取。
驱动单元通过传动链条带动主动链轮单元转动,主动链轮单元通过输送链条带动从动链条单元转动,干燥后的物料经由出料输送机输出;传动链条的调节主要是通过调节电机减速器在调节螺杆上的位置即可实现传动链条的张紧;输送链条的调节主要是通过调节前调节螺杆在前螺母中的位置及后调节螺杆在后螺母中的位置的实现输送链条的张紧;主动链轮单元和从动链条单元都安装在干燥机机体外,有效防止了主动链轮单元和从动链条单元上的轴承被湿热的空气腐蚀,从而影响其使用寿命;检修门可以有效对该干燥机进行检修,操作方便可靠,大大提高了检修效率。
本实用新型的优点在于以下几点:
(1)换热器与网带干燥室分开布置,在干燥室侧面另设换热器室,有效避免物料粉粒与换热器的不良接触(如粉粒料掉漏在换热器上影响换热效果等问题)。
(2)热风循环方式由纵向多单元串流改为侧向单元循环,实现各个单元的独立循环,强制通风,有效的加大了循环风量,带来热空气穿透性高,热利用率高,单元可控性好等诸多优势,具有较高的稳定性和高效节能的优点。
(3)可配置多种形式的传送带,根据硅粉颗粒性质要求,可选择各种结构的不锈钢方格丝网、异形网、不锈钢冲孔钢板带等传送带。
(4)在干燥硅粉颗粒时,有少量粉尘飞扬,通过配置水膜除尘装置进行收集处理,尾气达标排放。
(5)配置清扫装置:根据硅粉颗粒干燥时的特性,配置专用网带清扫机构,有效清理网带上的粘结物料。
附图说明
图1是本实用新型的结构主视图;
图2是本实用新型的结构俯视图;
图3是本实用新型从动链轮单元的结构示意图;
图4是本实用新型清扫单元的结构示意图;
图5是本实用新型主动链轮单元的结构示意图;
图6是本实用新型驱动单元的结构示意图;
图7是本实用新型热风送风单元的结构示意图;
图8是本实用新型排风净化单元的结构示意图。
其中的附图标记为:湿料仓1、破碎机2、机架3、制粒机4、皮带输送机5、暂存仓6、进料布料器7、从动链轮单元8、从动转轴81、后从动链轮82、后轴承座83、后螺母84、后调节螺杆85、前调节螺杆86、前螺母87、前轴承座88、前从动链轮89、出风主管9、干燥机机体10、检修门11、清扫单元12、轴承座121、转轴122、电机123、支架124、毛刷125、主动链轮单元13、主动转轴131、后主动链轮132、第一轴承座133、第二轴承座134、第一从动链轮135、前主动链轮136、传动链条14、驱动单元15、电机减速器151、第一主动链轮152、调节螺杆153、调节螺母154、输送链条16、箱内隔板17、热风送风单元18、进风主管19、排风净化单元20、出料输送机21。
具体实施方式
下面结合附图对本实用新型的具体实施方式作出进一步说明:
一种智能化金刚线切割硅泥制粒干燥机,其特征在于:包括湿料仓1、破碎机2、机架3、制粒机4、皮带输送机5、暂存仓6、进料布料器7、从动链轮单元8、出风主管9、干燥机机体10、检修门11、清扫单元12、主动链轮单元13、传动链条14、驱动单元15、输送链条16、箱内隔板17、热风送风单元18、进风主管19、排风净化单元20和出料输送机21,所述的湿料仓1固定安装在破碎机2的进料处,所述的破碎机2固定安装在机架3上,所述的破碎机2出料口通过管路与制粒机4进料口连接,所述的制粒机4出料口下方安装有皮带输送机5,所述的进料布料器7安装在皮带输送机5右侧,所述的暂存仓6安装在进料布料器7顶端靠近左侧面处且暂存仓6位于皮带输送机5右侧出料下方,所述的干燥机机体10安装在进料布料器7右侧,所述的干燥机机体10由箱内隔板17分隔成若干组单元且每个单元前侧面上都安装有检修门11,所述的从动链轮单元8安装在干燥机机体10上且从动链轮单元8靠近干燥机机体10左侧面,所述的出料输送机21安装在干燥机机体10右侧出料处,所述的主动链轮单元13安装在干燥机机体10上且主动链轮单元13靠近干燥机机体10右侧面,所述的驱动单元15安装在干燥机机体10上且驱动单元15通过传动链条14与主动链轮单元13连接,所述的主动链轮单元13通过输送链条16与从动链轮单元8连接,所述的热风送风单元18通过管路与进风主管19连接,所述的进风主管19通过多个管路分别与干燥机机体10的各个单元连接,所述的干燥机机体10内各个单元通过管路都与出风主管9连接,所述的出风主管9通过管路与排风净化单元20连接,所述的清扫单元12安装在干燥机机体10上且清扫单元12位于输送链条16下方。
实施例中,从动链轮单元8由从动转轴81、后从动链轮82、后轴承座83、后螺母84、后调节螺杆85、前调节螺杆86、前螺母87、前轴承座88和前从动链轮89组成,所述的从动转轴81两端分别通过轴承安装在后轴承座83和前轴承座88上,所述的后轴承座83和前轴承座88都安装在干燥机机体10滑槽里,所述的后从动链轮82和前从动链轮89都固定安装在从动转轴81上,所述的后螺母84和前螺母87都固定安装在干燥机机体10上,所述的后调节螺杆85安装在后螺母84上且后调节螺杆85尾部安装在后轴承座83上,所述的前调节螺杆86安装在前螺母87上且前调节螺杆86尾部安装在前轴承座88上。
实施例中,清扫单元12由轴承座121、转轴122、电机123、支架124和毛刷125组成,所述的转轴122两端通过轴承分别安装在前侧的轴承座121和后侧的轴承座121上,所述的轴承座121固定安装在干燥机机体10上,所述的电机123安装在前侧的轴承座121上且电机123输出轴与转轴122连接,所述的转轴122外壁上沿圆周方向均匀分布有3个支架124,所述的毛刷125固定安装在支架124上。
实施例中,主动链轮单元13由主动转轴131、后主动链轮132、第一轴承座133、第二轴承座134、第一从动链轮135和前主动链轮136组成,所述的主动转轴131两端分别通过轴承安装在第一轴承座133和第二轴承座134上,所述的第一轴承座133和第二轴承座134都固定安装在干燥机机体10上,所述的后主动链轮132和前主动链轮136都固定安装在主动转轴131上,所述的第一从动链轮135固定安装在主动转轴131前端。
实施例中,驱动单元15由电机减速器151、第一主动链轮152、调节螺杆153和调节螺母154组成,所述的第一主动链轮152固定安装在电机减速器151输出轴上,所述的调节螺杆153底部安装在干燥机机体10上,所述的调节螺母154安装在调节螺杆153上,所述的电机减速器151底部法兰安装在调节螺杆153上且电机减速器151底部法兰位于两个调节螺母154之间。
实施例中,输送链条16由两条链条中间通过连接轴组合而成,输送链条16两侧设有挡板且输送链条16中两条链条之间安装有不锈钢丝网。
实施例中,干燥机机体10内壁安装有隔板。以用于防止干燥机机体10内个组单元之间的热风短路。
实施例中,排风净化单元20内安装有栅板和轻质小球。
以上仅是本实用新型的优选实施方式,本实用新型的保护范围并不仅局限于上述实施例,凡属于本实用新型思路下的技术方案均属于本实用新型的保护范围。应当指出,对于本技术领域的普通技术人员来说,在不脱离本实用新型原理前提下的若干改进和润饰,应视为本实用新型的保护范围。

Claims (8)

1.一种智能化金刚线切割硅泥制粒干燥机,其特征在于:包括湿料仓(1)、破碎机(2)、机架(3)、制粒机(4)、皮带输送机(5)、暂存仓(6)、进料布料器(7)、从动链轮单元(8)、出风主管(9)、干燥机机体(10)、检修门(11)、清扫单元(12)、主动链轮单元(13)、传动链条(14)、驱动单元(15)、输送链条(16)、箱内隔板(17)、热风送风单元(18)、进风主管(19)、排风净化单元(20)和出料输送机(21),所述的湿料仓(1)固定安装在破碎机(2)的进料处,所述的破碎机(2)固定安装在机架(3)上,所述的破碎机(2)出料口通过管路与制粒机(4)进料口连接,所述的制粒机(4)出料口下方安装有皮带输送机(5),所述的进料布料器(7)安装在皮带输送机(5)右侧,所述的暂存仓(6)安装在进料布料器(7)顶端靠近左侧面处且暂存仓(6)位于皮带输送机(5)右侧出料下方,所述的干燥机机体(10)安装在进料布料器(7)右侧,所述的干燥机机体(10)由箱内隔板(17)分隔成若干组单元且每个单元前侧面上都安装有检修门(11),所述的从动链轮单元(8)安装在干燥机机体(10)上且从动链轮单元(8)靠近干燥机机体(10)左侧面,所述的出料输送机(21)安装在干燥机机体(10)右侧出料处,所述的主动链轮单元(13)安装在干燥机机体(10)上且主动链轮单元(13)靠近干燥机机体(10)右侧面,所述的驱动单元(15)安装在干燥机机体(10)上且驱动单元(15)通过传动链条(14)与主动链轮单元(13)连接,所述的主动链轮单元(13)通过输送链条(16)与从动链轮单元(8)连接,所述的热风送风单元(18)通过管路与进风主管(19)连接,所述的进风主管(19)通过多个管路分别与干燥机机体(10)的各个单元连接,所述的干燥机机体(10)内各个单元通过管路都与出风主管(9)连接,所述的出风主管(9)通过管路与排风净化单元(20)连接,所述的清扫单元(12)安装在干燥机机体(10)上且清扫单元(12)位于输送链条(16)下方。
2.根据权利要求1所述的一种智能化金刚线切割硅泥制粒干燥机,其特征在于:所述的从动链轮单元(8)由从动转轴(81)、后从动链轮(82)、后轴承座(83)、后螺母(84)、后调节螺杆(85)、前调节螺杆(86)、前螺母(87)、前轴承座(88)和前从动链轮(89)组成,所述的从动转轴(81)两端分别通过轴承安装在后轴承座(83)和前轴承座(88)上,所述的后轴承座(83)和前轴承座(88)都安装在干燥机机体(10)滑槽里,所述的后从动链轮(82)和前从动链轮(89)都固定安装在从动转轴(81)上,所述的后螺母(84)和前螺母(87)都固定安装在干燥机机体(10)上,所述的后调节螺杆(85)安装在后螺母(84)上且后调节螺杆(85)尾部安装在后轴承座(83)上,所述的前调节螺杆(86)安装在前螺母(87)上且前调节螺杆(86)尾部安装在前轴承座(88)上。
3.根据权利要求1所述的一种智能化金刚线切割硅泥制粒干燥机,其特征在于:所述的清扫单元(12)由轴承座(121)、转轴(122)、电机(123)、支架(124)和毛刷(125)组成,所述的转轴(122)两端通过轴承分别安装在前侧的轴承座(121)和后侧的轴承座(121)上,所述的轴承座(121)固定安装在干燥机机体(10)上,所述的电机(123)安装在前侧的轴承座(121)上且电机(123)输出轴与转轴(122)连接,所述的转轴(122)外壁上沿圆周方向均匀分布有3个支架(124),所述的毛刷(125)固定安装在支架(124)上。
4.根据权利要求1所述的一种智能化金刚线切割硅泥制粒干燥机,其特征在于:所述的主动链轮单元(13)由主动转轴(131)、后主动链轮(132)、第一轴承座(133)、第二轴承座(134)、第一从动链轮(135)和前主动链轮(136)组成,所述的主动转轴(131)两端分别通过轴承安装在第一轴承座(133)和第二轴承座(134)上,所述的第一轴承座(133)和第二轴承座(134)都固定安装在干燥机机体(10)上,所述的后主动链轮(132)和前主动链轮(136)都固定安装在主动转轴(131)上,所述的第一从动链轮(135)固定安装在主动转轴(131)前端。
5.根据权利要求1所述的一种智能化金刚线切割硅泥制粒干燥机,其特征在于:所述的驱动单元(15)由电机减速器(151)、第一主动链轮(152)、调节螺杆(153)和调节螺母(154)组成,所述的第一主动链轮(152)固定安装在电机减速器(151)输出轴上,所述的调节螺杆(153)底部安装在干燥机机体(10)上,所述的调节螺母(154)安装在调节螺杆(153)上,所述的电机减速器(151)底部法兰安装在调节螺杆(153)上且电机减速器(151)底部法兰位于两个调节螺母(154)之间。
6.根据权利要求1所述的一种智能化金刚线切割硅泥制粒干燥机,其特征在于:所述的输送链条(16)由两条链条中间通过连接轴组合而成,输送链条(16)两侧设有挡板且输送链条(16)中两条链条之间安装有不锈钢丝网。
7.根据权利要求1所述的一种智能化金刚线切割硅泥制粒干燥机,其特征在于:所述的干燥机机体(10)内壁安装有隔板。
8.根据权利要求1所述的一种智能化金刚线切割硅泥制粒干燥机,其特征在于:所述的排风净化单元(20)内安装有栅板和轻质小球。
CN201920725689.2U 2019-05-20 2019-05-20 一种智能化金刚线切割硅泥制粒干燥机 Expired - Fee Related CN210154272U (zh)

Priority Applications (1)

Application Number Priority Date Filing Date Title
CN201920725689.2U CN210154272U (zh) 2019-05-20 2019-05-20 一种智能化金刚线切割硅泥制粒干燥机

Applications Claiming Priority (1)

Application Number Priority Date Filing Date Title
CN201920725689.2U CN210154272U (zh) 2019-05-20 2019-05-20 一种智能化金刚线切割硅泥制粒干燥机

Publications (1)

Publication Number Publication Date
CN210154272U true CN210154272U (zh) 2020-03-17

Family

ID=69759762

Family Applications (1)

Application Number Title Priority Date Filing Date
CN201920725689.2U Expired - Fee Related CN210154272U (zh) 2019-05-20 2019-05-20 一种智能化金刚线切割硅泥制粒干燥机

Country Status (1)

Country Link
CN (1) CN210154272U (zh)

Cited By (1)

* Cited by examiner, † Cited by third party
Publication number Priority date Publication date Assignee Title
CN110030818A (zh) * 2019-05-20 2019-07-19 常州市百得干燥工程有限公司 一种智能化金刚线切割硅泥制粒干燥机

Cited By (2)

* Cited by examiner, † Cited by third party
Publication number Priority date Publication date Assignee Title
CN110030818A (zh) * 2019-05-20 2019-07-19 常州市百得干燥工程有限公司 一种智能化金刚线切割硅泥制粒干燥机
CN110030818B (zh) * 2019-05-20 2024-06-11 常州市百得干燥工程有限公司 一种智能化金刚线切割硅泥制粒干燥机

Similar Documents

Publication Publication Date Title
CN102603937B (zh) 氯化聚乙烯专用闪蒸干燥加内加热流化床干燥系统及工艺
CN108286882A (zh) 一种节能环保的粮食烘干机
CN103919250A (zh) 果蔬烘干机
CN106382790A (zh) 一种利用电厂烟气和蒸汽余热的褐煤干燥方法及干燥设备
CN111981771A (zh) 一种新型片状二水氯化钙干燥冷却装置及方法
CN207770370U (zh) 一种中药药材清洗干燥装置
CN205115263U (zh) 一种利用低温烟气的污泥干化设备
CN210154272U (zh) 一种智能化金刚线切割硅泥制粒干燥机
CN112539636A (zh) 一种可提高烘干质量的饲料烘干设备
CN215002797U (zh) 一种用于煤泥再生产的煤泥烘干混料装置
CN207294572U (zh) 一种节能高效的污泥干燥设备
CN214680648U (zh) 一种用于饲料生产中的废气回收零排放系统
CN110030818B (zh) 一种智能化金刚线切割硅泥制粒干燥机
CN205138112U (zh) 回转式生态畜便烘干设备
CN220812180U (zh) 一种高含水率医药化工污泥造粒一体化装置
CN219589370U (zh) 硅泥造粒干燥装置
CN109442960B (zh) 一种干燥颗粒物料的方法及装置
CN207763418U (zh) 一种便于维护的农作物循环干燥机
CN118500096A (zh) 利用潮湿桉树皮作为燃料的逆流物料干燥机及其干燥方法
CN205313487U (zh) 一种生物质固化燃料生产线
CN206318859U (zh) 一种工业污泥减量处理系统
CN213631426U (zh) 一种生物质成型燃料烘干筒余热利用装置
CN208804993U (zh) 一种节能环保的粮食烘干机
CN209840593U (zh) 一种湿排废弃粉煤灰再生利用生产线的余热利用系统
CN203776117U (zh) 果蔬烘干机

Legal Events

Date Code Title Description
GR01 Patent grant
GR01 Patent grant
CF01 Termination of patent right due to non-payment of annual fee
CF01 Termination of patent right due to non-payment of annual fee

Granted publication date: 20200317