CN203401963U - Motor-driven hub reduction system - Google Patents
Motor-driven hub reduction system Download PDFInfo
- Publication number
- CN203401963U CN203401963U CN201320499185.6U CN201320499185U CN203401963U CN 203401963 U CN203401963 U CN 203401963U CN 201320499185 U CN201320499185 U CN 201320499185U CN 203401963 U CN203401963 U CN 203401963U
- Authority
- CN
- China
- Prior art keywords
- motor
- hub
- wheel
- gear
- stepped shaft
- Prior art date
- Legal status (The legal status is an assumption and is not a legal conclusion. Google has not performed a legal analysis and makes no representation as to the accuracy of the status listed.)
- Expired - Fee Related
Links
- 230000009467 reduction Effects 0.000 title claims abstract description 58
- 230000007246 mechanism Effects 0.000 claims abstract description 48
- 239000003638 chemical reducing agent Substances 0.000 claims description 51
- 238000007688 edging Methods 0.000 claims 7
- 238000007789 sealing Methods 0.000 claims 2
- 238000009434 installation Methods 0.000 claims 1
- 238000004519 manufacturing process Methods 0.000 abstract description 4
- 230000005540 biological transmission Effects 0.000 description 14
- 230000001681 protective effect Effects 0.000 description 6
- 230000008901 benefit Effects 0.000 description 5
- 238000010586 diagram Methods 0.000 description 5
- 238000005516 engineering process Methods 0.000 description 5
- 230000037237 body shape Effects 0.000 description 4
- 230000009286 beneficial effect Effects 0.000 description 3
- 238000000034 method Methods 0.000 description 3
- 230000008859 change Effects 0.000 description 2
- 238000002485 combustion reaction Methods 0.000 description 2
- 230000000694 effects Effects 0.000 description 2
- 230000006872 improvement Effects 0.000 description 2
- 230000005855 radiation Effects 0.000 description 2
- 230000004044 response Effects 0.000 description 2
- 238000004904 shortening Methods 0.000 description 2
- 230000001133 acceleration Effects 0.000 description 1
- 230000017525 heat dissipation Effects 0.000 description 1
- 239000007788 liquid Substances 0.000 description 1
- 238000005461 lubrication Methods 0.000 description 1
Images
Landscapes
- Arrangement Or Mounting Of Propulsion Units For Vehicles (AREA)
Abstract
本实用新型公开了一种电机驱动的轮边减速系统,包括电动机(1)、轮毂(19),还包括一级减速机构(101)和二级减速机构(102),电动机(1)、一级减速机构(101)、二级减速机构(102)、轮毂(19)依次连接;二级减速机构(102)为行星减速机构,轮毂电机行星减速系统集成化高,装配紧凑易维修,结构简单,可靠性强,加工制造容易,容易实现全轮驱动。
The utility model discloses a wheel side deceleration system driven by a motor, which comprises a motor (1), a wheel hub (19), a primary deceleration mechanism (101) and a secondary deceleration mechanism (102), the motor (1), a The first-stage reduction mechanism (101), the second-stage reduction mechanism (102), and the hub (19) are connected sequentially; the second-stage reduction mechanism (102) is a planetary reduction mechanism, and the hub motor planetary reduction system is highly integrated, compact in assembly, easy to maintain, and simple in structure , strong reliability, easy processing and manufacturing, easy to realize all-wheel drive.
Description
技术领域technical field
本实用新型属于汽车零部件制造技术领域,具体地说,本实用新型涉及一种电机驱动的轮边减速系统。The utility model belongs to the technical field of auto parts manufacturing, in particular, the utility model relates to a motor-driven wheel side deceleration system.
背景技术Background technique
轮毂式电动汽车是一种新兴的驱动式电动汽车,有两种基本形式:即直接驱动式电动轮和带轮边减速器电动轮。The wheel-hub electric vehicle is a new type of driven electric vehicle, which has two basic forms: the direct-drive electric wheel and the electric wheel with a wheel-side reducer.
无轮边减速系统的直接驱动式电动轮,直接由电机内传子或外转子驱动轮毂,起步和加速性能较差,系统响应较慢。带轮边减速器的电动轮目前应用较少,并且多为一级减速驱动,而且常受电动机性能的约束,在特定场合无法产生足够的驱动力来驱动汽车。The direct-drive electric wheel without wheel-side reduction system directly drives the wheel hub by the inner or outer rotor of the motor, which has poor starting and acceleration performance and slow system response. Electric wheels with wheel-side reducers are rarely used at present, and most of them are driven by one-stage reduction, and are often constrained by the performance of the motor, which cannot generate enough driving force to drive the car in certain occasions.
实用新型内容Utility model content
本实用新型所要解决的是提供一种采用电能作为动力源、简化了操纵机构、提高了传动效率,并产生足够大的驱动力的电机驱动的轮边减速系统。What the utility model aims to solve is to provide a motor-driven wheel-side deceleration system that uses electric energy as a power source, simplifies the operating mechanism, improves transmission efficiency, and generates sufficient driving force.
为了解决上述技术问题,本实用新型所采用的技术方案是:In order to solve the problems of the technologies described above, the technical solution adopted in the utility model is:
一种电机驱动的轮边减速系统,包括电动机、轮毂,还包括一级减速机构和二级减速机构,电动机、一级减速机构、二级减速机构、轮毂依次连接;二级减速机构为行星减速机构。A wheel side reduction system driven by a motor, including a motor, a hub, and a primary reduction mechanism and a secondary reduction mechanism, the motor, the primary reduction mechanism, the secondary reduction mechanism, and the hub are connected in sequence; the secondary reduction mechanism is a planetary reduction mechanism mechanism.
一级减速机构包括相互啮合的圆柱齿轮和内齿轮;圆柱齿轮与电动机的主轴固定连接;The primary reduction mechanism includes a cylindrical gear and an internal gear meshing with each other; the cylindrical gear is fixedly connected with the main shaft of the motor;
内齿轮的中心孔空套在阶梯轴上;The central hole of the internal gear is vacantly sleeved on the stepped shaft;
二级减速机构包括太阳轮、行星轮、齿圈、行星架;The two-stage reduction mechanism includes sun gear, planetary gear, ring gear and planet carrier;
太阳轮与内齿轮固定连接;行星轮可转动地安装在行星架上,太阳轮与行星轮相啮合;The sun gear is fixedly connected with the internal gear; the planetary gear is rotatably installed on the planetary carrier, and the sun gear meshes with the planetary gear;
行星架与阶梯轴固定连接。The planet carrier is fixedly connected with the stepped shaft.
还包括外轮毂、减速器壳体、支架、减速器端盖、制动钳、制动盘;It also includes outer hub, reducer housing, bracket, reducer end cover, brake caliper, brake disc;
减速器壳体与减速器端盖共同组成密封的减速器箱体;The reducer housing and the reducer end cover together form a sealed reducer box;
支架安装于减速器壳体的外端;制动钳安装于减速器端盖的外端;制动盘安装在轮毂上;The bracket is installed on the outer end of the reducer housing; the brake caliper is installed on the outer end of the reducer end cover; the brake disc is installed on the hub;
齿圈固定安装在减速器壳体内。The ring gear is fixedly installed in the reducer housing.
阶梯轴两端通过第一圆锥滚子轴承和第二圆锥滚子轴承分别安装在减速器壳体和减速器端盖上,阶梯轴通过花键与轮毂固定连接。The two ends of the stepped shaft are installed on the reducer housing and the reducer end cover respectively through the first tapered roller bearing and the second tapered roller bearing, and the stepped shaft is fixedly connected with the wheel hub through the spline.
外轮毂通过轮毂螺栓与轮毂固定安装连接。The outer hub is fixedly connected to the hub through hub bolts.
阶梯轴的一端通过轮毂螺母固定,并由轮毂防护端盖密封。One end of the stepped shaft is fixed by the hub nut and sealed by the hub protective end cover.
行星架通过花键与阶梯轴固定连接。The planet carrier is fixedly connected with the stepped shaft through splines.
本实用新型的优点在于,与传统内燃机车辆相比,在动力源配置、底盘结构等方面有其独特的技术特征和优势,其有益技术效果主要体现在以下方面:The utility model has the advantage that, compared with the traditional internal combustion engine vehicle, it has its unique technical characteristics and advantages in terms of power source configuration and chassis structure, and its beneficial technical effects are mainly reflected in the following aspects:
1、动力控制由硬连接改为软连接形式,通过电子线控技术,实现各电动轮从零到最大速度的无级变速和各电动轮间的差速控制,省略了传统汽车所需的机械式操纵换档装置、离合器、变速器、传动轴和机械差速器等,使得驱动系统和整车结构简洁、有效利用空间大、传动效率提高。1. The power control is changed from hard connection to soft connection. Through the electronic wire control technology, the stepless speed change of each electric wheel from zero to the maximum speed and the differential speed control between each electric wheel are realized, omitting the mechanical parts required by traditional cars. The drive system and the whole vehicle have a simple structure, a large effective use of space, and improved transmission efficiency.
2、各车轮的驱动力直接独立可控,能快速响应,正反转灵活,瞬时动力性能更为优越,容易实现各轮的机电复合制动和制动能量回馈,还能对整车能源的高效利用实施最优化控制和管理,节约能源。2. The driving force of each wheel is directly and independently controllable, can respond quickly, and is flexible in forward and reverse rotation. Efficient utilization implements optimal control and management to save energy.
3、整车布局和车身造型设计的自由度大大增加,将车架的承载功能和传动功能分离,结构大为简化,容易实现相同底盘不同车身造型的产品多样化和系列化,缩短了新车的开发周期,降低了开发成本。3. The degree of freedom in vehicle layout and body shape design is greatly increased, and the load-carrying function and transmission function of the frame are separated, the structure is greatly simplified, and it is easy to realize the diversification and serialization of products with the same chassis and different body shapes, shortening the cost The development cycle reduces the development cost.
4、在采用轮毂电机驱动系统的四轮车辆上,若进一步导入线控四轮转向技术(4WS),能实现车辆转向行驶高性能化,减小转向半径,甚至实现零转向半径,大大增加转向灵便性。4. On the four-wheeled vehicle using the in-wheel motor drive system, if the four-wheel steering by wire technology (4WS) is further introduced, the high-performance steering of the vehicle can be realized, the steering radius can be reduced, and even zero steering radius can be realized, which greatly increases the steering. convenience.
5、车身上几乎没有大功率的运动部件,整车的振动、噪声、热辐射及舒适性得到极大改善。5. There are almost no high-power moving parts on the body, and the vibration, noise, heat radiation and comfort of the vehicle are greatly improved.
改善汽车起步和加速性能,充分发挥轮边驱动的优势,并产生足够大的驱动力驱动汽车,以应用于特定的场合。提高驱动系统的输出转矩。Improve the starting and accelerating performance of the car, give full play to the advantages of wheel drive, and generate enough driving force to drive the car for specific occasions. Increase the output torque of the drive system.
附图说明Description of drawings
图1为本实用新型所涉及的轮毂电机行星减速系统原理图;Fig. 1 is the schematic diagram of the hub motor planetary reduction system involved in the utility model;
图2为本实用新型的轮毂电机整体结构示意图;Fig. 2 is a schematic diagram of the overall structure of the hub motor of the present invention;
图3为图2所示结构的左视图;Fig. 3 is a left view of the structure shown in Fig. 2;
图4为本实用新型的轮毂电机行星减速系统结构示意图;Fig. 4 is a schematic structural diagram of the hub motor planetary reduction system of the present invention;
图5为本实用新型的轮毂结构示意图;Fig. 5 is the schematic diagram of the hub structure of the present utility model;
图6为本实用新型的轮毂端面示意图。Fig. 6 is a schematic view of the end face of the hub of the present invention.
上述图中的标记均为:The symbols in the above figures are:
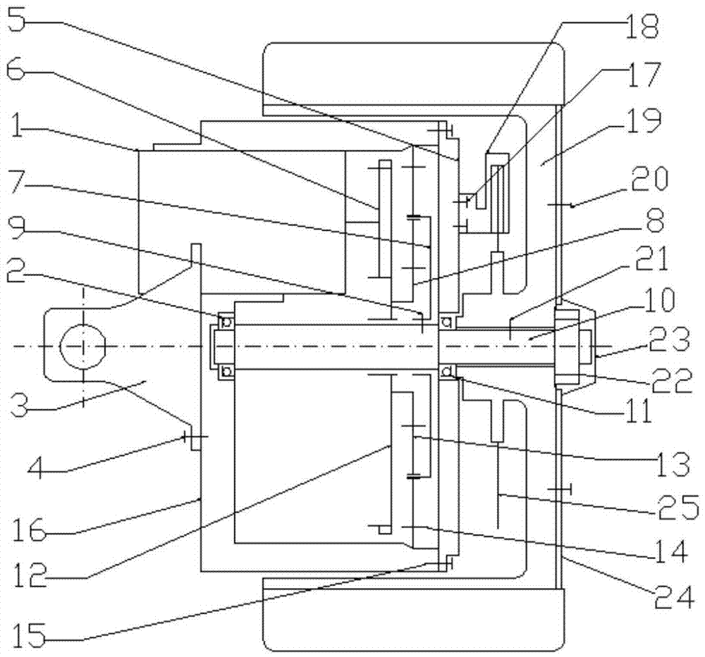
1、电动机,2、第一圆锥滚子轴承,3、支架,4、支架螺栓,5、减速器端盖,6、圆柱齿轮,7、行星架,8、太阳轮,9、阶梯轴花键,10、阶梯轴,11、第二圆锥滚子轴承,12、内齿轮,13、行星轮,14、齿圈,15、端盖螺栓,16、减速器壳体,17、螺栓,18、制动钳,19、轮毂,20、轮毂螺栓,21、花键,22、轮毂螺母,23、轮毂防护端盖,24、外轮毂,25、制动盘,101、一级减速机构,102、二级减速机构。1. Motor, 2. First tapered roller bearing, 3. Bracket, 4. Bracket bolt, 5. Reducer end cover, 6. Cylindrical gear, 7. Planet carrier, 8. Sun gear, 9. Spline of stepped shaft , 10, stepped shaft, 11, second tapered roller bearing, 12, internal gear, 13, planetary gear, 14, ring gear, 15, end cover bolt, 16, reducer housing, 17, bolt, 18, system Moving pliers, 19, hub, 20, hub bolt, 21, spline, 22, hub nut, 23, hub protective end cover, 24, outer hub, 25, brake disc, 101, primary reduction mechanism, 102, two stage reduction mechanism.
具体实施方式Detailed ways
下面对照附图,通过对实施例的描述,对本实用新型的具体实施方式作进一步详细的描述。The specific implementation of the present utility model will be described in further detail below by describing the embodiments with reference to the accompanying drawings.
如图1所示,为本实用新型的结构框图。包括电动机1、轮毂19、一级减速机构、二级减速机构,电动机1通过一级减速机构101、二级减速机构102与轮毂19连接;二级减速机构102为行星减速机构。As shown in Figure 1, it is a structural block diagram of the present utility model. It includes a
电动机安装在减速器壳体上。The motor is mounted on the reducer housing.
如图2至图6所示:As shown in Figure 2 to Figure 6:
一级减速机构101安装于电动机1一侧,与电动机1连接传动,采用齿轮齿圈啮合传动,由电动机1带动,以实现一级减速。The first-
一级减速机构101包括相互啮合的圆柱齿轮6和内齿轮12;圆柱齿轮6与电动机1的主轴固定连接;内齿轮12的中心孔空套在阶梯轴10上。The first-
二级减速机构102包括太阳轮8、行星轮13、齿圈14、行星架7;太阳轮8与内齿轮12固定连接;行星架7与阶梯轴10采用周向固定连接。The two-
二级减速机构102采用行星排减速传动,连接于一级减速机构101的输出端,采用齿圈14固定,行星架7输出的传动方式,齿圈14固定安装在减速器壳体上,可拆装更换。The
二级减速机构102安装于一级减速机构101与减速器端盖5之间,采用单个行星排减速,The
如图1、图2所示,本实用新型轮毂电机行星减速系统,包括电动机1、一级减速系统101、二级减速系统102、减速器壳体16、减速器端盖5、阶梯轴10、第一圆锥滚子轴承2和第二圆锥滚子轴承11、轮毂19、外轮毂24、轮毂螺母22、制动钳18、制动盘25、支架3、轮毂防护端盖23、阶梯轴花键9等。As shown in Figure 1 and Figure 2, the hub motor planetary reduction system of the present invention includes a
二级减速机构102的输入端由一级减速机构101的输出端内齿轮12带动,即直接将内齿轮12的动力传至二级减速机构102的输入端太阳轮8,太阳轮8自由转动,采用齿圈14安装固定,行星架7输出的传动方式;齿圈14固定安装,且可拆卸更换;行星架7为二级减速机构102的输出端,其动力输出至阶梯轴10,采用花键连接传动方式,由阶梯轴花键9将转矩由行星架7传至阶梯轴10,再由阶梯轴10通过花键21将转矩传至轮毂19,最终传至外轮毂24。The input end of the
阶梯轴10两端由圆锥滚子轴承2和圆锥滚子轴承11支撑,第一圆锥滚子轴承2和第二圆锥滚子轴承11用于承受地面垂直载荷和车辆侧倾时产生的轴向力,其分别安装于减速器壳体16和减速器端盖5上,由减速器端盖5上的端盖螺栓15固定安装端盖后,实现固定两轴承的轴向位置;轮毂19安装于阶梯轴10上,通过花键21连接且传递阶梯轴10的转矩,并将轮毂19的外端与外轮毂24通过轮毂螺栓20固定连接,连接后将其外端由轮毂螺母22沿轴向固定;外轮毂24结构简单重量轻,易拆装携带便于制造;轮毂螺母22采用防松设置,外端设置轮毂防护端盖23。如图3、图4所示,在轮毂19和减速器端盖5之间装有制动机构,包括制动钳18和制动盘25,制动盘25安装在轮毂19内侧,制动钳18通过螺栓17固定安装在减速器端盖5上,制动钳18和制动盘25通过摩擦实现轮毂19制动。The two ends of the stepped shaft 10 are supported by the tapered roller bearing 2 and the tapered roller bearing 11, the first tapered roller bearing 2 and the second tapered roller bearing 11 are used to bear the vertical load on the ground and the axial force generated when the vehicle rolls , which are installed on the reducer housing 16 and the reducer end cover 5 respectively, and after the end cover is fixed and installed by the end cover bolts 15 on the reducer end cover 5, the axial position of the two bearings is fixed; the hub 19 is installed on the ladder On the shaft 10, it is connected by a spline 21 and transmits the torque of the stepped shaft 10, and the outer end of the hub 19 is fixedly connected to the outer hub 24 by the hub bolt 20, and after the connection, the outer end is fixed axially by the hub nut 22 The outer hub 24 is simple in structure and light in weight, easy to assemble and disassemble and easy to manufacture; As shown in Fig. 3 and Fig. 4, a braking mechanism is installed between the hub 19 and the reducer end cover 5, including a brake caliper 18 and a brake disc 25, the brake disc 25 is installed inside the hub 19, and the brake caliper 18 is fixedly installed on the reducer end cover 5 through bolts 17, and the brake caliper 18 and the brake disc 25 realize the braking of the hub 19 through friction.
轮毂电机行星减速系统,包括减速器壳体16、减速器端盖5、制动钳18、制动盘25、轮毂19、外轮毂24、阶梯轴10。The hub motor planetary reduction system includes a
减速器壳体16和减速器端盖5通过螺栓连接共同组成密封的箱体,且为一级减速机构101和二级减速机构102的装配机体,可实现液体润滑。The
制动钳18固定安装在减速器端盖5上,制动盘25固定安装在轮毂19上,通过摩擦实现轮毂制动。The
轮毂19和外轮毂24通过螺栓连接为一体,一体化后的轮毂由轮毂螺母22固定安装在阶梯轴10上,并通过花键获得阶梯轴10的转矩,轮毂螺母22外侧设有防松装置并有轮毂防护端盖23。The
圆锥滚子轴承安装于阶梯轴两侧,装配在减速器壳体16和减速器端盖5上,并通过减速器端盖5和阶梯轴10实现其轴向定位,并可承受一定的轴向力。Tapered roller bearings are installed on both sides of the stepped shaft, assembled on the
内齿轮12与太阳轮8固定在一起或制造为一体化齿轮,The
行星架7通过阶梯轴花键9与阶梯轴10周向固定连接;The
还包括外轮毂24、减速器壳体16、支架3、减速器端盖5、制动钳18、制动盘25;It also includes an
减速器壳体16与减速器端盖5共同组成密封的减速器箱体;The
支架3安装于减速器壳体16的外端;通过支架螺栓4安装。制动钳18安装于减速器端盖5的外端;制动盘25安装在轮毂19上;制动盘25由制动钳18通过摩擦实现轮毂19的制动;The
最终实现外轮毂24的制动控制。Finally, the braking control of the
齿圈14固定安装在减速器壳体16内。The
电动机1先驱动一级减速机构101再驱动二级减速机构102,The
内齿轮12与太阳轮8共同绕阶梯轴10的轴线转动,行星架7通过阶梯轴花键9连接于阶梯轴10,阶梯轴花键9将动力由行星架7传至阶梯轴10。The
阶梯轴10两端通过第一圆锥滚子轴承2、第二圆锥滚子轴承11安装在减速器壳体16和减速器端盖5上,阶梯轴10绕其轴线转动,并通过花键21将动力传递至轮毂19。The two ends of the stepped
外轮毂24通过轮毂螺栓20与轮毂19固定安装连接。The
且装配紧凑易固定,外轮毂24制造简单重量轻,便于携带更换。And the assembly is compact and easy to fix, and the
轮毂19与外轮毂24装配为一体,轴端位置通过轮毂螺母22固定,外端由轮毂防护端盖23密封保护。The
装配顺序:如图2所示,第一步,将电动机1装入减速器壳体16进行固定。第二步,将第一圆锥滚子轴承2装入减速器壳体16的轴承座,插入阶梯轴10,再依次装入一级减速机构101和二级减速机构102,再将第二圆锥滚子轴承11装入阶梯轴10的另一侧,盖上减速器端盖5并用端盖螺栓15固定密封;从而完成轮毂电机行星减速系统的总体装配。第三步,首先将制动钳18安放在制动盘25上,制动盘25固定在轮毂19上,再将轮毂19通过花键21连接于阶梯轴10上,通过轮毂螺母22固定其轴向位置,盖上轮毂防护端盖23。第四步,运用相关工具通过轮毂19的轮辐板面散热孔将制动钳18固定在减速器端盖5上,最终将外轮毂24通过轮毂螺栓20固定连接在轮毂19上,从而完成整体装配。Assembly sequence: as shown in FIG. 2 , the first step is to install the
轮毂电机行星减速系统结构简单,传动效率较高,通过一级减速机构101和二级减速机构102可实现轮毂电机的双极减速,传动比大,从而容易实现电动机驱动整车。The hub motor planetary reduction system has a simple structure and high transmission efficiency. The bipolar reduction of the hub motor can be realized through the
轮毂电机行星减速系统不但能充分发挥电动机性能,加快系统响应速度,还能使用双级减速加大系统传动比,大大增加系统输出扭矩,在充分发挥电动机性能的同时产生足够的驱动力驱动汽车,同时有利于减轻电机负荷,缓和路面不平对电机所产生的冲击,对提高电动轮整体寿命具有重要意义。The in-wheel motor planetary reduction system can not only give full play to the performance of the motor and speed up the system response speed, but also use double-stage reduction to increase the transmission ratio of the system, greatly increase the output torque of the system, and generate enough driving force to drive the car while giving full play to the performance of the motor. At the same time, it is beneficial to reduce the load of the motor and alleviate the impact of the uneven road surface on the motor, which is of great significance to improving the overall life of the electric wheel.
采用这样的结构后,与传统内燃机车辆相比,在动力源配置、底盘结构等方面有其独特的技术特征和优势,其有益技术效果主要体现在以下方面:After adopting such a structure, compared with traditional internal combustion engine vehicles, it has its unique technical features and advantages in terms of power source configuration and chassis structure, and its beneficial technical effects are mainly reflected in the following aspects:
1、动力控制由硬连接改为软连接形式,通过电子线控技术,实现各电动轮从零到最大速度的无级变速和各电动轮间的差速控制,省略了传统汽车所需的机械式操纵换档装置、离合器、变速器、传动轴和机械差速器等,使得驱动系统和整车结构简洁、有效利用空间大、传动效率提高。1. The power control is changed from hard connection to soft connection. Through the electronic wire control technology, the stepless speed change of each electric wheel from zero to the maximum speed and the differential speed control between each electric wheel are realized, omitting the mechanical parts required by traditional cars. The drive system and the whole vehicle have a simple structure, a large effective use of space, and improved transmission efficiency.
2、各车轮的驱动力直接独立可控,能快速响应,正反转灵活,瞬时动力性能更为优越,容易实现各轮的机电复合制动和制动能量回馈,还能对整车能源的高效利用实施最优化控制和管理,节约能源。2. The driving force of each wheel is directly and independently controllable, can respond quickly, and is flexible in forward and reverse rotation. Efficient utilization implements optimal control and management to save energy.
3、整车布局和车身造型设计的自由度大大增加,将车架的承载功能和传动功能分离,结构大为简化,容易实现相同底盘不同车身造型的产品多样化和系列化,缩短了新车的开发周期,降低了开发成本。3. The degree of freedom in vehicle layout and body shape design is greatly increased, and the load-carrying function and transmission function of the frame are separated, the structure is greatly simplified, and it is easy to realize the diversification and serialization of products with the same chassis and different body shapes, shortening the cost The development cycle reduces the development cost.
4、在采用轮毂电机驱动系统的四轮车辆上,若进一步导入线控四轮转向技术(4WS),能实现车辆转向行驶高性能化,减小转向半径,甚至实现零转向半径,大大增加转向灵便性。4. On the four-wheeled vehicle using the in-wheel motor drive system, if the four-wheel steering by wire technology (4WS) is further introduced, the high-performance steering of the vehicle can be realized, the steering radius can be reduced, and even zero steering radius can be realized, which greatly increases the steering. convenience.
5、车身上几乎没有大功率的运动部件,整车的振动、噪声、热辐射及舒适性得到极大改善。5. There are almost no high-power moving parts on the body, and the vibration, noise, heat radiation and comfort of the vehicle are greatly improved.
改善汽车起步和加速性能,充分发挥轮边驱动的优势,并产生足够大的驱动力驱动汽车,以应用于特定的场合。提高驱动系统的输出转矩。Improve the starting and accelerating performance of the car, give full play to the advantages of wheel drive, and generate enough driving force to drive the car for specific occasions. Increase the output torque of the drive system.
上面结合附图对本实用新型进行了示例性描述,显然本实用新型具体实现并不受上述方式的限制,只要采用了本实用新型的方法构思和技术方案进行的各种非实质性的改进,或未经改进将本实用新型的构思和技术方案直接应用于其它场合的,均在本实用新型的保护范围之内。The utility model has been exemplarily described above in conjunction with the accompanying drawings. Obviously, the specific implementation of the utility model is not limited by the above-mentioned methods, as long as various insubstantial improvements are made by adopting the method concept and technical solutions of the utility model, or Directly applying the ideas and technical solutions of the utility model to other occasions without improvement is within the protection scope of the utility model.
Claims (7)
Priority Applications (1)
| Application Number | Priority Date | Filing Date | Title |
|---|---|---|---|
| CN201320499185.6U CN203401963U (en) | 2013-08-15 | 2013-08-15 | Motor-driven hub reduction system |
Applications Claiming Priority (1)
| Application Number | Priority Date | Filing Date | Title |
|---|---|---|---|
| CN201320499185.6U CN203401963U (en) | 2013-08-15 | 2013-08-15 | Motor-driven hub reduction system |
Publications (1)
| Publication Number | Publication Date |
|---|---|
| CN203401963U true CN203401963U (en) | 2014-01-22 |
Family
ID=49937904
Family Applications (1)
| Application Number | Title | Priority Date | Filing Date |
|---|---|---|---|
| CN201320499185.6U Expired - Fee Related CN203401963U (en) | 2013-08-15 | 2013-08-15 | Motor-driven hub reduction system |
Country Status (1)
| Country | Link |
|---|---|
| CN (1) | CN203401963U (en) |
Cited By (8)
| Publication number | Priority date | Publication date | Assignee | Title |
|---|---|---|---|---|
| CN103448537A (en) * | 2013-08-15 | 2013-12-18 | 安徽工程大学 | Motor-driven hub reduction system |
| CN104354584A (en) * | 2014-11-03 | 2015-02-18 | 北京汽车研究总院有限公司 | Method and device for adjusting drive mode of vehicle and vehicle |
| CN106696593A (en) * | 2017-01-06 | 2017-05-24 | 苏州凤凰动力工业有限公司 | Mecanum wheel with speed reducing mechanism |
| CN106763659A (en) * | 2016-12-27 | 2017-05-31 | 苏州凤凰动力工业有限公司 | Shell output type reduction box |
| CN106763660A (en) * | 2016-12-27 | 2017-05-31 | 苏州凤凰动力工业有限公司 | Dual-gripper reduction box wheel |
| CN106828074A (en) * | 2017-01-05 | 2017-06-13 | 苏州凤凰动力工业有限公司 | Dual-gripper driving wheel |
| CN106827949A (en) * | 2017-01-06 | 2017-06-13 | 苏州凤凰动力工业有限公司 | Electric drive Mecanum wheel |
| CN107054073A (en) * | 2017-05-15 | 2017-08-18 | 厦门金龙联合汽车工业有限公司 | A kind of two-stage planetary reduction wheel hub direct driving device |
-
2013
- 2013-08-15 CN CN201320499185.6U patent/CN203401963U/en not_active Expired - Fee Related
Cited By (8)
| Publication number | Priority date | Publication date | Assignee | Title |
|---|---|---|---|---|
| CN103448537A (en) * | 2013-08-15 | 2013-12-18 | 安徽工程大学 | Motor-driven hub reduction system |
| CN104354584A (en) * | 2014-11-03 | 2015-02-18 | 北京汽车研究总院有限公司 | Method and device for adjusting drive mode of vehicle and vehicle |
| CN106763659A (en) * | 2016-12-27 | 2017-05-31 | 苏州凤凰动力工业有限公司 | Shell output type reduction box |
| CN106763660A (en) * | 2016-12-27 | 2017-05-31 | 苏州凤凰动力工业有限公司 | Dual-gripper reduction box wheel |
| CN106828074A (en) * | 2017-01-05 | 2017-06-13 | 苏州凤凰动力工业有限公司 | Dual-gripper driving wheel |
| CN106696593A (en) * | 2017-01-06 | 2017-05-24 | 苏州凤凰动力工业有限公司 | Mecanum wheel with speed reducing mechanism |
| CN106827949A (en) * | 2017-01-06 | 2017-06-13 | 苏州凤凰动力工业有限公司 | Electric drive Mecanum wheel |
| CN107054073A (en) * | 2017-05-15 | 2017-08-18 | 厦门金龙联合汽车工业有限公司 | A kind of two-stage planetary reduction wheel hub direct driving device |
Similar Documents
| Publication | Publication Date | Title |
|---|---|---|
| CN203401963U (en) | Motor-driven hub reduction system | |
| CN102555773B (en) | Low-floor gate-type wheel-side motor rear axle for electric bus | |
| CN106864251B (en) | Wheel motor drive device | |
| CN103448537A (en) | Motor-driven hub reduction system | |
| CN108146145B (en) | Electric wheel with large-gear-ratio planetary reducer and vehicle | |
| CN201189822Y (en) | Wheel-side reducer of drive axle for electric automobile | |
| CN104290721B (en) | A kind of new-energy automobile wheel motor drive axle | |
| CN209365877U (en) | A kind of coaxial bi-motor electricity drive driving axis | |
| CN103879275B (en) | In-wheel motor assembly | |
| CN210502248U (en) | A low-speed high-torque electric wheel device and an electric vehicle | |
| CN205686162U (en) | A kind of hub motor device exporting big torque and automobile | |
| CN111098697B (en) | Two-stage deceleration electric wheel adopting full disc brake | |
| CN203401944U (en) | Wheel hub motor driving device | |
| CN113752821A (en) | A deceleration mechanism of a high-speed wheel motor drive system based on a compound planetary gear train | |
| CN108544918A (en) | A kind of Electric Motor Wheel and vehicle | |
| CN107284224A (en) | A kind of electric motor coach electronic wheel system of twin tires | |
| CN107323248A (en) | A kind of electric motor coach electronic wheel system of Dual-motors Driving | |
| CN110154737A (en) | A low-speed high-torque electric wheel device and an electric vehicle | |
| CN103434385A (en) | Hub motor driving device | |
| CN104986030B (en) | Electric wheel side drive system and its driving method | |
| CN104908581B (en) | A kind of wheel motor drive system and a kind of wheel motor drive axle | |
| CN105774526A (en) | Wheel hub motor device capable of outputting high torque and automobile | |
| CN108544917A (en) | A kind of Electric Motor Wheel and vehicle | |
| CN104786824B (en) | A kind of electric automobile wheel hub drive | |
| CN207059751U (en) | A kind of heavy-duty vehicle Electric Motor Wheel assembly apparatus and automobile |
Legal Events
| Date | Code | Title | Description |
|---|---|---|---|
| C14 | Grant of patent or utility model | ||
| GR01 | Patent grant | ||
| CF01 | Termination of patent right due to non-payment of annual fee |
Granted publication date: 20140122 Termination date: 20150815 |
|
| EXPY | Termination of patent right or utility model |
