CN112005450B - 用于汇流排系统的混合式汇流排 - Google Patents
用于汇流排系统的混合式汇流排 Download PDFInfo
- Publication number
- CN112005450B CN112005450B CN201980019559.XA CN201980019559A CN112005450B CN 112005450 B CN112005450 B CN 112005450B CN 201980019559 A CN201980019559 A CN 201980019559A CN 112005450 B CN112005450 B CN 112005450B
- Authority
- CN
- China
- Prior art keywords
- rail profile
- contact
- current
- busbar
- hybrid
- Prior art date
- Legal status (The legal status is an assumption and is not a legal conclusion. Google has not performed a legal analysis and makes no representation as to the accuracy of the status listed.)
- Active
Links
Images
Classifications
-
- H—ELECTRICITY
- H01—ELECTRIC ELEMENTS
- H01R—ELECTRICALLY-CONDUCTIVE CONNECTIONS; STRUCTURAL ASSOCIATIONS OF A PLURALITY OF MUTUALLY-INSULATED ELECTRICAL CONNECTING ELEMENTS; COUPLING DEVICES; CURRENT COLLECTORS
- H01R25/00—Coupling parts adapted for simultaneous co-operation with two or more identical counterparts, e.g. for distributing energy to two or more circuits
- H01R25/14—Rails or bus-bars constructed so that the counterparts can be connected thereto at any point along their length
- H01R25/145—Details, e.g. end pieces or joints
-
- H—ELECTRICITY
- H02—GENERATION; CONVERSION OR DISTRIBUTION OF ELECTRIC POWER
- H02B—BOARDS, SUBSTATIONS OR SWITCHING ARRANGEMENTS FOR THE SUPPLY OR DISTRIBUTION OF ELECTRIC POWER
- H02B1/00—Frameworks, boards, panels, desks, casings; Details of substations or switching arrangements
- H02B1/14—Shutters or guards for preventing access to contacts
-
- H—ELECTRICITY
- H01—ELECTRIC ELEMENTS
- H01R—ELECTRICALLY-CONDUCTIVE CONNECTIONS; STRUCTURAL ASSOCIATIONS OF A PLURALITY OF MUTUALLY-INSULATED ELECTRICAL CONNECTING ELEMENTS; COUPLING DEVICES; CURRENT COLLECTORS
- H01R25/00—Coupling parts adapted for simultaneous co-operation with two or more identical counterparts, e.g. for distributing energy to two or more circuits
- H01R25/14—Rails or bus-bars constructed so that the counterparts can be connected thereto at any point along their length
-
- H—ELECTRICITY
- H02—GENERATION; CONVERSION OR DISTRIBUTION OF ELECTRIC POWER
- H02B—BOARDS, SUBSTATIONS OR SWITCHING ARRANGEMENTS FOR THE SUPPLY OR DISTRIBUTION OF ELECTRIC POWER
- H02B1/00—Frameworks, boards, panels, desks, casings; Details of substations or switching arrangements
- H02B1/20—Bus-bar or other wiring layouts, e.g. in cubicles, in switchyards
- H02B1/21—Bus-bar arrangements for rack-mounted devices with withdrawable units
-
- H—ELECTRICITY
- H02—GENERATION; CONVERSION OR DISTRIBUTION OF ELECTRIC POWER
- H02G—INSTALLATION OF ELECTRIC CABLES OR LINES, OR OF COMBINED OPTICAL AND ELECTRIC CABLES OR LINES
- H02G5/00—Installations of bus-bars
- H02G5/04—Partially-enclosed installations, e.g. in ducts and adapted for sliding or rolling current collection
-
- H—ELECTRICITY
- H02—GENERATION; CONVERSION OR DISTRIBUTION OF ELECTRIC POWER
- H02G—INSTALLATION OF ELECTRIC CABLES OR LINES, OR OF COMBINED OPTICAL AND ELECTRIC CABLES OR LINES
- H02G5/00—Installations of bus-bars
- H02G5/06—Totally-enclosed installations, e.g. in metal casings
-
- H—ELECTRICITY
- H01—ELECTRIC ELEMENTS
- H01R—ELECTRICALLY-CONDUCTIVE CONNECTIONS; STRUCTURAL ASSOCIATIONS OF A PLURALITY OF MUTUALLY-INSULATED ELECTRICAL CONNECTING ELEMENTS; COUPLING DEVICES; CURRENT COLLECTORS
- H01R25/00—Coupling parts adapted for simultaneous co-operation with two or more identical counterparts, e.g. for distributing energy to two or more circuits
- H01R25/16—Rails or bus-bars provided with a plurality of discrete connecting locations for counterparts
- H01R25/161—Details
- H01R25/162—Electrical connections between or with rails or bus-bars
-
- H—ELECTRICITY
- H01—ELECTRIC ELEMENTS
- H01R—ELECTRICALLY-CONDUCTIVE CONNECTIONS; STRUCTURAL ASSOCIATIONS OF A PLURALITY OF MUTUALLY-INSULATED ELECTRICAL CONNECTING ELEMENTS; COUPLING DEVICES; CURRENT COLLECTORS
- H01R4/00—Electrically-conductive connections between two or more conductive members in direct contact, i.e. touching one another; Means for effecting or maintaining such contact; Electrically-conductive connections having two or more spaced connecting locations for conductors and using contact members penetrating insulation
- H01R4/28—Clamped connections, spring connections
- H01R4/38—Clamped connections, spring connections utilising a clamping member acted on by screw or nut
Landscapes
- Engineering & Computer Science (AREA)
- Power Engineering (AREA)
- Connector Housings Or Holding Contact Members (AREA)
- Installation Of Bus-Bars (AREA)
- Connection Or Junction Boxes (AREA)
- Retaining Walls (AREA)
Abstract
一种用于汇流排系统的混合式汇流排(1),所述混合式汇流排(1)包括适于承载具有预定的高电流幅值的电流的电流承载导轨型材(2)以及具有被构造为接收要被连接至所述汇流排系统的电气设备(ED‑A)的突出的电触头(6)的多个等间隙的触头开口(4)的至少一个触头接收导轨型材(3),其中电流承载导轨型材(2)和触头接收导轨型材(3)彼此连接形成提供具有矩形截面(CS)的至少一种边界几何形状的所述混合式汇流排(1),其中混合式汇流排(1)能够通过要被连接至所述汇流排系统的电气设备(ED‑B)的钩形安装锁(7)从后面接合。
Description
技术领域
本发明涉及一种汇流排系统的混合式汇流排,其可以灵活地用于多种使用情况。
背景技术
汇流排系统可以包括用于为电气设备提供电力的一个或多个汇流排。在常规的汇流排系统中,电气设备通过安装在汇流排系统的不同汇流排上的适配器直接连接至汇流排系统。汇流排可以例如承载一种或多种AC电力网供电电压。汇流排也可用于承载DC电压。一个或多个汇流排可以并联安装并且可以承载供电系统的不同的相位L1、L2、L3。可以通过夹具和导体或通过特定适配器将需要电力供应的电气设备连接至承载AC电力网供电电压的汇流排。
发明内容
因此,本发明的目的是提供一种用于汇流排系统的混合式汇流排,其允许在不使用任何附加适配器元件的情况下将电气设备安装在汇流排系统上。
这个目的通过一种用于汇流排系统的混合式汇流排来实现。
根据第一方面,本发明提供一种用于汇流排系统的混合式汇流排,所述混合式汇流排包括:电流承载导轨型材,其适于承载具有预定的高电流幅值的电流;以及至少一个触头接收导轨型材,其具有被构造为用于接收要被连接至所述汇流排系统的电气设备的突出的电触头的等间隙的多个触头开口,其中电流承载导轨型材和触头接收导轨型材彼此连接形成所述混合式汇流排,其能通过要被连接至所述汇流排系统的电气设备的钩形安装锁从后面接合。
在可行的实施方式中,根据本发明的第一方面的混合式汇流排包括至少一个具有矩形截面的边界几何形状,所述边界几何形状能通过要被连接至所述汇流排系统的电气设备的钩形安装锁接合。
根据本发明的第一方面的混合式汇流排具有的优点是,具有突出的电触头的第一种类型的电气设备可以在无需使用任何适配器元件的情况下从汇流排系统的前侧被插入到触头接收导轨型材的等间隙的触头开口中。
根据本发明的第一方面的混合式汇流排还具有的优点是,不包括突出的电触头的另一种类型的电气设备也可以使用相应的电气设备的钩形安装锁而被安装到同一混合式汇流排上。
因此,根据本发明的第一方面的用于汇流排系统的混合式汇流排在使用中非常灵活,并且适于同时与具有突出的电触头的第一种类型的电气设备和/或具有钩形安装锁的第二种类型的电气设备连接。
根据本发明的第一方面的混合式汇流排具有的另外的优点是,该混合式汇流排可以承载具有高电流幅值的电流。
在根据本发明的第一方面的混合式汇流排的可行的实施方式中,电流承载导轨型材包括由铜、铝或多组分材料构成的导轨型材。基础材料可以镀有锡、银、镍等,也可以没有镀层。
在根据本发明的第一方面的混合式汇流排的另一个可行的实施方式中,触头接收导轨型材由铜、镀锡铜、镀银铜和/或黄铜制成。
在根据本发明的第一方面的混合式汇流排的又一个可行的实施方式中,矩形截面的宽度W在12mm至30mm之间,高度H为5mm或10mm。
在根据本发明的第一方面的混合式汇流排的另一个可行的实施方式中,触头接收型材的触头开口包括不同的形状,包含矩形触头槽、正方形触头开口和圆形触头开口。
在根据本发明的第一方面的混合式汇流排的另一个可行的实施方式中,触头接收导轨型材是U形。
在根据本发明的第一方面的混合式汇流排的又一个可行的替代实施方式中,触头接收导轨型材是扁平的。
在根据本发明的第一方面的混合式汇流排的另一个可行的实施方式中,触头接收导轨型材通过压配合连接而与电流承载导轨型材连接,以形成具有矩形截面的所述混合式汇流排。例如,可以将触头接收导轨型材按压到电流承载导轨型材上。
在根据本发明的第一方面的混合式汇流排的又一个可行的实施方式中,触头接收导轨型材通过材料结合连接而连接至电流承载导轨型材,以形成具有矩形截面的所述混合式汇流排。例如,触头接收导轨型材和电流承载导轨型材可以焊接或胶粘在一起。
在根据本发明的第一方面的混合式汇流排的又一个可行的实施方式中,电流承载导轨型材包括用于将触头接收导轨型材插入电流承载导轨型材中以形成所述混合式汇流排的凹槽。
在根据本发明的第一方面的混合式汇流排的又一个可行的实施方式中,触头接收导轨型材和/或电流承载导轨型材至少部分地覆盖有电绝缘层。
在根据本发明的第一方面的混合式汇流排的可行的实施方式中,电绝缘层包括塑料材料。
在根据本发明的第一方面的混合式汇流排的又一个可行的实施方式中,所述电流承载导轨型材的截面被构造为承载具有达到5000A的预定的高电流幅值的交流或直流电流。
在根据本发明的第一方面的混合式汇流排的另一个可行的实施方式中,电流承载导轨型材包括C形轮廓和一个或多个T形轮廓或由T形轮廓和C形轮廓组合而成的轮廓。
在根据本发明的第一方面的混合式汇流排的又一个可行的实施方式中,电流承载导轨型材彼此堆叠形成用于承载具有预定的高电流幅值的电流的配合电流截面的多个T形轮廓元件。
根据第二方面,本发明还提供一种用于汇流排系统的电绝缘单元。
根据第二方面,本发明提供了一种用于汇流排系统的电绝缘单元,其包括前部,该前部具有等间隙的触头开口,它们与被所述电绝缘单元包裹的、形成根据本发明的第一方面的混合式汇流排的一部分的触头接收导轨型材的等间隙的触头开口对齐。
在下文中,参照附图更详细地描述本发明的不同方面的可行实施方式。
附图说明
图1表示用于示出根据本发明的第一方面的混合式汇流排的可行的示例性实施方式的示意图;
图2、图3示出了可以与不同类型的电气设备进行连接的混合式汇流排的截面;
图4、图5示出了根据本发明的第一方面的混合式汇流排的两种可行的实施方式;
图6、图7、图8示出了根据本发明的第一方面的混合式汇流排的具有T-C和T-T-C形状的电流导轨型材的另外可行的示例性实施方式,其可用于高电流幅值;
图9表示具有C形和T形轮廓元件的混合式汇流排的另一个示例性实施方式;
图10、图11、图12表示用于相对较低的电流幅值的根据本发明的第一方面的混合式汇流排的另外的示例性实施方式;
图13表示根据本发明的第一方面的混合式汇流排的另一个示例性实施方式;
图14表示可以在根据本发明的第一方面的混合式汇流排中使用的电流承载导轨型材的示例性实施方式,其中电流承载导轨型材至少部分地涂覆有电绝缘材料;
图15示意性表示根据本发明的第一方面的混合式汇流排的另一个示例性实施方式;
图16表示根据本发明的第二方面的电绝缘模块的可行的示例性实施方式;
图17表示根据本发明第二方面的电绝缘模块的另一个视图;
图18示意性表示根据本发明的第二方面的电绝缘模块的可行的示例性实施方式,其内部包括根据本发明的第一方面的混合式汇流排;
图19A、图19B、图19C示出了装置与根据本发明的第一方面的混合式汇流排之间的附接;
图20表示用于混合式汇流排的示例性机械连接元件。
具体实施方式
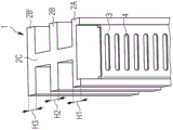
在图1的立体图中可以看出,可以用在汇流排系统中的混合式汇流排1在所示的示例性实施方式中包括两个主要组件或元件。混合式汇流排1在所示的实施方式中包括电流承载导轨型材2和触头接收导轨型材3。电流承载导轨型材2适于承载具有预定的高电流幅值A的电流I。触头接收导轨型材3具有被构造为用于接收要被连接至汇流排系统的电气设备的突出的电触头(未在图1中示出)的等间隙的多个触头开口4-1、4-2、……、4-n。在图1中可以看出,电流承载导轨型材2和触头接收导轨型材3彼此连接形成具有至少一个矩形截面的混合式汇流排1。如图1所示,混合式汇流排1的矩形截面具有围绕电流承载导轨型材2和至少一个触头接收导轨型材3的矩形外包截面CS。
混合式汇流排1可以通过具有突出的电触头的电气设备ED-A从前侧接触。电气设备ED的这些突出的电触头可以插入到触头开口4-i中,以与汇流排系统1进行机械和电气的接触。这也在图2的截面CS中示意性示出。
图1所示的汇流排系统的混合式汇流排1也可以通过要被连接至所述汇流排系统1的其他电气设备ED-B的钩形安装锁从后面接合,这也在图3的截面中示出。
因此,图1所示的混合式汇流排1可以与两种不同类型的电气设备ED接触,即,具有突出的电触头的第一种类型的电气设备ED-A和图3所示的包括钩形安装锁的第二种类型的电气设备ED-B。因此,图1所示的混合式汇流排1或汇流排系统可以用于各种各样不同的电气设备ED,并且使用非常灵活。此外,将电气设备ED安装到图1所示的混合式汇流排1上可以在不使用任何适配器元件的情况下进行。
在可行的实施方式中,电流承载导轨型材2可包括挤出成型导轨型材。挤出成型导轨型材2可以由不同的材料组成,包括铜、铝或包含铜和铝的双组分材料。此外,触头接收导轨型材3也可以由不同的材料制成,包括铜、镀锌铜、镀银铜和/或黄铜。在可行的实施方式中,触头接收导轨型材3和电流承载导轨型材2还可以至少部分地覆盖有诸如塑料材料的电绝缘材料。这在汇流排系统的操作期间增加了操作者的安全性。
在可行的实施方式中,图1所示的矩形外包截面CS可以包括预定的宽度W和预定的高度H。在可行的实施方式中,矩形外包截面CS的宽度W在12mm至30mm之间。此外,在可行的实施方式中,矩形外包截面CS的高度H可以为5mm或10mm。因此,在可行的实施方式中,矩形外包截面CS可以包括以下尺寸:10×12mm、10×20mm、10×24mm、10×30mm。在另外的实现方式中,图1所示的混合式汇流排1的矩形外包截面CS可以包括以下尺寸:5×12mm、5×20mm、5×24mm、5×30mm。因此,图1所示的混合式汇流排1与现有的汇流排系统兼容。
触头接收型材3的触头开口4-i被构造为是等距的,由此形成触头接收格栅。此外,触头接收型材3的触头开口4-i可以包括不同的形状,包括矩形触头槽(如图1所示)、正方形触头开口和圆形触头开口。触头开口4-i的形状可以根据使用情况以及相应的电气设备ED的突出的电触头的形式和形状而变化。
在图1所示的实施方式中,触头接收导轨型材3是U形。在U形的触头接收导轨型材3和电流承载导轨型材2之间存在空白空间5或腔,其允许通过触头开口4-i插入来自电气设备ED的突出的电触头,从而与混合式汇流排1和对应的汇流排系统建立机械和电气的连接。图2所示的用于接收突出的电触头的腔5的高度和尺寸可以根据所使用的电气设备ED及其突出的电触头的形式和形状而变化。在替代实施方式中,触头接收导轨型材3不是图1所示的U形,而是可以形成为还在图10、图11、图12的实施方式中示出的扁平的电流承载导轨型材2。
存在将电流承载导轨型材2与触头接收导轨型材3机械连接的多种可行方式。在可行的实施方式中,可以将触头接收导轨型材3按压到电流承载导轨型材2上,以形成图1所示的具有矩形外包截面CS的混合式汇流排1。在替代的实施方式中,可以将触头接收导轨型材3和电流承载导轨型材2焊接在一起形成具有矩形外包截面CS的混合式汇流排1。在替代实施方式中,触头接收导轨型材3和电流承载导轨型材2也可以胶粘在一起形成混合式汇流排1。触头接收导轨型材3和电流承载导轨型材2彼此机械附接。在优选的实施方式中,混合式汇流排1的触头接收导轨型材3和电流承载导轨型材2彼此机械附接为使得它们不容易被机械力分开。
在可行的实施方式中,电流承载导轨型材2包括凹槽8,其用于将触头接收导轨型材3插入到电流承载导轨型材2中以形成混合式汇流排1。例如,在图7中示出了具有用于插入触头接收导轨型材3的凹槽的电流承载导轨型材2的示例性实施方式。
根据本发明的混合式汇流排1的优点在于,电流承载导轨型材2的截面和尺寸限定了可由混合式汇流排1承载的电流幅值A。流经混合式汇流排1的大部分电流I由电流承载导轨型材2承载。仅有相对较小部分的电流I由触头接收导轨型材3承载。因此,电流承载导轨型材2的尺寸和形状限定了可以流过汇流排系统的混合式汇流排1的电流I的最大幅值。在第一种可行实施方式中,电流承载导轨型材2机械地连接至触头接收导轨型材3,使得仅有非常高的机械力才能将混合式汇流排1的这两个元件彼此分开。在替代实施方式中,电流承载导轨型材2和触头接收导轨型材3可以彼此分开,例如用具有不同形状或截面的新的电流承载导轨型材2’替代现有的电流承载导轨型材2。例如,图6、图7、图8的实施方式中所示的混合式汇流排1包括能够承载具有非常高的电流幅值A的预定的电流I的电流承载导轨型材2。如图7的实施方式中所示,电流承载导轨型材2可以包括用于插入至少一个触头接收导轨型材3的凹槽8。例如,如果由图7所示的电流承载导轨型材2承载的电流I对于汇流排系统1来说仍然不够,则用户可以用具有更高的截面并且能够承载具有更高的电流幅值A的电流I的另一个电流承载导轨型材2’替代图7所示的电流承载导轨型材2。例如,与图7的实施方式相比,图8的实施方式中所示的电流承载导轨型材2能够承载具有更高幅值A的电流I。在图8的实施方式中,电流承载导轨型材2不具有用于插入触头接收导轨型材3的凹槽8。然而,在可行的实施方式中,图8的实施方式也可以在前侧、即在其C形前部元件处包括用于插入图7所示的扁平的电流承载导轨型材2的凹槽8。包括具有用于插入一个或多个触头接收导轨型材3、特别是扁平的触头接收导轨型材的至少一个凹槽8的电流承载导轨型材2的实施方式具有的优点是,通过根据系统1的需要更换电流承载导轨型材2,可以使混合式汇流排1的截面CS和电流传输能力适配相应的使用情况。在替代实施方式中,电流承载导轨型材2和触头接收导轨型材3不能分开,并形成一体的混合式汇流排1。
在图1所示的混合式汇流排1的另一个可行的实施方式中,电流承载导轨型材2包括C形轮廓和一个或多个T形轮廓。例如,图6、图7、图8示出的实施方式表示在系统的前侧具有与一个或多个T形轮廓部分一体地形成的第一C形轮廓部分的电流承载导轨型材2。
在混合式汇流排1的又一个可行的实施方式中,电流承载导轨型材2包括彼此堆叠形成承载具有预定的高电流幅值A的电流I的配合电流截面的多个T形轮廓元件。在图9中示出了混合式汇流排1的这种实施方式的可行的实现方式。
图2、图3表示要被连接至根据本发明的第一方面的混合式汇流排1的电气设备ED的可行的安装替代方式。在图2中可以看出,电气设备ED-A包括一个或多个突出的电触头6,其可以被插入到触头接收导轨型材3的对应的等间隙的触头开口4中。电触头6被构造为在电气设备ED-A内的电路与汇流排系统之间建立电连接。例如,电气设备ED-A内的集成电路可以通过电触头6接收AC电力网供电电压L。在另一个可行的实施方式中,电触头6可以用于将DC供电电压或电流供应给电气设备ED-A内的集成电路。在图2中可以看出,通过将电气设备ED-A的突出的电触头6插入到触头接收导轨型材3的对应的触头开口4中,可以将电气设备ED-A从混合式汇流排1的前侧容易地安装到汇流排系统的混合式汇流排1上。在可行的实施方式中,电气设备ED-A可以被设置在触头接收导轨型材3的前表面上并且可以被压靠在该型材上,使得突出的电触头6被引导穿过触头开口4以建立电气和机械的连接。在可行的实施方式中,可以通过一对保护肋(未被示出)在两侧保护电气设备A的电触头6。保护肋一方面可以保护中间的电触头6免受机械变形,并且另外可以提供对安装在触头接收导轨型材3上的电气设备ED-A的机械支撑。诸如电气设备ED-A的电气设备的电触头6的数量可以根据使用情况而变化。
在可行的实施方式中,例如图2所示的电气设备ED-A可以从汇流排系统的混合式汇流排1接收一种或多种供电电压或电流。在替代实施方式中,电气设备ED-A还可以包括用于将电力馈送到汇流排系统中的设备。在优选实施方式中可以使用图1、图2、图3所示的混合式汇流排1承载AC或DC供电电流。在又一个实施方式中,混合式汇流排1也可用于在汇流排系统内承载通信信号。在可行的实施方式中,电气设备ED可以在其壳体的一侧上包括用于电触头6的AC接口,其被构造为与汇流排系统的混合式汇流排1建立电连接以接收AC电力网供电电压L,其可以通过电气设备ED-A的集成的AC/DC功率转换单元被转换成施加到电气设备ED-A的至少一个DC接口上的DC供电电压。AC接口的电触头6可以被构造为插入到匹配的触头开口4中。
在图3所示的图中可以看出,在壳体的一侧不包括突出的电触头6的另一种类型的电气设备ED也可以连接至根据本发明的第一方面的混合式汇流排1。在图3所示的示意图中,电气设备ED-B包括钩形安装锁7,其可以从后面接合混合式汇流排1的矩形外包截面CS,以与汇流排系统进行电气和/或机械的连接。
从图2和图3所示的实施方式可以看出,根据本发明的第一方面的混合式汇流排1可以用于不同类型的电气设备,即,图2所示的具有突出的电触头6的电气设备ED-A和/或包括例如钩形安装锁7的电气设备ED。在图3中可以看出,安装锁7的形状配合混合式汇流排1的高度H。在图3所示的实现方式中,电气设备ED-B可在被压靠在电流承载导轨型材2的表面上的突出的钩形安装锁7的内表面上包括电触头6。在替代实施方式中,电气设备ED-B还可以包括被压靠在电流承载导轨型材3的表面上的电触头6。在又一个可行的实施方式中,电气设备ED-B包括被按压在电流承载导轨型材2的表面上和/或触头接收导轨型材3的表面上的电触头6。
图2、图3所示的电气设备ED-A、ED-B可以并排连接在同一个混合式汇流排1上。根据混合式汇流排1的尺寸和长度,可以将多个不同的电气设备ED-A、ED-B连接至混合式汇流排1。连接不需要任何适配装置。
图4、图5示出了根据本发明的第一方面的混合式汇流排1的两种可行的实施方式。图4、图5从前侧示出了混合式汇流排1的可行的实施方式。在图4、图5所示的两个实施方式中,触头接收导轨型材3是U形并被按压在触头接收导轨型材3上。图4的触头接收导轨型材3具有两个平行的突起,它们允许将触头接收导轨型材3按压在电流承载导轨型材2上。在图4、图5中可以看出,触头接收导轨型材3包括多个等距或等间隙的触头槽4,其提供了将例如图2所示的电气设备ED-4附接至汇流排系统的可能性。在图5所示的实施方式中,电流承载导轨型材2具有与图4的实施方式所示的电流承载型材2相同的外包截面CS,但是具有用于承载电流的更大的物理截面。图4、图5所示的混合式汇流排1的两个实施方式通常都用于具有相对较小幅值A的电流I。图5所示的实施方式被构造为用于承载具有比可以由图4的混合式汇流排1承载的电流I略微更高的幅值A的电流I。
图6、图7、图8表示根据本发明的第一方面的混合式汇流排1的其他可行的实施方式。在图6、图7所示的实施方式中,触头接收导轨型材3具有扁平的形状。相比之下,图8的实施方式的触头接收导轨型材3是U形。在图7所示的实施方式中,电流承载导轨型材2包括用于插入扁平的触头接收导轨型材3的凹槽8。在可行的实施方式中,可以根据使用情况来更换图7的实施方式中的电流承载导轨型材2。图6、图7、图8中所示的不同实施方式的电流承载导轨型材2均包括C形前部轮廓2A和一个或多个T形轮廓部分2B。如图6、图7、图8所示,C形前部轮廓2A电气和机械地连接至触头接收导轨型材3。在图6的实施方式中,电流承载导轨型材2包括一体附接至T形轮廓部分2B的C形轮廓部分2A。这同样适用于图7所示的实施方式。此外,在图7的实施方式中,电流承载导轨型材2的C形轮廓部分2A包括凹槽8,其允许插入扁平的触头接收导轨型材3。在图6的实施方式中,可以将扁平的触头接收导轨型材3压入C形轮廓部分2A的截面中。在图8所示的实施方式中,混合式汇流排1包括U形的触头接收导轨型材3,其被压入电流承载导轨型材2的C形轮廓部分2A中。在图8所示的实施方式中,电流承载导轨型材2包括一个以上的T形轮廓部分2B,以增大电流承载导轨型材2的截面并允许具有例如高达5000A的更高幅值A的电流。根据图3所示的钩形安装锁7的长度,不同的T形轮廓截面2B允许将电气设备ED-B与不同种类的钩形安装锁连接。具有钩形安装锁7的第一种电气设备ED-B可以从后面接合具有高度H1的C形轮廓部分2A,或者可以接合具有高度H2的第一个T形轮廓部分2B,或者接合具有高度H3的第二个T形轮廓部分2B’。在可行的实施方式中,电气设备ED-B甚至可以包括允许从后面接合C形和T形轮廓部分中的一个或多个的钩形安装锁7,以提高系统的机械稳定性。因此,非常重的电气设备ED-B包括的钩形安装锁7不仅可以允许接合混合式汇流排1的一个矩形截面CS,而且还可以允许接合多个矩形外包截面,即,其可以同时从后面接合C形截面2A、T形截面2B和另一个T形截面2B’。
图9示出了根据本发明的第一方面的混合式汇流排1的另一个示例性实施方式。在图9所示的示例性实施方式中,多个T形轮廓元件2B、2B’彼此堆叠形成用于承载具有预定的高电流幅值A的电流I的配合电流截面。在图9所示的示例性实现方式中,电流承载导轨型材2包括彼此叠置提供用于高电流I的巨大截面的三个电流承载导轨型材元件2A、2B、2B’。在所示的示例性实现方式中,前部的C形轮廓截面2A具有T形的突起9A,其可以被插入到T形的第二电流承载导轨型材元件2B的对应的接收截面10B中。T形的电流承载导轨型材元件2B自身包括T形的突出部分9B,其可被插入到电流承载导轨型材元件2B’的对应的接收凹槽10B’中。图9所示的实施方式具有的优点是,根据使用情况和汇流排系统的需要,可以通过更换不同的电流承载导轨型材元件并通过堆叠多个电流承载导轨型材2A、2B、2B’、……直到电流承载导轨型材2的截面足以用于相应的系统来容易地适配电流承载导轨型材2的截面。因此,图9所示的混合式汇流排1非常灵活,并且可以适配增加彼此叠置的电流承载导轨型材元件的数量或减少彼此叠置的电流承载导轨型材的数量的相应的汇流排系统。
在另一个可行的实施方式中(未被示出),也可以将触头接收导轨型材3附接至电流承载导轨型材2的底侧。该实施方式允许将两侧的电气设备附接至同一个混合式汇流排1。
图10、图11、图12表示根据本发明的第一方面的混合式汇流排1的另外的示例性实施方式。在图10、图11所示的实施方式中,触头接收导轨型材3是扁平的。在图12所示的实施方式中,触头接收导轨型材3和电流承载导轨型材2均是U形并被压制成电流承载导轨型材2的接收形状。在图10所示的实施方式中,扁平的触头接收导轨型材3被附接至电流承载导轨型材2的对应的接收部分,即借助于焊接、特别是激光焊接。在图11所示的实施方式中,扁平的触头接收导轨型材3被插入电流承载导轨型材2的凹槽8中。因此,图11所示的实施方式具有的优点是,可以通过将触头接收导轨型材3从凹槽8中移出而容易地对其进行更换。在该实施方式中,可以容易地更换触头接收导轨型材3。例如,图11所示的具有矩形触头槽4的第一触头接收导轨型材3可以用具有不同形状的等间隙的触头开口4(例如,正方形触头开口和/或圆形触头开口4)的扁平的触头接收导轨型材3替代。在图10、图11、图12所示的实施方式中,电流承载导轨型材2被构造为用于承载具有相对较小的电流幅值A的电流I。
电流承载导轨型材2可沿其长度包括凹槽8,触头接收导轨型材3可被插入并附接至该凹槽8中。电流承载导轨型材3的等间隙的触头开口可以形成在触头接收导轨型材3的突出的区段或部分之间。触头接收导轨型材3可以包括多个突出的矩形块,在它们之间限定可以插入例如图2所示的电气设备ED-A的突出的电触头6的间隙。
图13表示根据本发明的第一方面的混合式汇流排1的另一个示例性实施方式。在图13中可以看出,混合式汇流排1包括具有用于小电流I的相对较小的截面的电流承载导轨型材2,并具有用于插入具有突出的矩形块11的触头接收导轨型材3的凹槽8,突出的矩形块11限定用于接收例如图2所示的电气设备ED-A的电触头6的突出的电触头的间隙12。
在图13所示的实施方式中,电流承载导轨型材2包括用于接收单个触头接收导轨型材3的单个凹槽8。在另一个可行的实施方式中,电流承载导轨型材2可包括多个凹槽8,用于接收对应数量的具有突块11的触头接收导轨型材3,所述突块11具有用于电气设备ED的电触头6的接收间隙12。
图14示出了根据本发明的第一方面的混合式汇流排1的另一个可行的实施方式。图14示出了具有多个等间隙的触头开口4的触头接收导轨型材3的可行实施方式。在图14所示的实施方式中,触头接收导轨型材3至少部分地覆盖有电绝缘材料,例如,塑料材料M。在图14所示的实施方式中,触头接收导轨型材3的第一部分没有被电绝缘层M覆盖,并且触头接收导轨型材3的另一个部分完全被由电绝缘材料(例如,塑料材料M)制成的电绝缘层覆盖。可以将电绝缘层外加于触头接收导轨型材3。例如,将等间隙的触头开口或插槽4冲压到混合式汇流排1的触头接收导轨型材3中。图14表示前侧具有覆盖绝缘材料M的触头接收导轨型材3。也可以通过附接至混合式汇流排1的单独的绝缘元件来提供绝缘。
触头接收导轨型材3可以在至少一个部分中完全通过周围的由电绝缘材料M制成的电绝缘层进行绝缘。也可以仅在前侧用由绝缘材料M制成的电绝缘层覆盖触头接收导轨型材3,但在后侧不绝缘。在图14所示的实施方式中,触头接收导轨型材3是U形。在又一个可行的实施方式中,触头接收导轨型材3也可以形成为扁平的,其中扁平的触头接收导轨型材3的前侧和/或背侧覆盖有由电绝缘和耐火的材料M制成的电绝缘层。
图15表示根据本发明的第一方面的混合式汇流排1的又一可行的实施方式。在所示的实施方式中,混合式汇流排1通过具有其形状的滚轧成型来生产,其中滚轧成型的形状的两端焊接在一起形成用于突出的电触头6的空白空间或触头接收腔5。在混合式汇流排1的前侧设置有等间隙的触头开口4。因此,在图15所示的实施方式中,混合式汇流排1包括由前侧形成的触头接收导轨型材3和由滚轧成型元件的后侧形成的电流承载导轨型材2。
图16示出了根据本发明的另一方面的一种用于汇流排系统的电绝缘模块或绝缘单元的可行的示例性实施方式。在所示的实施方式中,电绝缘单元13适于接收三个根据本发明的第一方面的混合式汇流排1-1、1-2、1-3。在图16所示的实施方式中,三个混合式汇流排1-1、1-2、1-3各自包括电流承载导轨型材2-1、2-2、2-3和相关联的触头接收导轨型材3-1-、3-2、3-3。电绝缘配电开关板13包括前部14,其具有等间隙的触头开口16的对应数量的排15-1、15-2、15-3,它们与混合式汇流排1-1、1-2、1-3的触头接收导轨型材3-i的等间隙的触头开口4对齐。在图16所示的示例性实施方式中,电绝缘配电开关板单元13包括三个排15-1、15-2、15-3,其中每个排都包括与混合式汇流排1-i的触头接收导轨型材3-i的等间隙的触头开口4对齐的多个等间隙的触头开口16。图16中所示的绝缘单元13由电绝缘材料制成,并且可以有效地保护用户免遭高电流I和/或高电压。诸如图2中所示的电气设备ED-A的电气设备ED可通过首先将它们的电触头6插入穿过绝缘模块13的前盖或前部14的触头开口16然后穿过位于触头开口16正下方的触头接收导轨型材3-i的对齐的触头开口4而被附接至电绝缘模块13。
图17表示根据本发明的第二方面的电绝缘配电开关板单元13的另外的视图。在图17所示的实施方式中,等间隙的触头开口16的不同的排15-i没有覆盖绝缘单元13的整个前盖。由电绝缘单元13包裹的混合式汇流排1的数量可以根据系统和使用情况而变化。在图10、图17所示的实施方式中,电绝缘单元13被构造为接收并包裹三个根据本发明的第一方面的混合式汇流排1。
混合式汇流排1的矩形外包截面CS形成为使得它们的尺寸(即,高度H和宽度W)对应于常规汇流排。因此,混合式汇流排1可以容易地用于替换汇流排系统的现有的常规汇流排1。在可行的实施方式中,汇流排系统甚至可以包括普通常规的汇流排和根据本发明的第一方面的混合式汇流排1的组合。
图18示意性示出了根据本发明的第二方面的电绝缘单元13的内部结构。在图18所示的实施方式中,电绝缘单元13可以包括元件17,其用于承载分别由电流承载导轨型材2-1、2-2、2-3和附接的触头接收导轨型材3-1、3-2、3-3构成的混合式汇流排1-1、1-2、1-3。不同的扁平式触头接收导轨型材3-1、3-2、3-3至少部分地包括具有图18所示的多个等间隙的触头开口4的部分。汇流排承载元件17例如可以附接至电控柜的安装板。图18的实施方式所示的夹紧支架18可用于接触混合式汇流排1。这些夹紧支架18被设计为被插入穿过电绝缘单元13的触头开口16并且与混合式汇流排1的触头接收导轨型材3-i的等间隙的触头开口4接合。电绝缘单元13还可以在内部包括接合的横向导轨21-1、21-2,它们可以用于附接至单元13的电气设备ED、特别是具有高重量的机械固定的电气设备ED的机械接合元件。电绝缘单元13可以完全包围所包含的混合式汇流排1。在替代实施方式中,电绝缘单元13仅包括具有各自包括多个等间隙的触头开口16的多个排15的电绝缘前部14。在可行的实施方式中,电绝缘单元13适于接收根据本发明的第一方面的混合式汇流排1,并且同时接收具有对应截面的常规汇流排。当安装在单元13中时,汇流排通常在水平方向上延伸。电气设备也可以通过具有穿过槽16被插入到槽4中的电触头19的电缆20进行连接。
图19A、图19B、图19C表示从后面接合混合式汇流排1的电流承载导轨型材2的钩形安装锁7A、7B。在图19A、图19B的所示例子中,安装锁7A、7B形成包括用于将电流承载导轨23附接至混合式汇流排1的螺钉或螺纹销的夹紧单元22的一部分。图19A表示电气设备的电触头6插入到混合式汇流排1的触头接收导轨型材3的槽4中。电缆20的电触头19也可以被插入到触头接收导轨型材3的这个槽4中。
在图19C中可以看出,混合式汇流排1也可以通过具有弹簧元件29的夹具元件28接触,该弹簧元件29适于将电流承载导轨30压靠在混合式汇流排1的表面上,即压靠在图19C所示的触头接收导轨型材3上,或压靠在电流承载导轨型材2上,以建立与混合式汇流排1的机械和电气的连接。
图20示出了触头接收导轨型材3利用定位于触头接收型材3和电流承载导轨型材2之间的由导电材料制成的中间间距元件25通过机械连接元件24被连接至电流承载导轨型材2的实施方式。机械连接元件24包括第一部分24A和具有用于接收混合式汇流排1的接收凹槽的第二部分24B。接收凹槽具有高度H和宽度W,它们限定与具有混合式汇流排1的矩形截面CS的边界几何形状对应的矩形截面。间距元件25的高度Hd相应地取决于触头接收导轨型材3和电流承载导轨型材2的高度h3、h2(hd+h2+h3=H)。
中间间距元件25可以是单独的可更换元件,或者附接至触头接收导轨型材3或电流承载导轨型材2。螺钉26、27可用于将机械连接元件24的上部24A固定到下部24B,这可以经由中间间距元件25将触头接收导轨型材3略微压在电流承载导轨型材2上。在替代实施方式中,触头接收导轨型材3通过包括螺钉、螺栓或铆紧元件在内的其他机械连接装置被固定到电流承载导轨型材2上。
在另一个可行的实施方式中,除了触头接收导轨型材3和电流承载导轨型材2之外,混合式汇流排1还可以包括相对于触头接收导轨型材3和电流承载导轨型材2平行延伸的数据传输导轨型材元件。数据传输导轨型材可以用于在具有插入到触头接收导轨型材3的插槽4中的触头6的电气设备ED之间和/或通过借助于钩形锁7与电流承载导轨型材2接合的电气设备ED进行数据信号的数据传送。在替代实施方式中,数据传送的通信可以通过PLC经由混合式汇流排1(即,经由电流承载导轨型材2和/或经由触头接收导轨型材3)而进行。
不同附图中所示的根据本发明的混合式汇流排1的不同实施方式可以彼此组合。
附图标记
1 混合式汇流排
2 电流承载导轨型材
3 触头接收导轨型材
4 触头开口
5 触头接收腔
6 电触头
7、7A、7B 安装锁
8 凹槽
9A、9B 突起
10A、10B 接收凹槽
11 突块
12 触头接收间隙
13 配电开关板
14 前盖
15 触头槽排
16 槽
17 汇流排承载元件
18 夹紧支架
19 电触头
20 电缆
21 横向导轨
22 夹紧单元
23 电流承载导轨
24 机械连接元件
25 中间件
26、27 螺钉
28 夹具元件
29 弹簧元件
30 电流承载导轨
Claims (20)
1.一种混合式汇流排(1),其用于连接不同类型电气设备(ED-A,ED-B)形成汇流排系统的前侧,所述混合式汇流排(1)包括:
-后侧电流承载导轨型材(2),其适于承载具有预定的高电流幅值的电流;以及
-至少一个前侧触头接收导轨型材(3),其具有等间隙的多个触头开口(4),它们被构造为用于接收要被连接至汇流排系统的第一类型的电气设备(ED-A)的突出的电触头,
其中,第一类型的电气设备(ED-A)能够设置在前侧触头接收导轨型材(3)的前表面上并压靠前侧触头接收导轨型材(3),使得突出的电触头(6)被引导通过触头开口(4)以建立与汇流排系统的电气连接,
其中,后侧电流承载导轨型材(2)和前侧触头接收导轨型材(3)彼此连接形成所述混合式汇流排(1),所述混合式汇流排能通过第二类型的电气设备(ED-B)的钩形安装锁(7)从后面接合,以与所述汇流排系统进行电气和机械连接。
2.根据权利要求1所述的混合式汇流排,其中,混合式汇流排(1)包括具有矩形截面CS的至少一种边界几何形状,所述边界几何形状能通过要被连接至汇流排系统的电气设备(ED-B)的钩形安装锁(7)接合。
3.根据权利要求1所述的混合式汇流排,其中,电流承载导轨型材(2)包括由铜、铝或包括铜和铝的双组分材料构成的导轨型材。
4.根据权利要求1所述的混合式汇流排,其中,触头接收导轨型材(3)由铜、镀锡铜、镀银铜或黄铜制成。
5.根据权利要求2所述的混合式汇流排,其中,具有矩形截面CS的边界几何形状的宽度W在12mm至30mm之间,并且高度H为5mm或10mm。
6.根据权利要求1所述的混合式汇流排,其中,触头接收导轨型材(3)的触头开口(4)包括不同的形状,包含矩形触头槽、正方形触头开口和圆形触头开口。
7.根据权利要求1所述的混合式汇流排,其中,触头接收导轨型材(3) 是U形或扁平的。
8.根据权利要求1所述的混合式汇流排,其中,触头接收导轨型材(3)通过压配合连接而连接至电流承载导轨型材(2),以形成提供具有矩形截面CS的边界几何形状的混合式汇流排(1)。
9.根据权利要求1所述的混合式汇流排,其中,触头接收导轨型材(3)通过材料结合连接而连接至电流承载导轨型材(2),以形成提供具有矩形截面CS的边界几何形状的混合式汇流排(1)。
10.根据权利要求1所述的混合式汇流排,其中,触头接收导轨型材(3)通过一个或多个机械连接元件连接至电流承载导轨型材(2)。
11.根据权利要求1所述的混合式汇流排,其中,电流承载导轨型材(2)包括至少一个凹槽(8),以用于将触头接收导轨型材(3)插入到电流承载导轨型材(2)中形成混合式汇流排(1)。
12.根据权利要求1所述的混合式汇流排,其中,触头接收导轨型材(3)和/或电流承载导轨型材(2)至少部分地覆盖有电绝缘层。
13.根据权利要求12所述的混合式汇流排,其中,所述电绝缘层包括塑料材料。
14.根据权利要求1所述的混合式汇流排,其中,电流承载导轨型材(2)的截面CS被构造为承载具有达到5000A的预定的高电流幅值的交流或直流电流。
15.根据权利要求1所述的混合式汇流排,其中,电流承载导轨型材(2)包括C形轮廓(2A)和一个或多个T形轮廓(2B)。
16.根据权利要求15所述的混合式汇流排,其中,电流承载导轨型材(2)包括多个T形轮廓(2B),它们彼此堆叠形成用于承载具有预定的高电流幅值的电流的配合电流截面。
17.根据权利要求1所述的混合式汇流排,其还包括附接至电流承载导轨型材(2)和/或附接至触头接收导轨型材(3)的汇流排数据传输元件,其用于数据的数据传送并且能通过电气设备(ED)连接,以用于在所述电气设备(ED)和/或外部数据处理设备之间交换数据。
18.根据权利要求2所述的混合式汇流排,其中所述矩形截面CS是矩形外包截面,其能够通过第二类型的电气设备(ED-B)的钩形安装锁(7)接合,以连接到所述汇流排系统。
19.根据权利要求18所述的混合式汇流排,其中,所述第二类型的电气设备(ED-B)包括电触头,其在混合汇流排(1)的矩形外包截面CS通过第二类型的电气设备(ED-B)的钩形安装锁(7)接合时,压靠在后侧电流承载导轨型材(2)的表面上或前侧触头接收导轨型材(3)的表面上。
20.一种用于汇流排系统的电绝缘单元(13),其包括前部(14),所述前部具有等间隙的触头开口(16),它们与被所述电绝缘单元(13)包裹的、形成根据权利要求1至17中任一项所述的混合式汇流排(1)的一部分的触头接收导轨型材(3)的等间隙的触头开口(4)对齐。
Applications Claiming Priority (3)
| Application Number | Priority Date | Filing Date | Title |
|---|---|---|---|
| EP18162101.2 | 2018-03-15 | ||
| EP18162101.2A EP3540872A1 (en) | 2018-03-15 | 2018-03-15 | A hybrid busbar for a busbar system |
| PCT/EP2019/055981 WO2019175087A1 (en) | 2018-03-15 | 2019-03-11 | A hybrid busbar for a busbar system |
Publications (2)
| Publication Number | Publication Date |
|---|---|
| CN112005450A CN112005450A (zh) | 2020-11-27 |
| CN112005450B true CN112005450B (zh) | 2022-02-18 |
Family
ID=61683702
Family Applications (2)
| Application Number | Title | Priority Date | Filing Date |
|---|---|---|---|
| CN201980019487.9A Active CN111971859B (zh) | 2018-03-15 | 2019-02-21 | 触摸保护汇流排系统 |
| CN201980019559.XA Active CN112005450B (zh) | 2018-03-15 | 2019-03-11 | 用于汇流排系统的混合式汇流排 |
Family Applications Before (1)
| Application Number | Title | Priority Date | Filing Date |
|---|---|---|---|
| CN201980019487.9A Active CN111971859B (zh) | 2018-03-15 | 2019-02-21 | 触摸保护汇流排系统 |
Country Status (6)
| Country | Link |
|---|---|
| US (3) | US11888272B2 (zh) |
| EP (2) | EP3540872A1 (zh) |
| CN (2) | CN111971859B (zh) |
| ES (1) | ES2936621T3 (zh) |
| PL (1) | PL3766146T3 (zh) |
| WO (2) | WO2019174886A1 (zh) |
Families Citing this family (11)
| Publication number | Priority date | Publication date | Assignee | Title |
|---|---|---|---|---|
| EP3540872A1 (en) * | 2018-03-15 | 2019-09-18 | Wöhner Besitz GmbH | A hybrid busbar for a busbar system |
| GB2574727A (en) * | 2018-06-13 | 2019-12-18 | Eaton Intelligent Power Ltd | Electrical panelboard and plug-in device for such a panelboard with improved electrical insulation and modularity |
| PL3926774T3 (pl) * | 2020-06-19 | 2023-03-06 | Wöhner Besitz Gmbh | Płyta szynoprzewodu |
| EP3926770A1 (en) * | 2020-06-19 | 2021-12-22 | Wöhner Besitz GmbH | Elongated busbar board |
| US11569623B2 (en) * | 2020-08-07 | 2023-01-31 | Microsoft Technology Licensing, Llc | Busbar connection with side band communications |
| US20250124739A1 (en) * | 2021-08-12 | 2025-04-17 | Sony Semiconductor Solutions Corporation | Action analysis device, action analysis method, action analysis program, photographing device, and action analysis system |
| EP4447239A1 (de) * | 2023-04-14 | 2024-10-16 | Wöhner Besitz GmbH | Vorrichtung zur ver- und entrastung eines elektrischen funktionsmoduls sowie verfahren zum entrasten eines elektrischen funktionsmoduls |
| EP4498540A1 (en) * | 2023-07-28 | 2025-01-29 | Wöhner Besitz GmbH | Hybrid power supply busbar, busbar board, and power supply system |
| EP4576459A1 (en) | 2023-12-20 | 2025-06-25 | Wöhner Besitz GmbH | Touch-protected busbar system with double housing |
| DE102024110871B3 (de) | 2024-04-18 | 2025-05-15 | Rittal Gmbh & Co. Kg | Elektrische Installation mit einer Anordnung für die berührungssichere Kontaktierung mehrerer Stromsammelschienen mit Kabeldurchführung |
| DE102024111074A1 (de) * | 2024-04-19 | 2025-10-23 | Rittal Gmbh & Co. Kg | Anschlussadapter für ein Berührungsschutzsystem mit berührungsgesichertem Leiteranschluss |
Citations (10)
| Publication number | Priority date | Publication date | Assignee | Title |
|---|---|---|---|---|
| DE4109040A1 (de) * | 1991-03-15 | 1992-09-17 | Wago Verwaltungs Gmbh | Anschlussverteiler fuer elektrische leiter |
| CN101553959A (zh) * | 2006-10-16 | 2009-10-07 | 克尼尔有限公司 | 电源板条系统 |
| DE102008033159B3 (de) * | 2008-07-15 | 2010-04-08 | Siemens Aktiengesellschaft | Anordnung mit einer elektrischen Strom- oder Potentialschiene |
| CN101796700A (zh) * | 2007-08-06 | 2010-08-04 | Abb公司 | 配电板 |
| CN102474087A (zh) * | 2009-07-10 | 2012-05-23 | 西门子公司 | 模块化的汇流排 |
| CN202759120U (zh) * | 2012-07-18 | 2013-02-27 | 中兴通讯股份有限公司 | 一种汇流排 |
| CN103444000A (zh) * | 2011-04-13 | 2013-12-11 | 泛达公司 | 包括安装支架和/或导体块的接地排组件 |
| CN203589401U (zh) * | 2013-12-04 | 2014-05-07 | 张伟明 | 一种移动电源插座组合模块 |
| EP3136524A1 (de) * | 2015-08-28 | 2017-03-01 | LISI AUTOMOTIVE Mecano GmbH | Erdungsmutternkette |
| WO2017198642A1 (de) * | 2016-05-17 | 2017-11-23 | Wöhner GmbH & Co. KG Elektrotechnische Systeme | Gerät für ein stromsammelschienensystem |
Family Cites Families (31)
| Publication number | Priority date | Publication date | Assignee | Title |
|---|---|---|---|---|
| US3353138A (en) * | 1965-03-22 | 1967-11-14 | Amp Inc | Programming system |
| GB1184250A (en) * | 1967-11-18 | 1970-03-11 | Amp Inc | Sealing Arrangement for Multiple Contacts |
| US3727171A (en) * | 1971-07-23 | 1973-04-10 | Westinghouse Canada Ltd | Bus connector assembly |
| US4567654A (en) * | 1984-04-02 | 1986-02-04 | Emhart Industries, Inc. | Bussing block |
| JPS6215795U (zh) * | 1985-07-11 | 1987-01-30 | ||
| US4699445A (en) * | 1986-07-28 | 1987-10-13 | Amp Incorporated | Electrical terminal assembly for thermistors |
| DE3817440A1 (de) * | 1988-05-21 | 1989-11-30 | Vev Verwaltung Entwicklung Ver | Stromschiene |
| EP0717473B1 (en) * | 1994-12-14 | 1999-08-18 | Molex Incorporated | Electrical pin field on a printed circuit board |
| US20070111592A1 (en) * | 2005-11-15 | 2007-05-17 | Smith Leslie F | Modular plug strip |
| DE102005060586B4 (de) | 2005-12-17 | 2008-02-14 | Abb Patent Gmbh | Installationsverteilung |
| DE102007027918B4 (de) | 2007-06-18 | 2010-07-08 | Siemens Ag | Stromschiene zur Energie- und Datenversorgung von elektrischen Endgeräten |
| JP5339357B2 (ja) | 2009-05-01 | 2013-11-13 | 河村電器産業株式会社 | 住宅用分電盤 |
| GB0910199D0 (en) | 2009-06-15 | 2009-07-29 | 3M Innovative Properties Co | Symmetrical termination strip for a telecommunications moduel |
| FR2951031B1 (fr) * | 2009-10-06 | 2011-10-28 | Schneider Electric Ind Sas | Unite fonctionnelle pour tableau basse tension avec position test |
| SG181508A1 (en) * | 2010-07-15 | 2012-07-30 | Lip Sing Leng | Electrical power distribution track system |
| US8585422B2 (en) * | 2011-04-15 | 2013-11-19 | Rockwell Automation Technologies, Inc. | System for connecting motor drives |
| DE102011085517A1 (de) | 2011-10-31 | 2013-05-02 | Siemens Aktiengesellschaft | Kupplung für ein Stromschienensystem |
| CA2867865A1 (en) | 2012-03-20 | 2013-09-26 | Albus Industries Pty Ltd | Busbar |
| DE102012206597B4 (de) * | 2012-04-20 | 2015-02-26 | Wöhner GmbH & Co. KG Elektrotechnische Systeme | Sammelschienenadapter |
| EP2863496B1 (de) | 2013-10-18 | 2017-07-19 | Wöhner GmbH & Co. KG Elektrotechnische Systeme | Berührungsschutzsystem für Stromsammelschienen |
| CN105900181B (zh) | 2013-12-03 | 2018-05-04 | 施耐德电气It公司 | 用于使大电流汇流条绝缘的系统 |
| EP3076504B1 (de) * | 2015-03-31 | 2018-07-04 | Wöhner GmbH & Co. KG Elektrotechnische Systeme | Adaptervorrichtung für ein stromsammelschienensystem |
| CN107690350B (zh) | 2015-04-17 | 2020-11-06 | 特拉克赛卡斯公司 | 用于模型车辆的转向稳定装置 |
| CN106298713A (zh) * | 2015-06-09 | 2017-01-04 | 台达电子工业股份有限公司 | 一种垂直连接的功率模块及其堆叠连接的引脚 |
| CN104966964A (zh) | 2015-07-14 | 2015-10-07 | 林健生 | 一种带导体线槽及其配套插座面板 |
| DE102015213744A1 (de) * | 2015-07-21 | 2017-01-26 | Ellenberger & Poensgen Gmbh | Stromverteiler |
| DE102016107565A1 (de) | 2016-04-22 | 2017-10-26 | Rittal Gmbh & Co. Kg | Anordnung für die berührungssichere Kontaktierung eines Stromsammelschienensystems |
| WO2017192146A1 (en) * | 2016-05-06 | 2017-11-09 | Cummins Inc. | Adapters for electronic control unit |
| CN206313243U (zh) | 2017-04-12 | 2017-07-07 | 深圳市康奈特电子有限公司 | 一种热插拔母线连接系统 |
| US10177513B1 (en) * | 2017-12-28 | 2019-01-08 | Lear Corporation | Bus bar assembly with a system to form and secure connections to the terminals on a bus bar |
| EP3540872A1 (en) | 2018-03-15 | 2019-09-18 | Wöhner Besitz GmbH | A hybrid busbar for a busbar system |
-
2018
- 2018-03-15 EP EP18162101.2A patent/EP3540872A1/en active Pending
-
2019
- 2019-02-21 WO PCT/EP2019/054343 patent/WO2019174886A1/en not_active Ceased
- 2019-02-21 ES ES19705204T patent/ES2936621T3/es active Active
- 2019-02-21 US US16/977,295 patent/US11888272B2/en active Active
- 2019-02-21 CN CN201980019487.9A patent/CN111971859B/zh active Active
- 2019-02-21 EP EP19705204.6A patent/EP3766146B1/en active Active
- 2019-02-21 PL PL19705204.6T patent/PL3766146T3/pl unknown
- 2019-03-11 WO PCT/EP2019/055981 patent/WO2019175087A1/en not_active Ceased
- 2019-03-11 US US15/733,558 patent/US11139622B2/en active Active
- 2019-03-11 CN CN201980019559.XA patent/CN112005450B/zh active Active
-
2024
- 2024-01-17 US US18/415,213 patent/US20240213728A1/en active Pending
Patent Citations (10)
| Publication number | Priority date | Publication date | Assignee | Title |
|---|---|---|---|---|
| DE4109040A1 (de) * | 1991-03-15 | 1992-09-17 | Wago Verwaltungs Gmbh | Anschlussverteiler fuer elektrische leiter |
| CN101553959A (zh) * | 2006-10-16 | 2009-10-07 | 克尼尔有限公司 | 电源板条系统 |
| CN101796700A (zh) * | 2007-08-06 | 2010-08-04 | Abb公司 | 配电板 |
| DE102008033159B3 (de) * | 2008-07-15 | 2010-04-08 | Siemens Aktiengesellschaft | Anordnung mit einer elektrischen Strom- oder Potentialschiene |
| CN102474087A (zh) * | 2009-07-10 | 2012-05-23 | 西门子公司 | 模块化的汇流排 |
| CN103444000A (zh) * | 2011-04-13 | 2013-12-11 | 泛达公司 | 包括安装支架和/或导体块的接地排组件 |
| CN202759120U (zh) * | 2012-07-18 | 2013-02-27 | 中兴通讯股份有限公司 | 一种汇流排 |
| CN203589401U (zh) * | 2013-12-04 | 2014-05-07 | 张伟明 | 一种移动电源插座组合模块 |
| EP3136524A1 (de) * | 2015-08-28 | 2017-03-01 | LISI AUTOMOTIVE Mecano GmbH | Erdungsmutternkette |
| WO2017198642A1 (de) * | 2016-05-17 | 2017-11-23 | Wöhner GmbH & Co. KG Elektrotechnische Systeme | Gerät für ein stromsammelschienensystem |
Also Published As
| Publication number | Publication date |
|---|---|
| US11888272B2 (en) | 2024-01-30 |
| ES2936621T3 (es) | 2023-03-21 |
| EP3540872A1 (en) | 2019-09-18 |
| EP3766146A1 (en) | 2021-01-20 |
| US20200412074A1 (en) | 2020-12-31 |
| US20210006047A1 (en) | 2021-01-07 |
| PL3766146T3 (pl) | 2023-04-03 |
| US20240213728A1 (en) | 2024-06-27 |
| WO2019175087A1 (en) | 2019-09-19 |
| US11139622B2 (en) | 2021-10-05 |
| BR112020018611A2 (pt) | 2020-12-29 |
| EP3766146B1 (en) | 2022-12-14 |
| CN112005450A (zh) | 2020-11-27 |
| BR112020017035A2 (pt) | 2021-03-23 |
| CN111971859A (zh) | 2020-11-20 |
| WO2019174886A1 (en) | 2019-09-19 |
| CN111971859B (zh) | 2022-09-06 |
Similar Documents
| Publication | Publication Date | Title |
|---|---|---|
| CN112005450B (zh) | 用于汇流排系统的混合式汇流排 | |
| CN105474469B (zh) | 用于特别是外部路由总线系统的承插结构的接触元件 | |
| US10700464B2 (en) | Device for a busbar system | |
| US8684758B2 (en) | Terminal unit having fused combiner/distribution bus bar assembly | |
| US10524377B2 (en) | Power distribution unit with interior busbars | |
| CN101796700B (zh) | 配电板 | |
| CN101395762A (zh) | 电流分配装置及其引出导线的接触装置和保险装置 | |
| EP2858229B1 (en) | Apparatus for Connecting a Shared DC Bus Link | |
| HU223704B1 (hu) | Bővíthető funkcionális fővezeték egység kisfeszültségű villamos kapcsolómezőhöz | |
| EP4102665A1 (en) | Electrical busway assembly | |
| CN101375477A (zh) | 用于电气装置的电流导体,特别是用于中电压电气设备的汇流条导体 | |
| CN109950795B (zh) | 电气面板或电气开关柜中的电流分配装置 | |
| KR100912119B1 (ko) | 부스바 커넥터 및 상기 부스바 커넥터를 이용하는 분전반 | |
| JP5081853B2 (ja) | 配電盤 | |
| CN210607136U (zh) | 一种集成母线系统 | |
| CN210744370U (zh) | 供配电模块与轨道式末端母线主干体的端接接口装置 | |
| JP2006238562A (ja) | プラグイン分電盤 | |
| CN211238604U (zh) | 接线座及接线装置 | |
| KR200393273Y1 (ko) | 배전반의 수직모선 접속용 컨넥터 | |
| CN210326386U (zh) | 一种汇流排 | |
| EP3060032B1 (en) | Power terminal | |
| BR112020017035B1 (pt) | Barra de ligações híbrida | |
| CN109818179B (zh) | 配电模块与轨道式母线内部导电铜条的端压接口装置 | |
| KR20140136847A (ko) | 배전반용 부스바 장치 | |
| JPH10308957A (ja) | 監視供給架における給電構造 |
Legal Events
| Date | Code | Title | Description |
|---|---|---|---|
| PB01 | Publication | ||
| PB01 | Publication | ||
| SE01 | Entry into force of request for substantive examination | ||
| SE01 | Entry into force of request for substantive examination | ||
| GR01 | Patent grant | ||
| GR01 | Patent grant |