CN111771499B - A IoT water and fertilizer integrated machine for smart agriculture - Google Patents
A IoT water and fertilizer integrated machine for smart agriculture Download PDFInfo
- Publication number
- CN111771499B CN111771499B CN202010629758.7A CN202010629758A CN111771499B CN 111771499 B CN111771499 B CN 111771499B CN 202010629758 A CN202010629758 A CN 202010629758A CN 111771499 B CN111771499 B CN 111771499B
- Authority
- CN
- China
- Prior art keywords
- fixedly connected
- plate
- water
- filter
- rotating
- Prior art date
- Legal status (The legal status is an assumption and is not a legal conclusion. Google has not performed a legal analysis and makes no representation as to the accuracy of the status listed.)
- Active
Links
- XLYOFNOQVPJJNP-UHFFFAOYSA-N water Substances O XLYOFNOQVPJJNP-UHFFFAOYSA-N 0.000 title claims abstract description 120
- 239000003337 fertilizer Substances 0.000 title claims abstract description 50
- 230000007246 mechanism Effects 0.000 claims abstract description 54
- 238000003756 stirring Methods 0.000 claims abstract description 37
- 238000001914 filtration Methods 0.000 claims abstract description 27
- 230000005540 biological transmission Effects 0.000 claims abstract description 19
- 230000008093 supporting effect Effects 0.000 claims description 38
- 238000005086 pumping Methods 0.000 claims description 28
- 239000002893 slag Substances 0.000 claims description 24
- OKTJSMMVPCPJKN-UHFFFAOYSA-N Carbon Chemical compound [C] OKTJSMMVPCPJKN-UHFFFAOYSA-N 0.000 claims description 10
- 238000001179 sorption measurement Methods 0.000 claims description 10
- 239000007788 liquid Substances 0.000 claims description 7
- 238000009298 carbon filtering Methods 0.000 claims description 3
- 210000003608 fece Anatomy 0.000 claims description 3
- 239000010871 livestock manure Substances 0.000 claims description 3
- 230000006855 networking Effects 0.000 claims description 2
- 230000000694 effects Effects 0.000 abstract description 15
- 230000004720 fertilization Effects 0.000 abstract description 11
- 239000002351 wastewater Substances 0.000 description 14
- 239000012535 impurity Substances 0.000 description 12
- 235000017166 Bambusa arundinacea Nutrition 0.000 description 7
- 235000017491 Bambusa tulda Nutrition 0.000 description 7
- 241001330002 Bambuseae Species 0.000 description 7
- 235000015334 Phyllostachys viridis Nutrition 0.000 description 7
- 239000011425 bamboo Substances 0.000 description 7
- 244000309464 bull Species 0.000 description 6
- 238000007599 discharging Methods 0.000 description 6
- 229910052799 carbon Inorganic materials 0.000 description 4
- 238000009434 installation Methods 0.000 description 4
- 239000000155 melt Substances 0.000 description 3
- 238000000034 method Methods 0.000 description 3
- 230000008569 process Effects 0.000 description 3
- 239000007921 spray Substances 0.000 description 3
- 239000010840 domestic wastewater Substances 0.000 description 2
- 238000005516 engineering process Methods 0.000 description 2
- 238000003973 irrigation Methods 0.000 description 2
- 230000002262 irrigation Effects 0.000 description 2
- 238000011084 recovery Methods 0.000 description 2
- 239000000126 substance Substances 0.000 description 2
- 241000220317 Rosa Species 0.000 description 1
- 230000009286 beneficial effect Effects 0.000 description 1
- 239000003818 cinder Substances 0.000 description 1
- 239000012141 concentrate Substances 0.000 description 1
- 238000011161 development Methods 0.000 description 1
- 238000010586 diagram Methods 0.000 description 1
- 230000007613 environmental effect Effects 0.000 description 1
- 230000006872 improvement Effects 0.000 description 1
- 230000010354 integration Effects 0.000 description 1
- 238000010030 laminating Methods 0.000 description 1
- 239000000203 mixture Substances 0.000 description 1
- 230000004048 modification Effects 0.000 description 1
- 238000012986 modification Methods 0.000 description 1
- 235000021049 nutrient content Nutrition 0.000 description 1
- 239000011148 porous material Substances 0.000 description 1
- 238000012545 processing Methods 0.000 description 1
- 238000011002 quantification Methods 0.000 description 1
- 238000004064 recycling Methods 0.000 description 1
- 239000002689 soil Substances 0.000 description 1
- 239000007787 solid Substances 0.000 description 1
- 241000894007 species Species 0.000 description 1
- 239000002699 waste material Substances 0.000 description 1
Images
Classifications
-
- A—HUMAN NECESSITIES
- A01—AGRICULTURE; FORESTRY; ANIMAL HUSBANDRY; HUNTING; TRAPPING; FISHING
- A01C—PLANTING; SOWING; FERTILISING
- A01C23/00—Distributing devices specially adapted for liquid manure or other fertilising liquid, including ammonia, e.g. transport tanks or sprinkling wagons
-
- B—PERFORMING OPERATIONS; TRANSPORTING
- B01—PHYSICAL OR CHEMICAL PROCESSES OR APPARATUS IN GENERAL
- B01D—SEPARATION
- B01D36/00—Filter circuits or combinations of filters with other separating devices
-
- B—PERFORMING OPERATIONS; TRANSPORTING
- B05—SPRAYING OR ATOMISING IN GENERAL; APPLYING FLUENT MATERIALS TO SURFACES, IN GENERAL
- B05B—SPRAYING APPARATUS; ATOMISING APPARATUS; NOZZLES
- B05B15/00—Details of spraying plant or spraying apparatus not otherwise provided for; Accessories
- B05B15/20—Arrangements for agitating the material to be sprayed, e.g. for stirring, mixing or homogenising
- B05B15/25—Arrangements for agitating the material to be sprayed, e.g. for stirring, mixing or homogenising using moving elements, e.g. rotating blades
Landscapes
- Life Sciences & Earth Sciences (AREA)
- Engineering & Computer Science (AREA)
- Water Supply & Treatment (AREA)
- Soil Sciences (AREA)
- Environmental Sciences (AREA)
- Chemical & Material Sciences (AREA)
- Chemical Kinetics & Catalysis (AREA)
- Fertilizers (AREA)
Abstract
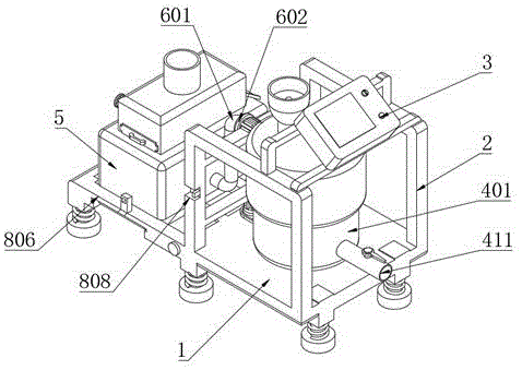
本发明公开了一种智慧农业用物联网水肥一体机,包括底板,所述底板顶端固定连接有支撑架,所述支撑架顶端固定连接有控制箱,所述底板顶端中部位置处固定连接有搅拌机构,所述搅拌机构顶端边侧位置处固定连接有进料机构,所述进料机构另一端通过螺栓连接有水箱,所述水箱顶端固定连接有过滤机构,本发明结构科学合理,使用安全方便,设置了搅拌机构,通过将旋转电机安装在外部,方便对旋转电机进行检修,通过传动轴和皮带配合传动,方便旋转电机带动转杆旋转,使转杆带动旋转叶转动,对搅拌筒内部的清水和肥料进行搅拌,使肥料和清水充分混合,形成肥水,提高肥水的质量,保证施肥的效果。
The invention discloses an Internet of Things water and fertilizer integrated machine for smart agriculture, which comprises a bottom plate, a support frame is fixedly connected to the top of the bottom plate, a control box is fixedly connected to the top of the support frame, and a stirring device is fixedly connected to the middle of the top of the bottom plate. The top side of the stirring mechanism is fixedly connected with a feeding mechanism, the other end of the feeding mechanism is connected with a water tank through bolts, and the top of the water tank is fixedly connected with a filtering mechanism. The structure of the invention is scientific and reasonable, and it is safe and convenient to use. , Set up a stirring mechanism, by installing the rotating motor on the outside, it is convenient to repair the rotating motor. Through the transmission shaft and the belt, it is convenient for the rotating motor to drive the rotating rod to rotate, so that the rotating rod drives the rotating blade to rotate. The water and fertilizer are mixed to make the fertilizer and water fully mixed to form fertilizer water, improve the quality of fertilizer water, and ensure the effect of fertilization.
Description
Claims (4)
Priority Applications (1)
| Application Number | Priority Date | Filing Date | Title |
|---|---|---|---|
| CN202010629758.7A CN111771499B (en) | 2020-07-03 | 2020-07-03 | A IoT water and fertilizer integrated machine for smart agriculture |
Applications Claiming Priority (1)
| Application Number | Priority Date | Filing Date | Title |
|---|---|---|---|
| CN202010629758.7A CN111771499B (en) | 2020-07-03 | 2020-07-03 | A IoT water and fertilizer integrated machine for smart agriculture |
Publications (2)
| Publication Number | Publication Date |
|---|---|
| CN111771499A CN111771499A (en) | 2020-10-16 |
| CN111771499B true CN111771499B (en) | 2021-12-28 |
Family
ID=72759320
Family Applications (1)
| Application Number | Title | Priority Date | Filing Date |
|---|---|---|---|
| CN202010629758.7A Active CN111771499B (en) | 2020-07-03 | 2020-07-03 | A IoT water and fertilizer integrated machine for smart agriculture |
Country Status (1)
| Country | Link |
|---|---|
| CN (1) | CN111771499B (en) |
Families Citing this family (4)
| Publication number | Priority date | Publication date | Assignee | Title |
|---|---|---|---|---|
| CN112790093A (en) * | 2021-01-10 | 2021-05-14 | 李华群 | Water-saving environment-friendly efficient irrigation equipment |
| CN115211271A (en) * | 2022-07-06 | 2022-10-21 | 山东省葡萄研究院 | Grape liquid manure integrated device |
| CN115155875A (en) * | 2022-08-04 | 2022-10-11 | 浙江庄誉科技有限公司 | A kind of spraying equipment for anti-stick and wear-resistant coating |
| CN116806515A (en) * | 2023-07-26 | 2023-09-29 | 宁波市农业技术推广总站 | Intelligent water and fertilizer integrated irrigation method and system |
Citations (27)
| Publication number | Priority date | Publication date | Assignee | Title |
|---|---|---|---|---|
| GB377199A (en) * | 1931-04-20 | 1932-07-20 | Charles Edward Gardner | Method of and apparatus for mixing and spraying or moistening pulverulent or granular material |
| GB1328724A (en) * | 1970-05-19 | 1973-08-30 | Japan Exlan Co Ltd | Apparatus for and method of agitating liquids |
| WO1996012398A1 (en) * | 1994-10-19 | 1996-05-02 | Peter John Nicol | Mixing apparatus |
| CN2907857Y (en) * | 2006-04-27 | 2007-06-06 | 华南理工大学 | A spray type solid material mechanical agitation neutralization tank |
| CN203692173U (en) * | 2013-12-08 | 2014-07-09 | 上海美瑞实业有限公司 | Incubation box with folding pedal |
| CN106391610A (en) * | 2016-08-29 | 2017-02-15 | 山东胜伟园林科技有限公司 | Water collection tank capable of removing interior sediments easily |
| CN106515543A (en) * | 2016-11-25 | 2017-03-22 | 厦门理工学院 | Space-adjustable express delivery vehicle transport box and operation method thereof |
| CN206253073U (en) * | 2016-11-21 | 2017-06-16 | 曹勃 | A kind of moveable mixing equipment with filtering function |
| CN206407931U (en) * | 2017-01-05 | 2017-08-15 | 广州亨取金属制品有限公司 | A kind of high-efficiency sewage handles grid maker |
| CN107308681A (en) * | 2017-08-05 | 2017-11-03 | 芜湖振龙齐欣药业有限公司 | The extraction element and its operating method of a kind of prepared slices of Chinese crude drugs |
| CN207046972U (en) * | 2017-06-06 | 2018-02-27 | 柳莹 | A kind of ship sewage-treatment plant |
| CN207511965U (en) * | 2017-10-16 | 2018-06-19 | 南通大学 | A kind of urban wastewater treatment utilizes device |
| CN207632672U (en) * | 2017-10-31 | 2018-07-20 | 湖北宜能环保科技有限公司 | Sewage disposal reuse means and sewage disposal reutilization system |
| CN108911193A (en) * | 2018-07-06 | 2018-11-30 | 黎庆有 | A kind of moveable environment-friendly sewage processing unit |
| CN208212667U (en) * | 2018-03-16 | 2018-12-11 | 湖南腾驰环保科技有限公司 | A kind of novel evacuated separation liquid-solid mixture device |
| TW201906666A (en) * | 2017-07-04 | 2019-02-16 | 德商愛思強歐洲公司 | Powder controlled release device |
| CN208694809U (en) * | 2018-07-30 | 2019-04-05 | 郑州智拓生物科技有限公司 | A kind of ecologic breeding forage compounding filter device |
| CN208959442U (en) * | 2018-09-25 | 2019-06-11 | 河南东贵电子科技有限公司 | A kind of trade effluent filter device |
| CN209234257U (en) * | 2018-11-03 | 2019-08-13 | 耿世涛 | A kind of rotation filter formula liquid manure all-in-one machine |
| CN209269172U (en) * | 2018-11-30 | 2019-08-20 | 安徽振伟展览展示有限公司 | A display stand for a display hall |
| CN110306577A (en) * | 2019-07-03 | 2019-10-08 | 合肥天沃能源科技有限公司 | A kind of Novel underground piping lane plumbing equipment |
| CN110393074A (en) * | 2018-04-24 | 2019-11-01 | 佛山市嘉懿行农业科技有限公司 | A kind of wisdom agricultural Internet of Things liquid manure all-in-one machine |
| CN209872571U (en) * | 2019-04-24 | 2019-12-31 | 山东贝特尔环保科技有限公司 | Bury formula sewage treatment device |
| CN209865850U (en) * | 2019-03-07 | 2019-12-31 | 陈小军 | Irrigation equipment that hydraulic engineering used |
| CN210125365U (en) * | 2019-05-29 | 2020-03-06 | 汪家新 | Mix effectual solid-liquid mixing device for chemical production |
| CN210367283U (en) * | 2019-08-12 | 2020-04-21 | 正潮建设工程有限公司 | Town road sewage treatment plant |
| CN111328523A (en) * | 2020-04-02 | 2020-06-26 | 内蒙古龙泽节水灌溉科技有限公司 | Water-saving automatic drip irrigation system |
-
2020
- 2020-07-03 CN CN202010629758.7A patent/CN111771499B/en active Active
Patent Citations (27)
| Publication number | Priority date | Publication date | Assignee | Title |
|---|---|---|---|---|
| GB377199A (en) * | 1931-04-20 | 1932-07-20 | Charles Edward Gardner | Method of and apparatus for mixing and spraying or moistening pulverulent or granular material |
| GB1328724A (en) * | 1970-05-19 | 1973-08-30 | Japan Exlan Co Ltd | Apparatus for and method of agitating liquids |
| WO1996012398A1 (en) * | 1994-10-19 | 1996-05-02 | Peter John Nicol | Mixing apparatus |
| CN2907857Y (en) * | 2006-04-27 | 2007-06-06 | 华南理工大学 | A spray type solid material mechanical agitation neutralization tank |
| CN203692173U (en) * | 2013-12-08 | 2014-07-09 | 上海美瑞实业有限公司 | Incubation box with folding pedal |
| CN106391610A (en) * | 2016-08-29 | 2017-02-15 | 山东胜伟园林科技有限公司 | Water collection tank capable of removing interior sediments easily |
| CN206253073U (en) * | 2016-11-21 | 2017-06-16 | 曹勃 | A kind of moveable mixing equipment with filtering function |
| CN106515543A (en) * | 2016-11-25 | 2017-03-22 | 厦门理工学院 | Space-adjustable express delivery vehicle transport box and operation method thereof |
| CN206407931U (en) * | 2017-01-05 | 2017-08-15 | 广州亨取金属制品有限公司 | A kind of high-efficiency sewage handles grid maker |
| CN207046972U (en) * | 2017-06-06 | 2018-02-27 | 柳莹 | A kind of ship sewage-treatment plant |
| TW201906666A (en) * | 2017-07-04 | 2019-02-16 | 德商愛思強歐洲公司 | Powder controlled release device |
| CN107308681A (en) * | 2017-08-05 | 2017-11-03 | 芜湖振龙齐欣药业有限公司 | The extraction element and its operating method of a kind of prepared slices of Chinese crude drugs |
| CN207511965U (en) * | 2017-10-16 | 2018-06-19 | 南通大学 | A kind of urban wastewater treatment utilizes device |
| CN207632672U (en) * | 2017-10-31 | 2018-07-20 | 湖北宜能环保科技有限公司 | Sewage disposal reuse means and sewage disposal reutilization system |
| CN208212667U (en) * | 2018-03-16 | 2018-12-11 | 湖南腾驰环保科技有限公司 | A kind of novel evacuated separation liquid-solid mixture device |
| CN110393074A (en) * | 2018-04-24 | 2019-11-01 | 佛山市嘉懿行农业科技有限公司 | A kind of wisdom agricultural Internet of Things liquid manure all-in-one machine |
| CN108911193A (en) * | 2018-07-06 | 2018-11-30 | 黎庆有 | A kind of moveable environment-friendly sewage processing unit |
| CN208694809U (en) * | 2018-07-30 | 2019-04-05 | 郑州智拓生物科技有限公司 | A kind of ecologic breeding forage compounding filter device |
| CN208959442U (en) * | 2018-09-25 | 2019-06-11 | 河南东贵电子科技有限公司 | A kind of trade effluent filter device |
| CN209234257U (en) * | 2018-11-03 | 2019-08-13 | 耿世涛 | A kind of rotation filter formula liquid manure all-in-one machine |
| CN209269172U (en) * | 2018-11-30 | 2019-08-20 | 安徽振伟展览展示有限公司 | A display stand for a display hall |
| CN209865850U (en) * | 2019-03-07 | 2019-12-31 | 陈小军 | Irrigation equipment that hydraulic engineering used |
| CN209872571U (en) * | 2019-04-24 | 2019-12-31 | 山东贝特尔环保科技有限公司 | Bury formula sewage treatment device |
| CN210125365U (en) * | 2019-05-29 | 2020-03-06 | 汪家新 | Mix effectual solid-liquid mixing device for chemical production |
| CN110306577A (en) * | 2019-07-03 | 2019-10-08 | 合肥天沃能源科技有限公司 | A kind of Novel underground piping lane plumbing equipment |
| CN210367283U (en) * | 2019-08-12 | 2020-04-21 | 正潮建设工程有限公司 | Town road sewage treatment plant |
| CN111328523A (en) * | 2020-04-02 | 2020-06-26 | 内蒙古龙泽节水灌溉科技有限公司 | Water-saving automatic drip irrigation system |
Also Published As
| Publication number | Publication date |
|---|---|
| CN111771499A (en) | 2020-10-16 |
Similar Documents
| Publication | Publication Date | Title |
|---|---|---|
| CN111771499B (en) | A IoT water and fertilizer integrated machine for smart agriculture | |
| CN111804724B (en) | Soil restoration ecological moisturizing method based on efficient stirring | |
| CN203381046U (en) | Bucket-wheel-type feeder | |
| CN216532612U (en) | Liquid manure integration irrigation equipment based on thing networking | |
| CN212696619U (en) | Water and fertilizer integrated irrigation equipment | |
| CN215516972U (en) | Rural sewage treatment device of intelligence integration | |
| CN214508522U (en) | Soil treatment device before organic tea planting | |
| CN114272831A (en) | Pump station for irrigating crops | |
| CN118307105B (en) | Waste water treatment device for cosmetic additive production | |
| CN208853444U (en) | A kind of grassland soil prosthetic device | |
| CN219108202U (en) | Agricultural fertilization equipment | |
| CN218281579U (en) | Water-soluble fertile apparatus for producing of organic inorganic full nutrition forest fruit | |
| CN219682368U (en) | Quick high-efficient mixing arrangement of compound fertilizer | |
| CN217068602U (en) | Intermittent type formula mine restoration is with nutrition soil mixing mechanism | |
| CN214439693U (en) | Crushed aggregates device for soil fertilizer | |
| CN216878829U (en) | Refining machine | |
| CN211909664U (en) | Be used for nursery management liquid manure integrated device | |
| CN113578164A (en) | Synthesis processing equipment and method for high-performance VOCs adsorbent all-silicon Beta molecular sieve | |
| CN210543571U (en) | Leading filter equipment of material reaction for flocculating agent production | |
| CN223247068U (en) | Mobile power-assisted water and fertilizer integrated equipment | |
| CN221335980U (en) | Crushing and stirring equipment for soil pollution treatment | |
| CN209302666U (en) | A kind of organic fertilizer layering apparatus for kneading apparatus | |
| CN221291830U (en) | A cement mortar mixing device for construction | |
| CN110395564A (en) | A kind of soil property automatic sampling machine structure | |
| CN220361015U (en) | Sodium fluoride purification device |
Legal Events
| Date | Code | Title | Description |
|---|---|---|---|
| PB01 | Publication | ||
| PB01 | Publication | ||
| SE01 | Entry into force of request for substantive examination | ||
| SE01 | Entry into force of request for substantive examination | ||
| TA01 | Transfer of patent application right |
Effective date of registration: 20211209 Address after: 257029 building 13, ecological Valley, No. 38, Huanghe Road, Dongying District, Dongying City, Shandong Province Applicant after: Zhongtian soil and water treatment technology (Shandong) Co.,Ltd. Address before: 223800 room 1212, building 1, data center, software park, Hubin New District, Suqian City, Jiangsu Province Applicant before: Hongyo Shenmei Jiangsu Information Technology Development Co.,Ltd. |
|
| TA01 | Transfer of patent application right | ||
| GR01 | Patent grant | ||
| GR01 | Patent grant | ||
| TR01 | Transfer of patent right |
Effective date of registration: 20250310 Address after: Building 3, Ping'an Hutong, Xigongjie Street, Lixia District, Jinan City, Shandong Province 250100 Patentee after: Shandong River Valley Shuntian Land Development Co.,Ltd. Country or region after: China Address before: 257029 building 13, ecological Valley, No. 38, Huanghe Road, Dongying District, Dongying City, Shandong Province Patentee before: Zhongtian soil and water treatment technology (Shandong) Co.,Ltd. Country or region before: China |
|
| TR01 | Transfer of patent right |
