CN109187562B - An electronic product LOGO detection machine - Google Patents

An electronic product LOGO detection machine Download PDF

Info

Publication number
CN109187562B
CN109187562B CN201811204968.0A CN201811204968A CN109187562B CN 109187562 B CN109187562 B CN 109187562B CN 201811204968 A CN201811204968 A CN 201811204968A CN 109187562 B CN109187562 B CN 109187562B
Authority
CN
China
Prior art keywords
positioning
gantry
plate
cylinder
detection
Prior art date
Legal status (The legal status is an assumption and is not a legal conclusion. Google has not performed a legal analysis and makes no representation as to the accuracy of the status listed.)
Active
Application number
CN201811204968.0A
Other languages
Chinese (zh)
Other versions
CN109187562A (en
Inventor
刘志军
申龙华
丁恩来
Current Assignee (The listed assignees may be inaccurate. Google has not performed a legal analysis and makes no representation or warranty as to the accuracy of the list.)
Shanghai Longbao Network Technology Co.,Ltd.
Original Assignee
Individual
Priority date (The priority date is an assumption and is not a legal conclusion. Google has not performed a legal analysis and makes no representation as to the accuracy of the date listed.)
Filing date
Publication date
Application filed by Individual filed Critical Individual
Priority to CN201811204968.0A priority Critical patent/CN109187562B/en
Publication of CN109187562A publication Critical patent/CN109187562A/en
Application granted granted Critical
Publication of CN109187562B publication Critical patent/CN109187562B/en
Active legal-status Critical Current
Anticipated expiration legal-status Critical

Links

Images

Classifications

    • GPHYSICS
    • G01MEASURING; TESTING
    • G01NINVESTIGATING OR ANALYSING MATERIALS BY DETERMINING THEIR CHEMICAL OR PHYSICAL PROPERTIES
    • G01N21/00Investigating or analysing materials by the use of optical means, i.e. using sub-millimetre waves, infrared, visible or ultraviolet light
    • G01N21/84Systems specially adapted for particular applications
    • G01N21/88Investigating the presence of flaws or contamination
    • G01N21/8806Specially adapted optical and illumination features
    • GPHYSICS
    • G01MEASURING; TESTING
    • G01NINVESTIGATING OR ANALYSING MATERIALS BY DETERMINING THEIR CHEMICAL OR PHYSICAL PROPERTIES
    • G01N21/00Investigating or analysing materials by the use of optical means, i.e. using sub-millimetre waves, infrared, visible or ultraviolet light
    • G01N21/84Systems specially adapted for particular applications
    • G01N21/88Investigating the presence of flaws or contamination
    • G01N21/8851Scan or image signal processing specially adapted therefor, e.g. for scan signal adjustment, for detecting different kinds of defects, for compensating for structures, markings, edges
    • GPHYSICS
    • G01MEASURING; TESTING
    • G01NINVESTIGATING OR ANALYSING MATERIALS BY DETERMINING THEIR CHEMICAL OR PHYSICAL PROPERTIES
    • G01N21/00Investigating or analysing materials by the use of optical means, i.e. using sub-millimetre waves, infrared, visible or ultraviolet light
    • G01N21/84Systems specially adapted for particular applications
    • G01N21/88Investigating the presence of flaws or contamination
    • G01N21/8806Specially adapted optical and illumination features
    • G01N2021/8841Illumination and detection on two sides of object
    • GPHYSICS
    • G01MEASURING; TESTING
    • G01NINVESTIGATING OR ANALYSING MATERIALS BY DETERMINING THEIR CHEMICAL OR PHYSICAL PROPERTIES
    • G01N2201/00Features of devices classified in G01N21/00
    • G01N2201/06Illumination; Optics
    • G01N2201/061Sources

Landscapes

  • Chemical & Material Sciences (AREA)
  • General Physics & Mathematics (AREA)
  • Pathology (AREA)
  • Physics & Mathematics (AREA)
  • Health & Medical Sciences (AREA)
  • Life Sciences & Earth Sciences (AREA)
  • Immunology (AREA)
  • Biochemistry (AREA)
  • Analytical Chemistry (AREA)
  • General Health & Medical Sciences (AREA)
  • Engineering & Computer Science (AREA)
  • Computer Vision & Pattern Recognition (AREA)
  • Signal Processing (AREA)
  • Sheets, Magazines, And Separation Thereof (AREA)
  • Specific Conveyance Elements (AREA)

Abstract

本发明涉及一种电子产品LOGO检测机,包括机架、底板、龙门机构、送料机构、定位机构、检测机构,机架内部设置有配电控制箱、上端固定安装有底板,底板上端固定安装有送料机构,送料机构侧边设置有龙门机构,龙门机构远离送料机构一侧设置有定位机构,定位机构上方对应设置有固定在底板上的检测机构,龙门机构上设置有翻转装置;本发明的目的是提供一种电子产品LOGO检测机,通过在龙门机构上加装翻转装置,实现对LOGO的吸取与翻转,配合定位机构和检测机构进一步实现对LOGO另一面的视觉检测,解决了传统机台难以双面检测,通用性低的问题。

Figure 201811204968

The invention relates to a LOGO detection machine for electronic products, comprising a frame, a base plate, a gantry mechanism, a feeding mechanism, a positioning mechanism and a detection mechanism. A power distribution control box is arranged inside the frame, a base plate is fixedly installed at the upper end, and a Feeding mechanism, a gantry mechanism is arranged on the side of the feeding mechanism, a positioning mechanism is arranged on the side of the gantry mechanism away from the feeding mechanism, a detection mechanism fixed on the bottom plate is correspondingly arranged above the positioning mechanism, and a turning device is arranged on the gantry mechanism; the purpose of the present invention It is to provide a LOGO detection machine for electronic products. By adding a turning device on the gantry mechanism, the suction and turning of the LOGO are realized, and the positioning mechanism and the detection mechanism are used to further realize the visual detection of the other side of the LOGO, which solves the difficulty of traditional machines. Double-sided detection, the problem of low versatility.

Figure 201811204968

Description

Electronic product LOGO detects machine
Technical Field
The invention relates to the field of mechanical equipment, in particular to a LOGO detection machine for an electronic product.
Background
LOGO or trademark english expression is used for identifying identity and is often made into a small visual design, and the LOGO or trademark English expression is applied to electronic products such as mobile phones, tablets, computers and the like, so that consumers can remember company subjects and brand culture through the vivid LOGO. LOGO is detected before leaving the factory, so that the phenomenon that defective products flow into the market and damage company and brand images is avoided.
The existing detection mode mostly adopts manual detection, wastes time and energy, is low in efficiency, although some automatic detection equipment also appears in the market, most equipment can only detect one surface of the LOGO, is difficult to realize double-sided detection or troublesome operation, and is low in universality, so that a LOGO detection machine which can realize double-sided detection and can be universal is necessary to be designed.
Disclosure of Invention
The invention aims to provide an electronic product LOGO detection machine to solve the problems in the prior art.
In order to achieve the above purpose, the invention adopts the technical scheme that: the utility model provides an electronic product LOGO detects machine, it includes the frame and sets up the distribution control box in the frame, frame upper end fixed mounting have the bottom plate, bottom plate upper end fixed mounting have feeding mechanism, the feeding mechanism side be provided with portal mechanism, portal mechanism keep away from feeding mechanism one side and be provided with positioning mechanism, positioning mechanism top correspond and be provided with the detection mechanism who fixes on the bottom plate, portal mechanism on be provided with turning device, turning device including fixing the upset cylinder about the portal frame side, upset cylinder front end connection revolving cylinder about, revolving cylinder one side connect the upset frame plate, the upset pen-shaped cylinder of frame plate lower extreme fixed mounting have an upset pen-shaped cylinder, upset pen-shaped cylinder connect the adsorption cylinder mounting panel through the push rod, adsorption cylinder mounting panel lower extreme swing joint fix the linear rail sliding block subassembly on the upset frame plate, One side is fixedly provided with an adsorption cylinder, the other side is movably connected with a telescopic fence through a pin rotating shaft, and the portal mechanism, the feeding mechanism, the positioning mechanism, the detection mechanism, the overturning upper cylinder, the overturning lower cylinder, the rotary cylinder, the overturning pen-shaped cylinder and the adsorption cylinder are connected to a power distribution control box.
Furthermore, the gantry mechanism comprises a gantry Y shaft and a gantry linear rail which are arranged in parallel, the upper ends of the gantry Y shaft and the gantry linear rail are movably connected with a gantry X shaft through a sliding table, the upper end of the gantry X shaft is connected with a gantry support through the sliding table, one side of the gantry support is connected with a turnover device, sensors are fixedly arranged at two ends of the gantry linear rail, and the gantry Y shaft and the gantry X shaft are connected to a power distribution control box.
Furthermore, every group absorption cylinder one end pass through the suction nozzle and adsorb LOGO, the suction nozzle be connected to the distribution control box.
Further, feeding mechanism including fixing the feeding cylinder in the bottom plate upper end, feeding cylinder pass through slider connection tray frame plate, tray frame plate upper end seted up and kept away the dead slot, keep away the dead slot in place a plurality of material trays that pile up, the material tray in arrange and place the LOGO, feeding cylinder be connected to the distribution control box.
Further, positioning mechanism including fixing the positioning bottom plate in the bottom plate upper end, positioning bottom plate upper end fixed mounting have location cylinder about, location cylinder upper end connect the location frame board through L piece about, location frame board both ends symmetry be provided with from top to bottom and lead just device, middle part fixed mounting have slim parallel hand, slim parallel hand connect claw splint one and claw splint two respectively through the claw clamp at both ends, claw splint one link firmly the location connecting plate three, claw splint two link firmly the location connecting plate two, location cylinder and slim parallel hand be connected to the distribution control box about.
Furthermore, the side of the positioning frame plate is fixedly provided with a positioning front cylinder and a positioning rear cylinder, the front ends of the positioning front cylinder and the positioning rear cylinder are connected with a first positioning connecting plate through a pushing block, two ends of the first positioning connecting plate are connected to a positioning device through a linear rail sliding block assembly, and the positioning front cylinder and the positioning rear cylinder are connected to a power distribution control box.
Furthermore, positioner including fixing the location mainboard in the frame plate upper end of location, the location mainboard on set up and be no less than three groups of constant head tanks, every group the constant head tank in from a left side to the right side set gradually locating plate three, locating plate two and locating plate one, locating plate three, locating plate two and locating plate one front end connect left locating piece, preceding locating piece and right locating piece adjustably respectively.
Furthermore, the front ends of the left positioning block, the front positioning block and the right positioning block are all set to be inclined planes, and the inclined planes are respectively contacted with the outer edge of the LOGO.
Further, detection mechanism including fixing the detection support on the bottom plate, detection support upper end install side by side and detect Z axle and hand module, detection Z axle install through slip table and machined part and be no less than the fine setting rotary platform of three groups, every group fine setting rotary platform on install the camera subassembly, hand module pass through the slip table and connect the light source fixed plate, the light source fixed plate on from the top in proper order fixed mounting have coaxial light source and annular light source, detection Z axle, camera subassembly, coaxial light source and annular light source be connected to the distribution control box.
Furthermore, the two groups of feeding mechanisms are symmetrically arranged along the center line of the bottom plate.
The invention has the beneficial effects that:
1. through install turning device additional on portal mechanism, realize absorption and the upset to the LOGO, cooperation positioning mechanism and detection mechanism further realize the visual detection to the LOGO another side, have solved the problem that traditional board is difficult to two-sided detection.
2. The design of portal mechanism adopts lead screw and linear rail sliding block set spare's parallel arrangement, has guaranteed turning device and has got the precision and the stationarity of blowing and handling process, at gantry linear rail both ends fixed mounting sensor, the turning device's of being convenient for position communication.
3. The design of turning device, through the shrink and the expansion of upset pen-shaped cylinder cooperation telescopic fence realization absorption cylinder, the suction nozzle contracts when inhaling the material on the material tray, expands when placing positioning mechanism, easily realizes the conversion.
4. The design of feeding mechanism adopts two sets of symmetries to set up, and the operation of duplex position realizes that material loading and unloading go on in step, only needs to fold material tray material loading and unloading, and one person can operate many equipment, greatly reduced the human cost.
5. Positioning mechanism's design adopts slim parallel hand cooperation location connecting plate two and location connecting plate three to realize that left locating piece and right locating piece carry out the location of left and right direction to LOGO, and the location of front and back direction is carried out to LOGO to the locating piece before cylinder cooperation location connecting plate one realizes through the location, compact structure, and the location is accurate.
6. The upper and lower locating cylinders are symmetrically provided with the upper and lower guide devices at two sides, so that the straightness of the LOGO during up-and-down movement is improved, the inclination is effectively prevented, and the detection precision is improved.
7. The front end of left side locating piece, preceding locating piece and right locating piece is the inclined plane design to through inclined plane and LOGO contact, realize chucking and push down, effectively prevent rocking of LOGO in testing process.
8. The design of the detection mechanism and the fine adjustment rotary platform can realize the fine adjustment of the angle of the camera component so as to achieve the best image capturing effect and improve the detection precision.
9. The camera component and the light source are designed to operate independently, the Z-axis control camera component is detected to lift, the hand-cranking module controls the annular light source and the coaxial light source to lift, the best polishing and shooting effects are convenient to adjust, and the operation is simple and convenient.
10. The left positioning block, the front positioning block and the right positioning block are respectively adjustable with the fixed positions of the third positioning plate, the second positioning plate and the first positioning plate, so that LOGO with different sizes can be conveniently positioned, and the universality of equipment is realized.
Drawings
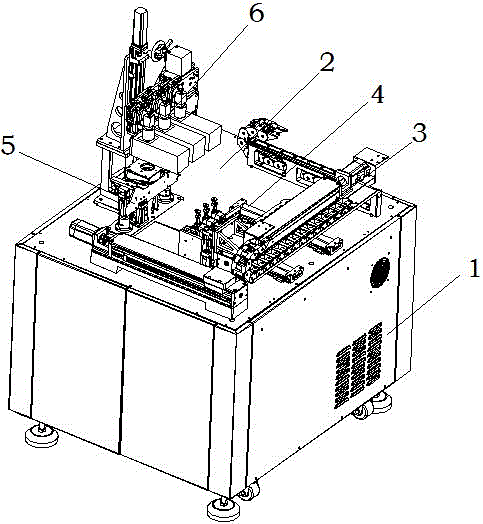
Fig. 1 is a schematic structural diagram of an electronic product LOGO detection machine.
Fig. 2 is a schematic structural diagram of a gantry mechanism.
Fig. 3 is a schematic structural view of the turning device.
Fig. 4 is a schematic structural view of the feeding mechanism.
Fig. 5 is a schematic structural diagram of the positioning mechanism.
Fig. 6 is a schematic structural diagram of the positioning device.
Fig. 7 is a schematic structural view of the detection mechanism.
The text labels shown in the figures are represented as: 1. a frame; 2. a base plate; 3. a gantry mechanism; 4. a feeding mechanism; 5. a positioning mechanism; 6. a detection mechanism; 7. LOGO; 31. gantry Y axis; 32. gantry X axis; 33. gantry linear rails; 34. a sensor; 35. a turning device; 36. a gantry support; 351. turning over the upper and lower cylinders; 352. a rotating cylinder; 353. turning over the frame plate; 354. turning over the pen-shaped air cylinder; 355. an adsorption cylinder mounting plate; 356. a telescopic fence; 357. an adsorption cylinder; 41. a feeding cylinder; 42. a tray deck; 43. a material tray; 50. a positioning device; 51. positioning the bottom plate; 52. an upper and lower guiding device; 53. positioning the frame plate; 54. positioning an upper cylinder and a lower cylinder; 55. a thin parallel hand; 56. a claw clamping plate I; 57. positioning the first connecting plate; 58. positioning a front cylinder and a rear cylinder; 59. positioning a second connecting plate; 510. a claw clamping plate II; 511. positioning a connecting plate III; 501. positioning the main board; 502. a first positioning plate; 503. a right positioning block; 504. a second positioning plate; 505. a front positioning block; 506. a left locating block; 507. a third positioning plate; 61. detecting the bracket; 62. detecting a Z axis; 63. a hand-cranking module; 64. finely adjusting the rotating platform; 65. a camera assembly; 66. a coaxial light source; 67. a light source fixing plate; 68. an annular light source.
Detailed Description
The following detailed description of the present invention is given for the purpose of better understanding technical solutions of the present invention by those skilled in the art, and the present description is only exemplary and explanatory and should not be construed as limiting the scope of the present invention in any way.
As shown in fig. 1 to 7, the structure of the present invention is: the utility model provides an electronic product LOGO detects machine, it includes the frame and sets up the distribution control box in the frame, frame upper end fixed mounting have the bottom plate, bottom plate upper end fixed mounting have feeding mechanism, the feeding mechanism side be provided with portal mechanism, portal mechanism keep away from feeding mechanism one side and be provided with positioning mechanism, positioning mechanism top correspond and be provided with the detection mechanism who fixes on the bottom plate, portal mechanism on be provided with turning device, turning device including fixing the upset cylinder about the portal frame side, upset cylinder front end connection revolving cylinder about, revolving cylinder one side connect the upset frame plate, the upset pen-shaped cylinder of frame plate lower extreme fixed mounting have an upset pen-shaped cylinder, upset pen-shaped cylinder connect the adsorption cylinder mounting panel through the push rod, adsorption cylinder mounting panel lower extreme swing joint fix the linear rail sliding block subassembly on the upset frame plate, One side is fixedly provided with an adsorption cylinder, the other side is movably connected with a telescopic fence through a pin rotating shaft, and the portal mechanism, the feeding mechanism, the positioning mechanism, the detection mechanism, the overturning upper cylinder, the overturning lower cylinder, the rotary cylinder, the overturning pen-shaped cylinder and the adsorption cylinder are connected to a power distribution control box.
As an optimal technical scheme of the design, the gantry mechanism comprises a gantry Y shaft and a gantry linear rail which are arranged in parallel, the upper ends of the gantry Y shaft and the gantry linear rail are movably connected with a gantry X shaft through a sliding table, the upper end of the gantry X shaft is connected with a gantry support through the sliding table, one side of the gantry support is connected with a turnover device, sensors are fixedly mounted at two ends of the gantry linear rail, and the gantry Y shaft and the gantry X shaft are connected to a power distribution control box.
As a preferred technical scheme of this design, every group adsorb cylinder one end pass through the suction nozzle and adsorb LOGO, the suction nozzle be connected to the distribution control box.
As an optimal technical scheme of this design, feeding mechanism including fixing the feeding cylinder in the bottom plate upper end, feeding cylinder pass through slider connection tray frame plate, tray frame plate upper end seted up and kept away the dead slot, keep away and to have placed a plurality of material trays that pile up in the dead slot, material tray in arrange and place the LOGO, feeding cylinder be connected to the distribution control box.
As an optimal technical scheme of this design, positioning mechanism including fixing the positioning bottom plate in the bottom plate upper end, positioning bottom plate upper end fixed mounting have the location cylinder from top to bottom, the location cylinder upper end connect the location frame plate through L piece from top to bottom, location frame plate both ends symmetry be provided with from top to bottom and lead positive device, middle part fixed mounting have slim parallel hand, slim parallel hand connect claw splint one and claw splint two respectively through the claw clamp at both ends, claw splint one link firmly the location connecting plate three, claw splint two link firmly the location connecting plate two, the location cylinder and slim parallel hand be connected to the distribution control box from top to bottom.
As an optimal technical scheme of the design, the side edge of the positioning frame plate is also fixedly provided with a positioning front cylinder and a positioning rear cylinder, the front ends of the positioning front cylinder and the positioning rear cylinder are connected with a first positioning connecting plate through a push block, two ends of the first positioning connecting plate are connected to a positioning device through a linear rail sliding block assembly, and the positioning front cylinder and the positioning rear cylinder are connected to a power distribution control box.
As a preferred technical scheme of this design, positioner including fixing the location mainboard in the frame plate upper end, the location mainboard on set up and be no less than three groups of constant head tanks, every group the constant head tank in from a left side to the right side set gradually locating plate three, locating plate two and locating plate one, locating plate three, locating plate two and locating plate one front end connect left locating piece, preceding locating piece and right locating piece adjustably respectively.
As an optimal technical scheme of this design, the front end of left locating piece, preceding locating piece and right locating piece all set up to the inclined plane, the inclined plane contact the outer edge of LOGO respectively.
As an optimal technical scheme of this design, detection mechanism including fixing the detection support on the bottom plate, detection support upper end install side by side and detect Z axle and hand module, the detection Z axle install through slip table and machined part and be no less than three fine setting rotary platform of group, every group fine setting rotary platform on install the camera subassembly, hand module pass through the slip table and connect the light source fixed plate, the light source fixed plate on from the top in proper order fixed mounting have coaxial light source and annular light source, detection Z axle, camera subassembly, coaxial light source and annular light source be connected to the distribution control box.
As a preferred technical scheme of the design, the two groups of feeding mechanisms are symmetrically arranged along the center line of the bottom plate.
When the device is used, a stack of material trays 43 full of LOGO 7 to be detected is placed on the tray frame plate 42 on the left side, a power supply is started, the left feeding air cylinder 41 extends out, the material trays 43 are conveyed to the lower part of the turnover device 35, the turnover upper and lower air cylinders 351 extend out, the adsorption air cylinder 357 extends out, a suction nozzle adsorbs the LOGO 7 corresponding to the lower part, the adsorption air cylinder 357 returns, the turnover upper and lower air cylinders 351 returns, the rotary air cylinder 352 rotates 180 degrees, the turnover pen-shaped air cylinder 354 extends out to drive the telescopic fence 356 to expand, the gantry Y shaft 31 and the gantry X shaft 32 are matched with the gantry line rail 33 to drive the turnover device 35 to move in a staggered manner, the sensor 34 monitors position information until the LOGO 7 is conveyed to the positioning main plate 501 of the positioning device 50, the thin parallel hand 55 and the positioning front and rear air cylinders 58 are retracted simultaneously, the positioning connecting plates three 511 and the positioning connecting plates 59 move in, meanwhile, the front and rear positioning cylinders 58 drive the first positioning connecting plate 57 and the second positioning plate 504 to move towards the direction of the LOGO 7, the third positioning connecting plate 511 and the second positioning connecting plate 59 respectively drive the third positioning plate 507 and the first positioning plate 502 of each group to move towards the direction of the LOGO 7, and the third positioning plate 507, the first positioning plate 502 and the second positioning plate 504 respectively limit and compress the LOGO 7 through the left positioning block 506, the front positioning block 505 and the right positioning block 503 at the front ends.
Positioner 50 accomplishes the back to the LOGO 7 location, cylinder 54 stretches out about the location on the positioning bottom plate 51, with the suitable position of LOGO 7 jacking to detection mechanism 6 below, the upper and lower position of annular light source 68 and coaxial light source 66 is adjusted to the hand module 63 cooperation light source fixed plate 67 of accessible, in order to realize the best effect of polishing, the angle modulation of camera subassembly 65 is realized to accessible fine setting rotary platform 64, in order to realize the best effect of making a video recording, it takes a picture to detect Z axle 62 and run the position to the completion of making a video recording.
After the detection mechanism 6 detects the completion to LOGO 7, cylinder 54 returns about the location, and the suction nozzle absorbs LOGO 7, adsorbs cylinder 357 and stretches out, moves to right side material tray 43 top and transfers under the transport of portal mechanism 3, and when a material tray 43 was filled up, left side material tray 43 was vacant promptly, and the suction nozzle is likewise under the transport of portal mechanism 3, carries left vacant dish to the right side tray on to this circulation, and it finishes to all detections of a pile.
It should be noted that, in this document, the terms "comprises," "comprising," or any other variation thereof, are intended to cover a non-exclusive inclusion, such that a process, method, article, or apparatus that comprises a list of elements does not include only those elements but may include other elements not expressly listed or inherent to such process, method, article, or apparatus.
The principles and embodiments of the present invention are explained herein using specific examples, which are presented only to assist in understanding the method and its core concepts of the present invention. The foregoing is only a preferred embodiment of the present invention, and it should be noted that there are objectively infinite specific structures due to the limited character expressions, and it will be apparent to those skilled in the art that a plurality of modifications, decorations or changes may be made without departing from the principle of the present invention, and the technical features described above may be combined in a suitable manner; such modifications, variations, combinations, or adaptations of the invention using its spirit and scope, as well as its use in other instances without modification, are intended to be within the scope of the present invention.

Claims (9)

1.一种电子产品LOGO检测机,它包括机架(1)和设置在机架(1)内的配电控制箱,其特征在于,所述的机架(1)上端固定安装有底板(2),所述的底板(2)上端固定安装有送料机构(4),所述的送料机构(4)侧边设置有龙门机构(3),所述的龙门机构(3)远离送料机构(4)一侧设置有定位机构(5),所述的定位机构(5)上方对应设置有固定在底板(2)上的检测机构(6),所述的龙门机构(3)上设置有翻转装置(35),所述的翻转装置(35)包括固定在龙门支架(36)侧边的翻转上下气缸(351),所述的翻转上下气缸(351)前端连接旋转气缸(352),所述的旋转气缸(352)一侧连接翻转架板(353),所述的翻转架板(353)下端固定安装有翻转笔形气缸(354),所述的翻转笔形气缸(354)通过推杆连接吸附气缸安装板(355),所述的吸附气缸安装板(355)下端活动连接固定在翻转架板(353)上的线轨滑块组件、一侧固定安装有吸附气缸(357)、另一侧通过销钉转轴活动连接伸缩栅栏(356),所述的龙门机构(3)、送料机构(4)、定位机构(5)、检测机构(6)、翻转上下气缸(351)、旋转气缸(352)、翻转笔形气缸(354)和吸附气缸(357)连接到配电控制箱;所述的定位机构(5)包括固定在底板(2)上端的定位底板(51),所述的定位底板(51)上端固定安装有定位上下气缸(54),所述的定位上下气缸(54)上端通过L块连接定位架板(53),所述的定位架板(53)两端对称设置有上下导正装置(52)、中部固定安装有薄型平行手(55),所述的薄型平行手(55)通过两端的爪夹分别连接爪夹板一(56)和爪夹板二(510),所述的爪夹板一(56)固连定位连接板三(511),所述的爪夹板二(510)固连定位连接板二(59),所述的定位上下气缸(54)和薄型平行手(55)连接到配电控制箱。1. An electronic product LOGO detection machine, comprising a rack (1) and a power distribution control box arranged in the rack (1), characterized in that the upper end of the rack (1) is fixedly installed with a bottom plate ( 2), a feeding mechanism (4) is fixedly installed on the upper end of the bottom plate (2), a gantry mechanism (3) is arranged on the side of the feeding mechanism (4), and the gantry mechanism (3) is far away from the feeding mechanism ( 4) A positioning mechanism (5) is provided on one side, a detection mechanism (6) fixed on the bottom plate (2) is correspondingly arranged above the positioning mechanism (5), and a flipping mechanism (3) is provided on the gantry mechanism (3). A device (35), the turning device (35) comprises a turning up and down cylinder (351) fixed on the side of the gantry bracket (36), the front end of the turning up and down cylinder (351) is connected to a rotating cylinder (352), the One side of the rotating cylinder (352) is connected to a turning frame plate (353), the lower end of the turning frame plate (353) is fixedly installed with a turning pen-shaped cylinder (354), and the turning pen-shaped cylinder (354) is connected by a push rod to absorb The cylinder mounting plate (355), the lower end of the adsorption cylinder mounting plate (355) is movably connected to the linear rail slider assembly fixed on the overturning frame plate (353), one side is fixedly installed with the adsorption cylinder (357), the other side The telescopic fence (356) is movably connected through the pin rotating shaft, the gantry mechanism (3), the feeding mechanism (4), the positioning mechanism (5), the detection mechanism (6), the up and down cylinder (351), the rotating cylinder (352) , the pen-shaped cylinder (354) and the adsorption cylinder (357) are connected to the power distribution control box; the positioning mechanism (5) includes a positioning base plate (51) fixed on the upper end of the base plate (2), and the positioning base plate (51) ) upper end is fixedly installed with a positioning upper and lower cylinder (54), the upper end of the positioning upper and lower cylinder (54) is connected to a positioning frame plate (53) through an L block, and the positioning frame plate (53) is symmetrically provided with upper and lower guides at both ends. The device (52) is fixedly installed with a thin parallel hand (55) in the middle. The first splint (56) is fixed to the positioning connecting plate three (511), the claw splint two (510) is fixed to the positioning connecting plate two (59), the positioning upper and lower cylinders (54) and the thin parallel hand (55) Connect to the distribution control box. 2.根据权利要求1所述的一种电子产品LOGO检测机,其特征在于,所述的龙门机构(3)包括相互平行设置的龙门Y轴(31)和龙门线轨(33),所述的龙门Y轴(31)和龙门线轨(33)上端通过滑台活动连接龙门X轴(32),所述的龙门X轴(32)上端通过滑台连接龙门支架(36),所述的龙门支架(36)一侧连接翻转装置(35),所述的龙门线轨(33)两端固定安装有传感器(34),所述的龙门Y轴(31)和龙门X轴(32)连接到配电控制箱。2. The electronic product LOGO detection machine according to claim 1, characterized in that the gantry mechanism (3) comprises a gantry Y-axis (31) and a gantry line rail (33) that are arranged in parallel to each other, and the The upper end of the gantry Y-axis (31) and the gantry rail (33) are movably connected to the gantry X-axis (32) through the sliding table, and the upper end of the gantry X-axis (32) is connected to the gantry bracket (36) through the sliding table. One side of the gantry bracket (36) is connected to the turning device (35), the two ends of the gantry rail (33) are fixedly installed with sensors (34), and the gantry Y axis (31) and the gantry X axis (32) are connected to the distribution control box. 3.根据权利要求1所述的一种电子产品LOGO检测机,其特征在于,每组所述的吸附气缸(357)一端通过吸嘴吸附LOGO(7),所述的吸嘴连接到配电控制箱。3. An electronic product LOGO detection machine according to claim 1, characterized in that, one end of each group of the adsorption cylinders (357) adsorbs the LOGO (7) through a suction nozzle, and the suction nozzle is connected to the power distribution control box. 4.根据权利要求1所述的一种电子产品LOGO检测机,其特征在于,所述的送料机构(4)包括固定在底板(2)上端的送料气缸(41),所述的送料气缸(41)通过滑块连接托盘架板(42),所述的托盘架板(42)上端开设有避空槽,所述的避空槽内放置有若干堆叠的物料托盘(43),所述的物料托盘(43)内排列放置LOGO(7),所述的送料气缸(41)连接到配电控制箱。4. An electronic product LOGO detection machine according to claim 1, characterized in that the feeding mechanism (4) comprises a feeding cylinder (41) fixed on the upper end of the bottom plate (2), and the feeding cylinder ( 41) The pallet rack plate (42) is connected through the slider, the upper end of the pallet rack plate (42) is provided with an escape groove, and a number of stacked material trays (43) are placed in the space avoidance groove. LOGOs (7) are arranged in the material tray (43), and the feeding cylinder (41) is connected to the power distribution control box. 5.根据权利要求1所述的一种电子产品LOGO检测机,其特征在于,所述的定位架板(53)侧边还固定安装有定位前后气缸(58),所述的定位前后气缸(58)前端通过推块连接定位连接板一(57),所述的定位连接板一(57)两端通过线轨滑块组件连接到定位装置(50),所述的定位前后气缸(58)连接到配电控制箱。5. An electronic product LOGO detection machine according to claim 1, characterized in that, the side of the positioning frame plate (53) is also fixedly installed with positioning front and rear cylinders (58), and the positioning front and rear cylinders (58). 58) The front end is connected to the positioning connecting plate 1 (57) through a push block, the two ends of the positioning connecting plate 1 (57) are connected to the positioning device (50) through the line rail slider assembly, and the positioning front and rear cylinders (58) Connect to the distribution control box. 6.根据权利要求5所述的一种电子产品LOGO检测机,其特征在于,所述的定位装置(50)包括固定在定位架板(53)上端的定位主板(501),所述的定位主板(501)上开设有不少于三组的定位槽,每组所述的定位槽内从左至右依次设置有定位板三(507)、定位板二(504)和定位板一(502),所述的定位板三(507)、定位板二(504)和定位板一(502)前端分别可调节地连接左定位块(506)、前定位块(505)和右定位块(503)。6 . The electronic product LOGO detection machine according to claim 5 , wherein the positioning device ( 50 ) comprises a positioning main board ( 501 ) fixed on the upper end of the positioning frame plate ( 53 ), and the positioning There are no less than three sets of positioning grooves on the main board (501), and positioning plates three (507), two positioning plates (504) and one positioning plate (502) are sequentially arranged in the positioning grooves of each group from left to right. ), the front ends of the positioning plate three (507), positioning plate two (504) and positioning plate one (502) are respectively adjustable to connect the left positioning block (506), the front positioning block (505) and the right positioning block (503). ). 7.根据权利要求6所述的一种电子产品LOGO检测机,其特征在于,所述的左定位块(506)、前定位块(505)和右定位块(503)的前端均设置为斜面,所述的斜面分别接触LOGO(7)的外沿。7 . The electronic product LOGO detection machine according to claim 6 , wherein the front ends of the left positioning block ( 506 ), the front positioning block ( 505 ) and the right positioning block ( 503 ) are all set as inclined planes. 8 . , the slopes respectively contact the outer edge of the LOGO (7). 8.根据权利要求1所述的一种电子产品LOGO检测机,其特征在于,所述的检测机构(6)包括固定在底板(2)上的检测支架(61),所述的检测支架(61)上端并排安装有检测Z轴(62)和手摇模组(63),所述的检测Z轴(62)通过滑台和加工件安装有不少于三组的微调旋转平台(64),每组所述的微调旋转平台(64)上安装有相机组件(65),所述的手摇模组(63)通过滑台连接光源固定板(67),所述的光源固定板(67)上从上而下依次固定安装有同轴光源(66)和环形光源(68),所述的检测Z轴(62)、相机组件(65)、同轴光源(66)和环形光源(68)连接到配电控制箱。8 . The electronic product LOGO detection machine according to claim 1 , wherein the detection mechanism ( 6 ) comprises a detection bracket ( 61 ) fixed on the base plate ( 2 ), and the detection bracket ( 61) A detection Z-axis (62) and a hand crank module (63) are installed side by side at the upper end, and the detection Z-axis (62) is provided with no less than three sets of fine-tuning rotating platforms (64) through the sliding table and the workpiece. , a camera assembly (65) is installed on each set of the fine-tuning rotating platform (64), the hand crank module (63) is connected to a light source fixing plate (67) through a sliding table, and the light source fixing plate (67) ) from top to bottom are fixedly installed with a coaxial light source (66) and a ring light source (68). ) to the power distribution control box. 9.根据权利要求1所述的一种电子产品LOGO检测机,其特征在于,所述的送料机构(4)为两组,沿底板(2)中线对称设置。9 . The electronic product LOGO detection machine according to claim 1 , wherein the feeding mechanism ( 4 ) consists of two groups, which are symmetrically arranged along the center line of the bottom plate ( 2 ). 10 .
CN201811204968.0A 2018-10-16 2018-10-16 An electronic product LOGO detection machine Active CN109187562B (en)

Priority Applications (1)

Application Number Priority Date Filing Date Title
CN201811204968.0A CN109187562B (en) 2018-10-16 2018-10-16 An electronic product LOGO detection machine

Applications Claiming Priority (1)

Application Number Priority Date Filing Date Title
CN201811204968.0A CN109187562B (en) 2018-10-16 2018-10-16 An electronic product LOGO detection machine

Publications (2)

Publication Number Publication Date
CN109187562A CN109187562A (en) 2019-01-11
CN109187562B true CN109187562B (en) 2021-07-02

Family

ID=64945001

Family Applications (1)

Application Number Title Priority Date Filing Date
CN201811204968.0A Active CN109187562B (en) 2018-10-16 2018-10-16 An electronic product LOGO detection machine

Country Status (1)

Country Link
CN (1) CN109187562B (en)

Families Citing this family (3)

* Cited by examiner, † Cited by third party
Publication number Priority date Publication date Assignee Title
CN110006910A (en) * 2019-04-23 2019-07-12 上海爱且普自动化设备有限公司 A kind of full-automatic milling cutter detection device
CN110052798B (en) * 2019-04-25 2020-01-14 深圳连硕自动化科技有限公司 Automobile electronic hand brake assembling and welding device
CN111337511B (en) * 2020-04-21 2020-10-27 渭南高新区木王科技有限公司 Automatic detection line of integrated circuit board

Family Cites Families (5)

* Cited by examiner, † Cited by third party
Publication number Priority date Publication date Assignee Title
CN204165907U (en) * 2014-10-18 2015-02-18 李冬雅 A LOGO detector for electronic products
CN205844206U (en) * 2016-03-31 2016-12-28 浙江工业大学 A kind of device the most qualified by fish-eye lens group detection guard frame rail
CN206740667U (en) * 2017-03-18 2017-12-12 珠海市科迪电子科技有限公司 A kind of LOGO automatic detections cognitron
CN107791021A (en) * 2017-11-20 2018-03-13 东莞理工学院 A precision watch fork piece fork needle assembly machine
CN207723855U (en) * 2017-11-20 2018-08-14 东莞理工学院 An inductor assembly welding and dispensing machine

Also Published As

Publication number Publication date
CN109187562A (en) 2019-01-11

Similar Documents

Publication Publication Date Title
CN109748104B (en) Double-station polymer lithium battery feeding method
CN109795887B (en) Double-station battery feeding equipment
CN204472047U (en) Full-automatic positive and negative laminating machine
CN109187562B (en) An electronic product LOGO detection machine
CN108662975B (en) Product detection device and product detection system
CN210876083U (en) Lens application equipment
JP2006058411A (en) Method and apparatus for bonding polarizing plate to liquid crystal panel
CN206264563U (en) Fully automatic screen printing assembly line
CN116413935A (en) Display screen processing production line
CN101472459A (en) Transfer device capable of accurately aligning electronic elements
CN106276232A (en) The upper and lower plates system of printed substrate fully-automated synthesis
CN110610888B (en) Automatic laminating fixing device of wafer
CN117979677A (en) FPC auxiliary material attaching machine
CN103358658B (en) Point glue laminating system
CN111137640A (en) A screen color checking machine
CN111098605A (en) A kind of laser transfer machine and transfer method
CN209775819U (en) Television frame transfer printing equipment
CN109229551A (en) Full-automatic sticking film for mobile phone method
CN210590928U (en) Optical cement feeding structure
CN220720561U (en) Touch panel laminating equipment
CN202573244U (en) Novel vision alignment system
CN118425044A (en) Turning device and multi-station visual detection equipment
WO2020191959A1 (en) Electroplate storage apparatus
CN117400621A (en) Battery piece printing equipment
CN115990579A (en) Automatic identification and detection feeding and discharging equipment for strip prism

Legal Events

Date Code Title Description
PB01 Publication
PB01 Publication
SE01 Entry into force of request for substantive examination
SE01 Entry into force of request for substantive examination
TA01 Transfer of patent application right
TA01 Transfer of patent application right

Effective date of registration: 20210521

Address after: No. 070, team 2, xisitou village, Danzhu Town, Changzi County, Changzhi City, Shanxi Province 046600

Applicant after: Wang Aiping

Address before: 523000 room 2403, building 6, Wanke Songhu Chuanqi, Liaobu, Dongguan City, Guangdong Province

Applicant before: Liu Zhijun

GR01 Patent grant
GR01 Patent grant
CP02 Change in the address of a patent holder
CP02 Change in the address of a patent holder

Address after: 116432 Da Fang Shen Tun, Guangming Village, Shicheng Township, Zhuanghe City, Dalian City, Liaoning Province

Patentee after: Wang Aiping

Address before: No. 070, team 2, xisitou village, Danzhu Town, Changzi County, Changzhi City, Shanxi Province 046600

Patentee before: Wang Aiping

TR01 Transfer of patent right
TR01 Transfer of patent right

Effective date of registration: 20241227

Address after: Room 63664, Building 3, No. 1800 Panyuan Road, Changxing Town, Chongming District, Shanghai, 202150

Patentee after: Shanghai Longbao Network Technology Co.,Ltd.

Country or region after: China

Address before: 116432 Da Fang Shen Tun, Guangming Village, Shicheng Township, Zhuanghe City, Dalian City, Liaoning Province

Patentee before: Wang Aiping

Country or region before: China