CN102864795A - Light steel factory post foundation suitable for sedimentation of filled-in ground and construction method - Google Patents

Light steel factory post foundation suitable for sedimentation of filled-in ground and construction method Download PDF

Info

Publication number
CN102864795A
CN102864795A CN2012103998237A CN201210399823A CN102864795A CN 102864795 A CN102864795 A CN 102864795A CN 2012103998237 A CN2012103998237 A CN 2012103998237A CN 201210399823 A CN201210399823 A CN 201210399823A CN 102864795 A CN102864795 A CN 102864795A
Authority
CN
China
Prior art keywords
column
foundation
steel
backing plate
settlement
Prior art date
Legal status (The legal status is an assumption and is not a legal conclusion. Google has not performed a legal analysis and makes no representation as to the accuracy of the status listed.)
Granted
Application number
CN2012103998237A
Other languages
Chinese (zh)
Other versions
CN102864795B (en
Inventor
曾祥勇
邓安福
Current Assignee (The listed assignees may be inaccurate. Google has not performed a legal analysis and makes no representation or warranty as to the accuracy of the list.)
Chongqing University
Original Assignee
Chongqing University
Priority date (The priority date is an assumption and is not a legal conclusion. Google has not performed a legal analysis and makes no representation as to the accuracy of the date listed.)
Filing date
Publication date
Application filed by Chongqing University filed Critical Chongqing University
Priority to CN201210399823.7A priority Critical patent/CN102864795B/en
Publication of CN102864795A publication Critical patent/CN102864795A/en
Application granted granted Critical
Publication of CN102864795B publication Critical patent/CN102864795B/en
Expired - Fee Related legal-status Critical Current
Anticipated expiration legal-status Critical

Links

Images

Landscapes

  • Foundations (AREA)

Abstract

本发明公开了一种适应填土地基沉降的轻钢厂房柱基础及施工方法,所述柱基础包括连接钢筋以及从上到下依次设置的柱底板、钢垫板、预制垫块和柱下独立基础,所述连接钢筋包括顶部螺杆钢筋、中部螺杆钢筋和底部锚栓螺杆钢筋。当填土地基产生沉降时,可对顶部螺杆钢筋和中部螺杆钢筋进行拆卸,使用千斤顶通过钢垫板将柱底板顶升还原至原设计标高,并采用预制垫块填塞柱底板与柱下独立基础之间的间隙。本发明结构合理,施工方便,安全可靠,可以根据需要随时调节柱底高度,能有效解决地基沉降对现有轻钢厂房柱基础施工及结构正常使用所带来的不利影响,在工程建设中具有良好的经济效益和时间效益。

The invention discloses a light steel factory building column foundation and a construction method adapted to the settlement of the filling foundation. The column foundation includes connecting steel bars, a column bottom plate, a steel backing plate, a prefabricated pad and an independent column under the column arranged in sequence from top to bottom. As a foundation, the connecting reinforcement includes a top screw reinforcement, a middle screw reinforcement and a bottom anchor screw reinforcement. When the filling foundation settles, the top screw reinforcement and the middle screw reinforcement can be disassembled, and the column bottom plate can be lifted back to the original design level through the steel backing plate with a jack, and the column bottom plate and the independent foundation under the column can be filled with prefabricated pads gap between. The invention has reasonable structure, convenient construction, safety and reliability, can adjust the height of the column bottom at any time according to the needs, can effectively solve the adverse effects of foundation settlement on the construction of the existing light steel workshop column foundation and the normal use of the structure, and has great advantages in engineering construction. Good economic benefit and time benefit.

Description

一种适应填土地基沉降的轻钢厂房柱基础及施工方法A light steel workshop column foundation and its construction method adapted to the settlement of the fill foundation

技术领域 technical field

本发明涉及一种轻钢厂房柱的基础结构,尤其涉及一种适应填土地基沉降的轻钢厂房柱基础及其沉降后垫高的施工方法。 The invention relates to a foundation structure of a light steel factory building column, in particular to a light steel factory building column foundation adapted to the settlement of the filling foundation and a construction method for raising it after settlement.

  the

背景技术 Background technique

在地形起伏不平的山区城镇中进行工业新区建设,平整场地时往往大挖大填,且限于工程造价及工期要求,经常难以做到夯填密实,若钢结构厂房建于不符合压实质量要求的填方区,在填土地基沉降未稳定之前进行建设时,其沉降将直接导致基础产生相应的沉降,从而在上部结构中产生有害的次应力,并使上部结构及建筑发生变形、开裂或失稳等,从而严重影响建筑结构安全工作,因此往往需要对该填土地基进行地基处理或采用造价相对高昂的桩基础将荷载传递至填土层下稳定的地层之中,这样都需要付出较多的经济代价。如果等待未压实的填土地基沉降稳定再进行钢结构厂房施工,则所需等待填土固结的时间,从刚开始填土算起一般至少约5年以上,如等待新填土固结完成后再进行建设,所付出的时间代价则更为昂贵。 In the construction of new industrial areas in mountainous towns with undulating terrain, large excavations and large fillings are often required when leveling the site, and limited by the project cost and construction period requirements, it is often difficult to achieve compaction and compaction. If the steel structure factory building does not meet the compaction quality requirements If the filling area is constructed before the settlement of the filling foundation is not stabilized, the settlement will directly lead to the corresponding settlement of the foundation, thereby generating harmful secondary stress in the superstructure, and causing deformation, cracking or cracking of the superstructure and the building. Therefore, it is often necessary to carry out foundation treatment for the fill foundation or use relatively expensive pile foundations to transfer the load to the stable stratum under the fill layer, which requires a lot of effort. much economic cost. If you wait for the settlement of the uncompacted fill foundation to stabilize before proceeding with the construction of the steel structure factory building, the time required to wait for the fill to consolidate is generally at least about 5 years from the beginning of the fill, such as waiting for the new fill to consolidate Building after completion is more expensive in terms of time.

因此,需要对现行的填土地基上的轻钢厂房柱基础的设计及施工方案进行改造,使其能保证填土地基的沉降不造成柱底标高降低,并在增高后还能与上部结构柱进行可靠地连接,保证荷载自上而下的可靠传递及上部结构安全,由此避免代价相对高昂的地基处理及桩基础或条形基础建设方案甚至等待填土固结完成再施工所造成的更为昂贵的时间损失。 Therefore, it is necessary to modify the design and construction plan of the existing light steel factory building column foundation on the filled foundation, so that it can ensure that the settlement of the filled foundation does not cause the elevation of the bottom of the column to decrease, and it can be connected with the upper structural column after the height is increased. Reliable connection is made to ensure the reliable transfer of load from top to bottom and the safety of the superstructure, thereby avoiding relatively expensive foundation treatment and construction schemes of pile foundation or strip foundation or even waiting for the filling to be consolidated before construction. for costly time loss.

 the

发明内容 Contents of the invention

针对现有技术存在的上述不足,本发明解决现有填土地基上的轻钢厂房柱基础随填土地基的沉降会造成柱底标高降低,造成轻钢厂房上部结构及建筑发生变形、开裂或失稳,严重影响建筑结构安全工作,以及采用现有技术所产生的建设造成维护成本高昂的问题,而提供一种适应填土地基沉降的轻钢厂房柱基础。 Aiming at the above-mentioned deficiencies in the prior art, the present invention solves the problem that the column base of the light steel factory building on the existing filling foundation will cause the elevation of the bottom of the column to decrease with the settlement of the filling foundation, resulting in deformation, cracking or cracking of the upper structure and buildings of the light steel factory building. Instability will seriously affect the safety of the building structure, as well as the high maintenance cost caused by the construction of the existing technology, and a light steel factory building column foundation suitable for the settlement of the fill foundation is provided.

本发明的另一目的是提供一种采用所述适应填土地基沉降的轻钢厂房柱基础沉降后进行垫高的施工方法。 Another object of the present invention is to provide a construction method for using the light-steel workshop column foundation that is adapted to the settlement of the fill foundation and then raising it after settlement.

解决所述问题,本发明采用的技术方案是:一种适应填土地基沉降的轻钢厂房柱基础,其特征在于,包括连接钢筋以及从上到下依次设置的柱底板、钢垫板、预制垫块和柱下独立基础,所述连接钢筋包括顶部螺杆钢筋和底部锚栓螺杆钢筋,所述顶部螺杆钢筋与底部锚栓螺杆钢筋通过连接套筒可拆卸连接;所述柱底板用于固定轻钢厂房的工字钢钢柱; To solve the above problems, the technical solution adopted by the present invention is: a light steel workshop column foundation adapted to the settlement of the filled foundation, which is characterized in that it includes connecting steel bars and column bottom plates, steel backing plates, prefabricated The pad and the independent foundation under the column, the connecting reinforcement includes the top screw reinforcement and the bottom anchor screw reinforcement, and the top screw reinforcement and the bottom anchor screw reinforcement are detachably connected through the connecting sleeve; the column bottom plate is used to fix the light I-beam steel column of steel workshop;

所述柱底板、钢垫板和预制垫块设有数组贯穿柱底板、钢垫板和预制垫块的过孔,由连接钢筋穿过所述过孔后将柱底板、钢垫板、预制垫块与柱下独立基础连为一体;所述顶部螺杆钢筋的上端通过双螺母和螺母垫板与柱底板固定,顶部螺杆钢筋的下端与底部锚栓螺杆钢筋的上端通过连接套筒螺纹连接;底部锚栓螺杆钢筋的下端与混凝土基础锚固连接; The column bottom plate, the steel backing plate and the prefabricated spacer are provided with a plurality of via holes passing through the column bottom plate, the steel backing plate and the prefabricated spacer, and the column bottom plate, the steel backing plate, and the prefabricated spacer are connected by connecting steel bars through the through holes. The block is connected with the independent foundation under the column as a whole; the upper end of the top screw steel bar is fixed with the column bottom plate through a double nut and a nut backing plate, and the lower end of the top screw bar is connected with the upper end of the bottom anchor screw bar through a connecting sleeve; The lower end of the anchor bolt steel bar is anchored and connected with the concrete foundation;

所述钢垫板在预制垫块相对两侧的上方具有出挑部位。 The steel backing plate has overhanging parts above the opposite sides of the prefabricated spacer.

进一步地,所述预制垫块为钢板、水泥砂浆垫块或混凝土垫块。 Further, the prefabricated block is a steel plate, a cement mortar block or a concrete block.

进一步地,所述过孔为4组。 Further, there are 4 groups of via holes.

进一步地,所述底部锚栓螺杆钢筋的底部具有弯折部。 Further, the bottom of the bottom anchor screw reinforcement has a bent part.

进一步地,所述预制垫块为多个,所述连接钢筋包括顶部螺杆钢筋、中部螺杆钢筋、底部锚栓螺杆钢筋,所述顶部螺杆钢筋、中部螺杆钢筋以及底部锚栓螺杆钢筋通过连接套筒螺纹连接。 Further, there are multiple prefabricated pads, and the connecting steel bars include top screw bars, middle screw bars, and bottom anchor screw bars, and the top screw bars, middle screw bars and bottom anchor bar bars pass through the connecting sleeve threaded connection.

一种上述轻钢厂房柱基础沉降后垫高的施工方法,包括如下步骤: A construction method for raising the foundation of the above-mentioned light steel factory building column after settlement, comprising the following steps:

1)当发生填土沉降后,首先拆卸顶部螺杆钢筋上端双螺母和螺母垫板,并取出顶部螺杆钢筋; 1) When the filling settlement occurs, first remove the double nuts and the nut backing plate at the upper end of the top screw reinforcement, and take out the top screw reinforcement;

2)通过对预制垫块相对两侧上方的钢垫板的出挑部位施加作用力,将柱底板升高至地基沉降前的原柱底设计标高; 2) By applying force to the protruding part of the steel backing plate on the opposite sides of the prefabricated cushion block, the column bottom plate is raised to the original design elevation of the column bottom before the foundation settlement;

3)再在钢垫板与柱下独立基础之间填塞入数量、厚度及强度合适的带过孔的预制垫块; 3) Between the steel backing plate and the independent foundation under the column, fill in prefabricated spacers with holes in appropriate quantity, thickness and strength;

4)撤去作用力,柱底板由预制垫块垫高至原柱底设计标高; 4) The force is removed, and the column bottom plate is raised to the original column bottom design elevation by the prefabricated spacer;

5)采用长度调整合适后的顶部螺杆钢筋穿过柱底板、钢垫板、预制垫块后通过连接套筒与底部锚栓螺杆钢筋螺纹连接紧固;最后在顶部螺杆钢筋的端部置入螺母垫板并通过双螺母与柱底板紧固,由此即完成填土地基沉降发生后的垫高调整过程。 5) Use the top screw reinforcement with a suitable length to pass through the column bottom plate, steel backing plate, and prefabricated spacer, and then tighten it with the bottom anchor bolt screw reinforcement through the connecting sleeve; finally insert a nut at the end of the top screw reinforcement The backing plate is fastened to the bottom plate of the column through double nuts, thereby completing the process of adjusting the height of the backing after the settlement of the filling foundation occurs.

进一步地,对预制垫块相对两侧上方的钢垫板的出挑部位施加作用力时,将千斤顶置于钢垫板出挑位置下方,通过千斤顶直接对钢垫板进行顶升。 Further, when a force is applied to the overhanging parts of the steel backing plate on opposite sides of the prefabricated pad, the jack is placed below the overhanging position of the steel backing plate, and the steel backing plate is directly lifted by the jack.

一种上述轻钢厂房柱基础沉降后垫高的施工方法,包括如下步骤: A construction method for raising the foundation of the above-mentioned light steel factory building column after settlement, comprising the following steps:

1)当发生填土沉降后,首先拆卸顶部螺杆钢筋上端的双螺母和螺母垫板,并取出顶部螺杆钢筋; 1) When the filling settlement occurs, first remove the double nuts and the nut backing plate on the upper end of the top screw reinforcement, and take out the top screw reinforcement;

2)通过对预制垫块相对两侧上方的钢垫板的出挑部位施加作用力,将柱底板升高至地基沉降前的原柱底设计标高; 2) By applying force to the protruding part of the steel backing plate on the opposite sides of the prefabricated cushion block, the column bottom plate is raised to the original design elevation of the column bottom before the foundation settlement;

3)再将长度调整合适的两端带螺纹的中部螺杆钢筋通过连接套筒与下部锚栓螺杆钢筋连接起来,并在中部螺杆钢筋上方紧固好其与顶部螺栓杆钢筋之间的连接套筒;从这些连接好的钢筋顶部穿入数量、厚度及强度合适的带过孔的预制垫块; 3) Then connect the middle screw bar with threaded ends with proper length adjustment to the lower anchor screw bar through the connecting sleeve, and fasten the connecting sleeve between it and the top bolt bar bar above the middle screw bar ;Put prefabricated spacers with through holes in appropriate quantity, thickness and strength from the top of these connected steel bars;

4)撤去作用力,柱底板由预制垫块垫高至原柱底设计标高; 4) The force is removed, and the column bottom plate is raised to the original column bottom design elevation by the prefabricated spacer;

5)将顶部螺杆钢筋穿过柱底板、钢垫板后通过连接套筒与中部螺杆钢筋螺纹连接紧固;最后在顶部螺杆钢筋的端部置入螺母垫板并通过双螺母与柱底板紧固,由此即完成填土地基沉降发生后的垫高调整过程。 5) Put the top screw reinforcement through the column bottom plate and the steel backing plate, and then tighten it with the middle screw reinforcement thread through the connecting sleeve; finally put the nut backing plate at the end of the top screw reinforcement and fasten it to the column bottom plate through double nuts , thus completing the process of pad height adjustment after the settlement of the fill foundation occurs.

进一步地,制作四边形框架,对预制垫块相对两侧上方的钢垫板的出挑部位施加作用力时,通过两框架分别套入钢垫板两侧的出挑部位,然后采用两根钢杆穿过两框架顶边的两边角,并在地面上设置千斤顶对钢杆进行顶升,从而对框架进行顶升,进而对钢垫板及柱底板进行顶升。 Further, a quadrilateral frame is made, and when a force is applied to the overhanging parts of the steel backing plate on opposite sides of the prefabricated pad, the two frames are inserted into the overhanging parts on both sides of the steel backing plate respectively, and then two steel rods are used to pass through the overhanging parts of the steel backing plate. The two corners of the top sides of the two frames, and set jacks on the ground to lift the steel rods, so as to lift the frames, and then lift the steel backing plate and the column bottom plate.

相比现有技术,本发明具有如下有益效果: Compared with the prior art, the present invention has the following beneficial effects:

1、本发明结构合理,施工方便,可以根据需要随时调节柱底高度。 1. The structure of the present invention is reasonable, the construction is convenient, and the height of the column bottom can be adjusted at any time according to the needs.

2、采用本发明方法,在填土尚未完成固结的时候即可随时进行工程施工,同时在轻钢厂房柱下无需采用造价高昂的桩基基础、条形基础或进行地基处理,只需采用常规的浅基础即可,达到经济节约,安全可靠,施工简便快捷的目的。 2. By adopting the method of the present invention, engineering construction can be carried out at any time when the filling is not yet consolidated. At the same time, there is no need to use expensive pile foundations, strip foundations or foundation treatment under the light steel factory building columns, only need to use Conventional shallow foundations are enough to achieve economical savings, safety and reliability, and easy and quick construction.

3、当填土地基及柱下基础产生沉降时,由于轻钢厂房上部结构较轻,通过本结构可以采用千斤顶对厂房柱进行顶升,同时采用预制垫块对顶升后产生的钢垫板与柱下独立基础间的缝隙进行填塞,并更换长度合适的顶部螺杆钢筋或增加中部螺杆钢筋,重新将柱底板及其下的钢垫板、预制垫块以及柱下独立基础通过连接钢筋连接起来,采用这种方式,随着填土沉降的发生,随时可将柱底顶升至原标高,直至多年后填土沉降固结稳定,由此避免填土地基的沉降对柱底标高及轻钢厂房的上部结构所造成的不利影响。 3. When the filling foundation and the foundation under the column settle, because the upper structure of the light steel factory building is relatively light, jacks can be used to lift the factory building column through this structure, and prefabricated pads are used to lift the steel backing plate produced after the jacking Fill the gap with the independent foundation under the column, and replace the top screw reinforcement with a suitable length or increase the middle screw reinforcement, and reconnect the bottom plate of the column and the steel backing plate under it, the prefabricated spacer and the independent foundation under the column through connecting reinforcement In this way, with the settlement of the filling, the bottom of the column can be raised to the original elevation at any time until the settlement of the filling is stable after many years, thereby avoiding the impact of the settlement of the filling foundation on the elevation of the column bottom and the light steel Adverse effects caused by the superstructure of the plant.

4、该发明能有效解决常规填土地基上轻钢厂房柱基础建设中因地基沉降所造成的各种困难,具有良好的经济效益和时间效益,施工简便,安全可靠。 4. The invention can effectively solve various difficulties caused by foundation settlement in the foundation construction of light-steel factory buildings on conventional fill foundations, has good economic and time benefits, and is easy to construct, safe and reliable.

5、本发明适用范围广,不仅适用于填土地基,也适用于软土地基及各种情况下的地基不均匀沉降导致的上部轻钢厂房结构变形、开裂或失稳等工程情况。 5. The invention has a wide range of applications, not only for filling soil foundations, but also for engineering conditions such as deformation, cracking or instability of the upper light steel workshop structure caused by uneven settlement of foundations in soft soil foundations and various situations.

  the

附图说明 Description of drawings

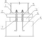
图1为本发明基础的结构示意图; Fig. 1 is the structural representation of foundation of the present invention;

图2为本发明基础加高后的结构示意图。 Fig. 2 is a schematic structural view of the raised foundation of the present invention.

  the

具体实施方式 Detailed ways

下面将结合附图及实施例对本发明作进一步说明。 The present invention will be further described below in conjunction with the accompanying drawings and embodiments.

实施例1:如图1所示,一种适应填土地基沉降的轻钢厂房柱基础,包括从上到下依次设置的柱底板1、钢垫板2预制垫块3柱下独立基础4(所述柱下独立基础4一般由混凝土或钢筋混凝土材料做成)以及连接钢筋,所述连接钢筋包括顶部螺杆钢筋5和底部锚栓螺杆钢筋6,所述顶部螺杆钢筋5与底部锚栓螺杆钢筋6通过连接套筒7可拆卸连接,具体实施时采用机械套筒相连,更加稳固;轻钢厂房的工字钢钢柱8与柱底板1固定连接。所述预制垫块3为钢板、水泥砂浆垫块或混凝土垫块,使预制垫块3的强度能够满足结构受力需要,该预制垫块3的材质、厚度根据实际情况选择(一般小于2cm的采用钢板或钢片,2-6cm采用水泥砂浆垫块,超过6cm采用细石混凝土垫块)。具体施工时,可以根据受力情况在水泥砂浆垫块或混凝土垫块内部配置钢丝网或钢筋网,使预制垫块 整体性更好,承载能力更强。 Embodiment 1: As shown in Figure 1, a light steel factory building column foundation adapted to the settlement of the fill foundation, including a column bottom plate 1, a steel backing plate 2 , a prefabricated pad 3 , and an independent foundation under the column arranged in sequence from top to bottom 4 (the independent foundation 4 under the column is generally made of concrete or reinforced concrete material) and connecting steel bars, the connecting steel bars include top screw steel bar 5 and bottom anchor bolt screw steel bar 6, and the top screw bar steel bar 5 and bottom anchor bolt The screw reinforcement 6 is detachably connected through the connecting sleeve 7, and is connected with a mechanical sleeve during specific implementation, which is more stable; the I-steel column 8 of the light steel factory building is fixedly connected with the column bottom plate 1. Described prefabricated spacer 3 is steel plate, cement mortar spacer or concrete spacer, makes the intensity of prefabricated spacer 3 can meet the structural force requirement, the material of this prefabricated spacer 3, thickness are selected according to actual situation (generally less than 2cm Steel plates or steel sheets are used, cement mortar pads are used for 2-6cm, and fine stone concrete pads are used for more than 6cm). During specific construction, steel wire mesh or steel mesh can be arranged inside the cement mortar block or concrete block according to the stress situation, so that the prefabricated block has better integrity and stronger bearing capacity.

所述柱底板1、钢垫板2和预制垫块3设有数组贯穿柱底板1、钢垫板2和预制垫块3的过孔,由连接钢筋穿过所述过孔后将柱底板1、钢垫板2、预制垫块3与柱下独立基础4连为一体;所述过孔一般为4组(可视柱底板1的尺寸及钢柱承担的荷载进行增减),也可以为6组、8组等,以具体情况进行选择;分布于柱底板1、钢垫板2和预制垫块3的合理受力部位,效果更好。 The column bottom plate 1, the steel backing plate 2 and the prefabricated cushion block 3 are provided with a plurality of via holes passing through the column bottom plate 1, the steel backing plate 2 and the prefabricated spacer block 3, and the column bottom plate 1 is connected by connecting steel bars through the through holes. , steel backing plate 2, prefabricated spacer 3 and the independent foundation 4 under the column are connected as a whole; the through holes are generally 4 groups (increase or decrease depending on the size of the column bottom plate 1 and the load borne by the steel column), and can also be 6 groups, 8 groups, etc., are selected according to the specific situation; they are distributed in the reasonable force-bearing parts of the column bottom plate 1, steel backing plate 2 and prefabricated cushion block 3, and the effect is better.

所述顶部螺杆钢筋5的上端通过双螺母和螺母垫板与柱底板1固定,顶部螺杆钢筋5的下端与底部锚栓螺杆钢筋6的上端通过连接套筒7螺纹连接;底部锚栓螺杆钢筋6的下端与柱下独立基础4锚固连接;所述底部锚栓螺杆钢筋6的底部具有弯折部,能有效提高锚固效果。所述钢垫板2在预制垫块3相对两侧的上方具有出挑部位。 The upper end of the top screw reinforcing bar 5 is fixed with the column bottom plate 1 by double nuts and nut backing plate, the lower end of the top screw reinforcing bar 5 and the upper end of the bottom anchor screw reinforcing bar 6 are threadedly connected by the connecting sleeve 7; the bottom anchor screw reinforcing bar 6 The lower end of the lower end is anchored and connected with the independent foundation 4 under the column; the bottom of the bottom anchor bolt steel bar 6 has a bent part, which can effectively improve the anchoring effect. The steel backing plate 2 has overhanging parts above the opposite sides of the prefabricated cushion block 3 .

所述钢垫板2也可以采用避开连接钢筋的钢垫条替换,在保证强度及稳定的情况下,更加节约材料。该钢垫板2或钢垫条的厚度需满足受力要求,其厚度一般不小于20mm。 The steel backing plate 2 can also be replaced by a steel backing bar that avoids connecting steel bars, which saves more materials while ensuring strength and stability. The thickness of the steel backing plate 2 or the steel backing bar needs to meet the stress requirements, and its thickness is generally not less than 20mm.

在地基沉降量不大的情况下,只需更换长度合适的顶部螺杆钢筋然后通过连接套筒7重新与底部锚栓螺杆钢筋6进行螺纹连接。当地基产生沉降后,先通过钢垫板2对轻钢厂房的工字钢钢柱8的柱底板1进行顶升,再采用带孔预制垫块填塞由此产生的柱下独立基础4与柱底板1之间的间隙,从而使柱底板1回复到原始位置。 In the case that the foundation settlement is not large, it is only necessary to replace the top screw steel bar with a suitable length and then threadedly connect the bottom anchor screw steel bar 6 through the connecting sleeve 7 again. After the ground subsidence occurs, the column floor 1 of the I-beam steel column 8 of the light steel factory building is first lifted through the steel backing plate 2, and then the prefabricated spacer with holes is used to fill the resulting independent foundation 4 and column under the column. The gap between the bottom plates 1, so that the column bottom plate 1 returns to its original position.

采用本适应填土地基沉降的轻钢厂房柱基础,其沉降后垫高的施工方法,包括如下步骤: The construction method of using the light steel workshop column foundation adapted to the settlement of the fill foundation and raising it after settlement includes the following steps:

1)当发生填土沉降后,首先拆卸顶部螺杆钢筋上端双螺母和螺母垫板,并取出顶部螺杆钢筋;同时进行基坑开挖,使柱下独立基础顶部及其上方钢垫板的出挑部位露出; 1) When the filling settlement occurs, first remove the double nuts and the nut backing plate at the upper end of the top screw reinforcement, and take out the top screw reinforcement; at the same time, excavate the foundation pit to make the top of the independent foundation under the column and the overhanging part of the steel backing plate above exposed;

2)通过对预制垫块相对两侧上方的钢垫板的出挑部位施加作用力,将柱底板升高至地基沉降前的原柱底设计标高;对预制垫块相对两侧上方的钢垫板的出挑部位施加作用力时,将千斤顶置于钢垫板出挑位置下方,通过千斤顶直接对钢垫板进行顶升,操作方便,适用于较小的千斤顶或重量较轻的厂房。 2) By applying force to the protruding part of the steel backing plate on the opposite sides of the prefabricated spacer, the column bottom plate is raised to the original design elevation of the column bottom before foundation settlement; the steel backing plate on the opposite sides of the prefabricated spacer is When applying force to the overhanging part of the steel backing plate, place the jack under the overhanging position of the steel backing plate, and directly lift the steel backing plate through the jack, which is easy to operate and is suitable for smaller jacks or lighter weight workshops.

3)再在钢垫板与柱下独立基础之间填塞入数量、厚度及强度合适的带过孔的预制垫块;所述预制垫块数量及厚度以能够将柱底板升高至沉降前高度为准,预制垫块强度以能满足受力需要为准,且不低于柱下独立基础4的混凝土强度,填塞前按所需块数及厚度进行预制;填塞时插入钢垫板2与柱下独立基础4之间; 3) Between the steel backing plate and the independent foundation under the column, prefabricated pads with through holes in appropriate quantity, thickness and strength are filled; the number and thickness of the prefabricated pads can raise the bottom plate of the column to the height before settlement The strength of the prefabricated pads shall be subject to the requirements of the force, and shall not be lower than the concrete strength of the independent foundation 4 under the column. Before filling, it shall be prefabricated according to the number and thickness of the required blocks; when filling, insert the steel backing plate 2 and the column between lower independent foundations 4;

4)撤去作用力,柱底板由预制垫块垫高至原柱底设计标高; 4) The force is removed, and the column bottom plate is raised to the original column bottom design elevation by the prefabricated spacer;

5)采用长度调整合适后的顶部螺杆钢筋穿过柱底板、钢垫板、预制垫块后通过连接套筒与底部锚栓螺杆钢筋螺纹连接紧固(可以更换另一根顶部螺杆钢筋);最后在顶部螺杆钢筋的端部置入螺母垫板并通过双螺母与柱底板紧固,由此即完成填土地基沉降发生后的垫高调整过程。采用双螺母与柱底板紧固,能够进一步保障整体结构的稳定性,避免螺母脱落。 5) Use the top screw reinforcement with a suitable length to pass through the column bottom plate, steel backing plate, and prefabricated spacer, and then tighten it with the bottom anchor bolt screw reinforcement through the connecting sleeve (you can replace another top screw reinforcement); finally A nut backing plate is placed at the end of the top screw reinforcement and fastened to the bottom plate of the column through double nuts, thereby completing the process of pad height adjustment after the settlement of the filling foundation occurs. Double nuts are used to fasten the column bottom plate, which can further ensure the stability of the overall structure and prevent the nuts from falling off.

  the

实施例2,如图2所示,所述预制垫块为多个,所述连接钢筋包括顶部螺杆钢筋、中部螺杆钢筋9、底部锚栓螺杆钢筋,所述顶部螺杆钢筋、中部螺杆钢筋9以及底部锚栓螺杆钢筋通过连接套筒螺纹连接,具体实施时采用机械套筒相连,更加稳固。 Embodiment 2, as shown in Figure 2, there are multiple prefabricated pads, the connecting reinforcements include top screw reinforcements, middle screw reinforcements 9, bottom anchor screw reinforcements, the top screw reinforcements, middle screw reinforcements 9 and Bottom anchor bolts are threaded through connecting sleeves, and mechanical sleeves are used for specific implementation, which is more stable.

在地基沉降量较大的情况下,根据需要增加或更换长度合适的中部螺杆钢筋,这样在填塞预制垫块(垫条)时,可边连接中部螺杆钢筋,边填塞预制垫块(垫条),更加方便。当地基产生沉降后,先对轻钢厂房的工字钢钢柱的柱底板进行顶升,再采用开孔预制混凝土垫块(或垫条)填塞由此产生的柱下独立基础与柱底板之间的间隙,从而使柱底板回复到原始位置。 In the case of large foundation settlement, add or replace the middle screw reinforcement with appropriate length according to the needs, so that when filling the prefabricated pad (pad), the middle screw reinforcement can be connected while filling the prefabricated pad (pad) ,More convenient. After the ground subsidence occurs, the column bottom plate of the I-steel column of the light steel factory building is lifted first, and then the hole prefabricated concrete pad (or pad) is used to fill the resulting independent foundation under the column and the column bottom plate. The gap between them, so that the column bottom plate returns to its original position.

对上述适应填土地基沉降的轻钢厂房柱基础,其沉降后垫高的施工方法,包括如下步骤: For the above-mentioned light-steel factory house-column foundation adapted to the settlement of the fill foundation, the construction method for raising it after settlement includes the following steps:

1)当发生填土沉降后,首先拆卸顶部螺杆钢筋上端的双螺母和螺母垫板,并取出顶部螺杆钢筋;同时对进行基坑开挖,使柱下独立基础顶部及其上方的钢垫板的出挑部位露出; 1) When the filling settlement occurs, first remove the double nuts and the nut backing plate at the upper end of the top screw reinforcement, and take out the top screw reinforcement; at the same time, excavate the foundation pit to make the top of the independent foundation under the column and the steel backing plate above it The protruding part is exposed;

2)通过对预制垫块相对两侧上方的钢垫板的出挑部位施加作用力,将柱底板升高至地基沉降前的原柱底设计标高;顶升时,制作四边形框架,对预制垫块相对两侧上方的钢垫板的出挑部位施加作用力时,通过两框架分别套入钢垫板两侧的出挑部位,然后采用两根钢杆穿过两框架顶边的两边角,并在地面上设置千斤顶对钢杆进行顶升,从而对框架进行顶升,进而对钢垫板及柱底板进行顶升。具体施工时,所述四边形框架可制成梯形,并且采用钢结构,这样不仅施工方便,并且承载能力更强。该四边形钢架可根据轻钢厂房柱的荷载,即所需顶升力的大小采用热轧钢筋或型钢等常规钢材制成。这样不会顶升过程受到轻钢厂房的影响,操作更加方便,且效果更好,使钢垫板受力更加平衡,更加容易操作。 2) By applying force to the protruding part of the steel backing plate on the opposite sides of the prefabricated cushion block, the column bottom plate is raised to the original design elevation of the column bottom before the foundation settlement; When applying force to the overhanging parts of the steel backing plate on both sides, the two frames are inserted into the overhanging parts on both sides of the steel backing plate respectively, and then two steel rods are used to pass through the two corners of the top sides of the two frames and place on the ground. A jack is set on the top to lift the steel rod, thereby lifting the frame, and then lifting the steel backing plate and the bottom plate of the column. During specific construction, the quadrilateral frame can be made into a trapezoidal shape and adopts a steel structure, which not only facilitates construction, but also has a stronger bearing capacity. The quadrangular steel frame can be made of conventional steel materials such as hot-rolled steel bars or section steel according to the load of the light steel factory building column, that is, the required jacking force. In this way, the lifting process will not be affected by the light steel workshop, the operation is more convenient, and the effect is better, so that the force on the steel backing plate is more balanced and easier to operate.

3)再将长度调整合适的两端带螺纹的中部螺杆钢筋通过连接套筒与下部锚栓螺杆钢筋连接起来,并在中部螺杆钢筋上方紧固好其与顶部螺栓杆钢筋之间的连接套筒;从这些连接好的钢筋顶部穿入数量、厚度及强度合适的带过孔的预制垫块; 3) Then connect the middle screw bar with threaded ends with proper length adjustment to the lower anchor screw bar through the connecting sleeve, and fasten the connecting sleeve between it and the top bolt bar bar above the middle screw bar ;Put prefabricated spacers with through holes in appropriate quantity, thickness and strength from the top of these connected steel bars;

4)撤去作用力,柱底板由预制垫块垫高至原柱底设计标高; 4) The force is removed, and the column bottom plate is raised to the original column bottom design elevation by the prefabricated spacer;

5)将顶部螺杆钢筋穿过柱底板、钢垫板后通过连接套筒与中部螺杆钢筋螺纹连接紧固;最后在顶部螺杆钢筋的端部置入螺母垫板并通过双螺母与柱底板紧固,由此即完成填土地基沉降发生后的垫高调整过程。采用双螺母与柱底板紧固,能够进一步保障整体结构的稳定性,避免螺母脱落。 5) Put the top screw reinforcement through the column bottom plate and the steel backing plate, and then tighten it with the middle screw reinforcement thread through the connecting sleeve; finally put the nut backing plate at the end of the top screw reinforcement and fasten it to the column bottom plate through double nuts , thus completing the process of pad height adjustment after the settlement of the fill foundation occurs. Double nuts are used to fasten the column bottom plate, which can further ensure the stability of the overall structure and prevent the nuts from falling off.

本发明除适用填土地基外,还可推广于其它场合的可能产生地基沉降的轻钢厂房建筑,如软土地基,其它不良地基等等。 In addition to being suitable for filling soil foundations, the present invention can also be extended to light steel workshop buildings that may cause foundation subsidence in other occasions, such as soft soil foundations, other bad foundations, and the like.

另外,预制垫块制成上部水平、下部倾斜的形式,对于填土沉降中基础顶面可能会产生略微的倾斜情况,可以保证上部柱底维持原水平状态,一般这种倾斜程度不是很大。 In addition, the prefabricated pads are made in the form of the upper part being horizontal and the lower part being inclined. The top surface of the foundation may be slightly inclined during the settlement of the fill, which can ensure that the bottom of the upper column remains in the original horizontal state. Generally, the degree of inclination is not very large.

  the

最后需要说明的是,以上实施例仅用以说明本发明的技术方案而非限制技术方案,尽管申请人参照较佳实施例对本发明进行了详细说明,本领域的普通技术人员应当理解,那些对本发明的技术方案进行修改或者等同替换,而不脱离本技术方案的宗旨和范围,均应涵盖在本发明的权利要求范围当中。 Finally, it should be noted that the above embodiments are only used to illustrate the technical solutions of the present invention rather than limit the technical solutions. Although the applicant has described the present invention in detail with reference to the preferred embodiments, those of ordinary skill in the art should understand that those who understand the present invention Any modification or equivalent replacement of the technical solution of the invention without departing from the spirit and scope of the technical solution shall be covered by the scope of the claims of the present invention.

Claims (9)

1.一种适应填土地基沉降的轻钢厂房柱基础,其特征在于,包括连接钢筋以及从上到下依次设置的柱底板、钢垫板、预制垫块和柱下独立基础,所述连接钢筋包括顶部螺杆钢筋和底部锚栓螺杆钢筋,所述顶部螺杆钢筋与底部锚栓螺杆钢筋通过连接套筒可拆卸连接;所述柱底板用于固定轻钢厂房的工字钢钢柱; 1. A light steel factory building column foundation adapted to the settlement of the fill foundation, characterized in that it comprises connecting steel bars and a column bottom plate, a steel backing plate, a prefabricated spacer and an independent foundation under the column arranged successively from top to bottom, and the connection The reinforcing bars include top screw reinforcing bars and bottom anchor screw reinforcing bars, the top screw reinforcing bars and the bottom anchor screw reinforcing bars are detachably connected through connecting sleeves; the column bottom plate is used to fix the I-shaped steel columns of the light steel factory building; 所述柱底板、钢垫板和预制垫块设有数组贯穿柱底板、钢垫板和预制垫块的过孔,由连接钢筋穿过所述过孔后将柱底板、钢垫板、预制垫块与柱下独立基础连为一体;所述顶部螺杆钢筋的上端通过双螺母和螺母垫板与柱底板固定,顶部螺杆钢筋的下端与底部锚栓螺杆钢筋的上端通过连接套筒螺纹连接;底部锚栓螺杆钢筋的下端与混凝土基础锚固连接; The column bottom plate, the steel backing plate and the prefabricated spacer are provided with a plurality of via holes passing through the column bottom plate, the steel backing plate and the prefabricated spacer, and the column bottom plate, the steel backing plate, and the prefabricated spacer are connected by connecting steel bars through the through holes. The block is connected with the independent foundation under the column as a whole; the upper end of the top screw steel bar is fixed with the column bottom plate through a double nut and a nut backing plate, and the lower end of the top screw bar is connected with the upper end of the bottom anchor screw bar through a connecting sleeve; The lower end of the anchor bolt steel bar is anchored and connected with the concrete foundation; 所述钢垫板在预制垫块相对两侧的上方具有出挑部位。 The steel backing plate has overhanging parts above the opposite sides of the prefabricated spacer. 2.根据权利要求1所述适应填土地基沉降的轻钢厂房柱基础,其特征在于,所述预制垫块为钢板、水泥砂浆垫块或混凝土垫块。 2. The light steel factory building column foundation adapted to the settlement of the fill foundation according to claim 1, wherein the prefabricated spacer is a steel plate, a cement mortar spacer or a concrete spacer. 3.根据权利要求1所述适应填土地基沉降的轻钢厂房柱基础,其特征在于,所述过孔为4组。 3. The light steel factory building column foundation adapted to the settlement of the fill foundation according to claim 1, characterized in that there are 4 groups of said through holes. 4.根据权利要求1所述适应填土地基沉降的轻钢厂房柱基础,其特征在于,所述底部锚栓螺杆钢筋的底部具有弯折部。 4. The light steel factory building column foundation adaptable to the settlement of the fill foundation according to claim 1, characterized in that, the bottom of the bottom anchor bolt and screw reinforcement has a bent part. 5.根据权利要求1~4任意一项适应填土地基沉降的轻钢厂房柱基础,其特征在于,所述预制垫块为多个,所述连接钢筋包括顶部螺杆钢筋、中部螺杆钢筋、底部锚栓螺杆钢筋,所述顶部螺杆钢筋、中部螺杆钢筋以及底部锚栓螺杆钢筋通过连接套筒螺纹连接。 5. According to any one of claims 1 to 4, the light steel workshop column foundation adapted to the settlement of the fill foundation, is characterized in that there are multiple prefabricated pads, and the connecting reinforcement includes top screw reinforcement, middle screw reinforcement, bottom Anchor screw reinforcement, the top screw reinforcement, the middle screw reinforcement and the bottom anchor screw reinforcement are threaded through the connecting sleeve. 6.如权利要求1所述适应填土地基沉降的轻钢厂房柱基础沉降后垫高的施工方法,其特征在于,包括如下步骤: 6. as claimed in claim 1, the construction method for padding after the settlement of the light steel workshop column foundation adapted to the settlement of the fill foundation, is characterized in that, comprises the steps: 1)当发生填土沉降后,首先拆卸顶部螺杆钢筋上端双螺母和螺母垫板,并取出顶部螺杆钢筋; 1) When the filling settlement occurs, first remove the double nuts and the nut backing plate at the upper end of the top screw reinforcement, and take out the top screw reinforcement; 2)通过对预制垫块相对两侧上方的钢垫板的出挑部位施加作用力,将柱底板升高至地基沉降前的原柱底设计标高; 2) By applying force to the protruding part of the steel backing plate on the opposite sides of the prefabricated cushion block, the column bottom plate is raised to the original design elevation of the column bottom before the foundation settlement; 3)再在钢垫板与柱下独立基础之间填塞入数量、厚度及强度合适的带过孔的预制垫块; 3) Between the steel backing plate and the independent foundation under the column, fill in prefabricated spacers with holes in appropriate quantity, thickness and strength; 4)撤去作用力,柱底板由预制垫块垫高至原柱底设计标高; 4) The force is removed, and the column bottom plate is raised to the original column bottom design elevation by the prefabricated spacer; 5)采用长度调整合适后的顶部螺杆钢筋穿过柱底板、钢垫板、预制垫块后通过连接套筒与底部锚栓螺杆钢筋螺纹连接紧固;最后在顶部螺杆钢筋的端部置入螺母垫板并通过双螺母与柱底板紧固,由此即完成填土地基沉降发生后的垫高调整过程。 5) Use the top screw reinforcement with a suitable length to pass through the column bottom plate, steel backing plate, and prefabricated spacer, and then tighten it with the bottom anchor bolt screw reinforcement through the connecting sleeve; finally insert a nut at the end of the top screw reinforcement The backing plate is fastened to the bottom plate of the column through double nuts, thereby completing the process of adjusting the height of the backing after the settlement of the filling foundation occurs. 7.根据权利要求6所述的施工方法,其特征在于,对预制垫块相对两侧上方的钢垫板的出挑部位施加作用力时,将千斤顶置于钢垫板出挑位置下方,通过千斤顶直接对钢垫板进行顶升。 7. The construction method according to claim 6, characterized in that, when applying force to the overhanging parts of the steel backing plate above the opposite sides of the prefabricated pad, the jack is placed under the overhanging position of the steel backing plate, and the jack directly Lift the steel backing plate. 8.如权利要求5所述适应填土地基沉降的轻钢厂房柱基础沉降后垫高的施工方法,其特征在于,包括如下步骤: 8. as claimed in claim 5, the construction method for padding after the settlement of the light steel workshop column foundation adapted to the settlement of the fill foundation, is characterized in that, comprises the steps: 1)当发生填土沉降后,首先拆卸顶部螺杆钢筋上端的双螺母和螺母垫板,并取出顶部螺杆钢筋; 1) When the filling settlement occurs, first remove the double nuts and the nut backing plate on the upper end of the top screw reinforcement, and take out the top screw reinforcement; 2)通过对预制垫块相对两侧上方的钢垫板的出挑部位施加作用力,将柱底板升高至地基沉降前的原柱底设计标高; 2) By applying force to the protruding part of the steel backing plate on the opposite sides of the prefabricated cushion block, the column bottom plate is raised to the original design elevation of the column bottom before the foundation settlement; 3)再将长度调整合适的两端带螺纹的中部螺杆钢筋通过连接套筒与下部锚栓螺杆钢筋连接起来,并在中部螺杆钢筋上方紧固好其与顶部螺栓杆钢筋之间的连接套筒;从这些连接好的钢筋顶部穿入数量、厚度及强度合适的带过孔的预制垫块; 3) Then connect the middle screw bar with threaded ends with proper length adjustment to the lower anchor screw bar through the connecting sleeve, and fasten the connecting sleeve between it and the top bolt bar bar above the middle screw bar ;Put prefabricated spacers with through holes in appropriate quantity, thickness and strength from the top of these connected steel bars; 4)撤去作用力,柱底板由预制垫块垫高至原柱底设计标高; 4) The force is removed, and the column bottom plate is raised to the original column bottom design elevation by the prefabricated spacer; 5)将顶部螺杆钢筋穿过柱底板、钢垫板后通过连接套筒与中部螺杆钢筋螺纹连接紧固;最后在顶部螺杆钢筋的端部置入螺母垫板并通过双螺母与柱底板紧固,由此即完成填土地基沉降发生后的垫高调整过程。 5) Put the top screw reinforcement through the column bottom plate and the steel backing plate, and then tighten it with the middle screw reinforcement thread through the connecting sleeve; finally put the nut backing plate at the end of the top screw reinforcement and fasten it to the column bottom plate through double nuts , thus completing the process of pad height adjustment after the settlement of the fill foundation occurs. 9.根据权利要求6或8所述的施工方法,其特征在于,制作四边形框架,对预制垫块相对两侧上方的钢垫板的出挑部位施加作用力时,通过两框架分别套入钢垫板两侧的出挑部位,然后采用两根钢杆穿过两框架顶边的两边角,并在地面上设置千斤顶对钢杆进行顶升,从而对框架进行顶升,进而对钢垫板及柱底板进行顶升。 9. The construction method according to claim 6 or 8, characterized in that a quadrilateral frame is made, and when a force is applied to the overhanging parts of the steel backing plate on the opposite sides of the prefabricated spacer, the steel backing is inserted through the two frames respectively The protruding parts on both sides of the board, and then use two steel rods to pass through the two corners of the top sides of the two frames, and set a jack on the ground to lift the steel rods, so as to lift the frame, and then the steel backing plate and column The bottom plate is jacked up.
CN201210399823.7A 2012-10-19 2012-10-19 Light steel factory post foundation suitable for sedimentation of filled-in ground and construction method Expired - Fee Related CN102864795B (en)

Priority Applications (1)

Application Number Priority Date Filing Date Title
CN201210399823.7A CN102864795B (en) 2012-10-19 2012-10-19 Light steel factory post foundation suitable for sedimentation of filled-in ground and construction method

Applications Claiming Priority (1)

Application Number Priority Date Filing Date Title
CN201210399823.7A CN102864795B (en) 2012-10-19 2012-10-19 Light steel factory post foundation suitable for sedimentation of filled-in ground and construction method

Publications (2)

Publication Number Publication Date
CN102864795A true CN102864795A (en) 2013-01-09
CN102864795B CN102864795B (en) 2014-11-26

Family

ID=47443906

Family Applications (1)

Application Number Title Priority Date Filing Date
CN201210399823.7A Expired - Fee Related CN102864795B (en) 2012-10-19 2012-10-19 Light steel factory post foundation suitable for sedimentation of filled-in ground and construction method

Country Status (1)

Country Link
CN (1) CN102864795B (en)

Cited By (21)

* Cited by examiner, † Cited by third party
Publication number Priority date Publication date Assignee Title
CN103343547A (en) * 2013-07-19 2013-10-09 中国建筑股份有限公司 Assembly type shape steel concrete four tetrastyle foundation of container type movable house and construction method
CN103352471A (en) * 2013-07-19 2013-10-16 中国建筑股份有限公司 Container prefabricated house assembling type steel reinforced concrete single-double-column foundation and construction method thereof
CN103669431A (en) * 2013-11-18 2014-03-26 国家电网公司 Device for adjusting inclined steel pylon in mining area of coal mine
CN103669432A (en) * 2013-11-18 2014-03-26 国家电网公司 Jacking device for deviation rectification of steel pylon in mining area of coal mine
CN104234070A (en) * 2014-07-23 2014-12-24 冠鲁建设股份有限公司 Steel structure and foundation pre-burying connection structure and construction method
CN104372804A (en) * 2013-08-13 2015-02-25 波马加尔斯基公司 Anchoring device for the foundations of a ski lift structure, and method for manufacturing such a device
CN104563172A (en) * 2015-01-13 2015-04-29 浙江湖州市建工集团有限公司 Sinking restoration structure for steel structure room and restoration method thereof
CN105926857A (en) * 2016-05-10 2016-09-07 江苏东晟新诚建设集团有限公司 Prefabricated pier and application of prefabricated pier to high-rise reversed beam overhanging scaffold construction
CN106522294A (en) * 2016-12-16 2017-03-22 四川省建筑科学研究院 Secondary precise leveling device and method of underground space prefabricated member
CN106639018A (en) * 2016-11-15 2017-05-10 姚献忠 Unloading building
CN106760903A (en) * 2017-01-22 2017-05-31 国网山西省电力公司阳泉供电公司 A kind of electric power pylon differential settlement adjusting means
CN106869196A (en) * 2015-12-14 2017-06-20 中勘冶金勘察设计研究院有限责任公司 For the screw rod jacking rectification and reinforcement of building method on anchor slab basis
CN107044142A (en) * 2017-04-20 2017-08-15 南京工业大学 Adjustable type reinforcing and rectifying method and structure for reducing uneven settlement of house
CN107327025A (en) * 2017-08-18 2017-11-07 精工工业建筑系统有限公司 A kind of device of freely adjustable crab-bolt length
CN109058597A (en) * 2018-07-25 2018-12-21 南京奥达升智能科技有限公司 A kind of rapid rescue device
CN109138485A (en) * 2018-09-14 2019-01-04 武大巨成结构股份有限公司 A kind of concrete column core cushion block and its application method for building jacking increasing layer
CN111173025A (en) * 2019-12-11 2020-05-19 华中科技大学 A kind of prefabricated substation GIS equipment foundation and its construction method
CN111608175A (en) * 2020-06-12 2020-09-01 湖南城市学院 A kind of reinforcement pile for building bridge
CN112166888A (en) * 2020-09-28 2021-01-05 嘉兴易久农业科技有限责任公司 Big-arch shelter structure for orchard is planted
CN113152509A (en) * 2021-05-10 2021-07-23 中建四局建设发展有限公司 Backfill soft foundation temporary construction foundation construction device and construction method thereof
CN116290078A (en) * 2023-02-07 2023-06-23 重庆大学 A prefabricated retaining wall

Citations (2)

* Cited by examiner, † Cited by third party
Publication number Priority date Publication date Assignee Title
CN102444209A (en) * 2011-09-30 2012-05-09 中国二十二冶集团有限公司 A factory building steel column foundation extension bolt and its extension method
CN202809636U (en) * 2012-10-19 2013-03-20 重庆大学 Light steel plant column foundation adapted to filling subgrade settlement

Patent Citations (2)

* Cited by examiner, † Cited by third party
Publication number Priority date Publication date Assignee Title
CN102444209A (en) * 2011-09-30 2012-05-09 中国二十二冶集团有限公司 A factory building steel column foundation extension bolt and its extension method
CN202809636U (en) * 2012-10-19 2013-03-20 重庆大学 Light steel plant column foundation adapted to filling subgrade settlement

Non-Patent Citations (1)

* Cited by examiner, † Cited by third party
Title
《建筑结构构造资料集》编辑委员会: "《建筑结构构造资料集(中)》", 31 January 2008, 中国建筑工业出版社出版 *

Cited By (28)

* Cited by examiner, † Cited by third party
Publication number Priority date Publication date Assignee Title
CN103352471A (en) * 2013-07-19 2013-10-16 中国建筑股份有限公司 Container prefabricated house assembling type steel reinforced concrete single-double-column foundation and construction method thereof
CN103343547A (en) * 2013-07-19 2013-10-09 中国建筑股份有限公司 Assembly type shape steel concrete four tetrastyle foundation of container type movable house and construction method
CN103343547B (en) * 2013-07-19 2015-08-05 中国建筑股份有限公司 Container type prefabricated house assembling steel reinforced concrete four patten and construction method
CN103352471B (en) * 2013-07-19 2015-07-15 中国建筑股份有限公司 Container prefabricated house assembling type steel reinforced concrete single-double-column foundation and construction method thereof
CN104372804A (en) * 2013-08-13 2015-02-25 波马加尔斯基公司 Anchoring device for the foundations of a ski lift structure, and method for manufacturing such a device
CN103669431B (en) * 2013-11-18 2016-06-01 国家电网公司 A kind of colliery minery electric power pylon inclination adjusting device
CN103669432A (en) * 2013-11-18 2014-03-26 国家电网公司 Jacking device for deviation rectification of steel pylon in mining area of coal mine
CN103669431A (en) * 2013-11-18 2014-03-26 国家电网公司 Device for adjusting inclined steel pylon in mining area of coal mine
CN103669432B (en) * 2013-11-18 2016-11-02 国家电网公司 A kind of jacking device for deviation rectification of steel pylon in mining area of coal mine
CN104234070A (en) * 2014-07-23 2014-12-24 冠鲁建设股份有限公司 Steel structure and foundation pre-burying connection structure and construction method
CN104234070B (en) * 2014-07-23 2016-08-17 杭州江润科技有限公司 A kind of steel construction and the pre-buried attachment structure in basis and construction method
CN104563172A (en) * 2015-01-13 2015-04-29 浙江湖州市建工集团有限公司 Sinking restoration structure for steel structure room and restoration method thereof
CN106869196A (en) * 2015-12-14 2017-06-20 中勘冶金勘察设计研究院有限责任公司 For the screw rod jacking rectification and reinforcement of building method on anchor slab basis
CN105926857A (en) * 2016-05-10 2016-09-07 江苏东晟新诚建设集团有限公司 Prefabricated pier and application of prefabricated pier to high-rise reversed beam overhanging scaffold construction
CN106639018A (en) * 2016-11-15 2017-05-10 姚献忠 Unloading building
CN106639018B (en) * 2016-11-15 2022-03-08 姚献忠 Unloading building
CN106522294A (en) * 2016-12-16 2017-03-22 四川省建筑科学研究院 Secondary precise leveling device and method of underground space prefabricated member
CN106760903A (en) * 2017-01-22 2017-05-31 国网山西省电力公司阳泉供电公司 A kind of electric power pylon differential settlement adjusting means
CN107044142A (en) * 2017-04-20 2017-08-15 南京工业大学 Adjustable type reinforcing and rectifying method and structure for reducing uneven settlement of house
CN107327025A (en) * 2017-08-18 2017-11-07 精工工业建筑系统有限公司 A kind of device of freely adjustable crab-bolt length
CN109058597A (en) * 2018-07-25 2018-12-21 南京奥达升智能科技有限公司 A kind of rapid rescue device
CN109138485A (en) * 2018-09-14 2019-01-04 武大巨成结构股份有限公司 A kind of concrete column core cushion block and its application method for building jacking increasing layer
CN111173025A (en) * 2019-12-11 2020-05-19 华中科技大学 A kind of prefabricated substation GIS equipment foundation and its construction method
CN111608175A (en) * 2020-06-12 2020-09-01 湖南城市学院 A kind of reinforcement pile for building bridge
CN112166888A (en) * 2020-09-28 2021-01-05 嘉兴易久农业科技有限责任公司 Big-arch shelter structure for orchard is planted
CN113152509A (en) * 2021-05-10 2021-07-23 中建四局建设发展有限公司 Backfill soft foundation temporary construction foundation construction device and construction method thereof
CN116290078A (en) * 2023-02-07 2023-06-23 重庆大学 A prefabricated retaining wall
CN116290078B (en) * 2023-02-07 2024-05-28 重庆大学 Prefabricated assembled barricade

Also Published As

Publication number Publication date
CN102864795B (en) 2014-11-26

Similar Documents

Publication Publication Date Title
CN102864795B (en) Light steel factory post foundation suitable for sedimentation of filled-in ground and construction method
CN104533105B (en) Steel-encased reinforcing column pre-stressing device
CN102864796B (en) Construction spreading foundation adaptive to filled ground settlement and construction method
CN111021256B (en) Construction method for hoisting heavy-tonnage high-precision steel box girder
CN101876160A (en) Method for installing bracket used for in-situ casting concrete continuous girder bridge on soft soil foundation
CN106836839A (en) Method of jacking up building structure
CN204060020U (en) A kind of Reinforced Concrete Reinforcement structure
CN103726450A (en) Simply-supported slab bridge jack-up method and height-adjustable combined cushion structure applied therein
CN201770942U (en) Support for soft soil foundation cast-in-place concrete continuous beam bridge
CN207863507U (en) A kind of vertical member displacement apparatus for skyscraper floor
CN112095495A (en) Bridge underpinning support structure and construction method
CN108265618A (en) A kind of reverse increasing layer construction method in overpass pier base underground
CN202809636U (en) Light steel plant column foundation adapted to filling subgrade settlement
CN207812523U (en) Anchor jacked pile constructing device
CN110185282B (en) Lifting device for building
CN204780635U (en) Super wide nonprismatic continuous beam 0# piece concreties and relieves construction structures
CN201942994U (en) Bridge bearing pad
CN207739297U (en) A foundation reinforcement rectifying structure
CN108342984B (en) A trestle bridge with weak foundation of tidal flat and its installation and settlement method
CN211228923U (en) Fixing device for pre-buried steel plate under shock insulation support
CN116289651B (en) A bridge pile foundation reinforcement structure and method
CN115420630B (en) Field Load and Direct Shear Test Composite Vertical Loading Mechanism and Its Loading Method
CN110629814A (en) A kind of jacking correction device and operation method of high-rise shear wall structure
CN104763005A (en) Large steel spherical tank inclination rectification method
CN110792042A (en) Anti-overturning reinforcing method for rectangular single-column pier bridge

Legal Events

Date Code Title Description
C06 Publication
PB01 Publication
C10 Entry into substantive examination
SE01 Entry into force of request for substantive examination
C14 Grant of patent or utility model
GR01 Patent grant
CF01 Termination of patent right due to non-payment of annual fee

Granted publication date: 20141126

Termination date: 20151019

EXPY Termination of patent right or utility model