WO2017073023A1 - Power transmission apparatus configured to wirelessly transmit power to an electronic device, method of controlling power transmission apparatus, and storage medium - Google Patents

Power transmission apparatus configured to wirelessly transmit power to an electronic device, method of controlling power transmission apparatus, and storage medium Download PDF

Info

Publication number
WO2017073023A1
WO2017073023A1 PCT/JP2016/004554 JP2016004554W WO2017073023A1 WO 2017073023 A1 WO2017073023 A1 WO 2017073023A1 JP 2016004554 W JP2016004554 W JP 2016004554W WO 2017073023 A1 WO2017073023 A1 WO 2017073023A1
Authority
WO
WIPO (PCT)
Prior art keywords
power
electronic device
power transmission
unit
transmission apparatus
Prior art date
Legal status (The legal status is an assumption and is not a legal conclusion. Google has not performed a legal analysis and makes no representation as to the accuracy of the status listed.)
Ceased
Application number
PCT/JP2016/004554
Other languages
English (en)
French (fr)
Inventor
Nobuyuki Tsukamoto
Current Assignee (The listed assignees may be inaccurate. Google has not performed a legal analysis and makes no representation or warranty as to the accuracy of the list.)
Canon Inc
Original Assignee
Canon Inc
Priority date (The priority date is an assumption and is not a legal conclusion. Google has not performed a legal analysis and makes no representation as to the accuracy of the date listed.)
Filing date
Publication date
Application filed by Canon Inc filed Critical Canon Inc
Priority to EP16859263.2A priority Critical patent/EP3369156B1/en
Priority to KR1020187014778A priority patent/KR20180077207A/ko
Priority to US15/770,727 priority patent/US10868441B2/en
Priority to CN201680063597.1A priority patent/CN108352730B/zh
Publication of WO2017073023A1 publication Critical patent/WO2017073023A1/en
Anticipated expiration legal-status Critical
Ceased legal-status Critical Current

Links

Images

Classifications

    • HELECTRICITY
    • H02GENERATION; CONVERSION OR DISTRIBUTION OF ELECTRIC POWER
    • H02JCIRCUIT ARRANGEMENTS OR SYSTEMS FOR SUPPLYING OR DISTRIBUTING ELECTRIC POWER; SYSTEMS FOR STORING ELECTRIC ENERGY
    • H02J50/00Circuit arrangements or systems for wireless supply or distribution of electric power
    • H02J50/10Circuit arrangements or systems for wireless supply or distribution of electric power using inductive coupling
    • HELECTRICITY
    • H02GENERATION; CONVERSION OR DISTRIBUTION OF ELECTRIC POWER
    • H02JCIRCUIT ARRANGEMENTS OR SYSTEMS FOR SUPPLYING OR DISTRIBUTING ELECTRIC POWER; SYSTEMS FOR STORING ELECTRIC ENERGY
    • H02J50/00Circuit arrangements or systems for wireless supply or distribution of electric power
    • H02J50/80Circuit arrangements or systems for wireless supply or distribution of electric power involving the exchange of data, concerning supply or distribution of electric power, between transmitting devices and receiving devices
    • HELECTRICITY
    • H04ELECTRIC COMMUNICATION TECHNIQUE
    • H04BTRANSMISSION
    • H04B5/00Near-field transmission systems, e.g. inductive or capacitive transmission systems
    • H04B5/70Near-field transmission systems, e.g. inductive or capacitive transmission systems specially adapted for specific purposes
    • H04B5/79Near-field transmission systems, e.g. inductive or capacitive transmission systems specially adapted for specific purposes for data transfer in combination with power transfer
    • HELECTRICITY
    • H04ELECTRIC COMMUNICATION TECHNIQUE
    • H04BTRANSMISSION
    • H04B5/00Near-field transmission systems, e.g. inductive or capacitive transmission systems
    • H04B5/20Near-field transmission systems, e.g. inductive or capacitive transmission systems characterised by the transmission technique; characterised by the transmission medium
    • H04B5/22Capacitive coupling
    • HELECTRICITY
    • H04ELECTRIC COMMUNICATION TECHNIQUE
    • H04BTRANSMISSION
    • H04B5/00Near-field transmission systems, e.g. inductive or capacitive transmission systems
    • H04B5/20Near-field transmission systems, e.g. inductive or capacitive transmission systems characterised by the transmission technique; characterised by the transmission medium
    • H04B5/24Inductive coupling
    • H04B5/26Inductive coupling using coils

Definitions

  • the present disclosure relates to a power transmission apparatus configured to wirelessly transmit power to an electronic device, a method of controlling a power transmission apparatus, and a storage medium.
  • a wireless power transmission system which includes a power transmission apparatus configured to contactlessly transmit power without using a connector for connection, and an electronic device configured to charge a mounted battery using the power transmitted from the power transmission apparatus.
  • a contactless wireless power transmission system it is known to configure the power transmission apparatus so as to transmit power to the electronic device using an electromagnetic induction phenomenon (PTL 1).
  • PTL 1 electromagnetic induction phenomenon
  • the power transmission apparatus so as to be capable of selecting a particular electronic device as a power transmission destination from a plurality of electronic devices.
  • the power transmission apparatus does not control the magnitude of transmission power depending on the electronic device to which the power is transmitted, and thus the power transmission apparatus is not capable of properly determining the power to be transmitted to the electronic device. Therefore, there is a possibility that an excessive amount of power transmission may adversely affect the electronic device to which the power is transmitted.
  • the present disclosure provides a power transmission apparatus including a power transmission unit configured to contactlessly transmit power to an electronic device, a communication unit configured to communicate with the electronic device, and a control unit, wherein the control unit acquires information on a power level receivable by the electronic device via the communication unit, wherein in a case where an instruction for increasing or reducing the power transmitted from the power transmission unit is received from the electronic device via the communication unit, the control unit changes the power transmitted from the power transmission unit, and wherein an amount of the power changed by the control unit at a time according to the instruction varies depending on the power level receivable by the electronic device.
  • Fig. 1 is a diagram illustrating an example of a wireless power transmission system according to a first embodiment.
  • Fig. 2 is a block diagram illustrating an example of a set of constituent elements of a power transmission apparatus.
  • Fig. 3 is a diagram illustrating an example of a detailed configuration of a detection unit.
  • Fig. 4 is a block diagram illustrating an example of a set of constituent elements of an electronic device.
  • Fig. 5 is a diagram illustrating an example of NDEF message information for authentication.
  • Fig. 6 is a flow chart illustrating a processing procedure performed by a power transmission apparatus to determine an amount of transmission power.
  • Fig. 7 is a diagram illustrating an example of status exchange NDEF message information according to the first embodiment.
  • Fig. 1 is a diagram illustrating an example of a wireless power transmission system according to a first embodiment.
  • Fig. 2 is a block diagram illustrating an example of a set of constituent elements of a power transmission apparatus.
  • Fig. 3 is
  • FIG. 8 is a flow chart illustrating a processing procedure performed by a power transmission apparatus to determine an amount of an increase or reduction in transmission power according to the first embodiment.
  • Fig. 9 is a diagram illustrating an example of status exchange NDEF message information according to a second embodiment.
  • Fig. 10 is a flow chart illustrating a processing procedure performed by a power transmission apparatus to determine an amount of an increase or reduction in transmission power according to the second embodiment.
  • a wireless power transmission system includes a power transmission apparatus 100 and an electronic device 200.
  • the power transmission apparatus 100 may wirelessly transmit power to the electronic device 200.
  • the electronic device 200 When the electronic device 200 exists within a predetermined range from the power transmission apparatus 100, the electronic device 200 is capable of wirelessly receiving power output from the power transmission apparatus 100. However, when the electronic device 200 does not exist within the predetermined range from the power transmission apparatus 100, the electronic device 200 is not capable of receiving power from the power transmission apparatus 100.
  • the predetermined range is a range in which the power transmission apparatus 100 and the electronic device 200 are capable of communicating with each other. In the first embodiment, it is assumed by way of example but not limitation that the predetermined range is a range covering a housing of the power transmission apparatus 100.
  • the power transmission apparatus 100 may be configured to be capable of wirelessly transmitting power to a plurality of electronic devices.
  • the electronic device 200 may be an image capturing apparatus such as a camera or the like, or a playback apparatus configured to play audio data, image data, or the like.
  • the electronic device 200 may be a communication apparatus such as a portable telephone, a smartphone, or the like.
  • the electronic device 200 may be a battery pack including a battery.
  • the electronic device 200 may be an apparatus such as a vehicle driven by power supplied from the power transmission apparatus 100.
  • the electronic device 200 may an apparatus configured to receive a television broadcast program, a display configured to display image data, a personal computer, or the like.
  • the electronic device 200 may be an apparatus configured to be capable of operating using power supplied from the power transmission apparatus 100 even in a state in which no battery is mounted on the apparatus.
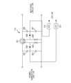
  • Fig. 2 is a block diagram illustrating an example of a set of constituent elements of the power transmission apparatus 100.
  • the power transmission apparatus 100 includes, as shown in Fig. 2, a conversion unit 101, an oscillator 102, a power generation unit 103, a matching circuit 104, an NFC communication unit 105, a power transmission antenna 106, and a central processing unit (CPU) 107.
  • the power transmission apparatus 100 further includes a ROM 108, a RAM 109, a display unit 110, an operation unit 111, a wireless communication unit 112, and a detection unit 113.
  • the conversion unit 101 converts AC power supplied from this AC power supply to DC power and supplies the converted DC power to the power transmission apparatus 100.
  • the oscillator 102 oscillates a frequency used to control the power generation unit 103 such that the power supplied from the conversion unit 101 is equal to a target value of power set by the CPU 107.
  • the oscillator 102 may be a crystal oscillator or the like.
  • the power generation unit 103 generates power to be output to the outside via the power transmission antenna 106, based on the power supplied from the conversion unit 101 and the frequency oscillated by the oscillator 102.
  • the power generation unit 103 internally includes an amplifier or the like to generate power to be output to the outside depending on the frequency oscillated by the oscillator 102. Note that the power generated by the power generation unit 103 is supplied to the matching circuit 104 via the detection unit 113.
  • the power generation unit 103 generates two types of power, that is, communication power and transmission power.
  • the power transmission apparatus 100 performs wireless communication between the power transmission apparatus 100 and the electronic device 200 based on the Near Field Communication (NFC) standard.
  • the communication power is power that is supplied to the electronic device 200 to allow the power transmission apparatus 100 to perform wireless communication according to the NFC standard (NFCIP-1 (ISO/IEC 18092) or NFCIP-2 (ISO/IEC 21481)).
  • the transmission power is power that is supplied from the power transmission apparatus 100 to the electronic device 200 to allow the electronic device 200 to charge the battery 212.
  • the communication power is equal to or smaller than, for example, 1 W, while the transmission power is equal to or greater than, for example, 1 W.
  • the communication power may be lower than the transmission power. Note that the communication power does not necessarily need to be equal to or lower than 1 W as long as it is used by the power transmission apparatus 100 to perform wireless communication according to the NFC standard, and the transmission power does not necessarily need to be equal to or greater than 1 W as long as it is used by the power transmission apparatus 100 to allow the electronic device 200 to perform charging.
  • the CPU 107 is capable of adjusting the transmission power by changing the voltage of the amplifier of the power generation unit 103 thereby changing the power generated by the power generation unit 103.
  • the matching circuit 104 is a resonance circuit that allows resonance to occur between the power transmission antenna 106 and the power reception antenna 201 of the electronic device 200 shown in Fig. 4.
  • the matching circuit 104 includes a circuit for achieving impedance matching between the power generation unit 103 and the power transmission antenna 106.
  • the matching circuit 104 includes a coil (not illustrated) and a capacitor (not illustrated).
  • the CPU 107 controls the resonance frequency f of the power transmission antenna 106 so as to be equal to a particular frequency to achieve resonance between the power transmission antenna 106 and the power reception antenna 201 of the electronic device 200. More specifically, the CPU 107 changes the resonance frequency f of the power transmission antenna 106 by controlling a value of inductance included in the matching circuit 104 and a value of capacitance included in the matching circuit 104.
  • the particular frequency is a frequency used in performing wireless communication according to the NFC standard between the power transmission apparatus 100 and the electronic device 200. Note that the particular frequency is also a frequency at which resonance occurs between the power transmission apparatus 100 and the electronic device 200.
  • the particular frequency may be, for example, 13.56 MHz.
  • the matching circuit 104 is capable of detecting a current flowing through the power transmission antenna 106 and detecting a voltage supplied to the power transmission antenna 106.
  • the matching circuit 104 notifies the CPU 107 of the detected value of the current of the power transmission antenna 106 and the detected value of the voltage of the power transmission antenna 106. Furthermore, the matching circuit 104 notifies the NFC communication unit 105 of the detected value of the current of the power transmission antenna 106.
  • the NFC communication unit 105 performs wireless communication according to the NFC standard. In a case where the resonance frequency f of the power transmission antenna 106 is 13.56 MHz and the power transmission apparatus 100 is supplying communication power to the electronic device 200, the NFC communication unit 105 is capable of performing wireless communication according to the NFC standard with the electronic device 200 via the power transmission antenna 106. On the other hand, in a case where the frequency oscillated by the oscillator 102 is 13.56 MHz and the power transmission apparatus 100 is supplying transmission power to the electronic device 200, the NFC communication unit 105 is not capable of performing wireless communication according to the NFC standard with the electronic device 200 via the power transmission antenna 106.
  • the NFC communication unit 105 superimposes a command on communication power and transmits it to the electronic device 200 via the power transmission antenna 106.
  • the NFC communication unit 105 performs ASK (Amplitude Shift Keying) modulation, based on an NFC standard protocol, on the communication power generated by the power generation unit 103.
  • the ASK modulation is performed using amplitude displacement, and is used in communication between an IC card and a card reader.
  • the NFC communication unit 105 transmits the generated pulse signal representing the command to the electronic device 200 via the power transmission antenna 106.
  • the electronic device 200 analyzes the pulse signal received from the power transmission apparatus 100 to acquire bit data including information of "1" and information of "0", and performs a process indicated by the bit data.
  • the electronic device 200 modulates a load included in the electronic device 200 thereby transmitting response data corresponding to the received command to the power transmission apparatus 100.
  • the NFC communication unit 105 is capable of receiving the response data from the electronic device 200 by demodulating, using a demodulation circuit (not illustrated) in the NFC communication unit 105, the value of the current flowing through the power transmission antenna 106 supplied from the matching circuit 104.
  • the power transmission antenna 106 is an antenna for outputting power generated by the power generation unit 103 to the outside.
  • the power transmission apparatus 100 is capable of supplying power to the electronic device 200 via the power transmission antenna 106 and transmitting a command to the electronic device 200 via the power transmission antenna 106. Furthermore, the power transmission apparatus 100 is capable of receiving, from the electronic device 200 via the power transmission antenna 106, a command and response data corresponding to the command transmitted from the electronic device 200.
  • the CPU 107 controls the power transmission apparatus 100 by executing a computer program stored in the ROM 108.
  • the CPU 107 controls power supplied to the electronic device 200 by controlling the power generation unit 103.
  • the CPU 107 includes a timer 107a configured to measure a time elapsed since the start of the outputting of the communication power.
  • the ROM 108 stores the computer program for controlling the power transmission apparatus 100 and information such as a parameter associated with the power transmission apparatus 100.
  • the RAM 109 is a rewritable memory, in which a computer program for controlling the power transmission apparatus 100, information such as a parameter associated with the power transmission apparatus 100, data received from the electronic device 200 via the NFC communication unit 105, and the like are stored.
  • the display unit 110 displays image data supplied from one of the RAM 109 and the ROM 108.
  • the operation unit 111 provides a user interface for operating the power transmission apparatus 100.
  • the operation unit 111 includes a power button of the power transmission apparatus 100, a mode switching button of the power transmission apparatus 100, and the like, wherein each button is realized using a switch, a touch panel, or the like.
  • the CPU 107 controls the power transmission apparatus 100 according to an input signal given via the operation unit 111.
  • the wireless communication unit 112 performs wireless communication different from the wireless communication according to the NFC standard. More specifically, the wireless communication unit 112 performs wireless communication over a communication range longer than that supported in the wireless communication according to the NFC standard, and the wireless communication unit 112 performs the wireless communication using a frequency band different from that used in the wireless communication according to the NFC standard. More specifically, for example, the wireless communication unit 112 performs wireless communication according to a wireless LAN (Local Area Network) standard.
  • a wireless LAN Local Area Network
  • Fig. 3 illustrates an example of a configuration of the detection unit 113.
  • the detection unit 113 includes, as shown in Fig. 3, a toroidal core 301, capacitors 302 and 303, a diode 304, a resistor 305, capacitors 306 and 307, a diode 308, and a resistor 309. Furthermore, the detection unit 113 includes analog-to-digital converters 310 and 311.
  • the detection unit 113 detects a travelling wave of power output from the power transmission antenna 106 as a voltage across the capacitor 307 occurring via CM (capacitive and inductive) coupling. Furthermore, the detection unit 113 converts the detected voltage of the capacitor 307 from an analog value to a digital value using the analog-to-digital converter 310, and supplies the resultant value to the CPU 107. Furthermore, the detection unit 113 detects a reflected wave of power output from the power transmission antenna 106 as a voltage across the capacitor 303 occurring via CM coupling. Furthermore, the detection unit 113 converts the detected voltage of the capacitor 303 from an analog value to a digital value using the analog-to-digital converter 311, and supplies the resultant value to the CPU 107.
  • CM capactive and inductive
  • the CPU 107 detects the voltage supplied from the analog-to-digital converter 310 as an amplitude voltage V1 of the travelling wave, and detects the voltage supplied from the analog-to-digital converter 311 as an amplitude voltage V2 of the travelling wave.
  • the CPU 107 determines the voltage reflection coefficient ⁇ from the amplitude voltage V1 of the travelling wave and the amplitude voltage V2 of the reflected wave. Furthermore, the CPU 107 periodically calculates a voltage standing wave ratio VSWR from the voltage reflection coefficient ⁇ .
  • the voltage standing wave ratio VSWR is a value indicating a relationship between the travelling wave of the power output from the power transmission antenna 106 and the reflected wave of the power output from the power transmission antenna 106. As the value of the voltage standing wave ratio VSWR is closer to 1, the reflected power is lower, that is, the power is supplied from the power transmission apparatus 100 to an external electronic device in a highly efficient manner with a small loss.
  • the voltage reflection coefficient ⁇ is given by formula (1) shown below, and the voltage standing wave ratio VSWR is given by formula (2).
  • V2/V1 (1)
  • VSWR (1 + ⁇ )/(1 - ⁇ ) (2)
  • the CPU 107 is capable of detecting whether there is a non-target object close to the power transmission apparatus 100 according to the calculated VSWR. Furthermore, the CPU 107 is capable of detecting whether the electronic device 200 exists close to the power transmission apparatus 100 according to the calculated VSWR.
  • Fig. 4 is a block diagram illustrating an example of a set of constituent elements of the electronic device 200.
  • the electronic device 200 includes, as shown in Fig. 4, a power reception antenna 201, a matching circuit 202, a rectifying-and-smoothing circuit 203, an NFC communication unit 204, a regulator 205, a CPU 206, a ROM 207 and a RAM 208.
  • the electronic device 200 also includes a first connection unit 209, a second connection unit 210, a charge control unit 211, a battery 212, an oscillator 213, a power generation unit 214, an operation unit 215, an image processing unit 216 and a switching unit 220.
  • the power reception antenna 201 is an antenna for receiving power supplied from the power transmission apparatus 100.
  • the electronic device 200 is allowed to receive power from the power transmission apparatus 100 via the power reception antenna 201 or perform wireless communication with the power transmission apparatus 100 according to the NFC standard via the power reception antenna 201. In a case where the electronic device 200 receives a command from the power transmission apparatus 100 via the power reception antenna 201, the electronic device 200 transmits, to the power transmission apparatus 100, response data corresponding to the command received from the power transmission apparatus 100.
  • the matching circuit 202 is a resonance circuit for providing resonance between the power transmission antenna 106 and the power reception antenna 201 at the same frequency as the resonance frequency f of the power transmission antenna 106.
  • the matching circuit 202 includes a circuit for achieving impedance matching between the power reception antenna 201 and the rectifying-and-smoothing circuit 203.
  • the matching circuit 202 includes a not-illustrated coil and a not-illustrated capacitor.
  • the CPU 206 controls the value of the inductance of the coil and the value of the capacitance of the capacitor included in the matching circuit 202 such that the power reception antenna 201 has resonance at the same frequency as the resonance frequency f of the power transmission antenna 106.
  • the matching circuit 202 supplies power received via the power reception antenna 201 to the rectifying-and-smoothing circuit 203.
  • the rectifying-and-smoothing circuit 203 removes the command and noise from the power supplied from the matching circuit 202 thereby generating DC power.
  • the rectifying-and-smoothing circuit 203 supplies the generated DC power to the regulator 205.
  • the rectifying-and-smoothing circuit 203 supplies the command extracted from the power received via the power reception antenna 201 to the NFC communication unit 204.
  • the NFC communication unit 204 performs wireless communication according to the NFC standard.
  • the NFC communication unit 204 analyzes the command supplied from the rectifying-and-smoothing circuit 203 according to the protocol of the NFC standard, and supplies a result of the analysis on the command to the CPU 206.
  • the CPU 206 transmits response data in response to the received command to the power transmission apparatus 100.
  • the CPU 206 controls the NFC communication unit 204 so as to vary the load in the NFC communication unit 204.
  • the response data is stored, in the ROM 207 or the RAM 208, in the NDEF (NFC Data Exchange Format) format according to the NFC forum standard.
  • Types of the response data include NDEF message information for authentication, status exchange NDEF message information, and the like.
  • the NDEF message information for authentication is information transmitted when device authentication is performed between the power transmission apparatus 100 and the electronic device 200. Details of the NDEF message information for authentication will be described later.
  • the CPU 206 transmits, via the NFC communication unit 204, the status exchange NDEF message information at predetermined intervals to the power transmission apparatus 100.
  • the status exchange NDEF message information is information for adjusting the transmission power at the side of the power transmission apparatus 100.
  • the status exchange NDEF message information is updated depending on the state of the electronic device 200.
  • the CPU 206 refers to information associated with the battery 212 supplied from the charge control unit 211, information indicating the temperature of the electronic device 200, or the like, and the CPU 206 updates the status exchange NDEF message information depending on the information. Details of the status exchange NDEF message information will be described later.
  • the regulator 205 performs control such that power is supplied to the electronic device 200 from one of the following: the rectifying-and-smoothing circuit 203; the battery 212; the first connection unit 209; and the second connection unit 210.
  • the regulator 205 supplies, to the electronic device 200, the power supplied from the power transmission apparatus 100 via the rectifying-and-smoothing circuit 203.
  • the regulator 205 supplies, to the electronic device 200, the power supplied from the battery 212 via the charge control unit 211.
  • the regulator 205 supplies, to the electronic device 200, the power supplied from the first connection unit 209.
  • the regulator 205 supplies, to the electronic device 200, the power supplied from the second connection unit 210.
  • the CPU 206 determines which one of commands has been received via the NFC communication unit 204, and controls the electronic device 200 such that the electronic device 200 performs a process or an operation specified by the received command.
  • the CPU 206 controls the electronic device 200 by executing a computer program stored in the ROM 207.
  • the CPU 206 is capable of receiving a result of a measurement performed by a temperature detection unit (not illustrated) to acquire information on the temperature of the electronic device 200.
  • the ROM 207 stores a computer program for controlling the electronic device 200 and information associated with the electronic device 200.
  • the RAM 208 is a rewritable memory, and is used to store a computer program for controlling the electronic device 200 data transmitted from the power transmission apparatus 100, and the like.
  • the first connection unit 209 includes a terminal for connecting to a commercial power supply (not illustrated). In a case where the first connection unit 209 is connected to a commercial power supply, the first connection unit 209 detects that the electronic device 200 is connected to the commercial power supply. On the other hand, in a case where the first connection unit 209 is not connected to a commercial power supply, the first connection unit 209 detects that the electronic device 200 is not connected to a commercial power supply. In the case where the first connection unit 209 is connected to a commercial power supply, the first connection unit 209 converts AC power supplied from the commercial power supply to DC power and supplies the converted DC power to the regulator 205.
  • the second connection unit 210 includes a terminal for connecting to an external power supply apparatus.
  • the second connection unit 210 is connected to an external power supply apparatus via a USB (Universal Serial Bus) cable.
  • the external power supply apparatus is a host device capable of supplying power to the electronic device 200 via the USB cable, and an example of such a host device is a personal computer.
  • the second connection unit 210 detects that the electronic device 200 is connected to the external power supply apparatus. In a case where the second connection unit 210 is not connected to the external power supply apparatus via the USB cable, the second connection unit 210 detects that the electronic device 200 is not connected to the external power supply apparatus. In the case where the second connection unit 210 is connected to the external power supply apparatus, the second connection unit 210 supplies, to regulator 205, the power supplied from the external power supply apparatus.
  • the charge control unit 211 charges the battery 212 using the power supplied from the regulator 205.
  • the charge control unit 211 supplies discharging power supplied from the battery 212 to the regulator 205.
  • the charge control unit 211 periodically detects information indicating the remaining charge of the battery 212 and information associated with the charging of the battery 212, and notifies the CPU 206 of the detected information.
  • the battery 212 is a battery removably mounted on the electronic device 200.
  • the battery 212 is a rechargeable secondary battery, such as a lithium-ion battery or the like. Note that the battery 212 may be a battery of a type other than lithium-ion battery.
  • the oscillator 213 oscillates a frequency for use in controlling the power generation unit 214 such that the power supplied from the regulator 205 via the switching unit 220 is converted to a target value of power set by the CPU 206.
  • the oscillator 213 a crystal oscillator or the like is used.
  • the power generation unit 214 generates power to be output to the outside via the power reception antenna 201, based on the power supplied from the regulator 205 and the frequency oscillated by the oscillator 213.
  • the power generation unit 214 internally includes a FET and the like to generate power to be output to the outside depending on the frequency oscillated by the oscillator 213.
  • the power generated by the power generation unit 214 is supplied to the NFC communication unit 204. Note that the power generated by the power generation unit 103 is communication power.
  • the CPU 206 controls the switching unit 220 such that the oscillator 213 and the regulator 205 are not connected to each other, and stops the operation of the power generation unit 214.
  • the CPU 206 controls the switching unit 220 such that the oscillator 213 and the regulator 205 are connected to each other, and starts the operation of the power generation unit 214.
  • the NFC communication unit 204 superimposes the command on the communication power supplied from the power generation unit 214 and transmits the command superimposed on the communication power to the power transmission apparatus 100 via the power reception antenna 201.
  • the operation unit 215 is a user interface for operating the electronic device 200.
  • the operation unit 215 includes a power button for operating the electronic device 200 and a mode switching button for switching the mode of the electronic device 200, wherein each button is realized using a switch, a touch panel, or the like.
  • the operation unit 215 supplies a signal corresponding to the operation performed by the user to the CPU 206.
  • the operation unit 215 may be an operation unit configured to control the electronic device 200 in accordance with a remote control signal received from a remote control (not illustrated).
  • the image processing unit 216 includes an image capture unit 217, a wireless communication unit 218, and a recording unit 219.
  • the image capture unit 217 includes an image sensing device for generating image data from an optical image of an object, an image processing circuit configured to perform image processing on the image data generated by the image sensing device, and a compression/decompression circuit for compressing the image data and decompressing the compressed image data, and the like.
  • the image capture unit 217 captures an image of an object and supplies image data of a still image, a moving image, or the like obtained as a result of the capturing to the recording unit 219.
  • the recording unit 219 records, in a recording medium 219a, the image data supplied from the image capture unit 217.
  • the image capture unit 217 may further include another element for use in capturing an image of an object.
  • the wireless communication unit 218 is capable of transmitting image data and audio data recorded in the ROM 207 or the recording medium 219a to the power transmission apparatus 100 and receiving image data and audio data from the power transmission apparatus 100. Furthermore, the wireless communication unit 218 transmits and receives image data and audio data according to a communication protocol which is common to the wireless communication unit 112. For example, the wireless communication unit 218 performs wireless communication according to the wireless LAN standard as with the wireless communication unit 112.
  • the recording unit 219 records, in the recording medium 219a, data such as image data, audio data, or the like supplied from one of the wireless communication unit 218 and the image capture unit 217.
  • the recording unit 219 is also capable of reading data such as image data, audio data, or the like from the recording medium 219a and supplying it to one of the RAM 208 and the wireless communication unit 218.
  • the recording medium 219a may be a hard disk, a memory card, or the like, and the recording medium 219a may be installed in the electronic device 200 or the recording medium 219a may be an external storage medium removably mounted on the electronic device 200.
  • the image processing unit 216 includes a unit that receives power from the regulator 205 when the power of the electronic device 200 is in an ON-state, and thus the image processing unit 216 may further include a display unit for displaying image data, a unit for performing mail transmission/reception, or the like in addition to the image capture unit 217, the wireless communication unit 218, the recording unit 219, and the recording medium 219a.
  • the switching unit 220 includes a switch for connecting the oscillator 213 and the regulator 205 to each other. In a case where the switching unit 220 is in the ON-state, the oscillator 213 and the regulator 205 are connected to each other. In a case where the switching unit 220 is not in the ON-state, the oscillator 213 and the regulator 205 are not connected to each other.
  • the CPU 206 controls the switching unit 220 to be in the OFF or ON state depending on whether a command defined in the NFC standard is transmitted or not.
  • the power transmission antenna 106 and the power reception antenna 201 each may be a loop antenna or a panel antenna such as a meander line antenna or the like.
  • the power transmission apparatus 100 uses magnetic resonance method in performing wireless power transmission to the electronic device 200.
  • the power transmission apparatus 100 may use electric field coupling in performing wireless power transmission to the electronic device 200.
  • the power transmission apparatus 100 and the electronic device 200 each need to have an electrode such that power is wirelessly supplied from the electrode of the power transmission apparatus 100 to the electrode of the electronic device 200.
  • the power transmission apparatus 100 may use electromagnetic induction in performing wireless power transmission to the electronic device 200.
  • the power transmission apparatus 100 may perform wireless power transmission to the electronic device 200 based on the standard (Qi standard) defined in WPC (Wireless Power Consortium).
  • the power transmission apparatus 100 may perform wireless power transmission to the electronic device 200 based on the standard defined in CEA (Consumer Electronics Association). Note that the term “wirelessly” used in the context "the power transmission apparatus 100 wirelessly supplies power to the electronic device 200" may be replaced with "contactlessly" or "without contacts”.
  • the power transmission apparatus 100 performs wireless communication with the electronic device 200 according to the NFC standard.
  • the CPU 107 controls the resonance frequency f of the power transmission antenna 106 in the power transmission apparatus 100 so as to be equal to 13.56 MHz. (Example of NDEF message information for authentication)
  • Fig. 5 is a diagram illustrating an example of NDEF message information for use in device authentication in wireless power transmission, wherein this NDEF message information for authentication is stored in the ROM 207 or the RAM 208 of the electronic device 200 according to the first embodiment.
  • the NDEF message information for authentication includes an NDEF record in which an NDEF header 400, a record type 401, and a payload 402 are described for authenticating that the electronic device 200 is a valid device having a wireless power transmission capability.
  • the NDEF header 400 includes information indicating a start or an end of the NDEF message and information indicating a payload length.
  • the record type 401 represents a type of the NDEF record. In the first embodiment, the record type 401 is character string information including "W", "P", "T” indicating that this NDEF record is for use in authenticating that the device of interest is a valid device having the wireless power transmission capability.
  • the payload 402 indicates a product ID which is an ID uniquely assigned to each valid device having the wireless power transmission capability.
  • the power transmission apparatus 100 acquires, via NFC communication, the NDEF record (the NDEF header 400, the record type 401, the payload 402) in the NDEF message information for authentication stored in the electronic device 200 thereby authenticating whether the electronic device 200 has the wireless power transmission capability.
  • the NDEF record (the NDEF header 400, the record type 401, the payload 402) in the NDEF message information for authentication stored in the electronic device 200 thereby authenticating whether the electronic device 200 has the wireless power transmission capability.
  • the NDEF header 403, the record type 404, and the payload 405 are described in the NDEF record for indicating a power level that can be received by the device having the wireless power transmission capability.
  • the NDEF header 403 includes information indicating a start or an end of an NDEF message and information indicating a payload length.
  • the record type 404 indicates a type of the NDEF record. In the first embodiment, the record type 404 is character string information including "P", "L" representing that this NDEF record is for indicating a power level that can be received by the device having the wireless power transmission capability.
  • the payload 405 indicates a power level receivable by the device having the wireless power transmission capability. In a case where the payload 405 is "1", this indicates that the receivable power level is a high power level, while when the payload 405 is "2", this indicates that the receivable power level is a middle power level. In a case where payload 405 is "3”, this indicates that the receivable power level is a low power level.
  • the power level is information indicating one of power ranges defined depending on maximum power that can be received by a device having the wireless power transmission capability (hereinafter such maximum power will be referred to as maximum allowable reception power).
  • the power levels are defined, for example, such that a high power level is in a power range up to 10 W, a middle power level is in a power range up to 5 W, a low power level is in a power range up to 1 W, or the like.
  • the power transmission apparatus 100 reads, via NFC communication performed by the NFC communication unit 105, the NDEF record (the NDEF header 403, the record type 404, and the payload 405) in the NDEF message information for authentication stored in the electronic device 200. Thus the power transmission apparatus 100 can acquire information on the power level (maximum allowable reception power) of the electronic device 200.
  • Fig. 6 is a flow chart of a processing procedure performed by the power transmission apparatus 100 to determine a magnitude of transmission power (hereafter referred to as an actual power level) according to the first embodiment.
  • the process shown in Fig. 6 is performed by the power transmission apparatus 100 when the power switch disposed in the operation unit 111 of the power transmission apparatus 100 is turned on by a user and when the power transmission apparatus 100 goes to a state in which the power transmission apparatus 100 is allowed to transmit power.
  • a program for controlling the process shown in this flow chart is executed by the CPU 107, wherein the program is stored in the ROM 108.
  • the CPU 107 detects whether the distance between the power transmission apparatus 100 and the electronic device 200 is within a predetermined range. In this process, the CPU 107 controls the oscillator 102, the power generation unit 103 and the matching circuit 104 so as to output communication power. In a method of the detection, the CPU 107 acquires, from the analog-to-digital converter 310, a value of the amplitude voltage V1 of the travelling wave detected by the detection unit 113, and acquires, from the analog-to-digital converter 311, a value of the amplitude voltage V2 of the reflected wave of the voltage travelling wave.
  • the CPU 107 periodically calculates VSWR based on the acquired amplitude voltage V1 of the travelling wave and the amplitude voltage V2 of the reflected wave.
  • the CPU 107 determines whether the electronic device 200 exists within the predetermined range based on the calculated value of VSWR. In the determination, in a case where the calculated value of VSWR is equal to or larger than a predetermined value, the CPU 107 determines that the electronic device 200 exists within the predetermined range. Conversely, in a case where the calculated value of VSWR is smaller than the predetermined value, the CPU 107 determines that the electronic device 200 does not exist within the predetermined range.
  • the processing flow waits for a predetermined period and then returns to S601 to repeat the process. In a case where the CPU 107 determines in S601 from the calculated value of VSWR that the electronic device 200 exists within the predetermined range, the processing flow proceeds to S602.
  • the CPU 107 In S602, according to the authentication program stored in the ROM 108, the CPU 107 generates an ASK-modulation signal using the NFC communication unit 105, and receives a load-modulation signal thereby performing a device authentication process according to ISO14443-3, ISO18092, NFCDigital Protocol, or the like. For example, in S602, the CPU 107 controls the NFC communication unit 105 to go into an NFC reader/writer mode, and transmits a command to read NDEF message information for authentication such as that shown in Fig. 5 stored in the electronic device 200. Note that in the first embodiment, it is assumed by way of example that in the NFC communication, the power transmission apparatus 100 operates in the NFC reader/writer mode, and the electronic device 200 operates in the NFC card emulation mode. Alternatively, the power transmission apparatus 100 and the electronic device 200 may both operate in a P2P mode in the NFC communication.
  • the CPU 107 waits in S603 until the CPU 107 receives NDEF message information for authentication stored in the electronic device 200. In a case where NDEF message information for authentication is received, it is stored in the RAM 109. In this case, the CPU 107 checks the record type 401 and the payload 402 in the NDEF message stored in the electronic device 200.
  • the CPU 107 confirms that the record type 401 is "W”, “P", "T”, and that the payload 402 indicates a registered product ID.
  • the confirmation described above is successful, it is determined that the electronic device 200 is a valid device having the wireless power transmission capability, and the processing flow proceeds to S604.
  • the CPU 107 makes a comparison between a transmission-side power level that can be transmitted from the power transmission apparatus 100 and a reception-side power level that can be received by the electronic device 200.
  • the information on the transmission-side power level that can be transmitted from the power transmission apparatus 100 is stored in advance in the ROM 108 or the RAM 109.
  • the reception-side power level that can be received by the electronic device 200 can be determined from the NDEF header 403, the record type 404, and the payload 405 in the NDEF message information for authentication.
  • the transmission-side power level and the reception-side power level are classified into a plurality of ranges, for example, a high power level, a middle power level, and a low power level depending on the maximum allowable reception power of a valid device having the wireless power transmission capability.
  • the CPU 107 compares the transmission-side power level with the reception-side power level. If they are the same (for example, if they are both the high power level), the processing flow proceeds to S605. In S605, the CPU 107 determines the transmission-side power level as the actual power level. For example, in a case where the transmission-side power level and the reception-side power level are both the high power level, the CPU 107 determines the actual power level as the high power level. After the actual power level is determined in S605, the processing flow proceeds to S606.
  • the CPU 107 controls the NFC communication unit 105 to transmit a wireless power transmission start command to the electronic device 200.
  • the wireless power transmission start command is an NDEF message and includes actual power level information determined in S605. After transmitting the wireless power transmission start command to the electronic device 200, the processing flow proceeds to S614.
  • the CPU 107 starts power transmission while controlling the magnitude of the power generated by the power generation unit 103 by adjusting the amplifier voltage of the power generation unit 103 such that the magnitude of the transmission power does not exceed the actual power level. For example, in a case where it is determined in S605 that the actual power level is a high power level, the CPU 107 performs power transmission while controlling the magnitude of the transmission power such that it does not exceed 10 W which is the maximum value of a high power level.
  • the process flow proceeds to S607.
  • the CPU 107 determines whether the reception power level is larger than the transmission power level. In a case where the reception power level is larger than the transmission power level, the processing flow proceeds to S608. However, in a case where the reception power level is not larger than the transmission power level, the processing flow proceeds to S612.
  • the CPU 107 determines that the actual power level is a middle power level. In a case where the transmission-side power level is a high power level, and the reception-side power level is a middle power level, the CPU 107 determines that the actual power level is a middle power level. After the actual power level is determined in S608 or S612, the processing flow proceeds to S609.
  • the CPU 107 controls the NFC communication unit 105 to transmit a wireless power transmission start command to the electronic device 200.
  • the wireless power transmission start command is an NDEF message and includes actual power level information determined in S608 or S612.
  • the CPU 206 of the electronic device 200 makes a determination, taking into information associated with the battery 212 input from the charge control unit 211, the temperature of the main part of the electronic device 200, and the like, as to whether it is allowed to perform charging with the actual power level without having a problem.
  • the CPU 206 transmits, to the power transmission apparatus 100 via the NFC communication unit 204, a wireless power transmission start response indicating whether the start of the wireless transmission is permitted or not permitted.
  • the CPU 107 waits until a wireless power transmission start response is received from the electronic device 200 in response to the wireless power transmission start command transmitted in S609 to the electronic device 200. In a case where a wireless power transmission start response is received from the electronic device 200, the processing flow proceeds to S611. On the other hand, in a case where in S610, the CPU 107 has not received a wireless power transmission start response from the electronic device 200 within a predetermined period, the processing flow proceeds to S613.
  • the CPU 107 checks the wireless power transmission start response received as an NDEF message. The CPU 107 then determines from the wireless power transmission start response whether the power transmission with the actual power level is permitted. In a case where the CPU 107 determines, from the wireless power transmission start response received from the electronic device 200, that the power transmission with the actual power level is permitted, the processing flow proceeds to S614 described above. On the other hand, in a case where the CPU 107 determines, from the wireless power transmission start response received from the electronic device 200, that the power transmission with the actual power level is not permitted, the processing flow proceeds to S613.
  • the CPU 107 reduces the actual power level by one step from the value included in the wireless power transmission start command transmitted in S609, and the processing flow returns to S609.
  • the CPU 107 transmits, to the electronic device 200 via the NFC communication unit 105, a wireless power transmission start command including information indicating the actual power level reduced by one step.
  • the CPU 107 transmits to the electronic device 200 the wireless power transmission start command including information indicating that the actual power level is a middle power level. Thereafter, the processing flow proceeds to S611. In a case where the CPU 107 determines in S611 that the power transmission with a middle power level is not permitted, then in S613, the CPU 107 changes the actual power level to a low power level. Thereafter, the processing flow returns to S609, in which the CPU 107 again transmits, to the electronic device 200 via the NFC communication unit 105, the wireless power transmission start command.
  • the wireless power transmission start command is transmitted to the electronic device 200 and the power transmitted is started.
  • the actual power level may be reduced depending on the wireless power transmission start response.
  • the same process as S610 is performed to receive a wireless power transmission start response, and if it indicates that the start of wireless power transmission is permitted, then the processing flow proceeds to S614.
  • the CPU 107 receives via the NFC communication unit 105 status exchange NDEF message information from the electronic device 200 periodically at predetermined intervals.
  • the CPU 107 may adjust the interval of the communication performed by the NFC communication unit 105 depending on the actual power level. More specifically, the CPU 107 may perform the adjustment such that as the actual power level is high, the interval of the communication performed by the NFC communication unit 105 is reduced more thereby increasing safety.
  • the CPU 107 acquires, via communication using the NFC communication unit 105, information on the battery of the electronic device 200, temperature information, error information, or the like from the electronic device 200.
  • the CPU 107 sets 1 second as the interval of the communication performed by the NFC communication unit 105.
  • the CPU 107 sets 3 seconds as the interval of the communication performed by the NFC communication unit 105.
  • the safety level is high, and thus the CPU 107 sets 10 seconds as the interval of the communication performed by the NFC communication unit 105.
  • Fig. 7 is a diagram illustrating an example of status exchange NDEF message information stored in the ROM 207 or the RAM 208 of the electronic device 200 according to the first embodiment.
  • the status exchange NDEF message information as shown in Fig. 7, an NDEF header 701 and a record type 702 are described in an NDEF record to indicate the status of the electronic device 200.
  • the NDEF header 701 includes information indicating a start or an end of an NDEF message and information indicating a payload length.
  • the record type 702 indicates a type of the NDEF record. In the first embodiment, the record type 702 is character string information of "S", "T" representing that this NDEF record is for indicating the status of the electronic device 200.
  • the power transmission apparatus 100 acquires via NFC communication the NDEF record (the NDEF header 701 and the record type 702) in the status exchange NDEF message information stored in the electronic device 200. Thus the power transmission apparatus 100 can detect that NDEF information will follow that indicates the status of the electronic device 200.
  • the status exchange NDEF message information includes the NDEF record for use by a device having the wireless power transmission capability to request to increase or reduce the transmission power wherein the NDEF record includes an NDEF header 703, a record type 704, and a payload 705.
  • the NDEF header 703 includes information indicating a start or an end of an NDEF message and information indicating a payload length.
  • the record type 704 indicates a type of the NDEF record. In the first embodiment, the record type 704 is character string information of "A", "P", "R” indicating that this NDEF record is for use by a device having the wireless power transmission capability to request an increase/decrease in transmission power.
  • the payload 705 indicates whether maintaining in the current transmission power level or an increase or reduction from the current transmission power level is requested by a device having the wireless power transmission capability. In a case where the payload 705 is "0", this indicates that maintaining in the current transmission power level is requested by the device having the wireless power transmission capability. In a case where the payload 705 is "1”, this indicates that an increase from the current transmission power level is requested by the device having the wireless power transmission capability. In a case where the payload 705 is "2”, this indicates that a reduction from the current transmission power level is requested by the device having the wireless power transmission capability.
  • the power transmission apparatus 100 acquires via NFC communication the NDEF record (the NDEF header 703, the record type 704, and the payload 705) in the status exchange NDEF message information stored in the electronic device 200.
  • the power transmission apparatus 100 can acquire a request to increase or reduce transmission power from the electronic device 200.
  • Fig. 8 is a flow chart of a processing procedure performed by the power transmission apparatus 100 to determine an amount of an increase/decrease in transmission power according to the first embodiment.
  • the process shown in Fig. 8 is performed by the power transmission apparatus 100 after the power transmission apparatus 100 determines the actual power level according to the flow chart shown in Fig. 6 and starts power transmission.
  • the program for controlling the process shown in this flow chart is executed by the CPU 107, wherein the program is stored in the ROM 108.
  • the CPU 107 waits until status exchange NDEF message information stored in the electronic device 200 is received via the NFC communication unit 105. In a case where status exchange NDEF message information is received from the electronic device 200, the CPU 107 stores the received status exchange NDEF message information in the RAM 109. Furthermore, the CPU 107 confirms that the record type 702 in the received status exchange NDEF message information indicates that the record indicates status information of the electronic device 200. The processing flow waits in S801 until this confirmation is completed. After the confirmation is completed, the processing flow proceeds to S802.
  • the CPU 107 confirms that the record type 704 indicates "A", "P", "R”. Furthermore, the CPU 107 determines whether the payload 705 is "1". In a case where the result of the determination indicates that the payload 705 is "1", the processing flow proceeds to S804, but otherwise the processing flow proceeds to S803.
  • the CPU 107 determines whether the actual power level is set to a high power level (the electronic device 200 is capable of receiving power up to 10 W) via the procedure shown in Fig. 6. In a case where the result of the determination indicates that the actual power level is set to a high power level, the processing flow proceeds to S805, but otherwise the processing flow proceeds to S806.
  • the CPU 107 adjusts the amplifier voltage of the power generation unit 103 such that the transmission power generated by the power generation unit 103 is increased by 1 W from the current transmission power, and the ends the process.
  • the CPU 107 determines whether the actual power level is set to a middle power level (the electronic device 200 is capable of receiving power up to 5 W) via the procedure shown in Fig. 6. In a case where the result of the determination indicates that the actual power level is set to a middle power level, the processing flow proceeds to S807, but otherwise the processing flow proceeds to S808.
  • the CPU 107 adjusts the amplifier voltage of the power generation unit 103 such that the transmission power generated by the power generation unit 103 is increased by 0.5 W from the current transmission power, and the ends the process.
  • the CPU 107 adjusts the amplifier voltage of the power generation unit 103 such that the transmission power generated by the power generation unit 103 is increased by 0.1 W from the current transmission power, and the ends the process.
  • the CPU 107 confirms that the record type 704 indicates "A", "P", "R”. The CPU 107 then determines whether the payload 705 is "2". In a case where the result of the determination indicates that the payload 705 is "2", the processing flow proceeds to S809, but otherwise the process is ended.
  • the CPU 107 determines whether the actual power level is set to a high power level (the electronic device 200 is capable of receiving power up to 10 W) via the procedure shown in Fig. 6. In a case where the result of the determination indicates that the actual power level is set to a high power level, the processing flow proceeds to S810, but otherwise the processing flow proceeds to S811.
  • the CPU 107 adjusts the amplifier voltage of the power generation unit 103 such that the transmission power generated by the power generation unit 103 is reduced by 1 W from the current transmission power, and the ends the process.
  • the CPU 107 determines whether the actual power level is set to a middle power level (the electronic device 200 is capable of receiving power up to 5 W) via the procedure shown in Fig. 6. In a case where the result of the determination indicates that the actual power level is set to a middle power level, the processing flow proceeds to S812, but otherwise the processing flow proceeds to S813.
  • the CPU 107 adjusts the amplifier voltage of the power generation unit 103 such that the transmission power generated by the power generation unit 103 is reduced by 0.5 W from the current transmission power, and the ends the process.
  • the CPU 107 adjusts the amplifier voltage of the power generation unit 103 such that the transmission power generated by the power generation unit 103 is reduced by 0.1 W from the current transmission power, and the ends the process.
  • the power transmission apparatus 100 is capable of properly determining the amount of an increase or decrease in transmission power in response to a transmission power increase/decrease request depending on the actual power level determined based on the power level that a power reception device, i.e., the electronic device 200, can receive.
  • Fig. 9 is a diagram illustrating an example of status exchange NDEF message information stored in the ROM 207 or the RAM 208 of the electronic device 200 according to the second embodiment.
  • an NDEF header 701, a record type 702, an NDEF header 703, a record type 704 and a payload 705 are similar to those shown in Fig. 7, and thus a further description thereof is omitted.
  • NDEF header 703, the record type 704, the payload 705, and a payload 906 are described in an NDEF record for use by a device having the wireless power transmission capability to request an increase or reduction in transmission power.
  • the payload 906 indicates an increase count or a reduction count (the number of increase or reduction steps) of transmission power requested by a device having the wireless power transmission capability. For example, in a case where the payload 905 is "1" and the payload 906 is "5", this indicates that an increase in transmission power by 5 counts from the current transmission power is requested by the device having the wireless power transmission capability. In a case where the payload 905 is "2" and the payload 906 is "3", this indicates that a reduction in transmission power by 3 counts from the current transmission power is requested by the device having the wireless power transmission capability.
  • the power transmission apparatus 100 acquires via NFC communication the NDEF record (the NDEF header 703, the record type 704, the payload 705, and the payload 906) in the status exchange NDEF message information stored in the electronic device 200.
  • the power transmission apparatus 100 can acquire a request to increase or reduce transmission power from the electronic device 200 together with information on the amount of increase/reduction expressed in counts.
  • Fig. 10 is a flow chart of a processing procedure performed by the power transmission apparatus 100 to determine an amount of an increase/decrease in transmission power according to the second embodiment.
  • the process shown in Fig. 10 is performed by the power transmission apparatus 100 after the power transmission apparatus 100 determines the actual power level according to the flow chart shown in Fig. 6 and starts power transmission.
  • a program for controlling the process shown in this flow chart is executed by the CPU 107, wherein the program is stored in the ROM 108.
  • Similar processing steps to those shown in Fig. 8 are denoted by similar reference symbols, and a further description thereof is omitted. The following description will focus on differences from processes shown in Fig. 8.
  • the CPU 107 sets the transmission power increase unit (power step) to 0.05 W. The processing flow then proceeds to S1007. On the other hand, in S1003, the CPU 107 sets the transmission power increase unit (power step) to 0.01 W. The processing flow then proceeds to S1007.
  • the processing flow proceeds to S1004.
  • the CPU 107 sets the transmission power increase unit (power step) to 0.1 W.
  • the processing flow then proceeds to S1008.
  • the CPU 107 sets the transmission power reduction unit (power step) to 0.05 W. The processing flow then proceeds to S1008. On the other hand, in S1006, the CPU 107 sets the transmission power reduction unit (power step) to 0.01 W. The processing flow then proceeds to S1008.
  • the CPU 107 determines the amount of an increase in transmission power so as to be equal to the product of the transmission power increase count (power count) specified by the payload 906 and the transmission power increase unit (power step). The CPU 107 then adjusts the amplifier voltage of the power generation unit 103 such that the transmission power generated by the power generation unit 103 is increased by the determined amount from the current transmission power, and the ends the process.
  • the CPU 107 determines the transmission power increase amount so as to be equal to the product of the transmission power reduction count (power count) specified in the payload 906 and the transmission power reduction unit (power step). The CPU 107 then adjusts the amplifier voltage of the power generation unit 103 such that the transmission power generated by the power generation unit 103 is reduced by the determined amount from the current transmission power, and the ends the process.
  • the power transmission apparatus 100 is capable of more properly determining the amount of an increase or decrease in transmission power in response to a transmission power increase/decrease request depending on the actual power level determined based on the power level that a power reception device, i.e., the electronic device 200, can receive.
  • the power transmission apparatus 100 and the electronic device 200 perform wireless communication according to the NFC standard.
  • the power transmission apparatus 100 and the electronic device 200 may perform near-distance wireless communication according to a wireless communication standard other than the NFC standard.
  • the power transmission apparatus 100 and the electronic device 200 may employ the FeliCa (registered trademark) standard in wireless communication.
  • the power transmission apparatus 100 and the electronic device 200 may employ the RFID (Radio Frequency IDentification standard in wireless communication.
  • the power transmission apparatus 100 and the electronic device 200 may employ the MIFARE (registered trademark) standard (ISO/IEC 14443) in wireless communication.
  • the power transmission apparatus 100 and the electronic device 200 may employ the TransferJet(registered trademark) standard in wireless communication.
  • the resonance frequency and the power transmission antenna 106 and the resonance frequency of the power reception antenna 201 are set to, by way of example, 13.56 MHz.
  • the resonance frequency is not limited to 13.56 MHz.
  • the resonance frequency and the power transmission antenna 106 and the resonance frequency of the power reception antenna 201 are set to 4.48 GHz.
  • the resonance frequency and the power transmission antenna 106 and the resonance frequency of the power reception antenna 201 may be set to a value in a range from 100 kHz to 250 kHz.
  • the resonance frequency and the power transmission antenna 106 and the resonance frequency of the power reception antenna 201 may be set to 6.78 MHz or a frequency lower than several hundred kHz.
  • the wireless communication unit 112 and the wireless communication unit 218 perform communication according to, by way of example, wireless LAN standard.
  • the communication is not limited to that according to the wireless LAN standard.
  • the wireless communication unit 112 and the wireless communication unit 218 may perform wireless communication not according to the wireless LAN standard but according to the Blue Tooth (registered trademark) standard.
  • the wireless communication unit 112 and the wireless communication unit 218 may perform wireless communication not according to the wireless LAN standard but according to the WirelessHD (registered trademark) standard.
  • the wireless communication unit 112 and the wireless communication unit 218, may perform wireless communication not according to the wireless LAN standard but according to the WHDI(registered trademark) standard.
  • the power transmission apparatus 100 may include a wired communication unit instead of the wireless communication unit 112, and the electronic device 200 may include a wired communication unit instead of the wireless communication unit 218.
  • the wired communication unit in the power transmission apparatus 100 and the wired communication unit in the electronic device 200 may perform communication according to the HDMI (High-Definition Multimedia Interface) (registered trademark) standard.
  • the wired communication unit in the power transmission apparatus 100 and the wired communication unit in the electronic device 200 may perform communication according to the Display Port (registered trademark) standard.
  • Various functions, processes, and methods according to the first and second embodiments described above may be realized by a personal computer, a microcomputer, a CPU (Central Processing Unit), or the like using a program.
  • the personal computer, the microcomputer, the CPU or the like will be generically referred to as a "computer X".
  • a program for controlling the computer X to realize various functions, processes, and methods according to the first and second embodiments described above will be referred to as a "program Y".
  • the various functions, the processes, and the methods according to the first and second embodiments described above may be realized by the computer X by executing the program Y.
  • the program Y may be supplied to the computer X via a computer-readable storage medium.
  • the computer-readable storage medium may include at least one of the following: a hard disk apparatus; a magnetic storage apparatus; an optical storage apparatus; a magnetooptical storage apparatus; a memory card; a volatile memory; a nonvolatile memory; and the like.
  • the computer-readable storage medium according to the third embodiment is a non-transitory storage medium.
  • Embodiment(s) of the present invention can also be realized by a computer of a system or apparatus that reads out and executes computer executable instructions (e.g., one or more programs) recorded on a storage medium (which may also be referred to more fully as a 'non-transitory computer-readable storage medium') to perform the functions of one or more of the above-described embodiment(s) and/or that includes one or more circuits (e.g., application specific integrated circuit (ASIC)) for performing the functions of one or more of the above-described embodiment(s), and by a method performed by the computer of the system or apparatus by, for example, reading out and executing the computer executable instructions from the storage medium to perform the functions of one or more of the above-described embodiment(s) and/or controlling the one or more circuits to perform the functions of one or more of the above-described embodiment(s).
  • computer executable instructions e.g., one or more programs
  • a storage medium which may also be referred to more fully as
  • the computer may comprise one or more processors (e.g., central processing unit (CPU), micro processing unit (MPU)) and may include a network of separate computers or separate processors to read out and execute the computer executable instructions.
  • the computer executable instructions may be provided to the computer, for example, from a network or the storage medium.
  • the storage medium may include, for example, one or more of a hard disk, a random-access memory (RAM), a read only memory (ROM), a storage of distributed computing systems, an optical disk (such as a compact disc (CD), digital versatile disc (DVD), or Blu-ray Disc (BD) TM ), a flash memory device, a memory card, and the like.

Landscapes

  • Engineering & Computer Science (AREA)
  • Computer Networks & Wireless Communication (AREA)
  • Power Engineering (AREA)
  • Signal Processing (AREA)
  • Charge And Discharge Circuits For Batteries Or The Like (AREA)
  • Near-Field Transmission Systems (AREA)
PCT/JP2016/004554 2015-10-29 2016-10-12 Power transmission apparatus configured to wirelessly transmit power to an electronic device, method of controlling power transmission apparatus, and storage medium Ceased WO2017073023A1 (en)

Priority Applications (4)

Application Number Priority Date Filing Date Title
EP16859263.2A EP3369156B1 (en) 2015-10-29 2016-10-12 Power transmission apparatus configured to wirelessly transmit power to an electronic device, method of controlling power transmission apparatus, and non-transitory storage medium
KR1020187014778A KR20180077207A (ko) 2015-10-29 2016-10-12 전자기기에 무선으로 송전하도록 구성된 송전장치, 송전장치의 제어방법, 및 기억매체
US15/770,727 US10868441B2 (en) 2015-10-29 2016-10-12 Power transmission apparatus configured to wirelessly transmit power to an electronic device, method of controlling power transmission apparatus, and storage medium
CN201680063597.1A CN108352730B (zh) 2015-10-29 2016-10-12 电力传输装置、控制电力传输装置的方法以及存储介质

Applications Claiming Priority (2)

Application Number Priority Date Filing Date Title
JP2015213097A JP6632326B2 (ja) 2015-10-29 2015-10-29 送電装置、送電装置の制御方法及びプログラム
JP2015-213097 2015-10-29

Publications (1)

Publication Number Publication Date
WO2017073023A1 true WO2017073023A1 (en) 2017-05-04

Family

ID=58631444

Family Applications (1)

Application Number Title Priority Date Filing Date
PCT/JP2016/004554 Ceased WO2017073023A1 (en) 2015-10-29 2016-10-12 Power transmission apparatus configured to wirelessly transmit power to an electronic device, method of controlling power transmission apparatus, and storage medium

Country Status (6)

Country Link
US (1) US10868441B2 (enExample)
EP (1) EP3369156B1 (enExample)
JP (1) JP6632326B2 (enExample)
KR (1) KR20180077207A (enExample)
CN (1) CN108352730B (enExample)
WO (1) WO2017073023A1 (enExample)

Families Citing this family (12)

* Cited by examiner, † Cited by third party
Publication number Priority date Publication date Assignee Title
US20190181685A1 (en) 2017-12-08 2019-06-13 Atmosic Technologies Inc. Method and apparatus for wireless transmission and reception of power
US10412680B1 (en) 2018-03-09 2019-09-10 Atmosic Technologies Inc. Method and apparatus for controlling power dissipation in a wireless receiver
US11178616B2 (en) 2018-09-04 2021-11-16 Atmosic Technologies Inc. Staged wireless device wake-up
JP7358043B2 (ja) * 2018-10-31 2023-10-10 キヤノン株式会社 受電装置、送電装置、制御方法及びプログラム
JP7278756B2 (ja) * 2018-11-28 2023-05-22 キヤノン株式会社 受電装置、受電装置の制御方法及びプログラム
US10516447B1 (en) 2019-06-17 2019-12-24 Capital One Services, Llc Dynamic power levels in NFC card communications
US12166365B2 (en) 2020-05-20 2024-12-10 Lg Electronics Inc. Wireless power transmission method over a plurality of phases and wireless power reception method
TWI784524B (zh) * 2021-05-17 2022-11-21 淡江大學學校財團法人淡江大學 智慧型集線器
EP4618375A1 (en) * 2022-11-10 2025-09-17 LG Electronics Inc. Method and device for defining profile for charging in high power mode in wireless power transmission system
CN120826855A (zh) * 2023-03-22 2025-10-21 佳能株式会社 电力接收装置、电力输送装置、由电力接收装置执行的方法以及存储介质
WO2024202875A1 (ja) * 2023-03-31 2024-10-03 キヤノン株式会社 送電装置、受電装置、送電装置が行う方法および記憶媒体
JP2025033465A (ja) * 2023-08-29 2025-03-13 キヤノン株式会社 受電装置、送電装置、受電装置の制御方法およびプログラム

Citations (8)

* Cited by examiner, † Cited by third party
Publication number Priority date Publication date Assignee Title
JP2010063245A (ja) 2008-09-02 2010-03-18 Sony Corp 非接触給電装置
US20130285618A1 (en) * 2012-04-25 2013-10-31 Sanyo Electric Co., Ltd. Contactless method of supplying power
US20140015478A1 (en) 2012-07-13 2014-01-16 Qualcomm Incorporated Systems, methods, and apparatus for small device wireless charging modes
JP2014023223A (ja) * 2012-07-13 2014-02-03 Sanyo Electric Co Ltd 無接点給電システム、受電機器、給電台、無接点給電方法
EP2800423A2 (en) 2013-05-03 2014-11-05 Samsung Electronics Co., Ltd Wireless power transmitter, wireless power receiver and control method thereof
US20150097442A1 (en) 2013-10-08 2015-04-09 Nokia Corporation Method and apparatus for wireless power transfer
US20150180240A1 (en) * 2013-12-24 2015-06-25 Samsung Electronics Co., Ltd. Wireless power transmission apparatus and energy charging apparatus
JP2015213097A (ja) 2014-05-01 2015-11-26 パナソニックIpマネジメント株式会社 放熱体、その製造方法および半導体素子収納用パッケージ

Family Cites Families (8)

* Cited by examiner, † Cited by third party
Publication number Priority date Publication date Assignee Title
JP5567354B2 (ja) 2010-01-25 2014-08-06 日立コンシューマエレクトロニクス株式会社 伝送システム、ホストおよびデバイス
JP6060516B2 (ja) 2011-11-30 2017-01-18 ソニー株式会社 電子機器および給電システム
JP5849842B2 (ja) * 2011-12-21 2016-02-03 ソニー株式会社 給電装置、給電システムおよび電子機器
KR102004541B1 (ko) 2012-12-31 2019-07-26 지이 하이브리드 테크놀로지스, 엘엘씨 공진형 무선 전력 전송 시스템에서의 무선 전력 전송 제어 방법, 이를 이용하는 무선 전력 전송 장치, 및 이를 이용하는 무선 전력 수신 장치
JP2014138547A (ja) * 2013-01-18 2014-07-28 Canon Inc 給電装置及びその制御方法、給電システム、プログラム、並びに記憶媒体
JP2014220944A (ja) * 2013-05-09 2014-11-20 キヤノン株式会社 給電装置、電子機器、方法及びプログラム
KR102143871B1 (ko) * 2014-04-22 2020-08-12 삼성전자 주식회사 전자장치의 전원 제어장치 및 방법
US10390313B2 (en) * 2014-09-02 2019-08-20 Apple Inc. Power adaptation in an electronic device

Patent Citations (8)

* Cited by examiner, † Cited by third party
Publication number Priority date Publication date Assignee Title
JP2010063245A (ja) 2008-09-02 2010-03-18 Sony Corp 非接触給電装置
US20130285618A1 (en) * 2012-04-25 2013-10-31 Sanyo Electric Co., Ltd. Contactless method of supplying power
US20140015478A1 (en) 2012-07-13 2014-01-16 Qualcomm Incorporated Systems, methods, and apparatus for small device wireless charging modes
JP2014023223A (ja) * 2012-07-13 2014-02-03 Sanyo Electric Co Ltd 無接点給電システム、受電機器、給電台、無接点給電方法
EP2800423A2 (en) 2013-05-03 2014-11-05 Samsung Electronics Co., Ltd Wireless power transmitter, wireless power receiver and control method thereof
US20150097442A1 (en) 2013-10-08 2015-04-09 Nokia Corporation Method and apparatus for wireless power transfer
US20150180240A1 (en) * 2013-12-24 2015-06-25 Samsung Electronics Co., Ltd. Wireless power transmission apparatus and energy charging apparatus
JP2015213097A (ja) 2014-05-01 2015-11-26 パナソニックIpマネジメント株式会社 放熱体、その製造方法および半導体素子収納用パッケージ

Non-Patent Citations (1)

* Cited by examiner, † Cited by third party
Title
See also references of EP3369156A4

Also Published As

Publication number Publication date
CN108352730A (zh) 2018-07-31
KR20180077207A (ko) 2018-07-06
CN108352730B (zh) 2021-08-03
US20190074717A1 (en) 2019-03-07
EP3369156B1 (en) 2024-01-10
JP2017085815A (ja) 2017-05-18
EP3369156A1 (en) 2018-09-05
US10868441B2 (en) 2020-12-15
JP6632326B2 (ja) 2020-01-22
EP3369156A4 (en) 2019-06-26

Similar Documents

Publication Publication Date Title
EP3369156B1 (en) Power transmission apparatus configured to wirelessly transmit power to an electronic device, method of controlling power transmission apparatus, and non-transitory storage medium
US9553458B2 (en) Power supply apparatus, control method, and recording medium
US9627895B2 (en) Power supply apparatus, power supply method, and computer program
JP6045141B2 (ja) 電子機器及びプログラム
US9595838B2 (en) Electronic apparatus, control method and recording medium
US9331517B2 (en) Electronic device, method, and storage medium
US10110280B2 (en) Electronic device wirelessly communicating with external device
JP5959862B2 (ja) 電力供給装置及びプログラム
JP2014220944A (ja) 給電装置、電子機器、方法及びプログラム
JP2014007863A (ja) 給電装置、制御方法及びプログラム
US20190215032A1 (en) Power supply apparatus and electronic device, and control method thereof, and wireless power transmission system
US9853500B2 (en) Power supply apparatus, method, and recording medium
JP6671919B2 (ja) 送電装置、送電装置の制御方法及びプログラム
US20150229136A1 (en) Electronic apparatus, method for controlling the same, and storage medium
KR20120052517A (ko) 무선전력전송방법, 무선전력수신방법, 무선전력전송장치 및 무선전력수신장치
JP6222986B2 (ja) 電子機器、制御方法、プログラム及び記録媒体
JP5955006B2 (ja) 電子機器
JP2017121099A (ja) 電子機器

Legal Events

Date Code Title Description
121 Ep: the epo has been informed by wipo that ep was designated in this application

Ref document number: 16859263

Country of ref document: EP

Kind code of ref document: A1

NENP Non-entry into the national phase

Ref country code: DE

ENP Entry into the national phase

Ref document number: 20187014778

Country of ref document: KR

Kind code of ref document: A

WWE Wipo information: entry into national phase

Ref document number: 2016859263

Country of ref document: EP