RU2498091C1 - Method of operation of thermal power plant - Google Patents

Method of operation of thermal power plant Download PDF

Info

Publication number
RU2498091C1
RU2498091C1 RU2012130105/06A RU2012130105A RU2498091C1 RU 2498091 C1 RU2498091 C1 RU 2498091C1 RU 2012130105/06 A RU2012130105/06 A RU 2012130105/06A RU 2012130105 A RU2012130105 A RU 2012130105A RU 2498091 C1 RU2498091 C1 RU 2498091C1
Authority
RU
Russia
Prior art keywords
steam
feedwater
turbine
feed water
sent
Prior art date
Application number
RU2012130105/06A
Other languages
Russian (ru)
Inventor
Игорь Викторович Шерстобитов
Константин Викторович Забудьков
Original Assignee
Федеральное государственное бюджетное образовательное учреждение высшего профессионального образования "Кубанский государственный технологический университет" (ФГБОУ ВПО "КубГТУ")
Priority date (The priority date is an assumption and is not a legal conclusion. Google has not performed a legal analysis and makes no representation as to the accuracy of the date listed.)
Filing date
Publication date
Application filed by Федеральное государственное бюджетное образовательное учреждение высшего профессионального образования "Кубанский государственный технологический университет" (ФГБОУ ВПО "КубГТУ") filed Critical Федеральное государственное бюджетное образовательное учреждение высшего профессионального образования "Кубанский государственный технологический университет" (ФГБОУ ВПО "КубГТУ")
Priority to RU2012130105/06A priority Critical patent/RU2498091C1/en
Application granted granted Critical
Publication of RU2498091C1 publication Critical patent/RU2498091C1/en

Links

Images

Landscapes

  • Engine Equipment That Uses Special Cycles (AREA)
  • Control Of Turbines (AREA)

Abstract

FIELD: power engineering.
SUBSTANCE: method of thermal power plant operation, according to which steam supplied in a forward-flow steam boiler after a live steam superheater is sent into a high pressure cylinder of a steam turbine, then a part of spent steam is sent to the second high pressure heater along with the feedwater flow and into an expansion turbine, the remaining part of steam arrives into a reheater, and then into a medium pressure cylinder and a low pressure cylinder of the turbine, afterwards the steam is condensed in a condenser and with a condensate pump is sent via low pressure heaters, where condensate is heated by steam of bleeds and steam from a turbodrive of a feed pump and then arrives into a deaerator of feedwater, where it is heated and deaerated by steam that exits from the expansion turbine; further feedwater from the deaerator of feedwater is supplied with a feed pump to the first high pressure heater along with the feedwater flow, where it is heated by steam from the expansion turbine, further feedwater arrives into the subsequent high pressure heaters, where it is heated by steam of the second and first bleeds of the steam turbine, afterwards it is sent into the forward-flow steam boiler.
EFFECT: invention makes it possible to reduce difference of temperatures between steam at the inlet to the first high pressure heater along feedwater flow and of feedwater at the outlet from it.
1 dwg

Description

Изобретение относится к области теплоэнергетики и может быть использовано на тепловых электростанциях.The invention relates to the field of power engineering and can be used in thermal power plants.

Известен способ работы тепловой электрической станции, включающей прямоточный котел, паровую турбину, состоящую из цилиндра высокого давления (ЦВД), цилиндра среднего давления (ЦСД) и цилиндра низкого давления (ЦНД), конденсатор пара паровой турбины, конденсатные насосы, регенеративные подогреватели низкого давления (ПНД), деаэратор питательной воды (ДПВ), насос питательной воды, снабженный турбоприводом (ПТН), регенеративные подогреватели высокого давления (ПВД), по которому пар из первых трех отборов паровой турбины отводят на ПВД, а из последних шести - на ПНД, в которых последовательно нагревают основной конденсат турбины после конденсатора и питательную воду; второй отбор осуществляется из «холодной» линии промежуточного перегрева (ХПП) пара, по которой пар после ЦВД направляется в промежуточный пароперегреватель (ПП) прямоточного котла и, далее, направляется в ЦСД; из третьего отбора также отводят пар на ДПВ и турбопривод питательного насоса, отработавший пар которого направляется на вход цилиндра низкого давления турбины (Ю.Ф.Косяк «Паровая турбина К-300-240 ХТГЗ» - М.: Энергоиздат, 1982. С.12).A known method of operation of a thermal power plant, including a once-through boiler, a steam turbine, consisting of a high pressure cylinder (CVP), a medium pressure cylinder (CPS) and a low pressure cylinder (CPS), a steam condenser of a steam turbine, condensate pumps, low pressure regenerative heaters ( PND), feed water deaerator (DPA), feed water pump equipped with a turbo drive (ПТН), high pressure regenerative heaters (LDPE), through which steam from the first three withdrawals of a steam turbine is diverted to LDPE, and from Latter six - IPA, which successively heated main turbine condensate after the condenser and the feedwater; the second selection is carried out from the “cold” line of the intermediate superheat (CSP) of the steam, through which the steam after the central heating system is sent to the intermediate superheater (PP) of the direct-flow boiler and, then, is sent to the central cylinder; from the third selection, steam is also diverted to the ДПВ and the turbine drive of the feed pump, the spent steam of which is sent to the inlet of the low-pressure cylinder of the turbine (Yu.F. Kosyak “Steam turbine K-300-240 KhTGZ” - M .: Energoizdat, 1982. P.12 )

Недостатком аналога является пониженная экономичность тепловой электрической станции из-за высокой разности температур пара третьего отбора турбины и питательной воды на выходе первого по ходу питательной воды ПВД.A disadvantage of the analogue is the reduced efficiency of the thermal power plant due to the high temperature difference of the steam of the third turbine and feed water outlet at the outlet of the first LDPE feed water.

Наиболее близким к заявляемому изобретению является способ подогрева питательной воды на тепловой электрической станции, по которому питательная вода последовательно нагревается паром отборов турбины в ПНД, ДПВ и ПВД, параллельно с последними часть питательной воды подогревается в выносном пароохладителе первого по ходу питательной воды подогревателя высокого давления, причем дренаж греющего пара из третьего по ходу питательной воды ПВД сливается во второй, а из второго и первого - отдельными потоками в ДПВ (патент RU 2053374).Closest to the claimed invention is a method of heating feed water at a thermal power plant, in which feed water is sequentially heated by steam turbine offsets in HDPE, DPV and LDPE, in parallel with the latter, part of the feed water is heated in a remote desuperheater of the first high pressure heater along the feed water, moreover, the drainage of heating steam from the third LDPE along the feed water is discharged into the second, and from the second and first by separate flows into the RPA (patent RU 2053374).

Недостатками прототипа является пониженная экономичность тепловой электростанции из-за большой разности температур пара на входе в выносной пароохладитель и питательной воды на выходе из него, а также дренажа второго по ходу питательной воды ПВД и питательной воды в ДПВ.The disadvantages of the prototype is the reduced efficiency of the thermal power plant due to the large difference in temperature of the steam at the inlet to the remote desuperheater and feed water at the outlet, as well as the drainage of the second LDPE feed water and feed water in the DPA.

Задачей нового способа является повышение экономичности тепловой электрической станции.The objective of the new method is to increase the efficiency of the thermal power plant.

Техническим результатом, достигаемым настоящим изобретением, является снижение разности температур между паром на входе в первый по ходу питательной воды ПВД и питательной водой на выходе из него.The technical result achieved by the present invention is to reduce the temperature difference between the steam at the inlet of the first LDPE feed water and the feed water at the exit thereof.

Технический результат достигается тем, что в способе работы тепловой электрической станции пар из первых трех отборов паровой турбины подают на ПВД, а из последних шести - на ПНД, в которых последовательно нагревают основной конденсат турбины после конденсатора и питательную воду; второй отбор осуществляется из «холодной» линии промежуточного перегрева (ХПП) пара, по которой пар после ЦВД направляется в промежуточный пароперегреватель (ПП) прямоточного котла и, далее, направляется в ЦСД, также из ХПП пар подается в турбодетандер, находящийся на одном валу с ПТН, после расширения в турбодетандере пар подается в первый по ходу питательной воды ПВД и ДПВ; из третьего отбора также отводят пар на турбопривод питательного насоса, отработавший пар которого направляется на вход цилиндра низкого давления паровой турбины.The technical result is achieved by the fact that in the method of operation of a thermal power plant, steam from the first three selections of the steam turbine is fed to the LDPE, and of the last six to the HDPE, in which the main condensate of the turbine after the condenser and feed water are sequentially heated; the second selection is carried out from the “cold” line of intermediate overheating (CSP) of the steam, through which the steam after the CVP is sent to the intermediate superheater (PP) of the direct-flow boiler and, then, is sent to the CPS, also from the CSP, the steam is fed to a turboexpander located on one shaft with PTN, after expansion in a turboexpander, steam is supplied to the first LDPE and DPV along the feed water; steam is also taken from the third selection to the turbo drive of the feed pump, the spent steam of which is sent to the inlet of the low pressure cylinder of the steam turbine.

Таким образом, пар, проходя через турбодетандер, расширяется, совершая работу, которая передается на вал ПТН, в результате чего его температура снижается, почти достигая температуру насыщения в первом по ходу питательной воды ПВД, отчего разность температур между паром на входе в первый по ходу питательной воды ПВД и питательной водой на выходе из него значительно сокращается и, следовательно, сокращаются необратимые потери в процессе теплообмена между паром и питательной водой, что повышает полезную работу цикла Ренкина и экономичность тепловой электрической станции.Thus, the steam passing through the turboexpander expands, performing work that is transmitted to the PTN shaft, as a result of which its temperature decreases, almost reaching the saturation temperature in the first in the course of the LDPE feed water, which makes the temperature difference between the steam at the inlet of the first in the course LDPE feed water and feed water at the outlet of it are significantly reduced and, consequently, irreversible losses during heat exchange between steam and feed water are reduced, which increases the useful work of the Rankine cycle and efficiency thermal power station.

Особенность заключается в том, что пар, направляемый в ДПВ и первый по ходу питательной воды ПВД, подается из ХПП и расширяется в турбодетандере до давления, равного давлению в третьем отборе паровой турбины, а работа, совершаемая паром в турбодетандере, передается на вал ПТН.The peculiarity lies in the fact that the steam sent to the DPV and the first along the LDPE feed water is supplied from the HPP and expanded in the turboexpander to a pressure equal to the pressure in the third extraction of the steam turbine, and the work performed by the steam in the turboexpander is transferred to the PTN shaft.

Новый способ работы тепловой электрической станции позволяет повысить экономичность тепловой электрической станции за счет снижения потерь от необратимости процесса теплообмена между паром и питательной водой, в первом по ходу питательной воды ПВД.A new way of operating a thermal power plant allows you to increase the efficiency of a thermal power plant by reducing losses from the irreversibility of the heat exchange process between steam and feed water, in the first along the feed water of the LDPE.

Таким образом, совокупность существенных признаков, изложенных в формуле изобретения, позволяет достичь желаемого технического результата.Thus, the set of essential features set forth in the claims, allows to achieve the desired technical result.

Далее рассмотрим сведения, подтверждающие возможность осуществления изобретения с получением искомого технического результата.Next, we consider the information confirming the possibility of carrying out the invention with obtaining the desired technical result.

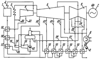
На чертеже изображена принципиальная схема тепловой электрической станции, поясняющая предложенный способ. Станция содержит паровой котел 1, пароперегреватель свежего пара 2, промежуточный пароперегреватель 3, паровую турбину с девятью отборами пара 20-25 и 27-29, состоящую из ЦВД 4, ЦСД 5 и ЦНД 6, электрический генератор 7, конденсатор 8, конденсатный насос 9, ПНД 10, ДПВ 11, питательный насос 12 и турбопривод питательного насоса 13, турбодетандер 14, трубопровод подвода пара в турбодетандер 15, трубопровод отвода пара из турбодетандера в первый по ходу питательной воды ПВД 16, первый по ходу питательной воды ПВД 17, второй по ходу питательной воды ПВД 18, третий по ходу питательной воды ПВД 19, линия отвода пара из турбопривода питательного насоса 26.The drawing shows a schematic diagram of a thermal power plant, explaining the proposed method. The station contains a steam boiler 1, a superheater of fresh steam 2, an intermediate superheater 3, a steam turbine with nine steam withdrawals 20-25 and 27-29, consisting of CVP 4, TsSD 5 and TsND 6, an electric generator 7, a condenser 8, a condensate pump 9 , PND 10, DPV 11, the feed pump 12 and the turbo drive of the feed pump 13, the turboexpander 14, the pipeline for supplying steam to the turboexpander 15, the pipeline for discharging steam from the turboexpander into the first along the feed water of the LDPE 16, the first along the feed water of the LDPE 17, the second by PVD feed water 18, third in x dy feedwater LDPE 19, discharge line steam turbine drive of feed pump 26.

Рассмотрим пример реализации заявленного способа работы тепловой электрической станции.Consider an example of the implementation of the claimed method of operation of a thermal power plant.

Вырабатываемый в прямоточном паровом котле 1 пар после пароперегревателя свежего пара 2 направляют в ЦВД 4 паровой турбины, где он расширяется, совершая работу, передаваемую на электрический генератор 7, а затем часть отработавшего пара направляется на второй по ходу питательной воды ПВД 18 и в турбодетандер 14, остальная часть пара поступает в промежуточный пароперегреватель 3, а затем в ЦСД 5 и ЦНД 6, где пар расширяется, совершая работу, передаваемую на электрический генератор 7, после чего пар конденсируется в конденсаторе 8 и насосом 9 направляется через ПНД 10, где конденсат подогревается паром отборов 23-25 и 27-29 и паром из трубопровода отвода пара из турбопривода питательного насоса 26 и далее поступает в ДПВ 11, где происходит его подогрев и деаэрация паром, выходящим из турбодетандера 14; далее питательная вода из ДПВ 11 подается питательным насосом 12 через подогреватели высокого давления 17-19, где она подогревается паром отборов 20 и 21 и по трубопроводу 16 паром из турбодетандера и далее поступает в прямоточный паровой котел 1.The steam generated in the once-through steam boiler after the superheater of fresh steam 2 is sent to the HPP 4 of the steam turbine, where it expands, completing the work transferred to the electric generator 7, and then part of the exhaust steam is sent to the second PVD 18 along the feed water and to the turbine expander 14 , the rest of the steam enters the intermediate superheater 3, and then in the DSP 5 and the low pressure cylinder 6, where the steam expands, doing the work transferred to the electric generator 7, after which the steam condenses in the condenser 8 and the pump 9 direction it is pumped through HDPE 10, where the condensate is heated by steam of samplings 23-25 and 27-29 and steam from the pipeline for removing steam from the turbo drive of the feed pump 26 and then enters the ДПВ 11, where it is heated and deaerated by steam leaving the turbine expander 14; Further, the feed water from the ДПВ 11 is supplied by the feed pump 12 through high-pressure heaters 17-19, where it is heated by steam of taps 20 and 21 and through the pipe 16 with steam from a turboexpander and then enters the direct-flow steam boiler 1.

Таким образом, использование турбодетандера 14 для расширения пара второго отбора 20 до давления, равного давлению пара третьего отбора 22, и замещение крайне перегретого пара третьего отбора, подающегося в ДПВ 11 и первый по ходу питательной воды ПВД 17, паром, отработавшим в турбодетандере 14, позволяет в значительной степени снизить потери от необратимости процесса теплообмена в ДПВ 11 и первом по ходу питательной воды ПВД 17, что повышает полезную работу цикла Ренкина и экономичность тепловой электрической станции.Thus, the use of a turboexpander 14 to expand the steam of the second bleed 20 to a pressure equal to the vapor pressure of the third bleed 22, and the replacement of extremely superheated steam of the third bleed, fed into the steam and water dispenser 11 and the first in the direction of the feed water of the LDPE 17, with steam that has been spent in the turbine expander 14, allows to significantly reduce losses from the irreversibility of the heat transfer process in the DPV 11 and the first in the direction of the feed water LDPE 17, which increases the useful work of the Rankine cycle and the efficiency of the thermal power plant.

Claims (1)

Способ работы тепловой электрической станции, по которому пар из первого отбора паровой турбины подают на третий по ходу питательной воды подогреватель высокого давления, второй отбор паровой турбины, предшествующий промежуточному пароперегревателю, направляют на второй по ходу питательной воды подогреватель высокого давления; пар после цилиндра высокого давления направляют в промежуточный пароперегреватель прямоточного котла и далее - в цилиндр среднего давления, отличающийся тем, что пар, направляемый в деаэратор питательной воды и первый по ходу питательной воды подогреватель высокого давления, подается из турбодетандера, в котором пар, подающийся из отбора паровой турбины, предшествующего промежуточному пароперегревателю, расширяется до величины давления, равного давлению в третьем отборе паровой турбины, а работа, совершаемая паром в турбодетандере, передается на вал питательного турбонасоса. A method of operating a thermal power plant, in which steam from a first selection of a steam turbine is supplied to a third high-pressure heater along the feed water, a second selection of steam turbines preceding the intermediate superheater is directed to a second high-pressure heater along the feed water; the steam after the high-pressure cylinder is sent to the intermediate superheater of the once-through boiler and then to the medium-pressure cylinder, characterized in that the steam sent to the feed water deaerator and the first high-pressure heater along the feed water is supplied from a turbine expander, in which the steam supplied from the selection of the steam turbine preceding the intermediate superheater expands to a pressure equal to the pressure in the third selection of the steam turbine, and the work performed by the steam in the turboexpander distributed on the shaft of the nutrient turbopump.
RU2012130105/06A 2012-07-16 2012-07-16 Method of operation of thermal power plant RU2498091C1 (en)

Priority Applications (1)

Application Number Priority Date Filing Date Title
RU2012130105/06A RU2498091C1 (en) 2012-07-16 2012-07-16 Method of operation of thermal power plant

Applications Claiming Priority (1)

Application Number Priority Date Filing Date Title
RU2012130105/06A RU2498091C1 (en) 2012-07-16 2012-07-16 Method of operation of thermal power plant

Publications (1)

Publication Number Publication Date
RU2498091C1 true RU2498091C1 (en) 2013-11-10

Family

ID=49683197

Family Applications (1)

Application Number Title Priority Date Filing Date
RU2012130105/06A RU2498091C1 (en) 2012-07-16 2012-07-16 Method of operation of thermal power plant

Country Status (1)

Country Link
RU (1) RU2498091C1 (en)

Cited By (5)

* Cited by examiner, † Cited by third party
Publication number Priority date Publication date Assignee Title
RU2560621C1 (en) * 2014-04-09 2015-08-20 Федеральное государственное бюджетное образовательное учреждение высшего профессионального образования "Казанский государственный энергетический университет" (ФГБОУ ВПО "КГЭУ") Heat power plant operation mode
RU2562741C1 (en) * 2014-05-06 2015-09-10 Федеральное государственное бюджетное образовательное учреждение высшего профессионального образования "Казанский государственный энергетический университет" (ФГБОУ ВПО "КГЭУ") Utilisation method of thermal energy generated by thermal power plant
RU2562724C1 (en) * 2014-05-06 2015-09-10 Федеральное государственное бюджетное образовательное учреждение высшего профессионального образования "Казанский государственный энергетический университет" (ФГБОУ ВПО "КГЭУ") Utilisation method of thermal energy generated by thermal power plant
RU2562738C1 (en) * 2014-04-18 2015-09-10 Федеральное государственное бюджетное образовательное учреждение высшего профессионального образования "Казанский государственный энергетический университет" (ФГБОУ ВПО "КГЭУ") Utilisation method of thermal energy generated by thermal power plant
RU2570131C2 (en) * 2014-04-09 2015-12-10 Федеральное государственное бюджетное образовательное учреждение высшего профессионального образования "Казанский государственный энергетический университет" (ФГБОУ ВПО "КГЭУ") Operating method of thermal power plant

Citations (6)

* Cited by examiner, † Cited by third party
Publication number Priority date Publication date Assignee Title
GB1238352A (en) * 1967-10-06 1971-07-07
SU501185A1 (en) * 1972-08-23 1976-01-30 Предприятие П/Я А-3513 Power plant
SU1268752A1 (en) * 1985-05-31 1986-11-07 Краснодарский ордена Трудового Красного Знамени политехнический институт Thermal power plant
RU2053374C1 (en) * 1988-08-22 1996-01-27 Научно-производственное объединение "Турбоатом" Method of preheating of feed water
RU2010124798A (en) * 2010-06-16 2011-12-27 Рашид Зарифович Аминов (RU) METHOD FOR INCREASING POWER OF A TWO-CIRCUIT ATOMIC POWER UNIT
EP2444595A1 (en) * 2010-10-19 2012-04-25 Kabushiki Kaisha Toshiba Steam turbine plant

Patent Citations (6)

* Cited by examiner, † Cited by third party
Publication number Priority date Publication date Assignee Title
GB1238352A (en) * 1967-10-06 1971-07-07
SU501185A1 (en) * 1972-08-23 1976-01-30 Предприятие П/Я А-3513 Power plant
SU1268752A1 (en) * 1985-05-31 1986-11-07 Краснодарский ордена Трудового Красного Знамени политехнический институт Thermal power plant
RU2053374C1 (en) * 1988-08-22 1996-01-27 Научно-производственное объединение "Турбоатом" Method of preheating of feed water
RU2010124798A (en) * 2010-06-16 2011-12-27 Рашид Зарифович Аминов (RU) METHOD FOR INCREASING POWER OF A TWO-CIRCUIT ATOMIC POWER UNIT
EP2444595A1 (en) * 2010-10-19 2012-04-25 Kabushiki Kaisha Toshiba Steam turbine plant

Cited By (5)

* Cited by examiner, † Cited by third party
Publication number Priority date Publication date Assignee Title
RU2560621C1 (en) * 2014-04-09 2015-08-20 Федеральное государственное бюджетное образовательное учреждение высшего профессионального образования "Казанский государственный энергетический университет" (ФГБОУ ВПО "КГЭУ") Heat power plant operation mode
RU2570131C2 (en) * 2014-04-09 2015-12-10 Федеральное государственное бюджетное образовательное учреждение высшего профессионального образования "Казанский государственный энергетический университет" (ФГБОУ ВПО "КГЭУ") Operating method of thermal power plant
RU2562738C1 (en) * 2014-04-18 2015-09-10 Федеральное государственное бюджетное образовательное учреждение высшего профессионального образования "Казанский государственный энергетический университет" (ФГБОУ ВПО "КГЭУ") Utilisation method of thermal energy generated by thermal power plant
RU2562741C1 (en) * 2014-05-06 2015-09-10 Федеральное государственное бюджетное образовательное учреждение высшего профессионального образования "Казанский государственный энергетический университет" (ФГБОУ ВПО "КГЭУ") Utilisation method of thermal energy generated by thermal power plant
RU2562724C1 (en) * 2014-05-06 2015-09-10 Федеральное государственное бюджетное образовательное учреждение высшего профессионального образования "Казанский государственный энергетический университет" (ФГБОУ ВПО "КГЭУ") Utilisation method of thermal energy generated by thermal power plant

Similar Documents

Publication Publication Date Title
JP5674922B2 (en) Energy recovery and steam supply for increased power output in combined cycle power systems
RU2691881C1 (en) Thermal power plant
RU2542725C2 (en) Steam-turbine plant with steam turbine assembly and process steam user and its operation method
RU2498091C1 (en) Method of operation of thermal power plant
RU2496992C1 (en) Method of operation of thermal power plant
CN103062744A (en) Heat recovery steam generator and methods of coupling same to combined cycle power plant
JP2015068314A (en) Fuel gas heating facility and combined cycle power generation plant
JP2010038160A (en) System and method for use in combined or rankine cycle power plant
US10287922B2 (en) Steam turbine plant, combined cycle plant provided with same, and method of operating steam turbine plant
WO2016047400A1 (en) Boiler, combined cycle plant, and steam cooling method for boiler
JP6986842B2 (en) How to operate a steam power plant and a steam power plant to implement this method
RU2602649C2 (en) Steam turbine npp
AU2010299977B2 (en) Steam power plant
KR102101166B1 (en) Reheating of working fluid inside turbine system for power generation
EP2472072B1 (en) A saturated steam thermodynamic cycle for a turbine and an associated installation
RU2752123C1 (en) Thermal power station
RU2561776C2 (en) Combined-cycle plant
CN104832227A (en) Coal-fired unit efficient subcritical system
RU2686541C1 (en) Steam-gas plant
RU2748362C1 (en) Method for operation of thermal power station
RU2747786C1 (en) Thermal power station
RU2432468C1 (en) Steam-turbine thermal power plant operating method and device for its implementation
RU2287699C1 (en) Method of operation of thermal power station
RU2636953C1 (en) Method of thermal power plant operation with regenerative rankine cycle
RU2293852C1 (en) Thermal power station operating process

Legal Events

Date Code Title Description
MM4A The patent is invalid due to non-payment of fees

Effective date: 20140717