RU2175463C2 - Радиоприемник прямого преобразования - Google Patents
Радиоприемник прямого преобразования Download PDFInfo
- Publication number
- RU2175463C2 RU2175463C2 RU97101907A RU97101907A RU2175463C2 RU 2175463 C2 RU2175463 C2 RU 2175463C2 RU 97101907 A RU97101907 A RU 97101907A RU 97101907 A RU97101907 A RU 97101907A RU 2175463 C2 RU2175463 C2 RU 2175463C2
- Authority
- RU
- Russia
- Prior art keywords
- signals
- phase
- circuit
- axes
- signal
- Prior art date
Links
Images
Landscapes
- Digital Transmission Methods That Use Modulated Carrier Waves (AREA)
Abstract
Приемник включает в себя средство ввода, содержащее антенну и блокирующий фильтр, выход которого подсоединен к усилителю. Входной сигнал разделяется и смешивается с синфазным и квадратурным фазовым сигналом, генерируемым гетеродином в схеме смесителя соответственно. Выходной сигнал каждой схемы смесителя подается на фильтр низких частот и на вход схемы ограничения. Выходной сигнал каждого фильтра низких частот подается на вход схемы сумматора соответственно, первый из которых сконструирован для суммирования синфазного и квадратурного фазовых сигналов, а второй приспособлен для вычитания синфазного и квадратурного фазовых сигналов, для генерирования соответствующего выходного сигнала, имеющего оси, являющиеся промежуточными к осям синфазного и квадратурного фазовых сигналов. Эти сигналы вместе с синфазным и квадратурным фазовыми сигналами проходят через схему ограничения соответственно на схему декодера для восстановления данных. Выходные сигналы схем ограничения представляют собой сигналы, квантованные на восемь возможных фазовых состояний, разделенных 45°. Когда входной сигнал является GFSK (частотное манипулирование по Гауссу) модулированным, то вектор будет всегда пересекать по меньшей мере одну ось, поэтому направление может быть установлено перед восстановлением данных. Технический результат - создание приемника прямого преобразования для использования с сигналами фазовой модуляции, который не требует регулировки усиления. 1 с. и 7 з.п. ф-лы, 7 ил.
Description
Настоящее изобретение относится к радиоприемнику прямого преобразования для использования в радиосистемах.
Известно использование прямого преобразования в радиоприемниках, которые избегают объемных и дорогих фильтров ПЧ. Использование РЧ-фильтров также значительно упрощается, и весь радиоприемник может быть объединен в единственную микросхему.
На практике одним из основных препятствий успешной реализации прямого преобразования, особенно в цифровом коммуникационном оборудовании, является потребность в автоматической регулировке усиления (АРУ). В приемнике прямого преобразования АРУ должно быть получено из полосы частот модулирующих сигналов, что часто делает его слишком медленным для применения с импульсными сигналами, обычно применяемыми в современных цифровых системах.
На фиг. 1 изображена блок-схема, которая часто используется в приемниках поискового вызова (пейджинговых) с малой скоростью передачи данных, и включает в себя антенну 2, соединенную с входом блокирующего фильтра 4, выход которого подсоединен ко входу усилителя 6. Выходной сигнал усилителя подается на вход смесителей 8, 10 соответственно, которые принимают на второй вход выходной сигнал гетеродина 12. Смеситель 8 принимает сигнал, который отличается по фазе от сигнала гетеродина 12 на 0o, а смеситель 10 принимает сигнал, который отличается по фазе от сигнала гетеродина 12 на 90o. Выходы смесителей 8 и 10 подаются соответственно на вход фильтров низких частот 14, 16, выходы которых подсоединены к ограничителям 18, 20 соответственно. Выходной сигнал ограничителя 18 является синфазным сигналом I, а выходной сигнал ограничителя 20 является квадратурным фазовым сигналом Q. Описанная схема, таким образом, не требует никакого АРУ.
Если входные сигналы приемника являются частотно-манипулированными (FSK, ЧМн) сигналами, это может быть представлено в векторном виде так, как изображено на фиг. 2. Диаграмма слева на фиг. 2 изображает, что входной сигнал может иметь любой фазовый угол, в то время как выходные сигналы после резкого ограничения - сигналы I и Q - являются квантованными в любом из четырех возможных состояний, как изображено на правой диаграмме на фиг. 2.
Для того, чтобы демодулировать ЧМн сигнал, необходимо установить направление поворота вектора. Это является открытым (простым) в пейджинговых системах, где индекс модуляции является высоким, поэтому вектор будет вращаться несколько периодов для каждого бита данных. Ограниченные выходные сигналы I и Q затем становятся импульсами прямоугольной формы со сдвигом фазы на 90o друг к другу, или опережающими или запаздывающими, в зависимости от направления вращения. С помощью сравнения ограниченных сигналов I и Q на фазочувствительном детекторе (например D-триггере) может быть определена полярность разности фаз, а следовательно, может быть восстановлена модуляция.
Однако в более спектрально эффективных схемах с низким индексом модуляции, например схемах частотной манипуляции по Гауссу (GFSK), вектор может вращаться до 50o на бит данных. Это означает, что вектор может оставаться целиком в одном квадранте, поэтому изменений в выходных сигналах ограничителей нет. В этом случае данные являются невосстанавливаемыми.
Задачей настоящего изобретения является создание приемника прямого преобразования для использования с сигналами фазовой модуляции, который не требует АРУ.
Согласно настоящему изобретению создан приемник, содержащий средство для приема входного сигнала, переданного через радиосреду, средство для генерации синфазного и квадратурного фазовых сигналов из принятого входного сигнала и средство для генерации синфазного и квадратурного фазовых выходных сигналов в форме импульсов сильно ограниченных сигналов, отличающийся тем, что приемник включает в себя схемное средство, сконструированное для генерации дополнительных осей, являющихся промежуточными к осям синфазного и квадратурного фазовых сигналов, из которых генерируются импульсные сильно ограниченные сигналы, и средство декодирования, сконструированное для приема импульсов сильно ограниченных сигналов и сконструированное для генерации данных, соответствующих принятому радиосигналу.
Это схемное средство может включать в себя схемы первого и второго сумматоров, первая из которых предназначена для суммирования синфазного и квадратурного фазовых сигналов, из которых второй сконструирован для вычитания синфазного и квадратурного фазовых сигналов, посредством этого генерируя сигналы, имеющие оси, которые являются промежуточными к осям синфазного и квадратурного фазовых сигналов.
Схемное средство может включать в себя рациометрический сумматор для генерации восьми осей, промежуточных к осям синфазного и квадратурного фазовых сигналов.
В дальнейшем изобретение поясняется наилучшими вариантами его воплощения со ссылками на сопровождающие чертежи, на которых:
фиг. 3 изображает приемник прямого преобразования с использованием четырех ограничителей согласно изобретению,
фиг. 4 изображает векторное представление сигнала в четырехосном приемнике согласно изобретению,
фиг. 5 изображает блок-схему ЧМн декодера согласно изобретению,
фиг. 6 изображает блок-схему приемника прямого преобразования, использующего "n" ограничителей согласно изобретению,
фиг. 7 изображает блок-схему П/4-DQPSK (относительной квадратурной фазовой манипуляции) декодера согласно изобретению.
фиг. 3 изображает приемник прямого преобразования с использованием четырех ограничителей согласно изобретению,
фиг. 4 изображает векторное представление сигнала в четырехосном приемнике согласно изобретению,
фиг. 5 изображает блок-схему ЧМн декодера согласно изобретению,
фиг. 6 изображает блок-схему приемника прямого преобразования, использующего "n" ограничителей согласно изобретению,
фиг. 7 изображает блок-схему П/4-DQPSK (относительной квадратурной фазовой манипуляции) декодера согласно изобретению.
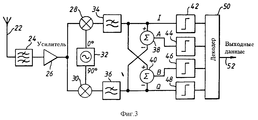
На фиг. 3 изображена блок-схема приемника прямого преобразования, использующего четыре ограничителя. Изображенный приемник преодолевает недостаток предшествующего уровня техники с помощью эффективного введения дополнительных осей, являющихся промежуточными к осям синфазного и квадратурного фазовых сигналов. Простейшей реализацией этого является добавить две дополнительные оси под 45o и 135o с помощью определения суммы и разности синфазного I и квадратурного Q фазовых сигналов, сильно (амплитудное) ограничивая два новых сигнала, обозначенных A и B, как изображено на чертеже. Приемник содержит антенну 22, подсоединенную к блокирующему фильтру 24, выход которого подается на усилитель 26. Выходной сигнал усилителя подается на первый вход схемы смесителей 28, 30 соответственно. Схема смесителя 28 принимает синфазный сигнал 1 от гетеродина 32, а схема смесителя 30 принимает квадратурный фазовый сигнал Q от гетеродина 32. Выходной сигнал с каждой схемы смесителей 28, 30 подается на вход фильтров низких частот 34, 36 соответственно. Выходной сигнал фильтра 34 представляет собой синфазный сигнал и подается на вход ограничителя 42, на вход схемы сумматора 38 и на вход схемы сумматора 40. Аналогично выходной сигнал фильтра 36 представляет собой квадратурный фазовый сигнал и подается на вход ограничителя 48, на дополнительный вход схемы сумматора 40 и на дополнительный вход схемы сумматора 38. Сумматор 38 генерирует выходной сигнал А, который является суммой двух входных сигналов, а сумматор 40 генерирует выходной сигнал В, который является разностью двух входных сигналов. Выходной сигнал сумматора 38 подается на ограничитель 44, а выходной сигнал сумматора 40 подается на вход ограничителя 46. Каждый из ограничителей 42-48 генерирует выходной сигнал, который подается на декодер 50, с которого сигнал выходных данных выдается на выходную линию 52.
На фиг. 4 изображена векторная диаграмма, относящаяся к фиг. 3. При наличии четырех осей существует восемь секторов, а сильно ограниченные сигналы в действительности представляют собой сигналы, квантованные в восемь возможных фазовых состояний, разделенных 45o. Когда входной сигнал является GFSK модулированным сигналом, вектор будет пересекать по меньшей мере одну ось, поэтому направление вращения может быть установлено, а данные восстановлены.
На фиг. 4 диаграмма слева изображает, что входной сигнал может иметь любой фазовый угол, а диаграмма справа изображает, что после сильного ограничения выходной сигнал квантуется на восемь возможных фазовых состояний.
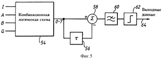
Декодирование данных может быть получено в цифровом виде из двоичных сигналов на выходах ограничителей 42-48 на фиг. 4, и декодирование показано со ссылкой на фиг. 5. Фиг. 5 изображает ЧМн декодер, содержащий комбинационную логическую схему 54, которая принимает входные сигналы I, A, B и Q от ограничителей 42-48 на фиг. 4. Выход комбинационной логической схемы подсоединен ко входу схемы 56 задержки и ко входу схемы 58 суммирования. Выходной сигнал схемы 56 задержки подсоединен к дополнительному входу схемы 58 суммирования. Выход схемы 58 суммирования подсоединен ко входу схемы 60 усреднения, выходной сигнал которого подается на амплитудный ограничитель 62, с выхода которого данные передаются на выходную линию 64.
Простая комбинационная логическая схема может применяться для получения выходного двоичного сектора с номером 0 до 7, представляющего собой сектор фазы, в котором находится мгновенное значение сигнала. Вычитая (по модулю 8) значение предыдущего сектора из значения текущего сектора, получаются серии импульсов, которые являются отрицательными или положительными в зависимости от направления вращения. В действительности образуется дискриминатор частотной выборки. Чтобы избежать наложения, элемент задержки должен иметь продолжительность менее половины битового периода. Импульсная последовательность затем усредняется в схеме 60 и ограничивается схемой 62 для выделения данных.
В схемах модуляции, в которых фазовый сдвиг на бит меньше (например π/4-DQPSK или GFSK с очень низким коэффициентом ВТ, где B является шириной полосы пропускания фильтра модуляции, а T является битовым периодом), способ может быть расширен с помощью введения большего количества осей, улучшая таким образом разрешение фазы. Эта концепция показана на фиг. 6.
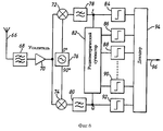
На примере фиг. 6 будет пояснено дополнительное воплощение настоящего изобретения и описан приемник прямого преобразования, использующий "n" ограничителей.
Приемник содержит антенну 66, которая подсоединена к РЧ-фильтру 68, выход которого подсоединен к входному сигналу усилителя 70. Выходной сигнал усилителя подается на вход схемы смесителя 72 и на вход схемы смесителя 74. Вторые входы смесителей 72, 74 принимают выходные сигналы от гетеродина 76 в форме синфазного сигнала, поданного на смеситель 72, и квадратурного фазового сигнала, поданного на смеситель 74. Выходной сигнал схемы смесителя 72 подается на фильтр 78 низких частот, и аналогично выходной сигнал схемы 74 смесителя подается на фильтр низких частот 80. Выходные сигналы фильтров 78, 80 каждый подаются на рациометрический сумматор 82 соответственно и на вход ограничителя 84 и ограничителя 92 соответственно. Рациометрический сумматор 82 генерирует ряд выходных сигналов, каждый из которых подается на вход ограничителей 86-90 соответственно. Выходной сигнал каждого ограничителя подается на вход декодера 94, который предназначен для генерации выходного сигнала на выходную линию 96.
При π/4-DQPSK модуляции фазовый сдвиг на символ составляет ±45 или ±135 в зависимости от битовой парной комбинации (00, 01, 10, 11). В конструкции приемника, изображенной на фиг. 6, потребуются минимум 8 осей (8 ограничителей), давая 16 секторов и разрешение фазы в 22.5o. Декодирование будет также слабо изменяться от ЧМн версии, следовательно три порога точности потребуются для детектирования амплитуды, а также полярности сдвига фазы. Декодер изображен на фиг. 7.
Схема декодера (фиг. 7) содержит логическую схему 98, которая принимает входной сигнал от схем ограничителей 84-92 (фиг. 6). Выходной сигнал логической схемы подается на вход сумматора 102 и на вход схемы задержки 100. Выходной сигнал схемы 100 задержки подается на дополнительный вход сумматора 102. Выходной сигнал сумматора 102 подается на вход схемы 104 усреднения, выходной сигнал которой подается на три пороговых устройства 106, 108, 110, которые предназначены для сравнения выходного сигнала схемы 104 усреднения с пороговым сигналом, поданным на ее второй вход. Выходной сигнал каждой пороговой схемы 106-110 подается на вход логической схемы 112 соответственно, которая предназначена для генерирования выходных битовых данных на выходную линию 114 и на выходную линию 116.
Специалистами могут быть сделаны различные модификации и изменения в рамках настоящего изобретения. Приемник предназначен в первую очередь для схем фазовой или частотной модуляции. Однако в системах, где изменение огибающей должно быть сохранено (например, для выравнивания), огибающая сигнала может быть получена из выходных сигналов индикатора амплитуды принятого сигнала ограничителя. Так как это должна быть огибающая логарифмического сжатия, то необходима антилогарифмическая функция для восстановления линейного амплитудного изменения.
Claims (8)
1. Приемник прямого преобразования для преобразования входного радиочастотного сигнала, содержащий антенное средство для приема входного сигнала, переданного через радиосреду, первое схемное средство для генерирования синфазного и квадратурного фазовых сигналов из принятого входного сигналов, второе схемное средство для приема синфазного и квадратурного фазовых сигналов и генерирования множества сигналов, имеющих оси, промежуточные к осям синфазного и квадратурного фазовых сигналов, средство для генерирования выходных синфазного, квадратурного и множества сигналов, имеющих оси, промежуточные к осям синфазного и квадратурного фазовых сигналов, в форме пакета импульсов сильно ограниченных сигналов, средство декодирования для приема пакетов импульсов сильно ограниченных сигналов и для генерирования сигналов данных, соответствующих принятому входному сигналу, содержащее логическую схему для выдачи выходного сигнала, представляющего одно из, по меньшей мере, восьми возможных фазовых состояний принятого входного сигнала при использовании, по меньшей мере, двух сигналов, которые имеют оси, промежуточные к осям синфазного и квадратурного фазовых сигналов, и средство для вычитания предыдущего вектора, представляющего входной сигнал, из текущего вектора для генерирования последовательности положительных или отрицательных импульсов в зависимости от знака фазового сдвига.
2. Приемник прямого преобразования по п.1, в котором последовательность импульсов подана на схему усреднения, а выходной сигнал из схемы усреднения подан на схему ограничения, предназначенную для выделения данных из этой последовательности.
3. Приемник прямого преобразования по п.2, в котором второе схемное средство содержит первую и вторую схемы сумматора, которые предназначены для суммирования синфазного и квадратурного фазовых сигналов и для вычитания синфазного и квадратурного фазовых сигналов в любом отношении для генерирования двух сигналов, которые имеют оси, промежуточные к осям синфазного и квадратурного сигналов.
4. Приемник прямого преобразования по любому из пп.1-3, в котором средство декодирования представляет собой декодер частотно-манипулированных (ЧМн) сигналов.
5. Приемник прямого преобразования по п.1, в котором последовательность импульсов подана на схему усреднения, а выходной сигнал из схемы усреднения подан на каждую из трех схем принятия решения, которые предназначены для определения амплитуды и полярности фазового сдвига принятого входного сигнала, причем выходной сигнал из каждой схемы принятия решения образует входные сигналы в выходную логическую схему, которая генерирует выходные сигналы данных.
6. Приемник прямого преобразования по п.5, в котором второе схемное средство представляет собой рациометрический сумматор, предназначенный для генерирования множества фазовых сигналов, которые имеют оси, промежуточные к осям синфазного и квадратурного сигналов.
7. Приемник прямого преобразования по п.6, в котором средство декодирования предназначено для генерирования выходного сигнала, представляющего одно из шестнадцати возможных фазовых состояний принятого сигнала при использовании шести сигналов, которые имеют оси, промежуточные к осям синфазного и квадратурного сигналов.
8. Приемник прямого преобразования по любому из пп.5-7, в котором средство декодирования представляет собой декодер π/4 - относительной квадратурной фазовой манипуляции (π/4-ОКФМн).
Priority Applications (1)
| Application Number | Priority Date | Filing Date | Title |
|---|---|---|---|
| RU97101907A RU2175463C2 (ru) | 1995-05-10 | 1995-05-10 | Радиоприемник прямого преобразования |
Applications Claiming Priority (1)
| Application Number | Priority Date | Filing Date | Title |
|---|---|---|---|
| RU97101907A RU2175463C2 (ru) | 1995-05-10 | 1995-05-10 | Радиоприемник прямого преобразования |
Publications (2)
| Publication Number | Publication Date |
|---|---|
| RU97101907A RU97101907A (ru) | 1999-04-27 |
| RU2175463C2 true RU2175463C2 (ru) | 2001-10-27 |
Family
ID=20189745
Family Applications (1)
| Application Number | Title | Priority Date | Filing Date |
|---|---|---|---|
| RU97101907A RU2175463C2 (ru) | 1995-05-10 | 1995-05-10 | Радиоприемник прямого преобразования |
Country Status (1)
| Country | Link |
|---|---|
| RU (1) | RU2175463C2 (ru) |
Cited By (1)
| Publication number | Priority date | Publication date | Assignee | Title |
|---|---|---|---|---|
| RU2542939C1 (ru) * | 2013-10-09 | 2015-02-27 | Общество с ограниченной ответственностью "Алсет Веллен" | Приемник прямого преобразования с квадратурно-трехфазной архитектурой, способ прямого преобразования сигнала посредством указанного приемника и способ управления настройкой указанного приемника |
Citations (3)
| Publication number | Priority date | Publication date | Assignee | Title |
|---|---|---|---|---|
| US4322851A (en) * | 1979-09-04 | 1982-03-30 | International Standard Electric Corporation | Decoding logic for frequency shift keying receiver |
| US5095536A (en) * | 1990-03-23 | 1992-03-10 | Rockwell International Corporation | Direct conversion receiver with tri-phase architecture |
| GB2282030A (en) * | 1993-09-14 | 1995-03-22 | Plessey Semiconductors Ltd | Direct conversion receivers |
-
1995
- 1995-05-10 RU RU97101907A patent/RU2175463C2/ru active
Patent Citations (3)
| Publication number | Priority date | Publication date | Assignee | Title |
|---|---|---|---|---|
| US4322851A (en) * | 1979-09-04 | 1982-03-30 | International Standard Electric Corporation | Decoding logic for frequency shift keying receiver |
| US5095536A (en) * | 1990-03-23 | 1992-03-10 | Rockwell International Corporation | Direct conversion receiver with tri-phase architecture |
| GB2282030A (en) * | 1993-09-14 | 1995-03-22 | Plessey Semiconductors Ltd | Direct conversion receivers |
Non-Patent Citations (1)
| Title |
|---|
| ОКУНЕВ Ю.Б. Теория фазоразностной модуляции. - М.: Связь, 1979, с. 127 рис. 4.7, с. 147 рис. 4.20. * |
Cited By (1)
| Publication number | Priority date | Publication date | Assignee | Title |
|---|---|---|---|---|
| RU2542939C1 (ru) * | 2013-10-09 | 2015-02-27 | Общество с ограниченной ответственностью "Алсет Веллен" | Приемник прямого преобразования с квадратурно-трехфазной архитектурой, способ прямого преобразования сигнала посредством указанного приемника и способ управления настройкой указанного приемника |
Similar Documents
| Publication | Publication Date | Title |
|---|---|---|
| CA2194695C (en) | A direct conversion receiver | |
| US3993956A (en) | Digital detection system for differential phase shift keyed signals | |
| EP0333266B1 (en) | A direct conversion receiver | |
| CA2173530C (en) | Modulation and demodulation method, modulator and demodulator | |
| US4887280A (en) | System for detecting the presence of a signal of a particular data rate | |
| US5640427A (en) | Demodulator | |
| US4647864A (en) | Variable-delay, sine-cosine non-coherent demodulator | |
| US4336500A (en) | MSK Demodulator frequency acquistion apparatus and method | |
| US4246653A (en) | In-phase quadrature demodulator for CPSK signals | |
| US6823026B2 (en) | Apparatus and method for baseband detection | |
| JP3902661B2 (ja) | 受信機、復調器および復調方法 | |
| JPH0621992A (ja) | 復調器 | |
| EP0484914B1 (en) | Demodulator and method for demodulating digital signals modulated by a minimum shift keying | |
| US4439737A (en) | Phase locked loop, as for MPSK signal detector | |
| RU2175463C2 (ru) | Радиоприемник прямого преобразования | |
| US5598125A (en) | Method for demodulating a digitally modulated signal and a demodulator | |
| RU2013018C1 (ru) | Демодулятор сигналов шестнадцатипозиционной квадратурной амплитудной манипуляции | |
| US4748641A (en) | Suppressed carrier modulation method | |
| CN1066870C (zh) | 直接变频接收机 | |
| GB1594320A (en) | Method and device for measuring the difference in envelope delay at the extreme frequences of channel passband in a data transmission system | |
| KR100368013B1 (ko) | 직접변환수신기 | |
| US5982200A (en) | Costas loop carrier recovery circuit using square-law circuits | |
| RU2808227C1 (ru) | Демодулятор сигналов амплитудной манипуляции | |
| JP2696948B2 (ja) | 搬送波再生回路 | |
| GB2192506A (en) | Demodulation circuit |