RU2024943C1 - Устройство для считывания графической информации - Google Patents
Устройство для считывания графической информации Download PDFInfo
- Publication number
- RU2024943C1 RU2024943C1 SU915026440A SU5026440A RU2024943C1 RU 2024943 C1 RU2024943 C1 RU 2024943C1 SU 915026440 A SU915026440 A SU 915026440A SU 5026440 A SU5026440 A SU 5026440A RU 2024943 C1 RU2024943 C1 RU 2024943C1
- Authority
- RU
- Russia
- Prior art keywords
- output
- input
- pulse generator
- tablet
- block
- Prior art date
Links
- 230000015572 biosynthetic process Effects 0.000 claims description 10
- 238000007493 shaping process Methods 0.000 abstract 1
- 239000000126 substance Substances 0.000 abstract 1
- 230000010355 oscillation Effects 0.000 description 3
- 238000013016 damping Methods 0.000 description 2
- 230000005284 excitation Effects 0.000 description 2
- 238000006243 chemical reaction Methods 0.000 description 1
- 230000007423 decrease Effects 0.000 description 1
- 238000010586 diagram Methods 0.000 description 1
- 238000005516 engineering process Methods 0.000 description 1
- 238000005259 measurement Methods 0.000 description 1
- 230000001902 propagating effect Effects 0.000 description 1
Images
Landscapes
- Length Measuring Devices Characterised By Use Of Acoustic Means (AREA)
- Measurement Of Length, Angles, Or The Like Using Electric Or Magnetic Means (AREA)
Abstract
Изобретение относится к автоматике и вычислительной технике и может быть использовано для считывания графической информации. Повышение точности и быстродействия устройства достигается за счет введения переключателя, аналогового инвертора, двух блоков формирования стробирующих импульсов, элементов И и ИЛИ. 1 ил.
Description
Изобретение относится к автоматике и вычислительной технике и может быть использовано для считывания графической информации.
Известно устройство для считывания графической информации [1], содержащее первый и второй блоки формирования строб-импульсов и дополнительный пьезоэлектрический приемник, установленный на планшете, выходы пьезоэлектрических приемников подключены к управляющим входам соответствующих блоков формирования строб-импульсов, выход первого блока формирования строб-импульсов подключен к стробирующим входам формирователя возбуждающего напряжения, выход второго блока формирования строб-импульсов соединен с третьим и четвертым управляющими входами блока формирования временных интервалов, причем каждый из блоков формирования возбуждающего напряжения содержит трипер и ключ.
Недостатками данного устройства являются трудность получения на дополнительных пьезоэлектрических пластинках сигнала, соответствующего уровню демпфируемого сигнала, и практической невозможностью получения соответствующей формы сигнала, что приводит к неполному демпфированию этой волны и наличию отраженных сигналов в планшете и малой точности и быстродействия устройства.
Наиболее близким к предлагаемому является ультразвуковой координатометр [2] , содержащий планшет с установленными на его сторонах пьезоэлектрическими пластинами, попарно подключенными на перпендикулярных сторонах планшета к первому и второму выходам генератора импульсов непосредственно и через первый и второй блоки формирования возбуждающего напряжения соответственно, блок формирования временных интервалов; третий и четвертый входы которого подключены к третьему и четвертому выходам генератора импульсов, съемник координат.
Недостатками данного устройства являются следующие: волны, возбуждаемые в планшете представляют собой сумму бесконечного числа нормальных волн (симметричных и несимметричных), образующих продольные и сдвиговые волны с разными фазовыми скоростями (см. Микер Т., Мейстер А., Волноводные распространения в протяженных цилиндрах и пластинках. - В кн.: Физическая акустика под ред. У.Мейзона, Т 1А). Поэтому в точке расположения дополнительной пьезопластины возникает сложная интерференционная картина и наблюдается сильное искажение формы и фазы колебаний, причем первые несколько полуволн (до момента прихода сдвиговой волны) имеют малую амплитуду и синусоидальную форму, а последующие - большую амплитуду и искаженную форму. Вследствие этого при подаче напряжения на дополнительные пьезопластины происходит лишь частичное демпфирование продольной волны в точке, а начиная с момента прихода сдвиговой волны, колебания практически не демпфируются, так как невозможно получить такую амплитуду и фазу сигнала, который бы полностью демпфировал все составляющие ультразвукового поля в планшете. Так как амплитуда искаженных колебаний больше амплитуды продольной волны, то время затухания волн в планшете уменьшается незначительно, и, как следствие, частота переключения также увеличивается незначительно. Поэтому точность при динамических измерениях также увеличивается незначительно, что недостаточно при считывании графической информации.
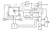
На чертеже приведена функциональная схема устройства для считывания графической информации.
Устройство содержит квадратный планшет 1, первую 2, вторую 3, третью 4 и четвертую 5 пьезоэлектрические пластины, пьезоэлектрический приемник 6, переключатель 7, генератор импульсов 8, блоки формирования возбуждающего напряжения 9, аналоговый инвертор 10, блоки формирования строб-импульсов 11, элемент И 12, элемент ИЛИ 13, блок формирования временных координатных интервалов 15, блок кодовых переключателей 14 и мультиплексор 16.
Генератор импульсов 8 соединен с первой 2 и третьей 4 пьезоэлектрическими пластинами, с блоками формирования возбуждаемого напряжения 9, выходы которых подключены к второй 3 и четвертой 5 пьезоэлектрическим пластинам и с блоком формирования временных координатных интервалов 15. Пьезоэлектрический приемник 6 подключен к блокам формирования строб-импульсов 11, к первому непосредственно блоков 11 соединены с блоком 15 и с входами элемента ИЛИ 13. Входы элемента И 12 соединены с переключателем 7 и с управляющим выходом блока 15, а выход с третьим входом блока 13 и с управляющим входом мультиплексора 16, информационные входы которого подключены к информационным выходам блоков 14 и 15.
Устройство работает следующим образом. Генератор импульсов 8 со сдвигом во времени, определяемым временем пробега волны до середины планшета, попеременно возбуждает ультразвуковые волны по координатным осям Х и Y, причем возбуждаются в одних (2, 4) пьезоэлектрических пластинках волны одной полярности, а в других (3, 5) - волны обратной полярности. Упругие бегущие волны противоположных полярностей распространяются по планшету 1 вдоль координатных осей навстречу друг другу с постоянной скоростью. При установке приемника 6 на поверхность планшета в точке сканирования через время, соответствующее расстоянию пробега фронта бегущей волны от ближайшей пьезоэлектрической пластины до места контакта приемника 6 с поверхностью планшета 1, приемник начинает формировать электрический сигнал, полярность которого соответствует полярности принимаемого фронта бегущей волны, и в зависимости от его полярности срабатывает первый (если сигнал положительной полярности) или же второй (если сигнал отрицательной полярности) блок формирования строб-импульсов и сформирует одиночный импульс, который поступает в блок формирования временных координатных интервалов 15, который представляет собой вычислительный блок и осуществляет соответствующий пересчет координат в зависимости от полярности регистрируемой волны, которая определяет нахождение измеряемой точки на той или иной половине планшета по отношению к измеряемой оси координат в данный момент.
Бегущие противополярные волны, распространяющиеся вдоль измеряемой оси навстречу, встречаются точно в середине планшета и полностью демпфируются там же. При установке приемника 6 точно в середине планшета сигналы не поступают на блоки 11 и происходит переполнение внутреннего счетчика блока 15 (не показан) и сигнал переполнения счетчика вместе с сигналом от переключателя, который выдает сигнал о том, что идет считывание координат, поступают на элемент И 12 его выходной, а сигнал, подаваемый на мультиплексор 16, пропускает код, соответствующий координате измеряемой точки с блока 14 на информационный выход устройства. Блок 14 представляет собой группу кодовых переключателей, с помощью которых задается постоянный код и устанавливается вручную.
Элемент ИЛИ 13 формирует синхросигнал для передачи кода координаты по сигналу от первого или второго блока 11, или же от блока 12.
Claims (1)
- УСТРОЙСТВО ДЛЯ СЧИТЫВАНИЯ ГРАФИЧЕСКОЙ ИНФОРМАЦИИ, содержащее квадратный планшет с установленными на его сторонах пьезоэлектрическими пластинами, попарно подключенными на перпендикулярных сторонах планшета к первому и второму выходам генератора импульсов непосредственно и через первый и второй блоки формирования возбуждающего напряжения соответственно, блок формирования временных интервалов, третий и четвертый входы которого подключены к третьему и четвертому выходам генератора импульсов, съемник координат, отличающееся тем, что в него введены переключатель, установленный на съемнике координат, аналоговый инвертор, два блока формирования стробирующих импульсов, элемент И, элемент ИЛИ, выход которого является выходом устройства, мультиплексор и блок кодовых переключателей, выход которого соединен с первым информационным входом мультиплексора, выход которого является вторым выходом устройства, а управляющий вход подключен к первому входу элемента ИЛИ и выходу элемента И, второй информационный вход - к информационному выходу блока формирования временных интервалов, управляющий выход которого соединен с одним входом элемента И, другой вход которого подключен к выходу переключателя съемника координат, выход пьезоэлектрического приемника которого соединен через первый формирователь стробирующих импульсов с первым входом блока формирования временных интервалов и вторым входом элемента ИЛИ, а через аналоговый инвертор и второй формирователь стробирующих импульсов - с вторым входом блока формирования временных интервалов и с третьим входом элемента ИЛИ.
Priority Applications (1)
| Application Number | Priority Date | Filing Date | Title |
|---|---|---|---|
| SU915026440A RU2024943C1 (ru) | 1991-12-05 | 1991-12-05 | Устройство для считывания графической информации |
Applications Claiming Priority (1)
| Application Number | Priority Date | Filing Date | Title |
|---|---|---|---|
| SU915026440A RU2024943C1 (ru) | 1991-12-05 | 1991-12-05 | Устройство для считывания графической информации |
Publications (1)
| Publication Number | Publication Date |
|---|---|
| RU2024943C1 true RU2024943C1 (ru) | 1994-12-15 |
Family
ID=21596441
Family Applications (1)
| Application Number | Title | Priority Date | Filing Date |
|---|---|---|---|
| SU915026440A RU2024943C1 (ru) | 1991-12-05 | 1991-12-05 | Устройство для считывания графической информации |
Country Status (1)
| Country | Link |
|---|---|
| RU (1) | RU2024943C1 (ru) |
-
1991
- 1991-12-05 RU SU915026440A patent/RU2024943C1/ru active
Non-Patent Citations (2)
| Title |
|---|
| 1. Авторское свидетельство СССР N 1425735, кл. G 06K 11/00, 1988. * |
| 2. Авторское свидетельство СССР N 881900, кл. H 01L 41/08, 1981. * |
Similar Documents
| Publication | Publication Date | Title |
|---|---|---|
| US5123286A (en) | Electric measuring device for measuring the propagation delay of an electrical signal | |
| EP0358904A3 (en) | Method and system for dual phase scanning acoustic microscopy | |
| US4894806A (en) | Ultrasonic imaging system using bundle of acoustic waveguides | |
| US4222273A (en) | Digital type ultrasonic holography apparatus | |
| RU2024943C1 (ru) | Устройство для считывания графической информации | |
| RU2018958C1 (ru) | Устройство для считывания графической информации | |
| US5798597A (en) | Surface acoustic wave device for sensing a touch-position | |
| RU2039929C1 (ru) | Ультразвуковой преобразователь перемещений | |
| ATE118897T1 (de) | Verfahren und vorrichtung zum messen von zweidimensionalen reflektierenden strukturen. | |
| RU2025779C1 (ru) | Устройство для считывания графической информации | |
| SU1425735A1 (ru) | Устройство дл считывани графической информации | |
| SU1504509A1 (ru) | Ультразвуковой самокалибрующийс измеритель линейных размеров и перемещений | |
| SU1458856A1 (ru) | Устройство дл измерени коротких временных интервалов | |
| RU2024942C1 (ru) | Устройство для считывания графической информации | |
| RU2039930C1 (ru) | Ультразвуковой преобразователь перемещений | |
| JPS6133523A (ja) | 弾性波を利用した位置標定装置 | |
| SU1203557A1 (ru) | Устройство дл считывани графической информации | |
| SU1067370A1 (ru) | Устройство дл измерени параметров вибрации плат | |
| SU532010A1 (ru) | Бесконтактный ультразвуковой след щий уровнемер индикации фазового состава и границ раздела фаз многофазной несмешивающейс среды | |
| SU1397830A1 (ru) | Устройство ультразвукового контрол материалов и изделий | |
| SU1191732A1 (ru) | Устройство контрол угловых перемещений | |
| JPS6330924A (ja) | 弾性波応用座標入力装置 | |
| SU954873A1 (ru) | Измеритель скорости ультразвука в жидкости | |
| Harris et al. | Practical properties of a thick-film elastic wave sensor structure | |
| SU1113816A1 (ru) | Устройство дл решени краевых задач |