RU2024942C1 - Устройство для считывания графической информации - Google Patents
Устройство для считывания графической информации Download PDFInfo
- Publication number
- RU2024942C1 RU2024942C1 SU5026373A RU2024942C1 RU 2024942 C1 RU2024942 C1 RU 2024942C1 SU 5026373 A SU5026373 A SU 5026373A RU 2024942 C1 RU2024942 C1 RU 2024942C1
- Authority
- RU
- Russia
- Prior art keywords
- inputs
- output
- outputs
- input
- elements
- Prior art date
Links
- 238000009434 installation Methods 0.000 claims description 7
- 239000000126 substance Substances 0.000 abstract 1
- 230000036039 immunity Effects 0.000 description 3
- 239000000523 sample Substances 0.000 description 3
- 230000035945 sensitivity Effects 0.000 description 3
- 238000010835 comparative analysis Methods 0.000 description 1
- 230000000368 destabilizing effect Effects 0.000 description 1
- 238000010586 diagram Methods 0.000 description 1
- 230000008030 elimination Effects 0.000 description 1
- 238000003379 elimination reaction Methods 0.000 description 1
- 230000010355 oscillation Effects 0.000 description 1
- 230000001960 triggered effect Effects 0.000 description 1
Images
Landscapes
- Measurement Of Velocity Or Position Using Acoustic Or Ultrasonic Waves (AREA)
Abstract
Изобретение относится к автоматике и вычислительной технике и может быть использовано для считывания графической информации. Предлагаемое устройство состоит из планшета-звукопровода, двух пьезоэлектрических излучателей, съемника координат, трех элементов И, двух элементов ИЛИ, двух счетчиков, генератора импульсов, одновибратора, трехформирователей сигналов, двух триггеров, усилителя, фазовращателя, компаратора и селектора длительности. Введение новых блоков и новых связей позволяет повысить помехоустойчивость устройства. 1 ил.
Description
Изобретение относится к автоматике и вычислительной технике и может быть использовано для считывания графической информации.
Известно устройство ввода графической информации [1], содержащее подвижный электроакустический преобразователь, связанный со схемой управления, приемники акустических колебаний, расположенные под прямым углом друг к другу и подключенные через времяимпульсные преобразователи к входам соответствующих счетчиков координат, генератор тактовых импульсов, соединенный с одним из входов времяимпульсных преобразователей, а другие входы которых связаны с электроакустическим преобразователем, отличающееся тем, что, с целью повышения точности определения координат изображения, оно содержит дополнительный электроакустический преобразователь, подключенный к дополнительному входу одного из времяимпульсных преобразователей, блок постоянной памяти, дешифратор, последовательно соединенные блок вычитания кодов, сумматор и преобразователь код-напряжение, выход которого подключен к управляющему входу генератора тактовых импульсов, а разрядные выходы блока постоянной памяти соединены с входами блока вычитания кодов, выход которого подключен к входам сумматора и через дешифратор к схеме управления.
Недостатком данного устройства является невысокая помехоустойчивость, обусловленная тем, что любая помеха, попадающая в предел чувствительности усилителя, может регистрироваться как полезный сигнал.
Известно также устройство для считывания графической информации [2], содержащее планшет-звукопровод, на взаимно перпендикулярных сторонах которого установлены пьезоэлектрические излучатели, съемник координат, выход которого подключен к входу усилителя, первый элемент И, один из входов которого является входом устройства, а выход соединен с входами первого и второго формирователей сигналов, выходы которых соединены соответственно с входами первого элемента ИЛИ, с входами пьезоэлектрических преобразователей и одним из входов первого и второго триггеров, другие входы которых подключены к выходам второго и третьего элементов ИЛИ, генератор импульсов, выход которого соединен с другими входами первого элемента И и одним из входов второго и третьего элементов И, выходы которых подключены к информационным входам счетчиков, управляющие входы которых соединены с первыми входами второго и третьего элементов ИЛИ и с входом устройства, выходом которого является один из выходов счетчиков, другие выходы которых подключены к вторым входам второго и третьего элементов ИЛИ, отличающееся тем, что, с целью повышения надежности, оно содержит третий и четвертый формирователи сигналов, входы которых соединены с выходом усилителя, четвертый, пятый и шестой элементы ИЛИ, третий триггер и последовательно соединенные четвертый элемент И и второй одновибратор, выход которого подключен к первым входам пятого и шестого элементов ИЛИ, вторые входы которых соединены соответственно с выходами четвертого и второго триггеров, а выходы подключены к другим входам второго и третьего элементов И, выходы третьего и четвертого формирователей сигналов соединены с выходами четвертого элемента ИЛИ, выход которого подключен к третьим входам второго и третьего элементов ИЛИ, выход первого элемента ИЛИ соединен с одним из входов третьего триггера, другой вход которого подключен к выходу четвертого формирователя сигналов, а выход - к одному из входов четвертого элемента И, другой вход которого соединен с выходом третьего формирователя сигналов.
Недостатком данного устройства является невысокая точность, так как оно не устраняет погрешности, вызванной изменением амплитуды сигнала на выходе съемника координат ввиду нестабильности его контакта с поверхностью планшета-звукопровода и затуханием ультразвуковой волны в звукопроводе по мере ее удаления от излучателя.
Наиболее близким к предлагаемому является устройство для считывания графической информации [3] , содержащее планшет-звукопровод, на взаимно перпендикулярных сторонах которого установлены пьезоэлектрические излучатели, съемник координат, выход которого подключен к входу усилителя, первый элемент И, один из входов которого является входом устройства и соединен с первыми входами первого и второго элементов ИЛИ и с установочными входами первого и второго счетчиков, выходы которых являются выходами устройства, а информационные входы подключены соответственно к выходам второго и третьего элементов И, первые входы которых и другой вход первого элемента И соединены с выходом генератора импульсов, выход первого элемента И подключен к входу одновибратора, выход которого соединен с входами первого и второго формирователей сигналов, выходы которых подключены соответственно к входам пьезоэлектрических излучателей и одним из установочных входов первого и второго триггеров, другие установочные входы которых соединены соответственно с выходами первого и второго элементов ИЛИ, вторые входы которых подключены к другим выходам первого и второго счетчиков соответственно, фазовращатель, компаратор и третий формирователь сигналов, выход которого подключен к третьим входам первого и второго элементов ИЛИ, выходы усилителя и фазовращателя соединены с информационными входами компаратора, а выходы первого и второго триггеров подключены соответственно к вторым входам второго и третьего элементов И.
Недостатком данного устройства является то, что любая помеха, независимо от ее уровня, попадающая в предел чувствительности усилителя, может регистрироваться вместо полезного сигнала, что делает устройство помехозащищенным.
Предлагается устройство для считывания графической информации, содержащее планшет-звукопровод, на взаимно перпендикулярных сторонах которого установлены пьезоэлектрические излучатели, съемник координат, выход которого подключен к входу усилителя, первый элемент И, один из входов которого является входом устройства и соединен с первыми входами первого и второго элементов ИЛИ и с установленными входами первого и второго счетчиков, выходы которых являются выходами устройства, а выходам второго и третьего элементов И, первые входы которых и другой вход первого элемента И соединены с выходом генератора импульсов, выход первого элемента И подключен к входу одновибратора, выход которого соединен с входами первого и второго формирователей сигналов, выходы которых подключены соответственно к входам пьезоэлектрических излучателей и одним из установочных входов первого и второго триггеров, другие установочные входы которых соединены соответственно с выходами первого и второго элементов ИЛИ, вторые входы которых подключены к другим выходам первого и второго счетчиков соответственно, третий формирователь сигналов, фазовращатель и компаратор, выход третьего формирователя сигналов подключен к третьим входам первого и второго элементов ИЛИ, выходы усилителя и фазовращателя соединены с входами компаратора, а выходы первого и второго триггеров подключены соответственно к вторым входам второго и третьего элементов И, селектор длительности, вход которого подключен к выходу компаратора, а выход - к входу третьего формирователя сигналов.
Сопоставительный анализ показывает, что предлагаемое устройство от прототипа действительно отличается новыми элементами и связями, поэтому заявленное устройство соответствует критерию изобретения "Новизна".
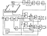
На чертеже приведена функциональая схема устройства для считывания графической информации.
Устройство содержит планшет-звукопровод 1, две пьезоэлектрические пластины 2, 3 установлены на взаимно перпендикулярных сторонах планшета, генератор импульсов 4, первый 5, второй 20 и третий 21 элементы И, одновибратор 6, первый 7, второй 8 и третий 15 формирователи сигналов, щуп 9, пьезоэлектрический приемник 10, усилитель 11, фазовращатель 12, компаратор 13, селектор длительности 14, формирователь импульсов 15, первый 16 и второй 17 элементы ИЛИ, первый 18 и второй 19 триггеры и первый 22 и второй 23 счетчики.
Пьезоэлектрические пластины 2 и 3, соединенные соответственно с выходами формирователей сигналов 7 и 8, входы которых подключены к выходу одновибратора 6, вход которого подключен к выходу элемента И 5, первый вход которого является входом устройства и соединен с установочными входами счетчиков 22 и 23.
Выход генератора импульсов 4 подключен ко второму входу элемента И 5, к входам элементов ИЛИ 16 и 17 и к входам элементов И 20 и 21, первые входы которых соединены соответственно с выходами триггеров 18 и 19, входы S которых подключены к выходам формирователей сигналов 7 и 8, а входы R которых - к выходам элементов ИЛИ 16 и 17.
Входы счета счетчиков 22 и 23 соединены с выходами элементов И 20 и 21, а информационные выходы являются выходами устройства.
Пьезоэлектрический приемник 10, приклеенный к щупу 9, подключен к входу усилителя 11, выход которого соединен с входами фазовращателя 12 и компаратора 13, первый вход которого подключен к выходу фазовращателя 12. Выход компаратора 13 соединен с первыми входами элементов ИЛИ 16 и 17 через последовательно соединенные селектор длительности 14 и формирователь импульсов 15, третьи входы которых подключены к выходам переполнения соответствующих счетчиков 22 и 23.
Устройство работает следующим образом. Рассмотрим работу устройства при измерении какой-нибудь координаты - например Х. При появлении импульса на входе устройства синхронно с импульсом генератора 4 срабатывает одновибратор 6, а также устанавливаются в нулевое состояние счетчики 22 и 23 и через элементы ИЛИ 16 и 17 триггеры 18 и 19. По переднему фронту импульса с выхода одновибратора формируется короткий импульс в формирователе 7, который поступает на излучатель 2, и в планшете 1 вдоль координаты Х начинает распространяться плоская бегущая ультразвуковая волна. Одновременно передний фронт этого импульса взводит триггер 18, формируя передний фронт временного интервала.
Как только фронт бегущей волны достигает щупа 9, в пьезоприемнике 10 возбуждается электрический сигнал, который усилителем 11 и поступает на один из входов компаратора 13, на другой вход которого подается такой же по амплитуде, но сдвинутый по фазе, сигнал с выхода фазовращателя 12. В момент времени, когда сигнал U2 на входе компаратора 13 превышает сигнал U1, на другом входе на величину Uп, определяемую чувствительностью компаратора, на выходе компаратора 13 формируется потенциал высокого уровня U3, который сохраняется до тех пор, пока уровень U2 не станет меньше U1 на величину Мп, формируя при этом импульс длительности τна выходе компаратора в точке U3. Если τ= τп , где τп - длительность, на которую настроен селектор длительности 14, то на выходе его формируется сигнал, который при поступлении на вход формирователя импульсов 15, на выходе его формируется короткий сигнал, который через элемент ИЛИ 16 сбрасывает триггер 18, формируя задний фронт временного координатного интервала.
На временной интервал, формируемый триггером 18, открывается элемент И 20, разрешая счет в счетчике 22, который формирует код соответствующий координате Х.
Устройство позволяет регистрировать моменты прихода ультразвуковой волны в приемник с устранением погрешности, связанной с нестабильностью ее амплитуды, в результате наличия дестабилизирующих факторов (таких как нестабильность усилия прижатия шипа к планшету). Это обеспечивается применением компаратора с переменным порогом сравнения.
Устройство также устраняет возможность регистрации помех вместо полезного сигнала, так как помеха не может иметь ту же длительность сигнала U3 на выходе компаратора 13, что имеет сам полезный сигнал. Длительность этого сигнала регистрируется селектором длительности 14.
Приведем доказательство повышения помехоустойчивости устройства. В прототипе регистрируется любой поступающий сигнал с выхода усилителя независимо от того, что он является полезным или же помехой. Полезный сигнал отличается от помехи тем, что он независимо от его амплитуды формирует выходной сигнал компаратора, который является постоянным по длительности. Введение селектора длительности обеспечивает игнорирование помех и регистрацию полезного сигнала независимо от наличия помех.
Таким образом, по сравнению с базовым объектом, в предлагаемом устройстве обеспечивается значительное повышение помехоустойчивости.
Claims (1)
- УСТРОЙСТВО ДЛЯ СЧИТЫВАНИЯ ГРАФИЧЕСКОЙ ИНФОРМАЦИИ, содержащее планшет, на взаимно перпендикулярных сторонах которого установлены пьезоэлектрические излучатели, съемник координат с пьезоэлектрическим приемником, выход которого подключен к входу усилителя, выход которого соединен с входом фазовращателя и одним входом компаратора, другой вход которого соединен с выходом фазовращателя, генератор импульсов, выход которого подключен к первым входам первого, второго и третьего элементов И, второй вход первого элемента И является входом устройства и соединен с входами установки первого и второго счетчиков и первыми входами первого и второго элементов ИЛИ, выход первого элемента И соединен через одновибратор с входами первого и второго формирователей сигналов, выходы которых подключены к входам соответствующих пьезоэлектрических излучателей, вторые входы первого и второго элементов ИЛИ соединены с выходом третьего формирователя сигналов, а третьи входы - с выходами переполнения соответственно первого и второго счетчиков, выходы которых являются соответствующими выходами устройства, а информационные входы подключены соответственно к выходам второго и третьего элементов И, вторые входы которых соединены с выходами соответственно первого и второго триггеров, R-входы которых подключены к выходам соответственно первого и второго элементов ИЛИ, а S-входы - к выходам соответственно первого и второго формирователей сигналов, отличающееся тем, что в него введен селектор длительности импульса, вход которого соединен с выходом компаратора, а выход - с входом третьего формирователя сигналов.
Priority Applications (1)
| Application Number | Priority Date | Filing Date | Title |
|---|---|---|---|
| SU5026373 RU2024942C1 (ru) | 1991-12-29 | 1991-12-29 | Устройство для считывания графической информации |
Applications Claiming Priority (1)
| Application Number | Priority Date | Filing Date | Title |
|---|---|---|---|
| SU5026373 RU2024942C1 (ru) | 1991-12-29 | 1991-12-29 | Устройство для считывания графической информации |
Publications (1)
| Publication Number | Publication Date |
|---|---|
| RU2024942C1 true RU2024942C1 (ru) | 1994-12-15 |
Family
ID=21596408
Family Applications (1)
| Application Number | Title | Priority Date | Filing Date |
|---|---|---|---|
| SU5026373 RU2024942C1 (ru) | 1991-12-29 | 1991-12-29 | Устройство для считывания графической информации |
Country Status (1)
| Country | Link |
|---|---|
| RU (1) | RU2024942C1 (ru) |
-
1991
- 1991-12-29 RU SU5026373 patent/RU2024942C1/ru active
Non-Patent Citations (3)
| Title |
|---|
| 1. Авторское свидетельство СССР N 488231, кл. G 06K 11/06, 1975. * |
| 2. Авторское свидетельство СССР N 1196921, кл. G 06K 11/06, 1985. * |
| 3. Авторское свидетельство СССР N 1439641, кл. G 06K 11/06, 1988. * |
Similar Documents
| Publication | Publication Date | Title |
|---|---|---|
| US5142506A (en) | Ultrasonic position locating method and apparatus therefor | |
| JP3022623B2 (ja) | 信号の伝播時間測定のための電気的測定装置 | |
| US5379269A (en) | Position determining apparatus | |
| US3692936A (en) | Acoustic coordinate data determination system | |
| US5050134A (en) | Position determining apparatus | |
| US5009277A (en) | Method and apparatus for position determination | |
| RU2024942C1 (ru) | Устройство для считывания графической информации | |
| KR950001281A (ko) | 초음파센서를 이용한 장애물의 거리 측정장치 및 그 방법 | |
| EP0107922A1 (en) | Graphical data apparatus | |
| SU932098A1 (ru) | Дискретное устройство дл определени мест повреждени напорного трубопровода | |
| RU2025778C1 (ru) | Устройство для считывания графической информации | |
| SU960894A1 (ru) | Устройство дл кодировани показаний жидкостного микроманометра | |
| SU954857A1 (ru) | Устройство дл определени времени окончани приработки пары трени | |
| JPH05825Y2 (ru) | ||
| SU963014A2 (ru) | Устройство дл считывани графической информации | |
| SU744660A1 (ru) | Устройство дл считывани графической информации | |
| RU2025779C1 (ru) | Устройство для считывания графической информации | |
| SU849253A1 (ru) | Способ считывани графическойиНфОРМАции и уСТРОйСТВО дл ЕгООСущЕСТВлЕНи | |
| RU2104482C1 (ru) | Магнитострикционный преобразователь перемещений | |
| RU2039929C1 (ru) | Ультразвуковой преобразователь перемещений | |
| SU1059587A1 (ru) | Устройство дл считывани графической информации | |
| SU1088033A1 (ru) | Устройство дл преобразовани координат точек графического изображени в электрические сигналы | |
| RU2006793C1 (ru) | Ультразвуковой преобразователь линейных перемещений | |
| SU634315A1 (ru) | Устройство дл считывани графической информации | |
| SU866410A2 (ru) | Магнитострикционный преобразователь перемешений |