JP7635235B2 - 車両の軌道を予測するためのシステムおよび方法 - Google Patents

車両の軌道を予測するためのシステムおよび方法 Download PDF

Info

Publication number
JP7635235B2
JP7635235B2 JP2022535570A JP2022535570A JP7635235B2 JP 7635235 B2 JP7635235 B2 JP 7635235B2 JP 2022535570 A JP2022535570 A JP 2022535570A JP 2022535570 A JP2022535570 A JP 2022535570A JP 7635235 B2 JP7635235 B2 JP 7635235B2
Authority
JP
Japan
Prior art keywords
vehicle
vehicles
ego
lane
adjacent
Prior art date
Legal status (The legal status is an assumption and is not a legal conclusion. Google has not performed a legal analysis and makes no representation as to the accuracy of the status listed.)
Active
Application number
JP2022535570A
Other languages
English (en)
Other versions
JP2023505700A (ja
Inventor
バウティスタ, ダビド ゴンサレス
ビセンテ ミラネス,
マトス, フランシスコ マーティン ナヴァス
Current Assignee (The listed assignees may be inaccurate. Google has not performed a legal analysis and makes no representation or warranty as to the accuracy of the list.)
Renault SAS
Original Assignee
Renault SAS
Priority date (The priority date is an assumption and is not a legal conclusion. Google has not performed a legal analysis and makes no representation as to the accuracy of the date listed.)
Filing date
Publication date
Application filed by Renault SAS filed Critical Renault SAS
Publication of JP2023505700A publication Critical patent/JP2023505700A/ja
Application granted granted Critical
Publication of JP7635235B2 publication Critical patent/JP7635235B2/ja
Active legal-status Critical Current
Anticipated expiration legal-status Critical

Links

Images

Classifications

    • BPERFORMING OPERATIONS; TRANSPORTING
    • B60VEHICLES IN GENERAL
    • B60WCONJOINT CONTROL OF VEHICLE SUB-UNITS OF DIFFERENT TYPE OR DIFFERENT FUNCTION; CONTROL SYSTEMS SPECIALLY ADAPTED FOR HYBRID VEHICLES; ROAD VEHICLE DRIVE CONTROL SYSTEMS FOR PURPOSES NOT RELATED TO THE CONTROL OF A PARTICULAR SUB-UNIT
    • B60W60/00Drive control systems specially adapted for autonomous road vehicles
    • B60W60/001Planning or execution of driving tasks
    • B60W60/0027Planning or execution of driving tasks using trajectory prediction for other traffic participants
    • BPERFORMING OPERATIONS; TRANSPORTING
    • B60VEHICLES IN GENERAL
    • B60WCONJOINT CONTROL OF VEHICLE SUB-UNITS OF DIFFERENT TYPE OR DIFFERENT FUNCTION; CONTROL SYSTEMS SPECIALLY ADAPTED FOR HYBRID VEHICLES; ROAD VEHICLE DRIVE CONTROL SYSTEMS FOR PURPOSES NOT RELATED TO THE CONTROL OF A PARTICULAR SUB-UNIT
    • B60W30/00Purposes of road vehicle drive control systems not related to the control of a particular sub-unit, e.g. of systems using conjoint control of vehicle sub-units
    • B60W30/10Path keeping
    • BPERFORMING OPERATIONS; TRANSPORTING
    • B60VEHICLES IN GENERAL
    • B60WCONJOINT CONTROL OF VEHICLE SUB-UNITS OF DIFFERENT TYPE OR DIFFERENT FUNCTION; CONTROL SYSTEMS SPECIALLY ADAPTED FOR HYBRID VEHICLES; ROAD VEHICLE DRIVE CONTROL SYSTEMS FOR PURPOSES NOT RELATED TO THE CONTROL OF A PARTICULAR SUB-UNIT
    • B60W30/00Purposes of road vehicle drive control systems not related to the control of a particular sub-unit, e.g. of systems using conjoint control of vehicle sub-units
    • B60W30/18Propelling the vehicle
    • B60W30/18009Propelling the vehicle related to particular drive situations
    • B60W30/18163Lane change; Overtaking manoeuvres
    • BPERFORMING OPERATIONS; TRANSPORTING
    • B60VEHICLES IN GENERAL
    • B60WCONJOINT CONTROL OF VEHICLE SUB-UNITS OF DIFFERENT TYPE OR DIFFERENT FUNCTION; CONTROL SYSTEMS SPECIALLY ADAPTED FOR HYBRID VEHICLES; ROAD VEHICLE DRIVE CONTROL SYSTEMS FOR PURPOSES NOT RELATED TO THE CONTROL OF A PARTICULAR SUB-UNIT
    • B60W40/00Estimation or calculation of non-directly measurable driving parameters for road vehicle drive control systems not related to the control of a particular sub unit, e.g. by using mathematical models
    • B60W40/10Estimation or calculation of non-directly measurable driving parameters for road vehicle drive control systems not related to the control of a particular sub unit, e.g. by using mathematical models related to vehicle motion
    • BPERFORMING OPERATIONS; TRANSPORTING
    • B60VEHICLES IN GENERAL
    • B60WCONJOINT CONTROL OF VEHICLE SUB-UNITS OF DIFFERENT TYPE OR DIFFERENT FUNCTION; CONTROL SYSTEMS SPECIALLY ADAPTED FOR HYBRID VEHICLES; ROAD VEHICLE DRIVE CONTROL SYSTEMS FOR PURPOSES NOT RELATED TO THE CONTROL OF A PARTICULAR SUB-UNIT
    • B60W40/00Estimation or calculation of non-directly measurable driving parameters for road vehicle drive control systems not related to the control of a particular sub unit, e.g. by using mathematical models
    • B60W40/10Estimation or calculation of non-directly measurable driving parameters for road vehicle drive control systems not related to the control of a particular sub unit, e.g. by using mathematical models related to vehicle motion
    • B60W40/105Speed
    • BPERFORMING OPERATIONS; TRANSPORTING
    • B60VEHICLES IN GENERAL
    • B60WCONJOINT CONTROL OF VEHICLE SUB-UNITS OF DIFFERENT TYPE OR DIFFERENT FUNCTION; CONTROL SYSTEMS SPECIALLY ADAPTED FOR HYBRID VEHICLES; ROAD VEHICLE DRIVE CONTROL SYSTEMS FOR PURPOSES NOT RELATED TO THE CONTROL OF A PARTICULAR SUB-UNIT
    • B60W50/00Details of control systems for road vehicle drive control not related to the control of a particular sub-unit, e.g. process diagnostic or vehicle driver interfaces
    • B60W50/0097Predicting future conditions
    • BPERFORMING OPERATIONS; TRANSPORTING
    • B60VEHICLES IN GENERAL
    • B60WCONJOINT CONTROL OF VEHICLE SUB-UNITS OF DIFFERENT TYPE OR DIFFERENT FUNCTION; CONTROL SYSTEMS SPECIALLY ADAPTED FOR HYBRID VEHICLES; ROAD VEHICLE DRIVE CONTROL SYSTEMS FOR PURPOSES NOT RELATED TO THE CONTROL OF A PARTICULAR SUB-UNIT
    • B60W2520/00Input parameters relating to overall vehicle dynamics
    • B60W2520/04Vehicle stop
    • BPERFORMING OPERATIONS; TRANSPORTING
    • B60VEHICLES IN GENERAL
    • B60WCONJOINT CONTROL OF VEHICLE SUB-UNITS OF DIFFERENT TYPE OR DIFFERENT FUNCTION; CONTROL SYSTEMS SPECIALLY ADAPTED FOR HYBRID VEHICLES; ROAD VEHICLE DRIVE CONTROL SYSTEMS FOR PURPOSES NOT RELATED TO THE CONTROL OF A PARTICULAR SUB-UNIT
    • B60W2520/00Input parameters relating to overall vehicle dynamics
    • B60W2520/10Longitudinal speed
    • BPERFORMING OPERATIONS; TRANSPORTING
    • B60VEHICLES IN GENERAL
    • B60WCONJOINT CONTROL OF VEHICLE SUB-UNITS OF DIFFERENT TYPE OR DIFFERENT FUNCTION; CONTROL SYSTEMS SPECIALLY ADAPTED FOR HYBRID VEHICLES; ROAD VEHICLE DRIVE CONTROL SYSTEMS FOR PURPOSES NOT RELATED TO THE CONTROL OF A PARTICULAR SUB-UNIT
    • B60W2554/00Input parameters relating to objects
    • B60W2554/40Dynamic objects, e.g. animals, windblown objects
    • B60W2554/404Characteristics
    • B60W2554/4041Position
    • BPERFORMING OPERATIONS; TRANSPORTING
    • B60VEHICLES IN GENERAL
    • B60WCONJOINT CONTROL OF VEHICLE SUB-UNITS OF DIFFERENT TYPE OR DIFFERENT FUNCTION; CONTROL SYSTEMS SPECIALLY ADAPTED FOR HYBRID VEHICLES; ROAD VEHICLE DRIVE CONTROL SYSTEMS FOR PURPOSES NOT RELATED TO THE CONTROL OF A PARTICULAR SUB-UNIT
    • B60W2554/00Input parameters relating to objects
    • B60W2554/40Dynamic objects, e.g. animals, windblown objects
    • B60W2554/404Characteristics
    • B60W2554/4042Longitudinal speed
    • BPERFORMING OPERATIONS; TRANSPORTING
    • B60VEHICLES IN GENERAL
    • B60WCONJOINT CONTROL OF VEHICLE SUB-UNITS OF DIFFERENT TYPE OR DIFFERENT FUNCTION; CONTROL SYSTEMS SPECIALLY ADAPTED FOR HYBRID VEHICLES; ROAD VEHICLE DRIVE CONTROL SYSTEMS FOR PURPOSES NOT RELATED TO THE CONTROL OF A PARTICULAR SUB-UNIT
    • B60W2554/00Input parameters relating to objects
    • B60W2554/40Dynamic objects, e.g. animals, windblown objects
    • B60W2554/404Characteristics
    • B60W2554/4046Behavior, e.g. aggressive or erratic
    • BPERFORMING OPERATIONS; TRANSPORTING
    • B60VEHICLES IN GENERAL
    • B60WCONJOINT CONTROL OF VEHICLE SUB-UNITS OF DIFFERENT TYPE OR DIFFERENT FUNCTION; CONTROL SYSTEMS SPECIALLY ADAPTED FOR HYBRID VEHICLES; ROAD VEHICLE DRIVE CONTROL SYSTEMS FOR PURPOSES NOT RELATED TO THE CONTROL OF A PARTICULAR SUB-UNIT
    • B60W2556/00Input parameters relating to data
    • B60W2556/45External transmission of data to or from the vehicle
    • B60W2556/50External transmission of data to or from the vehicle of positioning data, e.g. GPS [Global Positioning System] data

Landscapes

  • Engineering & Computer Science (AREA)
  • Automation & Control Theory (AREA)
  • Transportation (AREA)
  • Mechanical Engineering (AREA)
  • Physics & Mathematics (AREA)
  • Mathematical Physics (AREA)
  • Human Computer Interaction (AREA)
  • Traffic Control Systems (AREA)
  • Control Of Driving Devices And Active Controlling Of Vehicle (AREA)

Description

本発明は、自動車のパスおよび/または軌道を予測するための装置および方法、ならびにこのような方法を実装することを意図したコンピュータプログラムの分野に関する。
より具体的には、本発明は、特に運転者支援システムを作動させるまたは作動させないために運転者を支援するための、自動車用運転者支援の分野に関する。
自動車には現在、ますます効率的な先進運転支援システム(ADAS)が装備されている。先進運転支援システムの目的は、自動車が自律的に運転されるようにすること、すなわち運転者からの一切の介入なしに、または車両を交通車線に維持するためにかつ/または速度を低下させるために車両の運転者と運転を共有することによって運転されるようにすることである。特に、先進運転支援システムは、自動車のパスおよび/または軌道を予想するために使用することができる。本願では、車両のパスは、出発点と到着点との間の車両の進行に対応する幾何学的形状であると考えられる。車両の軌道は、出発点と到着点との間の車両の位置の時間的進展であると考えられる。
「自律的」車両または部分的支援運転車両と呼ばれる車両は、アルゴリズムに決定を行わせるために車両の環境の十分なモデルを必要とする。これは、加速度計、ジャイロメータなどの固有受容性センサ、カメラ、レーダ、LIDAR、超音波センサなどの外受容性センサ、ならびに受け取った情報を処理し、車両および周囲の物体のステータス(位置、速度、加速度、ヨーなど)を計算するように構成されたデータ融合法によって可能となる。
したがって、このような車両において、自車、および前記車両の近接環境に存在し、自車の軌道が物体の軌道を妨害するときに障害物となる可能性があるその他の移動する物体の動きが予測されることが必須である。
例えば、車両が車線において自動的に再配置されることを可能にする車線逸脱防止支援(LKA)システムが公知であり、またはさらには車両が車線を変更することを可能にする車線変更支援(LCA)システムが公知である。
あらゆる障害物を検出しかつ緊急ステアリングを実行することができ、移動する物体の軌道を予測することにより潜在的な衝突リスクが分析されることを可能にする自動緊急ステアリング(AES)支援システムなどの、運転者支援の他の例が公知であり、または速度を制御することができかつ前方の車両に対する安全距離を自動的に保持することができるアダプティブクルーズコントロール(ACC)支援システムが公知である。
前記自車による車線変更のための目標として、自車に隣接する2つの車両の間の第1の距離に従って自車による車線変更を制御するための方法が、欧州特許出願公開第3056405号より公知である。
これらの運転者支援システムの主な欠点は、それらの応答反応における流動性の欠如にある。実際、自車に隣接する車線に位置する車両の挙動を予測することは特に困難であり、これにより、これらの支援システムの意志決定時間が特に長くなる。
したがって、主車線から隣接車線への自車による車線変更を最適化する必要性が存在する。
上記のことを考慮して、本発明の目的は、前記欠点を克服しつつ、自動車の軌道が予測されることを可能にすることである。
本発明の目的は、主車線を走行する自車の軌道を予測する方法であって、主車線から隣接車線への自車による車線変更が、隣接車線を走行する車両のグループの動的挙動の推定に従って決定される、方法である。前記車両のグループは、自車の近くに位置する少なくとも1つの主車両および前記自車よりも後方に位置する二次車両を含む。
したがって、自車の車線に隣接する車線における車両の動的挙動に対応する交通の動きが、車線変更決定を行うために予測される。
自車の軌道の予測は、自車の交通車線に隣接する車線に存在する車両のグループの挙動に従って決定される。
有利には、自車および車両のグループの車両の位置、向きおよび速度情報が収集され、隣接車線を走行する連続する車両のペアごとの動的モデルが、収集された情報に従って確立される。これにより、同じ交通車線における近接車両のデータに従って、隣接する車両のそれぞれについて正確な動的モデルを取得することができる。
連続する車両のペアごとの動的モデルは、連続する車両のペアの動的データを取得するために自己回帰外因性(ARX)計算モデルを使用して、考慮される連続する車両のペアに対する自車の挙動に対応する二次伝達関数を決定することによって取得される。自車の挙動は、長手方向モデルおよび長手方向コントローラに依存する。
車両の位置、向きおよび速度は、特に、自車の知覚システムの様々な固有受容性および外受容性センサによって取得される。
例えば、確立された動的モデルは、ある瞬間における各車両の実際の速度および前の瞬間における前記車両の速度に依存するしきい値と、自己回帰外因性計算モデルの誤差とを比較することによって、確認される。
その後のステップによれば、隣接車両の動きは、確認された動的モデルおよび前記車両の初期位置に従って予測され、自車の動きは、隣接車両の動きの予測および自車の固有受容性センサから生じる情報に従って、予測され、自車による車線変更は、車両および隣接車両の動きの前記予測、自車の全体的軌道、および、例えば、自車が走行している道路の地図から生じる情報に従って決定される。
自車による車線変更を決定するステップにより、自車を安全に車線変更させることができる適切な時間枠を見積もることができる。
次いで、自車のための車線変更命令が、自車による車線変更を実行するためのモジュールへ送信される。
自車が車線変更する可能性がない場合、自車には、特にその速度などのパラメータを修正するための要求が通知される。
有利には、車線変更可能性が見出されるまで方法のステップが繰り返される。
第2の態様によれば、本発明は、隣接車線を走行する車両のグループの動的挙動の推定に従って主車線から隣接車線への自車による車線変更を決定するように構成された、主車線を走行する自車の軌道を予測するためのシステムであって、車両の前記グループが、自車の近くに位置する少なくとも1つの主車両と、前記自車よりも後方に位置する二次車両とを含む、システムに関する。
有利には、システムは、
-自車および車両のグループの車両の位置、向きおよび速度情報を収集または回収するためのモジュール、
-収集された情報に従って隣接車線を走行する連続する車両のペアごとの動的モデルを推定するためのモジュール、を含む。これにより、同じ交通車線における近くの車両のデータに従って、隣接車両のそれぞれについて正確な動的モデルを取得することができる。
連続する車両のペアごとの動的モデルは、例えば、連続する車両のペアの動的データを取得するために自己回帰外因性(ARX)計算モデルを使用して、考慮される連続する車両のペアと比較された、自車の挙動に対応する二次伝達関数を決定することによって取得される。自車の挙動は、長手方向モデルおよび長手方向コントローラに依存する。
車両の位置、向きおよび速度は、特に、自車の知覚システムの様々な固有受容性および外受容性センサによって取得される。
有利には、システムは、
-ある瞬間における各車両の実際の速度および前の瞬間における前記自車の速度に依存するしきい値と、自己回帰外因性計算モデルの誤差とを比較することによって、確立された動的モデルを確認するためのモジュール、
-確認された動的モデルおよび前記車両の初期位置に従って、隣接する車両の動きを予測するためのモジュール、
-隣接する車両の動きの予測および自車の固有受容性センサから生じる情報に従って、自車の動きを予測するためのモジュール、および
-自車および隣接する車両の動きの前記予測、自車の全体的軌道、および例えば、自車が走行している道路の地図から生じる情報に従って、自車による車線変更を決定するためのモジュール、を含む。
別の態様によれば、本発明は、前述のように自車の軌道を知覚するためのシステムおよび自車の軌道を予測するためのシステムを含む自車両に関する。
本発明のさらなる目的、特徴および利点は、非限定的な実施例としてのみ提供され、添付の図面を参照してなされる以下の説明を読むことから明らかになるであろう。
自車両および複数の隣接する車両が走行している2つの隣接する車線の概略図であり、自車は、本発明の実施形態による軌道予測システムを含む。 図1の実施形態による自車の軌道を予測するためのシステムを概略的に示す図である。 図1のシステムによって実装される本発明の実施形態による自車の軌道を予測する方法のフローチャートである。
図1は、自動車が同じ走行方向に走行している2つの隣接する交通車線1、2を極めて概略的に示している。
図示したように、自車両10は第1の交通車線1を走行しており、4台の車両3、4、5、6は、第1の車線に隣接した隣接する車線2を走行している。
車両3、4、5、6は、自車10の交通車線1に隣接した隣接する車線2を走行する車両のグループ7を形成している。
自車両10は、隣接する車線2を走行する車両のグループ7を検出するように構成された、前記車両の環境を知覚するためのシステム11を含む。
一般に、隣接する車線2を走行する車両のグループ7は、自車10のすぐ近くに位置する少なくとも1つの主車両と、自車10よりも後方に位置する少なくとも1つの二次車両とを含む。
知覚システム11により、隣接する車線2において自車10のすぐ近くに位置する主車両6を検出することができる。
知覚システム11は、加速度計、ジャイロメータなどの様々な固有受容性センサ、カメラ、レーダ、LIDAR、超音波センサなどの外受容性センサ、ならびに受け取った情報を処理し、自車10および周囲の物体7のステータス(位置、速度、加速度、ヨーなど)を計算するように構成されたデータ融合法を含む。
主車両6の車両挙動を検出することにより、車両の走行方向で主車両6よりも後方に位置する二次車両3、4、5の位置の予測を決定することができる。
主車両の速度振動は二次車両に伝播され、これにより、二次車両の数が増加するほど、自車10による車線変更のための時間枠を予測する能力が大きくなる。
予測により、自車10に隣接する車線を走行する全ての車両に従って、自車10による変更のための時間枠を生成することができる。
自車は、隣接する車線2を走行する車両の挙動の推定に従って自車のための車線変更命令を送信するように構成された、前記自車の軌道を予測するためのシステム12を含む。
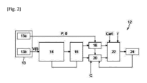
図2に詳細に示したように、自車10の軌道を予測するためのシステム12は、自車10に隣接した隣接する車線2を走行する車両3、4、5、6のステータスを決定するためのモジュール13を含む。
このために、モジュール13は、自車10に隣接した隣接する車線2を走行する車両3、4、5、6の位置Pおよび向きOを決定するためのモジュール13aと、自車10に隣接した隣接する車線2を走行する車両3、4、5、6の速度Vを決定するためのモジュール13bと、を含む。隣接する車両の位置P、向きOおよび速度Vは、特に、自車10の知覚システム11の様々な固有受容性および外受容性センサによって取得される。
自車10の軌道を予測するためのシステム12は、さらに、隣接する車線2を走行する車両の動的モデルを推定するためのモジュール14を含む。モジュール14は、隣接する車線2を走行する連続する車両のペアごとに動的モデルを確立するように構成されている。これにより、同じ交通車線における近くの車両のデータに従って隣接する車両のそれぞれについて正確な動的モデルを取得することができる。
車両の動的モデルを推定するためのモジュール14は、隣接する車両に対する車両挙動に対応する二次伝達関数を決定するように構成されている。自車の挙動は、長手方向モデルおよび長手方向コントローラに依存する。
モデル14は、連続する車両のペアの動的データを取得するために自己回帰外因性(ARX)計算モデルを使用する。
自己回帰外因性計算モデルは、以下の式に従って表される:
A(z)・y(t)=B(z)・u(t-nk)+e(t)
ここで、
zは時間シフト、
nkは遅延、
u(t)は入力データ、この場合、先行する二次車両の速度、
y(t)は出力データ、この場合、主車両の速度、
e(t)は誤差値、および
A(z)およびB(z)は二次多項式である。
多項式A(z)およびB(z)は以下の式に従って表される:
A(z)=1+a1・z-1+a2・z-2
B(z)=b1+b2・z-1+b3・z-2
推定された動的モデルは、次いで、瞬間tにおける実際の速度V(t)および前の瞬間t-1における前の速度V(t-1)に従って動的モデルを確認するように構成された動的モデルを確認するためのモジュール16において確認される。
自車10の軌道を予測するためのシステム12は、さらに、確認された動的モデルおよび初期位置に従って隣接する車両の動きを予測するためのモジュール18と、モジュール18によって提供された動きの予測および自車10の固有受容性センサCから生じる情報に従って自車10の動きを予測するためのモジュール20と、を含む。
自車10の軌道を予測するためのシステム12は、さらに、自車および隣接する車両の動きの予測、ならびに自車10の全体的軌道T、ならびに非限定的な例として、自車が走行している道路のマップCartから生じる情報に従って、自車10による車線変更を決定するためのモジュール22を含む。
自車10による車線変更を決定するためのモジュール22は、自車が安全に車線変更できるようにする適切な時間枠を見積もるように構成されている。
自車10のための車線変更命令は、車線変更を実行するためのモジュール24へ送られる。
自車が車線変更する可能性がない場合、車線変更を決定するためのモジュール22は、パラメータ、特に速度などを修正する目的で、自車10の軌道を予測するためのモジュール20に通知するように構成することができる。
図3に示したように、自車10の軌道を予測する方法50は、自車10に隣接した隣接する車線2を走行する車両3、4、5、6のステータスを決定するステップ51を含む。
決定ステップ51は、自車10および自車10に隣接した隣接する車線2を走行する車両3、4、5、6の位置P、向きOおよび速度情報が収集または回収されることを可能にする。隣接する車両の位置P、向きOおよび速度Vは、特に、自車10の知覚システム11の様々な固有受容性および外受容性センサによって取得される。
自車10の軌道を予測する方法50は、さらに、隣接する車線2を走行する車両の動的モデルを推定するステップ52を含む。このステップ52の間、隣接する車線2において循環する連続する車両のペアごとの動的モデルが確立される。これにより、同じ交通車線における近くの車両のデータに従って隣接する車両のそれぞれについて正確な動的モデルを取得することができる。
連続する車両のペアごとの動的モデルは、連続する車両のペアの動的データを取得するために自己回帰外因性(ARX)計算モデルを使用して隣接する車両に対する車両挙動に対応する二次伝達関数を決定することによって取得される。自車の挙動は、長手方向モデルおよび長手方向コントローラに依存する。自己回帰外因性計算モデルは、上記の式Math1およびMath3に関連して説明されている。
推定された動的モデルは、次いで、瞬間tにおける車両の実際の速度V(t)および前の瞬間t-1における車両の前の速度V(t-1)に従って動的モデルを確認するように構成された動的モデルを確認するステップ53において確認される。例えば、動的モデルを確認するために、ARX計算モデルの誤差がしきい値と比較される。誤差が前記しきい値よりも低い場合、動的モデルが確認される。
自車10の軌道を予測する方法50は、さらに、ステップ53において確認された動的モデルおよび初期位置に従って隣接する車両の動きを予測するステップ54を含む。
自車10の軌道を予測する方法50は、さらに、ステップ53において提供された動きの予測および自車10の固有受容性センサCから生じる情報に従って自車10の動きを予測するステップ55を含む。
ステップ56において、自車10による車線変更は、その後、自車および隣接する車両の動きの予測、自車10の全体的な軌道T、ならびに自車が走行している道路のマップCartから生じる情報に従って決定される。
自車10による車線変更を決定するステップ56により、適切な時間枠を見積もることができ、自車が安全に車線変更できるようにする。
自車10のための車線変更命令は、ステップ57において、自車10による車線変更を実行するためのモジュール24へ送られる。
自車が車線変更する可能性がない場合、自車10には、パラメータ、特にその速度などを修正するための要求が通知される。
自車の軌道を予測する方法50は、車線変更可能性が見出されるまで繰り返される。
本発明によって、自車の交通車線に隣接する車線における交通の動きが、リアルタイムで確実に予測され、主車線から隣接する車線への変更後の自車の位置を予測することができる。
さらに、本発明は、自車が走行している道路の制限を考慮することを可能にする。
自車の軌道を予測するためのこのようなシステムおよび方法により、自車および周囲の車両の安全を損なうことなく、交通をより滑らかに流れさせることができる。

Claims (6)

  1. 主車線(1)を走行する自車(10)の軌道を決定する方法(50)であって、前記主車線(1)から隣接する車線(2)への前記自車による車線変更が、前記隣接する車線(2)を走行する車両のグループの動的挙動の推定に従って決定され、前記車両のグループ(7)が、前記自車の近くに位置する少なくとも1つの主車両と、前記自車よりも後方に位置する二次車両とを含み、
    前記自車(10)および前記車両のグループ(7)の車両(3、4、5、6)の位置(P)、向き(O)、および速度(V)情報が収集され、収集された前記情報に従って、前記隣接する車線(2)を走行する車両のうちの1つの車両と当該車両に連続する車両のペアごとの動的モデルが確立され、
    連続する車両のペアごとの前記動的モデルが、自己回帰外因性計算モデルを使用して、考慮される連続する車両の各ペアに対する前記自車の挙動に対応する二次伝達関数を決定することによって取得され、前記自車の挙動は、前記自車(10)の長手方向モデルおよび前記自車(10)の長手方向コントローラに依存する、方法(50)。
  2. 確立された前記動的モデルが、ある瞬間(t)における各車両の実際の速度(V(t))および前の瞬間(t-1)における前記車両の速度(V(t-1))に依存するしきい値と、前記自己回帰外因性計算モデルの誤差(e(t))とを比較することによって確認される、請求項に記載の方法(50)。
  3. 隣接する車両の動きが、確認された前記動的モデルおよび前記車両の初期位置に従って予測され、前記自車(10)の動きが、前記隣接する車両の動きの予測および前記自車(10)の状態を検知する固有受容性センサ(C)から生じる情報に従って決定され、前記自車(10)による車線変更が、前記自車および前記隣接する車両の動きの前記予測ならびに前記自車(10)の全体的軌道(T)に従って決定される、請求項に記載の方法(50)。
  4. 前記方法(50)のステップが、車線変更可能性が見出されるまで繰り返される、請求項1からのいずれか一項に記載の方法(50)。
  5. 隣接する車線(2)を走行する車両のグループの動的挙動の推定に従って、主車線(1)から前記隣接する車線(2)への自車による車線変更を決定するように構成された、前記主車線(1)を走行する自車(10)の軌道を決定するためのシステム(12)であって、前記車両のグループ(7)が、前記自車の近くに位置する少なくとも1つの主車両と、前記自車よりも後方に位置する二次車両とを含み、前記システム(12)が、
    前記自車(10)および前記車両のグループ(7)の車両(3、4、5、6)の位置(P)、向き(O)、および速度(V)情報を収集するためのモジュール(13)と、
    収集された前記情報に従って、前記隣接する車線(2)を走行する車両のうちの1つの車両と当該車両に連続する車両のペアごとの動的モデルを推定するためのモジュール(14)と、
    ある瞬間(t)における各車両の実際の速度(V(t))および前の瞬間(t-1)における前の速度(V(t-1))に依存するしきい値と、自己回帰外因性計算モデルの誤差(e(t))とを比較することによって、確立された前記動的モデルを確認するためのモジュール(16)と、
    確認された前記動的モデルおよび前記車両の初期位置に従って、隣接する車両の動きを予測するためのモジュール(18)と、
    前記隣接する車両の動きの予測および前記自車(10)の状態を検知する固有受容性センサ(C)から生じる情報に従って、前記自車(10)の動きを決定するためのモジュール(20)と、
    前記車両および前記隣接する車両の動きの前記予測ならびに前記自車(10)の全体的軌道(T)に従って前記自車(10)による車線変更を決定するためのモジュールと、を含む、システム(12)。
  6. 知覚するためのシステム(11)と、請求項に記載の自車の軌道を決定するためのシステム(12)とを含む、自車両(10)。
JP2022535570A 2019-12-13 2020-12-10 車両の軌道を予測するためのシステムおよび方法 Active JP7635235B2 (ja)

Applications Claiming Priority (3)

Application Number Priority Date Filing Date Title
FR1914342 2019-12-13
FR1914342A FR3104518B1 (fr) 2019-12-13 2019-12-13 Système et procédé de prédiction de la trajectoire d’un véhicule
PCT/EP2020/085633 WO2021116345A1 (fr) 2019-12-13 2020-12-10 Système et procédé de prédiction de la trajectoire d'un véhicule

Publications (2)

Publication Number Publication Date
JP2023505700A JP2023505700A (ja) 2023-02-10
JP7635235B2 true JP7635235B2 (ja) 2025-02-25

Family

ID=69903432

Family Applications (1)

Application Number Title Priority Date Filing Date
JP2022535570A Active JP7635235B2 (ja) 2019-12-13 2020-12-10 車両の軌道を予測するためのシステムおよび方法

Country Status (7)

Country Link
US (1) US12145627B2 (ja)
EP (1) EP4072917B1 (ja)
JP (1) JP7635235B2 (ja)
KR (1) KR20220108823A (ja)
CN (1) CN114901535A (ja)
FR (1) FR3104518B1 (ja)
WO (1) WO2021116345A1 (ja)

Families Citing this family (2)

* Cited by examiner, † Cited by third party
Publication number Priority date Publication date Assignee Title
DE102021214113A1 (de) * 2021-12-10 2023-06-15 Robert Bosch Gesellschaft mit beschränkter Haftung Verfahren und Vorrichtung zum Bereitstellen einer Fahrstrategie für ein automatisiertes Fahrzeug für einen vorgegebenen Bereich
CN116653963B (zh) * 2023-07-31 2023-10-20 福思(杭州)智能科技有限公司 车辆变道控制方法、系统和智能驾驶域控制器

Citations (5)

* Cited by examiner, † Cited by third party
Publication number Priority date Publication date Assignee Title
JP2016004425A (ja) 2014-06-17 2016-01-12 株式会社豊田中央研究所 車線変更支援装置及びプログラム
US20170242435A1 (en) 2016-02-22 2017-08-24 Volvo Car Corporation Method and system for evaluating inter-vehicle traffic gaps and time instances to perform a lane change maneuver
JP2017165201A (ja) 2016-03-15 2017-09-21 本田技研工業株式会社 車両制御装置、車両制御方法、および車両制御プログラム
JP2018522295A (ja) 2015-04-30 2018-08-09 コンティ テミック マイクロエレクトロニック ゲゼルシャフト ミット ベシュレンクテル ハフツングConti Temic microelectronic GmbH 動力車両における車線変更を実施するための方法
WO2019204053A1 (en) 2018-04-05 2019-10-24 TuSimple System and method for automated lane change control for autonomous vehicles

Family Cites Families (4)

* Cited by examiner, † Cited by third party
Publication number Priority date Publication date Assignee Title
MY161720A (en) 2013-10-11 2017-05-15 Nissan Motor Travel control device and travel control method
US9937860B1 (en) * 2016-09-26 2018-04-10 Hyundai America Technical Center, Inc. Method for detecting forward collision
CN108831181A (zh) * 2018-05-04 2018-11-16 东南大学 一种用于公交车辆行程时间预测的模型建立方法及系统
CN109866752B (zh) * 2019-03-29 2020-06-05 合肥工业大学 基于预测控制的双模式并行车辆轨迹跟踪行驶系统的方法

Patent Citations (5)

* Cited by examiner, † Cited by third party
Publication number Priority date Publication date Assignee Title
JP2016004425A (ja) 2014-06-17 2016-01-12 株式会社豊田中央研究所 車線変更支援装置及びプログラム
JP2018522295A (ja) 2015-04-30 2018-08-09 コンティ テミック マイクロエレクトロニック ゲゼルシャフト ミット ベシュレンクテル ハフツングConti Temic microelectronic GmbH 動力車両における車線変更を実施するための方法
US20170242435A1 (en) 2016-02-22 2017-08-24 Volvo Car Corporation Method and system for evaluating inter-vehicle traffic gaps and time instances to perform a lane change maneuver
JP2017165201A (ja) 2016-03-15 2017-09-21 本田技研工業株式会社 車両制御装置、車両制御方法、および車両制御プログラム
WO2019204053A1 (en) 2018-04-05 2019-10-24 TuSimple System and method for automated lane change control for autonomous vehicles

Also Published As

Publication number Publication date
US12145627B2 (en) 2024-11-19
JP2023505700A (ja) 2023-02-10
FR3104518A1 (fr) 2021-06-18
EP4072917B1 (fr) 2025-08-06
EP4072917A1 (fr) 2022-10-19
KR20220108823A (ko) 2022-08-03
FR3104518B1 (fr) 2022-06-24
US20230015485A1 (en) 2023-01-19
WO2021116345A1 (fr) 2021-06-17
CN114901535A (zh) 2022-08-12

Similar Documents

Publication Publication Date Title
US9229453B1 (en) Unified motion planner for autonomous driving vehicle in avoiding the moving obstacle
CN102076541B (zh) 用于自动车道居中和车道变换控制系统的路径生成算法
US9227632B1 (en) Method of path planning for evasive steering maneuver
JP4173292B2 (ja) 車両用運転操作補助装置
CN110877610B (zh) 碰撞回避装置
CN103935361B (zh) 用于自主的车道变换、经过和超越行为的有效数据流算法
JP5130638B2 (ja) 回避操作算出装置、回避制御装置、各装置を備える車両、回避操作算出方法および回避制御方法
JP5098584B2 (ja) 車両用運転支援装置
JP7667800B2 (ja) 経路制御モジュール、関連する経路制御デバイスおよび関連する方法
JP6515823B2 (ja) 車線変更支援装置
CN113286732A (zh) 用于确定机动车辆的可能轨迹的混合方法的控制系统和控制方法
CN114302839B (zh) 用于确定机动车辆的避让路径的方法
CN101636304A (zh) 用于计算车辆的驾驶策略所用的避撞轨迹的方法
JP2007269312A (ja) 車両用運転操作補助装置
KR20190045308A (ko) 차량 판정 방법, 주행 경로 보정 방법, 차량 판정 장치, 및 주행 경로 보정 장치
JP5282590B2 (ja) 車両用運転支援装置および車両用運転支援方法
JP5239947B2 (ja) 運転操作支援装置及び運転操作支援方法
JP7635235B2 (ja) 車両の軌道を予測するためのシステムおよび方法
JP5359289B2 (ja) 車両用運転支援装置
JP4999762B2 (ja) 車両の接触回避支援装置
JP6898645B2 (ja) 自動操舵システム
EP3626570B1 (en) Driving assistance method and driving assistance apparatus
CN113840762B (zh) 用于操作自主车辆的方法
JP4853068B2 (ja) 車両用支援制御装置
JP4396281B2 (ja) 車両用運転操作補助装置

Legal Events

Date Code Title Description
A621 Written request for application examination

Free format text: JAPANESE INTERMEDIATE CODE: A621

Effective date: 20231114

A977 Report on retrieval

Free format text: JAPANESE INTERMEDIATE CODE: A971007

Effective date: 20240820

A131 Notification of reasons for refusal

Free format text: JAPANESE INTERMEDIATE CODE: A131

Effective date: 20240910

A521 Request for written amendment filed

Free format text: JAPANESE INTERMEDIATE CODE: A523

Effective date: 20241210

TRDD Decision of grant or rejection written
A01 Written decision to grant a patent or to grant a registration (utility model)

Free format text: JAPANESE INTERMEDIATE CODE: A01

Effective date: 20250204

A61 First payment of annual fees (during grant procedure)

Free format text: JAPANESE INTERMEDIATE CODE: A61

Effective date: 20250212

R150 Certificate of patent or registration of utility model

Ref document number: 7635235

Country of ref document: JP

Free format text: JAPANESE INTERMEDIATE CODE: R150

S111 Request for change of ownership or part of ownership

Free format text: JAPANESE INTERMEDIATE CODE: R313113

R360 Written notification for declining of transfer of rights

Free format text: JAPANESE INTERMEDIATE CODE: R360

R350 Written notification of registration of transfer

Free format text: JAPANESE INTERMEDIATE CODE: R350