JP5259076B2 - 超音波送受信装置およびスキャニングソナー - Google Patents
超音波送受信装置およびスキャニングソナー Download PDFInfo
- Publication number
- JP5259076B2 JP5259076B2 JP2006325504A JP2006325504A JP5259076B2 JP 5259076 B2 JP5259076 B2 JP 5259076B2 JP 2006325504 A JP2006325504 A JP 2006325504A JP 2006325504 A JP2006325504 A JP 2006325504A JP 5259076 B2 JP5259076 B2 JP 5259076B2
- Authority
- JP
- Japan
- Prior art keywords
- transmission
- reception
- azimuth
- frequency
- signal
- Prior art date
- Legal status (The legal status is an assumption and is not a legal conclusion. Google has not performed a legal analysis and makes no representation as to the accuracy of the status listed.)
- Expired - Fee Related
Links
Images
Landscapes
- Measurement Of Velocity Or Position Using Acoustic Or Ultrasonic Waves (AREA)
Description
図3の(a)は船首を基準方位とする素子方位角を横軸にとり、バースト波の送信周波数を縦軸にとったものである。ここで、fcは船首方位へ送信するバースト波の周波数、BDFMはバースト波の中心周波数の変化幅(方位別周波数掃引幅)である。
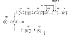
このような超音波送受信装置を船舶に搭載する場合に、船舶の走航速度に応じてドップラシフトが生じる。そこで、図4に示したバンドパスフィルタ109のセンター周波数fcを補正すればよい。それにより、走航時にあってもドップラシフトの影響をキャンセルできる。
船舶の走航に伴って生じるドップラシフトによって素子方位角に対する受信信号の周波数変化が非線形になることは上述した通りであるが、ドップラシフトが大きくなると、異なった2つの方位角で受信信号が同一周波数になる現象が生じる。図7はその様子を示している。この例では、素子方位角変化に対する受信信号周波数変化が極大点を有する上に凸の曲線となるため、異なった方位から同一周波数の受信信号が到来することになる。この例では、方位角範囲で約−80〜150°、周波数範囲で約80.0〜80.6kHzで、異なった方位から同一周波数の受信信号が到来する可能性がある。
前記超音波送受信装置が船舶に設けられている場合に、船舶が旋回した時には前記ドップラシフトとは別の問題が生じる。すなわち、バースト波を送信してから、その反射波を受信するまでの間にトランスデューサの基準方位がΔθだけ旋回した場合、受信時の旋回後の船首方位はΔθ分だけ変化することになる。その結果、物標の方位をΔθ分だけ誤って検知することになる。
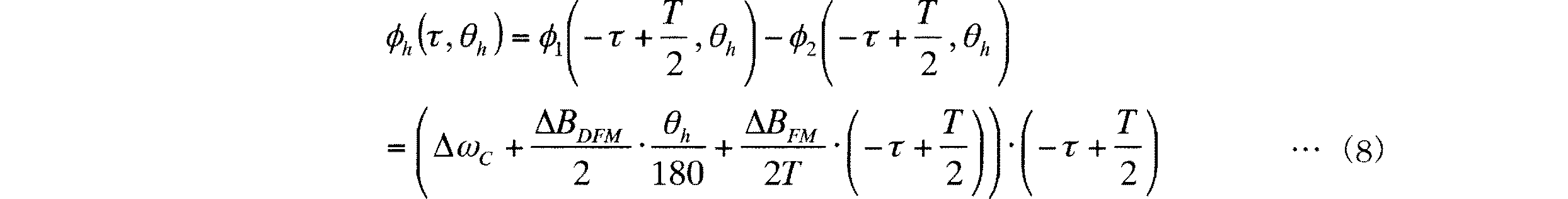
図9はこの発明に係る超音波送受信装置が送受信する第1・第2の2つのバースト波の素子方位角と周波数との関係を示す図である。ここで、f1(θ)で示す直線はドップラシフトを受けていない時の第1のバースト波の周波数、f2(θ)で示す直線はドップラシフトを受けていない時の第2のバースト波の周波数である。また、fdpr1(θ)は、船舶が船首方向に走航することによって生じるドップラシフトを受けている状態での第1のバースト波の受信信号の周波数である。同様にfdpr2(θ)は、ドップラシフトを受けている状態での第2のバースト波の受信信号の周波数である。また、Δf(θ)は上記f1(θ)とf2(θ)の差の周波数である。
上記遅延回路122および掛け算回路123がこの発明に係る相関処理手段に相当する。
図12の(A)は第1・第2のバースト波の反射信号である。
図12の(B)は、計算を簡単にするために、TL+Td≡0として時間軸を推移した状態を示している。ここで、yは次式で表される。
ωd:ドップラシフト周波数
ωc1:第1バースト波の基準方位への送信周波数
ωc2:第2バースト波の基準方位への送信周波数
BDFM1:第1のバースト波のDFM掃引幅
BDFM2:第2のバースト波のDFM掃引幅
である。また、ここではDFM−FM送信法にも適用できるように表していて、
BFM1:第1のバースト波のFM掃引幅
BFM2:第2のバースト波のFM掃引幅
である。
φ(t)=2πΔf(φ)t
で表した時、
h0=e−jφ0
h1=e−jφ1
・
・
・
hNTd-1=e−jφNTd−1
hNTd = e−jφNTd
の関係で表すことができる。
図16においてf1(θ)は第1のバースト波の方位ごとの送信信号の周波数、f2(θ)は第2のバースト波の方位ごとの送信信号の周波数、またΔf(θ)は上記f1(θ)とf2(θ)の差の周波数である。同図に示すように、送信から反射波の受信までの間にトランスデューサの基準方位がΔθだけ旋回した場合、受信時の旋回後の船首方位はΔθ分だけ変化することになる。そこで、この実施形態では第1・第2のバースト波の送信から受信までの船首方位の旋回角Δθを検知し、前記相関フィルタの方位に応じた送信周波数の差(バンドパスフィルタの中心周波数)を偏位させる。
図17は、スキャニングソナーの送受信チャンネルの構成を示すブロック図である。図17において、ドライバ回路12は、インタフェース20,11を介して、後述するプログラマブル送信ビーム形成制御部から与えられた2値化された駆動コードを、ハーフブリッジ型PDM送信アンプ(パルス幅変調(PDM:pulse-duration modulation )により送信するための送信アンプ)のFETを駆動するための、2種類のドライブ信号にデコードする。
104−発振回路
105−プリアンプ
106−プリフィルタ
107−A/Dコンバータ
108−ビームフォーマ
109−バンドパスフィルタ
110−信号検出回路
120−送信信号発生回路
121−相関フィルタ
122−共役遅延回路
123−掛け算回路
124−バンドパスフィルタ
Claims (4)
- 方位方向に複数の振動子を配列したトランスデューサと、該トランスデューサの複数の振動子を駆動して超音波を送信する送信制御手段と、前記超音波の物標からの反射波を受けて生じる前記複数の振動子の受信信号を基に、所定方位から到来する受信信号を合成して合成受信信号を得る受信制御手段とを備えた超音波送受信装置において、
前記送信制御手段は、前記トランスデューサの基準方位を基準とする方位に応じて送信周波数の差が異なる第1・第2の2つのバースト波が送信されるように前記複数の振動子を駆動するものとし、
前記受信制御手段は、前記第1のバースト波による前記合成受信信号の複素共役と前記第2のバースト波による前記合成受信信号との積を入力波形として求める手段と、前記第1のバースト波の複素共役と前記第2のバースト波との積に相当する波形と前記入力波形との相互相関処理を行う相関処理手段と、を備えたことを特徴とする超音波送受信装置。 - 前記超音波の送信から前記反射波の受信までの前記トランスデューサの基準方位の旋回角を検知する手段を備え、前記旋回角だけ前記相関処理手段の前記方位に応じた送信周波数の差を偏位させる手段を備えた請求項1に記載の超音波送受信装置。
- 前記送信制御手段は、前記第1・第2のバースト波を所定の遅延時間をもって時間的に重ならないタイミングで順次送信する請求項1または2に記載の超音波送受信装置。
- 請求項1〜3のうちいずれかに記載の超音波送受信装置と、該超音波送受信装置の送信制御手段および受信制御手段の制御により、探査すべき方位を順次走査して、各方位の前記相関処理手段によってフィルタリングされた信号から探知範囲の探知画像データを求め、該探知画像データを表示する手段と、を備えたスキャニングソナー。
Priority Applications (1)
| Application Number | Priority Date | Filing Date | Title |
|---|---|---|---|
| JP2006325504A JP5259076B2 (ja) | 2006-12-01 | 2006-12-01 | 超音波送受信装置およびスキャニングソナー |
Applications Claiming Priority (1)
| Application Number | Priority Date | Filing Date | Title |
|---|---|---|---|
| JP2006325504A JP5259076B2 (ja) | 2006-12-01 | 2006-12-01 | 超音波送受信装置およびスキャニングソナー |
Publications (2)
| Publication Number | Publication Date |
|---|---|
| JP2008139144A JP2008139144A (ja) | 2008-06-19 |
| JP5259076B2 true JP5259076B2 (ja) | 2013-08-07 |
Family
ID=39600775
Family Applications (1)
| Application Number | Title | Priority Date | Filing Date |
|---|---|---|---|
| JP2006325504A Expired - Fee Related JP5259076B2 (ja) | 2006-12-01 | 2006-12-01 | 超音波送受信装置およびスキャニングソナー |
Country Status (1)
| Country | Link |
|---|---|
| JP (1) | JP5259076B2 (ja) |
Families Citing this family (2)
| Publication number | Priority date | Publication date | Assignee | Title |
|---|---|---|---|---|
| JP5219526B2 (ja) * | 2008-01-19 | 2013-06-26 | 古野電気株式会社 | 水中探知装置 |
| JP6247397B2 (ja) * | 2015-05-07 | 2017-12-13 | エスゼット ディージェイアイ テクノロジー カンパニー リミテッドSz Dji Technology Co.,Ltd | 物体を検出するシステムおよび方法 |
Family Cites Families (5)
| Publication number | Priority date | Publication date | Assignee | Title |
|---|---|---|---|---|
| JPH01180483A (ja) * | 1988-01-12 | 1989-07-18 | Nec Corp | ソーナー装置 |
| JP4057812B2 (ja) * | 2001-12-28 | 2008-03-05 | 古野電気株式会社 | 超音波送受信装置およびスキャニングソナー |
| JP4164290B2 (ja) * | 2002-05-20 | 2008-10-15 | 古野電気株式会社 | 超音波送受信装置およびスキャニングソナー |
| JP4184219B2 (ja) * | 2003-09-30 | 2008-11-19 | 古野電気株式会社 | 超音波送受信装置およびスキャニングソナー |
| JP4953566B2 (ja) * | 2004-08-25 | 2012-06-13 | 古野電気株式会社 | 水中探知装置および水中探知方法 |
-
2006
- 2006-12-01 JP JP2006325504A patent/JP5259076B2/ja not_active Expired - Fee Related
Also Published As
| Publication number | Publication date |
|---|---|
| JP2008139144A (ja) | 2008-06-19 |
Similar Documents
| Publication | Publication Date | Title |
|---|---|---|
| US10718858B2 (en) | Echo measuring apparatus, echo sounding apparatus, multibeam echo measuring apparatus, multibeam echo sounding apparatus and aperture synthetic sonar | |
| JP5301882B2 (ja) | パルス信号の送受信装置 | |
| JP2009068881A (ja) | パルス信号の送受信装置および送受信方法 | |
| JP2000157548A (ja) | 超音波散乱体をイメ―ジングするための方法及びシステム | |
| JP4057812B2 (ja) | 超音波送受信装置およびスキャニングソナー | |
| JP2017227515A (ja) | アクティブソーナーおよびアクティブソーナーの制御方法 | |
| JP4354736B2 (ja) | 超音波送受信装置 | |
| KR101091646B1 (ko) | 소나 및 소나 구동 방법 | |
| EP2317335B1 (en) | Improved beamforming method for analysing signals received by a transducer arrray, and relative detection system | |
| JP4307223B2 (ja) | 水中探知装置 | |
| JP6339446B2 (ja) | 探知装置、探知方法、およびプログラム | |
| JP6179973B2 (ja) | 信号処理装置、水中探知装置、信号処理方法、及びプログラム | |
| JP5259076B2 (ja) | 超音波送受信装置およびスキャニングソナー | |
| JP6610224B2 (ja) | バイスタティックアクティブソーナー装置およびその受信器 | |
| JP4184219B2 (ja) | 超音波送受信装置およびスキャニングソナー | |
| JPH09243733A (ja) | アクティブソーナー | |
| JP4953566B2 (ja) | 水中探知装置および水中探知方法 | |
| JP2014020907A (ja) | 水中探知装置、水中探知方法、及びプログラム | |
| JP3528580B2 (ja) | 物体計測装置 | |
| JP2001074836A (ja) | バイスタティックアクティブソーナー表示装置 | |
| WO2011058527A1 (en) | Method and apparatus for processing sonar signals | |
| JP2006208110A (ja) | 水中探知装置および水中探知装置の表示制御方法 | |
| JP6757083B2 (ja) | 音響測深装置及びマルチビーム音響測深装置 | |
| GB2456426A (en) | Underwater Detector | |
| JP5098131B2 (ja) | マルチビームソーナーおよびその信号処理方法 |
Legal Events
| Date | Code | Title | Description |
|---|---|---|---|
| A621 | Written request for application examination |
Free format text: JAPANESE INTERMEDIATE CODE: A621 Effective date: 20091124 |
|
| A131 | Notification of reasons for refusal |
Free format text: JAPANESE INTERMEDIATE CODE: A131 Effective date: 20120228 |
|
| A521 | Written amendment |
Free format text: JAPANESE INTERMEDIATE CODE: A523 Effective date: 20120427 |
|
| RD02 | Notification of acceptance of power of attorney |
Free format text: JAPANESE INTERMEDIATE CODE: A7422 Effective date: 20120427 |
|
| TRDD | Decision of grant or rejection written | ||
| A01 | Written decision to grant a patent or to grant a registration (utility model) |
Free format text: JAPANESE INTERMEDIATE CODE: A01 Effective date: 20130423 |
|
| A61 | First payment of annual fees (during grant procedure) |
Free format text: JAPANESE INTERMEDIATE CODE: A61 Effective date: 20130424 |
|
| FPAY | Renewal fee payment (event date is renewal date of database) |
Free format text: PAYMENT UNTIL: 20160502 Year of fee payment: 3 |
|
| R150 | Certificate of patent or registration of utility model |
Free format text: JAPANESE INTERMEDIATE CODE: R150 |
|
| R250 | Receipt of annual fees |
Free format text: JAPANESE INTERMEDIATE CODE: R250 |
|
| LAPS | Cancellation because of no payment of annual fees |
