JP4944126B2 - 導光シート及びこれを使用した電子機器 - Google Patents
導光シート及びこれを使用した電子機器 Download PDFInfo
- Publication number
- JP4944126B2 JP4944126B2 JP2008545374A JP2008545374A JP4944126B2 JP 4944126 B2 JP4944126 B2 JP 4944126B2 JP 2008545374 A JP2008545374 A JP 2008545374A JP 2008545374 A JP2008545374 A JP 2008545374A JP 4944126 B2 JP4944126 B2 JP 4944126B2
- Authority
- JP
- Japan
- Prior art keywords
- silicone rubber
- light
- light guide
- rubber sheet
- guide sheet
- Prior art date
- Legal status (The legal status is an assumption and is not a legal conclusion. Google has not performed a legal analysis and makes no representation as to the accuracy of the status listed.)
- Expired - Fee Related
Links
Images
Classifications
-
- G—PHYSICS
- G02—OPTICS
- G02B—OPTICAL ELEMENTS, SYSTEMS OR APPARATUS
- G02B6/00—Light guides; Structural details of arrangements comprising light guides and other optical elements, e.g. couplings
- G02B6/0001—Light guides; Structural details of arrangements comprising light guides and other optical elements, e.g. couplings specially adapted for lighting devices or systems
- G02B6/0011—Light guides; Structural details of arrangements comprising light guides and other optical elements, e.g. couplings specially adapted for lighting devices or systems the light guides being planar or of plate-like form
- G02B6/0033—Means for improving the coupling-out of light from the light guide
- G02B6/0058—Means for improving the coupling-out of light from the light guide varying in density, size, shape or depth along the light guide
- G02B6/006—Means for improving the coupling-out of light from the light guide varying in density, size, shape or depth along the light guide to produce indicia, symbols, texts or the like
-
- H—ELECTRICITY
- H01—ELECTRIC ELEMENTS
- H01H—ELECTRIC SWITCHES; RELAYS; SELECTORS; EMERGENCY PROTECTIVE DEVICES
- H01H13/00—Switches having rectilinearly-movable operating part or parts adapted for pushing or pulling in one direction only, e.g. push-button switch
- H01H13/70—Switches having rectilinearly-movable operating part or parts adapted for pushing or pulling in one direction only, e.g. push-button switch having a plurality of operating members associated with different sets of contacts, e.g. keyboard
- H01H13/83—Switches having rectilinearly-movable operating part or parts adapted for pushing or pulling in one direction only, e.g. push-button switch having a plurality of operating members associated with different sets of contacts, e.g. keyboard characterised by legends, e.g. Braille, liquid crystal displays, light emitting or optical elements
-
- G—PHYSICS
- G02—OPTICS
- G02B—OPTICAL ELEMENTS, SYSTEMS OR APPARATUS
- G02B6/00—Light guides; Structural details of arrangements comprising light guides and other optical elements, e.g. couplings
- G02B6/0001—Light guides; Structural details of arrangements comprising light guides and other optical elements, e.g. couplings specially adapted for lighting devices or systems
- G02B6/0011—Light guides; Structural details of arrangements comprising light guides and other optical elements, e.g. couplings specially adapted for lighting devices or systems the light guides being planar or of plate-like form
- G02B6/0033—Means for improving the coupling-out of light from the light guide
- G02B6/0035—Means for improving the coupling-out of light from the light guide provided on the surface of the light guide or in the bulk of it
-
- G—PHYSICS
- G02—OPTICS
- G02B—OPTICAL ELEMENTS, SYSTEMS OR APPARATUS
- G02B6/00—Light guides; Structural details of arrangements comprising light guides and other optical elements, e.g. couplings
- G02B6/0001—Light guides; Structural details of arrangements comprising light guides and other optical elements, e.g. couplings specially adapted for lighting devices or systems
- G02B6/0011—Light guides; Structural details of arrangements comprising light guides and other optical elements, e.g. couplings specially adapted for lighting devices or systems the light guides being planar or of plate-like form
- G02B6/0065—Manufacturing aspects; Material aspects
-
- H—ELECTRICITY
- H01—ELECTRIC ELEMENTS
- H01H—ELECTRIC SWITCHES; RELAYS; SELECTORS; EMERGENCY PROTECTIVE DEVICES
- H01H2209/00—Layers
- H01H2209/002—Materials
-
- H—ELECTRICITY
- H01—ELECTRIC ELEMENTS
- H01H—ELECTRIC SWITCHES; RELAYS; SELECTORS; EMERGENCY PROTECTIVE DEVICES
- H01H2219/00—Legends
- H01H2219/028—Printed information
- H01H2219/03—Printed information in transparent keyboard
-
- H—ELECTRICITY
- H01—ELECTRIC ELEMENTS
- H01H—ELECTRIC SWITCHES; RELAYS; SELECTORS; EMERGENCY PROTECTIVE DEVICES
- H01H2219/00—Legends
- H01H2219/036—Light emitting elements
- H01H2219/044—Edge lighting of layer
-
- H—ELECTRICITY
- H01—ELECTRIC ELEMENTS
- H01H—ELECTRIC SWITCHES; RELAYS; SELECTORS; EMERGENCY PROTECTIVE DEVICES
- H01H2219/00—Legends
- H01H2219/054—Optical elements
- H01H2219/062—Light conductor
-
- H—ELECTRICITY
- H01—ELECTRIC ELEMENTS
- H01H—ELECTRIC SWITCHES; RELAYS; SELECTORS; EMERGENCY PROTECTIVE DEVICES
- H01H2227/00—Dimensions; Characteristics
-
- H—ELECTRICITY
- H01—ELECTRIC ELEMENTS
- H01H—ELECTRIC SWITCHES; RELAYS; SELECTORS; EMERGENCY PROTECTIVE DEVICES
- H01H2229/00—Manufacturing
- H01H2229/002—Screen printing
-
- H—ELECTRICITY
- H01—ELECTRIC ELEMENTS
- H01H—ELECTRIC SWITCHES; RELAYS; SELECTORS; EMERGENCY PROTECTIVE DEVICES
- H01H2229/00—Manufacturing
- H01H2229/058—Curing or vulcanising of rubbers
Landscapes
- Physics & Mathematics (AREA)
- General Physics & Mathematics (AREA)
- Optics & Photonics (AREA)
- Push-Button Switches (AREA)
Description
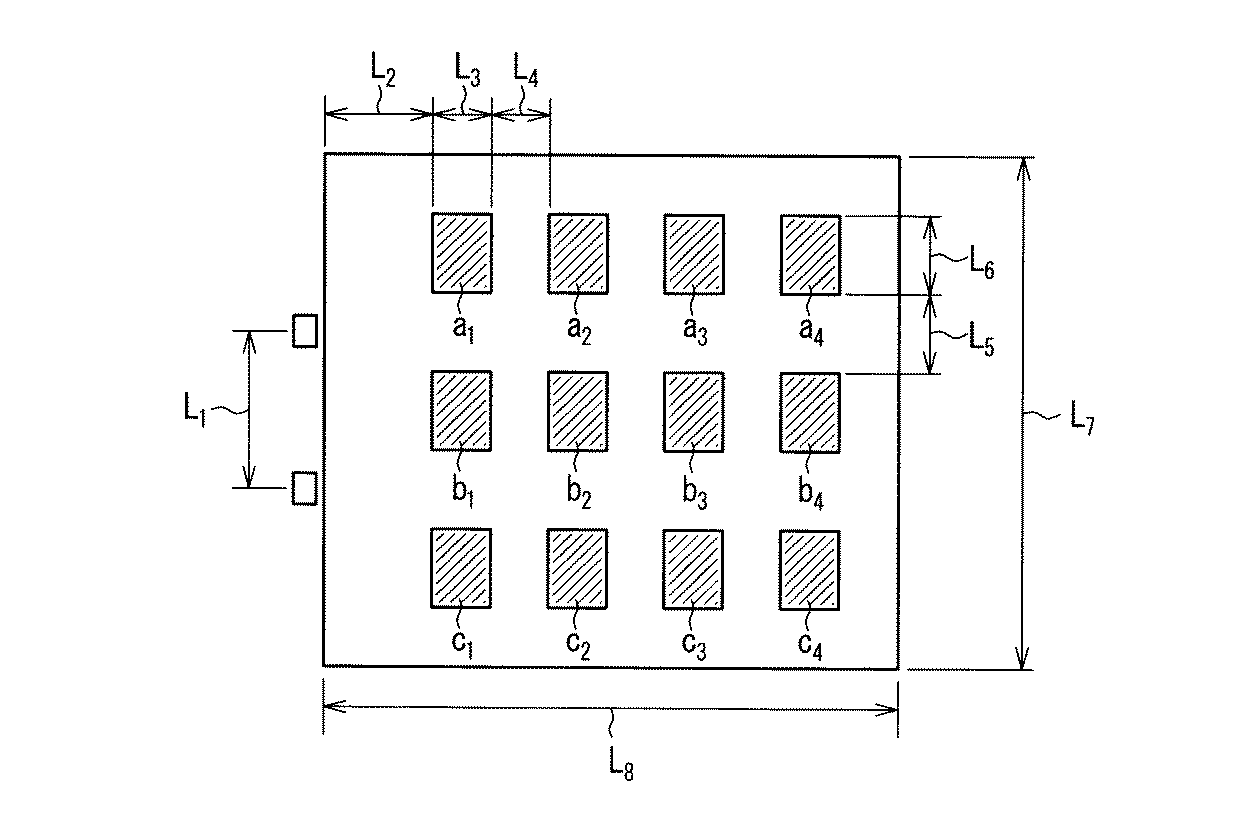
(a)複数の印刷マーク部について、光入射部からの距離が遠い印刷マーク部ほど、遮蔽面積が大きい。ここで、遮蔽面積とは、各印刷マーク部とシリコーンゴムシートとの接触面積をいう。
(b)複数の印刷マーク部について、光入射部からの距離が遠い印刷マーク部ほど厚みが厚い。
(c)複数の印刷マーク部について、光入射部からの距離が遠い印刷マーク部ほど印刷マークに含まれる光乱反射粒子の濃度が高い。
(1)シリコーンゴムシートの作成
液状シリコーンゴム(信越化学工業株式会社製、商品名"KE1935A"及び"KE1935B":2液混合タイプ)の2液を重量部比1:1で混合攪拌し、その後、混合物を真空脱泡機により充分に真空脱泡した。得られた混合物を、フィルムセパレータ"No.042"(寺岡製作所製、製品名シリコーン系粘着剤用セパレーター、基材:ポリエステルフィルム#50)の上に、混合物内に気泡が入らない様にキャストした。その上に別のフィルムセパレータ"No.042"を乗せた後、2枚のフィルムセパレータに挟まれた混合物を等速ロールで所定の厚みに圧延した。次に、圧延された未硬化シートを120℃の熱風循環式オーブン内で20分間加熱硬化させた後、硬化されたシートから上下のフィルムセパレータを剥がして、平均厚さ0.30mmの硬化されたシリコーンゴムシートを得た。
シリコーン印刷用インク(東レダウコーニング株式会社製、製品名"PRK−3 WHITE")100重量部に硬化剤(東レダウコーニング株式会社製、製品名、"PRK−3 WHITE用CAT -A")10重量部を均一に攪拌混合した。その後、得られた混合物を真空脱泡機により充分に真空脱泡した。次いで、この混合物を用いて、シリコーンゴムシートの所定の位置に、スクリーン印刷を施した。印刷厚さ(乾燥厚み)は、20μm±5μmとなるようにした。次いで、印刷されたインクを、150℃の熱風循環式オーブン内で30分間加熱硬化した。なお、スクリーン印刷には、アルミニウム枠に乳化剤が塗布されたポリエステルスクリーン(250メッシュ)を貼り付け、複数の箇所についてそれぞれ乳化剤をドット状に剥がすことにより、複数の開口を形成して得たスクリーンを用いた。上記スクリーンが有するドット形状の開口は、シリコーンゴムシートの光入射部に近いほど小さく、遠くなるに従い大きくした。
シリコーンゴムシート1の平均厚さを0.15mmとしたこと以外は実施例1と同様にして導光シートを得た。
シリコーンゴムシート(平均厚さ0.30mm)の可視光線透過率を80%としたこと以外は実施例1と同様にして導光シートを得た。
シリコーンゴムシート(平均厚さ0.30mm)の可視光線透過率を78%としたこと以外は実施例1と同様にして導光シートを得た。
Claims (12)
- シリコーンゴムシートと、
前記シリコーンゴムシートの前面に印刷された複数の印刷マーク部を備え、
前記シリコーンゴムシートの可視光透過率が80%以上99%以下であり、
前記シリコーンゴムシートは、その端面に前記シリコーンゴムシートの内部へ光を入射させうる光入射部を有し、
前記光入射部から前記シリコーンゴムシートの内部に入射された光を、前記印刷マーク部で乱反射させ、前記印刷マーク部を透過させて前記印刷マーク部から外に導出させ得る導光シートであって、
前記シリコーンゴムシートは加熱硬化型液状ゴムを加熱硬化させたものであり、
前記印刷マーク部は、母材と前記母材中に分散された光乱反射粒子とを含み、前記母材は加熱硬化型液状シリコーンゴムを加熱硬化させたものであることを特徴とする導光シート。 - 前記シリコーンゴムシートの可視光透過率が90%以上である請求項1に記載の導光シート。
- 前記シリコーンゴムシートの平均厚さが、0.10〜1.00mmである請求項1に記載の導光シート。
- 前記シリコーンゴムシートは、付加反応系架橋により加熱硬化されている請求項1に記載の導光シート。
- 前記シリコーンゴムシートの架橋後の物理特性は、硬度(JIS−K6253準拠 A型硬度)が50〜95度、引張強さ(JIS−K6251)が2MPa以上、伸び(JIS−K6251)が20%以上である請求項1に記載の導光シート。
- 各印刷マーク部は、複数のドット形状マークからなる請求項1に記載の導光シート。
- 各印刷マーク部と前記シリコーンゴムシートとの接触面積を遮蔽面積とすると、
前記複数の印刷マーク部は、前記光入射部からの距離が遠い印刷マーク部ほど、前記遮蔽面積が大きい請求項1に記載の導光シート。 - 前記複数の印刷マーク部は、前記光入射部からの距離が遠い印刷マーク部ほど厚い請求項1に記載の導光シート。
- 前記複数の印刷マーク部は、前記光入射部からの距離が遠い印刷マークほど印刷マークに含まれる光乱反射粒子の濃度が高い請求項1に記載の導光シート。
- 前記光入射部から前記シリコーンゴムシートの内部に入射する入射光が発光ダイオード(LED)からの光である請求項1に記載の導光シート。
- 請求項1〜10のいずれかに記載の導光シートと、
前記光入射部に隣接して配置された光源と、
前記導光シートの前記シリコーンゴムシートの前面側に配置されたキースイッチと、
前記導光シートの前記キースイッチ側の反対側に配置された配線基板と、
前記導光シートと前記配線基板の間に配置されたメタルドームとを含む電子機器。 - 前記光源が、発光ダイオード(LED)である請求項11に記載の電子機器。
Priority Applications (1)
| Application Number | Priority Date | Filing Date | Title |
|---|---|---|---|
| JP2008545374A JP4944126B2 (ja) | 2006-11-24 | 2007-11-15 | 導光シート及びこれを使用した電子機器 |
Applications Claiming Priority (4)
| Application Number | Priority Date | Filing Date | Title |
|---|---|---|---|
| JP2006317463 | 2006-11-24 | ||
| JP2006317463 | 2006-11-24 | ||
| JP2008545374A JP4944126B2 (ja) | 2006-11-24 | 2007-11-15 | 導光シート及びこれを使用した電子機器 |
| PCT/JP2007/072198 WO2008062713A1 (en) | 2006-11-24 | 2007-11-15 | Light guide sheet and electronic equipment utilizing the same |
Publications (2)
| Publication Number | Publication Date |
|---|---|
| JPWO2008062713A1 JPWO2008062713A1 (ja) | 2010-03-04 |
| JP4944126B2 true JP4944126B2 (ja) | 2012-05-30 |
Family
ID=39429648
Family Applications (1)
| Application Number | Title | Priority Date | Filing Date |
|---|---|---|---|
| JP2008545374A Expired - Fee Related JP4944126B2 (ja) | 2006-11-24 | 2007-11-15 | 導光シート及びこれを使用した電子機器 |
Country Status (3)
| Country | Link |
|---|---|
| US (1) | US8177409B2 (ja) |
| JP (1) | JP4944126B2 (ja) |
| WO (1) | WO2008062713A1 (ja) |
Families Citing this family (38)
| Publication number | Priority date | Publication date | Assignee | Title |
|---|---|---|---|---|
| KR100832546B1 (ko) * | 2007-09-21 | 2008-05-26 | (주) 디지로그 디스플레이 | 도광판 키패드 및 도광판 키패드 어셈블리 |
| US8434909B2 (en) | 2007-10-09 | 2013-05-07 | Flex Lighting Ii, Llc | Light emitting display with light mixing within a film |
| EP2197649B1 (en) * | 2007-10-09 | 2017-05-10 | Anthony J. Nichol | Light coupling into illuminated films |
| JP4582219B2 (ja) * | 2008-07-28 | 2010-11-17 | ソニー株式会社 | 立体画像表示装置およびその製造方法 |
| JP2010032675A (ja) * | 2008-07-28 | 2010-02-12 | Sony Corp | 立体画像表示装置の製造方法および立体画像表示装置 |
| US20100033557A1 (en) * | 2008-07-28 | 2010-02-11 | Sony Corporation | Stereoscopic image display and method for producing the same |
| JP4525808B2 (ja) * | 2008-07-28 | 2010-08-18 | ソニー株式会社 | 立体画像表示装置およびその製造方法 |
| JP5143696B2 (ja) * | 2008-10-09 | 2013-02-13 | 信越ポリマー株式会社 | キーシート及びその製造方法 |
| CN201311498Y (zh) * | 2008-11-27 | 2009-09-16 | 比亚迪股份有限公司 | 一种导光板及导光按键板 |
| JP2010135160A (ja) * | 2008-12-04 | 2010-06-17 | Panasonic Corp | 導光シート及びこれを用いた可動接点体 |
| US8905610B2 (en) | 2009-01-26 | 2014-12-09 | Flex Lighting Ii, Llc | Light emitting device comprising a lightguide film |
| WO2010085787A1 (en) | 2009-01-26 | 2010-07-29 | Flex Lighting, Llc | Illumination via flexible thin films |
| JP5299771B2 (ja) * | 2009-02-27 | 2013-09-25 | Nltテクノロジー株式会社 | 面発光装置 |
| JP5172782B2 (ja) * | 2009-06-15 | 2013-03-27 | 信越ポリマー株式会社 | 照光式押釦スイッチ用部材およびその製造方法 |
| US8917962B1 (en) * | 2009-06-24 | 2014-12-23 | Flex Lighting Ii, Llc | Method of manufacturing a light input coupler and lightguide |
| BR112012026325A2 (pt) | 2010-04-16 | 2019-09-24 | Flex Lighting Ii Llc | dispositivo de iluminação compreendendo um guia de luz baseado em película |
| US9028123B2 (en) | 2010-04-16 | 2015-05-12 | Flex Lighting Ii, Llc | Display illumination device with a film-based lightguide having stacked incident surfaces |
| US9103956B2 (en) | 2010-07-28 | 2015-08-11 | Flex Lighting Ii, Llc | Light emitting device with optical redundancy |
| WO2012027421A1 (en) * | 2010-08-23 | 2012-03-01 | Energy Focus, Inc. | Efficient side-light distribution systems |
| CN101950042A (zh) * | 2010-09-10 | 2011-01-19 | 深圳安嵘光电产品有限公司 | 采用柯式印刷方法制作的导光板及其制作方法 |
| AU2012225244A1 (en) | 2011-03-09 | 2013-10-03 | Flex Lighting Ii, Llc | Light emitting device with adjustable light output profile |
| WO2012158460A1 (en) * | 2011-05-13 | 2012-11-22 | Flex Lighting Ii, Llc | Solar energy system including a lightguide film |
| FR2976341B1 (fr) * | 2011-06-09 | 2013-05-31 | Saint Gobain | Dispositif d'eclairage a diodes electroluminescentes |
| US9566751B1 (en) | 2013-03-12 | 2017-02-14 | Flex Lighting Ii, Llc | Methods of forming film-based lightguides |
| US11009646B2 (en) | 2013-03-12 | 2021-05-18 | Azumo, Inc. | Film-based lightguide with interior light directing edges in a light mixing region |
| US9690032B1 (en) | 2013-03-12 | 2017-06-27 | Flex Lighting Ii Llc | Lightguide including a film with one or more bends |
| JP2016031392A (ja) * | 2014-07-25 | 2016-03-07 | 株式会社エス・ケー・ジー | 発光装置及び矢印表示装置 |
| EP3018681A1 (de) | 2014-11-10 | 2016-05-11 | Abatek International AG | Flexible schaltmatte und deren verwendung |
| US10353142B2 (en) | 2017-04-19 | 2019-07-16 | Omachron Intellectual Property Inc. | LED light source |
| US10466411B2 (en) | 2017-04-19 | 2019-11-05 | Omachron Intellectual Property Inc. | LED light source |
| US10514489B2 (en) | 2017-04-19 | 2019-12-24 | Omachron Intellectual Property Inc. | LED light source |
| CN113272693B (zh) | 2018-08-30 | 2023-06-13 | 阿祖莫公司 | 具有角度变化的漫射膜的基于膜的前光源 |
| CN109237420B (zh) * | 2018-10-26 | 2020-08-04 | 华域视觉科技(上海)有限公司 | 具有三维灯光效果的车灯及汽车 |
| WO2020123539A1 (en) | 2018-12-11 | 2020-06-18 | Flex Lighting Ii, Llc | Front illumination lightguide with a diffusely reflective release liner |
| WO2020142731A1 (en) | 2019-01-03 | 2020-07-09 | Flex Lighting Ii, Llc | Reflective display comprising a lightguide and light turning film creating multiple illumination peaks |
| CN117891020A (zh) | 2019-01-09 | 2024-04-16 | 阿祖莫公司 | 包括以不同的折叠角折叠的耦合光导的反射型显示器 |
| US11513274B2 (en) | 2019-08-01 | 2022-11-29 | Azumo, Inc. | Lightguide with a light input edge between lateral edges of a folded strip |
| US11168879B2 (en) | 2020-02-28 | 2021-11-09 | Omachron Intellectual Property Inc. | Light source |
Family Cites Families (23)
| Publication number | Priority date | Publication date | Assignee | Title |
|---|---|---|---|---|
| US4460940A (en) * | 1981-11-07 | 1984-07-17 | Kei Mori | Apparatus for uniform illumination employing light diffuser |
| JPS6362104A (ja) * | 1986-09-01 | 1988-03-18 | 株式会社明拓システム | 電飾用光源装置 |
| JPH0325080A (ja) | 1989-06-20 | 1991-02-01 | Hino Motors Ltd | 後軸操舵装置 |
| JPH0620939Y2 (ja) * | 1989-07-21 | 1994-06-01 | 豊興工業株式会社 | パイロット操作逆止め弁 |
| US5134549A (en) * | 1990-06-19 | 1992-07-28 | Enplas Corporation | Surface light source device |
| JPH0545651A (ja) | 1991-06-04 | 1993-02-26 | Sumitomo Electric Ind Ltd | 面光源装置 |
| JP3025080B2 (ja) | 1991-11-21 | 2000-03-27 | 株式会社シマノ | 釣り用リール |
| JP2708328B2 (ja) | 1992-07-15 | 1998-02-04 | ホーチキ株式会社 | 二次元走査型火災監視装置 |
| JP3407384B2 (ja) | 1993-02-22 | 2003-05-19 | 千寿製薬株式会社 | 眼内灌流・洗浄剤および眼球保存剤 |
| US5428468A (en) * | 1993-11-05 | 1995-06-27 | Alliedsignal Inc. | Illumination system employing an array of microprisms |
| JP3192567B2 (ja) | 1994-12-28 | 2001-07-30 | 信越ポリマー株式会社 | 照光式押釦スイッチ用カバー部材およびその製造方法 |
| JPH0981049A (ja) * | 1995-09-12 | 1997-03-28 | Enplas Corp | サイドライト型面光源装置 |
| US5947578A (en) * | 1995-10-24 | 1999-09-07 | Nu-Tech & Engineering, Inc. | Back lighting device |
| JP3632165B2 (ja) | 1997-01-14 | 2005-03-23 | ミネベア株式会社 | 面状光源装置 |
| JP2001093319A (ja) * | 1999-09-20 | 2001-04-06 | Mitsubishi Chemicals Corp | 面光源装置及びこれを用いた液晶ディスプレイ装置 |
| JP2001155576A (ja) * | 1999-11-26 | 2001-06-08 | Shin Etsu Polymer Co Ltd | 照光式押釦スイッチ用部材 |
| JP2001167655A (ja) | 1999-12-09 | 2001-06-22 | Citizen Electronics Co Ltd | 押ボタンスイッチの照明装置 |
| JP4080271B2 (ja) * | 2002-08-01 | 2008-04-23 | シチズン電子株式会社 | 導光シート及びこれを組み込んだキースイッチ |
| US7314652B2 (en) * | 2003-02-28 | 2008-01-01 | General Electric Company | Diffuser for flat panel display |
| JP4426793B2 (ja) | 2003-08-21 | 2010-03-03 | 株式会社朝日ラバー | 樹脂複合体及びその製造方法 |
| JP2005129249A (ja) | 2003-10-21 | 2005-05-19 | Yokogawa Electric Corp | 導光板およびそれを用いた面発光装置 |
| WO2006115113A1 (ja) | 2005-04-19 | 2006-11-02 | Fujifilm Corporation | 光学部材及びそれを用いた面状照明装置、並びに液晶表示装置 |
| JP4917840B2 (ja) * | 2006-06-05 | 2012-04-18 | シチズン電子株式会社 | シートスイッチモジュール |
-
2007
- 2007-11-15 WO PCT/JP2007/072198 patent/WO2008062713A1/ja not_active Ceased
- 2007-11-15 JP JP2008545374A patent/JP4944126B2/ja not_active Expired - Fee Related
- 2007-11-15 US US12/516,163 patent/US8177409B2/en not_active Expired - Fee Related
Also Published As
| Publication number | Publication date |
|---|---|
| JPWO2008062713A1 (ja) | 2010-03-04 |
| WO2008062713A1 (en) | 2008-05-29 |
| US8177409B2 (en) | 2012-05-15 |
| US20100067254A1 (en) | 2010-03-18 |
Similar Documents
| Publication | Publication Date | Title |
|---|---|---|
| JP4944126B2 (ja) | 導光シート及びこれを使用した電子機器 | |
| JP4279347B2 (ja) | 導光フィルム及びこれを備えた発光キーパッド | |
| US9442238B2 (en) | Backlight module | |
| US8092063B2 (en) | Sheet-shaped lightguide member and electronic device using the same | |
| US20110158728A1 (en) | Backlight module and lighting keyboard | |
| CN107002980B (zh) | 光产生源的光漫射 | |
| EP2463753A1 (en) | Keyboard device | |
| JP2010244508A (ja) | 発光キーボード | |
| JP2009146652A (ja) | 操作キー照明装置及び電子機器 | |
| JP2008140761A (ja) | 光ガイド構造体、及び光ガイド構造体を使用した電子装置 | |
| CN103148403B (zh) | 手持式电子装置 | |
| JP4834111B2 (ja) | 導光シート及びこれを使用した電子機器 | |
| JP2011009125A (ja) | 導光板及び面状光源 | |
| JP5298819B2 (ja) | 導光機能付き可動接点体とそれを用いて構成した照光パネルスイッチ | |
| KR20150138708A (ko) | 차량용 램프 | |
| US7838785B2 (en) | Keypad assembly | |
| CN102714104B (zh) | 开关模块 | |
| JP2008130506A (ja) | キーベース、それを備えたキーシート及びそれを備えたキーユニット | |
| JP4707757B2 (ja) | キーボード装置 | |
| JP2010170359A (ja) | キーボード | |
| JP2008226613A (ja) | 照光シート及び操作スイッチ | |
| JP2009187855A (ja) | 携帯電話の照明構造 | |
| WO2012011259A1 (ja) | 導光シート及びこれを用いた可動接点体 | |
| JP2009283174A (ja) | ライトガイド層を備えた照明構造 | |
| JP2009152099A (ja) | 携帯電話の照明構造 |
Legal Events
| Date | Code | Title | Description |
|---|---|---|---|
| A131 | Notification of reasons for refusal |
Free format text: JAPANESE INTERMEDIATE CODE: A131 Effective date: 20110203 |
|
| A131 | Notification of reasons for refusal |
Free format text: JAPANESE INTERMEDIATE CODE: A131 Effective date: 20110901 |
|
| TRDD | Decision of grant or rejection written | ||
| A01 | Written decision to grant a patent or to grant a registration (utility model) |
Free format text: JAPANESE INTERMEDIATE CODE: A01 Effective date: 20120223 |
|
| A01 | Written decision to grant a patent or to grant a registration (utility model) |
Free format text: JAPANESE INTERMEDIATE CODE: A01 |
|
| A61 | First payment of annual fees (during grant procedure) |
Free format text: JAPANESE INTERMEDIATE CODE: A61 Effective date: 20120301 |
|
| R150 | Certificate of patent or registration of utility model |
Ref document number: 4944126 Country of ref document: JP Free format text: JAPANESE INTERMEDIATE CODE: R150 Free format text: JAPANESE INTERMEDIATE CODE: R150 |
|
| FPAY | Renewal fee payment (event date is renewal date of database) |
Free format text: PAYMENT UNTIL: 20150309 Year of fee payment: 3 |
|
| R250 | Receipt of annual fees |
Free format text: JAPANESE INTERMEDIATE CODE: R250 |
|
| R250 | Receipt of annual fees |
Free format text: JAPANESE INTERMEDIATE CODE: R250 |
|
| LAPS | Cancellation because of no payment of annual fees |
