JP3967745B2 - 混合共振器型帯域通過フィルタ - Google Patents

混合共振器型帯域通過フィルタ Download PDF

Info

Publication number
JP3967745B2
JP3967745B2 JP2004295017A JP2004295017A JP3967745B2 JP 3967745 B2 JP3967745 B2 JP 3967745B2 JP 2004295017 A JP2004295017 A JP 2004295017A JP 2004295017 A JP2004295017 A JP 2004295017A JP 3967745 B2 JP3967745 B2 JP 3967745B2
Authority
JP
Japan
Prior art keywords
resonator
resonators
mode dielectric
resonator type
mixed
Prior art date
Legal status (The legal status is an assumption and is not a legal conclusion. Google has not performed a legal analysis and makes no representation as to the accuracy of the status listed.)
Expired - Fee Related
Application number
JP2004295017A
Other languages
English (en)
Other versions
JP2006109246A (ja
Inventor
博 畠中
Current Assignee (The listed assignees may be inaccurate. Google has not performed a legal analysis and makes no representation or warranty as to the accuracy of the list.)
Nihon Dengyo Kosaku Co Ltd
Original Assignee
Nihon Dengyo Kosaku Co Ltd
Priority date (The priority date is an assumption and is not a legal conclusion. Google has not performed a legal analysis and makes no representation as to the accuracy of the date listed.)
Filing date
Publication date
Application filed by Nihon Dengyo Kosaku Co Ltd filed Critical Nihon Dengyo Kosaku Co Ltd
Priority to JP2004295017A priority Critical patent/JP3967745B2/ja
Publication of JP2006109246A publication Critical patent/JP2006109246A/ja
Application granted granted Critical
Publication of JP3967745B2 publication Critical patent/JP3967745B2/ja
Anticipated expiration legal-status Critical
Expired - Fee Related legal-status Critical Current

Links

Images

Landscapes

  • Control Of Motors That Do Not Use Commutators (AREA)

Description

本発明は、混合共振器型帯域通過フィルタに係り、特に、通過帯域内の振幅偏差を少なくした混合共振器型帯域通過フィルタに関する。
テレビジョン放送の放送設備、あるいは無線通信の通信設備では、送信電力、受信電力より目的とする信号以外の信号、またはノイズの除去、送信電力の合波、受信電力の分波などの帯域通過フィルタ(以下、BPFと称する。)が使用される。
このBPFとして、従来は、同軸共振器を用いた同軸共振器型BPF、TM01δモード誘電体共振器、あるいは、TE01δモード誘電体共振器を用いた誘電体共振器型BPFなど、同一の共振器を用いたBPFが使用されている。
無線通信、テレビジョン放送では、多値デジタル変調方式のW−CDMA、OFDM変
調方式が使用されている。
このような変調方式による変調波を通過させるBPFでは、通過帯域の振幅偏差が大き
いと、ビット誤りを発生させることになる。
しかしながら、前述した各BPFは、通過帯域内の振幅偏差が大きく、前述したような変調方式による変調波を通過させるBPFには適していないという問題点があった。
本発明は、前記従来技術の問題点を解決するためになされたものであり、本発明の目的は、通過帯域内の振幅偏差を、従来の帯域通過フィルタよりも少なくした混合共振器型帯域通過フィルタを提供することにある。
本願において開示される発明のうち、代表的なものの概要を簡単に説明すれば、下記の通りである。
前述の目的を達成するために、本発明は、混合共振器型帯域通過フィルタであって、nを6以上の整数とするとき、入力端子と出力端子との間に、1番目からn番目の順番に配置されるn個の共振器を有し、前記n個の共振器は、異なる種類の共振器を含み、i(1≦i≦n)番目の共振器の無負荷Qを、Q(i)とするとき、Q(1)<Q(2)<・・・<Q(n/2)、Q(n/2+1)>Q(n/2+2)>・・・>Q(n)を満足することを特徴とする。
また、本発明では、前記n個の共振器は、同軸型共振器を含むことを特徴とする。
また、本発明では、前記nは6であり、前記1番目と6番目の共振器は、同軸共振器であり、前記2番目と5番目の共振器は、TM01δモード誘電体共振器であり、前記3番目と4番目の共振器は、TE01δモード誘電体共振器であることを特徴とする。
本願において開示される発明のうち代表的なものによって得られる効果を簡単に説明すれば、下記の通りである。
本発明の混合共振器型帯域通過フィルタによれば、通過帯域内の振幅偏差を、従来の帯域通過フィルタよりも少なくすることが可能となる。
以下、図面を参照して本発明の実施例を詳細に説明する。
なお、実施例を説明するための全図において、同一機能を有するものは同一符号を付け、その繰り返しの説明は省略する。
図1は、同軸共振器を説明するための模式図であり、同図(a)は正面から見た図、同図(b)は上から見た図である。図1において、1は内部導体、2は筐体である。なお、筐体2は、所定の厚みを有する金属板で構成されるが、図1では単なる線で表している。
一般的に、同軸共振器の共振長(即ち、内部導体1の長さ)Lは、λo/4に設定される。ここで、λoは、同軸共振器の使用中心周波数(fo)の自由空間波長である。
今、共振長(L)が、L≒λo/4の場合に、同軸共振器の筐体2の一辺の長さ(S)と、内部導体1の直径(d)との比は、約3(S/d≒3)とされる。
なお、図1(b)において、実線は電界成分、波線は磁界成分を表している。
このような条件を満たす同軸共振器の無負荷Q(Q)は、下記(1)式で求められる。
[数1]
≒42×S(cm)×√fo(MHz) ・・・・・・・・・・・・・・ (1)
ここで、foは、同軸共振器の使用中心周波数である。
また、図2の同軸共振器(Rn+1)に示すように、共振器の筐体2における、信号経路に沿った方向に平行な一辺の長さを、0.6Sに変化させた場合の無負荷Qは、下記(2)式で求められる。
[数2]
≒42×S(cm)×√fo(MHz)×√(0.6) ・・・・・・・ (2)
このように、同軸共振器の筐体における、信号経路に沿った方向に平行な一辺の長さが短くなると、無負荷Q(Q)が小さくなる。また、図示はしないが、信号経路に沿った方向に平行な一辺の長さが長くなると、無負荷Q(Q)が大きくなる。
図3は、TM01δモード誘電体共振器を説明するための模式図であり、同図(a)は正面から見た図、同図(b)は上から見た図である。図3において、3はTM01δモード誘電体共振素子、2は筐体である。なお、筐体2は、所定の厚みを有する金属板で構成されるが、図3では単なる線で表している。
一般的に、TM01δモード誘電体共振器の高さHは、λo/4、TM01δモード誘電体共振器の筐体2の一辺の長さSも、λo/4とされる。
ここで、λoは、TM01δモード誘電体共振器の使用中心周波数(fo)の自由空間波長である。なお、図3において、実線は電界成分、波線は磁界成分を表している。
図3に示すTM01δモード誘電体共振器の無負荷Q(Q)は、下記(3)式で求められる。
[数3]
≒84×S(cm)×√fo(MHz) ・・・・・・・・・・・・・・ (3)
ここで、foは、TM01δモード誘電体共振器の使用中心周波数である。
また、図4のTM01δモード誘電体共振器(Rn+1)に示すように、共振器の筐体2における、信号経路に沿った方向に平行な一辺の長さを、1.4Sに変化させた場合の無負荷Qは、下記(4)式で求められる。
[数4]
≒42×S(cm)×√fo(MHz)×√(1.4) ・・・・・・・ (4)
このように、TM01δモード誘電体共振器の筐体における、信号経路に沿った方向に平行な一辺の長さが長くなると、無負荷Q(Q)が大きくなる。また、図示はしないが、信号経路に沿った方向に平行な一辺の長さが短くなると、無負荷Q(Q)が小さくなる。
但し、TM01δモード誘電体共振器の体積が大きくなると、使用中心周波数(fo)が低くなる。
図4のTM01δモード誘電体共振器(Rn+1)の使用中心周波数(fo)をもとの周波数に戻すには、図4のTM01δモード誘電体共振器(Rn+1)のTM01δモード誘電体共振素子3の直径φdが、下記(5)式を満たすようにすればよい。
[数5]
φd≒√(1.4×S/S)×φd
φd≒√(1.4)×φd ・・・・・・・・・・・・・・・・・ (5)
但し、φdは、図4のTM01δモード誘電体共振器(R)のTM01δモード誘電体共振素子3の直径である。
図5は、TE01δモード誘電体共振器を説明するための模式図であり、同図(a)は正面から見た図、同図(b)は上から見た図である。図5において、5はTE 01δモード誘電体共振素子、2は筐体である。なお、筐体2は、所定の厚みを有する金属板で構成されるが、図5では単なる線で表している。
一般的に、TE01δモード誘電体共振器の高さHは、λo/4、TE01δモード誘電体共振器の筐体2の一辺の長さSも、λo/4とされる。
ここで、λoは、TE01δモード誘電体共振器の使用中心周波数(fo)の自由空間波長である。なお、図5において、実線は電界成分、波線は磁界成分を表している。
一般に、図5に示すTE01δモード誘電体共振器の無負荷Q(Q)は、金属部の無負荷Q(Q)と、TE01δモード誘電体共振素子5の無負荷Q(Q)との間には、下記(6)式の関係がある。
[数6]
1/Q=1/Q+1/Q
=(Q×Q)/(Q+Q
・・・・・・・・・・・・・・・・・・・・・・ (6)
この(6)式から、金属部の無負荷Q(Q)を制御することによって、TE01δモード誘電体共振器の無負荷Q(Q)を制御することができる。
また、図6のTE01δモード誘電体共振器(Rn+1)に示すように、共振器の筐体2における、信号経路に沿った方向に平行な一辺の長さが、1.4Sの場合の無負荷Q(QuL)と、図6のTE01δモード誘電体共振器(R)に示すように、共振器の筐体2における、信号経路に沿った方向に平行な一辺の長さが、Sの場合の無負荷Q(QuS)との間には、下記(7)式の関係がある。
[数7]
uL>QuS
uL≒√(1.4×S/S)×QuS
uL≒√(1.4)×QuS ・・・・・・・・・・・・・ (7)
このように、TE01δモード誘電体共振器の筐体における、信号経路に沿った方向に平行な一辺の長さが長くなると、無負荷Q(Q)が大きくなる。また、図示はしないが、信号経路に沿った方向に平行な一辺の長さが短くなると、無負荷Q(Q)が小さくなる。
但し、TE01δモード誘電体共振器の体積が大きくなると、使用中心周波数(fo)が低くなる。
図6のTE01δモード誘電体共振器(Rn+1)の使用中心周波数(fo)をもとの周波数に戻すには、図6のT 01δモード誘電体共振器(Rn+1)のTE01δモード誘電体共振素子の直径φdが、下記(8)式を満たすようにすればよい。
[数8]
φd≒√(1.4×S/S)×φd
φd≒√(1.4S)×φd ・・・・・・・・・・・・・・・・ (8)
但し、φdは、図6のTE01δモード誘電体共振器(R)のTE01δモード誘電体共振素子の直径である。
一方、共振回路の総合伝送損失特性関数(Li)は、下記(7)式で求められる。
[数9]
Li=10log{1+〔Q/(Q−Q)〕+x} ・・・・ (9)
ここで、x=Q(f/fo−fo/f)、また、Qは負荷Q、foは、同軸共振器の使用中心周波数、fは任意の周波数である。
図7は、本発明の実施例の有極型の6次混合共振器型BPFの概略構成を示す模式図である。なお、図7、および後述する図11は、混合共振器型BPFの内部を上から見た図である。
図7において、10は外部導体、11は隔壁、15は入力(または出力)端子、16は出力(または入力)端子、21,22はループ素子、R1,R6は、共振長がλo/4の同軸共振器、1a,1fは内部導体、R2,R5は、TM01δモード誘電体共振器、1b,1eは、TM01δモード誘電体共振素子、R3,R4は、TE01δモード誘電体共振器、1c,1dはTE01δモード誘電体共振素子である。
なお、外部導体10、隔壁11は、所定の厚みを有する金属板で構成されるが、図7、および後述する図11では単なる線で表している。
ここで、外部導体10と、隔壁11とは、各共振器の筐体を構成する。また、入力端子15、および出力端子16は、それぞれ、例えば、同軸接栓より成り、各同軸接栓を形成する外部導体が、共振器を構成する外部導体10に接続される。
図7に示す有極型の6次混合共振器型BPFでは、入力端子15と出力端子16との間に、1番目から6番目の順番に、6個の共振器(R1〜R6)がコの字状に配置され、図7のM12,M23,M34,M45,M56に示すように、各共振器(R1〜R6)間は、磁気結合回路で主結合される。
また、図7のM16に示すように、共振器(R1)と共振器(R6)との間が磁気結合回路で、さらに、図7のMC25に示すように、共振器(R2)と共振器(R5)との間が容量結合回路で副結合されている。
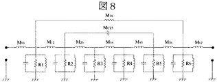
さらに、図7に示す有極型の6次混合共振器型BPFの等価回路の一例を、図8に示す。
図7に示す有極型の6次混合共振器型BPFにおいて、i(1≦i≦6)番目の共振器の無負荷Qを、Q(i)とするとき、i番目の共振器の無負荷Qは、下記(10)式を満足するように設定される。
[数10]
(1)<Q(2)<Q(3)
(4)>Q(5)>Q(6)
(3)=Q(4) ・・・・・・・・・・・・・・ (10)
一方、図7に示す有極型の6次混合共振器型BPFにおいて、i(1≦i≦6)番目の共振器の負荷Qを、Q(i)とするとき、負荷Qは、一般的に、下記(11)式のように設定されている。
[数11]
(1)<Q(2)<Q(3)
(4)>Q(5)>Q(6)
・・・・・・・・・・・・・・・・・ (11)
図9は、図7に示す有極型の6次混合共振器型BPFの一例の減衰特性を示すグラフであり、横軸は周波数(MHz)でメモリ間隔は2MHz、縦軸は減衰量(dB)でメモリ間隔は5dBであり、また、中心周波数は473.143MHzである。
この図9において、周波数が470.343MHz(図9の点2)のときの減衰量は、約−0.9dBであり、周波数が475.943MHz(図9の点3)のときの減衰量は、約−0.9dBである。
図10は、図9に示すグラフを拡大して示すグラフであり、横軸のメモリ間隔が2MHz、縦軸のメモリ間隔が1dBである。
この図7のグラフから分かるように、周波数が470.343MHz(図10の点2)から475.942MHz(図10の点3)の間で、その減衰量の偏差は、約0.7dB以内となっている。
このように、図7に示す有極型の6次混合共振器型BPFでは、従来の有極型のBPFよりも、通過帯域内の振幅偏差を小さくすることができる。
これは、以下の理由によるものと考えられる。
図7に示す有極型の6次混合共振器型BPFでは、共振器(R3、R4)の無負荷Q(Q)が、従来の有極型のBPFの共振器の無負荷Q(Q)よりも大きくされる。したがって、前述の(9)式において、〔Q/(Q−Q)〕の値が小さくなるので、減衰量(Li)が小さくなる。
そして、図7に示す有極型の6次混合共振器型BPFの共振器(R3、R4)は、通過帯域のエッジ部分(foを中心周波数とするとき、fo±2.8MHzの周波数の領域)の特性に主に係わっているため、通過帯域内の振幅偏差が、従来の有極型のBPFよりも小さくなっているものと考えられる。
なお、前述までは、有極型の6次混合共振器型BPFの場合について説明したが、6次混合共振器型BPFでも同様の効果を得ることが可能である。
図11は、本発明の実施例の6次混合共振器型BPFの概略構成を示す模式図である。
図11に示す6次混合共振器型BPFは、共振器(R1)と共振器(R6)との間を副結合する磁気結合回路、および、共振器(R2)と共振器(R5)との間を副結合する容量結合回路が省略されている点で、図7に示す有極型の6次混合共振器型BPFと相違するが、その他の構成は、図7に示す有極型の6次同軸共振器型BPFと同じであるので、再度の詳細な説明は省略する。
さらに、図11に示す6次混合共振器型BPFの等価回路の一例を、図12に示す。
なお、前述までの説明では、6次の混合共振器型BPFについて説明したが、例えば、少なくとも同軸共振器を含む、4次、8次などの6次以外の混合共振器型BPFにも適用可能である。
この場合に、共振器の数をn個、i(1≦i≦n)番目の共振器の無負荷Qを、Q(i)とするとき、下記(12)式を満足するように、i番目の共振器の無負荷Qを設定すればよい。
[数12]
(1)<Q(2)<・・・<Q(n/2)
(n/2+1)>Q(n/2+2)>・・・>Q(n)
(n/2)=Q(n/2+1)
・・・・・・・・・・・・・・・・・・・・・ (12)
以下、本実施例における、各共振器(R1〜R6)間を主結合する磁気結合回路について説明する。
各同軸共振器間を主結合する磁気結合回路としては、例えば、図13に示すように、窓20が形成された隔壁11を用いればよい。
また、図7に示す有極型の6次混合共振器型BPFにおいて、共振器(R1)と共振器(R6)との間を副結合する磁気結合回路としては、例えば、図14に示すような、隔壁11の上下同じ位置で、ループ素子の両端が隔壁11に電気的、機械的に接続される構造のループ素子(U字形のループ素子)25を使用すればよい。
さらに、図7に示す有極型の6次混合共振器型BPFにおいて、共振器(R2)と共振器(R5)との間を副結合する容量結合回路としては、例えば、図15に示すような、隔壁11の上下異なる位置で、ループ素子の両端が隔壁11に電気的、機械的に接続される構造のループ素子(S字形のループ素子)26を使用すればよい。
以上、本発明者によってなされた発明を、前記実施例に基づき具体的に説明したが、本発明は、前記実施例に限定されるものではなく、その要旨を逸脱しない範囲において種々変更可能であることは勿論である。
同軸共振器を説明するための模式図である。 同軸共振器の無負荷Qを説明するための模式図である。 TM01δモード誘電体共振器を説明するための模式図である。 TM01δモード誘電体共振器の無負荷Qを説明するための模式図である。 TE01δモード誘電体共振器を説明するための模式図である。 TE01δモード誘電体共振器の無負荷Qを説明するための模式図である。 本発明の実施例の有極型の6次混合共振器型BPFの概略構成を示す模式図である。 図7に示す有極型の6次混合共振器型BPFの等価回路を示す回路図である。 図7に示す有極型の6次混合共振器型BPFの一例の減衰特性を示すグラフである。 図9に示すグラフを拡大して示すグラフである。 本発明の実施例の6次混合共振器型BPFの概略構成を示す模式図である。 図11に示す6次混合共振器型BPFの等価回路を示す回路図である。 本実施例の同軸共振器型BPFにおいて、各共振器間を主結合する磁気結合回路の一例を示す図である。 本実施例の6次混合共振器型BPFにおいて、2つの共振器の間を副結合する磁気結合回路の一例を示す図である。 本実施例の6次混合共振器型BPFにおいて、2つの共振器の間を副結合する容量結合回路の一例を示す図である。
符号の説明
1,1a,1f 内部導体
2 筐体
3,1b,1e TM01δモード誘電体共振素子
5,1c,1d TE01δモード 誘電体共振素子
10 外部導体
11 隔壁
15 入力(または出力)端子
16 出力(または入力)端子
20 窓
21,22 ループ素子
25 副結合回路を構成するU字形のループ素子
26 副結合回路を構成するS字形のループ素子
R1〜R6 共振器


Claims (3)

  1. nを以上の整数とするとき、入力端子と出力端子との間に、1番目からn番目の順番に配置されるn個の共振器を有し、
    前記n個の共振器は、異なる種類の共振器を含み、
    i(1≦i≦n)番目の共振器の無負荷Qを、Q(i)とするとき、
    (1)<Q(2)<・・・<Q(n/2)、
    (n/2+1)>Q(n/2+2)>・・・>Q(n)、を満足することを特徴とする混合共振器型帯域通過フィルタ。
  2. 前記n個の共振器は、同軸型共振器を含むことを特徴とする請求項1に記載の混合共振器型帯域通過フィルタ。
  3. 前記nは6であり、
    前記1番目と6番目の共振器は、同軸共振器であり、
    前記2番目と5番目の共振器は、TM01δモード誘電体共振器であり、
    前記3番目と4番目の共振器は、TE01δモード誘電体共振器であることを特徴とする請求項1に記載の混合共振器型帯域通過フィルタ。
JP2004295017A 2004-10-07 2004-10-07 混合共振器型帯域通過フィルタ Expired - Fee Related JP3967745B2 (ja)

Priority Applications (1)

Application Number Priority Date Filing Date Title
JP2004295017A JP3967745B2 (ja) 2004-10-07 2004-10-07 混合共振器型帯域通過フィルタ

Applications Claiming Priority (1)

Application Number Priority Date Filing Date Title
JP2004295017A JP3967745B2 (ja) 2004-10-07 2004-10-07 混合共振器型帯域通過フィルタ

Publications (2)

Publication Number Publication Date
JP2006109246A JP2006109246A (ja) 2006-04-20
JP3967745B2 true JP3967745B2 (ja) 2007-08-29

Family

ID=36378423

Family Applications (1)

Application Number Title Priority Date Filing Date
JP2004295017A Expired - Fee Related JP3967745B2 (ja) 2004-10-07 2004-10-07 混合共振器型帯域通過フィルタ

Country Status (1)

Country Link
JP (1) JP3967745B2 (ja)

Families Citing this family (1)

* Cited by examiner, † Cited by third party
Publication number Priority date Publication date Assignee Title
JP4649385B2 (ja) * 2006-08-29 2011-03-09 日本放送協会 帯域通過フィルタの設計方法および帯域通過フィルタ

Also Published As

Publication number Publication date
JP2006109246A (ja) 2006-04-20

Similar Documents

Publication Publication Date Title
EP0788179B1 (en) A dielectric filter
EP0938153B1 (en) Bandpass filter, duplexer, high-frequency module and communications device
JP4805370B2 (ja) フィルタ、携帯端末及び電子部品
CN102683771B (zh) 电介质波导管滤波器
US5812036A (en) Dielectric filter having intrinsic inter-resonator coupling
KR100313717B1 (ko) 대칭적인 감쇄극 특성을 갖는 유전체 공진기형 대역 통과 필터
JPS6150523B2 (ja)
US6614327B2 (en) Filter apparatus, duplexer, and communication apparatus
US5132651A (en) Filter apparatus
JP2003069382A (ja) 弾性表面波フィルタとそれを用いたアンテナ共用器
EP1079457A2 (en) Dielectric resonance device, dielectric filter, composite dielectric filter device, dielectric duplexer, and communication apparatus
US6677836B2 (en) Dielectric filter device having conductive strip removed for improved filter characteristics
JP2001332906A (ja) 誘電体フィルタ、デュプレクサおよび、通信装置
JP3967745B2 (ja) 混合共振器型帯域通過フィルタ
JP3967743B2 (ja) 同軸共振器型帯域通過フィルタ
RU2237320C1 (ru) Полосно-пропускающий фильтр
JP3967744B2 (ja) 誘電体共振器型帯域通過フィルタ
JP3157243B2 (ja) 誘電体フィルタ及びこれを用いた分波器
JP2002204106A (ja) 複合誘電体フィルタ装置および通信装置
JP2004297369A (ja) フィルタ回路、デュプレクサおよび通信装置
JP3490679B2 (ja) 振幅偏差補償型帯域通過フィルタ
JPH03181205A (ja) 誘電体フィルタ
JP2004023655A (ja) アンテナ分波器
JP2010062821A (ja) 高周波共振器及び高周波フィルタ
JP2001267808A (ja) 空中線共用器

Legal Events

Date Code Title Description
A977 Report on retrieval

Free format text: JAPANESE INTERMEDIATE CODE: A971007

Effective date: 20060809

A131 Notification of reasons for refusal

Free format text: JAPANESE INTERMEDIATE CODE: A131

Effective date: 20060815

A521 Request for written amendment filed

Free format text: JAPANESE INTERMEDIATE CODE: A523

Effective date: 20061016

A131 Notification of reasons for refusal

Free format text: JAPANESE INTERMEDIATE CODE: A131

Effective date: 20070104

TRDD Decision of grant or rejection written
A01 Written decision to grant a patent or to grant a registration (utility model)

Free format text: JAPANESE INTERMEDIATE CODE: A01

Effective date: 20070529

A61 First payment of annual fees (during grant procedure)

Free format text: JAPANESE INTERMEDIATE CODE: A61

Effective date: 20070531

R150 Certificate of patent or registration of utility model

Free format text: JAPANESE INTERMEDIATE CODE: R150

Ref document number: 3967745

Country of ref document: JP

Free format text: JAPANESE INTERMEDIATE CODE: R150

FPAY Renewal fee payment (event date is renewal date of database)

Free format text: PAYMENT UNTIL: 20130608

Year of fee payment: 6

R250 Receipt of annual fees

Free format text: JAPANESE INTERMEDIATE CODE: R250

R250 Receipt of annual fees

Free format text: JAPANESE INTERMEDIATE CODE: R250

R250 Receipt of annual fees

Free format text: JAPANESE INTERMEDIATE CODE: R250

R250 Receipt of annual fees

Free format text: JAPANESE INTERMEDIATE CODE: R250

R250 Receipt of annual fees

Free format text: JAPANESE INTERMEDIATE CODE: R250

S531 Written request for registration of change of domicile

Free format text: JAPANESE INTERMEDIATE CODE: R313531

R350 Written notification of registration of transfer

Free format text: JAPANESE INTERMEDIATE CODE: R350

R250 Receipt of annual fees

Free format text: JAPANESE INTERMEDIATE CODE: R250

R250 Receipt of annual fees

Free format text: JAPANESE INTERMEDIATE CODE: R250

R250 Receipt of annual fees

Free format text: JAPANESE INTERMEDIATE CODE: R250

LAPS Cancellation because of no payment of annual fees