JP3565327B2 - 表示装置 - Google Patents
表示装置 Download PDFInfo
- Publication number
- JP3565327B2 JP3565327B2 JP2000175808A JP2000175808A JP3565327B2 JP 3565327 B2 JP3565327 B2 JP 3565327B2 JP 2000175808 A JP2000175808 A JP 2000175808A JP 2000175808 A JP2000175808 A JP 2000175808A JP 3565327 B2 JP3565327 B2 JP 3565327B2
- Authority
- JP
- Japan
- Prior art keywords
- dots
- dot
- color
- signal
- defective
- Prior art date
- Legal status (The legal status is an assumption and is not a legal conclusion. Google has not performed a legal analysis and makes no representation as to the accuracy of the status listed.)
- Expired - Lifetime
Links
Images
Landscapes
- Control Of Indicators Other Than Cathode Ray Tubes (AREA)
- Controls And Circuits For Display Device (AREA)
- Control Of Gas Discharge Display Tubes (AREA)
- Liquid Crystal Display Device Control (AREA)
Description
【発明の属する技術分野】
本発明は、電気的に制御できないドット(以下不良ドットという)を見えにくくする機能を備えた液晶表示装置(以下LCDという)や、プラズマディスプレイ装置(以下PDPという)等、画素構造を有する表示装置に関する。
【0002】
【従来の技術】
LCDやPDP等の微細な画素を構成する3色のドットを空間的に配置して構成する表示装置では、その製法上、数百万個に1個の割合で不良ドットが存在する。このようなドットは光の強度を自由に制御できないため、当該ドットが関連する画素では色を自由に発色することができない。従って、数百万画素に一つといった極めて少ない割合でこのような不良が存在したとしても、画質上大きな問題になる。このため、表示装置は出荷選別を厳重にせざるを得ず、このことが全体のコストを押し上げ、また、普及促進を妨げる等の問題につながっている。
【0003】
図7は不良の生じた表示装置を模擬的に示した説明図である。図7において、201は赤、202は青、203は緑それぞれのドット、204はブラックマトリックス部であり、色配列がいわゆる縦ストライプ配列の場合を示す。図7において、ハッチングのかかった部分は、光っている部分を表しており、図7はこのように、一面が青になっている場合の表示装置の表面を大きく拡大した場合に相当する。つまり、青のドット202のみが一面に光っている場合を仮定して以下の説明を行う。
【0004】
図7において、205の青のドットは不良で、このドットは黒点になっている場合を想定する。この場合、一面青に光らせるべきであるにもかかわらず、このドットは光らせることができない。従って、この部分に色の不連続を生じ、視覚上の画質劣化を生ずる。
【0005】
このような不良ドットに対しては、製造技術自体を向上するのが根本対策である。例えば、製造装置の精密度、クリーン度などを向上する方法である。
【0006】
あるいは、製造後の検査で発見した不良ドットに対して、回路パターン等の修正を施す方法もある。製造後の対策が可能な不良ドットにあっては、不良ドットの状況に応じてレーザ装置等で回路の焼断又は焼結等を行って、不良ドットを見えにくくする方法等の対策がとられている。
【0007】
従来は、上記のように主として2つのアプローチ、つまり製造技術そのものの改善と、製造後の対策をおこなうことで不良率を低減して全体のコストダウンを図るようにしていた。
【0008】
【発明が解決しようとする課題】
しかし、従来の対策方法では対策に大きなコストがかかるという問題があった。例えばクリーン度の高い設備を導入するには、極めて大きな導入コストがかかり、そのクリーン度維持にも大きなコストがかかる。
【0009】
また、レーザ装置等で回路の焼断又は焼結を行って、不良ドットを見えにくくする方法等の対策についても、次に述べる問題がある。
【0010】
まず、対策の結果を自由に選べないと言う問題である。つまり、レーザ装置で行う対策は回路を焼断するか又は焼結するかという2つの自由度しかないため、前記不良ドットを永久に解放するか又は導通するかしか選択できない。従って、完全に光る状態(輝点不良)又は、完全に光らない状態(黒点不良)のいずれかの状態にしか対策できない。このような対策で良品化できる不良というのは、もともとごく限られた不良であり、この技術だけでは、全体の不良率を大きく低減するには及ばない。
【0011】
次に、対策のスループットが極めて低いという問題がある。これは、不良の内容を解析し、どこの回路をどのように焼断又は焼結すればよいか判断し、それを実行に移すまで、長い時間がかかるということである。このため、前記対策を行ったとしても、効率的に不良低減ができるとはいえない。
【0012】
前記2点の問題点から、前記レーザ装置による対策を行ったとしても、全体の不良率を際だって低減するには遠く及ばないと言う問題がある。
【0013】
結局、製造技術の向上、あるいはレーザ装置等による対策、いずれにしても、相応のコストがかかり、このことによって全体のコストを押し上げられる等の問題があった。
【0014】
本発明は、上記問題点に鑑みなされたものであり、その目的は、電気的に制御できない不良ドットが存在することによる表示不良を望ましい方法で抑制でき、しかも、不良補正に対するコストダウンを実現する表示装置を提供することにある。
【0015】
【課題を解決するための手段】
本発明の表示装置は、上記課題を解決するために、微細な画素を構成する3色のドットを空間的に配置して構成する表示装置において、電気的に制御できないドットが存在することによる視覚的な妨害を低減するため、該電気的に制御できないドットに隣接するドットに印加する信号を制御する手段を有することを特徴としている。
【0016】
上記の発明によれば、表示装置において、電気的に制御できない不良ドットが発生した場合でも、該不良ドットに隣接するドットに印加する信号を制御することで、例えば不良ドットの本来の明るさと略等しい状態を当該ドット近傍に作り出すことが可能になり、これによって、不良ドットによる視覚的な妨害(表示不良)を抑制できる。また、本発明によれば、従来のレーザ装置による対策の場合に生じていた上記各問題点が生ずることもない。
【0017】
なお、ここで「隣接」するとは、水平方向、垂直方向、斜め方向、いずれの隣接も含む意である。
【0018】
本発明は、例えば液晶表示装置に好適に採用できるが、これに限らず、プラズマディスプレイ装置やエレクトロルミネセンス表示装置など他の表示装置にも同様に適用できる。また、本発明は、一枚の表示パネルによってカラー表示を行う表示装置に限らず、各色に対応した複数のパネルを備え、これらパネルからの光を合成してカラー表示を行う投射型表示装置(例えば、液晶プロジェクタ)などに対しても、同様に適用できる。
【0019】
本発明の上記表示装置において、電気的に制御できないドットに隣接するn個(但しnは1以上の整数)のドットの輝度の和が、前記電気的に制御できないドットの本来の輝度に略等しくなるように、前記電気的に制御できないドットに隣接するn個のドットに印加する信号を制御することは、好ましい。これによって、不良ドットの本来の明るさと略等しい状態を当該ドット近傍に作り出すことができ、不良ドットによる視覚的な妨害(表示不良)を抑制できる。
【0020】
なお、この場合は、n個のドットが元々全く光っていないと想定した場合に、n個のドットの輝度の和が、前記電気的に制御できないドットの本来の輝度に略等しくなるように、前記電気的に制御できないドットに隣接するn個のドットに印加する信号を制御する。
【0021】
また、本発明の表示装置は、上記課題を解決するために、複数の画素を備え、各画素では少なくとも3色のドットによって表示動作が行われる表示装置において、電気的に制御できない不良ドットが存在することによる表示不良を補償するため、該不良ドット近傍の一又は複数のドットに印加する信号を制御する制御手段を備えることを特徴としている。
【0022】
上記の発明によれば、表示装置において、電気的に制御できない不良ドットが発生した場合でも、該不良ドット近傍の一又は複数のドットに印加する信号を制御することで、例えば不良ドットの本来の明るさと略等しい状態を当該ドット近傍に作り出すことが可能になり、これによって、不良ドットによる視覚的な妨害(表示不良)を抑制できる。また、本発明によれば、従来のレーザ装置による対策の場合に生じていた上記各問題点が生ずることもない。
【0023】
本発明の上記表示装置において、前記不良ドット近傍のn個(但しnは1以上の整数)のドットの輝度の和が、前記不良ドットおよび前記n個のドットの入力信号に基づく本来の輝度の和に略等しくなるように、前記n個のドットに印加する信号を制御することは、好ましい。これによって、不良ドットの本来の明るさと略等しい状態を当該ドット近傍に作り出すことができ、不良ドットによる視覚的な妨害(表示不良)を抑制できる。
【0024】
また、本発明の表示装置において、前記不良ドット近傍のn個(但しnは1以上の整数)のドットが発色することによって得られる色彩と、前記不良ドットおよび前記n個のドットの入力信号に基づく本来の色彩との差がより小さくなるように(好ましくは、その差が最小になるように)、前記n個のドットに印加する信号が制御されることは、好ましい。これによって、不良ドットの本来の色彩と略等しい状態を当該ドット近傍に作り出すことが可能になり、不良ドットによる表示不良を抑制できる。また、この場合、前記n個のドットが発色することによって得られる色彩と、前記不良ドットおよび前記n個のドットの入力信号に基づく本来の色彩との差につき、CIE(1976)L*a*b*色差がより小さくなるように、前記n個のドットに印加する信号を制御することは、好ましい。
【0025】
また、本発明の表示装置において、前記不良ドット近傍のn個(但しnは1以上の整数)のドットが発色することによって得られる色彩が、前記不良ドットを含む画素の本来の色彩と該画素近傍の一又は二以上の画素の本来の色彩との平均の色彩により近い値となるように(好ましくは、該平均の色彩と実質的に同じになるように)、前記n個のドットに印加する信号が制御されることは、好ましい。これによって、不良ドットを含む画素の本来の色彩と該画素近傍の一又は二以上の画素の本来の色彩との平均の色彩に略等しい状態を当該ドット近傍に作り出すことが可能になり、不良ドットによる表示不良を抑制できる。また、この場合、前記色彩が、CIE(1976)L*a*b*色彩値で表される色彩であることは好ましい。
【0026】
また、本発明の表示装置において、前記不良ドット近傍のドットとして、該不良ドットに隣接する二つのドットに印加する信号を制御する構成とすることは好ましく、これによって、該二つのドットの制御という比較的簡易な制御により、表示不良を抑制できる。なお、ここで「隣接する二つのドット」とは、水平方向、垂直方向、斜め方向のいずれかにおいて隣接する二つのドットをいう。
【0027】
また、本発明の表示装置において、前記不良ドットによる表示不良を補償するため、入力信号に基づき、該不良ドット近傍のドットに印加すべき信号値を演算して出力する演算回路と、演算回路からの第1信号と、該演算回路を経由しない第2信号とが入力され、該第1信号と該第2信号との間で出力を切り換えるスイッチ回路と、前記不良ドットの表示画面上の位置を表示するタイミングで、切換信号を前記スイッチ回路に付与するアドレス検出回路とを備え、前記スイッチ回路は、前記切換信号の入力タイミングで前記第1信号を出力する一方、前記切換信号の入力タイミング以外では前記第2信号を出力する構成とすることは、好ましい。かかる回路構成によって、不良ドット近傍のドットに印加すべき信号を制御でき、表示不良を抑制できる。
【0028】
また、前記第2信号は、遅延回路を介して前記スイッチ回路に入力される構成とすることは好ましく、これによって、演算回路での演算による時間遅れを調整することができる。
【0029】
また、不良ドット近傍のn個のドットが発色することによって得られる色彩が、不良ドットを含む画素の本来の色彩と該画素近傍の一又は二以上の画素の本来の色彩との平均の色彩により近い値となるように、n個のドットに印加する信号を制御する場合、前記不良ドットを含む画素の本来の色彩と該画素近傍の一又は二以上の画素の本来の色彩との平均色彩値を算出する第1回路と、前記n個のドットが発色することによって得られる色彩が、前記第1回路により得られた平均色彩値により近い値となるように、前記n個のドットに印加すべき信号値を算出し出力する第2回路とを備える構成とすることは、好ましい。かかる回路構成によって、不良ドット近傍のn個のドットに印加すべき信号を制御でき、不良ドットを含む画素の本来の色彩と該画素近傍の一又は二以上の画素の本来の色彩との平均の色彩に略等しい状態を当該ドット近傍に作り出すことが可能になる。
【0030】
また、上記構成において、前記第1回路は、前記不良ドットを含む画素および該画素近傍の一又は二以上の画素における各色信号の平均値を求め、これら平均値に基づき前記平均色彩値を算出することは、好ましい。これによって、回路構成をより簡単にできる。
【0031】
【発明の実施の形態】
本発明の実施の形態について以下に説明する。
【0032】
〔実施の形態1〕
図1を用いて本実施形態を説明する。図1は、図7に対応する図であって、不良ドットの周辺の状況を説明する図である。
【0033】
図1において、101は赤、102は青、103は緑それぞれのドット、104はブラックマトリックス部であり、色配列がいわゆる縦ストライプ配列の場合を示す。図1において、ハッチングのかかった部分は光っている部分を表しており、図1はこのように、一面が青になっている場合の表示装置の表面を大きく拡大してみた場合に相当する。つまり、102青のドットのみが一面に光っている場合を仮定して以下の説明を行う。
【0034】
尚、ここで、ドットとは、RGB等の各色を表示する色の最小単位で、画素とは、そのRGB等のドットを各一つずつ含む画像の最小表示単位であり、一つの画素で色および明るさを表示できる。
【0035】
図1において、105青のドットは不良ドットで、このドットは黒点になっている場合を想定する。この場合、一面青に光らせるべきであるにもかかわらず、このドットは光らせることができない。従って、この部分に色の不連続を生じ、視覚上の画質劣化を生ずる。
【0036】
本実施形態では、不良である105青のドットに隣接するドットである、106赤、107緑のドットを適切に光らせるようにする。つまり、やむを得ず生じた105青の不良ドットが黒点になった場合、該不良ドットに隣接するドットである106赤及び107緑の光らせ方を制御して、該不良ドット106青の本来の明るさと略等しい状態を当該ドット付近に作り出して、視覚的な妨害を低減するように作用する。図1では、ハッチングの入り方で、106赤及び107緑をわずかに光らせている様子を示している。
【0037】
図8に、図7のCD断面の明るさについて示す。本来光るべき205青のドットの部分は不良のため光らない。一方、図2に、図1のAB断面の明るさを示す。本来光るべき105青のドットは不良のため光らないが、隣接する106赤及び107緑の光らせ方を制御して、該不良ドット105青の本来の明るさに等しくなるようにする。本例図2では、図の縦軸を明るさとし、明るさは単純な足し算が可能であるとして、隣接する106赤及び107緑の光らせ方は、該不良ドット105青の1/2になるようにした場合について例示した。
【0038】
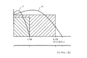
ところで、図3に、視覚の空間周波数特性を示す。本例は、坂田、磯野“視覚における色度の空間周波数特性”テレビジョン学会誌,Vo1.31,No1,pp.29−35(1976)に示す例であり、横軸が空間周波数、つまり画像の細かさ、一方縦軸は相対的なレスポンスを示している。また、グラフの3本の曲線のパラメータは、測定した色の条件を示している。
【0039】
同図によると、視覚の明暗のレスポンスは、赤−緑、黄−青のレスポンスに比較して、帯域が約3倍から5倍広いことが分かる。
【0040】
視覚の空間周波数レスポンスの測定例は、上記坂田ら以外にも多数存在するが、いずれも概ね、明暗のレスポンスが色のレスポンスに比較して数倍程度帯域が広いこととしている。つまり、視覚の特性は、一般に、細かな色の変化は、細かな明るさの変化に対して認識されにくいようになっているといえる。
【0041】
図4に、図3で述べた視覚の空間周波数特性と、図2に示した本実施形態の方法の関係を示す。図4は、nドット(但しnは1以上の整数)に1個のドットで、どの程度の空間周波数まで表現できるかを示した図である。例えば、図8の不良ドット205周辺では、6ドットに1ドットしか光らないため、空間周波数としては1/6〔ドット分の1〕の空間周波数の細かさまでしか表現できない。これに対し、図2の106赤及び107緑の周辺では、2ドットに1ドットが光るため、1/2〔ドット分の1〕の空間周波数の細かさまで表現できる。図4では、それぞれハッチングを入れてこの領域を示した。
【0042】
また、図3の視覚の空間周波数特性の例を同時にプロットした。イは、赤−緑、黄−青の曲線を合わせて一つの曲線としたもの、ロは、明暗の特性に係る曲線である。横軸の単位が〔ドット分の1〕と〔サイクル/度〕で異なるために、相対的な比較としている。
【0043】
図4から分かるように、図8の不良ドット周辺で表現できる空間周波数の細かさは概ね視覚の色の空間周波数特性に一致し、一方図2の106赤及び107緑の周辺で表現できる空間周波数の細かさは、視覚の明暗の空間周波数特性に一致する。
【0044】
このように、図8の不良ドット周辺で光るドットのみで表現できる空間周波数の細かさは、概ね視覚の色の空間周波数特性に一致し、一方視覚の明暗の空間周波数特性には大きく劣る。このことを換言すると、不良ドットがあっても色味の細かさは視覚的には表現できる一方、不良ドットによる明暗の表現については充分に表現できず、表現能力の不足が認識できるといえる。つまり、不良ドットによる画質劣化は、主として明暗の問題が認識される結果生ずるものであるといえる。
【0045】
また、図2の106赤及び107緑の周辺で表現できる空間周波数の細かさは、視覚の明暗の空間周波数特性に一致し、一方視覚の色の空間周波数特性を大きく越えている。このことを換言すると、106赤及び107緑の周辺で表現できる空間周波数の細かさは、殆ど明るさのみ認識されその色味は認識されにくいといえる。
【0046】
そこで、本実施形態では、以上の視覚の特性に基づき、不良ドットを見えにくくする。例えば、前記のように不良ドットによる画質劣化は、主として明暗の問題が認識される結果生ずるものであるから、殆ど明るさのみ認識されその色味が認識されにくい条件で不良ドット周辺を表示すれば、不良ドットは目立たなくすることが可能である。図1の例では、105青の不良ドットに対し、106赤及び107緑を光らせてこれを実現している。
【0047】
次に、本実施形態における回路構成について説明する。
【0048】
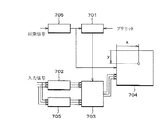
図5は、本実施形態の回路構成を示すブロック図である。同図において、701はアドレス検出回路、702は演算回路(制御手段)、703はスイッチ回路、704は表示パネル、705は遅延回路である。
【0049】
表示パネル704には、図示するアドレス(x,y)の位置に不良ドットがあるものとする。
【0050】
アドレス検出回路701は、同期信号をもとに、現時点の表示位置を割り出し、不良ドットの位置(x,y)を表示するタイミングでフラグ信号(切換信号)をスイッチ回路703に加える。このような回路は、具体的には、簡単なカウンタで回路を実現できる。
【0051】
尚、アドレス検出回路701にこのような動作を行わせしめるため、別途不良ドット位置を検出し、丁度該不良ドットのアドレスになった時にフラグ信号を出力するように、カウンタにプリセットしておく。不良ドットのアドレス検出については、ここでは詳細にはふれないが、簡単には全点灯試験して不良ドットを特定し、そのアドレスをセットするようにすればよい。
【0052】
スイッチ回路703には、遅延回路705を通った入力信号(第2信号)と、演算回路702の出力(第1信号)とが入力されていて、フラグ信号のタイミングで演算回路702の出力が、またそれ以外では遅延回路705を通過した入力信号がそのまま、それぞれ出力される。
【0053】
演算回路702は、本実施形態においては、隣接する106赤及び107緑の光らせ方につき、不良ドット105青の1/2になるように、不良ドットの信号に予め定める値を乗じたものを、周辺ドットの信号として供給する。この場合、適当な掛け算回路を用いれば、容易に実現できる。
【0054】
また、遅延回路705は、演算回路702での演算時間遅れを調整するために、入力信号と同期信号に対して、適当な時間遅延を作用させる。演算回路702の時間遅れが無視しうるほど小さければ、必要としない場合もあり得る。その場合には、全体は図6の構成になる。
【0055】
本発明は、例えば液晶表示装置に好適に採用できるが、これに限らず、画素構造を有し、データ信号がデジタルで処理されるような表示装置であれば、プラズマディスプレイ装置(PDP)やエレクトロルミネセンス表示装置(EL)など他の表示装置にも同様に適用できる。また、本発明は、一枚の表示パネルによってカラー表示を行う表示装置に限らず、各色に対応した複数のパネルを備え、これらパネルからの光を合成してカラー表示を行う投射型表示装置(例えば、液晶プロジェクタ)などに対しても、同様に適用できる。
【0056】
また、本実施形態は、表示パネルがRGB縦ストライプ配列のものであったが、本発明はこれに限られるものではなく、デルタ配列、モザイク配列など他の配列の表示パネルに対しても、同様に適用できる。
【0057】
また、本実施形態は、不良ドットに隣接する二つのドットに印加する信号を制御するものであったが、本発明はこれに限定されるものではない。隣接しない不良ドット近傍の二ドットに対する印加信号を制御することとしてもよい。また、二ドットでなく、不良ドット近傍の一ドットに対する印加信号を制御することとしてもよいし、三ドット以上のドットに対する印加信号を制御することとしてもよい。
【0058】
〔実施の形態2〕
図2で説明した内容についてさらに詳述する。図2の例では図の縦軸を明るさとし、明るさは単純な足し算が可能であるとして、隣接する106赤及び107緑の光らせ方は、該不良ドット105青の1/2になるようにした。この光らせ方について、本実施形態では以下のようにする。
【0059】
前記のように、不良ドット周辺では殆ど明るさのみ認識されるから、周辺ドットの光らせ方を調整して、該不良ドットが本来光る明るさに近づくようにすることが目的である。
【0060】
明るさは、輝度単位で記述すると、
Y=0.3R+0.59G+0.11B
で表現できる。ここに、R、G及びBは、各原色赤、緑及び青の信号値であり、γは1とした。また、R、G、及びBの各原色色度、及び白色基準色度は、NTSCテレビジョン標準に従うものとした。
【0061】
ここでγとは、表示装置への入力信号と該表示装置の出力である表示特性の関係を指数関数で表した場合の指数部の値で、対象となる表示装置又は表示信号によって異なる値となる。
【0062】
原色色度や白色基準色度がテレビジョン標準と異なる場合には、0.3、0.59等の係数が異なってくるが、この係数値は、色彩理論に基づく計算を行えば容易に求めることができる。ここでは詳細は述べない。
【0063】
上式より、例えば、105青の不良ドットを106赤や107緑のドットを光らせて同じ明るさになるようにするためには、
0.11B=0.3R+0.59G
を満たすように、R及びGを決定すればよいことがわかる。
【0064】
図2で例示したように、赤や緑のドットを青のドットの1/2で光らせるとすると、
0.11B<(0.3+0.59)×0.5B
=0.445B
となり、不良ドットの明るさに等しくなるように周辺を光らせたことにはならない。これを解消するのが本実施形態の目的である。以下特に、不良ドット周辺の2つのドットがもともと全く光っていない場合を想定し、これらに相等しい信号値を印加するものとして説明する。
【0065】
例えば青のドットが不良ドットであり、且つ他の2つのドットが元々全く光っていない場合には、下式を満足するようにK値を選ぶ。
【0066】
0.11B=(0.3+0.59)×KB
この式は、青が不良であって他の赤と緑は光っていないという仮定から、この付近の明るさは左辺の0.11Bのみで決定されるとし、且つ周辺の赤と緑に相等しい信号値を印加するという仮定から、
R=G=KB
とおいて、赤及び緑のドットに青のドットの何倍の信号値を印加すればよいかを求める式である。これを解くと、
K=0.1236
となり、隣接する赤と緑のドットに、青の信号値の0.1236倍の信号値を加えて光らせばよいことが分かる。
【0067】
同様に、赤のドットが不良であるとすると、
0.3R=(0.11+0.59)×KR
とおくと、
K=0.4286
となり、隣接する緑と青のドットに、赤の信号値の0.4286倍の信号値を印加して光らせばよいことが分かる。
【0068】
さらに、緑のドットが不良であるとすると、
0.59G=(0.11+0.3)×KG
とおくと、
K=1.439
となり、隣接する赤と青のドットに、緑の信号値の1.439倍の信号値を印加して光らせばよいことが分かる。
【0069】
尚、ここではγ=1として説明したが、実際の表示におけるγ(γ>1である場合が多い)を考慮すると、前記説明で求めた係数K値も変更される。
【0070】
例えばγ=2とすると、
Y=(0.3R2 +0.59G2 +0.11B2 )0.5
と書けるから、青のドットが不良である場合には、
0.11B2 =(0.3+0.59)×(KB)2
と書け、
K=0.3516
である。つまり、隣接する赤と緑のドットに青の信号値の0.3516倍の信号値を加えて光らせば不良は目立ちにくくなることが分かる。赤や緑のドットが不良である場合も同様である。
【0071】
また、前記説明では割愛したが、原色色度や白色基準色度がテレビジョン標準と異なる場合には、0.3、0.59等の係数が異なるために、前記説明で求めた係数K値も変更される。求め方は同様であり、0.3、0.59等の係数さえ色彩理論に基づいて求めれば、何ら問題なく定めることができる。
【0072】
さらに不良の内容に応じて、K値を自由に設定して、目視上もっとも不良が目立ちにくくなるように設定することも可能である。
【0073】
また、本実施形態では、不良ドットに隣接する2ドットに相等しい信号値を印加する構成としたが、隣接する2ドットに相異なる信号値を印加する構成としてもよい。
【0074】
本実施形態における回路構成は、図5及び図6に基づき説明した前記実施の形態1の構成と同様の構成で実現できる。この場合、演算回路702は、不良ドットの信号に上述したK値を乗じたものを、該不良ドットに隣接する2ドットの信号として供給することになる。
【0075】
〔実施の形態3〕
本発明の他の実施形態について図9に基づいて説明すれば、以下の通りである。尚、説明の便宜上、上記実施形態において説明した部材と同一の部材については、同一の符号を付記し、その説明を省略する。
【0076】
本実施形態では、輝度の差だけでなく、不良ドット近傍のn個のドットが発色することによって得られる色彩と、不良ドットおよびn個のドットの入力信号に基づく本来の色彩との差がより小さくなるように(好ましくは、その差が最小になるように)、n個のドットに印加する信号を制御する。
【0077】
図9に示すように、本実施形態の回路構成は、上記実施形態1・2と同様であるが、演算回路712が、前記n個のドットに印加する信号値を算出するため、以下に説明する演算を行う点で、上記演算回路702と異なっている。
【0078】
また、本実施形態では、前記n個のドットとして、不良ドットに隣接する二つのドットに印加する信号を制御することとし、色彩の差につき、CIE(1976)L*a*b*色差を用い、色彩値につき、CIE(1976)L*a*b*色彩値を用いることとする。
【0079】
CIE(1976)L*a*b*色彩値は、特開平9−329495号公報等にも説明されており、既によく知られた値であるが、次のように定義される。
【0080】
すなわち、不良ドットおよび該不良ドットに隣接する二つのドットの入力信号をRi 、Gi 、Bi とし、三刺激値Xi 、Yi 、Zi を,8bit (256階調)の条件の下で、
【0081】
【数1】
【0082】
とすると、前記CIE(1976)L*a*b*色彩値につき、L*、a*、b*は、それぞれ、
【0083】
【数2】
【0084】
となる。
【0085】
また、CIE(1976)L*a*b*色差値であるΔE*は、
【0086】
【数3】
【0087】
である。
【0088】
なお、ここでは、赤のドットRが不良になっている場合を例に、入力信号(R1 、G1 、B1 )に対し、出力信号(R2 、G2 、B2 )のG2 、B2 を制御して、色差を最小にする条件について説明する。また、ここでは、上記実施形態において説明した方法で、不良ドットに隣接する二つのドットが元々全く光っていないと想定した場合に、該二つのドットの輝度の和が、不良ドットの入力信号に基づく本来の輝度に略等しくなるようにした上で、つまりΔL*=0の条件の下で色差を最小化する方法について説明する。
【0089】
すると、ΔE*は、
【0090】
【数4】
【0091】
ここで、ΔL*=0なので、Y1 =Y2 より、
【0092】
【数5】
【0093】
また、上記式(1)と、R欠陥よりR2 =0なので、
【0094】
【数6】
【0095】
また、ΔL*=0⇔L1 *=L2 *⇔Y1 =Y2 、R2 =0より、
【0096】
【数7】
【0097】
よって、
【0098】
【数8】
【0099】
となるから、入力信号(R1 、G1 、B1 )に対して、上式の右辺の値がより小さくなるように、好ましくは右辺の値が最小になるように、演算により緑ドットへの印加信号G2 の値を定めれば、色差を最小にできる。
【0100】
また、青ドットへの印加信号B2 の値は、次のようにして求めることができる。
【0101】
上記式(3)より、
【0102】
【数9】
【0103】
上述のようにして求めたG2 、B2 を、不良ドットに隣接する二つのドットに印加する信号とする。また、上記の演算は、上述のように演算回路712によって行われる。具体的なハードウエアとしては、CPUやDSP等を用いればよい。これによって、不良ドットである赤のドットRの本来の色彩(色味)と略等しい状態を当該ドット近傍に作り出すことが可能になり、不良ドットによる表示不良を抑制できる。
【0104】
なお、上記の例では、不良ドットが赤の場合であったが、青や緑のドットが不良ドットの場合も、上記と同様にして、入力信号に基づき、不良ドットに隣接する二つのドットに印加する信号を演算により求めることとすればよい。
【0105】
また、本実施形態では、CIE(1976)L*a*b*色彩値に基づいて演算を行ったが、本発明はこれに限定されるものではなく、例えば、CIE(1976)L*u*v*色彩値やCIELab97s色彩値などに基づき演算を行ってもよく、人間が感ずる色彩を示す色彩値であれば、基本的にどのようなものでもよい。
【0106】
また、本実施形態では、色彩の差だけでなく、輝度の差についても、隣接する2ドットの輝度の和が、不良ドットおよび隣接する2ドットの入力信号に基づく本来の輝度の和に略等しくなるように、隣接する2ドットに印加する信号を制御するものであったが、色彩の差についてのみ考慮し、この差がより小さくなるように近傍ドット印加信号を制御するものであってもよい。
【0107】
また、本実施形態は、演算回路712での演算による時間遅れを調整するために、遅延回路705を備えた回路構成であったが、時間遅れが無視しうるほど小さければ、図6に示されるような遅延回路が省略された構成であってもよい。
【0108】
〔実施の形態4〕
本発明の他の実施形態について図10〜図13に基づいて説明すれば、以下の通りである。尚、説明の便宜上、上記実施形態において説明した部材と同一の部材については、同一の符号を付記し、その説明を省略する。
【0109】
本実施形態では、輝度の差だけでなく、不良ドット近傍のn個のドットが発色することによって得られる色彩が、不良ドットを含む画素の本来の色彩と該画素近傍の一又は二以上の画素の本来の色彩との平均の色彩により近い値となるように、n個のドットに印加する信号を制御する。
【0110】
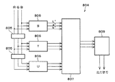
また、図10に示すように、本実施形態では、前記n個のドットとして、不良ドット801に隣接する二つのドット802・803に印加する信号を制御することとし、平均の色彩としては、不良ドット801を含む画素Tの本来の色彩と該画素Tに隣接する二つの画素S・Uの本来の色彩との平均の色彩とする。また、色彩については、前記CIE(1976)L*a*b*色彩値を用いることとする。
【0111】
また、本実施形態の回路構成は、上述の実施形態1〜3と同様であるが、演算回路804が図11に示すように構成されている点で、上記演算回路702・712と異なっている。
【0112】
図11を参照して、本実施形態の演算回路804は、遅延回路805、色彩計算部806、平均回路807、および信号合成回路(第2回路)808を備えて構成されている。なお、この場合は、色彩計算部806および平均回路807が、第1回路に相当する。
【0113】
遅延回路805は、入力信号データを一画素分遅延させる回路であり、これにより、各色彩計算部806は、隣接画素S・T・Uの計算を同時並行して行うことができる。なお、ここでは、入力信号データは、隣接画素S・T・Uに対し、U・T・Sのデータ順に入力されるものとする。
【0114】
色彩計算部806は、画素S・T・Uの各々のCIE(1976)L*a*b*色彩値を計算する回路である。これにより、それぞれの画素のCIE(1976)L*a*b*色彩値が得られる。
【0115】
得られた値は、L*、a*、b*それぞれの値ごとに平均回路807に入力され、平均回路807では、3画素分平均されたL*(平均)、a*(平均)、b*(平均)がそれぞれ得られる。
【0116】
これらの値は、続いて、信号合成回路808に入力される。なお、ここでは、青のドットが不良である場合を想定して、出力信号として、赤と緑を取り出す場合について説明するが、他の色のドットが不良の場合でも同様である。
【0117】
信号合成回路808では、次の演算が行われる。すなわち、青のドットが不良である場合には、青の出力を0として、得られたL*(平均)、a*(平均)、b*(平均)に最も近い色彩値が得られる赤、緑を出力値とする。
【0118】
以下では、青(B)のドットが不良である場合を例に、演算回路804における上記演算について、より詳細に説明する。
【0119】
画素S・T・Uの各画素の本来の信号値を、それぞれ、(RS1、GS1、BS1)、(RT1、GT1、BT1)、(RU1、GU1、BU1)とし、実際にS・T・U各画素に印加する信号値を、それぞれ、(RS2、GS2、BS2)、(RT2、GT2、BT2)、(RU2、GU2、BU2)とする。
【0120】
また、S・T・U各画素の本来の色彩値を、それぞれ、(L*S1、a*S1、b*S1)、(L*T1、a*T1、b*T1)、(L*U1、a*U1、b*U1)とし、S・T・U各画素の実際の色彩値を、それぞれ、(L*S2、a*S2、b*S2)、(L*T2、a*T2、b*T2)、(L*U2、a*U2、b*U2)とする。
【0121】
そうすると、まず、色彩計算部806では、上記式(1)、(2)に基づいて、S・T・U各画素の本来の色彩値である(L*S1、a*S1、b*S1)、(L*T1、a*T1、b*T1)、(L*U1、a*U1、b*U1)を計算する。
【0122】
次に、平均回路807では、S・T・U3画素平均の本来の色彩値(L*avg1、a*avg1、b*avg1)を次式に基づいて計算する。
【0123】
L*avg1=(L*S1+L*T1+L*U1)/3
a*avg1=(a*S1+a*T1+a*U1)/3
b*avg1=(b*S1+b*T1+b*U1)/3
そして、信号合成回路808では、ドット802・803(図10参照)への出力信号、すなわち、GT2、RU2を、以下のようにして求める。
【0124】
S・T・U3画素平均の実際の色彩値(L*avg2、a*avg2、b*avg2)を、それぞれ、
L*avg2=(L*S2+L*T2+L*U2)/3
a*avg2=(a*S2+a*T2+a*U2)/3
b*avg2=(b*S2+b*T2+b*U2)/3
とする。
【0125】
ここで、平均の輝度を補正前後(制御前後)で等しくするため、
L*avg1=L*avg2 … (4)
また、ここでは、青(B)ドット欠陥であり、かつ、制御調整するのはドット802・803への出力信号だけなので、出力信号値のうち変数は、GT2、RU2の二つだけである。よって、上記式(4)より、RU2はGT2の関数として表すことができる。
【0126】
そして、出力の平均の色彩値が本来の平均の色彩値に最も近くなるような、つまり、|a*avg2−a*avg1|、|b*avg2−b*avg1|が最も小さくなるような、GT2の値を求める。
【0127】
GT2の値が求められたら、上記式(4)より、RU2を求めることができる。
【0128】
このようにして得られた緑、赤の出力値GT2、RU2を、不良ドット801に隣接する二つのドット802・803に印加することによって、不良ドット801がある場合でも、該不良ドット801を含む画素Tまたはその画素T近傍で本来の色彩にマッチした色彩を表示することが可能になり、不良ドット801が非常に目立ちにくくなる。
【0129】
なお、遅延回路805は、色彩計算部806や平均回路807に設けられてもよい。
【0130】
また、本実施形態の演算回路804を、図12に示すように簡単化した演算回路901としてもよい。この演算回路901は、平均回路902、色彩計算部903、および信号合成回路(第2回路)904を備えて構成されており(この場合は、平均回路902および色彩計算部903が、第1回路に相当する)、遅延回路は、平均回路902に設けられている。
【0131】
上記色彩計算部903には、3画素分平均されたRGBが入力され、これに基づき算出されたL*(平均)、a*(平均)、b*(平均)が、色彩計算部903から出力される。この点で、色彩計算部903は、画素S・T・Uの各々のCIE(1976)L*a*b*色彩値を計算する上記色彩計算部806とは異なっている。
【0132】
演算回路901では、入力されたRGB信号がまず平均回路902に入力され、平均回路902では、3画素分平均されたRGBが得られる。その後、3画素分平均されたRGBが色彩計算部903に入力され、色彩計算部903では、L*(平均)、a*(平均)、b*(平均)がそれぞれ算出される。これらの値が、続いて、信号合成回路904に入力されること以降は、上記と同様である。
【0133】
なお、本実施形態では、近傍画素として隣接画素を取り上げたが、必ずしも近傍画素は隣接画素である必要はない。例えば、一画素離れていてもかまわない。また、水平方向の隣接画素に限らず、斜め方向や上下方向の近傍画素であってもよい。
【0134】
もちろん、CIE(1976)L*a*b*色彩値以外の色彩値を用いて計算を行ってもよい。
【0135】
また、本実施形態は、不良ドット801に隣接する二つのドット802・803に印加する信号を制御するものであったが、本発明はこれに限定されるものではない。不良ドットに隣接しない該不良ドット近傍の二ドットに対する印加信号を制御することとしてもよい。また、二ドットでなく、不良ドット近傍の一ドットに対する印加信号を制御することとしてもよいし、三ドット以上のドットに対する印加信号を制御することとしてもよい。
【0136】
以下では、1ドットを制御する場合および4ドットを制御する場合の例について説明する。
【0137】
▲1▼ 1ドットを制御する場合の例
図13を参照して、この例では、画素TのRドット908が欠陥ドットの場合に、画素TのGドット909のみを制御して、輝度差ΔL*を最小にし補正する例について説明する。
【0138】
ここで、画素SのBドット907,および画素TのR・Gドット908・909への本来の入力をそれぞれB1 、R1 、G1 とし、各ドットへの出力をそれぞれB2 、R2 、G2 とする。
【0139】
すると、(R、G、B)→(X、Y、Z)の変換式である上記式(1)、(L*、a*、b*)の計算式である上記式(2)、および、Y1 =Y2 、R2 =0、B2 =B1 より、
【0140】
【数10】
【0141】
として、Gドット909への出力G2 を求めることができる。
【0142】
▲2▼ 4ドットを制御する場合の例
再び図13を参照して、この例では、画素TのRドット908が欠陥ドットの場合に、画素SのG・Bドット906・907、および画素TのG・Bドット909・910の4ドットを制御して、輝度差ΔL*を最小にし補正する例について説明する。
【0143】
ここで、画素SのRGBドット,および画素TのRGBドットへの本来の入力をそれぞれ(RS1、GS1、BS1)(RT1、GT1、BT1)とし、各ドットへの出力をそれぞれ(RS2、GS2、BS2)(RT2、GT2、BT2)とすると、上記式(1)と同様に、
【0144】
【数11】
【0145】
と定義でき、YSi、YTi、ZSi、ZTiについても同様に定義できる。
【0146】
また、上記式(2)より、
【0147】
【数12】
【0148】
と定義でき、L*Ti、a*Si、a*Ti、b*Si、b*Tiについても同様に定義できる。
【0149】
そして、S・T2画素平均の本来の色彩値(L*avg1、a*avg1、b*avg1)は、
L*avg1=(L*S1+L*T1)/2
a*avg1=(a*S1+a*T1)/2
b*avg1=(b*S1+b*T1)/2
であり、S・T2画素平均の実際の色彩値(L*avg2、a*avg2、b*avg2)を、それぞれ、
L*avg2=(L*S2+L*T2)/2
a*avg2=(a*S2+a*T2)/2
b*avg2=(b*S2+b*T2)/2
である。そこで、演算回路804における上記演算と同様に、L*avg2−L*avg1=0を満たし、かつ、|a*avg2−a*avg1|、|b*avg2−b*avg1|が最も小さくなるような、GS2、BS2、GT2、BT2の値を求め、それぞれドット906・907・909・910への出力とすればよい。
【0150】
このように、制御するドットの数は、一ドットでもよいし、三ドット以上でもよい。
【0151】
【発明の効果】
以上のように、本発明を構成するための追加回路はわずかである。本発明では、このようなわずかな回路追加で、従来不良ドットが基準数を越えていたために廃棄されていたパネルを利用可能な状況にできるので、大面積、高密度等、単価が高いパネルであればあるほど、全体としてみたコストダウン効果が大きいという効果を奏する。
【0152】
もちろん、レーザ装置を用いた機械的な加工等も不要になる。同対策では、不良の内容を解析し、どこの回路をどのように焼断又は焼結すればよいか判断し、それを実行に移すという手順をとっていたために、対策のスループットが極めて低いという問題があった。
【0153】
これに対し本発明の方法では、例えばカウンタに不良ドットのアドレスを設定しさえすればよいので、補正のスループットも大幅に向上できる。
【0154】
また、対策の結果も、例えば演算回路の係数Kの値さえ変更すれば、自由に選べるようになる。つまり、レーザ装置で行う対策は回路を焼断するか、又は焼結するかという2つの自由度しかないため、当該ドットを永久に解放するか又は導通するかしか選択できない。従って、完全に光る状態(輝点不良)又は、完全に光らない状態(黒点不良)のいずれかの状態にしか対策できなかったが、本発明では例えば係数Kの選び方次第でどのような補正でも行うことが可能になる。
【0155】
また、不良ドットを含む画素の本来の色彩値に最も近い色彩値を表示するようにしたり、近傍画素の色彩値を考慮して、それらの平均の色彩値に最も近い色彩値を表示するなどとすることにより、補正後に残留する妨害の程度を大幅に低減することが可能になる。
【0156】
このことはまた、本発明による補正が幅広い不良に対応でき、従来廃棄されていた不良品を幅広く救済することができ、全体の不良率を大きく低減できる効果があることを意味する。
【0157】
前記のように、本発明によれば、製造技術の向上、あるいはレーザ装置等による対策、いずれにしても、相応のコストがかかり、このことによって全体のコストが押し上げられ、その結果普及促進を妨げる等の問題があった従来の対策に比較し、大幅なコストダウンが可能になるという効果がある。
【図面の簡単な説明】
【図1】本発明の実施の一形態に係る表示パネルにおいて、不良ドットの隣接2ドットに対する印加信号の制御について説明する図である。
【図2】図1のAB断面の明るさについて説明する図である。
【図3】視覚の空間周波数特性を示すグラフである。
【図4】図3に示す視覚の空間周波数特性と、図2に示す本実施形態による制御との関係を示す説明図である。
【図5】本実施形態に係る回路構成を示すブロック図である。
【図6】本実施形態に係る他の回路構成を示すブロック図である。
【図7】従来の不良の状況を説明する図である。
【図8】図7のCD断面の明るさについて説明する図である。
【図9】本発明の他の実施形態に係る回路構成を示すブロック図である。
【図10】本発明のさらに他の実施形態に係る表示パネルにおいて、不良ドットの近傍ドットに対する印加信号の制御について説明する図である。
【図11】本実施形態に係る回路構成を示すブロック図である。
【図12】本実施形態に係る他の回路構成を示すブロック図である。
【図13】不良ドットの近傍ドットに対する印加信号の制御について、他の例を説明する図である。
【符号の説明】
101 赤のドット
102 青のドット
103 緑のドット
104 ブラックマトリクス部
105 青の不良ドット
106 不良ドットに隣接する赤のドット
107 不良ドットに隣接する緑のドット
701 アドレス検出回路
702・712・804・901演算回路(制御手段)
703 スイッチ回路
704 表示パネル
705・805 遅延回路
806・903 色彩計算部(第1回路)
807・902 平均回路(第1回路)
808・904 信号合成回路(第2回路)
Claims (13)
- 微細な画素を構成する3色のドットを空間的に配置して構成する表示装置において、
電気的に制御できない不良ドットが存在することによる視覚的な妨害を低減するため、該電気的に制御できない不良ドットに隣接するドットに印加する信号を制御する手段を有し、
上記信号を制御する手段は、電気的に制御できない不良ドットおよび上記不良ドットの色と異なる色の隣接するドットによる本来の色彩値と、電気的に制御できない不良ドットおよび上記不良ドットの色と異なる色の隣接するドットによる実際の色彩値との差を最小にするものであることを特徴とする表示装置。 - 電気的に制御できない不良ドットに隣接するn個(但しnは1以上の整数)のドットの輝度の和が、前記電気的に制御できない不良ドットの本来の輝度に略等しくなるように、前記電気的に制御できない不良ドットに隣接するn個のドットに印加する信号を制御することを特徴とする請求項1記載の表示装置。
- 複数の画素を備え、各画素では少なくとも3色のドットによって表示動作が行われる表示装置において、
電気的に制御できない不良ドットが存在することによる表示不良を補償するため、該不良ドット近傍の一又は複数のドットに印加する信号を制御する制御手段を備え、
上記制御手段は、電気的に制御できない不良ドットおよび上記不良ドットの色と異なる色の近傍の一又は複数のドットによる本来の色彩値と、電気的に制御できない不良ドットおよび上記不良ドットの色と異なる色の近傍の一又は複数のドットによる実際の色彩値との差を最小にするものであることを特徴とする表示装置。 - 前記不良ドット近傍のn個(但しnは1以上の整数)のドットの輝度の和が、前記不良ドットおよび前記n個のドットの入力信号に基づく本来の輝度の和に略等しくなるように、前記n個のドットに印加する信号を制御することを特徴とする請求項3記載の表示装置。
- 前記不良ドット近傍のn個(但しnは1以上の整数)のドットが発色することによって得られる色彩値と、前記不良ドットおよび前記n個のドットの入力信号に基づく本来の色彩値との差が最小となるように、前記n個のドットに印加する信号を制御することを特徴とする請求項1〜4のいずれか1項に記載の表示装置。
- 前記n個のドットが発色することによって得られる色彩値と、前記不良ドットおよび前記n個のドットの入力信号に基づく本来の色彩値との差につき、CIE(1976)L*a*b*色差が最小となるように、前記n個のドットに印加する信号を制御することを特徴とする請求項5記載の表示装置。
- 前記不良ドット近傍のn個(但しnは1以上の整数)のドットが発色することによって得られる実際色彩値、および、前記不良ドットを含む画素の本来の色彩値と該画素近傍の一又は二以上の画素の本来の色彩値との平均の平均色彩値とを求め、
上記実際色彩値と平均色彩値との差が最小となるように、前記n個のドットに印加する信号を制御することを特徴とする請求項1〜4のいずれか1項に記載の表示装置。 - 前記色彩値は、CIE(1976)L*a*b*色彩値で表される色彩値であることを特徴とする請求項7記載の表示装置。
- 前記不良ドット近傍のドットとして、該不良ドットに隣接する二つのドットに印加する信号を制御することを特徴とする請求項1〜8のいずれか1項に記載の表示装置。
- 前記不良ドットによる表示不良を補償するため、入力信号に基づき、該不良ドット近傍のドットに印加すべき信号値を演算して出力する演算回路と、
演算回路からの第1信号と、該演算回路を経由しない第2信号とが入力され、該第1信号と該第2信号との間で出力を切り換えるスイッチ回路と、
前記不良ドットの表示画面上の位置を表示するタイミングで、切換信号を前記スイッチ回路に付与するアドレス検出回路とを備え、
前記スイッチ回路は、前記切換信号の入力タイミングで前記第1信号を出力する一方、前記切換信号の入力タイミング以外では前記第2信号を出力することを特徴とする請求項1〜9のいずれか1項に記載の表示装置。 - 前記第2信号は、遅延回路を介して前記スイッチ回路に入力されることを特徴とする請求項10記載の表示装置。
- 前記不良ドットを含む画素の本来の色彩値と該画素近傍の一又は二以上の画素の本来の色彩値との平均色彩値を算出する第1回路と、
前記n個のドットが発色することによって得られる実際色彩値、および、前記第1回路により得られた平均色彩値の差が最小となるように、前記n個のドットに印加すべき信号値を算出し出力する第2回路とを備えることを特徴とする請求項7または8記載の表示装置。 - 前記第1回路は、前記不良ドットを含む画素および該画素近傍の一又は二以上の画素における各色信号の平均値を求め、これら平均値に基づき前記平均色彩値を算出することを特徴とする請求項12記載の表示装置。
Priority Applications (4)
| Application Number | Priority Date | Filing Date | Title |
|---|---|---|---|
| JP2000175808A JP3565327B2 (ja) | 1999-08-05 | 2000-06-12 | 表示装置 |
| TW89115417A TW575855B (en) | 1999-08-05 | 2000-08-01 | Display device |
| US09/630,997 US6583774B1 (en) | 1999-08-05 | 2000-08-02 | Display device |
| KR1020000045327A KR100361627B1 (ko) | 1999-08-05 | 2000-08-04 | 표시장치 |
Applications Claiming Priority (3)
| Application Number | Priority Date | Filing Date | Title |
|---|---|---|---|
| JP11-221911 | 1999-08-05 | ||
| JP22191199 | 1999-08-05 | ||
| JP2000175808A JP3565327B2 (ja) | 1999-08-05 | 2000-06-12 | 表示装置 |
Publications (2)
| Publication Number | Publication Date |
|---|---|
| JP2001109423A JP2001109423A (ja) | 2001-04-20 |
| JP3565327B2 true JP3565327B2 (ja) | 2004-09-15 |
Family
ID=26524573
Family Applications (1)
| Application Number | Title | Priority Date | Filing Date |
|---|---|---|---|
| JP2000175808A Expired - Lifetime JP3565327B2 (ja) | 1999-08-05 | 2000-06-12 | 表示装置 |
Country Status (1)
| Country | Link |
|---|---|
| JP (1) | JP3565327B2 (ja) |
Cited By (1)
| Publication number | Priority date | Publication date | Assignee | Title |
|---|---|---|---|---|
| US8305314B2 (en) | 2008-11-21 | 2012-11-06 | Nlt Technologies, Ltd. | Liquid crystal display apparatus and method for restraining a bright point |
Families Citing this family (6)
| Publication number | Priority date | Publication date | Assignee | Title |
|---|---|---|---|---|
| JP4754682B2 (ja) * | 1999-11-19 | 2011-08-24 | 株式会社半導体エネルギー研究所 | 表示装置 |
| US7110012B2 (en) * | 2000-06-12 | 2006-09-19 | Sharp Laboratories Of America, Inc. | System for improving display resolution |
| EP1536399A1 (en) * | 2003-11-26 | 2005-06-01 | Barco N.V. | Method and device for visual masking of defects in matrix displays by using characteristics of the human vision system |
| JP4679242B2 (ja) | 2005-05-25 | 2011-04-27 | 三洋電機株式会社 | 表示装置 |
| JP2009047965A (ja) * | 2007-08-21 | 2009-03-05 | Seiko Epson Corp | 画像処理装置、画像処理方法、表示装置およびプログラム |
| JP4683343B2 (ja) * | 2007-12-27 | 2011-05-18 | 株式会社 日立ディスプレイズ | 色信号生成装置 |
-
2000
- 2000-06-12 JP JP2000175808A patent/JP3565327B2/ja not_active Expired - Lifetime
Cited By (1)
| Publication number | Priority date | Publication date | Assignee | Title |
|---|---|---|---|---|
| US8305314B2 (en) | 2008-11-21 | 2012-11-06 | Nlt Technologies, Ltd. | Liquid crystal display apparatus and method for restraining a bright point |
Also Published As
| Publication number | Publication date |
|---|---|
| JP2001109423A (ja) | 2001-04-20 |
Similar Documents
| Publication | Publication Date | Title |
|---|---|---|
| KR101182307B1 (ko) | 평판표시장치와 그 화질 제어장치 및 화질 제어방법 | |
| JP5116849B2 (ja) | 画像表示装置および画像表示方法 | |
| JP4679242B2 (ja) | 表示装置 | |
| CN102483899B (zh) | 图像显示装置和图像显示方法 | |
| US8619010B2 (en) | Image display device and image display method | |
| EP2312564A1 (en) | Multi-primary color display device | |
| US20070257944A1 (en) | Color display system with improved apparent resolution | |
| US9196204B2 (en) | Image processing apparatus and image processing method | |
| US7292024B2 (en) | Defect mitigation in display panels | |
| KR20150081085A (ko) | 표시 패널의 영상 보정 방법, 이를 포함하는 표시 패널의 구동 방법 및 이를 수행하기 위한 표시 장치 | |
| JPWO2010067581A1 (ja) | 液晶表示装置 | |
| JPWO2011013404A1 (ja) | 画像表示装置および画像表示方法 | |
| JP4770619B2 (ja) | 表示画像補正装置、画像表示装置、表示画像補正方法 | |
| JP3565327B2 (ja) | 表示装置 | |
| JP2000260331A (ja) | プラズマディスプレイ装置 | |
| KR100361627B1 (ko) | 표시장치 | |
| JP3565328B2 (ja) | 表示装置およびその不良ドット補償方法 | |
| JP4047859B2 (ja) | 平板表示装置の色補正装置及びその方法 | |
| JP2002189440A (ja) | 表示装置、およびコンピュータ読み取り可能な記録媒体 | |
| JP3515042B2 (ja) | 画像表示装置および画像信号補正装置 | |
| KR100620460B1 (ko) | 화상표시장치 및 화상신호의 보정방법 | |
| US20070075928A1 (en) | Digital display apparatus and display method thereof | |
| JP3661925B2 (ja) | 表示装置の映像信号処理回路及び方法 | |
| JP3466832B2 (ja) | カラー画像表示装置 | |
| JP2006308685A (ja) | 表示装置 |
Legal Events
| Date | Code | Title | Description |
|---|---|---|---|
| A131 | Notification of reasons for refusal |
Free format text: JAPANESE INTERMEDIATE CODE: A131 Effective date: 20040309 |
|
| RD03 | Notification of appointment of power of attorney |
Free format text: JAPANESE INTERMEDIATE CODE: A7423 Effective date: 20040415 |
|
| A521 | Written amendment |
Free format text: JAPANESE INTERMEDIATE CODE: A523 Effective date: 20040507 |
|
| TRDD | Decision of grant or rejection written | ||
| A01 | Written decision to grant a patent or to grant a registration (utility model) |
Free format text: JAPANESE INTERMEDIATE CODE: A01 Effective date: 20040601 |
|
| A61 | First payment of annual fees (during grant procedure) |
Free format text: JAPANESE INTERMEDIATE CODE: A61 Effective date: 20040602 |
|
| R150 | Certificate of patent or registration of utility model |
Free format text: JAPANESE INTERMEDIATE CODE: R150 Ref document number: 3565327 Country of ref document: JP Free format text: JAPANESE INTERMEDIATE CODE: R150 |
|
| FPAY | Renewal fee payment (event date is renewal date of database) |
Free format text: PAYMENT UNTIL: 20090618 Year of fee payment: 5 |
|
| FPAY | Renewal fee payment (event date is renewal date of database) |
Free format text: PAYMENT UNTIL: 20100618 Year of fee payment: 6 |
|
| FPAY | Renewal fee payment (event date is renewal date of database) |
Free format text: PAYMENT UNTIL: 20100618 Year of fee payment: 6 |
|
| FPAY | Renewal fee payment (event date is renewal date of database) |
Free format text: PAYMENT UNTIL: 20110618 Year of fee payment: 7 |
|
| FPAY | Renewal fee payment (event date is renewal date of database) |
Free format text: PAYMENT UNTIL: 20120618 Year of fee payment: 8 |
|
| FPAY | Renewal fee payment (event date is renewal date of database) |
Free format text: PAYMENT UNTIL: 20120618 Year of fee payment: 8 |
|
| FPAY | Renewal fee payment (event date is renewal date of database) |
Free format text: PAYMENT UNTIL: 20130618 Year of fee payment: 9 |
|
| EXPY | Cancellation because of completion of term |
