JP2015515217A - ドキュメントをディジタル化するための装置及び方法 - Google Patents

ドキュメントをディジタル化するための装置及び方法 Download PDF

Info

Publication number
JP2015515217A
JP2015515217A JP2015506144A JP2015506144A JP2015515217A JP 2015515217 A JP2015515217 A JP 2015515217A JP 2015506144 A JP2015506144 A JP 2015506144A JP 2015506144 A JP2015506144 A JP 2015506144A JP 2015515217 A JP2015515217 A JP 2015515217A
Authority
JP
Japan
Prior art keywords
time
document
digitized document
digitized
protected
Prior art date
Legal status (The legal status is an assumption and is not a legal conclusion. Google has not performed a legal analysis and makes no representation as to the accuracy of the status listed.)
Pending
Application number
JP2015506144A
Other languages
English (en)
Inventor
クライトマイアー フローリアン
クライトマイアー フローリアン
ケプフ アンドレアス
ケプフ アンドレアス
Current Assignee (The listed assignees may be inaccurate. Google has not performed a legal analysis and makes no representation or warranty as to the accuracy of the list.)
Siemens AG
Original Assignee
Siemens AG
Priority date (The priority date is an assumption and is not a legal conclusion. Google has not performed a legal analysis and makes no representation as to the accuracy of the date listed.)
Filing date
Publication date
Application filed by Siemens AG filed Critical Siemens AG
Publication of JP2015515217A publication Critical patent/JP2015515217A/ja
Pending legal-status Critical Current

Links

Images

Classifications

    • GPHYSICS
    • G06COMPUTING OR CALCULATING; COUNTING
    • G06FELECTRIC DIGITAL DATA PROCESSING
    • G06F21/00Security arrangements for protecting computers, components thereof, programs or data against unauthorised activity
    • G06F21/60Protecting data
    • G06F21/602Providing cryptographic facilities or services
    • GPHYSICS
    • G06COMPUTING OR CALCULATING; COUNTING
    • G06FELECTRIC DIGITAL DATA PROCESSING
    • G06F21/00Security arrangements for protecting computers, components thereof, programs or data against unauthorised activity
    • G06F21/60Protecting data
    • G06F21/62Protecting access to data via a platform, e.g. using keys or access control rules
    • G06F21/6209Protecting access to data via a platform, e.g. using keys or access control rules to a single file or object, e.g. in a secure envelope, encrypted and accessed using a key, or with access control rules appended to the object itself
    • GPHYSICS
    • G06COMPUTING OR CALCULATING; COUNTING
    • G06FELECTRIC DIGITAL DATA PROCESSING
    • G06F7/00Methods or arrangements for processing data by operating upon the order or content of the data handled
    • G06F7/58Random or pseudo-random number generators
    • G06F7/582Pseudo-random number generators

Landscapes

  • Engineering & Computer Science (AREA)
  • Theoretical Computer Science (AREA)
  • Physics & Mathematics (AREA)
  • General Physics & Mathematics (AREA)
  • General Engineering & Computer Science (AREA)
  • Computer Hardware Design (AREA)
  • Health & Medical Sciences (AREA)
  • Bioethics (AREA)
  • General Health & Medical Sciences (AREA)
  • Computer Security & Cryptography (AREA)
  • Software Systems (AREA)
  • Pure & Applied Mathematics (AREA)
  • Mathematical Optimization (AREA)
  • Mathematical Analysis (AREA)
  • Computational Mathematics (AREA)
  • Storage Device Security (AREA)
  • Document Processing Apparatus (AREA)

Abstract

本発明は、紙の形態で存在する少なくとも一つのドキュメントをディジタル化するように構成されているドキュメントスキャンユニットと、少なくとも一つのディジタル化されたドキュメントを、一度だけ有効な識別子、即ちワンタイムIDを基礎として、権限の無いアクセスから保護するように構成されているセキュリティユニットとを備えている、ドキュメントをディジタル化するための装置に関する。更に本発明は、対応する方法に関する。

Description

本発明は、ドキュメントをディジタル化するための装置及び対応する方法に関する。
以下では本発明を、特に複合プリンタに関連させて説明するが、本発明は複合プリンタに限定されるものではなく、本発明をあらゆる種類のディジタル化装置によって利用することができる。
今日のところ、特に産業界では、ドキュメントを郵便で遣り取りすること、又は郵便のみで遣り取りすることはもはや一般的ではない。むしろ、紙の形態で存在するドキュメントをディジタル化し、それらのドキュメントを電子的な形態で遣り取りするために電子的な手段が使用されている。
その種の機器として例えば単体のスキャナが挙げられる。それ以外にも、特に商業的な用途のための機器として、しかしながらまた個人的に使用するための機器として、いわゆる複合機(MFD:Multi Functional Deviceとも称される)が公知である。それらのMFDとして、例えば、プリンタとスキャナとFAXが組み合わされたものが考えられる。
更に、その種の機器はネットワーク端子を一般的に有しており、そのネットワーク端子を介して機器をデータネットワークに接続することができる。
ディジタル化ドキュメントを提供するために、MFDはウェブサーバを有することができ、このウェブサーバによって、ディジタル化ドキュメントをダウンロードすることができる。更に、それらのMFDはEメールサーバとのインタフェースも有することができ、このEメールサーバによってディジタル化ドキュメントをEメールでユーザに送信することができる。
MFDのウェブサーバに格納されているディジタル化ドキュメントへのアクセス並びにEメールを用いたユーザへのディジタル化ドキュメントの送信は通常の場合、保護された形式では行われていない。
本発明の課題は、ディジタル化ドキュメントを保護するための実現手段を提供することがある。
この課題は、本発明によれば、独立請求項の特徴部分に記載されている構成を備えている装置及び方法によって解決される。
従って、本発明によれば、
−紙の形態で存在する少なくとも一つのドキュメントをディジタル化するように構成されているドキュメントスキャンユニットと、少なくとも一つのディジタル化ドキュメントを、一度だけ有効な識別子、即ちワンタイムIDを基礎として、権限の無いアクセスから保護するように構成されているセキュリティユニットとを備えている、ドキュメントをディジタル化するための装置と、
−紙の形態で存在する少なくとも一つのドキュメントをディジタル化するステップと、少なくとも一つのディジタル化ドキュメントを、ワンタイムIDを基礎として、権限の無いアクセスから保護するステップとを備えている、ドキュメントをディジタル化するための方法と、
が提供される。
本発明が基礎とする認識は、特に商業的な分野において、ドキュメントを機密に取り扱うことが実現できれば有利であろうということである。
本発明が基礎とする着想は、この認識に基づき、ワンタイムIDを基礎としてドキュメントを保護できるようにすることである。
本発明によれば、ドキュメントがドキュメントスキャンユニットによってディジタル化され、続いて、セキュリティユニットを用いて権限の無いアクセスから保護される。その際、ディジタル化プロセスの度に新たな識別子が利用される。
ワンタイムIDの使用によって、例えば大企業においてドキュメントが安全に編集されることを保証することができる。例えば、ある企業において標準的な識別子が使用されているケースを想定すると、その標準的な識別子が漏洩した場合には、潜在的な攻撃者がその企業の全てのドキュメントにアクセスすることが極めて簡単になる。
更には、本発明による装置のユーザが識別子を自由に選択できてしまう場合には、そのユーザが常に同じ識別子を選択するといった危険も生じてしまう。その結果、潜在的な攻撃者が、そのユーザのドキュメントにアクセスすることは一層容易になる。つまり攻撃者は、そのユーザの全てのドキュメントにアクセスするためには、識別子を一つだけ入手しさえすればよい。
有利な実施の形態及び発展形態は、従属請求項並びに図面を参照する以下の説明より明らかになる。
一つの実施の形態においては、セキュリティユニットが鍵導出ユニットを有しており、この鍵導出ユニットは、少なくとも一つのディジタル化ドキュメントを保護するための暗号的に安全な鍵を、ワンタイムIDから計算するように構成されている。これによって、保護すべきディジタル化ドキュメントの安全性が向上し、またユーザが使用しやすいアプローチが実現される。つまり、鍵導出ユニットの使用によって、容易に記憶することができる識別子、例えば4桁の番号を、ユーザが容易に記憶することができる識別子として使用することができる。それにもかかわらず、ディジタル化ドキュメントを効果的に保護することができる。
それらの識別子が例えばディジタル化ドキュメントを保護するための鍵として直接的に使用されるのであれば、攻撃者によるそのドキュメントへのアクセスは簡単に達成されるであろう。
それに対し、暗号的に安全な鍵が識別子から導出される場合には、攻撃者がその保護されたディジタル化ドキュメントにアクセスすることは困難になるか、又は今日の一般的な計算能力では不可能である。
鍵導出ユニットは、暗号的に安全な鍵を、例えばKDF1,KDF2,KDF3,KDF4,MGF1,PBKDF−Schneider,PBKDF1,PBKDF2及び/又は暗号ベースのアルゴリズムを用いて導出することができる。
一つの実施の形態において、鍵導出ユニットは、ワンタイムIDを基礎として暗号的に安全な鍵を計算するために、いわゆる「ソルト(Salt)」を付加的に使用するように構成されている。暗号技術において、「ソルト」は、鍵を計算するために識別子が使用される場合には、その識別子を拡張するために用いられる、大抵の場合ランダムな文字列であると解される。
一つの実施の形態においては、データメモリが設けられている。更に、セキュリティユニットは、少なくとも一つのディジタル化ドキュメントをデータメモリに記憶し、その少なくとも一つのディジタル化ドキュメントを、ワンタイムID及び/又は計算された暗号的に安全な鍵を基礎とするパスワードで保護されたデータメモリへのアクセスによって保護するように構成されている。
ディジタル化ドキュメントが、パスワードで保護されたデータメモリへのアクセスによって保護される場合には、その保護されたディジタル化ドキュメントをユーザは種々の電子デバイスから非常に快適に検索することができる。
一つの実施の形態において、セキュリティユニットは、少なくとも一つのディジタル化ドキュメントを、ワンタイムID及び/又は計算された暗号的に安全な鍵を基礎として暗号化するように構成されている。
ディジタル化ドキュメントが暗号技術により暗号化される場合、対応するドキュメントをディジタル化したユーザがそのドキュメントを既に呼び出していれば、その後に攻撃者がドキュメントを取得したとしても、攻撃者はそのドキュメントをもはや開くことはできない。このことは例えば、ユーザのコンピュータへの侵入によって行われる可能性がある。
一つの実施の形態においては、セキュリティユニットが乱数生成器を有しており、この乱数生成器はワンタイムIDをランダムに決定するように構成されている。これによって、攻撃者は先行の識別子から、又は装置の観察によって識別子を導出できないことを保証することができる。
一つの実施の形態においては、少なくとも一つのディジタル化ドキュメントに設定された秘密レベルに応じて、ワンタイムIDがランダムに決定されるように乱数生成器は構成されている。ディジタル化ドキュメントに対して種々の秘密レベルが設定され、且つ、識別子がその設定された秘密レベルに応じて決定される場合には、識別子、例えば識別子の複雑度を個々の秘密レベルに適合させることができる。
一つの実施の形態においては、ワンタイムIDをユーザに要求するようにセキュリティユニットが構成されている。これによって、ユーザ自身がワンタイムIDを決定することができる。
一つの実施の形態においては、乱数生成器によってワンタイムIDをランダムに決定し、ユーザに表示することができる。これによってユーザは、ユーザ自身が識別子を決定するのか、又は、ユーザはランダム生成された識別子をディジタル化ドキュメントの保護のために変更したくないのかを判断することができる。
一つの実施の形態においては、ネットワークインタフェースが設けられている。更に制御ユニットが設けられており、この制御ユニットは、保護された少なくとも一つのディジタル化ドキュメントを、電子メッセージの添付として、ネットワークインタフェースを介して所定の受信器に送信するように構成されている。
このことは、保護されたディジタル化ドキュメントのユーザへの自動的な送信を実現する。これによって、保護されたディジタル化ドキュメントを取得するために、ユーザが行わなければならない手間が低減される。ユーザは保護されたディジタル化ドキュメントの呼び出しを自身で行う必要がないので、それによって本発明による装置が更に広範に受け入れられるようになる。
一つの実施の形態において、制御ユニットは、電子メッセージ及びその電子メッセージに含まれる添付が、送信の前に、対称暗号化方式及び/又は非対称暗号化方式によって暗号化されるように構成されている。これによって、保護されたディジタル化ドキュメントの安全性を更に高めることができる。更にこれによって、ドキュメントが保護されるだけでなく、電子メッセージの内容がどのようなものであるかを第三者に対して完全に秘匿することができる。
更に、例えばディジタル化ドキュメントに設定された秘密レベルに基づき、対応するディジタル化ドキュメントがどの暗号化方式で保護されるかを判定することができる。
一つの実施の形態において、制御ユニットは、電子メッセージの受信器に鍵を要求するためにディレクトリサービスにアクセスするように構成されている。ディレクトリサービスは例えばLDAPディレクトリ又は任意の他のディレクトリで良く、それらのディレクトリは電子メッセージを受信することが可能な受信器に関する情報を有している。その種のディレクトリサービスを鍵サーバと称することもできる。これによって、電子メッセージの送信者が個々の受信器の鍵を知らない場合であっても、暗号技術を用いて保護されているメッセージを複数のユーザに送信することができる。
一つの実施の形態においては、本発明による装置のユーザはワンタイムIDを本発明による装置の印刷ユニットにおいて印刷することができる。ユーザがワンタイムIDを印刷できる場合には、ユーザはそのワンタイムIDを記憶する必要はない。識別子は一度だけしか有効でないので、これはセキュリティ上の大きな危険にはならない。
上述の構成及び発展形態は、有効な範囲において相互に任意に組み合わせることができる。本発明の別の考えられる実施の形態、発展形態及び実現形態は、本発明の複数の実施例に関して上記において説明した、又は以下において説明する複数の特徴の明示的には示していない組み合わせも含む。特に当業者であれば、改善形態又は補完形態としての個々の態様を本発明の各基本形態に付加するであろう。
本明細書においてワンタイムIDという術語は、数字コード及び/又は英数字コードを表している。但し、これは暗号技術的な観点から見ると、それらのコードが暗号化のための鍵として直接的に利用される場合には、セキュリティが低いものである。
考えられる一つの実施の形態において、所定の期間に一度だけしか使用できない識別子がワンタイムIDであると解される。既に使用されてしまった識別子は必ずしも全て除外されるわけではない。例えば、4桁の数字から成る識別子の場合、例えば4桁の番号のセットから考えられる番号の組み合わせの内の80%が既に使用されている場合には、既に使用された識別子を改めて使用することができる。別の桁数の識別子又は英数字識別子に対しても同様に所定の閾値又は期間を設定することができる。しかしながらこの期間を、数時間、数日、数週、数ヶ月及び/又は数年の単位で規定することもできる。
以下では、図面に概略的に図示されている複数の実施例に基づき本発明を詳細に説明する。
本発明による装置の実施例のブロック図を示す。 本発明による方法の実施例のフローチャートを示す。 本発明による装置の別の実施例のブロック図を示す。
全ての図面において、別個に記載がない限りは、同一の又は機能的に等しい構成要素及び装置乃至ユニットには同一の参照番号が付されている。
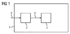
図1には、本発明による装置1の実施例がブロック図で示されている。図1に示した本発明による装置は、複合機(多機能機、MFD:Multi Functional Device)として構成されている。別の実施の形態においては、装置1が例えば単体のスキャナ1として構成されていてもよい。
図1に示したMFDは、紙の形態で存在するドキュメント3をディジタル化又はスキャンするように構成されているスキャナ2を有している。スキャナ2はセキュリティユニット4と接続されており、従って、スキャナ2からセキュリティユニット4にディジタル化ドキュメント5が伝送される。セキュリティユニット4は、一度だけ有効な識別子、即ちワンタイムID6を用いて、ディジタル化ドキュメント5を権限の無いアクセスから保護するように構成されている。
ワンタイムID6は、MDF1のユーザが容易に記憶することができる、数字から成るPIN又は英数字から成るパスワードとして構成されている。例えば、ワンタイムID6は4桁又は6桁の番号で良い。
セキュリティユニット4は例えば、暗号計算に適したディジタル回路を有しているセキュリティモジュールで良い。例えば、この暗号計算に適したディジタル回路として「Trusted Platform Module(TPM)」が挙げられる。しかしながらセキュリティユニット4を、MFD1のプロセッサによって実行されるプログラムモジュールとして構成することもできる。
セキュリティユニット4は、ワンタイムID6を基礎として、種々の方式でディジタル化ドキュメント5を保護することができる。例えば、セキュリティユニット4は、ワンタイムID6を基礎として、ディジタル化ドキュメント5を暗号化することができる。その場合、セキュリティユニット4はディジタル化ドキュメント5を暗号化するための鍵として、ワンタイムID6を直接的に利用することができる。暗号的な見地からすると非常に短いワンタイムID6を基礎として計算を非常に簡単に実施することができることから、そのようなワンタイムID6の直接的な利用は、暗号化を非常に高速に実施できるという利点を有している。一つの別の実施の形態においては、セキュリティユニット4が、ディジタル化ドキュメント5を暗号化するための鍵として、ワンタイムID6を間接的に利用することができる。その種の実施の形態においては、セキュリティユニット4がワンタイムID6から、ディジタル化ドキュメント5を暗号化するための暗号的に安全な鍵を導出することができる。
一つの別の実施の形態においては、セキュリティユニット4が、ディジタル化ドキュメント5をパスワードで保護された記憶場所に格納することによって、ディジタル化ドキュメント5を権限の無いアクセスから保護することができる。その場合、記憶場所にアクセスするためのパスワードはワンタイムID6であるか、又はワンタイムID6から導出されたものである。
図2には、本発明による方法の実施例のフローチャートが示されている。
ドキュメントをディジタル化するための本発明による方法は、紙の形態で存在する少なくとも一つのドキュメント3をディジタル化するステップS1でもって開始される。第2のステップS2においては、ワンタイムID6を基礎として、少なくとも一つのディジタル化ドキュメント5が権限の無いアクセスから保護される。
一つの実施の形態において、本方法は、少なくとも一つのディジタル化ドキュメント5を保護するために、ワンタイムID6から暗号的に安全な鍵を計算する更なるステップを備えている。このステップによって、簡単に記憶することができ、従って比較的短いワンタイムID6が使用される場合であっても、ドキュメントの信頼性の高い暗号化又は記憶場所のより堅固なパスワード保護が確保されていることを保証することができる。
暗号的に安全な鍵を計算するために、鍵導出関数を使用することができる。例えばそのような関数として、KDF1、KDF2、KDF3、KDF4、MGF1、PBKDF−Schneider、PBKDF1、PBKDF2及び/又は暗号鍵導出関数(scrypt key derivation function)が挙げられる。一つの別の実施の形態においては、複数の鍵導出関数を組み合わせることができる。別の鍵導出関数が使用されてもよい。ここで鍵導出関数とは、ワンタイムID6から暗号的に安全な鍵を導出又は計算することができる、あらゆる関数であると解される。
一つの別の実施の形態においては、ディジタル化ドキュメント5がデータメモリ10に記憶され、そのディジタル化ドキュメント5が、ワンタイムID6及び/又は計算された暗号的に安全な鍵を基礎とする、パスワードで保護されたデータメモリ10へのアクセスによって保護される。
一つの別の実施の形態においては、ワンタイムID6及び/又は計算された暗号的に安全な鍵を基礎として、ディジタル化ドキュメント5が暗号化されることによって、ディジタル化ドキュメント5が権限の無いアクセスから保護される。その際に、種々の暗号化アルゴリズムを利用することができる。例えば、対称暗号化方式及び/又は非対称暗号化方式を用いて暗号化を実施することができる。以下に挙げるものは、使用できる暗号化方式の選択肢である:
・AES
・DES
・Triple−DES
・IDEA
・Blowfish
・Twofish
・RSA
・Merkle−Hellman
別の方式も利用することができる。
一つの実施の形態においては、ワンタイムID6がランダムに決定される。一つの実施の形態においては、少なくとも一つのディジタル化ドキュメント5に設定された秘密レベルに応じてワンタイムID6を決定することができる。ディジタル化ドキュメント5に設定される秘密レベルを、例えば、「社外秘」、「機密」及び/又は「極秘」のような注意書きに基づいて決定することができる。しかしながら秘密レベルを例えば数字によって規定することもできる。
形成されるワンタイムID6が複雑になるほど、ディジタル化ドキュメント5の秘密レベルはより高く、ないしよりクリティカルになる。
一つの実施の形態においては、ワンタイムID6をユーザに要求することもできる。
最後に、一つの実施の形態においては、保護されたディジタル化ドキュメント5を、電子メッセージ、例えばEメールの添付として所定の受信器に送信することができる。
電子メッセージを、例えば、対称暗号化方式及び/又は非対称暗号化方式によって暗号化された電子メッセージとして送信することができる。例えば、PGPと互換性のある暗号化を利用することができる。ディジタル化ドキュメント5自体を暗号化し、続いて暗号化された電子メッセージに添付させて伝送することができるか、又は、ディジタル化ドキュメント5を暗号化せずに電子メッセージに添付させて、その電子メッセージと一緒に暗号化することができる。ここでも上述の暗号化方式を使用することができる。別の暗号化方式も同様に使用することができる。
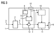
図3には、本発明による装置1の別の実施の形態のブロック図が示されている。
図3に示した装置1もやはりMFD1として構成されている。しかしながら別の実施の形態においては、装置1が単体のスキャナ1等として構成されていてもよい。
図3に示したMFD1と、図1に示したMFD1との相異点は、ドキュメントスキャンユニット2及びセキュリティユニット4の他に、別のコンポーネントが設けられていることである。
図3に示したセキュリティユニット4は鍵導出ユニット7を有しており、この鍵導出ユニット7は、ディジタル化ドキュメント5を保護するための暗号的に安全な鍵をワンタイムID6から計算することができる。更に乱数生成器8が設けられており、この乱数生成器8は鍵導出ユニット7にランダム生成されたワンタイムID6を供給する。更にユーザインタフェース12が設けられており、このユーザインタフェース12を介してユーザにワンタイムID6を要求し、そのワンタイムID6を鍵導出ユニット7に供給することができる。最後に、図3に示したセキュリティユニット4には計算ユニット13が設けられており、この計算ユニット13は、鍵導出ユニット7によって計算された暗号的に安全な鍵に基づきディジタル化ドキュメント5を保護する。
MFD1には更にデータメモリ10が設けられている。その種の実施の形態においては、ディジタル化ドキュメント5をデータメモリ10に記憶し、そのデータメモリ10に対するアクセスをパスワードで保護することによって、セキュリティユニット4はディジタル化ドキュメント5を保護することができる。
MFD1は更にネットワークインタフェース9及び制御ユニット11を有している。ネットワークインタフェース9及び制御ユニット11を介して、例えばユーザはデータネットワークを経由してMFD1のデータメモリ10にアクセスすることができる。
一つの実施の形態においては、保護されたディジタル化ドキュメント5を電子メッセージの添付として、ネットワークインタフェース9を介して、所定の受信器に送信するように制御ユニット11が構成されている。電子メッセージ及びその電子メッセージに含まれる添付を、送信の前に、対称暗号化方式及び/又は非対称暗号化方式によって暗号化することができる。
上記においては、本発明を有利な実施例に基づき説明したが、本発明はそれらの実施例に限定されるものではなく、多種多様に修正することができる。特に、本発明の本質から逸脱することなく、本発明を種々に変更又は修正することができる。
一つの実施の形態においては、ドキュメントをディジタル化するための装置には、
−紙の形態で存在する少なくとも一つのドキュメント3をディジタル化するための手段S1と、
−少なくとも一つのディジタル化ドキュメント5を、ワンタイムID6を基礎として、権限の無いアクセスから保護するための手段S2と、
が設けられている。
一つの実施の形態においては、少なくとも一つのディジタル化ドキュメント5を保護するために、ワンタイムID6から暗号的に安全な鍵を計算するための手段が装置に設けられている。
一つの実施の形態においては、少なくとも一つのディジタル化ドキュメント5をデータメモリ10に記憶するための手段と、少なくとも一つのディジタル化ドキュメント5を、ワンタイムID6及び/又は計算された暗号的に安全な鍵を基礎とするパスワードで保護されたデータメモリ10へのアクセスによって保護するための手段とが装置に設けられている。
一つの実施の形態においては、少なくとも一つのディジタル化ドキュメント5を、ワンタイムID6及び/又は計算された暗号的に安全な鍵を基礎として暗号化するための手段が装置に設けられている。
一つの実施の形態においては、特に少なくとも一つのディジタル化ドキュメント5に設定された秘密レベルに応じてワンタイムID6をランダムに決定するための手段、又はワンタイムID6をユーザに要求するための手段が装置に設けられている。
一つの実施の形態においては、少なくとも一つの保護されたディジタル化ドキュメント5を電子メッセージの添付として、特に対称暗号化方式及び/又は非対称暗号化方式によって暗号化された電子メッセージとして所定の受信器に送信するための手段が装置に設けられている。

Claims (15)

  1. ドキュメントをディジタル化するための装置(1)において、
    紙の形態で存在する少なくとも一つのドキュメント(3)をディジタル化するように構成されているドキュメントスキャンユニット(2)と、
    少なくとも一つのディジタル化ドキュメント(5)を、ワンタイムID(6)を基礎として、権限の無いアクセスから保護するように構成されているセキュリティユニット(4)と、
    を備えていることを特徴とする、装置。
  2. 前記セキュリティユニット(4)は鍵導出ユニット(7)を有しており、
    前記鍵導出ユニット(7)は、前記少なくとも一つのディジタル化ドキュメント(5)を保護するための暗号的に安全な鍵を、前記ワンタイムID(6)から計算するように構成されている、請求項1に記載の装置。
  3. データメモリ(10)が設けられており、
    前記セキュリティユニット(4)は、前記少なくとも一つのディジタル化ドキュメント(5)を前記データメモリ(10)に記憶し、該少なくとも一つのディジタル化ドキュメント(5)を、前記ワンタイムID(6)及び/又は前記計算された暗号的に安全な鍵を基礎とする、パスワードで保護された前記データメモリ(10)へのアクセスによって保護するように構成されている、請求項2に記載の装置。
  4. 前記セキュリティユニット(4)は、前記少なくとも一つのディジタル化ドキュメント(5)を、前記ワンタイムID(6)及び/又は前記計算された暗号的に安全な鍵を基礎として暗号化するように構成されている、請求項2又は3に記載の装置。
  5. 前記セキュリティユニット(4)は乱数生成器(8)を有しており、該乱数生成器(8)は前記ワンタイムID(6)をランダムに決定するように構成されている、請求項1乃至4のいずれか一項に記載の装置。
  6. 前記乱数生成器(8)は、前記少なくとも一つのディジタル化ドキュメント(5)に設定された秘密レベルに応じて前記ワンタイムID(6)をランダムに決定するように構成されている、請求項5に記載の装置。
  7. 前記セキュリティユニット(4)は、前記ワンタイムID(6)をユーザに要求するように構成されている、請求項1乃至4のいずれか一項に記載の装置。
  8. ネットワークインタフェース(9)が設けられており、
    制御ユニット(11)が設けられており、
    前記制御ユニット(11)は、保護された前記少なくとも一つのディジタル化ドキュメント(5)を電子メッセージの添付として、前記ネットワークインタフェース(9)を介して、所定の受信器に送信するように構成されている、請求項1乃至7のいずれか一項に記載の装置。
  9. 前記制御ユニット(11)は、前記電子メッセージ及び該電子メッセージに含まれる添付を、送信の前に、対称暗号化方式及び/又は非対称暗号化方式によって暗号化するように構成されている、請求項8に記載の装置。
  10. ドキュメントをディジタル化するための方法において、
    紙の形態で存在する少なくとも一つのドキュメント(3)をディジタル化するステップ(S1)と、
    少なくとも一つのディジタル化ドキュメント(5)を、ワンタイムID(6)を基礎として、権限の無いアクセスから保護するステップ(S2)とを備えている、
    ことを特徴とする、方法。
  11. 前記少なくとも一つのディジタル化ドキュメント(5)を保護するために、前記ワンタイムID(6)から暗号的に安全な鍵を計算するステップを更に備えている、請求項10に記載の方法。
  12. 前記少なくとも一つのディジタル化ドキュメント(5)をデータメモリ(10)に記憶するステップと、
    前記少なくとも一つのディジタル化ドキュメント(5)を、前記ワンタイムID(6)及び/又は前記計算された暗号的に安全な鍵を基礎とする、パスワードで保護されたデータメモリ(10)へのアクセスによって保護するステップとを更に備えている、請求項11に記載の方法。
  13. 前記少なくとも一つのディジタル化ドキュメント(5)を、前記ワンタイムID(6)及び/又は前記計算された暗号的に安全な鍵を基礎として暗号化するステップを更に備えている、請求項11又は12に記載の方法。
  14. 前記ワンタイムID(6)を、特に前記少なくとも一つのディジタル化ドキュメント(5)に設定された秘密レベルに応じて、ランダムに決定するステップ、又は、
    前記ワンタイムID(6)をユーザに要求するステップを更に備えている、請求項10乃至13のいずれか一項に記載の方法。
  15. 保護された前記少なくとも一つのディジタル化ドキュメント(5)を電子メッセージの添付として、特に対称暗号化方式及び/又は非対称暗号化方式によって暗号化された電子メッセージとして所定の受信器に送信するステップを更に備えている、請求項10乃至14のいずれか一項に記載の方法。
JP2015506144A 2012-04-16 2013-03-18 ドキュメントをディジタル化するための装置及び方法 Pending JP2015515217A (ja)

Applications Claiming Priority (3)

Application Number Priority Date Filing Date Title
DE201210206202 DE102012206202A1 (de) 2012-04-16 2012-04-16 Vorrichtung zur Digitalisierung von Dokumenten und Verfahren
DE102012206202.5 2012-04-16
PCT/EP2013/055505 WO2013156230A1 (de) 2012-04-16 2013-03-18 Vorrichtung zur digitalisierung von dokumenten und verfahren

Publications (1)

Publication Number Publication Date
JP2015515217A true JP2015515217A (ja) 2015-05-21

Family

ID=48049951

Family Applications (1)

Application Number Title Priority Date Filing Date
JP2015506144A Pending JP2015515217A (ja) 2012-04-16 2013-03-18 ドキュメントをディジタル化するための装置及び方法

Country Status (7)

Country Link
US (1) US20150074423A1 (ja)
EP (1) EP2786302A1 (ja)
JP (1) JP2015515217A (ja)
KR (1) KR20150003335A (ja)
CN (1) CN104205116A (ja)
DE (1) DE102012206202A1 (ja)
WO (1) WO2013156230A1 (ja)

Citations (8)

* Cited by examiner, † Cited by third party
Publication number Priority date Publication date Assignee Title
JP2004086731A (ja) * 2002-08-28 2004-03-18 Seiko Epson Corp スキャンメール送信装置及びスキャンメール送信システム
JP2004266559A (ja) * 2003-02-28 2004-09-24 Kyocera Mita Corp プッシュ型スキャナー装置、その制御方法、その制御プログラム、及びプッシュ型スキャナーシステム
JP2005295541A (ja) * 2004-03-22 2005-10-20 Sharp Corp スキャン機密保持印刷ジョブ通信
JP2006344205A (ja) * 2005-01-25 2006-12-21 Toshihiko Okabe パスワード管理方法、装置、システム、記録媒体、プログラム及びパスワードテーブル
JP2007195005A (ja) * 2006-01-20 2007-08-02 Kyocera Mita Corp スキャナ装置、及び画像形成装置
JP2008003883A (ja) * 2006-06-23 2008-01-10 Kyocera Mita Corp 画像形成装置、及び画像形成システム
JP2011066926A (ja) * 2010-11-09 2011-03-31 Toshiba Storage Device Corp データ漏洩防止システムおよびデータ漏洩防止方法
JP2011197829A (ja) * 2010-03-17 2011-10-06 Fujitsu Broad Solution & Consulting Inc 電子メール処理プログラム、電子メール処理装置および電子メール処理方法

Family Cites Families (16)

* Cited by examiner, † Cited by third party
Publication number Priority date Publication date Assignee Title
US5692048A (en) * 1993-04-15 1997-11-25 Ricoh Company, Ltd. Method and apparatus for sending secure facsimile transmissions and certified facsimile transmissions
GB2288476A (en) * 1994-04-05 1995-10-18 Ibm Authentication of printed documents.
US8285991B2 (en) * 2000-10-25 2012-10-09 Tecsec Inc. Electronically signing a document
US20030056100A1 (en) * 2001-09-14 2003-03-20 Rodney Beatson Method and system for authenticating a digitized signature for execution of an electronic document
US7395436B1 (en) * 2002-01-31 2008-07-01 Kerry Nemovicher Methods, software programs, and systems for electronic information security
JP4217146B2 (ja) * 2003-11-21 2009-01-28 株式会社リコー スキャナ装置、ビューア装置、画像保護方法、
JP3900165B2 (ja) * 2004-03-10 2007-04-04 村田機械株式会社 ファクシミリ装置
US20090210695A1 (en) * 2005-01-06 2009-08-20 Amir Shahindoust System and method for securely communicating electronic documents to an associated document processing device
US7770220B2 (en) * 2005-08-16 2010-08-03 Xerox Corp System and method for securing documents using an attached electronic data storage device
CN100364326C (zh) * 2005-12-01 2008-01-23 北京北大方正电子有限公司 一种在文本文档中嵌入及检测数字水印的方法和装置
US8452711B2 (en) * 2006-04-18 2013-05-28 Xerox Corporation System and method to prevent unauthorized copying of a document
AU2006202519A1 (en) * 2006-05-31 2006-07-27 Grant Stafford Poims
CN101005352B (zh) * 2007-01-23 2010-10-27 华为技术有限公司 一种防范网络游戏外挂的方法、系统、服务器及终端设备
JP2009163525A (ja) * 2008-01-08 2009-07-23 Hitachi Ltd 電子メール送信方法
IL202028A (en) * 2009-11-10 2016-06-30 Icts Holding Company Ltd Product, devices and methods for computerized authentication of electronic documents
CN101905578B (zh) * 2010-07-19 2012-07-11 山东新北洋信息技术股份有限公司 打印机及其控制方法

Patent Citations (8)

* Cited by examiner, † Cited by third party
Publication number Priority date Publication date Assignee Title
JP2004086731A (ja) * 2002-08-28 2004-03-18 Seiko Epson Corp スキャンメール送信装置及びスキャンメール送信システム
JP2004266559A (ja) * 2003-02-28 2004-09-24 Kyocera Mita Corp プッシュ型スキャナー装置、その制御方法、その制御プログラム、及びプッシュ型スキャナーシステム
JP2005295541A (ja) * 2004-03-22 2005-10-20 Sharp Corp スキャン機密保持印刷ジョブ通信
JP2006344205A (ja) * 2005-01-25 2006-12-21 Toshihiko Okabe パスワード管理方法、装置、システム、記録媒体、プログラム及びパスワードテーブル
JP2007195005A (ja) * 2006-01-20 2007-08-02 Kyocera Mita Corp スキャナ装置、及び画像形成装置
JP2008003883A (ja) * 2006-06-23 2008-01-10 Kyocera Mita Corp 画像形成装置、及び画像形成システム
JP2011197829A (ja) * 2010-03-17 2011-10-06 Fujitsu Broad Solution & Consulting Inc 電子メール処理プログラム、電子メール処理装置および電子メール処理方法
JP2011066926A (ja) * 2010-11-09 2011-03-31 Toshiba Storage Device Corp データ漏洩防止システムおよびデータ漏洩防止方法

Also Published As

Publication number Publication date
US20150074423A1 (en) 2015-03-12
CN104205116A (zh) 2014-12-10
WO2013156230A1 (de) 2013-10-24
DE102012206202A1 (de) 2013-10-17
EP2786302A1 (de) 2014-10-08
KR20150003335A (ko) 2015-01-08

Similar Documents

Publication Publication Date Title
US10218502B2 (en) Confidential communication management
US6950523B1 (en) Secure storage of private keys
JP4991035B2 (ja) 遠隔解読サービスを備えたセキュアメッセージシステム
CN104662941B (zh) 用于支持密钥使用的方法、设备和系统
WO2021076868A1 (en) Systems and methods for re-using cold storage keys
EP2743842A1 (en) Secure search processing system and secure search processing method
CN1565117A (zh) 数据验证方法和装置
JP6740545B2 (ja) 情報処理装置、検証装置、情報処理システム、情報処理方法、及び、プログラム
GB2529633A (en) Password-based generation and management of secret cryptographic keys
US20060095770A1 (en) Method of establishing a secure e-mail transmission link
JP4597784B2 (ja) データ処理装置
KR101832861B1 (ko) 패스워드 평가 방법 및 장치
JP2009033402A (ja) Idベース暗号システム及び送信端末装置及び配送サーバ装置及び受信端末装置
JP3690237B2 (ja) 認証方法、記録媒体、認証システム、端末装置、及び認証用記録媒体作成装置
JP5605452B2 (ja) 通信装置
JP2015515217A (ja) ドキュメントをディジタル化するための装置及び方法
JP2006039740A (ja) 通信装置
CN114329559A (zh) 一种外挂式重要数据保护系统及其保护方法
EP2575287A1 (en) Method for publishing content over a communication network
KR20070062632A (ko) 암호화를 통한 이동통신 메시지 및 파일 보안 제공 방법
CN119598494B (zh) 一种浏览器数据存储的方法及系统
JP4140617B2 (ja) 認証用記録媒体を用いた認証システムおよび認証用記録媒体の作成方法
JP4958014B2 (ja) ファイルデータ転送方法、ファイルデータ転送プログラム、ファイルデータ転送システム、及び通信端末
KR20070049512A (ko) 이동통신 메시지 암호화를 통한 보안 기능 제공 방법
US20070076880A1 (en) Secure digital transmission

Legal Events

Date Code Title Description
A977 Report on retrieval

Free format text: JAPANESE INTERMEDIATE CODE: A971007

Effective date: 20150916

A131 Notification of reasons for refusal

Free format text: JAPANESE INTERMEDIATE CODE: A131

Effective date: 20151013

A601 Written request for extension of time

Free format text: JAPANESE INTERMEDIATE CODE: A601

Effective date: 20160112

A601 Written request for extension of time

Free format text: JAPANESE INTERMEDIATE CODE: A601

Effective date: 20160212

A521 Request for written amendment filed

Free format text: JAPANESE INTERMEDIATE CODE: A523

Effective date: 20160310

A131 Notification of reasons for refusal

Free format text: JAPANESE INTERMEDIATE CODE: A131

Effective date: 20160627

A601 Written request for extension of time

Free format text: JAPANESE INTERMEDIATE CODE: A601

Effective date: 20160923

A02 Decision of refusal

Free format text: JAPANESE INTERMEDIATE CODE: A02

Effective date: 20161128