JP2012123719A - プログラマブルコントローラ - Google Patents

プログラマブルコントローラ Download PDF

Info

Publication number
JP2012123719A
JP2012123719A JP2010275719A JP2010275719A JP2012123719A JP 2012123719 A JP2012123719 A JP 2012123719A JP 2010275719 A JP2010275719 A JP 2010275719A JP 2010275719 A JP2010275719 A JP 2010275719A JP 2012123719 A JP2012123719 A JP 2012123719A
Authority
JP
Japan
Prior art keywords
stage
data
memory
bit
read
Prior art date
Legal status (The legal status is an assumption and is not a legal conclusion. Google has not performed a legal analysis and makes no representation as to the accuracy of the status listed.)
Granted
Application number
JP2010275719A
Other languages
English (en)
Other versions
JP5480793B2 (ja
Inventor
Tetsuaki Nakamigawa
哲明 中三川
Tadashi Kamiwaki
正 上脇
Tsutomu Yamada
山田  勉
Masahiro Shiraishi
雅裕 白石
Tatsuyuki Otani
辰幸 大谷
Current Assignee (The listed assignees may be inaccurate. Google has not performed a legal analysis and makes no representation or warranty as to the accuracy of the list.)
Hitachi Ltd
Original Assignee
Hitachi Ltd
Priority date (The priority date is an assumption and is not a legal conclusion. Google has not performed a legal analysis and makes no representation as to the accuracy of the date listed.)
Filing date
Publication date
Application filed by Hitachi Ltd filed Critical Hitachi Ltd
Priority to JP2010275719A priority Critical patent/JP5480793B2/ja
Priority to CN201180059507.9A priority patent/CN103262029B/zh
Priority to PCT/JP2011/077328 priority patent/WO2012077516A1/ja
Publication of JP2012123719A publication Critical patent/JP2012123719A/ja
Application granted granted Critical
Publication of JP5480793B2 publication Critical patent/JP5480793B2/ja
Active legal-status Critical Current
Anticipated expiration legal-status Critical

Links

Images

Classifications

    • GPHYSICS
    • G06COMPUTING OR CALCULATING; COUNTING
    • G06FELECTRIC DIGITAL DATA PROCESSING
    • G06F9/00Arrangements for program control, e.g. control units
    • G06F9/06Arrangements for program control, e.g. control units using stored programs, i.e. using an internal store of processing equipment to receive or retain programs
    • G06F9/30Arrangements for executing machine instructions, e.g. instruction decode
    • G06F9/30003Arrangements for executing specific machine instructions
    • G06F9/30007Arrangements for executing specific machine instructions to perform operations on data operands
    • G06F9/30018Bit or string instructions
    • GPHYSICS
    • G06COMPUTING OR CALCULATING; COUNTING
    • G06FELECTRIC DIGITAL DATA PROCESSING
    • G06F9/00Arrangements for program control, e.g. control units
    • G06F9/06Arrangements for program control, e.g. control units using stored programs, i.e. using an internal store of processing equipment to receive or retain programs
    • G06F9/30Arrangements for executing machine instructions, e.g. instruction decode
    • G06F9/30003Arrangements for executing specific machine instructions
    • G06F9/3004Arrangements for executing specific machine instructions to perform operations on memory
    • G06F9/30043LOAD or STORE instructions; Clear instruction

Landscapes

  • Engineering & Computer Science (AREA)
  • Software Systems (AREA)
  • Theoretical Computer Science (AREA)
  • Physics & Mathematics (AREA)
  • General Engineering & Computer Science (AREA)
  • General Physics & Mathematics (AREA)
  • Memory System Of A Hierarchy Structure (AREA)
  • Advance Control (AREA)
  • Executing Machine-Instructions (AREA)
  • Programmable Controllers (AREA)

Abstract

【課題】ラダー言語用のビット演算プロセッサを備えるプラグラマブルコントローラにおいて多発する、リードモディファイライトによるパイプライン処理の中断を防ぐ。
【解決手段】リードモディファイライトの対象データをバッファレジスタにロードするとともに対象データのアドレスをレジスタファイル152に保持しておくパイプラインステージR(リードステージ)の後ろに、ビット演算及びビットデータのマージを行うパイプラインステージEX(実行ステージ)を設け、その後ろにリードステージRにて保持したアドレスにマージ結果をストアするパイプラインステージW(ライトステージ)を設ける。
【選択図】図1

Description

本発明は、鉄鋼、電力、上下水道等のプラントや各種機械に対してシーケンス制御を高速に行うビット演算プロセッサを搭載したプログラマブルコントローラに関する。
プログラマブルコントローラにおいては、従来からシーケンス制御を効率よく記述できるラダー言語が使われている。ラダー言語では、スイッチの開閉状態等、1ビットで表わされる情報を入力とし、リレー(継電器)出力等、1ビットで表わされる情報を出力とする場合が多い。そのため、プログラマブルコントローラは、ラダー言語特有の1ビットデータ処理を高速に行うため、専用のビット演算プロセッサを搭載することが多い。
ビット演算プロセッサは、1ビットのデータを扱うのに適した専用の命令セットをサポートしているが、演算結果を格納する先は汎用のメモリ素子であるため、8ビットや16ビットといったメモリ素子のアクセス単位サイズに合わせなければならない。汎用のメモリ素子に対して1ビットのデータを書き込むには、リードモディファイライト動作、即ち、メモリをアクセス単位サイズでリードし、リードしたデータの一部を変更し、再びアクセス単位サイズでライトする動作、が必要になるため、ラダー言語処理では汎用言語処理よりもメモリアクセス回数が多くなる特徴がある。
ビット演算プロセッサの高速化に関連する従来技術として、特許文献1には、過去複数回分のワード単位のメモリアクセスアドレスとデータを高速アクセスが可能なバッファに記憶しておき、アクセスしようとするビットを含むワードデータのアドレスがバッファに記憶されているアドレスと一致する場合には、メモリでなくバッファ上のデータを使用することによりメモリアクセス回数を減らす工夫が記載されている。
一方、汎用コンピュータの分野では、メモリアクセスの高速化のために従来からキャッシュメモリが使用されてきたが、近年の半導体微細化に伴い、キャッシュメモリ用内部SRAM(Static Random Access Memory)のソフトエラー対策が必要になり、キャッシュメモリにECC(Error Check and Correct:誤り検出・訂正符号)を付加して保護する場合も多くなってきている。ECCの付加単位は4バイト程度で設計されることが多いため、キャッシュメモリへの書き込み単位も4バイト以上になってしまう。汎用コンピュータの命令でも1バイトや2バイトの書き込みがサポートされるが、このようなECC付加単位以下のサイズの書き込みを行おうとするとキャッシュメモリに対してリードモディファイライトを行うことになる。
単純な構成のキャッシュメモリでリードモディファイライトを行う場合、キャッシュメモリが2サイクル以上占有され、その間プロセッサのパイプライン処理が中断されてしまう。リードモディファイライトがあってもパイプライン処理を中断させないための工夫としては、複数段のストアバッファを設け、ストア処理を置き去りにすることが行われている。特許文献2には、ECCを付加したキャッシュメモリのストアバッファの構成が記載されている。なお、ストアバッファによるストア処理の置き去りは、ロード・ストア命令以外を実行する際のキャッシュメモリの空き時間を利用してストア処理を行うものであるため、パイプライン処理の中断を確定的に無くすものではなく、中断の確率をできるだけ減らす工夫である。
また、特許文献3には、キャッシュメモリを多ポート化し、オペランドフェッチ(リード)のパイプラインステージとオペランドライトのパイプラインステージを分けることにより、メモリ間データ転送を行う命令を効率よく実行するための工夫が記載されているが、キャッシュミス時の動作やオペランドフェッチとライトのアドレス競合時の動作については記載されていないし、リードモディファイライトの処理にも全く触れられていない。
特開平11−39160号公報 国際公開第2007/088597号 特開平4−40524号公報
ラダー言語処理用のビット演算プロセッサにおいても高速化のためにパイプライン処理やキャッシュメモリを採用することが考えられるが、前述のようにラダー言語処理ではリードモディファイライトが多発するため、リードモディファイライトによるパイプライン処理のストール(中断)を防ぐ必要がある。特許文献2のようにアドレス比較器の付いた多段のストアバッファを使用すれば、パイプライン処理が中断する確率を減らすことができるが、ラダー言語で記述されるプログラムは汎用言語に比べてビット単位でのストア命令の比率が高い傾向があり、ストアバッファの段数をより大きくしなければならず、実現に必要な回路規模が大きくなってしまう。
一方、現在のほとんどの汎用プロセッサの命令セットは、RISC(Reduced Instruction Set Computer:縮小命令セットコンピュータ)の思想が取り入れられているため、演算処理とロード・ストア処理とはそれぞれ異なる命令で実行されるようになっている。即ち、演算処理は演算命令によって汎用レジスタ間で行い、メモリとレジスタ間のロード・ストアは別の命令で行うようになっている。このため、汎用プロセッサ用のパイプラインは、レジスタ間演算に適した構成になっているが、ラダー言語処理はメモリとアキュムレータ間の演算が中心であり、汎用プロセッサ用のパイプライン構成は必ずしも処理効率のよいものではない。
従来技術によるパイプライン及びメモリの構成によってラダー言語処理を行った場合の課題を具体例によって示す。図14に典型的なRISCプロセッサのパイプライン構成を示す。PC(Program Counter)は命令アドレスを計算するステージ、IF(Instruction Fetch)は命令をフェッチするステージ、D(Decode)はフェッチした命令をデコードするステージ、EX(Execute)はレジスタ間演算またはメモリアドレス計算を行うステージ、M(Memory)はメモリをリード又はメモリにライトするステージ、WB(Write Back)は演算結果又はリード値をレジスタに書き戻すステージである。ビットデータ演算に伴うリードモディファイライトを行う場合には、MステージをM1とM2の2つに分け、M1サイクルでリードを、M2サイクルでビットデータのマージとライトを行う。
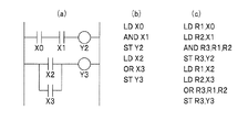
ここで、図7(a)に例示したラダー図を前記従来技術のパイプライン構成で実行する場合を考える。図7(b)は、図7(a)に例示したラダー図を通常のラダー言語の命令列に変換したプログラムの例である。また、図7(c)は、それを前記従来技術のパイプライン構成で実行するための命令列に変換したプログラムの例である。
変数X0〜X3は入力、変数Y2〜Y3は出力を表し、それぞれ1ビット長のデータとしてメモリ内の2つのワードデータ内に記憶されているものとする。図8はこれらの変数がメモリに割り付けられて格納される様子を示している。図7(b)において、LD(Load)はメモリからアキュムレータへのロード命令、ANDはメモリからロードした値とアキュムレータ値の論理積をアキュムレータに記憶する命令、ST(Store)はアキュムレータ値をメモリにストアする命令、ORはメモリからロードした値とアキュムレータ値の論理和をアキュムレータに記憶する命令である。また、図7(c)においては、LDはメモリからレジスタへのロード命令、ANDは2つのレジスタ値の論理積をレジスタに記憶する命令、STはレジスタ値をメモリにストアする命令、ORは2つのレジスタ値の論理和をレジスタに記憶する命令である。
図15は、図7(c)に示した命令列を図14のパイプライン構成で実行した場合の動作を示すタイムチャートである。図15に示すように、1番目及び2番目のLD命令はそれぞれサイクルt0及びt1から開始され、サイクルt5及びt6までそのまま実行され、レジスタR1とR2にデータがロードされる。3番目のAND命令はサイクルt2からt4まではそのまま実行されるが、サイクルt5のEXステージで必要な変数X1のデータがまだリードされていないためパイプラインが1サイクルの間ストールする(「−」印)。変数X1のデータは2番目のLD命令のMステージの実行が完了する次のサイクルt6で利用可能となり、その後はサイクルt8までそのまま実行される。4番目のST命令はサイクルt3から開始されるが、サイクルt5での前命令のストールに伴い一緒にストールする。続いてサイクルt6及びt7が実行されたのち、Mステージではサイクルt8とt9との2サイクルをかけてリードモディファイライトが実行される。そのため、5番目のLD命令は、サイクルt5に加えてサイクルt9でもストールする。
以下同様にして、6番目のLD命令はサイクルt5及びt9が、7番目のOR命令及び8番目のST命令はサイクルt9及びt11が、それぞれストールすることになる。また、8番目のST命令はサイクルt14とt15の2サイクルをかけてリードモディファイライトが実行される。以上説明したように、従来技術のパイプライン構成では、通常のラダー言語では6命令で記述される処理を実行するのに8命令を要し、かつ、3つのサイクルにてパイプラインのストールが発生するため、全ての処理を完了するまでに計17サイクルを要することとなる。
本発明の目的は、ラダー言語を処理するビット演算プロセッサを備えたプログラマブルコントローラに好適な、リードモディファイライトなどによるパイプライン処理のストールを起こさないパイプラインの構成を提案することにある。さらには、キャッシュメモリを備えるビット演算プロセッサにおいて好適なパイプラインとキャッシュメモリの構成を提案することを目的とする。
ラダー言語を処理するビット演算プロセッサにおいて、パイプライン処理のストールを起こさないためには、EXステージの演算結果を次のサイクルで実行される次命令のEXステージで利用可能とするとともに、リードモディファイライトの対象となるメモリの内容を事前にリードする新たなステージであるR(Read)ステージを設け、その次のEXステージにてビット演算及びビットデータのマージを行い、その結果を最後のW(Write)ステージにてメモリにストアするようにすればよい。
そこで、前記の目的を達成するために、本発明は、ビット演算処理の対象となる1ビットのデータを複数個まとめたワードの単位でメモリの読み書きを行うプログラマブルコントローラであって、プログラムに含まれるビット演算処理命令列を、パイプライン処理機構によって並列に実行するビット演算プロセッサを備え、前記ビット演算プロセッサが備えるパイプラインステージは、ビット演算対象となるデータをワード単位でメモリから読み込むリードステージの次に演算ステージがあり、前記演算ステージの次に、前記演算ステージによって演算されたビット演算の結果を含むワードデータを前記リードステージで読み込んだデータと同じアドレスに書き込むライトステージがあることを特徴とする。
また、本発明は、前記メモリが、少なくとも2ウェイ以上のセットアソシアティブ方式又はフルアソシアティブ方式のキャッシュメモリであり、前記リードステージにて読み込んだキャッシュエントリのインデックス情報及びウェイ情報を、前記ライトステージまで保持するインデックス保持レジスタ及びウェイ保持レジスタを備えることを特徴とする。
また、メモリにアクセスする命令が連続した場合でもパイプライン処理をストールさせないために、前記メモリは単一のパイプライン処理サイクル時間内に1回以上のリードと1回以上のライトが独立に行える2ポート以上のメモリであることが好ましい。
なお、特許文献3には、キャッシュリード、演算、キャッシュライト、という順番のパイプライン構成が記載されているが、リードとライトを独立に行うことが目的であるため、リードとライトには別なアドレスを指定でき、そのためキャッシュライト時にもキャッシュヒット判定が行われる。すなわち、リードモディファイライトを行うことは考慮されておらず、2リード+1ライトの3ポートメモリが必要となるなど、本発明とは目的と構成が異なっている。
本発明によれば、ビット演算プロセッサを備えたプログラマブルコントローラにおいて実行されるプログラムにおいて、リードモディファイライトに伴うパイプライン処理のストールが起こらないため、ラダー言語によって記述されたプログラムを効率よく処理することができる。また、キャッシュメモリを備えたビット演算プロセッサにおいても同様にパイプライン処理のストールが起こらないため、ラダー言語によって記述されたプログラムを効率よく処理することができる。また、ストア命令の実行時に先行するリードステージでキャッシュヒット判定を行うことにより、ライトステージでのキャッシュ入れ替え処理が不要となるので、パイプライン制御が単純になる。
第1実施形態に係るプログラマブルコントローラが備えるビット演算プロセッサの内部構成及びパイプライン構成を示す図 第1実施形態に係るプログラマブルコントローラの全体構成を示す図 データメモリとして2ポートメモリを用いた場合の構成を示すブロック図 第1実施形態に係るビット演算プロセッサの演算ステージの詳細構成を示す図 第2実施形態に係るキャッシュメモリの構成を示す図 第2実施形態に係るビット演算プロセッサの演算ステージの詳細構成を示す図 ビット演算プロセッサの動作を説明するためのラダー図とそのプログラム例 図7のプログラムで使用される変数のメモリへの割り付けを示す図 ビット演算プロセッサによって実行される命令の命令フォーマットを示す図 図7のプログラムに対する命令コード列がメモリに格納された様子を示す図 第1及び第2実施形態に係るビット演算プロセッサの動作例を示すタイムチャート 第2実施形態に係るビット演算プロセッサにおいてキャッシュミスが発生した場合の動作例を示すタイムチャート 第1実施形態に係るパイプライン構成を図14と対比して表現した図 典型的なRISCプロセッサのパイプライン構成を示す図 従来技術によるビット演算プロセッサの動作例を示すタイムチャート
以下、本発明を実施するための形態につき、図1から図13を用いて説明する。
《第1実施形態》
図1は、本発明の第1実施形態に係るプログラマブルコントローラが備えるビット演算プロセッサの内部構成及びパイプライン構成を示す図である。また、図13は、第1実施形態に係るパイプライン構成を図14の従来技術と対比して表現したものである。図1及び図13に示すように、本実施形態に係るパイプライン構成は、(1)プログラムカウンタ(PC)ステージ、(2)命令フェッチ(IF)ステージ、(3)デコード(D)ステージ、(4)メモリリード(R)ステージ、(5)演算実行(EX)ステージ、(6)メモリライト(W)ステージ、の6段からなる。
PCステージは、直前の命令アドレスを示すPC(プログラムカウンタ)101の値に定数「1」又は指定されたレジスタ値を加算する加算器102、加算結果又は分岐先アドレスを示すレジスタ値を選択するセレクタ103を備え、直前に選択された命令の次に実行すべき命令の命令アドレスを、当該ステージの出力として命令アドレスレジスタ111にセットする。IFステージは命令アドレスレジスタ111にセットされた命令アドレスに対応する命令を命令バッファ30から読み出し、命令レジスタ121にセットする。
Dステージは、読み出した命令を解釈するデコーダ122、デコーダ122によって命令から抜き出されたアドレスに指定されたレジスタ値を加算する加算器123を備え、デコードした命令がメモリアクセスを伴う場合はデータアドレスを生成してデータアドレスレジスタ131にセットする。また、図示は省略しているが、デコード結果に応じてレジスタ選択や演算機能選択などその後のステージの制御に必要な制御情報を取り出す。
Rステージは、データアドレスレジスタ131で示されたデータアドレスに該当するデータをデータメモリ20から読み出す。読み出されたデータは次のEXステージからのバイパスデータとの選択を行うセレクタ132を介してワードバッファ141にセットされる。また、データアドレスレジスタ131で示されたデータアドレスをWステージで再度利用できるように、データメモリ20内に備えるアドレス保持回路22にセットする。
EXステージは、ALU(Arithmetic Logic Unit:演算器)142、及びビットマージ機構143をもち、ワードバッファ141にセットされたデータ値及び/又は指定されたレジスタ値を使って命令で指示された演算を行う。このとき、ビットデータの演算を行う場合は、演算対象のワードデータのなかから指定されたビット位置のビットデータを抽出して演算を実行し、ビットマージ機構143を使用して当該ビット位置に演算結果のビットデータを埋め込んでワードデータを生成する。結果を格納する先がレジスタの場合はレジスタファイル152に書き込みを行い、格納する先がデータメモリ20の場合は格納すべき演算結果のデータをライトバッファ151に書き込む。
Wステージは、Rステージにてアドレス保持回路22にセットされたデータアドレス、つまりRステージでデータを読み出したのと同じデータメモリ20内のデータアドレスにライトバッファ151にセットされたデータを格納する。
図2は、第1実施形態に係るプログラマブルコントローラの全体構成を示す図である。図2に示すように、プログラマブルコントローラ1000は、CPU(Central Proseccing Unit)モジュール1、I/O(Input/Output)モジュール2A及び2B、それらを接続するI/Oバス3、CPUモジュール1に着脱可能に接続されるプログラム入力装置4を備えて構成される。I/Oモジュール2A,2Bは、それぞれI/Oバス接続回路とI/Oインターフェース回路を有しており、必要なI/Oの仕様と接点数に応じて種類と数を変えられるようになっている。
CPUモジュール1は、ビット演算プロセッサ10、データメモリ20、命令バッファ30、I/Oバス制御回路40、メモリコントローラ50、外部RAM(Random Access Memory)60、ROM(Read Only Memory)70、汎用マイクロプロセッサ80、通信I/F(Interface)90を備えて構成される。
データメモリ20に格納される所定アドレス範囲のデータ群は、それぞれがI/Oモジュール2A,2Bに接続された外部機器(図示省略)との間でやり取りされる入力データ又は出力データに対応する。I/Oバス制御回路40は、I/Oバス3を制御し、I/Oモジュール2A,2Bに接続された外部機器から得られる入力データをデータメモリ20に書き込み、また、データメモリ20から読み出した出力データをI/Oバス3経由でI/Oモジュール2A,2Bに接続された外部機器に出力する。
命令バッファ30は、ビット演算プロセッサ10から要求される命令アドレスに対する命令がバッファ内に蓄えられていればそれを返し、当該命令がバッファ内にない場合にはメモリコントローラ50に外部RAM60からの命令の読み込みを要求する。メモリコントローラ50は、ビット演算プロセッサ10、命令バッファ30、I/Oバス制御回路40、汎用マイクロプロセッサ80からの要求に応じて外部RAM60のリードライト又はROM70のリードを行う。また、汎用マイクロプロセッサ80は、通信I/F90を介してプログラム入力装置4からローディングされるラダープログラムを外部RAM60に書き込む等、プログラマブルコントローラ1000全体の制御を司る。汎用マイクロプロセッサ80を動作させるプログラムはROM70に格納されている。
なお、本実施形態においては、ビット演算プロセッサ10、データメモリ20、命令バッファ30、I/Oバス制御回路40、及びメモリコントローラ50は、システムLSI(Large Scale Integration)100に内蔵されているものとする。
図3は、本実施形態に係るデータメモリ20として好適な2ポートメモリを用いた場合の構成を示す図である。図3に示すように、データメモリ20は、アドレスセレクタ201、アドレス保持レジスタ221及び222を有するアドレス保持回路22、ライトアドレスセレクタ215、ライトデータセレクタ204、メモリアレイ21を備えて構成される。
アドレスセレクタ201は、ビット演算プロセッサ10のデータアドレスレジスタ131(図1)の値とI/Oバス制御回路40から出力されるI/Oデータアドレスのいずれかを選択する。アドレス保持レジスタ221,222は、Rステージの実行に使用されたデータアドレスを2サイクル後のWステージまで保持する。すなわち、Rステージの出力データとして1段目のアドレス保持レジスタ221にデータアドレスを保持し、その値をEXステージの出力データとして2段目のアドレス保持レジスタ222にコピーして保持することによって、Wステージで使用できるようにする。
ライトアドレスセレクタ215は、データアドレスレジスタ131の値とアドレス保持レジスタ222の値のいずれかを選択する。ライトデータセレクタ204は、ライトバッファ151の値とI/Oバス制御回路40から出力されるI/Oデータの値のいずれかを選択する。
メモリアレイ21は、リード用のポート1とライト用のポート2の2つが単一のサイクル内でアクセス可能な2ポートメモリで構成される。そのため、パイプライン処理されるある命令のRステージの処理と並列に実行される別命令のWステージの処理とを同一サイクル内に並列に実行することが可能となる。ここでは、メモリアレイ21は2ポートメモリとしたが、単一のサイクル内で1以上のリード用ポートと1以上のライト用ポートがアクセス可能な3ポート以上のメモリとしてもよい。なお、I/Oバス制御回路40からのメモリアクセス時にはリードとライトはそれぞれ独立して行うので、アドレス保持回路22は使用されない。
図4は、第1実施形態に係るビット演算プロセッサの演算ステージ(EXステージ、一部他ステージの要素を含む)の詳細構成を示す図である。図4に示すように、演算ステージは、ALU142の他に、ALU142の入力を選択するセレクタ144及び145、データメモリ20からリードされた1ワード(16ビット)のデータもしくはこの演算ステージの演算結果を次命令で再び演算に使用するためのバイパスデータのいずれかを選択するセレクタ132(Rステージの要素)、その選択されたワードデータを保持するワードバッファ141、演算結果であるALU142の出力を入力されたワードデータにマージするビットマージ機構143、ビットマージされたデータを保持するライトバッファ151、アキュムレータや汎用レジスタなどのデータを保持するレジスタファイル152(Wステージの要素)を備えて構成される。ALU142は1ビット長又は1ワード即ち16ビット長の演算を行うことができる。
図9は、ビット演算プロセッサ10によって実行される命令の命令フォーマットを示す図である。図9に示すように、命令には2つの形式があるが、いずれも32ビット固定長である。命令形式1は、5ビットの命令コード(OP:Operation)、4ビットのビット位置フィールド(BA:Bit Address)、23ビットのワードアドレスフィールド(WA:Word Address)からなり、ビットデータを対象とする。命令形式2は、5ビットの命令コード(OP)、4ビットのレジスタ指定フィールド(RA:Register Address)、23ビットのワードアドレスフィールド(WA)からなり、ワードデータを対象とする。
次に、図7及び図8に示したラダープログラムを例にとり、図1を参照しつつ、本実施形態に係るビット演算プロセッサ10の動作を図11のタイムチャートを使って説明する。図10は、図7(b)のラダープログラムに対する前記した命令形式1の命令コード列がプログラムメモリ(外部RAM60)に格納された様子を示したものであり、アドレスA番地から順に命令コード列が格納されているものとする。
先ず、1番目のLD命令は、サイクルt0から開始され、サイクルt5までそのまま実行される。このとき、サイクルt0(PCステージ)では、LD命令のアドレスが計算されて命令アドレスレジスタ111にセットされる。サイクルt1(IFステージ)では、命令バッファ30から当該命令がリードされて命令レジスタ121にセットされる。サイクルt2(Dステージ)では、命令がデコードされ、LD命令であることが認識される。1番目のLD命令では、リードすべきワードアドレスは命令中で直接指定されているので、該当するワードアドレスがデータアドレスレジスタ131にセットされる。サイクルt3(Rステージ)では、データメモリ20から、対象となるビットデータを含む1ワード分のデータが読み込まれ、ワードバッファ141にセットされる。サイクルt4(EXステージ)では、対象となる変数X0のビットが抜き出されてレジスタファイル152に含まれるアキュムレータにセットされる。サイクルt5(Wステージ)では何の動作も行わない(図の網かけ表示部分)。
2番目のAND命令は、サイクルt1から開始され、サイクルt6までそのまま実行される。なお、サイクルt6(Wステージ)では何の動作も行わない。このとき、PCステージからRステージまでは1番目のLD命令と同様に実行される。サイクルt5(EXステージ)では、対象となる変数X1のビットを抜き出したのちにALU142でアキュムレータの内容との論理積を計算し、再びアキュムレータにセットする。本実施例ではEXステージの前に実行されるRステージにおいて、変数X1を含むワードデータがリードされるので、従来技術の例(図15)のようにAND命令のEXステージでパイプライン処理がストールすることはない。
3番目のST命令は、サイクルt2から開始されサイクルt7までそのまま実行される。PCステージからRステージまでは1番目のLD命令と同様に実行される。ST命令においてもRステージにて事前にデータのリードを行うことが本実施形態の大きな特徴である。サイクルt6(EXステージ)では、アキュムレータ値(1ビット)が読み出され、ワードバッファ141の値(1ワード)にマージされた結果がライトバッファ151にセットされる。サイクルt7のWステージでは、データメモリ20にライトバッファ151の内容が格納される。その際、格納先のメモリアドレスとしては、Rステージで使用した値を保持しているアドレス保持回路22に記憶された内容が使用される。このように、本実施形態のパイプライン構成によれば、1ビットデータの書き込みを行う際においてもパイプライン処理のストールは発生しない。
以下同様の動作により、4番目のLD命令はサイクルt3からサイクルt8にかけて、5番目のOR命令はサイクルt4からサイクルt9にかけて、6番目のST命令はサイクルt5からサイクルt10にかけて、それぞれパイプライン処理がストールすることなく実行される。このように、本実施形態によれば、6命令を実行する間にパイプライン処理のストールは全く発生せず、図7(b)に示した6命令で記述される処理を実行するのに要するサイクル数を、従来技術の17サイクルから11サイクルに短縮することができる。
以上説明したように、第1実施形態に係るビット演算プロセッサを備えたプログラマブルコントローラによれば、ラダー言語処理に特有のビット演算処理をパイプライン処理のストールなしに1サイクルピッチで実行できるので、ラダー言語によって記述されたプログラムを高速に実行することができる。
《第2実施形態》
続いて、第1実施形態におけるデータメモリ20(図2参照)をキャッシュメモリによって構成する本発明の第2実施形態について説明する。図5は、第2実施形態に係るキャッシュメモリの構成を示す図である。図5に示すように、データメモリ20としてのキャッシュメモリ20Aは、2ウェイセットアソシアティブ方式のキャッシュメモリであり、アドレスセレクタ201A、インデックス保持レジスタ221A及び222A、ウェイセレクタ203、ライトデータセレクタ204A、ウェイ0タグメモリ205、ウェイ1タグメモリ206、LRU(Least Recently Used)メモリ207、ウェイ0データメモリ208、ウェイ1データメモリ209、ヒット判定回路210、ライトバック制御回路211、ウェイデータセレクタ212、ウェイ保持レジスタ213及び214を備えて構成される。図1のアドレス保持回路22は、インデックス保持レジスタ221A,222Aを有するアドレス保持回路1(22A)と、ウェイ保持レジスタ213,214を有するアドレス保持回路2(22B)によって構成される。
ウェイデータメモリ208及び209は、それぞれ256個のエントリを持ち、各エントリはそれぞれ16バイト(8ワード)のデータを保持する。キャッシュメモリのアクセス単位は16バイトであり、この16バイト単位のデータを1ラインと呼ぶ。タグメモリ205及び206は、それぞれ256個のエントリを持ち、各エントリは、有効ビットV(Valid)、ダーティビットD(Dirty)及びタグアドレス(図5では「タグ」と略記)からなる。LRUメモリ207は256個のエントリを持ち、最近使用されたウェイを保持する。
アドレスセレクタ201Aは、ビット演算プロセッサ10のデータアドレスレジスタ131(図1)の値とI/Oバス制御回路40から出力されるI/Oデータアドレスのいずれかを選択し、そのなかから12ビットのタグアドレスと8ビットのインデックス値を抽出する。インデックス保持レジスタ221A,222Aは、Rステージの実行に使用されたデータアドレスから抜き出されたインデックス値の部分(8ビット)を2サイクル後のWステージまで保持する。同様に、ウェイ保持レジスタ213,214は、RステージにてヒットしたウェイをWステージまで保持する。
ウェイセレクタ203は、2段目のインデックス保持レジスタ222Aに記憶されたインデックス値と2段目のウェイ保持レジスタ214に記憶されたヒットウェイを、Wステージにて書き込みを行うインデックス値とウェイとしてウェイデータメモリ208,209に出力する。ライトデータセレクタ204Aは、後記するライトバッファ151Aの値とI/Oバス制御回路40から出力される1ライン分のI/Oデータの値のいずれかを選択する。
ヒット判定回路210は、アクセスするデータアドレスの上位12ビットとタグメモリ205,206から出力されるタグ値をウェイごとに比較し、ヒット又はミスを判定する。ウェイデータセレクタ212は、ヒット判定回路210の出力によってウェイ0データ又はウェイ1データのいずれかのラインデータを選択する。なお、I/Oバス制御回路40からのキャッシュアクセス時にはキャッシュのリードとライトをそれぞれ独立して行うため、アドレス保持回路1,2(22A,22B)は使用されない。
ライトバック制御回路211は、キャッシュミス時にLRUメモリ207の出力が示す追い出しウェイ(最近使用されたウェイでない方のウェイ)の対象エントリがライトバックモードの対象となるアドレス範囲に含まれていてダーティであった場合、つまり、データの更新が行われていた場合は、タグと同時に読み出されているデータをメモリコントローラ50に送って外部RAM60(図2)の記憶内容を更新させる。なお、I/Oデータアドレスに相当する所定のアドレス範囲については、動作をライトスルーモードに切り替えて直ちに記憶内容の更新を行わせるので、ライトバック動作は行わない。また、不図示のリード制御回路により、当該追い出した対象エントリにキャッシュミスとなったラインデータを読み込む。
なお、これらキャッシュメモリ20Aを構成するタグメモリ205,206及びウェイデータメモリ208,209は、単一サイクル内でリード用のポートとライト用のポートの2つが並列にアクセス可能な2ポート以上のメモリで構成することが好ましく、それによってメモリへのアクセスが競合することによって生じるパイプライン処理のストールをなくすことができる。また、ここではキャッシュメモリ20Aは2ウェイセットアソシアティブ方式としたが、3ウェイ以上のセットアソシアティブ方式やフルアソシアティブ方式としてもよい。
図6は、第2実施形態に係るビット演算プロセッサの演算ステージ(EXステージ、一部他ステージの要素を含む)の詳細構成を示す図である。図6に示すように、この演算ステージ構成は、前記の第1実施形態に係る演算ステージ構成(図4)における入力及び出力データのサイズを1ライン長(16バイト=128ビット)に変更するとともに、1ライン長のデータを保持しておいて演算結果のワードデータをマージするための手段を付加したものであり、その他の構成要素は図4と同様であるので重複する説明を省略する。
セレクタ132A(Rステージの要素)は、キャッシュメモリ20Aからリードされた1ライン長(16バイト)のデータのなかの1ワード(16ビット)もしくはこの演算ステージの演算結果を次命令で再び演算に使用するためのバイパスデータのいずれかを選択する。ラインバッファ146は、リードされた1ライン長のデータを保持する。また、ワードマージ機構147は、ビットマージ機構143の出力である演算結果のワードデータをラインバッファ146に保持されているラインデータにマージする。ライトバッファ151Aはマージされた1ライン分のデータを保持する。
ここで、前記と同様に、図7及び図8に示したラダープログラムを例にとり、本実施形態に係るビット演算プロセッサの動作を説明する。キャッシュメモリ20Aがリード動作とライト動作を単一のサイクルで実行可能な2ポートメモリによって構成されており、かつ、対象データが全てキャッシュヒットするものと仮定した場合の動作は、前記した図11のタイムチャートと同様である。本実施形態の動作が前記の第1実施形態と異なるのは、Rステージ及びWステージにおけるデータのリード及びライトが1ラインの単位で行われ、EXステージでは、セレクタ132Aによって抽出された対象ワードに対して演算を実行し、演算結果のワードデータを、ラインバッファ146に保持しておいたラインデータにマージしてライトするラインデータを生成する点にある。
次に、図7(b)のラダープログラムにおける3番目のST命令でキャッシュミスが起こった場合の動作を図12のタイムチャートを使って説明する。1番目のLD命令と2番目のAND命令の動作は図11の場合と同じである。3番目のST命令のRステージ(サイクルt5)でキャッシュミスが発生すると、メモリコントローラ50を介して外部RAM60のデータを読み込むために、例えばサイクルt5からサイクルt14までパイプライン処理がストールする。しかし、サイクルt15でRステージが再開されたのちは、パイプライン処理のストールなしに実行される。このようにST命令に対するキャッシュミスが発生した場合であっても、Rステージにおいてキャッシュラインの入れ替えを行うだけで済むのでキャッシュの制御が単純になる。
なお、ST命令の次命令がアクセスするデータアドレスがST命令と同一インデックス値を有しており、かつ、次命令がキャッシュミスとなった場合でも、2ウェイセットアソシアティブ以上のキャッシュメモリであれば、当該ST命令がWステージでラインデータを上書きする前に当該エントリがパージされてしまっていることはない。
以上説明したように、第2実施形態に係るキャッシュメモリを内蔵したビット演算プロセッサを備えたプログラマブルコントローラによれば、ラダー言語処理に特有のビット演算処理をパイプライン処理のストールなしに1サイクルピッチで実行できるので、ラダー言語によって記述されたプログラムを高速に実行することができる。
以上にて本発明を実施する形態の説明を終えるが、本発明の実施の態様はこれに限られるものではなく、本発明の趣旨を逸脱しない範囲内で各種の変更が可能である。
1 CPUモジュール
2A,2B I/Oモジュール
3 I/Oバス
4 プログラム入力装置
10 ビット演算プロセッサ
20 データメモリ
20A キャッシュメモリ
21 メモリアレイ
22,22A,22B アドレス保持回路
30 命令バッファ
40 I/Oバス制御回路
50 メモリコントローラ
60 外部RAM
70 ROM
80 汎用マイクロプロセッサ
90 通信I/F
100 システムLSI
1000 プログラマブルコントローラ

Claims (6)

  1. ビット演算処理の対象となる1ビットのデータを複数個まとめたワードの単位でメモリの読み書きを行うプログラマブルコントローラであって、
    プログラムに含まれるビット演算処理命令列を、パイプライン処理機構によって並列に実行するビット演算プロセッサを備え、
    前記ビット演算プロセッサが備えるパイプラインステージは、演算対象となるデータをワード単位でメモリから読み込むリードステージの次に演算ステージがあり、前記演算ステージの次に、前記演算ステージによって演算されたビット演算の結果を含むワードデータを前記リードステージで読み込んだデータと同じアドレスに書き込むライトステージがある
    ことを特徴とするプログラマブルコントローラ。
  2. 前記メモリは、
    少なくとも2ウェイ以上のセットアソシアティブ方式又はフルアソシアティブ方式のキャッシュメモリであり、
    前記リードステージにて読み込んだキャッシュエントリのインデックス情報及びウェイ情報を、前記ライトステージまで保持するアドレス保持回路を備える
    ことを特徴とする請求項1に記載のプログラマブルコントローラ。
  3. 前記ビット演算プロセッサは、
    前記ビット演算処理命令のなかのビットデータのストア命令を実行するときに、
    前記リードステージにてストア対象のビットを含む元のワードデータを読み込んで記憶部に保持しておき、
    前記演算ステージにて演算された前記ビット演算の結果のビットデータを、前記保持した元のワードデータにマージする
    ことを特徴とする請求項1または請求項2に記載のプログラマブルコントローラ。
  4. 前記メモリは、単一のパイプラインステージ処理サイクル時間内に1回以上のリードと1回以上のライトとを行うことができる2ポート以上のメモリである
    ことを特徴とする請求項1または請求項2に記載のプログラマブルコントローラ。
  5. キャッシュヒット判定を前記リードステージで行い、前記ライトステージでは前記アドレス保持回路に保持された前記インデックス情報及びウェイ情報によって示されるキャッシュエントリに、前記ビット演算の結果を含むワードデータがマージされたラインデータを書き込む
    ことを特徴とする請求項2に記載のプログラマブルコントローラ。
  6. ストアするアドレス範囲によってライトスルーモードとライトバックモードを切り替える
    ことを特徴とする請求項2に記載のプログラマブルコントローラ。
JP2010275719A 2010-12-10 2010-12-10 プログラマブルコントローラ Active JP5480793B2 (ja)

Priority Applications (3)

Application Number Priority Date Filing Date Title
JP2010275719A JP5480793B2 (ja) 2010-12-10 2010-12-10 プログラマブルコントローラ
CN201180059507.9A CN103262029B (zh) 2010-12-10 2011-11-28 可编程控制器
PCT/JP2011/077328 WO2012077516A1 (ja) 2010-12-10 2011-11-28 プログラマブルコントローラ

Applications Claiming Priority (1)

Application Number Priority Date Filing Date Title
JP2010275719A JP5480793B2 (ja) 2010-12-10 2010-12-10 プログラマブルコントローラ

Publications (2)

Publication Number Publication Date
JP2012123719A true JP2012123719A (ja) 2012-06-28
JP5480793B2 JP5480793B2 (ja) 2014-04-23

Family

ID=46207008

Family Applications (1)

Application Number Title Priority Date Filing Date
JP2010275719A Active JP5480793B2 (ja) 2010-12-10 2010-12-10 プログラマブルコントローラ

Country Status (3)

Country Link
JP (1) JP5480793B2 (ja)
CN (1) CN103262029B (ja)
WO (1) WO2012077516A1 (ja)

Families Citing this family (1)

* Cited by examiner, † Cited by third party
Publication number Priority date Publication date Assignee Title
GB2529892B (en) * 2014-09-08 2017-04-12 Imagination Tech Ltd Efficient loading and storing of data

Citations (7)

* Cited by examiner, † Cited by third party
Publication number Priority date Publication date Assignee Title
JPH05120135A (ja) * 1991-10-25 1993-05-18 Oki Electric Ind Co Ltd キヤツシユ制御方式
JPH0954694A (ja) * 1995-08-16 1997-02-25 Nec Corp パイプラインプロセッサおよびその処理方法
JPH11119995A (ja) * 1997-10-09 1999-04-30 Nec Corp データ処理装置および方法
JP2001290702A (ja) * 2000-04-05 2001-10-19 Nec Corp 記憶装置
JP2003044357A (ja) * 2001-07-27 2003-02-14 Nec Computertechno Ltd キャッシュ先取り方式
JP2003196084A (ja) * 2001-12-25 2003-07-11 Toshiba Corp リードモディファイライトユニットを有するシステム
JP2008129771A (ja) * 2006-11-20 2008-06-05 Konica Minolta Business Technologies Inc メモリシステムおよび情報処理装置

Family Cites Families (5)

* Cited by examiner, † Cited by third party
Publication number Priority date Publication date Assignee Title
US5933651A (en) * 1995-09-29 1999-08-03 Matsushita Electric Works, Ltd. Programmable controller
JPH0997180A (ja) * 1995-09-29 1997-04-08 Matsushita Electric Works Ltd プログラマブルコントローラ
JP2001125770A (ja) * 1999-10-29 2001-05-11 Matsushita Electric Works Ltd 演算方法及び演算装置
JP2005242457A (ja) * 2004-02-24 2005-09-08 Matsushita Electric Works Ltd プログラマブルコントローラ
EP2148272B1 (en) * 2007-05-17 2012-08-08 Fujitsu Limited Calculation unit, processor, and processor architecture

Patent Citations (7)

* Cited by examiner, † Cited by third party
Publication number Priority date Publication date Assignee Title
JPH05120135A (ja) * 1991-10-25 1993-05-18 Oki Electric Ind Co Ltd キヤツシユ制御方式
JPH0954694A (ja) * 1995-08-16 1997-02-25 Nec Corp パイプラインプロセッサおよびその処理方法
JPH11119995A (ja) * 1997-10-09 1999-04-30 Nec Corp データ処理装置および方法
JP2001290702A (ja) * 2000-04-05 2001-10-19 Nec Corp 記憶装置
JP2003044357A (ja) * 2001-07-27 2003-02-14 Nec Computertechno Ltd キャッシュ先取り方式
JP2003196084A (ja) * 2001-12-25 2003-07-11 Toshiba Corp リードモディファイライトユニットを有するシステム
JP2008129771A (ja) * 2006-11-20 2008-06-05 Konica Minolta Business Technologies Inc メモリシステムおよび情報処理装置

Also Published As

Publication number Publication date
CN103262029B (zh) 2015-10-14
JP5480793B2 (ja) 2014-04-23
WO2012077516A1 (ja) 2012-06-14
CN103262029A (zh) 2013-08-21

Similar Documents

Publication Publication Date Title
US10901913B2 (en) Two address translations from a single table look-aside buffer read
US7434024B2 (en) SIMD processor with register addressing, buffer stall and methods
CN110806900B (zh) 一种访存指令处理方法及处理器
KR101839479B1 (ko) 더 넓은 레지스터에의 모드 의존형 부분 폭 로드 프로세서들, 방법들, 및 시스템들
US7836253B2 (en) Cache memory having pipeline structure and method for controlling the same
JP2017538213A (ja) アウトオブオーダーハードウェアソフトウェア協調設計プロセッサにおいてスタック同期命令を用いてプレディケート値のスタックを実装し維持する方法および装置
CN101432703B (zh) 用于高速缓存可变长度指令的方法及设备
JP7626527B2 (ja) グラフアプリケーション内の圧縮されたリストに効率的にアクセスするための間接参照のロード及びストアへのisaサポートのシステム及び方法
US8145804B2 (en) Systems and methods for transferring data to maintain preferred slot positions in a bi-endian processor
CN101727406B (zh) 组相联方式的高速缓存装置、高速缓存方法及处理器系统
JPH10228376A (ja) 複数レジスタ命令を処理する方法及びプロセッサ
JP5625809B2 (ja) 演算処理装置、情報処理装置及び制御方法
US20100318766A1 (en) Processor and information processing system
WO1996008769A1 (en) Computer instruction prefetch system
US20080162903A1 (en) Information processing apparatus
US20100106910A1 (en) Cache memory and method of controlling the same
JP5480793B2 (ja) プログラマブルコントローラ
US7159078B2 (en) Computer system embedding sequential buffers therein for performing a digital signal processing data access operation and a method thereof
EP0706120A1 (en) Method and system for memory addressing
JP2008257508A (ja) キャッシュ制御方法およびキャッシュ装置並びにマイクロコンピュータ
US7290120B2 (en) Microprocessor having a power-saving fetch and decoding unit for fetching and decoding compressed program instructions and having a program instruction sequencer
JPH08249175A (ja) スーパースカラ・プロセッサ装置内の非アーキテクト命令を選択的にサポートする方法及び装置
JPH07200406A (ja) キャッシュシステム
JP2877468B2 (ja) 電子計算機
JP4553622B2 (ja) データ処理装置

Legal Events

Date Code Title Description
A621 Written request for application examination

Free format text: JAPANESE INTERMEDIATE CODE: A621

Effective date: 20121129

A131 Notification of reasons for refusal

Free format text: JAPANESE INTERMEDIATE CODE: A131

Effective date: 20130604

A521 Request for written amendment filed

Free format text: JAPANESE INTERMEDIATE CODE: A523

Effective date: 20130802

A131 Notification of reasons for refusal

Free format text: JAPANESE INTERMEDIATE CODE: A131

Effective date: 20131119

A521 Request for written amendment filed

Free format text: JAPANESE INTERMEDIATE CODE: A523

Effective date: 20140120

TRDD Decision of grant or rejection written
A01 Written decision to grant a patent or to grant a registration (utility model)

Free format text: JAPANESE INTERMEDIATE CODE: A01

Effective date: 20140204

A61 First payment of annual fees (during grant procedure)

Free format text: JAPANESE INTERMEDIATE CODE: A61

Effective date: 20140214

R150 Certificate of patent or registration of utility model

Ref document number: 5480793

Country of ref document: JP

Free format text: JAPANESE INTERMEDIATE CODE: R150