JP2010040898A - パターンレイアウトの修正方法 - Google Patents

パターンレイアウトの修正方法 Download PDF

Info

Publication number
JP2010040898A
JP2010040898A JP2008203936A JP2008203936A JP2010040898A JP 2010040898 A JP2010040898 A JP 2010040898A JP 2008203936 A JP2008203936 A JP 2008203936A JP 2008203936 A JP2008203936 A JP 2008203936A JP 2010040898 A JP2010040898 A JP 2010040898A
Authority
JP
Japan
Prior art keywords
pattern
calculating
calculated
statistic
layout
Prior art date
Legal status (The legal status is an assumption and is not a legal conclusion. Google has not performed a legal analysis and makes no representation as to the accuracy of the status listed.)
Granted
Application number
JP2008203936A
Other languages
English (en)
Other versions
JP2010040898A5 (ja
JP4869299B2 (ja
Inventor
Suigen Kyo
帥 現 姜
Current Assignee (The listed assignees may be inaccurate. Google has not performed a legal analysis and makes no representation or warranty as to the accuracy of the list.)
Toshiba Corp
Original Assignee
Toshiba Corp
Priority date (The priority date is an assumption and is not a legal conclusion. Google has not performed a legal analysis and makes no representation as to the accuracy of the date listed.)
Filing date
Publication date
Application filed by Toshiba Corp filed Critical Toshiba Corp
Priority to JP2008203936A priority Critical patent/JP4869299B2/ja
Priority to US12/536,848 priority patent/US20100037193A1/en
Publication of JP2010040898A publication Critical patent/JP2010040898A/ja
Publication of JP2010040898A5 publication Critical patent/JP2010040898A5/ja
Application granted granted Critical
Publication of JP4869299B2 publication Critical patent/JP4869299B2/ja
Expired - Fee Related legal-status Critical Current
Anticipated expiration legal-status Critical

Links

Images

Classifications

    • GPHYSICS
    • G03PHOTOGRAPHY; CINEMATOGRAPHY; ANALOGOUS TECHNIQUES USING WAVES OTHER THAN OPTICAL WAVES; ELECTROGRAPHY; HOLOGRAPHY
    • G03FPHOTOMECHANICAL PRODUCTION OF TEXTURED OR PATTERNED SURFACES, e.g. FOR PRINTING, FOR PROCESSING OF SEMICONDUCTOR DEVICES; MATERIALS THEREFOR; ORIGINALS THEREFOR; APPARATUS SPECIALLY ADAPTED THEREFOR
    • G03F1/00Originals for photomechanical production of textured or patterned surfaces, e.g., masks, photo-masks, reticles; Mask blanks or pellicles therefor; Containers specially adapted therefor; Preparation thereof
    • G03F1/36Masks having proximity correction features; Preparation thereof, e.g. optical proximity correction [OPC] design processes

Landscapes

  • Physics & Mathematics (AREA)
  • General Physics & Mathematics (AREA)
  • Design And Manufacture Of Integrated Circuits (AREA)
  • Internal Circuitry In Semiconductor Integrated Circuit Devices (AREA)

Abstract

【課題】プロセスパラメータのばらつきが生じても仕様に合致した素子の製造を可能にするパターンレイアウトの修正方法を提供する。
【解決手段】設計レイアウトに対応するパターンを基板上に形成するためのプロセスパラメータのばらつきを反映させた複数の条件でプロセスシミュレーションを実行することにより、前記パターンの複数の仕上がりパターンを予測し(ステップS4)、得られた複数の仕上がりパターンの寸法を算出し(ステップS5)、算出された寸法から所定の統計量を算出し(ステップS6)、該統計量と予め設定された仕様とを比較し(ステップS7)、仕様を満たさない場合に(ステップS8)修正量を算出し(ステップS9)、算出された前記修正量に基づいて前記設計レイアウトを修正する(ステップS10)。
【選択図】図1

Description

本発明は、パターンレイアウトの修正方法に関し、例えば半導体装置のゲートトランジスタのパターンを対象とする。
半導体装置の微細化に伴い半導体装置基板上で設計回路どおりにパターンを形成することが困難になってきている。例えば、リソグラフィ工程などでは使用可能な露光装置の解像力の向上が半導体装置の微細化の進展に追いつかず、その結果、リソグラフィ工程でのパターン転写品質が低下してしまう。また、このような解像力の低い露光装置を使うことにより、例えば露光量やフォーカス値などのプロセスパラメータの微小なばらつきがパターン形状のより一層の劣化を引き起こす。特に、半導体装置のトランジスタを動作させるゲートパターンは形状に対する要求が厳しくナノメートル(nm)オーダーの形状管理が必要とされている。理想的な形状である設計パターンと実際にウェーハ上で形成されるパターンとの差異による特性差が無視できないレベルに達しているため、プロセスシミュレーションを行って形状を算出し、算出された形状の理想的な形状からの特性差を求め、その特性差を半導体装置の設計段階へフィードバックすることが提案されている(例えば非特許文献1)。
しかしながら、非特許文献1で述べられている方法は形状の劣化による特性差を出力することはできるが、形状劣化によるトランジスタ特性の劣化を補償することまではできないという問題があった。
Wojtek J. Poppea, "From Poly Line to Transistor: Building BSIM Models for Non−Rectangular Transistors" SPIE vol.6156 26, 2006
本発明の目的は、プロセスパラメータのばらつきが生じても仕様に合致した素子の製造を可能にするパターンレイアウトの修正方法を提供することにある。
本発明の第1の実施の態様によれば、
設計レイアウトに対応するパターンを基板上に形成するためのプロセスのパラメータのばらつきを反映させた複数の条件でプロセスシミュレーションを実行することにより、前記パターンの複数の仕上がりパターンを予測する工程と、
得られた複数の仕上がりパターンの寸法を算出する工程と、
算出された寸法から所定の統計量を算出する工程と、
前記統計量と予め設定された仕様とを比較する工程と、
前記仕様を満たさない場合に修正量を算出する工程と、
算出された前記修正量に基づいて前記設計レイアウトを修正する工程と、
を備えるパターンレイアウトの修正方法が提供される。
また、本発明の第2の実施の態様によれば、
デバイスの設計レイアウトに対応するパターンを基板上に形成するためのプロセスのパラメータのばらつきを反映させた複数の条件でプロセスシミュレーションを実行することにより、前記パターンの複数の仕上がりパターンを予測する工程と、
得られた複数の仕上がりパターンの寸法を算出する工程と、
算出された寸法からデバイス特性値を導出する工程と、
得られた前記デバイス特性値から所定の統計量を算出する工程と、
算出された統計量と予め設定された仕様とを比較する工程と、
前記仕様を満たさない場合に修正量を算出する工程と、
算出された前記修正量に基づいて前記パターンのレイアウトを修正する工程と、
を備えるパターンレイアウトの修正方法が提供される。
さらに、本発明の第3の実施の態様によれば、
半導体素子のチップ設計データから、設計パターンレイアウトを、チップ内の第1の領域に属すべき第1のパターンレイアウトと、前記第1の領域とは仕様およびデバイス特性値のいずれかが異なる第2の領域に属する第2のパターンレイアウトとに選別する工程と、
前記第1のパターンレイアウトからプロセスパラメータのばらつきを反映させた複数の条件でプロセスシミュレーションを行いパターンの第1の仕上がり形状を計算する工程と、
前記第1の仕上がり形状から第1の寸法を算出する工程と、
算出した第1の寸法から前記複数の条件下での第1のデバイス特性値を導出する工程と
得られた第1のデバイス特性値から第1の統計量を算出する工程と、
前記第1の統計量と予め設定された第1の仕様とを比較する工程と、
前記第1の仕様を満たさない場合に第1の修正量を算出する工程と、
算出された前記第1の修正量に基づいて前記第1のパターンレイアウトを修正する工程と、
前記第2のパターンレイアウトからプロセスパラメータのばらつきを反映させた複数の条件でプロセスシミュレーションを行いパターンの第2の仕上がり形状を計算する工程と、
前記第2の仕上がり形状から第2の寸法を算出する工程と、
算出した第2の寸法から前記複数の条件下での第2のデバイス特性値を導出する工程と
得られた第2のデバイス特性値から第2の統計量を算出する工程と、
前記第2の統計量と予め設定された第2の仕様とを比較する工程と、
前記第2の仕様を満たさない場合に第2の修正量を算出する工程と、
算出された前記第2の修正量に基づいて前記第2のパターンレイアウトを修正する工程と、
を備えるパターンレイアウトの修正方法が提供される。
本発明によれば、プロセスパラメータのばらつきが生じても仕様に合致した素子を製造することが可能になる。
本発明はトランジスタを動作させるゲートパターンに対して特に有効であるため、以下の実施の形態ではゲートパターンに適用した形態について図面を参照しながら説明する。以下の各図では同一の部分には同一の参照番号を付してその重複説明は適宜省略する。
(1)第1の実施の形態
本実施形態による処理フローを図1のフローチャートに示す。なお、同図中、nはゲートの総数を表す。
まず、トランジスタパターンを含む設計データを取り込み(ステップS1)、取り込んだ設計データに対して光近接効果補正などを施すことにより、マスクデータを作成する(ステップS2)。
次いで、n=1とし(ステップS3)、作成されたマスクデータを用いてプロセスパラメータのばらつきを反映させた複数の条件の下でプロセスシミュレーションを行い、プロセスシミュレーションの結果からゲートパターンの形状を導出する(ステップS4)。得られたパターン形状からゲート長の寸法を算出する(ステップS5)。
次に、トランジスタの特性を決定するゲート長の出現頻度分布を得る(ステップS6)。
得られた出現頻度分布から所定の統計量を求め、この統計量と各トランジスタに割り当てられるゲート長の仕様(スペック)とを比較し(ステップS7)、統計量が仕様を満たしていれば修正は不要であるが(ステップS8)、仕様を満たしていない場合には修正が必要と判定されて(ステップS8)、修正量を算出し(ステップS9)、設計データに対して修正量分だけ修正を行い(ステップS10)、再度処理フローを行う(ステップS2〜S8)。なお、修正量の算出は、修正が必要であるとの判定と同時に行われるとより好適である。
以上の検証手順は全てのゲートについて実行される(ステップS11,S12)。
次に、図1のステップS4およびS6乃至S10の処理内容を中心に本実施形態の処理フローをより詳細に説明する。
ステップS4の処理で行われるプロセスシミュレーションでは、各プロセスのプロセスパラメータに、理想の値からずれた状態、即ち、ばらつきを与えた状態で実行する。プロセスパラメータは、例えば露光波長、露光量(dose)、露光装置のレンズの開口数(NA)、露光装置の照明形状(σ、ε)、焦点位置(focus)、マスクの位相・透過率、および現像・レジストプロセス等のパラメータを含む。本実施形態では、例えばリソグラフィプロセスにおいて露光量や焦点位置にばらつきを与える。ばらつきの与え方としては各プロセスパラメータの理想的な値からのずれが独立にかつ一定の分布に従うものと仮定した。図2は、横軸にdoseばらつきをとり縦軸にfocusばらつきをとってこれらの組合せをプロットしたものである。その際に、各々ばらつきの出現頻度は正規分布に従うものと仮定した。このように各プロセスパラメータのばらつきの値を決定した後、それぞれプロセスパラメータのばらつきが与えられた複数の条件の下にプロセスシミュレーションを行った。その結果、図3のゲート部分平面図の一例に示されるように、プロセスパラメータのばらつきを反映させた各条件の下でシミュレーション形状を求めることができる。
次に、図1ステップS6のゲート長の出現頻度分布を求める処理について説明する。まず、上述したステップS2で導出されたシミュレーション形状に対してゲート長を算出する。図4はゲート長算出方法の一例を説明する図である。例えば同図(a)に示す例では、トランジスタがアクティブになる素子領域DA1と重複する領域において、ゲート方向(ゲートが延びる方向)での両端の中点でゲート長の算出を行い、その算出値をゲートの代表的な寸法値とした。また、図4(b)に示す例では素子領域DA1に加えてゲート長方向に所定の領域CRa,CRbを追加した範囲において、ゲート長の測定を複数回行い、例えばその平均値を代表的なゲート長とした。ここでは、領域CRa,CRbにおいてもゲート長を測長する。このような手法を用いてプロセスシミュレーション形状から予測される仕上がりでのトランジスタのゲート長を導出する。次に、このようなゲート長の算出をプロセス条件毎に行うことにより、図5に示すようなゲート長分布を得ることができる。ここで、横軸はゲート長Lpolyの寸法であり、縦軸はそれらのゲート長となる出現頻度である。ここではゲート長のねらい目寸法が40nmであるトランジスタの分布を示した。
続いて、図1ステップS7のゲート長の仕様との比較について述べる。ステップS6でゲート長の寸法分布が得られれば、これらの統計的な量を用いて様々なゲート長の仕様との比較が可能になる。ゲート長の仕様としては、例えば図6で示すように寸法分布のメディアン(median)値が、ねらい目寸法に一致していることや、図7で示すように寸法分布の平均値がねらい目寸法に一致していることや、さらに、図8に示すように寸法分布の最小値と最大値の中心がねらい目寸法に一致していることなどが考えられる。ここでの最小値および最大値は、その範囲外の数値(ゲート長値)となる確率が一定値以下とするような値として定義することができる。ゲート長の仕様としては、上記統計量が、ねらい目寸法に一致する場合のみならず、ねらい目寸法から一定の範囲内に収まっている場合でもよい。
このように、ゲート長の出現頻度分布から求められる統計量とねらい目寸法との差異とゲート長の仕様とを比較すれば、プロセスパラメータのばらつきを反映させた複数条件下でのシミュレーション結果が仕様を満たしているかどうかを判定することができる。ゲート長の仕様は予め決められた値であり、例えばねらい目寸法に対してのずれが1.5%以内であることというように規定される。
次に、図1のステップS8乃至S10では、ステップS7での比較によりゲート長の仕様を満たしていないと判定された場合、当該トランジスタに対して設計パターンの修正を施す。その修正量はステップS7で求めた統計量とねらい目寸法との差異を設計データに対して修正することになる。例えば図6で示すように、メディアン(median)値がねらい目寸法に対して0.8nm細い場合は、設計データを0.8nmだけ太くする修正を行うことでメディアン(median)値とねらい目寸法とを合致させることが可能になる。また、パターン修正量が必ずしも統計量の変化と一致しない場合は、統計量とねらい目寸法との差異に一定係数をかけたものを修正量としても良い。
また、図7に示すように、ゲート長分布の平均値とねらい目寸法との差異を解消すべく設計データに修正を施すことが可能である。同様に、図8で示すようにゲート長分布の最小値および最大値の中点とねらい目寸法との差異を解消すべく設計データに修正を加えることが可能である。なお、設計データのゲート長に直接修正を加えたくないような場合は、例えば当該トランジスタを囲むように修正量に応じた識別図形を設計データに貼っておき、再度ステップS1に戻ってマスクデータを作成する際に、識別図形に対応する修正量を勘案してマスクデータを作成する方法などが考えられる。
以上のように修正を施した設計データに対してマスクデータ作成(ステップS2)、プロセスシミュレーション(ステップS4)、ゲート長分布導出(ステップS5、S6)、ゲート長の仕様との比較(ステップS7)の工程を繰り返し行い、全てのトランジスタゲートで仕様を満たせば、そのときの設計データを最終の完成した設計データと規定する。
本実施形態によれば、所望のパターンが常に形成できるように適切な修正を設計データに施すので、プロセスのパラメータのばらつきの影響を受けることなく狙い目通りのパターンを形成することができる。これにより、所望の製品が製造できる確率が上がり、歩留まりが向上する。
(2)第2の実施の形態
図9は、本発明にかかるパターンレイアウトの修正方法の第2の実施の形態における処理工程の概略を示すフローチャートである。図9において、ステップS21乃至S23は図1に示すステップS1乃至S3と実質的に同一の処理であり、単にステップ番号に20を加えたものに過ぎないため、重複説明を省略し、ステップS24から説明する。
まず、ステップS22の処理で作成されたマスクデータを用いてプロセスパラメータのばらつきを反映させた複数条件下でのプロセスシミュレーションを行い、プロセスシミュレーションの結果からゲートパターンの形状と素子領域の形状とを導出する(ステップS24)。次に、得られたパターン形状および素子領域形状からトランジスタ毎にゲート長寸法を導出することに加え、プロセスシミュレーションの結果を用いてゲート幅の寸法も併せて導出する(ステップS25)。ゲート幅の寸法を併せて導出する点は前述した第1の実施の形態と異なる点である。なお、本明細書において、「パターンの寸法」は、ゲート長とゲート幅を含む概念として使用される。
次に、これらゲート長寸法およびゲート幅寸法の2つの値を用いてデバイスシミュレーションを実行(ステップS26)し、(プロセスパラメータのばらつきを反映させた)与えられた条件下でのトランジスタ特性を算出する(ステップS27)。ここで、デバイスシミュレーションにはゲート長およびゲート幅の2つの値だけではなく、例えばコンタクトホールの位置やストレスライナーの配置などを勘案しても良い。この特性値分布から所定の統計量を算出してトランジスタの特性値の仕様との比較を実行する(ステップS29)。統計量が特性値の仕様を満たしている場合は当該トランジスタの修正は不要であると判定される(ステップS30)。特性値の仕様を満たしていない場合は仕様を満たすべく修正値を算出して(ステップS31)、設計データに修正が施され(ステップS32)、再度マスクデータの作成(ステップS22)から処理が行われる。
その後は、設計データ内の注目するトランジスタが全て特性値の仕様を満たすまで他のトランジスタゲートの検証を行った後(ステップS33、S34)、その設計データを完成設計データとして規定する。
次に、図9のステップS24およびS26乃至S32の処理内容を中心に本実施形態の処理フローをより詳細に説明する。
ステップS24で行うプロセスシミュレーションでは、ゲート長のみに対してのみ行われた第1の実施の形態と異なり、本実施形態では素子領域に対してもプロセスばらつきを反映させた条件でシミュレーションを実行し、これにより、素子領域の仕上がり形状を導出する。また、ステップS25でもゲート長寸法の算出に加えてゲート幅の寸法も算出する。
ゲート幅の算出方法としては、図10(a)に示すように、例えば図4(a)に示す例と同様にして、トランジスタゲートG1〜G4と素子領域DA1とが重複する領域において、ゲート長方向での両端の中点で素子領域に重なるゲート領域の長さを測定し、その結果をゲート幅とする。
ここで、図10(a)の左から2本目のトランジスタゲートG2のように、一方の端部でゲート幅が変化するような形状を有する場合がある。このような形状による影響を取り込むために、例えば図10(b)に示すように、ゲートG2と素子領域DA2との重複領域でゲート幅の算出を複数回に亘って行う。例えば、それらの平均値を代表的なゲート幅と規定する方策が考えられる。次に、このようにして求めたゲート長およびゲート幅を用いてデバイスシミュレーションを実行する(ステップS26)。上述の第1の実施の形態ではプロセスシミュレーションで得られた仕上がり形状からゲート長を導出したが、本実施形態のようにデバイスシミュレーションでゲート長およびゲート幅のシミュレーション結果を入力とする場合は、これらをそのまま用いることも可能である。
このように、本実施形態のデバイスシミュレーションでは、ゲート長およびゲート幅を入力としてシミュレーションを行う。
次に、デバイスシミュレーションの結果を用いて、(各プロセスパラメータのばらつきを反映させた)各トランジスタの各プロセスばらつき条件下でのトランジスタの特性値を算出する(ステップS27)。トランジスタ特性値としては、例えばトランジスタスイッチがオン(On)になった際に流れる電流量を示すオン電流(Ion)、またはトランジスタスイッチがオフ(Off)の際に漏れる電流量を示すオフ電流(Ioff)、およびトランジスタのチャネル領域に反転層が形成される電圧を示すスレッショルド電圧(Vth)などが考えられる。
次に、図9のステップS27の処理で求めたトランジスタ特性値を、プロセスパラメータのばらつきを反映させた複数の条件で求めることによりトランジスタ特性値の分布を得ることができる(ステップS28)。本実施形態では特にオン電流(Ion)に注目して以下の処理内容の説明を行う。ステップS28で求めたオン電流(Ion)の分布を図11に示す。プロセスパラメータがばらつくことによりゲート形状および素子領域の形状が変化し、それに伴いオン電流(Ion)の値が変化する。このようにして求めたオン電流(Ion)分布から統計量としてメディアン(median)を求めることができる。
次に、求めたオン電流(Ion)のメディアン(median)値とトランジスタ特性値の仕様との比較を行う(図9、ステップS29)。特性値の仕様は予め決定されている値であり、例えばねらい目のオン電流(Ion)値からのずれが5%以内であることというように規定される。図11に示した例でねらい目オン電流(Ion)の値が235[μA/um]であったのに対し、メディアン(median)値は260[μA/um]であった。トランジスタ特性値の仕様がずれ量5%以下であるのに対し、注目するトランジスタの特性値ずれは10%であった。このような結果ではステップS30にて修正が必要と判断される。
続いて、当該トランジスタのオン電流(Ion)が狙い目に合致するように修正量を求め(ステップS31)、該修正量にて設計データに対して修正を加える(ステップS32)。オン電流(Ion)を260[uA/um]からねらい目の235[uA/um]へ修正するためには、例えばゲート長を0.8nm太くするほか、素子領域の幅を10%小さくすることなどが考えられる。この場合でも、設計値をずらした場合に特性値がどの程度変化するかという敏感度を予め求めてルックアップテーブルとして格納しておけば、設計データを修正すべき量をずれ量から容易に求めることができる。
図12で示すように、オン電流(Ion)特性値の平均値とねらい目との差異を解消すべく設計データに修正を施すことも可能である。同様に、図13で示すように特性値分布の最小値および最大値の中点とねらい目特性値との差異を解消すべく設計データに修正を加えることも可能である。なお、上述した第1の実施の形態と同様に、設計データのゲート長に直接修正を加えたくないような場合は、例えば当該トランジスタを囲むように修正量に応じた識別図形を設計データに貼っておき、再度ステップS22にてマスクデータを作成する際に識別図形に応じた修正量を勘案してマスクデータを作成する方法などが考えられる。
このようにして修正を施した設計データに対して図9のステップS22乃至S30の処理を再度繰り返し行い、全てのトランジスタゲートで(ステップS33、S34)仕様を満たせばその設計データを最終の完成した設計データとして規定する。
(3)第3の実施の形態
本実施形態では、チップ設計の段階で各ネットのタイミング検証を行い、検証結果をデータベースに保持しておく。チップのマスクデータを作成する際に、タイミングの厳しさに応じて、注目するデバイス特性値とその仕様とを切り替えて設計パターンの修正を行う。
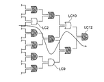
例えば図14に示すような論理ブロックに対し、例えばプレイスメントアンドルーチング(Placement and routing)ツールを用いてブロック設計パターンを作成した後、STA(Static Timing Analysis)ツールにてタイミング検証を行う。検証の結果、タイミングの厳しい信号線とそれほど厳しくはない信号線とを区別することができる。図14ではタイミングの厳しい信号線上にある論理回路LC2,LC9,LC10およびLC12を白抜きで、それほど厳しくない信号線上の論理回路LC1,LC3〜LC8およびLC11を黒塗りで示した。これらの論理回路ブロックについてチップ設計をすると図15のようなレイアウトになる。各々の矩形が論理回路を実現するための設計セルパターンを意味する。なお、図15では省略したが各設計セルパターンはメタル配線によって互いに連結されている。図14と同様に、タイミングの厳しい設計セルパターンCP21,CP33,CP45およびCP54を白抜きで示した。本実施形態において、設計セルパターンCP21,CP33,CP45およびCP54は例えば第1の領域に属すべき第1のパターンレイアウトに対応し、他の残余の設計セルパターンは、第2の領域に属する第2のパターンレイアウトに対応する。
このように半導体素子のチップ設計を行った後、タイミングの厳しい設計セルとそうでない設計セルとを区別することが可能になる。例えばタイミングが厳しいネットに属するトランジスタに関しては動作速度を規定するオン電流(Ion)をトランジスタ特性値として選択する。その後は、上述した実施形態と同様にプロセスパラメータのばらつきを反映させた複数条件でプロセスシミュレーションを行って仕上がり形状を算出し、得られた仕上がり形状から上記複数条件の下でのオン電流(Ion)の値を導出し、得られたオン電流(Ion)の値から統計値を算出して仕様と比較する。比較の結果、仕様を満たさない場合に、修正量を算出して設計セルパターンのレイアウトを修正する。オン電流(Ion)の値が小さい方向にずれることは許容できないので、本実施形態では特性値の仕様を+0%〜+10%として設計セルパターンCP21,CP33,CP45およびCP54を修正する。同様の処理を残余の設計セルパターンについても実行する。タイミングの厳しくないネットに属するトランジスタはリーク電流を減らしてチップ全体の消費電力を下げるため、残余の設計セルパターンのレイアウトについては、オフ電流(Ioff)をトランジスタ特性値として採用する。特性値の仕様としては例えばねらい目よりも−10%以下であるという設定を行う。本実施形態において、オン電流(Ion)およびオフ電流(Ioff)は、例えば第1および第2のデバイス特性値にそれぞれ対応する。また、設計セルパターンCP21,CP33,CP45およびCP54、並びに残余のパターンについて得られた仕上がり形状、寸法、統計量および修正量は、本実施形態において、それぞれ例えば第1および第2の仕上がり形状、第1および第2の寸法、第1および第2の統計量並びに第1および第2の修正量に対応する。
本実施形態によれば、チップ設計においてタイミングの厳しさに応じて、注目するトランジスタ特性値を変え、併せて特性値の仕様も変えることにより、高速動作可能でかつ省電力の半導体素子の設計が可能となった。
(4)半導体装置の製造方法
上述した実施の形態のパターンレイアウトの修正方法を用いて作成したレイアウトに基づき半導体装置を製造すると、プロセスパラメータのばらつきの影響を受けることなく狙い目通りのパターンを形成することができるので、所望の製品が製造できる確率が上がる。これにより、歩留まり向上を実現することが可能になる。
(5)プログラム
上述したパターンレイアウトの修正方法の一連の処理手順は、コンピュータに実行させる一つ又は複数のプログラムとしてフレキシブルディスクやCD−ROM等の記録媒体にレシピファイルの形態で収納し、EWS等のコンピュータに読込ませて実行させても良い。これにより、本発明に係るパターンレイアウトの修正方法を汎用のコンピュータを用いて実現することができる。記録媒体は、磁気ディスクや光ディスク等の携帯可能なものに限定されず、ハードディスク装置やメモリなどの固定型の記録媒体でも良い。また、上述したパターンレイアウトの修正方法の一連の処理手順を組込んだプログラムをインターネット等の通信回線(無線通信を含む)を介して頒布しても良い。さらに、上述したパターンレイアウトの修正方法の一連の処理手順を組込んだプログラムを暗号化したり、変調をかけたり、圧縮した状態で、インターネット等の有線回線や無線回線を介して、または記録媒体に収納して頒布しても良い。
本発明にかかるパターンレイアウトの修正方法の第1の実施の形態における処理工程の概略を説明するフローチャートである。 露光量のばらつきと焦点位置のばらつきの一例を示すヒストグラムである。 各プロセスパラメータのばらつき条件の下で得られたシミュレーション形状の一例を示す。 (a)および(b)はゲート長の算出方法の一例を説明する図である。 プロセスシミュレーション形状から導出されたゲート長の分布図の一例である。 ゲート寸法の修正方法の一例を示す図である。 ゲート寸法の修正方法の他の例を示す図である。 ゲート寸法の修正方法のさらに他の例を示す図である。 本発明にかかるパターンレイアウトの修正方法の第2の実施の形態における処理工程の概略を示すフローチャートである。 (a)および(b)はゲート幅の算出方法の一例を説明する図である。 オン電流(Ion)を狙い目の値にするための設計データに対する修正方法の一例を示す図である。 オン電流(Ion)を狙い目の値にするための設計データに対する修正方法の他の例を示す図である。 オン電流(Ion)を狙い目の値にするための設計データに対する修正方法のさらに他の例を示す図である。 本発明にかかるパターンレイアウトの修正方法の第3の実施の形態の説明図である。 本発明にかかるパターンレイアウトの修正方法の第3の実施の形態の説明図である。
符号の説明
CPnm:セルパターン
DA1,DA2:素子領域
G1〜G4:ゲートパターン
Ion:オン電流
LC1〜LC12:論理回路
Lpoly:ゲートパターンの寸法

Claims (5)

  1. 設計レイアウトに対応するパターンを基板上に形成するためのプロセスのパラメータのばらつきを反映させた複数の条件でプロセスシミュレーションを実行することにより、前記パターンの複数の仕上がりパターンを予測する工程と、
    得られた複数の仕上がりパターンの寸法を算出する工程と、
    算出された寸法から所定の統計量を算出する工程と、
    前記統計量と予め設定された仕様とを比較する工程と、
    前記仕様を満たさない場合に修正量を算出する工程と、
    算出された前記修正量に基づいて前記設計レイアウトを修正する工程と、
    を備えるパターンレイアウトの修正方法。
  2. 前記統計量は、算出された寸法の中間値、平均値、および、最小値と最大値との中心値のいずれかであることを特徴とする請求項1に記載のパターンレイアウトの修正方法。
  3. デバイスの設計レイアウトに対応するパターンを基板上に形成するためのプロセスのパラメータのばらつきを反映させた複数の条件でプロセスシミュレーションを実行することにより、前記パターンの複数の仕上がりパターンを予測する工程と、
    得られた複数の仕上がりパターンの寸法を算出する工程と、
    算出された寸法からデバイス特性値を導出する工程と、
    得られた前記デバイス特性値から所定の統計量を算出する工程と、
    算出された統計量と予め設定された仕様とを比較する工程と、
    前記仕様を満たさない場合に修正量を算出する工程と、
    算出された前記修正量に基づいて前記パターンのレイアウトを修正する工程と、
    を備えるパターンレイアウトの修正方法。
  4. 前記デバイス特性値は、トランジスタスイッチがオンになった際に流れる電流量を示すオン電流、トランジスタスイッチがオフの際に漏れる電流量を示すオフ電流、および、トランジスタのチャネル領域に反転層が形成される電圧を示すスレッショルド電圧のいずれかであることを特徴とする請求項3記載のパターンレイアウトの修正方法。
  5. 半導体素子のチップ設計データから、設計パターンレイアウトを、チップ内の第1の領域に属すべき第1のパターンレイアウトと、前記第1の領域とは仕様およびデバイス特性値のいずれかが異なる第2の領域に属する第2のパターンレイアウトとに選別する工程と、
    前記第1のパターンレイアウトからプロセスパラメータのばらつきを反映させた複数の条件でプロセスシミュレーションを行いパターンの第1の仕上がり形状を計算する工程と、
    前記第1の仕上がり形状から第1の寸法を算出する工程と、
    算出した第1の寸法から前記複数の条件下での第1のデバイス特性値を導出する工程と
    得られた第1のデバイス特性値から第1の統計量を算出する工程と、
    前記第1の統計量と予め設定された第1の仕様とを比較する工程と、
    前記第1の仕様を満たさない場合に第1の修正量を算出する工程と、
    算出された前記第1の修正量に基づいて前記第1のパターンレイアウトを修正する工程と、
    前記第2のパターンレイアウトからプロセスパラメータのばらつきを反映させた複数の条件でプロセスシミュレーションを行いパターンの第2の仕上がり形状を計算する工程と、
    前記第2の仕上がり形状から第2の寸法を算出する工程と、
    算出した第2の寸法から前記複数の条件下での第2のデバイス特性値を導出する工程と
    得られた第2のデバイス特性値から第2の統計量を算出する工程と、
    前記第2の統計量と予め設定された第2の仕様とを比較する工程と、
    前記第2の仕様を満たさない場合に第2の修正量を算出する工程と、
    算出された前記第2の修正量に基づいて前記第2のパターンレイアウトを修正する工程と、
    を備えるパターンレイアウトの修正方法。
JP2008203936A 2008-08-07 2008-08-07 パターンレイアウトの修正方法 Expired - Fee Related JP4869299B2 (ja)

Priority Applications (2)

Application Number Priority Date Filing Date Title
JP2008203936A JP4869299B2 (ja) 2008-08-07 2008-08-07 パターンレイアウトの修正方法
US12/536,848 US20100037193A1 (en) 2008-08-07 2009-08-06 Method of correcting pattern layout

Applications Claiming Priority (1)

Application Number Priority Date Filing Date Title
JP2008203936A JP4869299B2 (ja) 2008-08-07 2008-08-07 パターンレイアウトの修正方法

Publications (3)

Publication Number Publication Date
JP2010040898A true JP2010040898A (ja) 2010-02-18
JP2010040898A5 JP2010040898A5 (ja) 2010-09-16
JP4869299B2 JP4869299B2 (ja) 2012-02-08

Family

ID=41654093

Family Applications (1)

Application Number Title Priority Date Filing Date
JP2008203936A Expired - Fee Related JP4869299B2 (ja) 2008-08-07 2008-08-07 パターンレイアウトの修正方法

Country Status (2)

Country Link
US (1) US20100037193A1 (ja)
JP (1) JP4869299B2 (ja)

Cited By (2)

* Cited by examiner, † Cited by third party
Publication number Priority date Publication date Assignee Title
US8464192B2 (en) 2011-01-27 2013-06-11 Renesas Electronics Corporation Lithography verification apparatus and lithography simulation program
WO2015033392A1 (ja) * 2013-09-04 2015-03-12 株式会社日立製作所 部品ばらつき解析システム

Families Citing this family (4)

* Cited by examiner, † Cited by third party
Publication number Priority date Publication date Assignee Title
US20120042292A1 (en) * 2010-08-10 2012-02-16 Stmicroelectronics S.A. Method of synthesis of an electronic circuit
KR102227127B1 (ko) 2014-02-12 2021-03-12 삼성전자주식회사 리소그래피 시뮬레이션을 이용한 디자인룰 생성 장치 및 방법
JP6383384B2 (ja) * 2016-06-24 2018-08-29 ウィンボンド エレクトロニクス コーポレーション 半導体装置、半導体装置の製造方法および固有情報の生成方法
GB2574840B (en) 2018-06-19 2020-10-07 Hughes Electronics Ltd Clamping member

Citations (3)

* Cited by examiner, † Cited by third party
Publication number Priority date Publication date Assignee Title
JPH06118098A (ja) * 1992-10-01 1994-04-28 Kobayashi Rigaku Kenkyusho 加速度ピツクアツプの校正用取付け台
JP2006053248A (ja) * 2004-08-10 2006-02-23 Toshiba Corp 設計パターンデータ作成方法、マスクパターンデータ作成方法、マスク製造方法、半導体装置の方法およびプログラム
JP2008028092A (ja) * 2006-07-20 2008-02-07 Toshiba Corp 不良確率の算出方法、パターン作成方法及び半導体装置の製造方法

Family Cites Families (13)

* Cited by examiner, † Cited by third party
Publication number Priority date Publication date Assignee Title
US6470489B1 (en) * 1997-09-17 2002-10-22 Numerical Technologies, Inc. Design rule checking system and method
JP4160203B2 (ja) * 1998-07-23 2008-10-01 株式会社東芝 マスクパターン補正方法及びマスクパターン補正プログラムを記録した記録媒体
US6301698B1 (en) * 1999-09-01 2001-10-09 Taiwan Semiconductor Manufacturing Company Method for creating the sub-resolution phase shifting pattern for outrigger type phase shifting masks
US6665856B1 (en) * 2000-12-01 2003-12-16 Numerical Technologies, Inc. Displacing edge segments on a fabrication layout based on proximity effects model amplitudes for correcting proximity effects
JP2006512758A (ja) * 2002-12-30 2006-04-13 コーニンクレッカ フィリップス エレクトロニクス エヌ ヴィ プロセス窓を最適化するリソグラフィ・パラメータの決定方法
JP4247104B2 (ja) * 2003-12-18 2009-04-02 株式会社東芝 パターン検証方法、パターン検証システム
US7695876B2 (en) * 2005-08-31 2010-04-13 Brion Technologies, Inc. Method for identifying and using process window signature patterns for lithography process control
US7921383B1 (en) * 2006-01-11 2011-04-05 Olambda, Inc Photolithographic process simulation including efficient result computation for multiple process variation values
US7493574B2 (en) * 2006-02-23 2009-02-17 Cadence Designs Systems, Inc. Method and system for improving yield of an integrated circuit
US7448018B2 (en) * 2006-09-12 2008-11-04 International Business Machines Corporation System and method for employing patterning process statistics for ground rules waivers and optimization
US7673278B2 (en) * 2007-11-29 2010-03-02 Tokyo Electron Limited Enhanced process yield using a hot-spot library
US7861195B2 (en) * 2008-01-30 2010-12-28 Advanced Mirco Devices, Inc. Process for design of semiconductor circuits
US20110173577A1 (en) * 2008-02-01 2011-07-14 International Business Machines Corporation Techniques for Pattern Process Tuning and Design Optimization for Maximizing Process-Sensitive Circuit Yields

Patent Citations (3)

* Cited by examiner, † Cited by third party
Publication number Priority date Publication date Assignee Title
JPH06118098A (ja) * 1992-10-01 1994-04-28 Kobayashi Rigaku Kenkyusho 加速度ピツクアツプの校正用取付け台
JP2006053248A (ja) * 2004-08-10 2006-02-23 Toshiba Corp 設計パターンデータ作成方法、マスクパターンデータ作成方法、マスク製造方法、半導体装置の方法およびプログラム
JP2008028092A (ja) * 2006-07-20 2008-02-07 Toshiba Corp 不良確率の算出方法、パターン作成方法及び半導体装置の製造方法

Cited By (2)

* Cited by examiner, † Cited by third party
Publication number Priority date Publication date Assignee Title
US8464192B2 (en) 2011-01-27 2013-06-11 Renesas Electronics Corporation Lithography verification apparatus and lithography simulation program
WO2015033392A1 (ja) * 2013-09-04 2015-03-12 株式会社日立製作所 部品ばらつき解析システム

Also Published As

Publication number Publication date
US20100037193A1 (en) 2010-02-11
JP4869299B2 (ja) 2012-02-08

Similar Documents

Publication Publication Date Title
JP6042384B2 (ja) 半導体装置の製造方法
US11982980B2 (en) Simulation method for semiconductor fabrication process and method for manufacturing semiconductor device
JP4869299B2 (ja) パターンレイアウトの修正方法
US7526748B2 (en) Design pattern data preparing method, mask pattern data preparing method, mask manufacturing method, semiconductor device manufacturing method, and program recording medium
JP4254871B2 (ja) 光近接効果補正方法、光近接効果補正装置、光近接効果補正プログラム、半導体装置の製造方法、パターン設計制約策定方法および光近接効果補正条件算出方法
CN104765246A (zh) 集成目标图形优化与光学邻近修正的方法
US8234596B2 (en) Pattern data creating method, pattern data creating program, and semiconductor device manufacturing method
WO2003052512A1 (en) Mask pattern correction apparatus, mask pattern correction method, mask manufacturing method, and semiconductor device manufacturing method
US20050134866A1 (en) Pattern-producing method for semiconductor device
CN117348333A (zh) 掩膜版、光学临近修正方法、装置及电子设备
US8555224B2 (en) Circuit simulation method and semiconductor integrated circuit
CN104750904A (zh) 用以改进晶体管匹配的方法
US20080286887A1 (en) Method for adjusting a transistor model for increased circuit simulation accuracy
US8127256B2 (en) Pattern data generation method, design layout generating method, and pattern data verifying program
US20250328711A1 (en) Determining compact model parameters for modelling cmos devices at cryogenic temperatures
US7117460B2 (en) Method for physical parameter extraction for transistor model
JP2006343217A (ja) 回路シミュレーション方法および回路シミュレーション装置
KR20050024668A (ko) 반도체 소자 제조를 위한 포토마스크 레이아웃 및이로부터 얻어진 포토마스크
JP2006329824A (ja) 回路シミュレーション方法
JP4813499B2 (ja) 論理セルの構成処理方法、及び、プログラム
JP4998347B2 (ja) マスクパターン作成方法
CN103901714A (zh) 提高光刻工艺窗口的光学临近修正处理方法
US8453073B1 (en) Method of mask generation for integrated circuit fabrication
TWI683412B (zh) 降低不同區域間半導體圖案元件圖案密度差異值的方法
JP4733999B2 (ja) 回路設計方法、回路設計装置及び半導体回路

Legal Events

Date Code Title Description
A521 Request for written amendment filed

Free format text: JAPANESE INTERMEDIATE CODE: A523

Effective date: 20100730

A621 Written request for application examination

Free format text: JAPANESE INTERMEDIATE CODE: A621

Effective date: 20100730

A977 Report on retrieval

Free format text: JAPANESE INTERMEDIATE CODE: A971007

Effective date: 20110106

A131 Notification of reasons for refusal

Free format text: JAPANESE INTERMEDIATE CODE: A131

Effective date: 20110107

TRDD Decision of grant or rejection written
A01 Written decision to grant a patent or to grant a registration (utility model)

Free format text: JAPANESE INTERMEDIATE CODE: A01

Effective date: 20111021

A01 Written decision to grant a patent or to grant a registration (utility model)

Free format text: JAPANESE INTERMEDIATE CODE: A01

A61 First payment of annual fees (during grant procedure)

Free format text: JAPANESE INTERMEDIATE CODE: A61

Effective date: 20111115

FPAY Renewal fee payment (event date is renewal date of database)

Free format text: PAYMENT UNTIL: 20141125

Year of fee payment: 3

LAPS Cancellation because of no payment of annual fees