JP2010015967A - バックライトユニットの光源駆動装置及び方法 - Google Patents

バックライトユニットの光源駆動装置及び方法 Download PDF

Info

Publication number
JP2010015967A
JP2010015967A JP2008283869A JP2008283869A JP2010015967A JP 2010015967 A JP2010015967 A JP 2010015967A JP 2008283869 A JP2008283869 A JP 2008283869A JP 2008283869 A JP2008283869 A JP 2008283869A JP 2010015967 A JP2010015967 A JP 2010015967A
Authority
JP
Japan
Prior art keywords
led
channels
phase difference
backlight unit
light source
Prior art date
Legal status (The legal status is an assumption and is not a legal conclusion. Google has not performed a legal analysis and makes no representation as to the accuracy of the status listed.)
Granted
Application number
JP2008283869A
Other languages
English (en)
Other versions
JP5188362B2 (ja
Inventor
Nakjin Seong
洛 眞 成
Won Yong Park
元 用 朴
Sangsoo Han
相 洙 韓
Namkyun Cho
南 均 趙
Kyuman Lee
圭 晩 李
Jaeseo Kim
載 書 金
Current Assignee (The listed assignees may be inaccurate. Google has not performed a legal analysis and makes no representation or warranty as to the accuracy of the list.)
LG Display Co Ltd
Original Assignee
LG Display Co Ltd
Priority date (The priority date is an assumption and is not a legal conclusion. Google has not performed a legal analysis and makes no representation as to the accuracy of the date listed.)
Filing date
Publication date
Application filed by LG Display Co Ltd filed Critical LG Display Co Ltd
Publication of JP2010015967A publication Critical patent/JP2010015967A/ja
Application granted granted Critical
Publication of JP5188362B2 publication Critical patent/JP5188362B2/ja
Active legal-status Critical Current
Anticipated expiration legal-status Critical

Links

Images

Classifications

    • GPHYSICS
    • G02OPTICS
    • G02FOPTICAL DEVICES OR ARRANGEMENTS FOR THE CONTROL OF LIGHT BY MODIFICATION OF THE OPTICAL PROPERTIES OF THE MEDIA OF THE ELEMENTS INVOLVED THEREIN; NON-LINEAR OPTICS; FREQUENCY-CHANGING OF LIGHT; OPTICAL LOGIC ELEMENTS; OPTICAL ANALOGUE/DIGITAL CONVERTERS
    • G02F1/00Devices or arrangements for the control of the intensity, colour, phase, polarisation or direction of light arriving from an independent light source, e.g. switching, gating or modulating; Non-linear optics
    • G02F1/01Devices or arrangements for the control of the intensity, colour, phase, polarisation or direction of light arriving from an independent light source, e.g. switching, gating or modulating; Non-linear optics for the control of the intensity, phase, polarisation or colour 
    • G02F1/13Devices or arrangements for the control of the intensity, colour, phase, polarisation or direction of light arriving from an independent light source, e.g. switching, gating or modulating; Non-linear optics for the control of the intensity, phase, polarisation or colour  based on liquid crystals, e.g. single liquid crystal display cells
    • G02F1/133Constructional arrangements; Operation of liquid crystal cells; Circuit arrangements
    • GPHYSICS
    • G09EDUCATION; CRYPTOGRAPHY; DISPLAY; ADVERTISING; SEALS
    • G09GARRANGEMENTS OR CIRCUITS FOR CONTROL OF INDICATING DEVICES USING STATIC MEANS TO PRESENT VARIABLE INFORMATION
    • G09G3/00Control arrangements or circuits, of interest only in connection with visual indicators other than cathode-ray tubes
    • G09G3/20Control arrangements or circuits, of interest only in connection with visual indicators other than cathode-ray tubes for presentation of an assembly of a number of characters, e.g. a page, by composing the assembly by combination of individual elements arranged in a matrix no fixed position being assigned to or needed to be assigned to the individual characters or partial characters
    • G09G3/34Control arrangements or circuits, of interest only in connection with visual indicators other than cathode-ray tubes for presentation of an assembly of a number of characters, e.g. a page, by composing the assembly by combination of individual elements arranged in a matrix no fixed position being assigned to or needed to be assigned to the individual characters or partial characters by control of light from an independent source
    • G09G3/3406Control of illumination source
    • G09G3/342Control of illumination source using several illumination sources separately controlled corresponding to different display panel areas, e.g. along one dimension such as lines
    • GPHYSICS
    • G09EDUCATION; CRYPTOGRAPHY; DISPLAY; ADVERTISING; SEALS
    • G09GARRANGEMENTS OR CIRCUITS FOR CONTROL OF INDICATING DEVICES USING STATIC MEANS TO PRESENT VARIABLE INFORMATION
    • G09G3/00Control arrangements or circuits, of interest only in connection with visual indicators other than cathode-ray tubes
    • G09G3/20Control arrangements or circuits, of interest only in connection with visual indicators other than cathode-ray tubes for presentation of an assembly of a number of characters, e.g. a page, by composing the assembly by combination of individual elements arranged in a matrix no fixed position being assigned to or needed to be assigned to the individual characters or partial characters
    • G09G3/34Control arrangements or circuits, of interest only in connection with visual indicators other than cathode-ray tubes for presentation of an assembly of a number of characters, e.g. a page, by composing the assembly by combination of individual elements arranged in a matrix no fixed position being assigned to or needed to be assigned to the individual characters or partial characters by control of light from an independent source
    • G09G3/36Control arrangements or circuits, of interest only in connection with visual indicators other than cathode-ray tubes for presentation of an assembly of a number of characters, e.g. a page, by composing the assembly by combination of individual elements arranged in a matrix no fixed position being assigned to or needed to be assigned to the individual characters or partial characters by control of light from an independent source using liquid crystals
    • G09G3/3611Control of matrices with row and column drivers
    • G09G3/3648Control of matrices with row and column drivers using an active matrix
    • HELECTRICITY
    • H05ELECTRIC TECHNIQUES NOT OTHERWISE PROVIDED FOR
    • H05BELECTRIC HEATING; ELECTRIC LIGHT SOURCES NOT OTHERWISE PROVIDED FOR; CIRCUIT ARRANGEMENTS FOR ELECTRIC LIGHT SOURCES, IN GENERAL
    • H05B45/00Circuit arrangements for operating light-emitting diodes [LED]
    • H05B45/30Driver circuits
    • H05B45/37Converter circuits
    • H05B45/3725Switched mode power supply [SMPS]
    • H05B45/38Switched mode power supply [SMPS] using boost topology
    • GPHYSICS
    • G09EDUCATION; CRYPTOGRAPHY; DISPLAY; ADVERTISING; SEALS
    • G09GARRANGEMENTS OR CIRCUITS FOR CONTROL OF INDICATING DEVICES USING STATIC MEANS TO PRESENT VARIABLE INFORMATION
    • G09G2320/00Control of display operating conditions
    • G09G2320/02Improving the quality of display appearance
    • G09G2320/0233Improving the luminance or brightness uniformity across the screen
    • GPHYSICS
    • G09EDUCATION; CRYPTOGRAPHY; DISPLAY; ADVERTISING; SEALS
    • G09GARRANGEMENTS OR CIRCUITS FOR CONTROL OF INDICATING DEVICES USING STATIC MEANS TO PRESENT VARIABLE INFORMATION
    • G09G2320/00Control of display operating conditions
    • G09G2320/06Adjustment of display parameters
    • G09G2320/0626Adjustment of display parameters for control of overall brightness
    • G09G2320/064Adjustment of display parameters for control of overall brightness by time modulation of the brightness of the illumination source
    • GPHYSICS
    • G09EDUCATION; CRYPTOGRAPHY; DISPLAY; ADVERTISING; SEALS
    • G09GARRANGEMENTS OR CIRCUITS FOR CONTROL OF INDICATING DEVICES USING STATIC MEANS TO PRESENT VARIABLE INFORMATION
    • G09G2360/00Aspects of the architecture of display systems
    • G09G2360/16Calculation or use of calculated indices related to luminance levels in display data

Landscapes

  • Engineering & Computer Science (AREA)
  • Physics & Mathematics (AREA)
  • General Physics & Mathematics (AREA)
  • Theoretical Computer Science (AREA)
  • Computer Hardware Design (AREA)
  • Crystallography & Structural Chemistry (AREA)
  • Chemical & Material Sciences (AREA)
  • Nonlinear Science (AREA)
  • Mathematical Physics (AREA)
  • Optics & Photonics (AREA)
  • Liquid Crystal (AREA)
  • Circuit Arrangement For Electric Light Sources In General (AREA)
  • Liquid Crystal Display Device Control (AREA)
  • Control Of Indicators Other Than Cathode Ray Tubes (AREA)

Abstract

【課題】本発明はバックライトユニットの光源駆動装置及び方法を提供する。
【解決手段】本発明に係るバックライトユニットの光源駆動装置は複数のLED列と、前記LED列が接続される電源出力端子とフィードバック端子を含み、順次に遅延されるPWM信号によって前記LEDを順次に駆動するLEDドライバーを備える。前記LEDドライバーは前記フィードバック端子を通じて入力される信号に基づいて駆動可能なLEDチャンネル数を判断して、前記LEDチャンネル数にしたがって調整される位相差の値位前記PWM信号を順次に遅延させる。
【選択図】図12

Description

本発明は液晶表示装置に光を照射するバックライトユニットに関し、さらに詳くは、バックライトユニットの光源駆動装置及び方法に関する。
液晶表示装置は軽量、薄型、低消費電力駆動などの特徴によってその応用範囲が徐々に広くなってきている。この液晶表示装置はノート・パソコンのようなポータブルコンピュータ、事務自動化機器、オーディオ/ビデオ機器、屋内外広告表示装置などに利用されている。液晶表示装置の大部分を占めている透過型液晶表示装置は液晶層に印加される電界を制御してバックライトユニットから入射される光をデータ電圧によって調節して画像を表示する。
バックライトユニットの光源では冷陰極蛍光ランプ(CCFL)のような蛍光ランプが使われて来たが最近には既存蛍光ランプに比べて消費電力、重さ、輝度などで多くの長所を持つ発光ダイオード(以下‘LED’とも呼ぶ)が適用されている。複数のLEDを光源に適用したバックライトユニットにはパルス幅変調信号(以下"PWM"とも呼ぶ)に応答してLEDの点灯と消灯を制御するLEDドライバーを含む。既存のLEDドライバーは一般的にLEDを一つのPWM 信号に応答してLEDを同時に点灯及び消灯させる。こうようにLEDが同時に点灯及び消灯するようになれば液晶表示パネルに照射される光の光量が周期的に変動してその結果、液晶表示パネルに表示される映像で波ノイズのような所望しないノイズが観察されることがある。
したがって、本発明の目的は前記背景技術の問題点を解決しようと案出された発明として液晶表示パネルに照射される光の光量をいつも一定に維持して光量変動によって招来される表示映像のノイズを低減するようにしたバックライトユニットの光源駆動装置及び方法を提供することにある。
前記目的を果たすために、本発明の実施形態に係るバックライトユニットの光源駆動装置は複数のLED列と、前記LED列が接続される電源出力端子とフィードバック端子を含み、順次に遅延されるPWM信号によって前記LEDを順次に駆動するLEDドライバーを備える。
前記LEDドライバーは前記フィードバック端子を通じて入力される信号に基づいて駆動可能なLEDチャンネル数を判断して、前記LEDチャンネル数にしたがって調整される位相差の値で前記PWM信号を順次に遅延させる。
前記LEDドライバーは360を前記LEDチャンネル数に分けた分周値で前記位相差を決める。
前記LEDドライバーは前記フィードバック端子を通じて入力される前記LED列の電流を感知して前記LEDチャンネル数を発生するフィードバック電圧検出部と、前記LED列に供給されるLED駆動電圧を発生して前記LEDチャンネル数にしたがって前記LED駆動電圧を調整する駆動電圧発生部と、前記LEDチャンネル数に反比例する位相差で前記PWM信号を遅延させるPWM制御部を備える。
本発明の実施形態に係るバックライトユニットの光源駆動方法はLEDドライバーの電源出力端子とフィードバック端子の間に複数のLED列を接続させる段階と、前記LEDドライバーを駆動させて前記LED列にLED駆動電圧を供給して前記フィードバック端子を通じて入力される信号に基づいて前記LEDドライバーによって駆動可能なLEDチャンネル数を判断する段階と、前記LEDチャンネル数にしたがって調整される位相差の値でPWM信号を順次に遅延させる段階と、前記PWM信号によって前記LED列を順次に駆動する段階を含む。
本発明の実施形態に係るバックライトユニットの光源駆動装置及び方法はLEDチャンネル数を感知してそのチャンネル数に相応しい位相差で遅延されるPWM信号を適応的に発生することができる。その結果、本発明の実施形態に係るバックライトユニットの光源駆動装置及び方法は液晶表示パネルに照射される光の光量をいつも一定に維持して光量変動によって招来される表示映像のノイズを低減することができる。
前記目的外に本発明の他の目的及び特徴は添付した図面を参照した実施形態の説明を通じて明白に現われる。
以下では本発明に係る望ましい実施形態を添付された図1乃至図12を参照して詳しく説明する。
図1を参照すれば、本発明の実施形態に係る液晶表示装置は液晶表示パネル10、液晶表示パネル10に光を照射するバックライトユニット20、バックライトユニット20のLEDを駆動するためのLEDドライバー21、液晶表示パネル10のデータライン14を駆動するためのソースドライバー12、液晶表示パネル10のゲートライン15を駆動するためのゲートドライバー13、及びタイミングコントローラ11を備える。
液晶表示パネル10は二枚のガラス基板の間に液晶層が形成される。この液晶表示パネル10の下部ガラス基板には複数のデータライン14と複数のゲートライン15が交差される。データライン14とゲートライン15の交差構造によって液晶表示パネル10には液晶セル(Clc)がマトリックス形態に配置される。液晶表示パネル10の下部ガラス基板にはデータライン14、ゲートライン15、薄膜トランジスター(TFT)、薄膜トランジスター(TFT)に接続された液晶セル(Clc)の画素電極1、及びストレージキャパシター(Cst)などが形成される。
液晶表示パネル10の上部ガラス基板上にはブラックマットリックス、カラーフィルター及び共通電極2が形成される。共通電極2はTNモードとVAモードのような垂直電界駆動方式で上部ガラス基板上に形成されて、IPSモードとFFSモードのような水平電界駆動方式で画素電極1と共に下部ガラス基板上に形成される。液晶表示パネル10の上部ガラス基板と下部ガラス基板それぞれには偏光板が附着し、液晶と接する内面には液晶のフリーチルト角を設定するための配向膜が形成される。
バックライトユニット20はLEDドライバー21によって点灯されるLEDからの光を液晶表示パネル10に照射する。このバックライトユニット20はLEDが導光板の側面と対向するように配置されるエッジ型バックライトユニットに具現されることができるしまた、LEDらが拡散板の下に配置される直下型バックライトユニットに具現されることもできる。エッジ型バックライトユニット20はLEDから発生された光を導光板とその上に積層された複数の光学シートを利用して均一な面光源で変換して液晶表示パネル10に光を照射する。直下型バックライトユニット20はLEDから発生された光を拡散板とその上に積層された複数の光学シートを通じて均一な面光源で変換して液晶表示パネル10に光を照射する。
LEDドライバー21はLEDチャンネル数を感知してそのLEDチャンネル数にしたがって調整される分周値で決まる位相差でPWM信号を順次に遅延させてLEDチャンネル数にしたがって適応的にPWM信号の位相差を最適化する。このようなLEDドライバー21はタイミングコントローラ11の映像分析結果によってローカルディミング方法でLEDを制御することもできる。
ソースドライバー12はタイミングコントローラ11の制御の下にデジタルビデオデータ(RGB)をラッチする。そしてソースドライバー12は正極性/負極性ガンマ補償基準電圧を利用してデジタルビデオデータ(RGB)を正極性/負極性アナログデータ電圧で変換してデータライン14に供給する。
ゲートドライバー13はシフトレジスター、シフトレジスターの出力信号を液晶セルのTFT駆動に相応しいスイング幅で変換するためのレベルスィプト、及び出力バッファーなどを含む。このゲートドライバー13はおおよそ1水平期間のパルス幅を持つゲートパルス(またはスキャンパルス)を順次に出力してゲートライン15に供給する。
タイミングコントローラ11は外部ビデオソースから入力されるデジタルビデオデータ(RGB)とタイミング信号(Vsync、Hsync、DE、CLK)の入力を受けてデジタルビデオデータ(RGB)をソースドライバー12に供給してタイミング信号(Vsync、Hsync、DE、CLK)に基づいてソースドライバー12とゲートドライバー13の動作タイミングを制御するためのタイミング制御信号を発生する。このタイミングコントローラ11は入力映像を分析してその分析結果によって表示映像の動的範囲が拡がるようにLEDドライバー21をローカルディミング方法で制御することもできる。
図2はLEDドライバー21の構成を示すブロック図である。
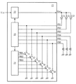
図2を参照すれば、LEDドライバー21は駆動電圧発生部22、フィードバック電圧検出部23、及びPWM制御部24を備える。また、LEDドライバー21はLED(LS1乃至LS6)の電流パスを切り替えるための複数のスイッチ素子(S1乃至S6)を備える。
このLEDドライバー21の電源入力端子(Vin)には直流入力電圧が供給される。LEDドライバー21の電源出力端子(Vbst)は複数のLED(LS1乃至LS6)のアノード端子に駆動電圧を供給する。LEDドライバー21のフィードバック端子(FB1乃至FB6)にはLED(LS1乃至LS6)のカソード端子が1:1に接続される。フィードバック端子(FB1乃至FB6)の個数は図面では6個に示されたが接続可能な最大LEDチャンネル数にしたがってその個数は増加されることができる。以下ではLEDドライバー21に接続される最大LEDチャンネル数を6個で仮定してフィードバック端子(FB1乃至FB6)の個数を6個で説明する。
LED(LS1乃至LS6)のアノード端子はLEDドライバー21の電源出力端子(Vbst)に共通接続されてLED(LS1乃至LS6)のカソード端子はLEDドライバー21のフィードバック端子(FB1乃至FB6)に1:1に接続される。LED(LS1乃至LS6)それぞれは図3のように直列に接続された一つ以上のLEDを含むLED列を含むことができる。以下で、LEDをLED列に説明する。第1LED列(LS1)はLEDドライバー21の電源出力端子(Vbst)と第1フィードバック端子(FB1)の間に接続される。第2LED列(LS2)はLEDドライバー21の電源出力端子(Vbst)と第2フィードバック端子(FB2)の間に接続される。第3LED列(LS3)はLEDドライバー21の電源出力端子(Vbst)と第3フィードバック端子(FB3)の間に接続される。第4LED列(LS4)はLEDドライバー21の電源出力端子(Vbst)と第4フィードバック端子(FB4)の間に接続される。第5LED列(LS5)はLEDドライバー21の電源出力端子(Vbst)と第5フィードバック端子(FB5)の間に接続される。第6LED列(LS6)は LEDドライバー21の電源出力端子(Vbst)と第6フィードバック端子(FB6)の間に接続される。
駆動電圧発生部22は入力電圧(Vin)をLED列(LS1乃至LS6)を駆動することができる電圧に昇圧するための電源ブースト回路を含む。この駆動電圧発生部22はフィードバック電圧検出部23によって検出されるLEDチャンネル数にしたがって出力電圧すなわち、LED駆動電圧を調整する。例えば、駆動電圧発生部22はLEDチャンネル数が増加するほど出力電圧を高める一方、LEDチャンネル数が減少するほど最低出力電圧を低める。
フィードバック電圧検出部23はLEDドライバー21のフィードバック端子(FB1乃至FB6)を通じて入力されるLED列(LS1乃至LS6)の電流を感知して LEDドライバー21に接続されたLEDチャンネル数を判断して、そのLEDチャンネル数情報を駆動電圧発生部22とPWM制御部24に供給する。
PWM制御部24はLED列(LS1乃至LS6)それぞれの点灯及び消灯を制御するための制1乃至第6PWM信号(PWM1乃至PWM6)を発生する。PWM信号(PWM1乃至PWM6)はLEDチャンネル数にしたがって調整される位相差だけ他のPWM信号に対して位相差を持つ。そして PWM制御部24はフィードバック電圧検出部23から入力されるLEDチャンネル数に反比例する位相差でPWM信号(PWM1乃至PWM6)を遅延させる。
第1PWM新号(PWM1)は第1LED列(LS1)の電流パスを切り替えるための第1スイッチ素子(S1)の制御端子に供給されて第1スイッチ素子(S1)のオン/オフを制御する。第2PWM信号(PWM2)は第2LED列(LS2)の電流パスを切り替えるための第2スイッチ素子(S2)の制御端子に供給されて第2スイッチ素子(S2)のオン/オフを制御する。第3PWM信号(PWM3)は第3LED列(LS3)の電流パスを切り替えるための第3スイッチ素子(S3)の制御端子に供給されて第3スイッチ素子(S3)のオン/オフを制御する。第4PWM信号(PWM4)は第4LED列(LS4)の電流パスを切り替えるための第4スイッチ素子(S4)の制御端子に供給されて第4スイッチ素子(S4)のオン/オフを制御する。第5PWM信号(PWM5)は第5LED列(LS5)の電流パスを切り替えるための第5スイッチ素子(S5)の制御端子に供給されて第5スイッチ素子(S5)のオン/オフを制御する。第6PWM信号(PWM6)は第6LED列(LS6)の電流パスを切り替えるための第6スイッチ素子(S6)の制御端子に供給されて第6スイッチ素子(S6)のオン/オフを制御する。
第1スイッチ素子(S1)の一側端子は第1フィードバック端子(FB1)とフィードバック電圧検出部23の第1入力端子の間のノードに接続されて、第1スイッチ素子(S1)の他側端子は基底電圧源(GND)に接続される。この第1スイッチ素子(S1)は第1PWM新号(PWM1)ハイ論理電圧に応答してターンオンされて第1フィードバック端子(FB1)と基底電圧源(GND)の間に電流パスを形成する一方、第1PWM新号(PWM1)のロー論理電圧に応答してターンオフされて第1フィードバック端子(FB1)と基底電圧源(GND)の間に電流パスを開放する。第1LED列(LS1)は第1スイッチ素子(S1)がターンオンされる時電流が流れて点灯して第1スイッチ素子(S1)がターンオフされる時消灯する。第2スイッチ素子(S2)の一側端子は第2フィードバック端子(FB2)とフィードバック電圧検出部23の第2入力端子の間のノードに接続されて、第2スイッチ素子(S2)の他側端子は基底電圧源(GND)に接続される。この第2スイッチ素子(S2)は第2PWM 信号(PWM2)のハイ論理電圧に応答してターンオンされて第2フィードバック端子(FB2)と基底電圧源(GND)の間に電流パスを形成する一方、第2PWM信号(PWM2)のロー論理電圧に応答してターンオフされて第2フィードバック端子(FB2)と基底電圧源(GND)の間に電流パスを開放する。第2LED列(LS2)は第2スイッチ素子(S2)がターンオンされる時電流が流れて点灯して第2スイッチ素子(S2)がターンオフされる時消灯する。第3スイッチ素子(S3)の一側端子は第3フィードバック端子(FB3)とフィードバック電圧検出部23の第3入力端子の間のノードに接続されて、第3スイッチ素子(S3)の他側端子は基底電圧源(GND)に接続される。この第3スイッチ素子(S3)は第3PWM信号(PWM3)のハイ論理電圧に応答してターンオンされて第3フィードバック端子(FB3)と基底電圧源(GND)の間に電流パスを形成する一方、第3PWM信号(PWM3)のロー論理電圧に応答してターンオフされて第3フィードバック端子(FB3)と基底電圧源(GND)の間に電流パスを開放する。第3LED列(LS3)は第3スイッチ素子(S3)がターンオンされる時電流が流れて点灯して第3スイッチ素子(S3)がターンオフされる時消灯する。第4スイッチ素子(S4)の一側端子は第4フィードバック端子(FB4)とフィードバック電圧検出部23の第4入力端子の間のノードに接続されて、第4スイッチ素子(S4)の他側端子は基底電圧源(GND)に接続される。この第4スイッチ素子(S4)は第4PWM信号(PWM4)のハイ論理電圧に応答してターンオンされて第4フィードバック端子(FB4)と基底電圧源(GND)の間に電流パスを形成する一方、第4PWM信号(PWM4)のロー論理電圧に応答してターンオフされて第4フィードバック端子(FB4)と基底電圧源(GND)の間に電流パスを開放する。第4LED列(LS4)は第4スイッチ素子(S4)がターンオンされる時電流が流れて点灯して第4スイッチ素子(S4)がターンオフされる時消灯する。第5スイッチ素子(S5)の一側端子は第5フィードバック端子(FB5)とフィードバック電圧検出部23の第5入力端子の間のノードに接続されて、第5スイッチ素子(S5)の他側端子は基底電圧源(GND)に接続される。この第5スイッチ素子(S5)は第5PWM信号(PWM5)のハイ論理電圧に応答してターンオンされて第5フィードバック端子(FB5)と基底電圧源(GND)の間に電流パスを形成する一方、第5PWM信号(PWM5)のロー論理電圧に応答してターンオフされて第5フィードバック端子(FB5)と基底電圧源(GND)の間に電流パスを開放する。第5LED列(LS5)は第5スイッチ素子(S5)がターンオンされる時電流が流れて点灯して第5スイッチ素子(S5)がターンオフされる時消灯する。第6スイッチ素子(S6)の一側端子は第6フィードバック端子(FB6)とフィードバック電圧検出部23の第6入力端子の間のノードに接続されて、第6スイッチ素子(S6)の他側端子は基底電圧源(GND)に接続される。この第6スイッチ素子(S6)は第6PWM信号(PWM6)のハイ論理電圧に応答してターンオンされて第6フィードバック端子(FB6)と基底電圧源(GND)の間に電流パスを形成する一方、第6PWM信号(PWM6)のロー論理電圧に応答してターンオフされて第6フィードバック端子(FB6)と基底電圧源(GND)の間に電流パスを開放する。第6LED列(LS6)は第6スイッチ素子(S6)がターンオンされる時電流が流れて点灯して第6スイッチ素子(S6)がターンオフされる時消灯する。
このようなLEDドライバー21はLEDチャンネル数を感知してPWM信号(PWM1乃至PWM6)の位相差を最適条件で自動調整する。
図2のようにLEDドライバー21に6個のLED列(LS1乃至LS6)が接続されれば、フィードバック電圧検出部23は第1乃至第6フィードバック端子(FB1乃至FB6)を通じて入力される電流量を感知してLEDドライバー21のLEDチャンネル数を‘6’と判断してそのチャンネル数情報を駆動電圧発生部22とPWM制御部24に供給する。それでは駆動電圧発生部22は入力電圧を6個のLED列(LS1乃至LS6)の駆動に相応しい電圧でブーストして出力電圧を発生する。PWM制御部24は図7のように360/LEDチャンネル数=360/6=60゜の位相差でPWM信号(PWM1乃至PWM6)を順次に遅延させる。図7のように60゜の位相差で順次に遅延されるPWM信号(PWM1乃至PWM6)は LED列(LS1乃至LS6)を順次に点灯させることで毎瞬間ごとに二つのLED列を点灯させてバックライトユニットから液晶表示パネル10の方に照射される光量を一定水準で維持させる。したがって、図7のようなPWM信号(PWM1乃至PWM6)によって発光するLED列(LS1乃至LS6)によって液晶表示パネル10に一定な光量で光が照射されるので液晶表示パネル10の表示映像から光量変動によるノイズ例えば、波ノイズが見えない。PWM制御部24はLEDチャンネル数が‘6’なら図7のようにPWM信号(PWM1乃至PWM6)のデューティー比(通電率)をおおよそ17%で制御してPWM信号(PWM1乃至PWM6)がお互いに重畳されないように制御することができるし、また、図11のようにPWM信号(PWM1乃至PWM6)のデューティー比をおおよそ50%位に増加させることでPWM信号(PWM1乃至PWM6)をお互いに重畳させて液晶表示パネル10に照射される輝度をさらに高めることもできる。PWM信号(PWM1乃至PWM6)のデューティー比増加によってPWM信号(PWM1乃至PWM6)が重畳される場合に、PWM制御部24は液晶表示パネル10に照射される光量がいつも同一になるようにPWM信号(PWM1乃至PWM6)のデューティー比を制御する。
図4はLEDドライバー21に4個のLED列(LS1乃至LS4)が接続された状態を示している。このLEDドライバー21の最大LEDチャンネル数は6個であるのでLED列(LS1乃至LS4)が接続されない二つのフィードバック端子(FB5、FB6)はプルダウン抵抗を通じて基底電圧源(GND)に接続される。こうようにLEDドライバー21に4個のLED列(LS1乃至LS4)が接続されれば、フィードバック電圧検出部23は第1乃至第4フィードバック端子(FB1乃至FB4)を通じて入力される電流量を感知してLEDドライバー21のLEDチャンネル数を‘4’で判断してそのチャンネル数情報を駆動電圧発生部22とPWM制御部24に供給する。それでは駆動電圧発生部22は入力電圧を4個のLED列(LS1乃至LS4)の駆動に相応しい電圧でブーストして出力電圧を発生する。PWM制御部24は図9のように360/LEDチャンネル数=360/4=90゜の位相差でPWM信号(PWM1乃至PWM4)を順次に遅延させる。90゜の位相差で順次に遅延されるPWM信号(PWM1乃至PWM4)はLED列(LS1乃至LS4)を順次に点灯させることで毎瞬間ごとに一つのLED列を点灯させてバックライトユニットから液晶表示パネル10の方に照射される光量を一定水準で維持させる。したがって、PWM信号(PWM1乃至PWM4)によって発光するLED列(LS1乃至LS4)によって液晶表示パネル10に一定な光量で光が照射されるので液晶表示パネル10の表示映像から光量変動によるノイズが見えない。PWM制御部24はLEDチャンネル数が‘4’の時図9のようにPWM信号(PWM1乃至PWM4)のデューティー比をおおよそ25%で制御してPWM信号(PWM1乃至PWM4)がお互いに重畳されないように制御することができるし、また、PWM信号(PWM1乃至PWM4)のデューティー比を50% 以上増加させることでPWM信号(PWM1乃至PWM4)をお互いに重畳させて液晶表示パネル10に照射される輝度をさらに高めることもできる。PWM信号(PWM1乃至PWM4)のデューティー比増加によってPWM信号(PWM1乃至PWM4)が重畳される場合に、PWM制御部24は液晶表示パネル10に照射される光量がいつも同一するようにPWM信号(PWM1乃至PWM4)のデューティー比を制御する。
一方、LEDドライバー21のLEDチャンネル数が‘5’であると、PWM制御部24は360/5=72゜の位相差でPWM信号(PWM1乃至PWM4)を順次に遅延させる。
図5はLEDドライバー21に3個のLED列(LS1乃至LS3)が接続された状態を示している。このLEDドライバー21の最大LEDチャンネル数は6個であるのでLED列(LS1乃至LS3)が接続されない三つのフィードバック端子(FB4乃至FB6)はプルダウン抵抗を通じて基底電圧源(GND)に接続される。こうようにLEDドライバー21に3個のLED列(LS1乃至LS3)が接続されれば、フィードバック電圧検出部23は第1乃至第3フィードバック端子(FB1乃至FB3)を通じて入力される電流量を感知してLEDドライバー21のLEDチャンネル数を‘3’と判断してそのチャンネル数情報を駆動電圧発生部22とPWM制御部24に供給する。それでは駆動電圧発生部22は入力電圧を3個のLED列(LS1乃至LS3)の駆動に相応しい電圧でブーストして出力電圧を発生する。PWM制御部24は図8のように360/LEDチャンネル数=360/3=120゜の位相差でPWM信号(PWM1乃至PWM3)を順次に遅延させる。120゜の位相差で順次に遅延されるPWM信号(PWM1乃至PWM3)はLED列(LS1乃至LS3)を順次に点灯させることで毎瞬間ごとに一つのLED列を点灯させてバックライトユニットから液晶表示パネル10の方に照射される光量を一定水準で維持させる。したがって、PWM信号(PWM1乃至PWM3)によって発光するLED列(LS1乃至LS3)によって液晶表示パネル10に一定な光量で光が照射されるので液晶表示パネル10の表示映像から光量変動によるノイズが見えない。PWM制御部24はLEDチャンネル数が‘3’である時図8のようにPWM信号(PWM1乃至PWM3)のデューティー比をおおよそ33%で制御してPWM信号(PWM1乃至PWM3)がお互いに重畳されないように制御することができるし、また、PWM信号(PWM1乃至PWM3)のデューティー比を50%以上増加させることでPWM信号(PWM1乃至PWM3)をお互いに重畳させて液晶表示パネル10に照射される輝度をさらに高めることもできる。PWM信号(PWM1乃至PWM3)のデューティー比増加によってPWM信号(PWM1乃至PWM3)が重畳される場合に、PWM制御部24は液晶表示パネル10に照射される光量がいつも同一するようにPWM信号(PWM1乃至PWM3)のデューティー比を制御する。
図6はLEDドライバー21に2個のLED列(LS1、LS2)が接続された状態を示している。このLEDドライバー21の最大LEDチャンネル数は6個であるのでLED列(LS1、LS2)が接続されない4つのフィードバック端子(FB3乃至FB6)はプルダウン抵抗を通じて基底電圧源(GND)に接続される。こうようにLEDドライバー21に2個のLED列(LS1、LS2)が接続されれば、フィードバック電圧検出部23は第1及び第2フィードバック端子(FB1、FB2)を通じて入力される電流量を感知してLEDドライバー21のLEDチャンネル数を‘2’で判断してそのチャンネル数情報を駆動電圧発生部22とPWM制御部24に供給する。それでは駆動電圧発生部22は入力電圧を2個のLED列(LS1、LS2)の駆動に相応しい電圧でブーストして出力電圧を発生する。PWM制御部24は図10のように360/LEDチャンネル数=360/2=180゜の位相差でPWM信号(PWM1、PWM2)を順次に遅延させる。180゜の位相差で順次に遅延されるPWM信号(PWM1、PWM2)はLED列(LS1、LS2)を順次に点灯させることで毎瞬間ごとに一つのLED列を点灯させてバックライトユニットから液晶表示パネル10の方に照射される光量を一定水準で維持させる。したがって、PWM信号(PWM1、PWM2)によって発光するLED列(LS1、LS2)によって液晶表示パネル10に一定な光量で光が照射されるので液晶表示パネル10の表示映像から光量変動によるノイズが見えない。PWM制御部24はLEDチャンネル数が‘2’である時図10のようにPWM信号(PWM1乃至PWM3)のデューティー比を50%で制御してPWM信号(PWM1乃至PWM3)がお互いに重畳(Overlap)されないように制御する。
図12は本発明の実施形態に係るバックライトユニットの光源駆動方法の制御手順を段階的に示す流れ図である。
図12を参照すれば、本発明の実施形態に係るバックライトユニットの光源駆動方法はLEDドライバー21に電源を印加してLEDドライバー21を駆動することでLED列(LS1乃至LS6)に駆動電圧を供給する。(S1)LEDドライバー21はフィードバック端子(FB1乃至FB6)それぞれを通じて入力される電流を順次に感知してLEDチャンネル数を判断する。(S2乃至S4)
次いで、LEDドライバー21は認識されたLEDチャンネル数を用いてPWM信号(PWM1乃至PWM6)の位相差分周値を計算する。この時LEDドライバー21のPWM制御部24は前述の実施形態のように数値360をLEDチャンネル数に分けて(LEDチャンネル数で割って)分周して分周値を算出する。(S5)
引き継いで、LEDドライバー21は分周値で決められた位相差だけPWM信号(PWM1乃至PWM6)の位相を順次にシフトさせてLEDチャンネル別で遅延駆動を適用する。(126及び127)
以上説明した内容を通じて当業者であると本発明の技術思想を逸脱しない範囲内で多様な変更及び修正が可能であることが分かる。したがって、本発明の技術的範囲は明細書の詳細な説明に記載した内容に限定されるのではなく特許請求の範囲によって決められなければならない。
本発明の実施形態に係る液晶表示装置を示すブロック図である。 図1に示されたLEDドライバーとそのLEDドライバーに接続される6個のLEDチャンネルを示す回路図である。 LED列を示す回路図である。 図1に示されたLEDドライバーとそのLEDドライバーに接続される4個のLEDチャンネルを示す回路図である。 図1に示されたLEDドライバーとそのLEDドライバーに接続される3個のLEDチャンネルを示す回路図である。 図1に示されたLEDドライバーとそのLEDドライバーに接続される2個のLEDチャンネルを示す回路図である。 LEDチャンネル数が6である時PWM信号の位相差を示す波形図である。 LEDチャンネル数が4である時PWM信号の位相差を示す波形図である。 LEDチャンネル数が3である時PWM信号の位相差を示す波形図である。 LEDチャンネル数が2である時PWM信号の位相差を示す波形図である。 LEDチャンネル数が6でPWM信号のデューティー比が50%である時PWM信号の位相差を示す波形図である。 本発明の実施形態に係るバックライトユニットの光源駆動方法の制御手順を段階的に示す流れ図である。
符号の説明
10 液晶表示パネル
20 バックライトユニット
21 LEDドライバー
22 駆動電圧発生部
23 フィードバック電圧検出部
24 PWM制御部

Claims (10)

  1. 複数のLED列と、
    前記LED列が接続される電源出力端子とフィードバック端子を含み、
    順次に遅延されるPWM信号によって前記LEDを順次に駆動するLEDドライバーを備えて、
    前記LEDドライバーは前記フィードバック端子を通じて入力される信号に基づいて駆動可能なLEDチャンネル数を判断して、前記LEDチャンネル数にしたがって調整される位相差の値で前記PWM信号を順次に遅延させることを特徴とするバックライトユニットの光源駆動装置。
  2. 前記LEDドライバーは360を前記LEDチャンネル数に分けた分周値で前記位相差を決めることを特徴とする、請求項1記載のバックライトユニットの光源駆動装置。
  3. 前記LEDドライバーは前記LEDチャンネル数が多いほど前記位相差を減らすことを特徴とする、請求項1記載のバックライトユニットの光源駆動装置。
  4. 前記LEDドライバーは、
    前記フィードバック端子を通じて入力される前記LED列の電流を感知して前記LEDチャンネル数を発生するフィードバック電圧検出部と、
    前記LED列に供給されるLED駆動電圧を発生して前記LEDチャンネル数にしたがって前記LED駆動電圧を調整する駆動電圧発生部と、
    前記LEDチャンネル数に反比例する位相差で前記PWM信号を遅延させるPWM制御部を備えることを特徴とする、請求項1記載のバックライトユニットの光源駆動装置。
  5. 前記駆動電圧発生部は前記LEDチャンネル数に比例する電圧で前記LED駆動電圧を調整することを特徴とする、請求項4記載のバックライトユニットの光源駆動装置。
  6. LEDドライバーの電源出力端子とフィードバック端子の間に複数のLED列を接続させる段階と、
    前記LEDドライバーを駆動させて前記LED列にLED駆動電圧を供給して前記フィードバック端子を通じて入力される信号に基づいて前記LEDドライバーによって駆動可能なLEDチャンネル数を判断する段階と、
    前記LEDチャンネル数にしたがって位相差を調整する段階と、
    前記位相差の値でPWM信号を順次に遅延させる段階と、
    前記PWM信号によって前記LED列を順次に駆動する段階を含むことを特徴とするバックライトユニットの光源駆動方法。
  7. 360を前記LEDチャンネル数に分けた分周値で前記位相差を決める段階をさらに含むことを特徴とする、請求項6記載のバックライトユニットの光源駆動方法。
  8. 前記位相差を調整する段階は、
    前記LEDチャンネル数が多いほど前記位相差を減らすことを特徴とする、請求項6記載のバックライトユニットの光源駆動方法。
  9. 前記LEDチャンネル数にしたがって前記LED駆動電圧を調整する段階をさらに含むことを特徴とする、請求項6記載のバックライトユニットの光源駆動方法。
  10. 前記LED駆動電圧を調整する段階は、
    前記LEDチャンネル数に比例する電圧で前記LED駆動電圧を調整することを特徴とする、請求項9記載のバックライトユニットの光源駆動方法。
JP2008283869A 2008-07-04 2008-11-05 バックライトユニットの光源駆動装置及び方法 Active JP5188362B2 (ja)

Applications Claiming Priority (2)

Application Number Priority Date Filing Date Title
KR10-2008-0064969 2008-07-04
KR1020080064969A KR101289639B1 (ko) 2008-07-04 2008-07-04 백라이트 유닛의 광원 구동장치 및 방법

Publications (2)

Publication Number Publication Date
JP2010015967A true JP2010015967A (ja) 2010-01-21
JP5188362B2 JP5188362B2 (ja) 2013-04-24

Family

ID=41463973

Family Applications (1)

Application Number Title Priority Date Filing Date
JP2008283869A Active JP5188362B2 (ja) 2008-07-04 2008-11-05 バックライトユニットの光源駆動装置及び方法

Country Status (4)

Country Link
US (1) US8854293B2 (ja)
JP (1) JP5188362B2 (ja)
KR (1) KR101289639B1 (ja)
CN (1) CN101621870B (ja)

Cited By (6)

* Cited by examiner, † Cited by third party
Publication number Priority date Publication date Assignee Title
JP2010267415A (ja) * 2009-05-12 2010-11-25 Toshiba Lighting & Technology Corp 照明装置
JP2011233592A (ja) * 2010-04-23 2011-11-17 Rohm Co Ltd 発光ダイオードの電流駆動回路およびそれを用いた発光装置、電子機器、発光ダイオードの駆動モードの設定方法
JP2013054822A (ja) * 2011-08-31 2013-03-21 Toshiba Corp 光源装置、駆動装置及び電子機器
US8502481B2 (en) 2010-07-02 2013-08-06 Rohm Co., Ltd. Phase shift controller
US9439259B2 (en) 2011-01-26 2016-09-06 Rohm Co., Ltd. LED backlight driving circuit for LCD panels
US9723674B2 (en) 2015-07-22 2017-08-01 Rohm Co., Ltd. Current driver, LED drive circuit, lighting device and electronic apparatus

Families Citing this family (23)

* Cited by examiner, † Cited by third party
Publication number Priority date Publication date Assignee Title
KR20110024102A (ko) * 2009-09-01 2011-03-09 삼성전자주식회사 Led 구동 장치 및 방법, 이를 이용하는 led 구동 시스템 및 액정 표시 장치
US20110074301A1 (en) * 2009-09-30 2011-03-31 Dimitry Goder Pulse-Width Modulated Signal Generator for Light-Emitting Diode Dimming
TWI507079B (zh) * 2010-03-26 2015-11-01 My Semi Inc 發光二極體的驅動裝置與其驅動方法
JP4922439B2 (ja) * 2010-07-01 2012-04-25 シャープ株式会社 Led制御装置,液晶表示装置
CN102237045B (zh) * 2011-07-25 2014-07-23 深圳Tcl新技术有限公司 多相位区域控光驱动用变换器
CN102354484B (zh) * 2011-09-20 2014-04-30 深圳市华星光电技术有限公司 Led调光驱动装置、方法及液晶显示器
TWI440401B (zh) * 2011-11-04 2014-06-01 Au Optronics Corp 具交錯驅動機制之光源系統
JP2013228436A (ja) * 2012-04-24 2013-11-07 Panasonic Liquid Crystal Display Co Ltd 表示装置及び表示装置の制御方法
CN102903339B (zh) * 2012-10-26 2015-12-02 合肥京东方光电科技有限公司 显示装置背光源的控制方法及控制装置
KR101628138B1 (ko) * 2014-07-29 2016-06-21 현대자동차 주식회사 차량의 방향 지시등 제어 장치
EP3012974B1 (en) * 2014-10-24 2018-08-01 Automotive Lighting Italia S.p.A. Method for controlling a motor-vehicle lighting device that uses leds
DE102016107725B4 (de) * 2016-04-26 2023-09-28 Dr. Ing. H.C. F. Porsche Aktiengesellschaft Verfahren zum Ansteuern einer Mehrzahl von Leuchtmodulen eines Matrixscheinwerfers für ein Kraftfahrzeug
KR102246926B1 (ko) * 2016-11-09 2021-04-30 삼성전자주식회사 Led 디스플레이 모듈 및 디스플레이 장치
KR102575551B1 (ko) 2018-04-12 2023-09-08 삼성디스플레이 주식회사 표시 장치
CN108761887B (zh) 2018-04-28 2020-03-27 武汉华星光电技术有限公司 阵列基板及显示面板
CN109003581B (zh) 2018-08-03 2020-02-11 深圳市华星光电半导体显示技术有限公司 背光驱动控制方法及系统
US10877314B2 (en) * 2018-09-27 2020-12-29 Apple Inc. Methods and apparatus for controlling display backlight
DE102019105953A1 (de) * 2019-03-08 2020-09-10 HELLA GmbH & Co. KGaA Steuer- und/oder Regelungsmittel, Schaltungsanordnung und Verfahren zur Ansteuerung von Leuchtdioden in einem Leuchtdiodenfeld
DE102019105954A1 (de) * 2019-03-08 2020-09-10 HELLA GmbH & Co. KGaA Steuer- und/oder Regelungsmittel, Schaltungsanordnung und Verfahren zur Reduzierung des Strommaximums in einem Leuchtdiodenfeld
TWI697883B (zh) 2019-03-28 2020-07-01 聚積科技股份有限公司 顯示系統及其驅動電路
US10950167B1 (en) * 2019-10-17 2021-03-16 Solomon Systech (Shenzhen) Limited LED display with electroluminescent components
CN116935783A (zh) * 2023-06-30 2023-10-24 天马新型显示技术研究院(厦门)有限公司 显示面板及显示装置
CN118824203B (zh) * 2024-09-04 2025-02-25 北京显芯科技有限公司 背光驱动方法及驱动器、显示器

Citations (5)

* Cited by examiner, † Cited by third party
Publication number Priority date Publication date Assignee Title
JP2000275605A (ja) * 1999-03-25 2000-10-06 Toshiba Corp 液晶表示装置
JP2003215534A (ja) * 2002-01-23 2003-07-30 Seiko Epson Corp 液晶ディスプレイのバックライト制御装置
JP2006351484A (ja) * 2005-06-20 2006-12-28 Moritex Corp 照明装置とそれに使用する照明ヘッド
JP2007286627A (ja) * 2006-04-19 2007-11-01 Samsung Electro-Mechanics Co Ltd 液晶表示装置用のバックライトユニット
WO2008037641A1 (en) * 2006-09-26 2008-04-03 Thomson Licensing Set of light emissive diode elements for a backlight device and backlight display

Family Cites Families (8)

* Cited by examiner, † Cited by third party
Publication number Priority date Publication date Assignee Title
CN101142856A (zh) * 2004-11-29 2008-03-12 Tir技术有限公司 集成模块化照明单元
JP5414141B2 (ja) * 2005-04-18 2014-02-12 株式会社東芝 情報処理装置
KR20070109532A (ko) * 2006-05-11 2007-11-15 삼성전자주식회사 백라이트와 백라이트 구동 방법 및 이를 포함한액정표시장치
KR101288593B1 (ko) * 2006-10-16 2013-07-22 엘지디스플레이 주식회사 발광 다이오드 구동 장치 및 이를 이용한 액정 표시 장치
CN201001216Y (zh) * 2007-01-24 2008-01-02 先礼群 大功率led驱动电路
US20090225020A1 (en) * 2008-03-07 2009-09-10 O2Micro, Inc. Backlight controller for driving light sources
US7825610B2 (en) * 2008-03-12 2010-11-02 Freescale Semiconductor, Inc. LED driver with dynamic power management
TWI391028B (zh) * 2008-04-18 2013-03-21 Novatek Microelectronics Corp 發光二極體驅動模組

Patent Citations (5)

* Cited by examiner, † Cited by third party
Publication number Priority date Publication date Assignee Title
JP2000275605A (ja) * 1999-03-25 2000-10-06 Toshiba Corp 液晶表示装置
JP2003215534A (ja) * 2002-01-23 2003-07-30 Seiko Epson Corp 液晶ディスプレイのバックライト制御装置
JP2006351484A (ja) * 2005-06-20 2006-12-28 Moritex Corp 照明装置とそれに使用する照明ヘッド
JP2007286627A (ja) * 2006-04-19 2007-11-01 Samsung Electro-Mechanics Co Ltd 液晶表示装置用のバックライトユニット
WO2008037641A1 (en) * 2006-09-26 2008-04-03 Thomson Licensing Set of light emissive diode elements for a backlight device and backlight display

Cited By (8)

* Cited by examiner, † Cited by third party
Publication number Priority date Publication date Assignee Title
JP2010267415A (ja) * 2009-05-12 2010-11-25 Toshiba Lighting & Technology Corp 照明装置
JP2011233592A (ja) * 2010-04-23 2011-11-17 Rohm Co Ltd 発光ダイオードの電流駆動回路およびそれを用いた発光装置、電子機器、発光ダイオードの駆動モードの設定方法
US8492982B2 (en) 2010-04-23 2013-07-23 Rohm Co., Ltd. Current drive circuit for light emitting diode
KR101771718B1 (ko) * 2010-04-23 2017-08-25 로무 가부시키가이샤 발광 다이오드의 전류 구동 회로 및 이를 이용한 발광 장치, 전자 기기, 발광 다이오드의 구동 모드의 설정 방법
US8502481B2 (en) 2010-07-02 2013-08-06 Rohm Co., Ltd. Phase shift controller
US9439259B2 (en) 2011-01-26 2016-09-06 Rohm Co., Ltd. LED backlight driving circuit for LCD panels
JP2013054822A (ja) * 2011-08-31 2013-03-21 Toshiba Corp 光源装置、駆動装置及び電子機器
US9723674B2 (en) 2015-07-22 2017-08-01 Rohm Co., Ltd. Current driver, LED drive circuit, lighting device and electronic apparatus

Also Published As

Publication number Publication date
US8854293B2 (en) 2014-10-07
US20100001944A1 (en) 2010-01-07
CN101621870B (zh) 2016-02-17
KR101289639B1 (ko) 2013-07-30
CN101621870A (zh) 2010-01-06
JP5188362B2 (ja) 2013-04-24
KR20100004669A (ko) 2010-01-13

Similar Documents

Publication Publication Date Title
JP5188362B2 (ja) バックライトユニットの光源駆動装置及び方法
EP2869293B1 (en) Backlight unit and liquid crystal display using the same
US20100020108A1 (en) Method and apparatus for driving a backlight assembly
JP5601021B2 (ja) 発光素子駆動装置および表示装置
JP2009212082A (ja) 光源駆動方法とこれを用いた光源装置、及びこの光源装置を含む表示装置
US20160309558A1 (en) Backlight driving apparatus
KR20090053372A (ko) 백라이트 유닛 어셈블리와 이를 포함하는 액정 표시 장치
KR20140042310A (ko) Dc-dc 변환기 제어 회로와 이를 이용한 영상 표시장치 및 그 구동방법
KR20100006320A (ko) 백라이트 유닛의 광원 구동장치 및 방법
KR102070365B1 (ko) 액정 디스플레이 장치와 이의 구동방법
KR20150015637A (ko) 광원 구동장치 및 이를 이용한 액정표시장치
KR102280939B1 (ko) 표시 장치 및 그것의 휘도 제어 방법
KR20080033001A (ko) 백라이트 유닛 및 이를 구비하는 액정 표시 장치
KR101510885B1 (ko) 백라이트 유닛의 광원 구동장치 및 방법
KR101869823B1 (ko) 액정 표시장치와 이의 구동방법
KR101633098B1 (ko) 백라이트 유닛
KR101622649B1 (ko) 액정 표시장치의 구동장치와 그 구동방법
KR20080113846A (ko) 백 라이트 유닛과 이를 이용한 액정 표시장치 및 그의구동방법
KR102302801B1 (ko) Led 드라이버와 이를 이용한 액정표시장치
KR20110078709A (ko) 액정 표시장치 및 그의 구동방법
KR20090002730A (ko) 백 라이트 유닛과 이를 이용한 액정 표시장치 및 그의구동방법
KR20120112950A (ko) 백라이트 유닛과 이를 이용한 액정 표시장치
KR20090054581A (ko) Led 구동회로와 이를 이용한 백 라이트 유닛 및 액정표시장치
KR20090066546A (ko) 백라이트 유닛
KR102332278B1 (ko) 액정표시장치와 이의 구동방법

Legal Events

Date Code Title Description
A977 Report on retrieval

Free format text: JAPANESE INTERMEDIATE CODE: A971007

Effective date: 20110916

A131 Notification of reasons for refusal

Free format text: JAPANESE INTERMEDIATE CODE: A131

Effective date: 20111003

A521 Request for written amendment filed

Free format text: JAPANESE INTERMEDIATE CODE: A523

Effective date: 20120104

A02 Decision of refusal

Free format text: JAPANESE INTERMEDIATE CODE: A02

Effective date: 20120528

A521 Request for written amendment filed

Free format text: JAPANESE INTERMEDIATE CODE: A523

Effective date: 20120928

A911 Transfer to examiner for re-examination before appeal (zenchi)

Free format text: JAPANESE INTERMEDIATE CODE: A911

Effective date: 20121005

TRDD Decision of grant or rejection written
A01 Written decision to grant a patent or to grant a registration (utility model)

Free format text: JAPANESE INTERMEDIATE CODE: A01

Effective date: 20121225

A61 First payment of annual fees (during grant procedure)

Free format text: JAPANESE INTERMEDIATE CODE: A61

Effective date: 20130122

FPAY Renewal fee payment (event date is renewal date of database)

Free format text: PAYMENT UNTIL: 20160201

Year of fee payment: 3

R150 Certificate of patent or registration of utility model

Ref document number: 5188362

Country of ref document: JP

Free format text: JAPANESE INTERMEDIATE CODE: R150

Free format text: JAPANESE INTERMEDIATE CODE: R150

R250 Receipt of annual fees

Free format text: JAPANESE INTERMEDIATE CODE: R250

R250 Receipt of annual fees

Free format text: JAPANESE INTERMEDIATE CODE: R250

R250 Receipt of annual fees

Free format text: JAPANESE INTERMEDIATE CODE: R250

R250 Receipt of annual fees

Free format text: JAPANESE INTERMEDIATE CODE: R250

R250 Receipt of annual fees

Free format text: JAPANESE INTERMEDIATE CODE: R250

R250 Receipt of annual fees

Free format text: JAPANESE INTERMEDIATE CODE: R250

R250 Receipt of annual fees

Free format text: JAPANESE INTERMEDIATE CODE: R250

R250 Receipt of annual fees

Free format text: JAPANESE INTERMEDIATE CODE: R250

R250 Receipt of annual fees

Free format text: JAPANESE INTERMEDIATE CODE: R250

R250 Receipt of annual fees

Free format text: JAPANESE INTERMEDIATE CODE: R250

R250 Receipt of annual fees

Free format text: JAPANESE INTERMEDIATE CODE: R250