JP2010015445A - 要望書作成支援システム、要望書作成支援プログラム及び当該支援プログラムを記録したコンピュータ読み取り可能な記録媒体 - Google Patents

要望書作成支援システム、要望書作成支援プログラム及び当該支援プログラムを記録したコンピュータ読み取り可能な記録媒体 Download PDF

Info

Publication number
JP2010015445A
JP2010015445A JP2008175862A JP2008175862A JP2010015445A JP 2010015445 A JP2010015445 A JP 2010015445A JP 2008175862 A JP2008175862 A JP 2008175862A JP 2008175862 A JP2008175862 A JP 2008175862A JP 2010015445 A JP2010015445 A JP 2010015445A
Authority
JP
Japan
Prior art keywords
data
request
component
database
image
Prior art date
Legal status (The legal status is an assumption and is not a legal conclusion. Google has not performed a legal analysis and makes no representation as to the accuracy of the status listed.)
Granted
Application number
JP2008175862A
Other languages
English (en)
Other versions
JP5217702B2 (ja
Inventor
Kazuhiko Kato
和彦 加藤
Hideyuki Tsuchiya
英行 土屋
Current Assignee (The listed assignees may be inaccurate. Google has not performed a legal analysis and makes no representation or warranty as to the accuracy of the list.)
Toyota Auto Body Co Ltd
Original Assignee
Toyota Auto Body Co Ltd
Priority date (The priority date is an assumption and is not a legal conclusion. Google has not performed a legal analysis and makes no representation as to the accuracy of the date listed.)
Filing date
Publication date
Application filed by Toyota Auto Body Co Ltd filed Critical Toyota Auto Body Co Ltd
Priority to JP2008175862A priority Critical patent/JP5217702B2/ja
Publication of JP2010015445A publication Critical patent/JP2010015445A/ja
Application granted granted Critical
Publication of JP5217702B2 publication Critical patent/JP5217702B2/ja
Expired - Fee Related legal-status Critical Current
Anticipated expiration legal-status Critical

Links

Images

Classifications

    • YGENERAL TAGGING OF NEW TECHNOLOGICAL DEVELOPMENTS; GENERAL TAGGING OF CROSS-SECTIONAL TECHNOLOGIES SPANNING OVER SEVERAL SECTIONS OF THE IPC; TECHNICAL SUBJECTS COVERED BY FORMER USPC CROSS-REFERENCE ART COLLECTIONS [XRACs] AND DIGESTS
    • Y02TECHNOLOGIES OR APPLICATIONS FOR MITIGATION OR ADAPTATION AGAINST CLIMATE CHANGE
    • Y02PCLIMATE CHANGE MITIGATION TECHNOLOGIES IN THE PRODUCTION OR PROCESSING OF GOODS
    • Y02P90/00Enabling technologies with a potential contribution to greenhouse gas [GHG] emissions mitigation
    • Y02P90/02Total factory control, e.g. smart factories, flexible manufacturing systems [FMS] or integrated manufacturing systems [IMS]
    • YGENERAL TAGGING OF NEW TECHNOLOGICAL DEVELOPMENTS; GENERAL TAGGING OF CROSS-SECTIONAL TECHNOLOGIES SPANNING OVER SEVERAL SECTIONS OF THE IPC; TECHNICAL SUBJECTS COVERED BY FORMER USPC CROSS-REFERENCE ART COLLECTIONS [XRACs] AND DIGESTS
    • Y02TECHNOLOGIES OR APPLICATIONS FOR MITIGATION OR ADAPTATION AGAINST CLIMATE CHANGE
    • Y02PCLIMATE CHANGE MITIGATION TECHNOLOGIES IN THE PRODUCTION OR PROCESSING OF GOODS
    • Y02P90/00Enabling technologies with a potential contribution to greenhouse gas [GHG] emissions mitigation
    • Y02P90/30Computing systems specially adapted for manufacturing

Landscapes

  • General Factory Administration (AREA)
  • Management, Administration, Business Operations System, And Electronic Commerce (AREA)

Abstract

【課題】要望書の作成工数を低減することができるとともに誤記の発生を防止することができる要望書作成支援システム、要望書作成支援プログラム、及び、同プログラムが記録されたコンピュータ読み取り可能な記憶媒体を提供する。
【解決手段】要望書作成支援プログラムにより、コンピュータ端末14が、部品データにおいて指定された指定部品の識別データを要望書データに加える手順、指定部品の組付状態を示す組立外観図のデータを画像DB16から読み出して要望書データに加える手順、並行生産車種の部品の諸元データを諸元DB17から読み出して要望書データに加える手順を実行する。
【選択図】図1

Description

この発明は、部品データベースから取得した部品の識別情報や、画像データベースから取得した画像が掲載された要望書の作成を支援するようにした要望書作成支援システム、要望書作成支援プログラム、及び、当該支援プログラムを記録したコンピュータ読み取り可能な記録媒体に関するものである。
この種の技術としては、特許文献1に記載されているように、サーバに、部品番号と図面番号とを関連づけるデータが記憶されたデータベースと、部品番号を図面番号に変換する変換手段とを設けるものがある。このような構成により、端末機からサーバに所要の部品の部品番号を送るだけで図面番号を検索することなく部品番号に対応する図面を読み出すことができるようにしている。つまり、この構成を用いれば、所要部品の部品番号さえ分かれば図面を入手でき、その図面番号を入力したりするという面倒な手順が省略できるとされている。
特開2003−281204号公報
ところで、例えばメーカにおいては、設計部門により設計された部品の組立を製造部門が行っているが、作業性向上や他製品との部品の共通化等の理由により、生産技術部門や製造部門から設計部門に対して設計変更の要望が出されることが頻繁にある。この要望は、その部品の品番、品名、組立順を示す組立番号、組立部位等の識別情報や、設計変更内容、変更理由等の要望事項情報や、その部品の組付状態を示す組立外観図等を記載した要望書を設計部門に提出することによって行われる。従来、この要望書の作成は、部品サーバや画像サーバに接続されたコンピュータ端末を使って行われていた。すなわち、部品サーバの部品データベースから部品の識別情報を読み出し、この識別情報をコンピュータ端末において作成した要望書に手入力していた。また、画像サーバのデータベースから部品の組立外観図を読み出し、この組立外観図を手作業により要望書に貼り付けていた。このため、要望書の作成工数が多大となり、その作業に長時間を要し、設計変更の検討を行いたい部品の数が多い場合は特に多大な作成時間が必要となる。しかも、手入力に伴う誤記が避けられず、これに伴って多大なロス時間が発生していた。一方、前記特許文献1の技術は、部品番号から図面を抽出するだけであるため、特定の書式のものを作成することはできず、まして、設計内容に言及する要望書作成は不可能である。
この発明は、このような従来の技術に存在する問題点に着目してなされたものである。その目的とするところは、要望書の作成工数を低減することができるとともに誤記の発生を防止することができる要望書作成支援システム、要望書作成支援プログラム、及び、同支援プログラムを記録したコンピュータ読み取り可能な記憶媒体を提供することにある。
上記の目的を達成するために、請求項1に記載の発明は、部品データがその部品の識別情報とともに蓄積された部品データベースを設定した部品サーバと、前記部品データの部品の組付状態を示す画像データが蓄積された画像データベースを設定した画像サーバと、前記部品データを部品データベースから読み出し、この部品データにおいて指定された指定部品の識別情報を予め設定された書式の要望書データに加える手順、前記指定部品の画像データを画像データベースから読み出し、この画像データを前記要望書データに加える手順をそれぞれ実行させるためのプログラムを記憶したコンピュータ端末とからなり、前記コンピュータ端末は、前記部品サーバの部品データベースから前記部品データを読み出すとともに前記画像サーバの画像データベースから前記画像データを読み出し、この部品データ及び画像データを用いて要望書データを作成する制御手段を備えたことを特徴とする要望書作成支援システムである。ここで、「部品の組付状態を示す画像データ」とは、イメージデータあるいはコードデータよりなる外観図や断面図を指す。
請求項2に記載の発明は、前記部品データ中の部品の諸元情報が蓄積された諸元データベースを設定した諸元サーバをさらに備え、前記プログラムは、前記指定部品と代替可能な代替部品の諸元データを同指定部品の諸元データとともに前記諸元データベースから読み出し、この各諸元データを前記要望書データに加える手順をさらに実行させるためのものであり、前記制御手段は、前記諸元サーバの諸元データベースから前記諸元情報を読み出し、この諸元情報をさらに用いて要望書データを作成することを特徴とする。
請求項3に記載の発明は、前記部品サーバは、複数の車種毎に部品データを蓄積することを特徴とする。
請求項4に記載の発明は、コンピュータに、部品データがその部品の識別情報とともに蓄積された部品データベースから部品データを読み出し、この部品データにおいて指定された指定部品の識別情報を予め設定された書式の要望書データに加える手順、前記指定部品の組付状態を示す画像データが蓄積された画像データベースから前記指定部品の画像データを読み出し、この画像データを前記要望書データに加える手順をそれぞれ実行させるための要望書作成支援プログラムである。
請求項5に記載の発明は、前記指定部品と代替可能な代替部品の諸元データを前記部品データ中の部品の諸元情報が蓄積された諸元データベースから同指定部品の諸元データとともに読み出し、この各諸元データを前記要望書データに加える手順をさらに実行させるものである。
請求項6に記載の発明は、前記代替部品は、並行生産車種の同一組立部位に用いられる部品であることを特徴とする。
請求項7に記載の発明は、請求項4〜6のいずれか一項に記載の要望書作成支援プログラムを記録したコンピュータ読み取り可能な記録媒体である。
(作用)
この発明においては、部品データベースからコンピュータにより読み出した部品データにおいて部品を指定するだけで、その指定部品の識別データと画像データとが要望書データに自動的に加えられる。従って、コンピュータを使って要望書データを作成するにあたり、要望書作成者が、部品データベースに蓄積されている識別情報を部品サーバからコンピュータ端末に要望書作成者が読み出したり、画像データベースに蓄積されている画像データを画像サーバからコンピュータ端末に読み出したりする操作が不要となる。また、要望書作成者が、部品の識別情報を要望書に手入力したり、画像データを要望書に張り付けたり作業が不要となる。このため、要望書の作成工数が低減するとともに誤記の発生が抑制される。
また、指定部品と代替可能な代替部品の諸元データが同指定部品の諸元データとともに要望書データに自動的に加えられるようにすれば、諸元データベースに蓄積されている諸元データを各サーバからコンピュータ端末に作成者が読み出す操作と、この諸元情報を要望書に手入力する作業とが不要となる。
この発明によれば、要望書の作成工数を低減することができるとともに誤記の発生を防止することができるという効果を発揮する。
次に、この発明を具体化した要望書作成支援システムの一実施形態について、図1〜図5を参照して説明する。
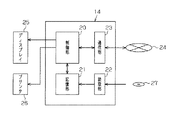
図1に示すように、この要望書作成支援システム10は、部品サーバ11、画像サーバ12、諸元サーバ13、及び、これらのサーバ11〜13に対してネットワーク24を介して接続された複数のコンピュータ端末14により構成されている。部品サーバ11には、複数の車種毎の部品データを有する部品データベース(以下、部品DBと略記する)15が設定されている。各部品データは、各車種に用いられる全ての部品について、その部品の識別情報、すなわち品番、品名、組立番号、組立部位等の情報データを含んでいる。画像サーバ12には、各部品データ中の部品の組付状態を示す画像データ、すなわち組立外観図や組立断面図等のイメージデータやコードデータが蓄積された画像データベース(以下、画像DBと略記する)16が設定されている。また、諸元サーバ13には、各部品データに入れられている部品の諸元データが蓄積された諸元データベース(以下、諸元DBと略記する)17が設定されている。
図2に示すように、前記各コンピュータ端末14は、制御手段としての制御部20、記憶部21、読取部22及び通信部23を備え、通信部23によりネットワーク24を介して前記各サーバ11,12,13にアクセス可能となっている。また、コンピュータ端末14は、データをディスプレィ25に表示し、また、プリンタ26により印刷可能となっている。各コンピュータ端末14の記憶部21には、例えば、メーカにおいて生産技術部門や製造部門が設計部門に対して設計変更を要望するために作成する要望書の要望書作成支援プログラムがインストールされるとともに、図3に示す要望書30の書式データが格納されている。この、要望書作成支援プログラムは、図4においてフローチャートによって示され、例えばCD−ROM27やUSBメモリ等のコンピュータ読み取り可能な記録媒体に記録されており、図2に示すように、これらの記録媒体から前記読取部22を介して記憶部21に転送されてインストールされる。
前記要望書についてより具体的に説明する。この実施形態において要望書は、ある車種の組立工程の1つにおいて車両に組み付けるボルト、ネジ等の各種部品を、設計部門により指定されているものから別のものへの変更を要望するときに、生産技術部門や製造部門によって作成される。この要望の目的は、作業性向上、他車種との共通化等である。図3に示すように、要望書30は、所定の書式を有し、車種名、タイトルからなるテーマ情報を記載するテーマ情報記載欄31、要望部位、品番、組立番号及び組立部位からなる識別情報を記載する識別情報記載欄32、及び、設計変更内容、変更理由からなる要望情報を記載する要望情報記載欄33を備えている。また、要望書30は、指定車種の部品の組付状態を示す画像情報を掲載する画像情報掲載欄34を備えている。さらに、要望書30は、本車種の現行部品、要望対象の提案部品と、並行生産車種(混流ラインにおいて同時生産される他車種、他工場で生産される同車種、兄弟種種等を指す)に用いられる部品との各諸元情報を記載する諸元情報記載欄35を備えている。上記作成支援プログラムは、このような書式の要望書30の作成の支援を行うものである。
次に、上記コンピュータ端末14において要望書作成プログラムにより実行される要望書作成支援処理について説明する。
図4のフローチャート及び図5のジョブフロー図に示すように、この要望書作成支援処理として、コンピュータ端末14において要望書作成プログラムを立ち上げると、まず、図4のステップ(以下、Sと略記する)100において図3に示す要望書30の書式データが読み出されてディスプレィ25に表示される。そして、ディスプレィ25に表示された要望書30のテーマ情報記載欄31におけるカーソルの点滅により、車種名の入力が要望書作成者に促される。S100において車種名が入力されると、次にS101において、このテーマ情報がテーマ情報記載欄31に記載される情報として要望書データに加えられ、これにより更新された要望書30がディスプレィ25に表示される。
次に、S102において、ディスプレィ25に表示された要望書30の識別情報記載欄32の車種名欄におけるカーソルの点滅により、部品の設計変更を要望しようとする車種名の再入力と、品番、組立番号、部品の組立部位の入力が要望書作成者に促される。S102においてそれらの識別情報が入力されると、ディスプレィ25上の要望書30中にこれらの識別情報が表示される。次にS103において、コンピュータ端末14から部品サーバ11の部品DB15にネットワーク24を介してアクセスが実行される。そして、その部品DB15から該当車種の部品データが読み出されてネットワーク24を介してコンピュータ端末14のディスプレィ25に転送され、そのコンピュータ端末14の記憶部21にいったん記憶される。
次に、S104において、コンピュータ端末14から画像サーバ12の画像DB16にネットワーク24を介してアクセスが実行され、その画像DB16から、前記S102において指定された指定部品の組立外観図データや組立断面図データが読み出され、ネットワーク24を介してコンピュータ端末14に転送される。そして、この画像データは、画像情報掲載欄34に掲載される画像として要望書データに加えられ、これにより更新された要望書30がディスプレィ25に表示される。
次に、S105において、ディスプレィ25に表示された要望書30の要望情報記載欄33におけるカーソルの点滅により、要望情報(例えば新たに要望する部品の品番)の入力が要望書作成者に促される。S105において要望情報が入力されると、次にS106において、この要望情報が、要望情報記載欄33に記載される情報として要望書データに加えられ、これにより更新された要望書30がディスプレィ25に表示される。
次に、S107において、コンピュータ端末14から諸元サーバ13にアクセスが実行され、諸元DB17から並行生産車種に関する諸元情報が取得されて記憶部21に記憶される。次いで、要望前の現行部品、要望前の諸元と、並行生産車種の該当部品の諸元とを車種名とともに表形式にした諸元リストが作成される。そして、この各諸元リストは、諸元情報記載欄35に記載される情報として要望書データに加えられ、これにより更新された要望書30がディスプレィ25に表示される。S107の実行後、この処理が終了される。
以上のようにして作成された要望書データをプリンタ26により印刷すると、図3に示すように、指定した部品の識別情報が識別情報記載欄32に記載され、その部品の画像情報が画像情報掲載欄34に載せられるとともに、並行生産車種の部品の諸元データが指定部品の諸元データとともに諸元情報記載欄35に記載された要望書30が作成される。
この実施形態によれば、以下の効果を得ることができる。
(1) すなわち、この実施形態においては、要望書作成支援プログラムにより、コンピュータ端末14の制御部20が、指定された部品の識別データを要望書データに加える手順、指定部品の組付状態を示す画像データを画像DB16から読み出して要望書データに加える手順をそれぞれ実行する。このため、コンピュータ端末14を使って要望書データを作成するにあたり、要望書作成者が、部品DB15に蓄積されている部品の識別情報を部品サーバ11からコンピュータ端末14に手作業で読み出したり、画像DB16に蓄積されている画像データを画像サーバ12からコンピュータ端末14に作成者が手作業で読み出したり作業が不要となる。また、部品の識別情報及び画像情報をそれぞれ要望書に手入力する作業が不要となる。従って、要望書をほぼ自動的に作成することができるので、要望書30の作成工数を低減するとともに誤記の発生を防止することができる。
(2) さらに、要望書作成支援プログラムにより制御部20は、並行生産車種の部品の諸元データを諸元DB17から読み出して要望書データに加える手順を実行する。このため、諸元DB17に蓄積されている諸元情報を諸元サーバ13からコンピュータ端末14に作成者が読み出す操作が不要となるとともに、諸元情報を要望書に手入力する作業が不要となる。従って、諸元情報が記載された要望書30をほぼ自動的に作成することができる。
(3) 部品サーバ11に複数の車種毎の部品データを蓄積したので、種々の車種に対して要望書30を作成することができる。
(4) 諸元リストには、要望前の現行部品と要望部品の諸元だけではなく、並行生産車種の該当部品の諸元情報を記載するようにしたため、設計者を始めとして要望書30の閲覧者は部品統合化の規模や全容を容易に把握することができる。
なお、この実施形態は、次のように変更して具体化することも可能である。
・ 並行生産車種において指定部品と同一組立部位に用いられる部品を指定部品の代替部品とする代わりに、並行生産車種と関係なく選定した部品を代替部品とし、その諸元データを要望書データに加えること。
・ 図3に仮想線で示すように、要望書30の要望情報記載欄33に、生産技術部門だけではなく、その他例えば工場等を含む複数部門からの要望を並記できるようにすること。この場合、諸元情報記載欄35にも複数部門からの要望内容に関する諸元を並記できるようにする。
・ 諸元情報記載欄35を省略すること。このようにしても、識別情報記載欄33の内容と画像情報掲載欄34の内容とから要望事項を把握できる。また、このようにすれば、システムの処理、すなわちプログラムを簡略化できる。
・ 部品サーバ11の部品DB15と、諸元サーバ13の諸元DB17とを一体化して統合すること。
一実施形態の要望書作成支援システムの構成図。 コンピュータ端末の構成を示すブロック図。 要望書を示す正面図。 要望書作成処理を示すフローチャート。 要望書作成処理のジョブフロー図。
符号の説明
10…要望書作成支援システム、11…部品サーバ、12…画像サーバ、13…諸元サーバ、14…コンピュータ端末、15…部品データベース、16…画像データベース、17…諸元データベース、20…制御手段としての制御部、27…コンピュータ読み取り可能な記録媒体としてのCD−ROM、30…要望書。

Claims (7)

  1. 部品データがその部品の識別情報とともに蓄積された部品データベースを設定した部品サーバと、
    前記部品データの部品の組付状態を示す画像データが蓄積された画像データベースを設定した画像サーバと、
    前記部品データを部品データベースから読み出し、この部品データにおいて指定された指定部品の識別情報を予め設定された書式の要望書データに加える手順、前記指定部品の画像データを画像データベースから読み出し、この画像データを前記要望書データに加える手順をそれぞれ実行させるためのプログラムを記憶したコンピュータ端末とを備え、
    前記コンピュータ端末は、前記部品サーバの部品データベースから前記部品データを読み出すとともに前記画像サーバの画像データベースから前記画像データを読み出し、この部品データ及び画像データを用いて要望書データを作成する制御手段を備えたことを特徴とする要望書作成支援システム。
  2. 前記部品データ中の部品の諸元情報が蓄積された諸元データベースを設定した諸元サーバをさらに備え、
    前記プログラムは、前記指定部品と代替可能な代替部品の諸元データを同指定部品の諸元データとともに前記諸元データベースから読み出し、この各諸元データを前記要望書データに加える手順をさらに実行させるためのものであり、
    前記制御手段は、前記諸元サーバの諸元データベースから前記諸元情報を読み出し、この諸元情報をさらに用いて要望書データを作成することを特徴とする請求項1に記載の要望書作成支援システム。
  3. 前記部品サーバは、複数の車種毎に部品データを蓄積することを特徴とする請求項1または2に記載の要望書作成支援システム。
  4. コンピュータに、
    部品データがその部品の識別情報とともに蓄積された部品データベースから部品データを読み出し、この部品データにおいて指定された指定部品の識別情報を予め設定された書式の要望書データに加える手順、
    前記指定部品の組付状態を示す画像データが蓄積された画像データベースから前記指定部品の画像データを読み出し、この画像データを前記要望書データに加える手順
    をそれぞれ実行させるための要望書作成支援プログラム。
  5. 前記指定部品と代替可能な代替部品の諸元データを前記部品データ中の部品の諸元情報が蓄積された諸元データベースから同指定部品の諸元データとともに読み出し、この各諸元データを前記要望書データに加える手順をさらに実行させるための請求項4に記載の要望書作成支援プログラム。
  6. 前記代替部品は、並行生産車種の同一組立部位に用いられる部品であることを特徴とする請求項5に記載の要望書作成支援プログラム。
  7. 請求項4〜6のいずれか一項に記載の要望書作成支援プログラムを記録したコンピュータ読み取り可能な記録媒体。
JP2008175862A 2008-07-04 2008-07-04 要望書作成支援システム、要望書作成支援プログラム及び当該支援プログラムを記録したコンピュータ読み取り可能な記録媒体 Expired - Fee Related JP5217702B2 (ja)

Priority Applications (1)

Application Number Priority Date Filing Date Title
JP2008175862A JP5217702B2 (ja) 2008-07-04 2008-07-04 要望書作成支援システム、要望書作成支援プログラム及び当該支援プログラムを記録したコンピュータ読み取り可能な記録媒体

Applications Claiming Priority (1)

Application Number Priority Date Filing Date Title
JP2008175862A JP5217702B2 (ja) 2008-07-04 2008-07-04 要望書作成支援システム、要望書作成支援プログラム及び当該支援プログラムを記録したコンピュータ読み取り可能な記録媒体

Publications (2)

Publication Number Publication Date
JP2010015445A true JP2010015445A (ja) 2010-01-21
JP5217702B2 JP5217702B2 (ja) 2013-06-19

Family

ID=41701502

Family Applications (1)

Application Number Title Priority Date Filing Date
JP2008175862A Expired - Fee Related JP5217702B2 (ja) 2008-07-04 2008-07-04 要望書作成支援システム、要望書作成支援プログラム及び当該支援プログラムを記録したコンピュータ読み取り可能な記録媒体

Country Status (1)

Country Link
JP (1) JP5217702B2 (ja)

Citations (4)

* Cited by examiner, † Cited by third party
Publication number Priority date Publication date Assignee Title
JP2001273342A (ja) * 2000-03-28 2001-10-05 Pfu Ltd 製品製造方法と製品製造支援方法
JP2003132103A (ja) * 2001-10-22 2003-05-09 Hitachi Ltd 設計支援方法及び設計支援装置
JP2003150225A (ja) * 2001-11-14 2003-05-23 Tsubasa System Co Ltd 部品リスト表示方法、部品リスト表示装置、及び、プログラム
JP2003281204A (ja) * 2002-03-22 2003-10-03 Nissan Diesel Motor Co Ltd 図面検索方法及びシステム

Patent Citations (4)

* Cited by examiner, † Cited by third party
Publication number Priority date Publication date Assignee Title
JP2001273342A (ja) * 2000-03-28 2001-10-05 Pfu Ltd 製品製造方法と製品製造支援方法
JP2003132103A (ja) * 2001-10-22 2003-05-09 Hitachi Ltd 設計支援方法及び設計支援装置
JP2003150225A (ja) * 2001-11-14 2003-05-23 Tsubasa System Co Ltd 部品リスト表示方法、部品リスト表示装置、及び、プログラム
JP2003281204A (ja) * 2002-03-22 2003-10-03 Nissan Diesel Motor Co Ltd 図面検索方法及びシステム

Also Published As

Publication number Publication date
JP5217702B2 (ja) 2013-06-19

Similar Documents

Publication Publication Date Title
JP4809897B2 (ja) 電子データスナップショットの生成
JP4896444B2 (ja) 電子ドキュメント内で特定のタイプのコンテンツを管理するための方法、装置、およびコンピュータ可読媒体
RU2498403C2 (ru) Сайты, переводимые пользователем после предоставления сайта
US20100031244A1 (en) Software updating device and computer-readable storage medium storing software updating program
US7720814B2 (en) Repopulating a database with document content
US20140229816A1 (en) Methods and devices for tagging a document
JP2006178963A (ja) 複数コラムのレイアウトを生成する方法およびコンピュータ読取り可能媒体
JP5493274B2 (ja) 文書管理装置及び文書管理プログラム
JP5355032B2 (ja) クライアント装置、サーバ装置、及び、それらを用いた文書管理システム、文書管理方法、文書管理プログラム
CN102306164A (zh) 用于web服务的后期资源本地化绑定
JP5217702B2 (ja) 要望書作成支援システム、要望書作成支援プログラム及び当該支援プログラムを記録したコンピュータ読み取り可能な記録媒体
JP6388756B2 (ja) 電子マニュアル出力システム及び電子マニュアル出力方法並びに電子マニュアル出力プログラム
JP5198149B2 (ja) 情報処理装置、プログラム、及び保険商品約款生成方法
US20110145661A1 (en) Selectively displaying source code defect information within a source code editor
CN119105744A (zh) 基于命令行的代码自动生成方法、装置、设备及存储介质
JP5682984B1 (ja) 文書処理システム
JP2005309723A (ja) 自動設計システム、自動設計方法、および自動設計プログラム
JP2009098724A (ja) 発注検収管理装置及び発注検収管理方法
JP2008234579A (ja) 申告書作成方法、申告書作成装置、申告書作成システム、および申告書作成プログラム
CN110750973A (zh) 动态模板配置方法及系统
JP5449506B1 (ja) 成果物品質管理装置及び成果物品質管理プログラム
JP4466575B2 (ja) 設計支援システム、設計支援方法及び設計支援プログラム
JP4906424B2 (ja) Webサービス設計方法及び装置
JP2000357192A (ja) 特許事務処理装置、特許事務処理方法及び記録媒体
JP7544263B2 (ja) 情報処理装置、情報処理方法及びプログラム

Legal Events

Date Code Title Description
A621 Written request for application examination

Free format text: JAPANESE INTERMEDIATE CODE: A621

Effective date: 20101021

A977 Report on retrieval

Free format text: JAPANESE INTERMEDIATE CODE: A971007

Effective date: 20120517

A131 Notification of reasons for refusal

Free format text: JAPANESE INTERMEDIATE CODE: A131

Effective date: 20120522

A521 Request for written amendment filed

Free format text: JAPANESE INTERMEDIATE CODE: A523

Effective date: 20120720

TRDD Decision of grant or rejection written
A01 Written decision to grant a patent or to grant a registration (utility model)

Free format text: JAPANESE INTERMEDIATE CODE: A01

Effective date: 20130205

A61 First payment of annual fees (during grant procedure)

Free format text: JAPANESE INTERMEDIATE CODE: A61

Effective date: 20130218

FPAY Renewal fee payment (event date is renewal date of database)

Free format text: PAYMENT UNTIL: 20160315

Year of fee payment: 3

R150 Certificate of patent or registration of utility model

Ref document number: 5217702

Country of ref document: JP

Free format text: JAPANESE INTERMEDIATE CODE: R150

Free format text: JAPANESE INTERMEDIATE CODE: R150

R250 Receipt of annual fees

Free format text: JAPANESE INTERMEDIATE CODE: R250

R250 Receipt of annual fees

Free format text: JAPANESE INTERMEDIATE CODE: R250

R250 Receipt of annual fees

Free format text: JAPANESE INTERMEDIATE CODE: R250

R250 Receipt of annual fees

Free format text: JAPANESE INTERMEDIATE CODE: R250

R250 Receipt of annual fees

Free format text: JAPANESE INTERMEDIATE CODE: R250

R250 Receipt of annual fees

Free format text: JAPANESE INTERMEDIATE CODE: R250

LAPS Cancellation because of no payment of annual fees