JP2010000673A - 印刷版の製造方法、印刷版および反転印刷方法 - Google Patents

印刷版の製造方法、印刷版および反転印刷方法 Download PDF

Info

Publication number
JP2010000673A
JP2010000673A JP2008161013A JP2008161013A JP2010000673A JP 2010000673 A JP2010000673 A JP 2010000673A JP 2008161013 A JP2008161013 A JP 2008161013A JP 2008161013 A JP2008161013 A JP 2008161013A JP 2010000673 A JP2010000673 A JP 2010000673A
Authority
JP
Japan
Prior art keywords
printing plate
substrate
printing
resolution portion
etching
Prior art date
Legal status (The legal status is an assumption and is not a legal conclusion. Google has not performed a legal analysis and makes no representation as to the accuracy of the status listed.)
Granted
Application number
JP2008161013A
Other languages
English (en)
Other versions
JP5090265B2 (ja
Inventor
Hajime Kuwabara
一 桑原
Current Assignee (The listed assignees may be inaccurate. Google has not performed a legal analysis and makes no representation or warranty as to the accuracy of the list.)
Sumitomo Chemical Co Ltd
Original Assignee
Sumitomo Chemical Co Ltd
Priority date (The priority date is an assumption and is not a legal conclusion. Google has not performed a legal analysis and makes no representation as to the accuracy of the date listed.)
Filing date
Publication date
Application filed by Sumitomo Chemical Co Ltd filed Critical Sumitomo Chemical Co Ltd
Priority to JP2008161013A priority Critical patent/JP5090265B2/ja
Publication of JP2010000673A publication Critical patent/JP2010000673A/ja
Application granted granted Critical
Publication of JP5090265B2 publication Critical patent/JP5090265B2/ja
Expired - Fee Related legal-status Critical Current
Anticipated expiration legal-status Critical

Links

Images

Landscapes

  • Optical Filters (AREA)
  • Photosensitive Polymer And Photoresist Processing (AREA)
  • Manufacture Or Reproduction Of Printing Formes (AREA)
  • Printing Methods (AREA)
  • Printing Plates And Materials Therefor (AREA)

Abstract


【課題】 高分解能のカラーフィルタを製造するための印刷版を、容易にかつ安価に製造することが可能な印刷版の製造方法、印刷版および、これを用いた反転印刷方法を提供する。
【解決手段】 遮光部隔壁、アライメントマークなどの幅が広く、版深さを深くする必要がある低解像度部分においては、印刷版用基板21の表面を、エッチング処理によってパターン化して形成する。画素、ブラックマトリクスなど幅が小さく高精細な高解像度部分においては、印刷版用基板21の表面上にネガレジスト41を塗布し、これを露光、現像することによって細線パターンを形成する。
【選択図】 図3

Description

本発明は、反転印刷方法に用いる印刷版の製造方法、印刷版および、これを用いた反転印刷方法に関する。
近年、フラットパネルディスプレイとして、有機EL(Electro-Luminescence)ディスプレイ、液晶ディスプレイ(LCD)が注目されており、その薄型、軽量、低消費電力といった特徴から、携帯電話機をはじめ、特にLCDは、ノート型のパーソナルコンピュータ(PC)、デスクトップ型PC用のモニタ、大型テレビジョン受像機を中心に市場が拡大している。
これらのディスプレイには、カラー映像を表示するためにカラーフィルタが備えられている。用いるカラーフィルタとしては、パターン化された赤・緑・青やシアン・マゼンタ・イエローの3色、及びこれに黒を加えた4色からなる着色層が透明基板に形成されたものである。
このカラーフィルタの着色層は従来より、感光性顔料分散レジストをフォトリソグラフィ法によってパターニングして画素ごとに形成されているが、近年、カラーフィルタの低コスト化を実現するため、フォトリソグラフィ法に代わって印刷法によって形成することが提案されている。
カラーフィルタの製造に利用可能な印刷法には、スクリーン印刷法、インクジェット印刷法、凹版オフセット印刷法、反転印刷法などが提案されている。
スクリーン印刷法は、スクリーンメッシュを用いて、スキージによりメッシュからインクを押し出して印刷する方法であるが、70μm以下の細線の形成は困難であり、インクジェット印刷法は、インクを溜めるための下地処理をフォトリソグラフィ法などにより形成しなければならず、低コスト化にはならない。
凹版オフセット印刷法は、印刷凹版にインキを塗布、スキージで不要なインキを除去し、凹版内に充填されたインキをオフセットブランケットに転写し、ブランケットから被印刷部材に印刷する方法であり、反転印刷法は、オフセットブランケットにインキを塗布、印刷凹版でブランケット表面の不要なインキを除去し、オフセットブランケットに残ったインキを被印刷部材に印刷する方法である。
これらの印刷凹版の製造方法としては、一般的にガラス基板に金属薄膜をマスキング材としてパターニングし、金属薄膜の開口部にあるガラスをフッ酸等の薬液で溶解して、ガラス基板表面に凹凸パターンを形成する方法が用いられる。
また、反転印刷法に用いられる印刷凹版は、画素パターン、アライメントマーク、額縁パターンと様々な寸法のパターンをオフセットブランケットから凹版へ転写する。印刷凹版の版深さが浅いとオフセットブランケットのニップ圧により凹部の底にオフセットブランケット表面が接触する現象が認められている。この現象を回避する方策として、凹部の開口寸法が大きい部分では版深さを深くする構造が用いられている。
特許文献1記載の凹版の製造方法では、複数種類の版深さを有する凹版を製造するにあたって、ウェット処理とサンドブラスト処理とを併用している。特許文献2記載の印刷用凹版では、パターンの形状、寸法に応じて凹形状の深さを変えており、ベース基材上に設けた感光層に対する露光量を変える、複数の感光層を設けるなどにより凹形状の深さを変えている。
特開2006−231827号公報 特開2006−167937号公報
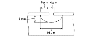
図4は、サイドエッチングを説明するための図である。ガラス基板にウェットエッチングを用いて凹部を形成する場合、マスキング層の開口部からエッチング液を浸入させて、ガラス表面から深さ方向にエッチングを進行させるが、このときのエッチングが等方性エッチングであることから、深さ方向と同様に平面方向(横方向)にもエッチング(サイドエッチング)が進行する。深さ方向:横方向≒1:1であるため、深さ数μmのガラスエッチングを行った場合、実際に得られる凹所の開口幅は、マスキング層の開口幅にエッチング深さの2倍を加えた幅となる。
たとえば、図4に示すように、マスキング層の開口幅が4μm、エッチング深さを6μmとすると、実際に得られる凹所の開口幅Wは、W=4+6×2=16μmと広がってしまう。
携帯電話機等に用いられるディスプレイは、小型かつ高解像度が求められており、画素部においては、幅10μm以下の細線パターンが必要となるが、上記のようにサイドエッチングによって微細パターンを形成することが困難である。レーザアブレーション技術でガラスに細線パターンを形成することも可能であるが、大面積の印刷版を加工するには、時間やコストがかかりすぎる。
したがって、線幅10μm以下のような細線パターンの版を形成する場合、ガラス基板をエッチングする特許文献1記載のような方法では作製できない。
また、額縁はmm単位の線幅を有し、アライメントマーク等は、数十〜数百μmの線幅で、線幅において画素部と大きな違いがある。これに伴い、同一の印刷版に線幅も深さも異なるパターンが混在する。
特許文献2記載のような方法では、異なるパターンの混在に対応することができるが、感光層を複数重ねて深さを変えたり、露光量をパターンごとに変えるなどフォトリソグラフィによるパターン形成工程が複雑かつ長時間を要し、コストも上昇する。
本発明の目的は、高分解能のカラーフィルタを製造するための印刷版を、容易にかつ安価に製造することが可能な印刷版の製造方法、印刷版および、これを用いた反転印刷方法を提供することである。
本発明は、高解像度部分と、前記高解像度部分よりも版深さが深い低解像度部分とを有し、反転印刷に用いられる印刷版を製造する製造方法において、
前記低解像度部分は、基板の表面を、フォトリソグラフィとエッチング処理によってパターン化して形成し、
前記高解像度部分は、前記基板の表面上にネガレジストを塗布し、フォトリソグラフィ法によってパターン化して形成することを特徴とする印刷版の製造方法である。
また本発明は、前記ネガレジストの膜厚は6μm以上であることを特徴とする。
また本発明は、前記低解像度部分を形成したのち、前記低解像度部分が形成されていない領域に前記高解像度部分を形成することを特徴とする。
また本発明は、高解像度部分と、前記高解像度部分よりも版深さが深い低解像度部分とを有し、反転印刷に用いられる印刷版において、
前記低解像度部分は、フォトリソグラフィとエッチング処理によってパターン化された基板の表面で構成され、
前記高解像度部分は、フォトリソグラフィ法によってパターン化された前記基板の表面上のネガレジストで構成されることを特徴とする印刷版である。
また本発明は、上記の印刷版を用いた反転印刷方法において、
前記印刷版の基板の熱膨張率と、ブランケット表面のインクが印刷される基板の熱膨張率との差が15×10−7/℃以下であることを特徴とする反転印刷方法である。
本発明によれば、低解像度部分は、基板の表面を、フォトリソグラフィとエッチング処理によってパターン化して形成し、高解像度部分は、前記基板の表面上のネガレジストを、フォトリソグラフィ法によってパターン化して形成する。
低解像度部分については、フォトリソグラフィとエッチング処理を組み合わせて作製するが、線幅10μm以下のような細線パターンを有する高解像度部分については、フォトリソグラフィを用い、ネガレジストを版の一部として用いるので、サイドエッチングの影響を抑えて、容易に高精細パターンを形成することができる。
また本発明によれば、ネガレジストの膜厚を6μm以上とする。ネガレジストの膜厚が薄過ぎると、強度を十分保てなかったり、細線パターンの精度および形状が低下するので、膜厚を6μm以上とすることが好ましい。
また本発明によれば、前記低解像度部分を形成したのち、前記低解像度部分が形成されていない領域に前記高解像度部分を形成する。
高解像度部分は、レジストにより構成されるため、低解像度部分を高解像度部分よりも後に形成すると、高解像度部分のレジストが、低解像度部分を形成する際に薬液の影響を受けてしまうので、予め高解像度部分を形成する領域を確保して低解像度部分を形成してから高解像度部分を形成することが好ましい。
また本発明によれば、低解像度部分は、フォトリソグラフィとエッチング処理によってパターン化された基板の表面で構成され、高解像度部分は、フォトリソグラフィ法のみによってパターン化された前記基板の表面上のネガレジストで構成される。
これにより、高精細な印刷が可能な印刷版が容易かつ安価に得ることができる。
また本発明によれば、上記の印刷版を用いた反転印刷方法において、前記印刷版の基板の熱膨張率と、ブランケット表面のインクが印刷される基板の熱膨張率との差を15×10−7/℃以下とする。
熱膨張率差を上記のような範囲に抑えることで、上記印刷版と印刷時の被印刷基板上のインクの位置精度を十分に確保することができる。
本発明は、高解像度部分と、前記高解像度部分よりも版深さが深い低解像度部分とを有し、反転印刷に用いられる印刷版を製造する製造方法であって、前記低解像度部分は、基板の表面を、フォトリソグラフィとエッチング処理によってパターン化して形成し、前記高解像度部分は、前記基板の表面上のネガレジストを、フォトリソグラフィ法によってパターン化して形成することを特徴としている。
本発明により製造される印刷版は、カラーフィルタ層の形成に好適に用いられる。カラーフィルタ層を形成する場合、高解像度部分は、微細パターンが必要な画素部分、ブラックマトリクス部分に相当し、低解像度部分は、アライメントマークや額縁部分に相当する。
低解像度部分については、ガラス基板にフォトリソグラフィにより所定のレジストパターニングを行い、該レジストパターンにウェットエッチング処理を施して、ガラス基板の表面に凹部を形成する。異なるエッチング深さが複数存在する場合は、最初に形成した凹部をレジストで覆い、再度フォトリソグラフィで所定のレジストパターンをパターニングし、別の凹部をガラス表面に形成する。所定のパターニングとはサイドエッチングを考慮したパターニングを言う。
高解像度部分については、基板上に塗布したネガレジストにフォトリソグラフィ処理でパターン形成し、ネガレジストを、版の一部として利用する。
以上のように、ウエットエッチング処理で少なくとも2種類の版深さを形成することが可能で、ネガレジストのフォトリソグラフィ処理で細線パターンを形成することが可能である。これにより、エッチング処理とネガレジストのフォトリソグラフィ処理とを併用することで線幅10μm以下の細線を含んだ3種類以上の版深さを有する印刷版を形成することが可能となる。
パターンの低解像度、高解像度部分について、版深さを複数種類に変更する理由は、オフセットブランケット上のインクを印刷版に転写する際、ニップ幅が数ミリとなるように圧力をかけており、幅の広い凹部パターンになるとこの凹部の底面にオフセットブランケット上のインクが接触する傾向が強くなる現象を回避するためである。
カラーフィルタ基板の各色の画素およびブラックマトリックスの各パターンには、数μmから数十ミクロンと様々な寸法のパターンがあり、特に開口率を向上させるための高精細のブラックマトリックスでは5〜6μmの線幅が要求される。また額縁は、これらとは逆に約1ミリから数ミリと幅の広いパターンであり、オフセットブランケットの底付きの影響を受けやすい。
ウェット処理では、フォトリソグラフィで形成したエッチングマスクを介してエッチング液を適用するため、線幅が数μm以上の細線の解像が可能であるが、サイドエッチングが発生することにより、線幅10μm以下の細線を形成することが困難である。このため、本発明では線幅10μm以下の高解像度部分を作製する場合は、ネガ型レジストを利用しこれにフォトリソグラフィ処理によりパターンを形成する。
カラーフィルタ基板は、対向電極基板とのセル位置精度を保証するために、トータルピッチ精度が±3μm以下となるように制御することが求められている。カラーフィルタ基板と対向電極基板とは熱膨張率の同じガラス材料を使用し、露光も熱膨張率の低いクオーツ製のフォトマスクを使用して、トータルピッチの制御を行っている。
また、印刷版のフォトリソグラフィに用いる露光マスクを介して処理すると露光マスク自体の寸法精度と同等またはそれ以下の精度にしかならないため、直描露光機によってパターンデータを描画することも可能である。
印刷版のトータルピッチを制御する方法としてはカラーフィルタ基板に近い熱膨張率の材料を使用することが望ましい。液晶表示装置のカラーフィルタ基板に使用されるガラス基板の熱膨張率は3×10−6/℃程度であり、たとえば1000mm角の基板サイズで1℃温度が変化するとガラス基板の長さは3μm変化する。液晶表示装置の要求仕様である±3μmを保証するためには、印刷版のベース基板とカラーフィルタ基板とのトータルピッチの差が±1.5μm以下となるように制御する必要がある。このような制御を実現するためには、印刷版のベース基板の熱膨張率と、カラーフィルタ基板の熱膨張率との差として15×10−7/℃以下であることが望ましい。なお、印刷版のベース基板において、熱膨張率がカラーフィルタ基板に近い基板としては、液晶表示装置に使用されている低膨張ガラスから選定すれば良い。
まず、本発明の印刷版を用いる印刷法として反転印刷法について説明する。反転印刷法は、公知の印刷法であり、たとえば、特開平11−58921号公報、特開2000−289320号公報などに記載されている。
図1は、反転印刷法の手順を示す概略図である。
反転印刷法では、ブランケット10と、インクをブランケット10表面に塗布するインクコータ12と、ブランケット10表面のインクの一部を除去する印刷版4とを使用する。
まず、予め準備したインクを、インクコータ12から一定量吐出させ、ブランケット10の表面に所定の厚さでインクを塗布しインク層11を形成する(図1(a))。
ブランケット10の表面にインク層11を形成したのち、ブランケット10を回転させながら印刷版4表面に当接させ、インク層11の一部を印刷版4に形成された凸部表面に付着させて除去する。このとき、印刷版4に予めパターンを形成しておくことで、ブランケット10表面に残ったインク層11に所定のパターンを形成することができる(図1(b))。
ブランケット10を回転させながら、ブランケット10の表面に残ったパターン化されたインク層11を、被印刷体である基板1の表面に転写して印刷する(図1(c))。
以下では、印刷版4の製造方法について説明する。
図2は、印刷版4の低解像度部分を形成する工程を示す図であり、図3は、印刷版4の高解像度部分を形成する工程を示す図である。
低解像度部分については、ガラス基板に対してフォトリソグラフィによりレジストのパターニングを行い、該レジストパターンにウェットエッチング処理を施して、ガラス基板の表面に直接凹部を形成する。
低解像度パターンを形成する側の表面全体に金属保護膜24が設けられた印刷版用基板21を準備し、金属保護膜24上に感光性レジストを塗布する。露光マスク23を用いて、塗布された感光性レジストを露光し、現像してアライメントマーク用凹部を形成するための開口が設けられたエッチングマスク22を形成する(図2(a))。
印刷版用基板21としては、たとえば低膨張ガラスを用いることができ、金属保護膜24としては、たとえば、クロムなどを印刷版用基板21表面に形成した。
レジストによるエッチングマスク22を用いてエッチングを行い、金属保護膜24に開口を形成する(図2(b))。金属保護膜24のエッチング剤は、金属保護膜24に用いた金属をエッチングできるものであれば使用でき、一般的にはウェットエッチングを行う。
金属保護膜24に開口を設けた状態で、印刷版用基板21に対してウェットエッチングを行い、印刷版用基板21の表面にアライメントマーク用凹部31を形成する(図2(c))。
印刷版用基板21としては主にガラス基板を用いるので、エッチング剤としては、たとえばフッ酸などを用いる。
ブランケット10表面のインク層11において、この凹部31に対向する部分は印刷版4によって除去されず、ブランケット10の表面上に残るので、残ったインク層を被印刷基板に転写することで、転写されたインク層がカラーフィルタ基板におけるアライメントマークとなる。
アライメントマークは、たとえば、後段での対向基板との貼り合わせ工程などカラーフィルタ基板と別の部材とを組み立てる場合に位置合せ用の基準となるマークである。
アライメントマーク用凹部31を形成したのち、アライメントマーク用凹部を形成するためのエッチングマスク22を除去する(図2(d))。エッチングマスク22は感光性レジストにより構成されているので感光性レジストの剥離液を用いてレジスト剥離を行えばよい。
次にアライメントマーク用凹部を形成するためのエッチングマスクと同様に、金属保護膜24上に感光性レジストを塗布し、露光マスクを用いて、塗布された感光性レジストを露光し、現像して版深さがアライメントマーク用凹部よりも深い額縁用凹部を形成するためのエッチングマスク25を形成する(図2(e))。
エッチングマスク25を用いてエッチングを行い、金属保護膜24に開口を形成する(図2(f))。金属保護膜24のエッチング剤は、図2(b)に示した場合と同様に、金属保護膜24に用いた金属をエッチングできるものであれば使用できる。
金属保護膜24に開口を設けた状態で、印刷版用基板21に対してウェットエッチングを行い、印刷版用基板21の表面に額縁用凹部32を形成する(図2(g))。
エッチング剤としては、図2(c)で示した場合と同様に、たとえばフッ酸などを用いる。
ブランケット10表面のインク層11において、この凹部32に対向する部分は印刷版4によって除去されず、ブランケット10の表面上に残るので、残ったインク層を被印刷基板に転写することで、転写されたインク層がカラーフィルタ基板における額縁となる。
最後に、エッチングマスク25および金属保護膜24を除去して、低解像度部分が形成された印刷版を得る(図2(h))。
エッチングマスク25の除去は、図2(d)で示した場合と同様に、感光性レジストの剥離液を用いてレジスト剥離を行えばよい。金属保護膜24の除去は、金属保護膜24のエッチングと同様に、金属保護膜24に用いた金属を除去できる方法であれば使用できる。
アライメントマーク、遮光部隔壁は、エッチング深さに応じて、サイドエッチングにより凹部の開口幅が大きくなるため、予めサイドエッチングを考慮したパターニングを行う。
なお、上記の例では金属保護膜が形成された基板を使用したが、使用する感光性レジストによっては、この金属保護膜が無くてもよい。また、アライメントマーク、遮光部隔壁の形成は、どちらが先でも構わない。
さらに、アライメントマークの種類によって遮光部隔壁と同じ版深さが可能な場合は、遮光部隔壁と同時に形成すれば、アライメントマークの形成のための工程である図2(e)〜図2(g)までの各工程は必要なくなる。
以上のようにして低解像度部分の形成が終わると、続いて高解像度部分を形成する。高解像度部分は、印刷版用基板をエッチング処理により形成するのではなく、印刷版用基板の表面に塗布したレジストにパターンを形成し、レジストを版の一部として用いる。
印刷版用基板21の低解像度部分が形成された側の表面全体に感光性レジスト41を塗布する(図3(a))。感光性レジストの塗布はダイコータ、スリットコータ、スピンコータ、CAPコータなど塗布装置、塗布方法について特に問わないが、印刷版用基板21には、遮光部隔壁用凹部31、アライメントマーク用凹部32などの段差が設けられているため、このような段差を有する基板表面に一定厚みで均一にレジスト塗布するには、ダイコータによる塗布が好適である。
感光性レジストは、ネガレジストを用いることが好ましい。ネガレジストを使用することで、サイドエッチングの影響が無く細線パターンを形成することが可能となる。また、印刷版の一部を構成するため、ブランケット10との当接の際にかかる当接力に対して変形などすることなく十分な強度を備えるためにも、ネガレジストが好ましい。
露光マスク42を用いて、塗布された感光性レジストを露光する(図3(b))。
最後に、未露光部分を除去し、各画素およびブラックマトリクス用凹部33を形成する(図3(c))。
以上の工程により、低解像度部分、高解像度部分を形成して印刷版4が得られる。
本発明の実施例について説明する。
作製しようとする印刷版4として、低解像度部分では、遮光部隔壁の幅を2mm、エッチングの深さを0.1mmとし、アライメントマークの幅を0.1mm、エッチングの深さを0.04mmとした。
このような設計値に対してマスク22,25は、サイドエッチングの影響を考慮して、遮光部隔壁用の線幅を1.8mm、アライメントマーク用の線幅を20μmとした。
印刷版用基板21には、金属保護膜としてのクロム層付きガラス基板(コーニング社製イーグル2000)を用いた。厚み0.7mm、熱膨張率3×10−7/℃を使用した。クロム層の膜厚は、厚過ぎると基板の反りなどが発生するので1000Å程度とする。
このような印刷版用基板21にポジレジストを塗布し、アライメントマーク用マスク23を利用しフォトリソグラフィでレジスト膜の一部を開口した。レジストの現像液にはアルカリ系の剥離液を使用した。
その後クロム層をクロムエッチャントでエッチングし、ガラス面を露出させた。印刷版用基板21をフッ酸に浸漬し、エッチング深さが0.04mmとなるまでエッチングを行った。
金属保護膜を残したまま、フォトレジストを剥離する。
ここでアライメントマーク部分の線幅を計測すると0.1mmであった。
印刷版用基板21に再びフォトレジストをダイコータで塗布し、アライメントマークを基準に遮光部隔壁パターンをフォトリソ処理で形成した。
レジスト開口部のクロム層をクロムエッチャントで除去し、ガラス面を露出させた。
印刷版用基板21をフッ酸に浸漬し、エッチング深さが0.1mmとなるようエッチングを行った。遮光部額縁の線幅を測定すると、設計どおり2.0mmであった。印刷版用基板21上に残っていた、フォトレジスト、クロム層を除去し、アライメントマーク、額縁などの低解像度部分が形成された印刷版用基板21を得た。
続いて、低解像度部分が形成された印刷版用基板21にダイコータで、ネガレジスト(KAYAKU−MICROCHEM社製、商品名SU−8 3005)を膜厚10μmになるように塗布した。
印刷版用基板21に形成したアライメントマークを基準に、線幅6μmの画素パターンを有するマスク42をアライメントし画素およびブラックマトリクスパターンを露光した。
専用現像液(KAYAKU−MICROCHEM社製、商品名SU−8 Developer)により未露光のネガレジストを現像することにより線幅7μmの所定のパターンが形成された高解像度部分を形成することができた。
以上のようにして、高解像度部分:線幅7μm、深さ10μm、アライメントマーク(低解像度部分):線幅100μm、深さ40μm、遮光部隔壁(低解像度部分):線幅2mm、深さ0.1mmを形成し、10μm以下の細線を含む3種類の版深さを有する印刷版が得られた。
反転印刷法の手順を示す概略図である。 印刷版4の低解像度部分を形成する工程を示す図である。 印刷版4の高解像度部分を形成する工程を示す図である。 サイドエッチングを説明するための図である。
符号の説明
4 印刷版
10 ブランケット
11 インク層
12 コータ
21 印刷版用基板

Claims (5)

  1. 高解像度部分と、前記高解像度部分よりも版深さが深い低解像度部分とを有し、反転印刷に用いられる印刷版を製造する製造方法において、
    前記低解像度部分は、基板の表面を、フォトリソグラフィとエッチング処理によってパターン化して形成し、
    前記高解像度部分は、前記基板の表面上にネガレジストを塗布し、フォトリソグラフィ法によってパターン化して形成することを特徴とする印刷版の製造方法。
  2. 前記ネガレジストの膜厚は6μm以上であることを特徴とする請求項1記載の印刷版の製造方法。
  3. 前記低解像度部分を形成したのち、前記低解像度部分が形成されていない領域に前記高解像度部分を形成することを特徴とする請求項1または2記載の印刷版の製造方法。
  4. 高解像度部分と、前記高解像度部分よりも版深さが深い低解像度部分とを有し、反転印刷に用いられる印刷版において、
    前記低解像度部分は、フォトリソグラフィとエッチング処理によってパターン化された基板の表面で構成され、
    前記高解像度部分は、フォトリソグラフィ法によってパターン化された前記基板の表面上のネガレジストで構成されることを特徴とする印刷版。
  5. 請求項4記載の印刷版を用いた反転印刷方法において、
    前記印刷版の基板の熱膨張率と、ブランケット表面のインクが印刷される基板の熱膨張率との差が15×10−7/℃以下であることを特徴とする反転印刷方法。
JP2008161013A 2008-06-19 2008-06-19 印刷版の製造方法、印刷版および反転印刷方法 Expired - Fee Related JP5090265B2 (ja)

Priority Applications (1)

Application Number Priority Date Filing Date Title
JP2008161013A JP5090265B2 (ja) 2008-06-19 2008-06-19 印刷版の製造方法、印刷版および反転印刷方法

Applications Claiming Priority (1)

Application Number Priority Date Filing Date Title
JP2008161013A JP5090265B2 (ja) 2008-06-19 2008-06-19 印刷版の製造方法、印刷版および反転印刷方法

Publications (2)

Publication Number Publication Date
JP2010000673A true JP2010000673A (ja) 2010-01-07
JP5090265B2 JP5090265B2 (ja) 2012-12-05

Family

ID=41582790

Family Applications (1)

Application Number Title Priority Date Filing Date
JP2008161013A Expired - Fee Related JP5090265B2 (ja) 2008-06-19 2008-06-19 印刷版の製造方法、印刷版および反転印刷方法

Country Status (1)

Country Link
JP (1) JP5090265B2 (ja)

Cited By (5)

* Cited by examiner, † Cited by third party
Publication number Priority date Publication date Assignee Title
CN104139600A (zh) * 2014-07-28 2014-11-12 四川金时科技有限公司 一种防干扰条形码扫描的全息版制造方法
JP2014529535A (ja) * 2011-09-27 2014-11-13 エルジー・ケム・リミテッド オフセット印刷用クリシェおよびその製造方法
US8925456B2 (en) 2010-08-09 2015-01-06 Samsung Display Co., Ltd. Cliché, method of manufacturing cliché, and pattern formed by roll printing method
JP2015509865A (ja) * 2012-07-11 2015-04-02 エルジー・ケム・リミテッド リバースオフセット印刷用クリシェおよびその製造方法{clicheforreverseoffsetprintingandmethodforpreparingthesame}
CN107253407A (zh) * 2013-03-14 2017-10-17 地板技术有限公司 用于与所应用的印刷法无关地产生具有相同质量的装饰印刷的方法和用于执行该方法的设备

Citations (3)

* Cited by examiner, † Cited by third party
Publication number Priority date Publication date Assignee Title
JP2006167937A (ja) * 2004-12-13 2006-06-29 Toppan Printing Co Ltd パターン毎に版深が異なる刷版用凹版及びその製造方法
JP2006231827A (ja) * 2005-02-28 2006-09-07 Toppan Printing Co Ltd 凹版の製造方法
JP2007261144A (ja) * 2006-03-29 2007-10-11 Toppan Printing Co Ltd 反転オフセット印刷用除去版およびパターン形成方法

Patent Citations (3)

* Cited by examiner, † Cited by third party
Publication number Priority date Publication date Assignee Title
JP2006167937A (ja) * 2004-12-13 2006-06-29 Toppan Printing Co Ltd パターン毎に版深が異なる刷版用凹版及びその製造方法
JP2006231827A (ja) * 2005-02-28 2006-09-07 Toppan Printing Co Ltd 凹版の製造方法
JP2007261144A (ja) * 2006-03-29 2007-10-11 Toppan Printing Co Ltd 反転オフセット印刷用除去版およびパターン形成方法

Cited By (7)

* Cited by examiner, † Cited by third party
Publication number Priority date Publication date Assignee Title
US8925456B2 (en) 2010-08-09 2015-01-06 Samsung Display Co., Ltd. Cliché, method of manufacturing cliché, and pattern formed by roll printing method
JP2014529535A (ja) * 2011-09-27 2014-11-13 エルジー・ケム・リミテッド オフセット印刷用クリシェおよびその製造方法
JP2015509865A (ja) * 2012-07-11 2015-04-02 エルジー・ケム・リミテッド リバースオフセット印刷用クリシェおよびその製造方法{clicheforreverseoffsetprintingandmethodforpreparingthesame}
CN107253407A (zh) * 2013-03-14 2017-10-17 地板技术有限公司 用于与所应用的印刷法无关地产生具有相同质量的装饰印刷的方法和用于执行该方法的设备
US10315410B2 (en) 2013-03-14 2019-06-11 Flooring Technologies Ltd. Method for producing decorative prints having identical quality independently of the printing method used and a device for performing said method
CN107253407B (zh) * 2013-03-14 2019-09-13 地板技术有限公司 产生具有相同质量的装饰印刷的方法和执行该方法的设备
CN104139600A (zh) * 2014-07-28 2014-11-12 四川金时科技有限公司 一种防干扰条形码扫描的全息版制造方法

Also Published As

Publication number Publication date
JP5090265B2 (ja) 2012-12-05

Similar Documents

Publication Publication Date Title
US6830856B2 (en) Method for fabricating color filter
JP2008246829A (ja) 凸版反転オフセット印刷用印刷版及びその製造方法、並びに表示装置及び表示装置用基板の製造方法
US20100167439A1 (en) Method of manufacturing printing plate and method of manufacturing liquid crystal display device using the same
JP2009274299A (ja) 印刷用凹版、印刷用凹版の製造方法、電子基板の製造方法、および表示装置の製造方法
JP5090265B2 (ja) 印刷版の製造方法、印刷版および反転印刷方法
JP2007076209A (ja) 刷版および印刷方法
JP5904448B2 (ja) オフセット印刷用版およびその製造方法
CN1920663B (zh) 印版制造方法
CN102183806A (zh) 彩色滤光数组及其制造方法
KR20100072969A (ko) 롤 프린트용 인쇄판의 제조방법 및 이를 이용한 액정표시장치의 제조방법
JP5256573B2 (ja) 印刷方法
JP2006167937A (ja) パターン毎に版深が異なる刷版用凹版及びその製造方法
CN100429568C (zh) 印刷设备及其制造方法
KR20050064583A (ko) 인쇄판 제조방법 및 액정표시장치 제조방법
KR101250236B1 (ko) 칼라필터기판 및 이를 포함하는 액정표시소자의 제조방법
CN100462847C (zh) 制造印版的方法
JP2006231827A (ja) 凹版の製造方法
JP4736484B2 (ja) カラーフィルターの製造方法
CN1971416B (zh) 印刷板、其制造方法以及使用其制造液晶显示器件的方法
KR20120046970A (ko) 인쇄판의 제조방법 및 그를 이용한 패턴 형성방법 및 그를 이용한 액정표시장치의 제조방법
JP2002071929A (ja) カラーフィルター基板の製造方法
US20040157139A1 (en) Method for fabricating color filter
JP2009151035A (ja) カラーフィルタ製造方法
JP2007076039A (ja) 凹版及びその製造方法、印刷方法
CN101149513A (zh) 用于一显示面板的阻挡层结构及其制造方法

Legal Events

Date Code Title Description
A621 Written request for application examination

Free format text: JAPANESE INTERMEDIATE CODE: A621

Effective date: 20110407

TRDD Decision of grant or rejection written
A01 Written decision to grant a patent or to grant a registration (utility model)

Free format text: JAPANESE INTERMEDIATE CODE: A01

Effective date: 20120904

A01 Written decision to grant a patent or to grant a registration (utility model)

Free format text: JAPANESE INTERMEDIATE CODE: A01

A61 First payment of annual fees (during grant procedure)

Free format text: JAPANESE INTERMEDIATE CODE: A61

Effective date: 20120912

FPAY Renewal fee payment (prs date is renewal date of database)

Free format text: PAYMENT UNTIL: 20150921

Year of fee payment: 3

R150 Certificate of patent (=grant) or registration of utility model

Free format text: JAPANESE INTERMEDIATE CODE: R150

LAPS Cancellation because of no payment of annual fees