JP2005291254A - 合成樹脂製二層コルゲート管およびこのコルゲート管を老朽化した既設配管内へ挿通する配管の補修方法 - Google Patents
合成樹脂製二層コルゲート管およびこのコルゲート管を老朽化した既設配管内へ挿通する配管の補修方法 Download PDFInfo
- Publication number
- JP2005291254A JP2005291254A JP2004104021A JP2004104021A JP2005291254A JP 2005291254 A JP2005291254 A JP 2005291254A JP 2004104021 A JP2004104021 A JP 2004104021A JP 2004104021 A JP2004104021 A JP 2004104021A JP 2005291254 A JP2005291254 A JP 2005291254A
- Authority
- JP
- Japan
- Prior art keywords
- tubular portion
- layer tubular
- pipe
- corrugated
- corrugated pipe
- Prior art date
- Legal status (The legal status is an assumption and is not a legal conclusion. Google has not performed a legal analysis and makes no representation as to the accuracy of the status listed.)
- Granted
Links
- 238000000034 method Methods 0.000 title claims abstract description 10
- 229920003002 synthetic resin Polymers 0.000 title claims description 26
- 239000000057 synthetic resin Substances 0.000 title claims description 26
- 239000012530 fluid Substances 0.000 claims abstract description 11
- 239000004698 Polyethylene Substances 0.000 claims description 6
- -1 polyethylene Polymers 0.000 claims description 6
- 229920000573 polyethylene Polymers 0.000 claims description 6
- 239000002689 soil Substances 0.000 claims description 4
- 238000003780 insertion Methods 0.000 abstract description 6
- 230000037431 insertion Effects 0.000 abstract description 6
- 230000032683 aging Effects 0.000 abstract description 2
- 239000010410 layer Substances 0.000 description 112
- 238000005452 bending Methods 0.000 description 12
- 230000000052 comparative effect Effects 0.000 description 7
- 229910000831 Steel Inorganic materials 0.000 description 5
- 239000010959 steel Substances 0.000 description 5
- 229920005989 resin Polymers 0.000 description 4
- 239000011347 resin Substances 0.000 description 4
- 239000002356 single layer Substances 0.000 description 4
- 239000011162 core material Substances 0.000 description 3
- 229920001903 high density polyethylene Polymers 0.000 description 3
- 239000004700 high-density polyethylene Substances 0.000 description 3
- 238000007689 inspection Methods 0.000 description 3
- 239000000463 material Substances 0.000 description 3
- 229920003023 plastic Polymers 0.000 description 2
- 239000004033 plastic Substances 0.000 description 2
- 230000001681 protective effect Effects 0.000 description 2
- 230000006835 compression Effects 0.000 description 1
- 238000007906 compression Methods 0.000 description 1
- 238000010276 construction Methods 0.000 description 1
- 230000008602 contraction Effects 0.000 description 1
- 238000010586 diagram Methods 0.000 description 1
- 230000000694 effects Effects 0.000 description 1
- 230000009191 jumping Effects 0.000 description 1
- 238000000465 moulding Methods 0.000 description 1
- 239000010865 sewage Substances 0.000 description 1
- 239000002699 waste material Substances 0.000 description 1
- XLYOFNOQVPJJNP-UHFFFAOYSA-N water Substances O XLYOFNOQVPJJNP-UHFFFAOYSA-N 0.000 description 1
Images
Landscapes
- Rigid Pipes And Flexible Pipes (AREA)
Abstract
【解決手段】管軸方向の切断面が略波形をした外層管状部と、この外層管状部に内部に配置され、管軸方向の切断面が外層管状部と同じピッチの略波形をした内層管状部とを有し、外層管状部と、内層管状部とが、断面波形の谷部にあたる部分のみで一体化されているとともに、内層管状部の山部が外層管状部の山部内に入り込んでいることを特徴としている。
【選択図】 図1
Description
すなわち、押し込み動作と牽引動作を繰り返すことによって、曲がり部のある既設配管でもコルゲート管を挿入するようになっている。
すなわち、1つ目は、内面の凹凸が大きくなるため、内部を流れる流体の圧力損失が大きいこと、2つ目は、使用時に外面に傷が発生する恐れがあるために、内圧がかかる使用状況下では品質を保証が難しい。したがって、従来のコルゲート管は、保護管(さや管)としての利用がほとんどである。
したがって、曲げる場合にも、エルボやベンドなどの継手を必要とせず、安価に、複雑なまがりのある管路を構成することができ、内圧・外圧が加わる環境下(つまり圧力管)としても使用できる。
外圧による偏平や曲げに対しても十分な強度を確保しながら、できるだけ大きな内径とすることができる。すなわち、h/Dが0.08未満であれば、同一の外径であっても山の高さが小さくなり、コルゲート管の偏平強度が低下し、曲げたときに偏平が大きくなり、極端な場合には座屈してしまう恐れがある。また、0.09を超えると、十分な強度があるものの、内径が小さくなって、流路が極端に狭くなる。圧力損失は内径の5乗に比例することから、内径を小さくすることによる影響は非常に大きいものである。
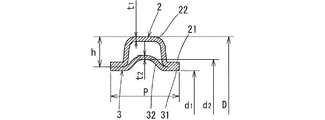
図1および図2は、本発明にかかる合成樹脂製二層コルゲート管の1つの実施の形態をあらわしている。
外層管状部2は、管軸方向の切断面が略波形をしていて、密度0.930〜0.955のポリエチレンで形成されている。
すなわち、図示していないが、まず、先導糸の先端に落下傘状の風圧受け具を取り付け、風圧受け具を既設配管の一端に挿入したのち、コンプレッサ等で圧縮空気を既設配管の一端から他端に向けて送り、風圧受け具を圧縮空気によって既設配管の他端に送ることによって、先導糸を既設配管内に通す。
つぎに、図3に示すように、コルゲート管1の先端に接続ネット等の牽引治具4を取り付けたのち、この牽引治具4に牽引用ワイヤロープRの一端を固定したのち、既設配管Pの一端から作業者Aがコルゲート管1を既設配管P内に送り込む動作をするとともに、既設配管Pの他端から作業者Bが牽引用ワイヤロープRを牽引する動作を行うという作業を繰り返し、コルゲート管1を既設配管Pに挿入する。
なお、コルゲート管1を既設配管Pに挿入する際には、コルゲート管1内にコルゲート管1より可撓性がある密着コイルスプリング等に芯材を挿入しておき、コルゲート管とともに芯材を既設配管P内に挿入し、コルゲート管の挿入完了後、コルゲート管から芯材を引き抜くようにしてもよい。
図2に示す各部の寸法が以下の表1に示すとおりである呼び径25A、50Aのコルゲート管を高密度ポリエチレンにて試作し、図4に示すような、90°エルボの曲がりがある鋼製配管7内に挿通したところ、25Aで5個、50Aで3個の曲がりがあっても挿通することができ、また、挿通後に外観検査をおこなったところ、表面に既設管とのこすれによる傷が発生していたが、気密試験を行ったところ全く問題がなかった。
各部の寸法が、上記実施例1のコルゲート管の内層管状部と同じである内層管状部形状をした単層のコルゲート管を試作し、実施例1と同様にして、鋼製配管7に挿入しようとしたが、屈曲時に偏平してしまい曲がりを通過することができなかった。
各部の寸法が、上記実施例1のコルゲート管の外層管状部と同じである外層管状部形状をした単層のコルゲート管を試作し、実施例1と同様にして、鋼製配管7に挿入したところ、屈曲は非常に優れ、実施例1と同等の曲がりを挿通することができた。しかしながら、挿通後の外観検査において、傷が発生していることが確認できた。また、一部には貫通した破れも発生していた。
内層管状部を平滑なものにした以外は、外層管状部の各部の寸法が実施例1と同様の2層コルゲート管を試作し、実施例1と同様にして、鋼製配管7に挿入したところ、圧力損失は良好であるものの、25Aで3曲がりしか通過することができなかった。また、管自体の屈曲性が悪いため、大きな牽引力が必要となり、外観検査を行ったところ、内層が破断したり、降伏して白化する箇所がみられた。
図5に示すように、実施例1の外層管状部と同様の寸法の外層管状部と、この外層管状部の谷部に山部が一体化され、谷部が管内面側に突出した内層管状部とを備える2層コルゲート管9を試作し、実施例1と同様にして、鋼製配管7に挿入したところ、曲がりやすさは優れるものの、内層管状部が図6のように管路内面に折り曲がり、管を大きく曲げて使用する場合には内部を流れる流体の圧力損失が大きくなっていた。
2 外層管状部
21 谷部
22 山部
3 内層管状部
31 谷部
32 山部
Claims (8)
- 管軸方向の切断面が略波形をした外層管状部と、この外層管状部に内部に配置され、管軸方向の切断面が外層管状部と同じピッチの略波形をした内層管状部とを有し、外層管状部と、内層管状部とが、断面波形の谷部にあたる部分のみで一体化されているとともに、内層管状部の山部が外層管状部の山部内に入り込んでいることを特徴とする合成樹脂製二層コルゲート管。
- 内層管状部は、その外層管状部との一体化部と一体化部との間の非一体化部分のコルゲート管の周方向の壁面長さが、使用状況下で最も大きく曲げられた場合の、隣接する2つの前記一体化部間の最大距離と同じ長さに形成されている請求項1記載の合成樹脂製二層コルゲート管。
- 外層管状部の谷部の底から山部の頂部までの長さ(h)と、外層管状部の外径(D)とが、0.08≦h/D≦0.09を満足する請求項1または請求項2に記載の合成樹脂製二層コルゲート管。
- 内層管状部の最小内径(d1)と、内層管状部の最大内径(d2)とが0.85≦d1/d2≦0.95を満足する請求項1〜請求項3のいずれかに記載の合成樹脂製二層コルゲート管。
- 外層管状部が、土中に埋設されたときの土圧に単独で耐える強度を備えている請求項1〜請求項4のいずれかに記載の合成樹脂製二層コルゲート管。
- 内層管状部が、単独で内部を流れる圧力流体の圧力に耐える強度を備えている請求項1〜請求項5のいずれかに記載の合成樹脂製二層コルゲート管。
- 外層管状部および内層管状部が密度0.930〜0.955のポリエチレンで形成されている請求項1〜請求項6のいずれかに記載の合成樹脂製二層コルゲート管。
- 請求項1〜7記載のいずれかに記載のコルゲート管を老朽化した既設配管内へ挿通し、挿通したコルゲート管を新しい配管とすることを特徴とする配管の補修方法。
Priority Applications (1)
| Application Number | Priority Date | Filing Date | Title |
|---|---|---|---|
| JP2004104021A JP4495996B2 (ja) | 2004-03-31 | 2004-03-31 | 合成樹脂製二層コルゲート管およびこのコルゲート管を老朽化した既設配管内へ挿通する配管の補修方法 |
Applications Claiming Priority (1)
| Application Number | Priority Date | Filing Date | Title |
|---|---|---|---|
| JP2004104021A JP4495996B2 (ja) | 2004-03-31 | 2004-03-31 | 合成樹脂製二層コルゲート管およびこのコルゲート管を老朽化した既設配管内へ挿通する配管の補修方法 |
Publications (2)
| Publication Number | Publication Date |
|---|---|
| JP2005291254A true JP2005291254A (ja) | 2005-10-20 |
| JP4495996B2 JP4495996B2 (ja) | 2010-07-07 |
Family
ID=35324428
Family Applications (1)
| Application Number | Title | Priority Date | Filing Date |
|---|---|---|---|
| JP2004104021A Expired - Lifetime JP4495996B2 (ja) | 2004-03-31 | 2004-03-31 | 合成樹脂製二層コルゲート管およびこのコルゲート管を老朽化した既設配管内へ挿通する配管の補修方法 |
Country Status (1)
| Country | Link |
|---|---|
| JP (1) | JP4495996B2 (ja) |
Cited By (7)
| Publication number | Priority date | Publication date | Assignee | Title |
|---|---|---|---|---|
| JP2011158026A (ja) * | 2010-02-01 | 2011-08-18 | Aron Kasei Co Ltd | 排水用可撓管および接続部品接続構造 |
| JP2017009072A (ja) * | 2015-06-24 | 2017-01-12 | 株式会社ブリヂストン | 複合管 |
| CN107191693A (zh) * | 2017-06-06 | 2017-09-22 | 周成纤 | 螺旋双峰结构波纹管及其制造方法 |
| JP2018185017A (ja) * | 2017-04-27 | 2018-11-22 | クラレプラスチックス株式会社 | ガス用可撓性ホース |
| JP2018184978A (ja) * | 2017-04-25 | 2018-11-22 | クラレプラスチックス株式会社 | 樹脂ダクト |
| CN113236876A (zh) * | 2021-04-02 | 2021-08-10 | 江西联塑科技实业有限公司 | 一种多层波纹管及其生产机组 |
| JP2021120589A (ja) * | 2020-01-31 | 2021-08-19 | 古河電気工業株式会社 | ポリオレフィン樹脂製二重壁角形電線管、二重壁角形電線管の管路、二重壁角形電線管の管路へのケーブル通線方法 |
Citations (4)
| Publication number | Priority date | Publication date | Assignee | Title |
|---|---|---|---|---|
| JPS5844582U (ja) * | 1981-09-18 | 1983-03-25 | 金尾 史朗 | 合成樹脂製内膜体付き螺旋巻きコルゲ−ト管 |
| JPS6067483U (ja) * | 1983-10-15 | 1985-05-13 | タキロン株式会社 | コルゲ−ト二重壁管 |
| JPH02261993A (ja) * | 1989-03-31 | 1990-10-24 | Takiron Co Ltd | コルゲート管 |
| JP2002022067A (ja) * | 2000-07-06 | 2002-01-23 | Hitachi Metals Ltd | ポリオレフィン系樹脂製2層コルゲ−ト管 |
-
2004
- 2004-03-31 JP JP2004104021A patent/JP4495996B2/ja not_active Expired - Lifetime
Patent Citations (4)
| Publication number | Priority date | Publication date | Assignee | Title |
|---|---|---|---|---|
| JPS5844582U (ja) * | 1981-09-18 | 1983-03-25 | 金尾 史朗 | 合成樹脂製内膜体付き螺旋巻きコルゲ−ト管 |
| JPS6067483U (ja) * | 1983-10-15 | 1985-05-13 | タキロン株式会社 | コルゲ−ト二重壁管 |
| JPH02261993A (ja) * | 1989-03-31 | 1990-10-24 | Takiron Co Ltd | コルゲート管 |
| JP2002022067A (ja) * | 2000-07-06 | 2002-01-23 | Hitachi Metals Ltd | ポリオレフィン系樹脂製2層コルゲ−ト管 |
Cited By (8)
| Publication number | Priority date | Publication date | Assignee | Title |
|---|---|---|---|---|
| JP2011158026A (ja) * | 2010-02-01 | 2011-08-18 | Aron Kasei Co Ltd | 排水用可撓管および接続部品接続構造 |
| JP2017009072A (ja) * | 2015-06-24 | 2017-01-12 | 株式会社ブリヂストン | 複合管 |
| JP2018184978A (ja) * | 2017-04-25 | 2018-11-22 | クラレプラスチックス株式会社 | 樹脂ダクト |
| JP2018185017A (ja) * | 2017-04-27 | 2018-11-22 | クラレプラスチックス株式会社 | ガス用可撓性ホース |
| CN107191693A (zh) * | 2017-06-06 | 2017-09-22 | 周成纤 | 螺旋双峰结构波纹管及其制造方法 |
| CN107191693B (zh) * | 2017-06-06 | 2023-11-24 | 周成纤 | 螺旋双峰结构波纹管及其制造方法 |
| JP2021120589A (ja) * | 2020-01-31 | 2021-08-19 | 古河電気工業株式会社 | ポリオレフィン樹脂製二重壁角形電線管、二重壁角形電線管の管路、二重壁角形電線管の管路へのケーブル通線方法 |
| CN113236876A (zh) * | 2021-04-02 | 2021-08-10 | 江西联塑科技实业有限公司 | 一种多层波纹管及其生产机组 |
Also Published As
| Publication number | Publication date |
|---|---|
| JP4495996B2 (ja) | 2010-07-07 |
Similar Documents
| Publication | Publication Date | Title |
|---|---|---|
| AU722738B2 (en) | Flexible pipe with internal gasproof undulating metal tube | |
| US20050039912A1 (en) | Conformable Apparatus in a Drill String | |
| CN101718375B (zh) | 用于螺旋波纹形塑钢缠绕管的钢带增强复合带材 | |
| JP4495996B2 (ja) | 合成樹脂製二層コルゲート管およびこのコルゲート管を老朽化した既設配管内へ挿通する配管の補修方法 | |
| EP0871831B1 (en) | Subsea flexible pipe | |
| JP2004514861A (ja) | 接続フランジを備える可撓性ホース、およびこのホースを製造する方法 | |
| US8689423B2 (en) | Reducing fluid turbulance in a flexible pipe | |
| US6651700B1 (en) | Device for limiting propagation of deformation in a wound double-walled tube | |
| JP5588255B2 (ja) | 管路更生管 | |
| KR102217572B1 (ko) | 지중 배전관로의 방수구조 및 이의 시공방법 | |
| CN220036723U (zh) | 一种承插式多层复合逃生管道 | |
| JP2005291255A (ja) | 既設配管へのコルゲート管の挿入工法およびこの工法に用いる挿入補助治具 | |
| JP7534751B2 (ja) | 管路更生工法 | |
| JP6769810B2 (ja) | 螺旋管形成用帯状部材 | |
| JP2004156682A (ja) | 既設配管内へのライニング管の挿入方法、及び該方法によって形成される配管構造 | |
| JP2025076405A (ja) | 独立波ケーブル保護管、雌継手部材と独立波ケーブル保護管との接続構造、独立波ケーブル保護管の切断方法及び独立波ケーブル保護管と雌継手部材との接続方法 | |
| JP2024048465A (ja) | 管更生部材および螺旋管の製管方法 | |
| JP4573246B2 (ja) | 地中埋設管補修方法 | |
| JP2007255479A (ja) | 管路引き込み用複合管 | |
| JP2005291257A (ja) | 既設配管へのコルゲート管の挿入工法 | |
| JP2009014149A (ja) | 補修用管および配管補修方法 | |
| JP2021126830A (ja) | 既設管更生用帯状部材及び既設管更生方法 | |
| JP2004060835A (ja) | 可とう継手とその製造方法 | |
| JP4692338B2 (ja) | 蛇腹ホース | |
| JP2021098336A (ja) | 管更生部材 |
Legal Events
| Date | Code | Title | Description |
|---|---|---|---|
| A621 | Written request for application examination |
Free format text: JAPANESE INTERMEDIATE CODE: A621 Effective date: 20061115 |
|
| A977 | Report on retrieval |
Free format text: JAPANESE INTERMEDIATE CODE: A971007 Effective date: 20091005 |
|
| A131 | Notification of reasons for refusal |
Free format text: JAPANESE INTERMEDIATE CODE: A131 Effective date: 20091110 |
|
| A521 | Request for written amendment filed |
Free format text: JAPANESE INTERMEDIATE CODE: A523 Effective date: 20100106 |
|
| A711 | Notification of change in applicant |
Free format text: JAPANESE INTERMEDIATE CODE: A711 Effective date: 20100201 |
|
| A521 | Request for written amendment filed |
Free format text: JAPANESE INTERMEDIATE CODE: A821 Effective date: 20100201 |
|
| TRDD | Decision of grant or rejection written | ||
| A01 | Written decision to grant a patent or to grant a registration (utility model) |
Free format text: JAPANESE INTERMEDIATE CODE: A01 Effective date: 20100316 |
|
| A01 | Written decision to grant a patent or to grant a registration (utility model) |
Free format text: JAPANESE INTERMEDIATE CODE: A01 |
|
| A61 | First payment of annual fees (during grant procedure) |
Free format text: JAPANESE INTERMEDIATE CODE: A61 Effective date: 20100412 |
|
| R151 | Written notification of patent or utility model registration |
Ref document number: 4495996 Country of ref document: JP Free format text: JAPANESE INTERMEDIATE CODE: R151 |
|
| FPAY | Renewal fee payment (event date is renewal date of database) |
Free format text: PAYMENT UNTIL: 20130416 Year of fee payment: 3 |
|
| FPAY | Renewal fee payment (event date is renewal date of database) |
Free format text: PAYMENT UNTIL: 20140416 Year of fee payment: 4 |
|
| EXPY | Cancellation because of completion of term |
